改良对二甲氨基苯甲醛溶液
- 格式:doc
- 大小:28.67 KB
- 文档页数:1
Elson-Morgan 改良法
一、实验原理
透明质酸酶是Ⅰ型过敏反应的参与者,透明质酸酶与炎症、过敏有强相关性,研究报道各种肥大细胞释放组胺的药物能调节透明质酸酶活性,一些抗敏药物有强抑制透明质酸酶活性,因此抑制透明质酸酶活性作为研究抗过敏作用的指标。
二、试剂和仪器
1、透明质酸酶:浓度500U/ml,现配现用,不能过夜,用醋酸缓冲液做溶剂;
2、透明质酸钠:ml,一次配制,多次使用,用醋酸缓冲液做溶剂;
3、Buffer:溶液A( mol/L 醋酸冰醋酸溶于1L蒸馏水中)
溶液B( mol/L醋酸钠无水醋酸钠或三水合醋酸钠溶于1L蒸馏水中),混合稀释至100ml,配制成PH=的醋酸缓冲液;
4、乙酰丙酮溶液:50ml L 碳酸钠溶液和乙酰丙酮溶液混合均匀(临用现配)
5、P-DAB显色剂:对二甲氨基苯甲醛溶于15ml浓盐酸和15ml无水乙醇混合均匀。
6、氯化钙溶液CaCl2:L
7、氢氧化钠溶液NaOH:5 mol/L
样品参考浓度ml
三、试验步骤
四、计算
透明质酸酶抑制率(%)=[(C-D)-(A-B)]/ (C-D) ×100%
试中:A—(透明质酸酶+样品+透明质酸钠)试样溶液的OD值
B—(醋酸缓冲液+样品+醋酸缓冲液)试样空白的OD值
C—(透明质酸酶+去离子水+透明质酸钠)对照溶液的OD值 D—(醋酸缓冲液+去离子水+醋酸缓冲液)对照空白的OD值。
Elson-Morgan 改良法
一、实验原理
透明质酸酶是Ⅰ型过敏反应的参与者,透明质酸酶与炎症、过敏有强相关性,研究报道各种肥大细胞释放组胺的药物能调节透明质酸酶活性,一些抗敏药物有强抑制透明质酸酶活性,因此抑制透明质酸酶活性作为研究抗过敏作用的指标。
二、试剂和仪器
1、透明质酸酶:浓度500U/ml,现配现用,不能过夜,用醋酸缓冲液做溶剂;
2、透明质酸钠:0.5mg/ml,一次配制,多次使用,用醋酸缓冲液做溶剂;
3、Buffer:溶液A(0.2 mol/L 醋酸11.55ml冰醋酸溶于1L蒸馏水中)4.8ml
溶液B(0.2 mol/L醋酸钠16.4g无水醋酸钠或27.2g三水合醋酸钠溶于1L蒸馏水中)45.2ml,混合稀释至100ml,配制成PH=5.6的醋酸缓冲液;
4、乙酰丙酮溶液:50ml 1.0mol/L 碳酸钠溶液和3.5ml乙酰丙酮溶液混合均匀(临用现配)
5、P-DAB显色剂:0.8g 对二甲氨基苯甲醛溶于15ml浓盐酸和15ml无水乙醇混合均匀。
6、氯化钙溶液CaCl2:2.5mol/L
7、氢氧化钠溶液NaOH:5 mol/L
样品参考浓度1.2mg/ml
三、试验步骤
四、计算
透明质酸酶抑制率(%)=[(C-D)-(A-B)]/ (C-D) ×100%
试中:A—(透明质酸酶+样品+透明质酸钠)试样溶液的OD值B—(醋酸缓冲液+样品+醋酸缓冲液)试样空白的OD值
C—(透明质酸酶+去离子水+透明质酸钠)对照溶液的OD值
D—(醋酸缓冲液+去离子水+醋酸缓冲液)对照空白的OD值。
所有溶液6mol/L盐酸溶液5%香草醛硫酸溶液10%硫酸乙醇溶液硫酸溶液(1→10)5%茴香醛硫酸溶液醋酐-硫酸-乙醇(1:1:10)混合溶液2%三氯化铁乙醇溶液10%磷钼酸乙醇溶液1%三氯化铝甲醇溶液硫酸乙醇溶液(1→10)5%三氯化铁乙醇溶液1%亚硝酸钠的1%甲醇溶液5%氢氧化钾甲醇溶液1%香草醛硫酸溶液5%三氯化铝乙醇溶液2%香草醛硫酸溶液1%三氯化铁乙醇溶液10%硫酸乙酵溶液0.2%茚三酮乙醇溶液0.5%香草醛硫酸溶液1%香草醛乙醇溶液-硫酸(1:1)混合溶液2%铁氰化钾溶液-2%三氯化铁溶液(1:1)的混合溶液30%硫酸乙醇溶液0.1%的2,2-二苯基-1-苦肼基无水乙醇溶液3%三氯化铝乙醇溶液15%硝酸乙醇溶液10%氢氧化钾甲醇溶液2%香草醛硫酸乙醇溶液(1→10)5%硫酸乙醇溶液硫酸无水乙醇溶液(1→10)2%香萆醛的10%硫酸乙醇溶液15%硫酸乙醇溶液磷钼酸硫酸溶液2%三氯化铁溶液-1%铁氰化钾溶液(1:1)的混合溶液2%香草醛的10%硫酸乙醇溶液5%磷钼酸乙醇溶液1%三氯化铝乙醇溶液25%磷钼酸乙醇溶液2%三氯化铝甲醇溶液5%硅钨酸乙醇溶液5%香草醛的5%硫酸乙醇溶液2%香草醛硫酸溶液-乙醇(4:1)混合溶液0.5%茚三酮乙醇溶液3%香草醛硫酸溶液醋酐-硫酸(9 :1)混合溶液2% 3,5-二硝基苯甲酸乙醇溶液-2mol/L氢氧化钾溶液(1 :1)混合溶液(临用配制),1%香草醛的10%硫酸乙醇溶液5%香草醛的10%硫酸乙醇溶液2%对二甲氨基苯甲醛的40%硫酸溶液,喷以稀碘化铋钾试液-三氯化铁试液(10:1)混合溶液1%三氯化铝无水乙醇溶液碱性3,5-二硝基苯甲酸溶液(取二硝基苯甲酸试液与氢氧化钠试液各1ml,混合)2%茚三酮丙酮溶液0.3%坚牢蓝BB盐的稀乙醇溶液0.1%溴甲酚绿乙醇溶液2%三氯化铝乙醇溶液5%氢氧化钾溶液10%盐酸溶液5%氢氧化钾的稀乙醇溶液改良对二甲氨基苯甲醛溶液1%三氯化铁-1%铁氰化钾(1:1)的混合溶液10%三氯化铝乙醇溶液0.5%2,6-二氯醌-4-氯亚胺甲醇溶液(临用配制)香草醛硫酸试液-乙醇(1:4)的混合溶液对二甲氨基苯甲醛溶液(取对二甲氨基苯甲醛0.25g,溶于冰醋酸50g中,加85%磷酸溶液5g与。
二甲氨基苯甲醛的10%硫酸溶液lml,显玫瑰红色,100℃烘烤片刻出现绿色。
1. 引言1.1 概述:本文旨在对二甲氨基苯甲醛的性质和其与10%硫酸溶液反应后观察到的现象进行研究和分析。
二甲氨基苯甲醛是一种有机化合物,在化学和工业领域具有广泛的应用。
我们通过实验观察到,当二甲氨基苯甲醛与10%硫酸溶液反应时,出现了显玫瑰红色的现象;而在经过100℃的烘烤后,又出现了绿色。
本文将对这两个现象进行深入分析,并探讨可能的解释和机理。
1.2 文章结构:本文除了引言部分外,还包括二甲氨基苯甲醛的性质和用途、10%硫酸溶液对二甲氨基苯甲醛的反应测试及结果分析、显玫瑰红色现象解释与机理研究、100℃烘烤后出现绿色的实验观察与分析以及结论等内容。
每一部分都将详细介绍相关实验方法、结果和分析,并提供可能的解释和机理探究。
1.3 目的:本文的目的是深入研究二甲氨基苯甲醛在与10%硫酸溶液反应时产生的显玫瑰红色和经过100℃烘烤后出现的绿色现象。
通过实验观察和分析,希望能够揭示这些现象背后的原因和机理,并为进一步的研究提供启示。
了解二甲氨基苯甲醛的性质及其与不同条件下反应所产生颜色变化的规律,对于其在化学和工业应用中有重要意义。
2. 二甲氨基苯甲醛的性质和用途:2.1 化学结构和命名:二甲氨基苯甲醛是一种有机化合物,其化学式为C9H11NO。
它由一个苯环、一个甲酸基和一个二甲胺基组成。
根据命名规则,它的正式名称为N,N-二甲氨基苯甲醛。
2.2 物理性质:二甲氨基苯甲醛是一种白色结晶固体,可溶于绝大多数有机溶剂如乙醇、丙酮等,但不溶于水。
它在常温下相对稳定,在加热过程中可以分解。
它的分子量为149.19 g/mol。
2.3 主要用途及应用领域:由于二甲氨基苯甲醛具有特殊的结构和性质,它在许多领域都有广泛的应用:a) 染料行业:二甲氨基苯甲醛是一种重要的染料中间体,主要用于生产各种偶氮染料、直接染料和还原型染料等。
这些染料被广泛应用于纺织品、皮革、塑料和纸张等材料的染色。
平眩胶囊2008-09-28 22:57:31 作者:来源:互联网浏览次数:803 文字大小:【大】【中】【小】简介:曾用名:八仙宁胶囊[药品名称]品名:平眩胶囊汉语拼音:Pingxuan Jiaonang[主要成份]楤木、万丈深、天麻、三七、黄精、仙鹤草、猪殃殃。
[性状]本品为胶囊剂,内容物为棕色至棕褐色的粉未;气香,味微苦。
[功能主 ...关键字:平眩胶囊曾用名:八仙宁胶囊[药品名称]品名:平眩胶囊汉语拼音:Pingxuan Jiaonang[主要成份]楤木、万丈深、天麻、三七、黄精、仙鹤草、猪殃殃。
[性状]本品为胶囊剂,内容物为棕色至棕褐色的粉未;气香,味微苦。
[功能主治]彝医:呵咪呵夏,乃都荷,乃啰。
中医:滋补肝肾,平肝潜阳。
用于肝肾不足,肝阳上扰所致眩晕,头昏,心悸耳鸣,失眠多梦,腰膝酸软。
[用法用量]品服,一次2~4粒,一日3次;或遵医嘱。
[禁忌]孕妇禁用。
[注意事项]服药后两小时内忌食鱼、酸冷食物。
[规格]每粒装0.5g。
[贮藏]密封。
( )[包装]10粒/板,2板/盒。
铝箔,药用聚氯乙烯硬片。
[有效期]1.5年[批准文号]国药准字Z20025826[生产企业]企业名称:云南估生药业有限责任公司慢性脑供血不足是指临床具有脑循环障碍引起头重、头痛、耳鸣、眩晕等各种症状,而无脑局灶体征,CT检查未见器质性脑病变。
常见的原因有椎一基底动脉、颅内主要动脉狭窄及血管痉挛、血压改变致血流动力学异常和血液流变学异常致微循环淤滞等因素引起,经颅彩色多普勒观察椎一基底动脉及颈动脉内血液状态和流速的改变可以大致作出脑供血不足的原因判断。
椎一基底动脉及颈动脉血管狭窄、血管痉挛者多以血流增速为主,而血管过度扩张、颅内血管狭窄以及血液黏稠度升高者常引起流速下降。
针对上述原因,笔者采用心脑舒通胶囊治疗老年慢性脑供血不足,取得明显疗效。
中文名称: 心脑舒通胶囊汉语拼音:xinnaoshutongjiaonang性状:本品为胶囊剂,内容物为棕黄色至棕褐色的细微颗粒,无臭,味苦。
编号:FZD0128 蒺藜提取物及原料中蒺藜总皂甙(Tribuloside)含量测定一、仪器与试剂
1.仪器:UV-2101 PC紫外-可见光分光光度计。
2.试剂:甲醇、氯化钴、改良对二甲氨基苯甲醛(取对二甲氨基苯甲醛1g,加盐酸34mL,甲醇100mL,混匀,即得)。
二、溶液制备
1.样品溶液制备精密称取提取物样品约300mg(40%总皂甙),原料样品(2000~1600mg),置50mL量瓶中,加甲醇约20ml,超声波振荡(提取物20min;原料1h),
冷却至室温,用甲醇稀释至刻度,过滤,精密吸取滤液5mL,置具塞试管中,改良对二甲氨基苯甲醛溶液5mL,密塞,摇匀,置58±2℃水浴中加热2h,迅即冷却至室温,即得样品溶液。
2.样品用空白溶液制备以甲醇代替样品溶液,同法处理即得空白溶液。
3.标准品溶液制备精密称取氯化钴试剂约0.6g,置25mL量瓶中,加水使溶解,用水定容,摇匀即得标准品溶液。
4.标准品用空白溶液制备以水为空白溶液。
三、样品测定
打开仪器电源,预热20min,待仪器自检通过后,在515nm处分别以水和样品空白溶液作为空白,测定标准品溶液和样品溶液吸收度。
四、结果计算
A×Ws×2
C% =
As×5W
式中:A、W分别代表样品吸收值和称样量(mg)
As、Ws分别代表标准品吸收值和称样量(mg)。
乙醇制氢氧化钾试液可取用乙醇制氢氧化钾滴定液(0.5mol/L)。
乙醇制氨试液取无水乙醇,加浓氨试液使100ml中含NH3 9~11g,即得。
本液应置橡皮塞瓶中保存。
乙醇制硫酸试液取硫酸57ml,加乙醇稀释至1000ml,即得。
本液含H2SO4应为9.5%~10.5%。
乙醇制溴化汞试液取溴化汞2.5g,加乙醇50ml,微热使溶解,即得。
本液应置玻璃塞瓶内,在暗处保存。
二乙基二硫代氨基甲酸银试液取二乙基二硫代氨基甲酸银0.25g,加氯仿适量与三乙胺1.8ml,加氯仿至100ml,搅拌使溶解,放置过夜,用脱脂棉滤过,即得。
本液应置棕色玻璃瓶内,密塞,置阴凉处保存。
二硝基苯试液取间二硝基苯2g,加乙醇使溶解成100ml,即得。
二硝基苯甲酸试液取3,5-二硝基苯甲酸1g,加乙醇使溶解成100ml,即得。
二硝基苯肼乙醇试液取2,4-二硝基苯肼1g,加乙醇1000ml使溶解,再缓缓加入盐酸10ml,摇匀,即得。
二硝基苯肼试液取2,4-二硝基苯肼1.5g,加硫酸溶液(1→2)20ml,溶解后,加水使成100ml,滤过,即得。
三硝基苯酚试液本液为三硝基苯酚的饱和水溶液。
三氯化铁试液取三氯化铁9g,加水使溶解成100ml,即得。
三氯化铝试液取三氯化铝1g,加乙醇使溶解成100ml,即得。
三氯化锑试液本液为三氯化锑饱和的氯仿溶液。
水合氯醛试液取水合氯醛50g,加水15ml与甘油10ml使溶解,即得。
甘油醋酸试液取甘油、50%醋酸与水各等份,混合,即得。
甲醛试液取用“甲醛溶液”。
四苯硼钠试液取四苯硼钠0.1g,加水使溶解成100ml,即得。
对二甲氨基苯甲醛试液取对二甲氨基苯甲醛0.125g,加无氮硫酸65ml与水35ml的冷混合液溶解后,加三氯化铁试液0.05ml,摇匀,即得。
本液配制后7日即不适用。
亚铁氰化钾试液取亚铁氰化钾1g,加水10ml使溶解,即得。
本液应临用新制。
亚硝基铁氰化钠试液取亚硝基铁氰化钠1g,加水使溶解成20ml,即得。
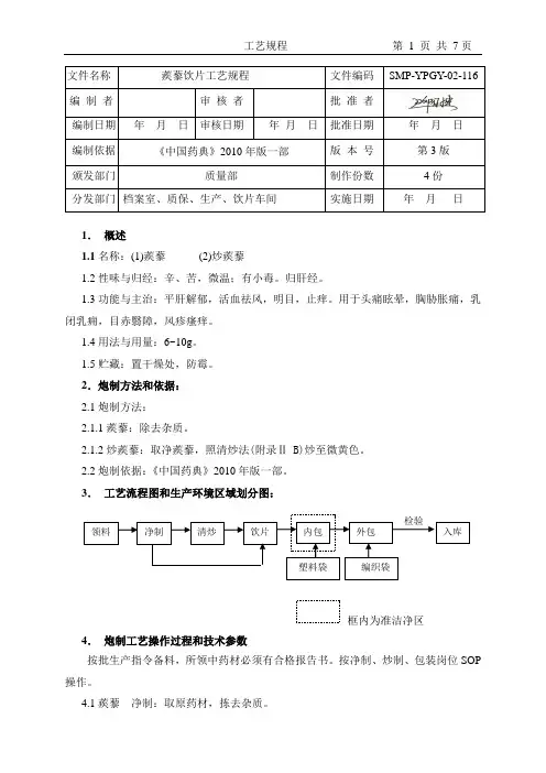
xxxxxxxxxxxx有限公司成品质量标准及检验操作规程1 品名:1.1 中文名:蒺藜炒蒺藜1.2 汉语拼音:Jili ChaoJili2 代码:3 取样文件编号:4 检验方法文件编号:5 依据:《中国药典》(2020年版一部)。
6 质量标准:7 检验操作规程:7.1 试药与试剂:三氯甲烷、正丁醇、氨试液、甲醇、盐酸、对二甲氨基苯甲醛、蒺藜对照药材、3%过氧化氢溶液、盐酸、氢氧化钠滴定液、甲基红乙醇溶液指示剂。
7.2 仪器与用具:电子天平、显微镜、烘箱、马弗炉、硅胶G薄层板、展开缸、二氧化硫测定仪。
7.3 性状:取本品适量,自然光下目测色泽,嗅闻气味。
7.4 鉴别:7.4.1 取本品制片置10×10下做显微观察。
7.4.2 取本品粉末3g,加三氯甲烷50ml,超声处理30分钟,滤过,弃去三氯甲烷液,药渣挥干,加水lml,搅匀,加水饱和的正丁醇50ml ,超声处理30分钟,分取上清液,加2倍量的氨试液洗涤,弃去洗液,取正丁醇液,蒸干,残渣加甲醇lml使溶解,作为供试品溶液。
另取蒺藜对照药材3g,同法制成对照药材溶液。
照薄层色谱法(附录7)试验,吸取上述两种溶液各5µl,分别点于同一硅胶G薄层板上,以三氯甲烷-甲醇-水(13:7:2)10℃以下放置的下层溶液为展开剂,展开,取出,晾干,喷以改良对二甲氨基苯甲醛溶液(取对二甲氨基苯甲醛lg,加盐酸34ml,甲醇100ml,摇匀,即得),在105℃加热至斑点显色清晰。
供试品色谱中,在与对照药材色谱相应的位置上,显相同颜色的斑点。
7.5 检查:7.5.1 水分不得过9.0%(附录15 第二法)。
7.5.2 总灰分不得过12.0 % (附录17)。
7.5.3二氧化硫残留量照二氧化硫残留量测定法(附录58)测定,不得过150mg/kg。
Elson-Morgan 改良法
一、实验原理
透明质酸酶是Ⅰ型过敏反应的参与者,透明质酸酶与炎症、过敏有强相关性,研究报道各种肥大细胞释放组胺的药物能调节透明质酸酶活性,一些抗敏药物有强抑制透明质酸酶活性,因此抑制透明质酸酶活性作为研究抗过敏作用的指标。
二、试剂和仪器
1、透明质酸酶:浓度500U/ml,现配现用,不能过夜,用醋酸缓冲液做溶剂;
2、透明质酸钠:ml,一次配制,多次使用,用醋酸缓冲液做溶剂;
3、Buffer:溶液A( mol/L 醋酸冰醋酸溶于1L蒸馏水中)
溶液B( mol/L醋酸钠无水醋酸钠或三水合醋酸钠溶于1L蒸馏水中),混合稀释至100ml,配制成PH=的醋酸缓冲液;
4、乙酰丙酮溶液:50ml L 碳酸钠溶液和乙酰丙酮溶液混合均匀(临用现配)
5、P-DAB显色剂:对二甲氨基苯甲醛溶于15ml浓盐酸和15ml无水乙醇混合均匀。
6、氯化钙溶液CaCl2:L
7、氢氧化钠溶液NaOH:5 mol/L
样品参考浓度ml
三、试验步骤
四、计算
透明质酸酶抑制率(%)=[(C-D)-(A-B)]/ (C-D) ×100%
试中:A—(透明质酸酶+样品+透明质酸钠)试样溶液的OD值
B—(醋酸缓冲液+样品+醋酸缓冲液)试样空白的OD值
C—(透明质酸酶+去离子水+透明质酸钠)对照溶液的OD值
D—(醋酸缓冲液+去离子水+醋酸缓冲液)对照空白的OD值。
Elson-Morgan 改良法
一、实验原理
透明质酸酶是Ⅰ型过敏反应的参与者,透明质酸酶与炎症、过敏有强相关性,研究报道各种肥大细胞释放组胺的药物能调节透明质酸酶活性,一些抗敏药物有强抑制透明质酸酶活性,因此抑制透明质酸酶活性作为研究抗过敏作用的指标。
二、试剂和仪器
1、透明质酸酶:浓度500U/ml,现配现用,不能过夜,用醋酸缓冲液做溶剂;
2、透明质酸钠:0.5mg/ml,一次配制,多次使用,用醋酸缓冲液做溶剂;
3、Buffer:溶液A(0.2 mol/L 醋酸 11.55ml冰醋酸溶于1L蒸馏水中)4.8ml
溶液B(0.2 mol/L醋酸钠 16.4g无水醋酸钠或27.2g三水合醋酸钠溶于1L蒸馏水中)45.2ml,混合稀释至100ml,配制成PH=5.6的醋酸缓冲液;
4、乙酰丙酮溶液:50ml 1.0mol/L 碳酸钠溶液和3.5ml乙酰丙酮溶液混合均匀(临用现配)
5、P-DAB显色剂:0.8g 对二甲氨基苯甲醛溶于15ml浓盐酸和15ml无水乙醇混合均匀。
6、氯化钙溶液CaCl2:2.5mol/L
7、氢氧化钠溶液NaOH:5 mol/L
样品参考浓度1.2mg/ml
三、试验步骤
四、计算
透明质酸酶抑制率(%)=[(C-D)-(A-B)]/ (C-D) ×100%
试中:A—(透明质酸酶+样品+透明质酸钠)试样溶液的OD值
B—(醋酸缓冲液+样品+醋酸缓冲液)试样空白的OD值
C—(透明质酸酶+去离子水+透明质酸钠)对照溶液的OD值 D—(醋酸缓冲液+去离子水+醋酸缓冲液)对照空白的OD值。
柔肝宝颗粒质量标准研究郭小红;冷静;徐冲;刘霞;孙全;冉强;黄祎【摘要】Objective To establish the quality standard of Rouganbao Granules. Methods The contents of Panax quinquefolium, Scutel-laria baicalensis, Tribulus terrestris, Citrus medica, Angelica sinensis, Bupleurum chinense and Paeona lactiflora in Rouganbao Granules were identified by TLC method. The contents of baicalin, ginsenoside Rg1 and ginsenoside Re in Rouganbao Granules were determined by HPLC method. Results The TLC method was effective, specific and had high separation degree without interference by negative con-trol. The contents of baicalin, ginsenosideRg1 and ginsenoside Re had good linearity within the ranges of 0. 1236-0. 8652 μg ( r=0. 9998 ) , 2. 572-15. 532 μg ( r=0. 9997 ) , 3. 756-22. 536 μg ( r=0. 9996 ) , respectively. The average recoveries were 99. 75% , 100. 06%, 99. 93%, the RSDs were 2. 03%, 0. 75%, 1. 93%(n=9). Conclusion The methods were simple, accurate and reproducible, which can be used forthe quality control of Rouganbao Granules.%目的建立柔肝宝颗粒的质量控制标准.方法采用薄层色谱(TLC)法对柔肝宝颗粒中西洋参、黄芩、蒺藜、佛手、当归、柴胡、白芍等中药进行定性鉴别;采用高效液相色谱(HPLC)法测定柔肝宝颗粒中黄芩苷、人参皂苷Rg1、人参皂苷Re 3个指标性成分的含量.结果 TLC法专属性强,分离度高,阴性对照无干扰;HPLC法测得黄芩苷、人参皂苷Rg1、人参皂苷Re进样量线性范围分别为0.1236~0.8652μg(r=0.9998),2.572~15.532μg(r=0.9997),3.756~22.536μg(r=0.9996),平均加样回收率分别为99.75%,100.06%,99.93%,RSD分别为2.03%,0.75%,1.93%(n=9).结论该方法操作简便、结果准确、重复性好,能有效控制柔肝宝颗粒的质量.【期刊名称】《中国药业》【年(卷),期】2018(027)003【总页数】5页(P7-11)【关键词】柔肝宝颗粒;质量标准;西洋参;人参皂苷;黄芩【作者】郭小红;冷静;徐冲;刘霞;孙全;冉强;黄祎【作者单位】重庆市中医院,重庆 400021;重庆市中医院,重庆 400021;重庆市中医院,重庆 400021;重庆市中医院,重庆 400021;重庆市中医院,重庆 400021;重庆市中医院,重庆 400021;重庆市中医院,重庆 400021【正文语种】中文【中图分类】R284.1;R286.0柔肝宝颗粒由西洋参、酒黄芩、当归、柴胡、白术、郁金、白芍、桃仁、炒蒺藜、醋鳖甲、黄芪、淫羊藿、丹参、茯苓、防风、土鳖虫、佛手、知母18味中药组方,系我院名中医刘华宝的临床经验方,对气虚血瘀型肝硬化疗效显著[1-2]。
Standard Operating Procedure1、目的:建立特定试液配制规程,规范特定试液的配制。
2、范围:本公司产品、原料、辅料、中间体检验用特定试液。
3、责任人:QC检验员。
4、正文:二硝基苯肼乙醇试液取2,4-二硝基苯肼1g,加乙醇1000ml使溶解,再缓缓加入盐酸10ml,摇匀,即得。
三硝基苯酚试液本液为三硝基苯酚的饱和水溶液。
三氯化铁试液取三氯化铁9g,加水使溶解成100ml,即得。
三氯化铁试液(显微用试液)取三氯化铁1g,加水使溶解成100ml,即得。
水合氯醛试液取水合氯醛50g,加水15ml与甘油10ml使溶解,即得。
甘油醋酸试液取甘油、50%醋酸与水各等份,混合,即得。
甘油醋酸试液(显微用试液)取甘油、醋酸与水各等份,混合,即得。
甲醛试液可取用“甲醛溶液”。
对二甲氨基苯甲醛试液取对二甲氨基苯甲醛0.125g,加无氮硫酸65ml 与水35ml的冷混合液溶解后,加三氯化铁试液,摇匀,即得。
本液配制后7日即不适用。
亚硝酸钠乙醇试液取亚硝酸钠5g,加60%乙醇使溶解成1000ml,即得。
过氧化氢试液取浓过氧化氢溶液(30%),加水稀释成3%的溶液,即得。
苏丹Ⅲ试液取苏丹Ⅲ0.01g,加90%乙醇5ml溶解后,加甘油5ml,摇匀,即得。
本液应置棕色的玻璃瓶内保存,在2个月内应用。
钌红试液取10%醋酸钠溶液1~2ml,加钌红适量使呈酒红色,即得。
本间苯三酚试液取间苯三酚0.5g,加乙醇使溶解成25ml,即得。
本品应置玻璃塞瓶内,在暗处保存。
间苯三酚试液(显微用试液)取间苯三酚1g,加90%乙醇100ml使溶解,滤过,即得。
本品应置玻璃塞瓶内,在暗处保存。
茚三酮试液取茚三酮2g,加乙醇使溶解成100ml,即得。
草酸铵试液取草酸铵3.5g,加水使溶解成100ml,即得。
茴香醛试液取茴香醛,加醋酸50ml使溶解,加硫酸1ml,摇匀,即得。
本液应临用新制。
香草醛硫酸试液取香草醛0.2g,加硫酸10ml使溶解,即得。