LM358典型应用
- 格式:pdf
- 大小:99.22 KB
- 文档页数:2
LM358应用电路资料及引脚图之五兆芳芳创作LM358是经常使用的双运放,这里我们介绍一下他的一些资料以及复杂电路应用等,有什么问题请去电子论坛.简介: LM358里面包含有两个高增益、独立的、内部频率抵偿的双运放,适用于电压规模很宽的单电源,并且也适用于双电源任务方法,它的应用规模包含传感缩小器、直流增益模块和其他所有可用单电源供电的使用运放的地方使用.lm358引脚图及引脚功效LM358封装有塑封8引线双列直插式和贴片式两种.LM358的特点: . 内部频率抵偿. 低输入偏流. 低输入失调电压和失调电流. 共模输入电压规模宽,包含接地. 差模输入电压规模宽,等于电源电压规模. 直流电压增益高(约100dB) . 单位增益频带宽(约1MHz) . 电源电压规模宽:单电源(3—30V);. 双电源(±1.5 一±15V) . 低功耗电流,适合于电池供电. 输出电压摆幅大(0 至Vcc1.5V)LM358稳压电路制作电路原理:本稳压器的焦点器件采取LM358.电路原理如下图所示.它主要由供电、基准电压、电压取样比较等组成.LM358稳压电路应用:市电从变压器的1、2头输入,3、4头为自耦调压抽头,5、6头为控制电路的电源及取样抽头.市电电压正常时,因C点电压始终为3V(即R1降压DW稳压所得),A、B点均大于3V,故A1、A2(lm358芯片)输出低电平;当市电电压下降时,5、6头的电压也随之下降,A点电压也随着下降,当A点电压下降到低于3V时,A1输出高电平,使三极管V1饱和导通,继电器K1吸合,将调压器输出调于1、3头;当市电电压持续下降时,同理B点电压低于3V时,(V A 反之,如果电压升高时,B点电压也随之升高,当B点电压高于3V 时,A2输出低电平,V2截止,H2释放,输出端调至1、3头;当市电电压持续升高时,A点电压高于3V,A1输出低电平,V1截止,K1释放,输出端调至1、2头.A1、A2为运放,在这里作电压比较器用;IC1为三端稳压块,它为运放及继电器提供供电电源;VD5、VD6为庇护二极管.lm358红外探测报警器制作.该报警器的焦点部件采取LM358,他能探测人体收回的红外线,当人进入报警器的监督区域内,便可收回报警声,适用于家庭、办公室、仓库、实验室等比较重要场合防盗报警.电路原理如下: LM358应用电路由红外线传感器、信号缩小电路、电压比较器、延时电路和音响报警电路等组成.红外线探测传感器IC1 探测到前方人体辐射出的红外线信号时,由IC1 的②引脚输出微弱的电信号,经三极管VT1 等组成第一级缩小电路缩小,再通过C2 输入到运放IC2 (lm358)中进行高增益、低噪声缩小,此时由IC2①引脚输出的信号已足够强.IC3 (LM358)作电压比较器,它的第⑤引脚由R10、VD1 提供基准电压,当IC2①引脚输出的信号电压到达IC3 的⑥引脚时,两个输入端的电压进行比较,此时IC3的⑦引脚由原来的高电平变成低电平.IC4(LM358)为报警延时电路,R14 和C6 组成延时电路,其时间约为1 分钟.当IC3 的⑦引脚变成低电平时,C6 通过VD2 放电,此时IC4 的②引脚变成低电平,它与IC4 的③引脚基准电压进行比较,当它低于其基准电压时IC4 的①引脚变成高电平,VT2 导通,讯响器BL 通电收回报警声.人体的红外线信号消失后,IC3 的⑦引脚又恢复高电平输出,此时VD2 截止.由于C6 两端的电压不克不及突变,故通过R14 向C6 迟缓充电,当C6 两端的电压高于其基准电压时,IC4 的①引脚才变成低电平,时间约为1 分钟,即持续1 分钟报警.这是一个典型的lm358应用电路,希望大家在此器件运用中,举一反3,开掘出更多有用的电路来. 由VT3、R20 、C8 组成开机延时电路,时间也约为1 分钟,它的设置主要是避免使用者开机后立即报警,好让使用者有足够的时间离开监督现场,同时可避免停电后又来电时产生误报.元件选择与电路制作元器件清单: 编号名称型号数量编号名称型号数量R1 电阻47K 1 C10 电解电容470u/25V 1 R2 电阻1M 1 C11 涤纶电容0.1u 1 R3 电阻1K 1 VD1-VD5 整流二极管IN4001 5 R4 电阻 4.7K 1 U 全桥2A/50V 1 R5 R6 R9 R12 R13 R15 电阻100K (R12 为线性微调电阻) 6 VT1 晶体三极管9014 1 R7 R10 R11 R17 电阻10K 4 VT2 晶体三极管MPSA13 0.5A 30V 1 R8、R16 电阻300K 2 VT3 晶体三极管8050 1 R14 电阻470K 1 IC1 红外线传感器Q74 1 R18 电阻 2.4K 1 IC2 运放LM358 1 R19 电阻220Ω 1 IC3 比较器LM393 1 R20 电阻560K 1 IC4 三端稳压器78L06 1 C1 C2 C6 C8 C9 电解电容47u/16V (C2 、C5 用钽电解)5 BL 电磁讯响器U=12V 1 C3 C5 电解电容22u/16V 2 T 电源变压器12V 5W 1 C4 涤纶电容0.01u 1 S 钮子开关 1C7 电解电容220u/16V1本机静态任务电流约10mA,接通电源约1 分钟落后入守候状态,只要有人进入监督区便会报警,人离开后约1 分钟停止报警.如果将讯响器改成继电器驱动其它装置即作为其它控制用.装置无误,接上电源进行调试,让一团体在探测器前方7-10m 处走动,调整电路中的R12 ,使讯响器报警便可.其它部分只要元器件质量良好且焊接无误,几近不必调试便可正常任务.。
LM358的原理与应用1. LM358简介LM358是一种常见的操作放大器(operational amplifier),属于双运算放大器(dual operational amplifier)系列。
它由美国国家半导体(National Semiconductor)公司推出,是一款低功耗、低成本的集成电路。
LM358具有高增益、宽工作电压范围、输入和输出电流低等特点,常用于各种电子设备中的放大、滤波等电路。
2. LM358的工作原理LM358是由内部稳定的直流放大器和直流放大器电路组成的。
它使用共模输入电压范围广、共模抑制比高的差动放大器电路。
LM358的输出电压范围接近供电电压范围,在工作电流较小的条件下,也能够输出较大的电流。
3. LM358的应用LM358由于具有良好的性能和广泛的应用范围,被广泛用于各种电子设备中,下面是LM358的一些常见应用:3.1 信号放大LM358作为一款操作放大器,最常见的应用是用于信号放大。
通过适当的电路连接,可以将输入信号放大到所需的大小。
LM358的高增益和低噪声特性能够很好地满足信号放大的要求。
3.2 信号滤波LM358也可以用作滤波器的一部分,通过适当的电路连接,可以实现低通滤波、高通滤波等功能。
LM358的低失调电流和低输入电压偏置电流使其成为一种理想的滤波器放大器。
3.3 电压比较和参考电压LM358还可以用于电压比较和产生参考电压。
通过适当的电路连接,可以实现电压的比较和判断,或者产生所需的参考电压。
LM358的高共模抑制比能够有效地抵抗噪声和干扰,提供稳定的比较和参考电压。
3.4 温度测量与控制由于LM358具有宽工作温度范围和较低的功耗,常被用于温度测量和控制电路中。
通过与温度传感器的连接,可以测量环境温度,并通过控制电路实现温度的调节。
3.5 传感器信号调理传感器一般输出微弱的电信号,为了更好地处理这些信号,通常需要经过放大、滤波等处理。
LM358的高增益和低噪声特性使其成为一种理想的传感器信号调理电路。
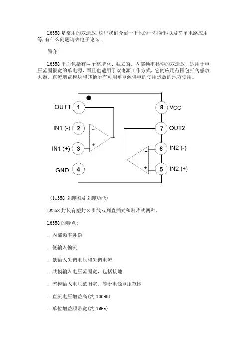
LM358应用电路资料及引脚图LM358是常用的双运放,这里我们介绍一下他的一些资料以及简单电路应用等,有什么问题请去电子论坛.简介:LM358里面包括有两个高增益、独立的、内部频率补偿的双运放,适用于电压范围很宽的单电源,而且也适用于双电源工作方式,它的应用范围包括传感放大器、直流增益模块和其他所有可用单电源供电的使用运放的地方使用。
lm358引脚图及引脚功能LM358封装有塑封8引线双列直插式和贴片式两种。
LM358的特点:. 内部频率补偿. 低输入偏流. 低输入失调电压和失调电流. 共模输入电压范围宽,包括接地. 差模输入电压范围宽,等于电源电压范围. 直流电压增益高(约100dB). 单位增益频带宽(约1MHz). 电源电压范围宽:单电源(3—30V);. 双电源(±1.5 一±15V). 低功耗电流,适合于电池供电. 输出电压摆幅大(0 至Vcc-1.5V)LM358稳压电路制作电路原理:本稳压器的核心器件采用LM358。
电路原理如下图所示。
它主要由供电、基准电压、电压取样比较等组成。
LM358稳压电路应用:市电从变压器的1、2头输入,3、4头为自耦调压抽头,5、6头为控制电路的电源及取样抽头。
市电电压正常时,因C点电压始终为3V(即R1降压DW稳压所得),A、B点均大于3V,故A1、A2(lm358芯片)输出低电平;当市电电压下降时,5、6头的电压也随之下降,A点电压也跟着下降,当A点电压下降到低于3V时,A1输出高电平,使三极管V1饱和导通,继电器K1吸合,将调压器输出调于1、3头;当市电电压继续下降时,同理B点电压低于3V时,(VA 反之,如果电压升高时,B点电压也随之升高,当B点电压高于3V时,A2输出低电平,V2截止,H2释放,输出端调至1、3头;当市电电压继续升高时,A点电压高于3V,A1输出低电平,V1截止,K1释放,输出端调至1、2头。
A1、A2为运放,在这里作电压比较器用;IC1为三端稳压块,它为运放及继电器提供供电电源;VD5、VD6为保护二极管。
LM358功能--中文资料LM358功能中文资料LM358是常用的双运放,这里我们介绍一下他的一些资料以及简单电路应用等.简介:LM358里面包括有两个高增益、独立的、内部频率补偿的双运放,适用于电压范围很宽的单电源,而且也适用于双电源工作方式,它的应用范围包括传感放大器、直流增益模块和其他所有可用单电源供电的使用运放的地方使用。
〈LM358引脚图及引脚功能〉LM358封装有塑封8引线双列直插式和贴片式两种。
LM358的特点:. 内部频率补偿. 低输入偏流. 低输入失调电压和失调电流. 共模输入电压范围宽,包括接地. 差模输入电压范围宽,等于电源电压范围. 直流电压增益高(约100dB). 单位增益频带宽(约1MHz). 电源电压范围宽:单电源(3—30V);. 双电源(±1.5 一±15V). 低功耗电流,适合于电池供电. 输出电压摆幅大(0 至Vcc-1.5V)LM358稳压电路制作电路原理:本稳压器的核心器件采用LM358。
电路原理如下图所示。
它主要由供电、基准电压、电压取样比较等组成。
由红外线传感器、信号放大电路、电压比较器、延时电路和音响报警电路等组成。
红外线探测传感器IC1 探测到前方人体辐射出的红外线信号时,由IC1 的②引脚输出微弱的电信号,经三极管VT1 等组成第一级放大电路放大,再通过C2 输入到运放IC2 (lm358)中进行高增益、低噪声放大,此时由IC2①引脚输出的信号已足够强。
IC3 (lm358)作电压比较器,它的第⑤引脚由R10、VD1 提供基准电压,当IC2①引脚输出的信号电压到达IC3 的⑥引脚时,两个输入端的电压进行比较,此时IC3的⑦引脚由原来的高电平变为低电平。
IC4(lm358)为报警延时电路,R14 和C6 组成延时电路,其时间约为1 分钟。
当IC3 的⑦引脚变为低电平时,C6 通过VD2 放电,此时IC4 的②引脚变为低电平,它与IC4 的③引脚基准电压进行比较,当它低于其基准电压时,IC4 的①引脚变为高电平,VT2 导通,讯响器BL 通电发出报警声。
LM358典型应用电路图
图4 LM358组成的直流耦合低通RC有源滤波器
图5 LM358组成的LED驱动器
图6 LM358组成的TTL驱动电路
图7 LM358组成的RC有源带通滤波器
图8 LM358组成的方波发生器
图9 滞后比较器
图10 带通有源滤波器
图11 灯驱动程序
图12 电流*器
图13 低漂移峰值检测器
图14 电压跟随器
图15 功率放大器外围电路
图16 LM358电压控制振荡器VCO
图17 固定电流源
图18 脉冲发生器
图19 交流耦合反相放大器
图20 交流耦合非反相放大器
图21 可调增益仪表放大器
图22 直流放大器
图23脉冲发生器
图24 桥式电流放大器
图25 引用差分输入信号
图26 直流差动放大器
本文来自: 原文网址:/info/commonIC/0082527.html 。
LM358是常用的双运放,这里我们介绍一下他的一些资料以及简单电路应用等,有什么问题请去电子论坛.简介:LM358里面包括有两个高增益、独立的、内部频率补偿的双运放,适用于电压范围很宽的单电源,而且也适用于双电源工作方式,它的应用范围包括传感放大器、直流增益模块和其他所有可用单电源供电的使用运放的地方使用。
〈lm358引脚图及引脚功能〉LM358封装有塑封8引线双列直插式和贴片式两种。
LM358的特点:. 内部频率补偿. 低输入偏流. 低输入失调电压和失调电流. 共模输入电压范围宽,包括接地. 差模输入电压范围宽,等于电源电压范围. 直流电压增益高(约100dB). 单位增益频带宽(约1MHz). 电源电压范围宽:单电源(3—30V);. 双电源(±1.5 一±15V). 低功耗电流,适合于电池供电. 输出电压摆幅大(0 至Vcc-1.5V)lm358 pdf资料:下载LM358 pdf资料下载LM358中文资料lm358稳压电路制作电路原理:本稳压器的核心器件采用LM358。
电路原理如下图所示。
它主要由供电、基准电压、电压取样比较等组成。
市电从变压器的1、2头输入,3、4头为自耦调压抽头,5、6头为控制电路的电源及取样抽头。
市电电压正常时,因C点电压始终为3V(即R1降压DW稳压所得),A、B点均大于3V,故A1、A2(lm358芯片)输出低电平;当市电电压下降时,5、6头的电压也随之下降,A点电压也跟着下降,当A点电压下降到低于3V时,A1输出高电平,使三极管V1饱和导通,继电器K1吸合,将调压器输出调于1、3头;当市电电压继续下降时,同理B点电压低于3V时,(VA 反之,如果电压升高时,B点电压也随之升高,当B点电压高于3V时,A2输出低电平,V2截止,H2释放,输出端调至1、3头;当市电电压继续升高时,A点电压高于3V,A1输出低电平,V1截止,K1释放,输出端调至1、2头。
LM358应用电路资料及引脚图LM358是常用的双运放,这里我们介绍一下他的一些资料以及简单电路应用等,有什么问题请去电子论坛.简介:LM358里面包括有两个高增益、独立的、内部频率补偿的双运放,适用于电压范围很宽的单电源,而且也适用于双电源工作方式,它的应用范围包括传感放大器、直流增益模块和其他所有可用单电源供电的使用运放的地方使用。
lm358引脚图及引脚功能LM358封装有塑封8引线双列直插式和贴片式两种。
LM358的特点:. 内部频率补偿. 低输入偏流. 低输入失调电压和失调电流. 共模输入电压范围宽,包括接地. 差模输入电压范围宽,等于电源电压范围. 直流电压增益高(约100dB). 单位增益频带宽(约1MHz). 电源电压范围宽:单电源(3—30V);. 双电源(±1.5 一±15V). 低功耗电流,适合于电池供电. 输出电压摆幅大(0 至Vcc-1.5V)LM358稳压电路制作电路原理:本稳压器的核心器件采用LM358。
电路原理如下图所示。
它主要由供电、基准电压、电压取样比较等组成。
LM358稳压电路应用:市电从变压器的1、2头输入,3、4头为自耦调压抽头,5、6头为控制电路的电源及取样抽头。
市电电压正常时,因C点电压始终为3V(即R1降压DW稳压所得),A、B点均大于3V,故A1、A2(lm358芯片)输出低电平;当市电电压下降时,5、6头的电压也随之下降,A点电压也跟着下降,当A点电压下降到低于3V时,A1输出高电平,使三极管V1饱和导通,继电器K1吸合,将调压器输出调于1、3头;当市电电压继续下降时,同理B点电压低于3V 时,(V A 反之,如果电压升高时,B点电压也随之升高,当B点电压高于3V时,A2输出低电平,V2截止,H2释放,输出端调至1、3头;当市电电压继续升高时,A点电压高于3V,A1输出低电平,V1截止,K1释放,输出端调至1、2头。
A1、A2为运放,在这里作电压比较器用;IC1为三端稳压块,它为运放及继电器提供供电电源;VD5、VD6为保护二极管。
LM358 应用电路资料及引脚图LM358是常用的双运放,这里我们介绍一下他的一些资料以及简单电路应用等,有什么问题请去电子论坛.简介:LM358里面包括有两个高增益、独立的、内部频率补偿的双运放,适用于电压范围很宽的单电源,而且也适用于双电源工作方式,它的应用范围包括传感放大器、直流增益模块和其他所有可用单电源供电的使用运放的地方使用。
lm358引脚图及引脚功能LM358封装有塑封8引线双列直插式和贴片式两种。
LM358的特点:. 内部频率补偿. 低输入偏流. 低输入失调电压和失调电流. 共模输入电压范围宽,包括接地. 差模输入电压范围宽,等于电源电压范围. 直流电压增益高(约100dB). 单位增益频带宽(约1MHz). 电源电压范围宽:单电源(3—30V);. 双电源(±1.5 一±15V). 低功耗电流,适合于电池供电. 输出电压摆幅大(0 至Vcc-1.5V)lm358 pdf资料:下载LM358 pdf资料下载LM358中文资料lm358稳压电路制作电路原理:本稳压器的核心器件采用LM358。
电路原理如下图所示。
它主要由供电、基准电压、电压取样比较等组成。
lm358稳压电路应用市电从变压器的1、2头输入,3、4头为自耦调压抽头,5、6头为控制电路的电源及取样抽头。
市电电压正常时,因C点电压始终为3V(即R1降压DW稳压所得),A、B点均大于3V,故A1、A2(lm358芯片)输出低电平;当市电电压下降时,5、6头的电压也随之下降,A点电压也跟着下降,当A点电压下降到低于3V时,A1输出高电平,使三极管V1饱和导通,继电器K1吸合,将调压器输出调于1、3头;当市电电压继续下降时,同理B点电压低于3V时,(VA 反之,如果电压升高时,B点电压也随之升高,当B点电压高于3V时,A2输出低电平,V2截止,H2释放,输出端调至1、3头;当市电电压继续升高时,A点电压高于3V,A1输出低电平,V1截止,K1释放,输出端调至1、2头。
LM358是一种常见的双运放(双路放大器)集成电路,常用于各种模拟电路中。
以下是LM358的一些典型应用电路示例:
1. 增益放大器:LM358可以作为增益放大器使用,通过调整反馈电阻和输入电阻的比例,可以实现不同的放大倍数。
2. 比较器:使用LM358作为比较器,可以将输入信号与某个参考电压进行比较,输出高电平或低电平表示输入信号的大小关系。
3. 滤波器:LM358可以用于构建简单的滤波器电路,如低通滤波器、高通滤波器或带通滤波器。
4. 信号调理:LM358可用于信号调理电路,如信号增益、滤波、偏置等,用于处理传感器信号或其他模拟信号。
5. 电压跟随器:利用LM358的高输入阻抗和低输出阻抗特性,可以实现电压跟随器电路,将输入电压复制到输出端。
6. 参考电压源:LM358可以用作参考电压源,将其配置为非反相输入端接地,反相输入端通过分压电阻连接到电源电压,从而产生稳定的参考电压。
请注意,在实际应用中,具体的电路设计需要结合具体要求和条件进行,上述仅列举了一些常见的应用示例。
建议在使用LM358或其他电子元器件时,参考其数据手册和应用指南,以确保正确的使用和性能。
LM358应用电路资料及引足图之阳早格格创做LM358是时常使用的单运搁,那里咱们介绍一下他的一些资料以及简朴电路应用等,有什么问题请去电子论坛.简介:LM358内里包罗有二个下删益、独力的、内里频次补偿的单运搁,适用于电压范畴很宽的单电源,而且也适用于单电源处事办法,它的应用范畴包罗传感搁大器、曲流删益模块战其余所有可用单电源供电的使用运搁的场合使用.lm358引足图及引足功能LM358启拆有塑启8引线单列曲插式战揭片式二种.LM358的特性:. 内里频次补偿. 矮输进偏偏流. 矮输进仄衡电压战仄衡电流. 共模输进电压范畴宽,包罗交天. 好模输进电压范畴宽,等于电源电压范畴. 曲流电压删益下(约100dB). 单位删益频戴宽(约1MHz). 电源电压范畴宽:单电源(3—30V);. 单电源(±1.5 一±15V). 矮功耗电流,符合于电池供电. 输出电压晃幅大(0 至Vcc-1.5V)LM358稳压电路创造电路本理:本稳压器的核心器件采与LM358.电路本理如下图所示.它主要由供电、基准电压、电压与样比较等组成.LM358稳压电路应用:市电从变压器的1、2头输进,3、4头为自耦调压抽头,5、6头为统造电路的电源及与样抽头.市电电压仄常时,果C面电压末究为3V(即R1落压DW稳压所得),A、B面均大于3V ,故A1、A2(lm358芯片)输出矮电仄;当市电电压下落时,5、6头的电压也随之下落,A 面电压也跟着下落,当A面电压下落到矮于3V时,A1输出下电仄,使三极管V1鼓战导通,继电器K1吸合,将调压器输出调于1、3头;当市电电压继承下落时,共理B面电压矮于3V时,(VA反之,如果电压降下时,B面电压也随之降下,当B面电压下于3V时,A2输出矮电仄,V2停止,H2释搁,输出端调至1、3头;当市电电压继承降下时,A面电压下于3V,A1输出矮电仄,V1停止,K1释搁,输出端调至1、2头.A1、A2为运搁,正在那里做电压比较器用;IC1为三端稳压块,它为运搁及继电器提供供电电源;VD5、VD6为呵护二极管.lm358白中探测报警器创造.该报警器的核心部件采与LM358,他能探测人体收出的白中线,当人加进报警器的监视天区内,即可收出报警声,适用于家庭、办公室、堆栈、真验室等比较要害场合防匪报警.电路本理如下:LM358应用电路由白中线传感器、旗号搁大电路、电压比较器、延时电路战声响报警电路等组成.白中线探测传感器IC1 探测到前圆人体辐射出的白中线旗号时,由IC1的②引足输出微小的电旗号,经三极管VT1 等组成第一级搁大电路搁大,再通过C2输进到运搁IC2(lm358)中举止下删益、矮噪声搁大,此时由IC2①引足输出的旗号已足够强.IC3 (LM358)做电压比较器,它的第⑤引足由R10、VD1提供基准电压,当IC2①引足输出的旗号电压到达IC3 的⑥引足时,二个输进端的电压举止比较,此时IC3的⑦引足由本去的下电仄形成矮电仄.IC4(LM358)为报警延时电路,R14 战C6 组成延时电路,其时间约为1 分钟.当IC3的⑦引足形成矮电通常,C6 通过VD2 搁电,此时IC4 的②引足形成矮电仄,它与IC4的③引足基准电压举止比较,当它矮于其基准电压时IC4 的①引足形成下电仄,VT2导通,讯响器BL 通电收出报警声.人体的白中线旗号消得后,IC3 的⑦引足又回复下电仄输出,此时VD2 停止.由于C6二端的电压没有克没有及突变,故通过R14 背C6 缓缓充电,当C6二端的电压下于其基准电压时,IC4 的①引足才形成矮电仄,时间约为1 分钟,即持绝1分钟报警.那是一个典型的lm358应用电路,期视大家正在此器件使用中,举一反3,收挖出更多有用的电路去.由VT3、R20 、C8 组成启机延时电路,时间也约为1 分钟,它的树坐主假如预防使用者启机后坐时报警,佳让使用者有足够的时间离启监视现场,共时可预防停电后又复电时爆收误报.元件采用与电路创造元器件浑单:编号称呼型号数量编号称呼型号数量R1 电阻47K 1 C10 电解电容470u/25V 1R2 电阻1M 1 C11 涤纶电容0.1u 1R3 电阻1K 1 VD1-VD5 整流二极管IN4001 5R4 电阻 4.7K 1 U 齐桥2A/50V 1R5 R6 R9 R12 R13R15 电阻100K (R12 为线性微调电阻) 6 VT1 晶体三极管9014 1R7 R10 R11 R17 电阻10K 4 VT2 晶体三极管MPSA13 0.5A 30V 1R8、R16 电阻300K 2 VT3 晶体三极管8050 1R14电阻470K 1 IC1 白中线传感器Q74 1R18 电阻2.4K 1 IC2 运搁LM358 1R19电阻220Ω 1 IC3 比较器LM393 1R20 电阻560K 1 IC4 三端稳压器78L06 1C1C2 C6 C8 C9 电解电容47u/16V (C2 、C5 用钽电解)5 BL 电磁讯响器U=12V 1C3 C5电解电容22u/16V 2 T 电源变压器12V 5W 1C4 涤纶电容0.01u 1 S 钮子启闭1C7电解电容220u/16V1本机固态处事电流约10mA,交通电源约1分钟后加进守候状态,只消有人加进监视区便会报警,人离启后约1分钟停止报警.如果将讯响器改为继电器启动其余拆置即动做其余统造用.拆置无误,交上电源举止调试,让一部分正在探测器前圆7-10m处往去,安排电路中的R12 ,使讯响器报警即可.其余部分只消元器件品量良佳且焊交无误,险些没有必调试即可仄常处事.。
LM358应用电路资料及引脚图之欧侯瑞魂创作时间:二O二一年七月二十九日LM358是经常使用的双运放,这里我们介绍一下他的一些资料以及简单电路应用等,有什么问题请去电子论坛.简介:LM358里面包含有两个高增益、独立的、内部频率抵偿的双运放,适用于电压范围很宽的单电源,而且也适用于双电源工作方式,它的应用范围包含传感放大器、直流增益模块和其他所有可用单电源供电的使用运放的地方使用。
lm358引脚图及引脚功能LM358封装有塑封8引线双列直插式和贴片式两种。
LM358的特点:. 内部频率抵偿. 低输入偏流. 低输入失调电压和失调电流. 共模输入电压范围宽,包含接地. 差模输入电压范围宽,等于电源电压范围. 直流电压增益高(约100dB). 单位增益频带宽(约1MHz). 电源电压范围宽:单电源(3—30V);. 双电源(±1.5 一±15V). 低功耗电流,适合于电池供电. 输出电压摆幅大(0 至Vcc-1.5V)LM358稳压电路制作电路原理:本稳压器的核心器件采取LM358。
电路原理如下图所示。
它主要由供电、基准电压、电压取样比较等组成。
LM358稳压电路应用:市电从变压器的1、2头输入,3、4头为自耦调压抽头,5、6头为控制电路的电源及取样抽头。
市电电压正常时,因C点电压始终为3V(即R1降压DW稳压所得),A、B点均大于3 V,故A1、A2(lm358芯片)输出低电平;当市电电压下降时,5、6头的电压也随之下降,A点电压也跟着下降,当A点电压下降到低于3V时,A1输出高电平,使三极管V1饱和导通,继电器K1吸合,将调压器输出调于1、3头;当市电电压继续下降时,同理B点电压低于3V时,(VA反之,如果电压升高时,B点电压也随之升高,当B点电压高于3V时,A2输出低电平,V2截止,H2释放,输出端调至1、3头;当市电电压继续升高时,A点电压高于3V,A1输出低电平,V1截止,K1释放,输出端调至1、2头。
lm358应用电路讲解
LM358是一款双运放集成电路,常用于信号放大、滤波、比较等应用。
下面将为
您讲解几种常见的LM358应用电路。
1. 非反馈放大电路:将输入信号接到运放的非反相输入端,输出信号接到运放的
反相输入端,这种电路可以实现信号的放大。
根据电阻的选择不同,可以选择不
同的放大倍数。
2. 反馈放大电路:将电阻连接到运放的输出端和非反相输入端,输出信号通过这
个电阻反馈给运放的非反相输入端,这种电路可以实现放大和稳定性的控制。
一
般情况下,通过选择不同的反馈电阻值,可以选择不同的放大倍数。
3. 低通滤波器:通过在运放的反相输入端和输出端之间串联电容,可以实现低通
滤波功能。
只允许低于某个频率的信号通过,高于该频率的信号被滤除。
4. 高通滤波器:通过在运放的反相输入端和输出端之间串联电容,并将输入信号
接到非反相输入端,可以实现高通滤波功能。
只允许高于某个频率的信号通过,
低于该频率的信号被滤除。
5. 比较器:将运放的非反相输入端接到一个参考电压,输入信号接到反相输入端。
当输入信号大于参考电压时,输出高电平;当输入信号小于参考电压时,输出低
电平。
以上是几种常见的LM358应用电路,LM358在不同的应用领域有着广泛的应用,如音频处理、仪器测量、传感器信号调理等。
这款集成电路性能稳定,成本较低,非常适合一些中等性能要求的应用。
6种简单电路图之LM358应用电路图(直流耦合低通RC有源滤波器低漂移峰值检测器)关键词:有源滤波器运放运算放大器运放电路电路图LM358内部包括有两个独立的、高增益、内部频率补偿的双运算放大器,适合于电源电压范围很宽的单电源使用,也适用于双电源工作模式,在推荐的工作条件下,电源趣与电源电压无关。
它的使用范圉包括传感放大器、直流增益模组,音频放大器、工业控制、DC增益部件和其他所有可用单电源供电的使用运算放大器的场合。
LM358应用电路图:LM358 的特性(FeatUres):.内部频率补偿•低输入偏流•低输入失调电压和失调电流.共模输入电压范围宽,包括接地•差模输入电压范围宽,等于电源电压范围.直流电压增益高(约IOOdB).单位增益频带宽(约IMHz)•电源电压范围宽:单电源(3—30V);.双电源(±1.5 —±15V)•低功耗电流,适合于电池供电•输出电压摆幅大(0至VCC-1.5V)参数输入偏置电流45 nA输入失调电流50 nA输入失调电压2.9mV输入共模电压最大值VCC~1.5 V共模抑制比80dB电源抑制比IOOdBLM358应用电路图:LM358应用电路图,CI直梯合低通RC有源谑:枝器低漂移峰值检测器Voltage FOIlOWerI电压跟随器Rl功率放大器外围电路S-s≡z tt ≡⅛⅛H屯压控制振荡器Va)固定电流源脉冲发生盐> V -®S S I ?H ∣∙ ⅞≡8>0 A QA i M O -,?÷ WKA + ≤√;' 卜 z >■>「Q> ⅞A ∙-•畑TL∕HZ7787-33桥式电流放大器引用差分输入信AR2)AS ShoWni VO== 2 (√2 - Vl直流差动放大器。
LM358双运算放大器电路的典型应用脚位排列图概述(Description:LM358内部包括有两个独立的、高增益、内部频率补偿的双运算放大器,适合于电源电压范围很宽的单电源使用,也适用于双电源工作模式,在推荐的工作条件下,电源电流与电源电压无关。
它的使用范围包括传感放大器、直流增益模块和其他所有可用单电源供电的使用运算放大器的场合。
LM358的封装形式有塑封8引线双列直插式和贴片式。
•内部频率补偿•直流电压增益高(约100dB•单位增益频带宽(约1MHz•电源电压范围宽:单电源(3—30V;双电源(±1.5一±15V•低功耗电流,适合于电池供电•低输入偏流•低输入失调电压和失调电流•共模输入电压范围宽,包括接地•差模输入电压范围宽,等于电源电压范围•输出电压摆幅大(0至Vcc-1.5V下载资料(英文PDF-477K红外线探测报警器该报警器能探测人体发出的红外线,当人进入报警器的监视区域内,即可发出报警声,适用于家庭、办公室、仓库、实验室等比较重要场合防盗报警。
工作原理该装置电路原理见图1。
由红外线传感器、信号放大电路、电压比较器、延时电路和音响报警电路等组成。
红外线探测传感器IC1探测到前方人体辐射出的红外线信号时,由IC1的②脚输出微弱的电信号,经三极管VT1等组成第一级放大电路放大,再通过C2输入到运算放大器IC2中进行高增益、低噪声放大,此时由IC2①脚输出的信号已足够强。
IC3作电压比较器,它的第⑤脚由R10、VD1提供基准电压,当IC2①脚输出的信号电压到达IC3的⑥脚时,两个输入端的电压进行比较,此时IC3的⑦脚由原来的高电平变为低电平。
IC4为报警延时电路,R14和C6组成延时电路,其时间约为1分钟。
当IC3的⑦脚变为低电平时,C6通过VD2放电,此时IC4的②脚变为低电平,它与IC4的③脚基准电压进行比较,当它低于其基准电压时, IC4的①脚变为高电平,VT2导通,讯响器BL通电发出报警声。
LM358应用电路资料及引脚图LM358是常用的双运放,这里我们介绍一下他的一些资料以及简单电路应用等,有什么问题请去电子论坛.简介:LM358里面包括有两个高增益、独立的、内部频率补偿的双运放,适用于电压范围很宽的单电源,而且也适用于双电源工作方式,它的应用范围包括传感放大器、直流增益模块和其他所有可用单电源供电的使用运放的地方使用。
lm358引脚图及引脚功能LM358封装有塑封8引线双列直插式和贴片式两种。
LM358的特点:. 内部频率补偿. 低输入偏流. 低输入失调电压和失调电流. 共模输入电压范围宽,包括接地. 差模输入电压范围宽,等于电源电压范围. 直流电压增益高(约100dB). 单位增益频带宽(约1MHz). 电源电压范围宽:单电源(3—30V);. 双电源(± 一±15V). 低功耗电流,适合于电池供电. 输出电压摆幅大(0 至LM358稳压电路制作电路原理:本稳压器的核心器件采用LM358。
电路原理如下图所示。
它主要由供电、基准电压、电压取样比较等组成。
LM358稳压电路应用:市电从变压器的1、2头输入,3、4头为自耦调压抽头,5、6头为控制电路的电源及取样抽头。
市电电压正常时,因C点电压始终为3V(即R1降压DW稳压所得),A、B点均大于3V,故A1、A2(lm358芯片)输出低电平;当市电电压下降时,5、6头的电压也随之下降,A点电压也跟着下降,当A点电压下降到低于3V时,A1输出高电平,使三极管V1饱和导通,继电器K1吸合,将调压器输出调于1、3头;当市电电压继续下降时,同理B点电压低于3V时,(VA 反之,如果电压升高时,B点电压也随之升高,当B点电压高于3V时,A2输出低电平,V2截止,H2释放,输出端调至1、3头;当市电电压继续升高时,A点电压高于3V,A1输出低电平,V1截止,K1释放,输出端调至1、2头。
A1、A2为运放,在这里作电压比较器用;IC1为三端稳压块,它为运放及继电器提供供电电源;VD5、VD6为保护二极管。
LM358典型应用电路图集
图4 LM358组成的直流耦合低通RC有源滤波器
图5 LM358组成的LED驱动器
图6 LM358组成的TTL驱动电路
图7 LM358组成的RC有源带通滤波器
图8 LM358组成的方波发生器
图9 滞后比较器
图10 带通有源滤波器
图11 灯驱动程序
图12 电流*器
图13 低漂移峰值检测器
图14 电压跟随器
图15 功率放大器外围电路
图16 LM358电压控制振荡器VCO
图17 固定电流源
图18 脉冲发生器
图19 交流耦合反相放大器
图20 交流耦合非反相放大器
图21 可调增益仪表放大器
图22 直流放大器
图23脉冲发生器
图24 桥式电流放大器
图25 引用差分输入信号
图26 直流差动放大器。
LM358双运算放大器电路的典型应用
脚位排列图
概述(Description):
LM358内部包括有两个独立的、高增益、内部频率补偿的双运算放大器,适合于电源电压范围很宽的单电源使用,也适用于双电源工作模式,在推荐的工作条件下,电源电流与电源电压无关。
它的使用范围包括传感放大器、直流增益模块和其他所有可用单电源供电的使用运算放大器的场合。
LM358的封装形式有塑封8引线双列直插式和贴片式。
特性(Features):
• 内部频率补偿
• 直流电压增益高(约
100dB) • 单位增益频带宽(约1MHz) • 电源电压范围宽:单电源(3—30V); 双电源(±1.5一±15V)
• 低功耗电流,适合于电池供电 • 低输入偏流
• 低输入失调电压和失调电流 • 共模输入电压范围宽,包括接地 • 差模输入电压范围宽,等于电源电压范围 •
输出电压摆幅大(0至Vcc-1.5V)
下载资料(英文 PDF-477K)
红外线探测报警器
该报警器能探测人体发出的红外线,当人进入报警器的监视区域内,即可发出报警声,适用于家庭、办公室、仓库、实验室等比较重要场合防盗报警。
工作原理
该装置电路原理见图1。
由红外线传感器、信号放大电路、电压比较器、延时电路和音响报警电路等组成。
红外线探测传感器IC1探测到前方人体辐射出的红外线信号时,由IC1的②脚输出微弱的电信号,经三极管VT1等组成第一级放大电路放大,
再通过C2输入到运算放大器IC2中进行高增益、低噪声放大,此时由IC2①脚输出的信号已足够强。
IC3作电压比较器,它的第⑤脚由R10、VD1提供基准电压,当IC2①脚输出的信号电压到达IC3的⑥脚时,两个输入端的电压进行比较,此时IC3的⑦脚由原来的高电平变为低电平。
IC4为报警延时电路,R14和C6组成延时电路,其时间约为1分钟。
当IC3的⑦脚变为低电平时,C6通过VD2放电,此时IC4的②脚变为低电平,它与IC4的③脚基准电压进行比较,当它低于其基准电压时,IC4的①脚变为高电平,VT2导通,讯响器BL通电发出报警声。
人体的红外线信号消失后,IC3的⑦脚又恢复高电平输出,此时VD2截止。
由于C6两端的电压不能突变,故通过R14向C6缓慢充电,当C6两端的电压高于其基准电压时,IC4的①脚才变为低电平,时间约为1分钟,即持续1分钟报警。
由VT3、R20、C8组成开机延时电路,时间也约为1分钟,它的设置主要是防止使用者开机后立即报警,好让使用者有足够的时间离开监视现场,同时可防止停电后又来电时产生误报。
该装置采用9-12V直流电源供电,由T降压,全桥U整流,C10滤波,检测电路采用IC5 78L06供电。
本装置交直流两用,自动无间断转换。
元器件选择与制作
IC1采用进口器件Q74,波长为9-10um。
IC2采用运放LM358,具有高增益、低功耗。
IC3、IC4为双电压比较器LM393,低功耗、低失调电压。
其中C2、C5一定要用漏电极小的钽电容,否则调试会受到影响。
R12是调整灵敏度的关键元件,应选用线性高精度密封型。
制作时,在IC1传感器的端面前安装菲涅尔透镜,因为人体的活动频率范围为0.1-10Hz,需要用菲涅尔透镜对人体活动频率倍增。
安装无误,接上电源进行调试,让一个人在探测器前方7-10m处走动,调整电路中的R12,使讯响器报警即可。
其它部分只要元器件质量良好且焊接无误,几乎不用调试即可正常工作。
本机静态工作电流约10mA,接通电源约1分钟后进入守候状态,只要有人进入监视区便会报警,人离开后约1分钟停止报警。
如果将讯响器改为继电器驱动其它装置即作为其它控制用。