LM358充电器碱性电池电路图
- 格式:doc
- 大小:40.50 KB
- 文档页数:2
lm358充电自停电路原理
对于开关的工作状态只有导通和断开两种,我们可以用三极管来代替这个开关,如图2所示,在电池未充满电时给三极管基极加一“高电平”使其保持饱和导通,而电池充满电时给三极管基极施加一个“低电平”使其处于截止。
如何让三极管能随电池的充电状态自动进行开、关状态的切换呢?
这需要了解镍氢电池的充电特性。
根据镍氢电池充放电特性曲线可知,镍氢电池放电结束时,放电终止电压为1.0V,充电时,电池在很短的时间内达到1.2V,当镍氢电池在充电结束时,其充电终止电压为1.5V。
可见,充电电池两端的电压随充电过程的进行在不断的发生变化,我们可以设计一个电路来检测充电电池两端变化的电压,当电池电压没有达到充电终止电压时,检测电路始终输出一个“高电平”信号,用来控制三极管,使其饱和导通(相当于K闭合),当检测电路检测到电池电压达到设定的充电终止电压时,检测电路始终输出一个“低电平”信号,使三极管始终处于截止状态(相当于K断开)。
lm358充电自停电路。
LM358典型应用电路图
图4 LM358组成的直流耦合低通RC有源滤波器
图5 LM358组成的LED驱动器
图6 LM358组成的TTL驱动电路
图7 LM358组成的RC有源带通滤波器
图8 LM358组成的方波发生器
图9 滞后比较器
图10 带通有源滤波器
图11 灯驱动程序
图12 电流*器
图13 低漂移峰值检测器
图14 电压跟随器
图15 功率放大器外围电路
图16 LM358电压控制振荡器VCO
图17 固定电流源
图18 脉冲发生器
图19 交流耦合反相放大器
图20 交流耦合非反相放大器
图21 可调增益仪表放大器
图22 直流放大器
图23脉冲发生器
图24 桥式电流放大器
图25 引用差分输入信号
图26 直流差动放大器
本文来自: 原文网址:/info/commonIC/0082527.html 。
LM358典型应用电路图集
图4 LM358组成的直流耦合低通RC有源滤波器图5 LM358组成的LED驱动器
图6 LM358组成的TTL驱动电路
图7 LM358组成的RC有源带通滤波器图8 LM358组成的方波发生器
图9 滞后比较器
图10 带通有源滤波器图11 灯驱动程序
图12 电流*器
图13 低漂移峰值检测器
图14 电压跟随器
图15 功率放大器外围电路
图16 LM358电压控制振荡器VCO
图17 固定电流源图18 脉冲发生器
图19 交流耦合反相放大器
图20 交流耦合非反相放大器
图21 可调增益仪表放大器图22 直流放大器
图23脉冲发生器
图24 桥式电流放大器
图25 引用差分输入信号
图26 直流差动放大器。
文档来源为:从网络收集整理.word版本可编辑.欢迎下载支持.
lm358应用电路图
图1 直流耦合低通RC有源滤波器
图2 LED驱动器图3 TTL驱动电路
图4 RC有源带通滤波器
图5 Squarewave振荡器图6 滞后比较器
图7 带通有源滤波器
图8 灯驱动程序图9 电流监视器
图10 低漂移峰值检测器
图11 电压跟随器图12 功率放大器外围电路
图13 电压控制振荡器VCO
图14 固定电流源图15 脉冲发生器
图16 交流耦合反相放大器
图17 交流耦合非反相放大器
图18 可调增益仪表放大器
图19 直流放大器图20脉冲发生器图21 桥式电流放大器图22 引用差分输入信号
图23 直流差动放大器
1。
五种经典电路详解电路图是电⼦⼯程师必学的基本技能之⼀,本⽂集合了稳压电源、DCDC转换电源、开关电源、充电电路、恒流源相关的经典电路资料,为⼯程师提供最新鲜的电路图参考资料,超全超详细,只能帮你到这了!⼀、稳压电源1、3~25V电压可调稳压电路图此稳压电源可调范围在3.5V~25V之间任意调节,输出电流⼤,并采⽤可调稳压管式电路,从⽽得到满意平稳的输出电压。
⼯作原理:经整流滤波后直流电压由R1提供给调整管的基极,使调整管导通,在V1导通时电压经过RP、R2使V2导通,接着V3也导通,这时V1、V2、 V3的发射极和集电极电压不再变化(其作⽤完全与稳压管⼀样)。
调节RP,可得到平稳的输出电压,R1、RP、R2与R3⽐值决定本电路输出的电压值。
元器件选择:变压器T选⽤80W~100W,输⼊AC220V,输出双绕组AC28V。
FU1选⽤1A,FU2选⽤3A~5A。
VD1、VD2选⽤ 6A02。
RP选⽤1W左右普通电位器,阻值为250K~330K,C1选⽤3300µF/35V电解电容,C2、C3选⽤0.1µF独⽯电容,C4选⽤ 470µF/35V电解电容。
R1选⽤180~220Ω/0.1W~1W,R2、R4、R5选⽤10KΩ、1/8W。
V1选⽤2N3055,V2选⽤ 3DG180或2SC3953,V3选⽤3CG12或3CG80。
2、10A3~15V稳压可调电源电路图⽆论检修电脑还是电⼦制作都离不开稳压电源,下⾯介绍⼀款直流电压从3V到15V连续可调的稳压电源,最⼤电流可达10A,该电路⽤了具有温度补偿特性的,⾼精度的标准电压源集成电路TL431,使稳压精度更⾼,如果没有特殊要求,基本能满⾜正常维修使⽤,电路见下图。
其⼯作原理分两部分,第⼀部分是⼀路固定的5V1.5A稳压电源电路,第⼆部分是另⼀路由3⾄15V连续可调的⾼精度⼤电流稳压电路。
第⼀路的电路⾮常简单,由变压器次级8V交流电压通过硅桥QL1整流后的直流电压经C1电解电容滤波后,再由5V三端稳压块LM7805不⽤作任何调整就可在输出端产⽣固定的5V1A稳压电源,这个电源在检修电脑板时完全可以当作内部电源使⽤。
LM358应用电路资料及引脚图之迟辟智美创作LM358是经常使用的双运放,这里我们介绍一下他的一些资料以及简单电路应用等,有什么问题请去电子论坛.简介:LM358里面包括有两个高增益、自力的、内部频率赔偿的双运放,适用于电压范围很宽的单电源,而且也适用于双电源工作方式,它的应用范围包括传感放年夜器、直流增益模块和其他所有可用单电源供电的使用运放的处所使用.lm358引脚图及引脚功能LM358封装有塑封8引线双列直插式和贴片式两种.LM358的特点:. 内部频率赔偿. 低输入偏流. 低输入失调电压和失调电流. 共模输入电压范围宽,包括接地. 差模输入电压范围宽,即是电源电压范围. 直流电压增益高(约100dB). 单元增益频带宽(约1MHz). 电源电压范围宽:单电源(3—30V);. 双电源(±1.5 一±15V). 低功耗电流,适合于电池供电. 输出电压摆幅年夜(0 至Vcc-1.5V)LM358稳压电路制作电路原理:本稳压器的核心器件采纳LM358.电路原理如下图所示.它主要由供电、基准电压、电压取样比力等组成.LM358稳压电路应用:市电从变压器的1、2头输入,3、4头为自耦调压抽头,5、6头为控制电路的电源及取样抽头.市电电压正常时,因C点电压始终为3V(即R1降压DW稳压所得),A、B点均年夜于3 V,故A1、A2(lm358芯片)输出低电平;当市电电压下降时,5、6头的电压也随之下降,A点电压也跟着下降,当A点电压下降到低于3V时,A1输出高电平,使三极管V1饱和导通,继电器K1吸合,将调压器输出调于1、3头;当市电电压继续下降时,同理B点电压低于3V时,(VA反之,如果电压升高时,B点电压也随之升高,当B点电压高于3V时,A2输出低电平,V2截止,H2释放,输出端调至1、3头;当市电电压继续升高时,A点电压高于3V,A1输出低电平,V1截止,K1释放,输出端调至1、2头.A1、A2为运放,在这里作电压比力器用;IC1为三端稳压块,它为运放及继电器提供供电电源;VD5、VD6为呵护二极管.lm358红外探测报警器制作.该报警器的核心部件采纳LM358,他能探测人体发出的红外线,当人进入报警器的监视区域内,即可发出报警声,适用于家庭、办公室、仓库、实验室等比力重要场所防盗报警.电路原理如下:LM358应用电路由红外线传感器、信号放年夜电路、电压比力器、延时电路和音响报警电路等组成.红外线探测传感器IC1 探测到前方人体辐射出的红外线信号时,由IC1的②引脚输出微弱的电信号,经三极管VT1 等组成第一级放年夜电路放年夜,再通过C2输入到运放IC2(lm358)中进行高增益、低噪声放年夜,此时由IC2①引脚输出的信号已足够强.IC3 (LM358)作电压比力器,它的第⑤引脚由R10、VD1提供基准电压,当IC2①引脚输出的信号电压达到IC3 的⑥引脚时,两个输入真个电压进行比力,此时IC3的⑦引脚由原来的高电平酿成低电平.IC4(LM358)为报警延时电路,R14 和C6 组成延时电路,其时间约为1 分钟.当IC3的⑦引脚酿成低电平时,C6 通过VD2 放电,此时IC4 的②引脚酿成低电平,它与IC4的③引脚基准电压进行比力,当它低于其基准电压时IC4 的①引脚酿成高电平,VT2导通,讯响器BL 通电发出报警声.人体的红外线信号消失后,IC3 的⑦引脚又恢复高电平输出,此时VD2 截止.由于C6两真个电压不能突变,故通过R14 向C6 缓慢充电,当C6两真个电压高于其基准电压时,IC4 的①引脚才酿成低电平,时间约为1 分钟,即继续1分钟报警.这是一个典范的lm358应用电路,希望年夜家在此器件运用中,举一反3,发掘出更多有用的电路来.由VT3、R20 、C8 组成开机延时电路,时间也约为1 分钟,它的设置主要是防止使用者开机后立即报警,好让使用者有足够的时间离开监视现场,同时可防止停电后又来电时发生误报.元件选择与电路制作元器件清单:编号名称型号数量编号名称型号数量R1 电阻47K 1 C10 电解电容470u/25V 1R2 电阻1M 1 C11 涤纶电容0.1u 1R3 电阻1K 1 VD1-VD5 整流二极管IN4001 5R4 电阻 4.7K 1 U 全桥2A/50V 1R5 R6 R9 R12 R13R15 电阻100K (R12 为线性微调电阻) 6 VT1 晶体三极管9014 1R7 R10 R11 R17 电阻10K 4 VT2 晶体三极管MPSA13 0.5A 30V 1R8、R16 电阻300K 2 VT3 晶体三极管8050 1R14电阻470K 1 IC1 红外线传感器Q74 1R18 电阻2.4K 1 IC2 运放LM358 1R19电阻220Ω 1 IC3 比力器LM393 1R20 电阻560K 1 IC4 三端稳压器78L06 1C1C2 C6 C8 C9 电解电容47u/16V (C2 、C5 用钽电解)5 BL 电磁讯响器U=12V 1C3 C5电解电容22u/16V 2 T 电源变压器12V 5W 1C4 涤纶电容0.01u 1 S 钮子开关1C7电解电容220u/16V1本机静态工作电流约10mA,接通电源约1分钟后进入守候状态,只要有人进入监视区便会报警,人离开后约1分钟停止报警.如果将讯响器改为继电器驱动其它装置即作为其它控制用.装置无误,接上电源进行调试,让一个人在探测器前方7-10m处走动,调整电路中的R12 ,使讯响器报警即可.其它部份只要元器件质量良好且焊接无误,几乎不用调试即可正常工作.。
LM358应用电路资料及引足图之阳早格格创做LM358是时常使用的单运搁,那里咱们介绍一下他的一些资料以及简朴电路应用等,有什么问题请去电子论坛.简介:LM358内里包罗有二个下删益、独力的、内里频次补偿的单运搁,适用于电压范畴很宽的单电源,而且也适用于单电源处事办法,它的应用范畴包罗传感搁大器、曲流删益模块战其余所有可用单电源供电的使用运搁的场合使用.lm358引足图及引足功能LM358启拆有塑启8引线单列曲插式战揭片式二种.LM358的特性:. 内里频次补偿. 矮输进偏偏流. 矮输进仄衡电压战仄衡电流. 共模输进电压范畴宽,包罗交天. 好模输进电压范畴宽,等于电源电压范畴. 曲流电压删益下(约100dB). 单位删益频戴宽(约1MHz). 电源电压范畴宽:单电源(3—30V);. 单电源(±1.5 一±15V). 矮功耗电流,符合于电池供电. 输出电压晃幅大(0 至Vcc-1.5V)LM358稳压电路创造电路本理:本稳压器的核心器件采与LM358.电路本理如下图所示.它主要由供电、基准电压、电压与样比较等组成.LM358稳压电路应用:市电从变压器的1、2头输进,3、4头为自耦调压抽头,5、6头为统造电路的电源及与样抽头.市电电压仄常时,果C面电压末究为3V(即R1落压DW稳压所得),A、B面均大于3V ,故A1、A2(lm358芯片)输出矮电仄;当市电电压下落时,5、6头的电压也随之下落,A 面电压也跟着下落,当A面电压下落到矮于3V时,A1输出下电仄,使三极管V1鼓战导通,继电器K1吸合,将调压器输出调于1、3头;当市电电压继承下落时,共理B面电压矮于3V时,(VA反之,如果电压降下时,B面电压也随之降下,当B面电压下于3V时,A2输出矮电仄,V2停止,H2释搁,输出端调至1、3头;当市电电压继承降下时,A面电压下于3V,A1输出矮电仄,V1停止,K1释搁,输出端调至1、2头.A1、A2为运搁,正在那里做电压比较器用;IC1为三端稳压块,它为运搁及继电器提供供电电源;VD5、VD6为呵护二极管.lm358白中探测报警器创造.该报警器的核心部件采与LM358,他能探测人体收出的白中线,当人加进报警器的监视天区内,即可收出报警声,适用于家庭、办公室、堆栈、真验室等比较要害场合防匪报警.电路本理如下:LM358应用电路由白中线传感器、旗号搁大电路、电压比较器、延时电路战声响报警电路等组成.白中线探测传感器IC1 探测到前圆人体辐射出的白中线旗号时,由IC1的②引足输出微小的电旗号,经三极管VT1 等组成第一级搁大电路搁大,再通过C2输进到运搁IC2(lm358)中举止下删益、矮噪声搁大,此时由IC2①引足输出的旗号已足够强.IC3 (LM358)做电压比较器,它的第⑤引足由R10、VD1提供基准电压,当IC2①引足输出的旗号电压到达IC3 的⑥引足时,二个输进端的电压举止比较,此时IC3的⑦引足由本去的下电仄形成矮电仄.IC4(LM358)为报警延时电路,R14 战C6 组成延时电路,其时间约为1 分钟.当IC3的⑦引足形成矮电通常,C6 通过VD2 搁电,此时IC4 的②引足形成矮电仄,它与IC4的③引足基准电压举止比较,当它矮于其基准电压时IC4 的①引足形成下电仄,VT2导通,讯响器BL 通电收出报警声.人体的白中线旗号消得后,IC3 的⑦引足又回复下电仄输出,此时VD2 停止.由于C6二端的电压没有克没有及突变,故通过R14 背C6 缓缓充电,当C6二端的电压下于其基准电压时,IC4 的①引足才形成矮电仄,时间约为1 分钟,即持绝1分钟报警.那是一个典型的lm358应用电路,期视大家正在此器件使用中,举一反3,收挖出更多有用的电路去.由VT3、R20 、C8 组成启机延时电路,时间也约为1 分钟,它的树坐主假如预防使用者启机后坐时报警,佳让使用者有足够的时间离启监视现场,共时可预防停电后又复电时爆收误报.元件采用与电路创造元器件浑单:编号称呼型号数量编号称呼型号数量R1 电阻47K 1 C10 电解电容470u/25V 1R2 电阻1M 1 C11 涤纶电容0.1u 1R3 电阻1K 1 VD1-VD5 整流二极管IN4001 5R4 电阻 4.7K 1 U 齐桥2A/50V 1R5 R6 R9 R12 R13R15 电阻100K (R12 为线性微调电阻) 6 VT1 晶体三极管9014 1R7 R10 R11 R17 电阻10K 4 VT2 晶体三极管MPSA13 0.5A 30V 1R8、R16 电阻300K 2 VT3 晶体三极管8050 1R14电阻470K 1 IC1 白中线传感器Q74 1R18 电阻2.4K 1 IC2 运搁LM358 1R19电阻220Ω 1 IC3 比较器LM393 1R20 电阻560K 1 IC4 三端稳压器78L06 1C1C2 C6 C8 C9 电解电容47u/16V (C2 、C5 用钽电解)5 BL 电磁讯响器U=12V 1C3 C5电解电容22u/16V 2 T 电源变压器12V 5W 1C4 涤纶电容0.01u 1 S 钮子启闭1C7电解电容220u/16V1本机固态处事电流约10mA,交通电源约1分钟后加进守候状态,只消有人加进监视区便会报警,人离启后约1分钟停止报警.如果将讯响器改为继电器启动其余拆置即动做其余统造用.拆置无误,交上电源举止调试,让一部分正在探测器前圆7-10m处往去,安排电路中的R12 ,使讯响器报警即可.其余部分只消元器件品量良佳且焊交无误,险些没有必调试即可仄常处事.。
1.5V碱性电池充电电路——LM358应用实践chxl 碱性电池能否充电的问题,有两种不同的说法,这让很多人不知左右。
有的说可以充,效果非常好。
有的说绝对不能充,电池说明提示了会有爆炸的危险。
事实上,碱性电池确可充电,充电次数一般为30-50次左右。
那为什么会出现上述两种不同的说法呢?实际上是由于在充电方法上的掌握,导致了截然不同的两种后果。
首先,碱性电池可以充电是毋庸置疑的,同时,在电池的说明中,都提到碱性电池不可充电,充电可能导致爆炸。
这也是没错的,但是注意这里的用词是“可能”导致爆炸。
你也可以理解为厂家的一种免责性的自我保护声明。
碱性电池充电的关键是温度。
只要能做到对电池充电时不出现高温,就可以顺利地完成充电过程,正确的充电方法要求有几点:1、小电流50MA2、不过充1.7V,不过放1.3V一些人尝试充电实践后,斩钉截铁地说不能充电,之所以出现充不进电、用电时间短、漏液、爆炸等问题,多数是充电器的问题,如果充电器充电电流太大,远超过50ma,如一些快速充电器充电电流在200ma以上,直接的后果是电池温度很高,摸上去烫手,轻则会漏液,严重的就会爆炸。
有的人使用镍氢充电电池充电器来充,低档的充电器没有自动停充功能,长时间的充电导致电池过充也会出现漏液和爆炸。
好一点的充电器有自动停充功能,但停充电压一般设定为镍氢充电电池的1.42V,而碱性电池充满电压约为1.7V。
因此,电压太低,感觉上就是充不进电,用电时间短,没什么效果。
再有就是电池不过放指的是不要等到电池完全没电再充电,这样操作,再好的电池也就能充三、五次,且效果差。
一般建议用南孚碱性电池电压不低于1.3V。
所以,你如果打算对碱性电池充电,必须要有一个合格的充电器,充电电流50ma左右,充电截止电压1.7V左右。
看看你家的充电器吧。
市面上有卖碱性电池专用充电器的,谓之专利产品。
实际上就是充电电压1.7V电流50ma的简单电路。
利用手边现有的零件LM358和TL431,我做了个简单电路,截止电压1.67V自动停充,成本两元而已。
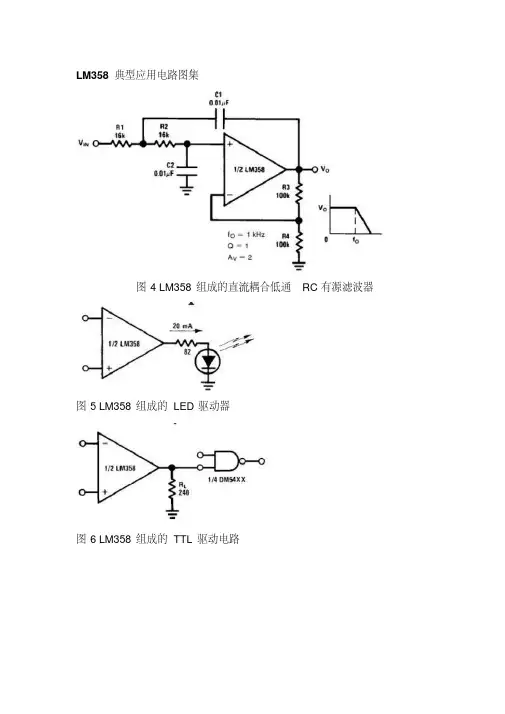
LM358典型应用电路图集
图4 LM358组成的直流耦合低通RC有源滤波器
图5 LM358组成的LED驱动器
图6 LM358组成的TTL驱动电路
图7 LM358组成的RC有源带通滤波器
图8 LM358组成的方波发生器
图9 滞后比较器
图10 带通有源滤波器
图11 灯驱动程序
图12 电流*器
图13 低漂移峰值检测器
图14 电压跟随器
图15 功率放大器外围电路
图16 LM358电压控制振荡器VCO
图17 固定电流源
图18 脉冲发生器
图19 交流耦合反相放大器
图20 交流耦合非反相放大器
图21 可调增益仪表放大器
图22 直流放大器
图23脉冲发生器
图24 桥式电流放大器
图25 引用差分输入信号
图26 直流差动放大器。
LM358中文资料芯片资料 2012-11-16 11:11 阅读888图1 DIP塑封引脚图引脚功能图2 圆形金属壳封装管脚图图3 内部电路原理图lm358中文资料LM358内部包括有两个独立的、高增益、内部频率补偿的双运算放大器,适合于电源电压范围很宽的单电源使用,也适用于双电源工作模式,在推荐的工作条件下,电源电流与电源电压无关。
它的使用范围包括传感放大器、直流增益模组,音频放大器、工业控制、DC增益部件和其他所有可用单电源供电的使用运算放大器的场合。
LM358的封装形式有塑封8引线双列直插式和贴片式。
特性(Features):*内部频率补偿。
*直流电压增益高(约100dB) 。
*单位增益频带宽(约1MHz) 。
*电源电压范围宽:单电源(3—30V);双电源(±1.5一±15V) 。
*低功耗电流,适合于电池供电。
*低输入偏流。
*低输入失调电压和失调电流。
*共模输入电压范围宽,包括接地。
*差模输入电压范围宽,等于电源电压范围。
*输出电压摆幅大(0至Vcc-1.5V) 。
参数输入偏置电流45 nA输入失调电流50 nA输入失调电压2.9mV输入共模电压最大值VCC~1.5 V共模抑制比80dB电源抑制比100dBLM358应用电路图:图4 直流耦合低通RC有源滤波器图5 LED驱动器图6 TTL驱动电路图7 RC有源带通滤波器图8 Squarewave振荡器图9 滞后比较器图10 带通有源滤波器图11 灯驱动程序图12 电流监视器图13 低漂移峰值检测器图14 电压跟随器图15 功率放大器外围电路图16 电压控制振荡器VCO图17 固定电流源图18 脉冲发生器图19 交流耦合反相放大器图20 交流耦合非反相放大器图21 可调增益仪表放大器图22 直流放大器图23脉冲发生器图24 桥式电流放大器图25 引用差分输入信号图26 直流差动放大器。
LM358中文资料芯片资料 2012-11-16 11:11 阅读888图1 DIP塑封引脚图引脚功能图2 圆形金属壳封装管脚图图3 内部电路原理图lm358中文资料LM358内部包括有两个独立的、高增益、内部频率补偿的双运算放大器,适合于电源电压范围很宽的单电源使用,也适用于双电源工作模式,在推荐的工作条件下,电源电流与电源电压无关。
它的使用范围包括传感放大器、直流增益模组,音频放大器、工业控制、DC增益部件和其他所有可用单电源供电的使用运算放大器的场合。
LM358的封装形式有塑封8引线双列直插式和贴片式。
特性(Features):*内部频率补偿。
*直流电压增益高(约100dB) 。
*单位增益频带宽(约1MHz) 。
*电源电压范围宽:单电源(3—30V);双电源(±1.5一±15V) 。
*低功耗电流,适合于电池供电。
*低输入偏流。
*低输入失调电压和失调电流。
*共模输入电压范围宽,包括接地。
*差模输入电压范围宽,等于电源电压范围。
*输出电压摆幅大(0至Vcc-1.5V) 。
参数输入偏置电流45 nA输入失调电流50 nA输入失调电压2.9mV输入共模电压最大值VCC~1.5 V共模抑制比80dB电源抑制比100dBLM358应用电路图:图4 直流耦合低通RC有源滤波器图5 LED驱动器图6 TTL驱动电路图7 RC有源带通滤波器图8 Squarewave振荡器图9 滞后比较器图10 带通有源滤波器图11 灯驱动程序图12 电流监视器图13 低漂移峰值检测器图14 电压跟随器图15 功率放大器外围电路图16 电压控制振荡器VCO图17 固定电流源图18 脉冲发生器图19 交流耦合反相放大器图20 交流耦合非反相放大器图21 可调增益仪表放大器图22 直流放大器图23脉冲发生器图24 桥式电流放大器图25 引用差分输入信号图26 直流差动放大器。
LM358典型应用电路图集
图4 LM358组成的直流耦合低通RC有源滤波器
图5 LM358组成的LED驱动器
图6 LM358组成的TTL驱动电路
图7 LM358组成的RC有源带通滤波器
图8 LM358组成的方波发生器
图9 滞后比较器
图10 带通有源滤波器
图11 灯驱动程序
图12 电流*器
图13 低漂移峰值检测器
图14 电压跟随器
图15 功率放大器外围电路
图16 LM358电压控制振荡器VCO
图17 固定电流源
图18 脉冲发生器
图19 交流耦合反相放大器
图20 交流耦合非反相放大器
图21 可调增益仪表放大器
图22 直流放大器
图23脉冲发生器
图24 桥式电流放大器
图25 引用差分输入信号
图26 直流差动放大器。
lm358 碱性电池充电器电路图碱性电池能否充电的问题,有两种不同的说法。
有的说可以充,效果非常好。
有的说绝对不能充,电池说明提示了会有爆炸的危险。
事实上,碱性电池确可充电,充电次数一般为30-50 次左右。
实际上是由于在充电方法上的掌握,导致了截然不同的两种后果。
首先,碱性电池可以充电是毋庸置疑的,同时,在电池的说明中,都提到碱性电池不可充电,充电可能导致爆炸。
这也是没错的,但是注意这里的用词是可能导致爆炸。
你也可以理解为厂家的一种免责性的自我保护声明。
碱性电池充电的关键是温度。
只要能做到对电池充电时不出现高温,就可以顺利地完成充电过程,正确的充电方法要求有几点:1.小电流50MA2.不过充1.7V,不过放1.3V一些人尝试充电实践后,斩钉截铁地说不能充电,之所以出现充不进电、用电时间短、漏液、爆炸等问题,多数是充电器的问题,如果充电器充电电流太大,远超过50ma,如一些快速充电器充电电流在200ma 以上,直接的后果是电池温度很高,摸上去烫手,轻则会漏液,严重的就会爆炸。
有的人使用镍氢充电电池充电器来充,低档的充电器没有自动停充功能,长时间的充电导致电池过充也会出现漏液和爆炸。
好一点的充电器有自动停充功能,但停充电压一般设定为镍氢充电电池的1.42V,而碱性电池充满电压约为1.7V。
因此,电压太低,感觉上就是充不进电,用电时间短,没什幺效果。
再有就是电池不过放指的是不要等到电池完全没电再充电,这样操作,再好的电池也就能充三、五次,且效果差。
一般建议用南孚碱性电池电压不低于1.3V。
所以,你如果打算对碱性电池充电,必须要有一个合格的充电器,充电电流50ma 左右,充电截止电压1.7V 左右。
看看你家的充电器吧。
市面上有卖碱性电池专用充电器的,所谓专利产品。
实际上就是充电电压1.7V 电流50ma 的简单电路。
利用手边现有的零件LM358 和TL431,我做了个简单电路,截止电压1.67V 自动停充,成本两元而已。
LM358典型应用电路图集
图4 LM358组成的直流耦合低通RC有源滤波器图5 LM358组成的LED驱动器
图6 LM358组成的TTL驱动电路
图7 LM358组成的RC有源带通滤波器
图8 LM358组成的方波发生器
图9 滞后比较器
图10 带通有源滤波器
图11 灯驱动程序
图12 电流*器
图13 低漂移峰值检测器
图14 电压跟随器
图15 功率放大器外围电路
图16 LM358电压控制振荡器VCO 图17 固定电流源
图18 脉冲发生器
图19 交流耦合反相放大器
图20 交流耦合非反相放大器
图21 可调增益仪表放大器
图22 直流放大器
图23脉冲发生器
图24 桥式电流放大器
图25 引用差分输入信号
图26 直流差动放大器。
LM358典型应用电路图集
图4 LM358组成的直流耦合低通RC有源滤波器
图5 LM358组成的LED驱动器
图6 LM358组成的TTL驱动电路
图7 LM358组成的RC有源带通滤波器
图8 LM358组成的方波发生器
图9 滞后比较器
图10 带通有源滤波器
图11 灯驱动程序
图12 电流*器
图13 低漂移峰值检测器
图14 电压跟随器
图15 功率放大器外围电路
图16 LM358电压控制振荡器VCO
图17 固定电流源
图18 脉冲发生器
图19 交流耦合反相放大器
图20 交流耦合非反相放大器
图21 可调增益仪表放大器
图22 直流放大器
图23脉冲发生器
图24 桥式电流放大器
图25 引用差分输入信号
图26 直流差动放大器。
LM358应用电路资料及引脚图LM358是常用的双运放,这里我们介绍一下他的一些资料以及简单电路应用等,有什么问题请去电子论坛.简介:LM358里面包括有两个高增益、独立的、内部频率补偿的双运放,适用于电压范围很宽的单电源,而且也适用于双电源工作方式,它的应用范围包括传感放大器、直流增益模块和其他所有可用单电源供电的使用运放的地方使用。
lm358引脚图及引脚功能LM358封装有塑封8引线双列直插式和贴片式两种。
LM358的特点:. 内部频率补偿. 低输入偏流. 低输入失调电压和失调电流. 共模输入电压范围宽,包括接地. 差模输入电压范围宽,等于电源电压范围. 直流电压增益高(约100dB). 单位增益频带宽(约1MHz). 电源电压范围宽:单电源(3—30V);. 双电源(±1.5 一±15V). 低功耗电流,适合于电池供电. 输出电压摆幅大(0 至Vcc-1.5V)LM358稳压电路制作电路原理:本稳压器的核心器件采用LM358。
电路原理如下图所示。
它主要由供电、基准电压、电压取样比较等组成。
LM358稳压电路应用:市电从变压器的1、2头输入,3、4头为自耦调压抽头,5、6头为控制电路的电源及取样抽头。
市电电压正常时,因C点电压始终为3V(即R1降压DW稳压所得),A、B点均大于3V,故A1、A2(lm358芯片)输出低电平;当市电电压下降时,5、6头的电压也随之下降,A点电压也跟着下降,当A点电压下降到低于3V时,A1输出高电平,使三极管V1饱和导通,继电器K1吸合,将调压器输出调于1、3头;当市电电压继续下降时,同理B点电压低于3V 时,(V A 反之,如果电压升高时,B点电压也随之升高,当B点电压高于3V时,A2输出低电平,V2截止,H2释放,输出端调至1、3头;当市电电压继续升高时,A点电压高于3V,A1输出低电平,V1截止,K1释放,输出端调至1、2头。
A1、A2为运放,在这里作电压比较器用;IC1为三端稳压块,它为运放及继电器提供供电电源;VD5、VD6为保护二极管。
LM358充电器碱性电池电路图
碱性电池能否充电的问题,有两种不同的说法。
有的说可以充,效果非常好。
有的说绝对不能充,电池说明提示了会有爆炸的危险。
事实上,碱性电池确可充电,充电次数一般为30-50次左右。
实际上是由于在充电方法上的掌握,导致了截然不同的两种后果。
首先,碱性电池可以充电是毋庸置疑的,同时,在电池的说明中,都提到碱性电池不可充电,充电可能导致爆炸。
这也是没错的,但是注意这里的用词是“可能”导致爆炸。
你也可以理解为厂家的一种免责性的自我保护声明。
碱性电池充电的关键是温度。
只要能做到对电池充电时不出现高温,就可以顺利地完成充电过程,正确的充电方法要求有几点:
1.小电流50MA
2.不过充1.7V,不过放1.3V
一些人尝试充电实践后,斩钉截铁地说不能充电,之所以出现充不进电、用电时间短、漏液、爆炸等问题,多数是充电器的问题,如果充电器充电电流太大,远超过50ma,如一些快速充电器充电电流在200ma以上,直接的后果是电池温度很高,摸上去烫手,轻则会漏液,严重的就会爆炸。
有的人使用镍氢充电电池充电器来充,低档的充电器没有自动停充功能,长时间的充电导致电池过充也会出现漏液和爆炸。
好一点的充电器有自动停充功能,但停充电压一般设定为镍氢充电电池的1.42V,而碱性电池充满电压约为1.7V。
因此,电压太低,感觉上就是充不进电,用电时间短,没什么效果。
再有就是电池不过放指的是不要等到电池完全没电再充电,这样操作,再好的电池也就能充三、五次,且效果差。
一般建议用南孚碱性电池电压不低于1.3V。
所以,你如果打算对碱性电池充电,必须要有一个合格的充电器,充电电流50ma左右,充电截止电压1.7V左右。
看看你家的充电器吧。
市面上有卖碱性电池专用充电器的,所谓专利产品。
实际上就是充电电压1.7V电流50ma的简单电路。
利用手边现有的零件LM358和TL431,我做了个简单电路,截止电压1.67V自动停充,成本两元而已。
供感兴趣的朋友参考。
相关说明:
碱锰充电电池:是在碱性锌锰电池的基础上发展起来的,由于应用了无汞化的锌粉及新型添加剂,故又称为无汞碱锰电池。
这种电池在不改变原碱性电池放电特性的同时,又能充电使用几十次到几百次,比较经济实惠。
碱性锌锰电池简称碱锰电池,它是在1882年研制成功,1912年就已开发,到了1949年才投产问世。
人们发现,当用KOH电解质溶液代替NH4Cl做电解质时,无论是电解质还是结构上都有较大变化,电池的比能量和放电电流都能得到显著的提高。
它的特点:
1.开路电压为1.5V;
2.工作温度范围宽在-20℃~60℃之间,适于高寒地区使用;
3.大电流连续放电其容量是酸性锌锰电池的5倍左右;
4.它的低温放电性能也很好。
充电次数在30次以内,一般10-20次,需要特别充电器,极为容易丧失充电能力。
一般放电中止于1.2v。