LM358功能 中文资料
- 格式:docx
- 大小:56.50 KB
- 文档页数:5
双运算放大器LM358概述:封装外形图LM358是由两个独立的高增益运算放大器组成。
可以是单电源工作,也可以是双电源工作,电源的电流消耗与电源电压大小无关。
应用范围包括变频放大器、DC增益部件和所有常规运算放大电路。
采用DIP8或SOP8封装形式。
主要特点:z可单电源或双电源工作z在一个封装内的两个经内部补偿的运算放大器。
z逻辑电路匹配。
DIP-8z功耗小。
z频率范围宽功能框图和管脚排列图SOP-8极限值(绝对最大额定值,若无其它规定,Tamb=25℃)参数名称数值单位电源电压 32或±16 V差分输入电压32 V 输入电压-0.3~32 V DIP封装550功耗(注1)SOP封装530mW 输出端对地短路电流(1放大器)(注2)(V+≤15V、Ta=25℃)持续输入电流(V IN<-0.3V)(注3) 50 mA 工作环境温度-25~85 ℃贮存温度-65~150 ℃深圳市诚鑫源电子有限公司1/5电特性 (若无其它规定,V +=5.0V )规 范 值 特 性测试条件最 小 典 型 最 大单 位输入失调电压 Ta =25℃2 5 mV 输入偏流 Ta =25℃,I IN(+)或I IN (-),V CM =0V 45 150 nA 输入失调电流 Ta =25℃,I IN(+) - I IN (-),V CM =0V 3 30 nA 输入共模电压范围 Ta =25℃,V +=30V 0 V +-1.5VV +=30V 1 2电源电流 在整个温度范围上,R L =∞在所有运算放大器上,V +=5V 0.5 1.2mA大信号电压增益V +=15V ,Ta=25℃,R L ≥2k Ω(对于V o=1~11V )50 100 V/mV 共模抑制比 DC ,Ta=25℃,V CM =0~V +-1.5V 70 85 dB 电源抑制比 DC ,Ta=25℃,V +=5~30V 65 100 dB 放大器之间的耦合系数 Ta=25℃,f=1~20kHz (所有的输入)-120 dB输出源电流V IN(+)=1V ,V IN(-)=0V ,V +=15V ,V o=2V ,Ta=25℃ 20 40 mA V IN(-)=1V ,V IN(+)=0V ,V +=15V ,V o=2V ,Ta=25℃10 20 mA 输出吸电流 V IN(-)=1V ,V IN(+)=0V ,V +=15V ,V o=200mV ,Ta=25℃12 50 µA 对地短路电流 V +=15V , Ta=25℃40 60 mA 输入失调电压 7 mV 输入失调电压漂移 Rs=0Ω 7 µV/℃输入失调电流 I IN(+) - I IN (-) 100 nA输入失调电流漂移 Rs=0Ω 10 pA/℃输入偏置电流 I IN(+)或I IN (-)40 300 nA 输入共模电压范围 V +=30V 0 V +-2V大信号电压增益 V +=15V ,(V o=1~11V ), R L ≥2k Ω 25 V/mV R L =2k Ω 26 V V OH V +=30VR L =10k Ω27 28 V 输出电压摆幅V OLV +=5V ,R L =10k Ω5 20 mV 源电流 V IN(+)=1V ,V IN(-)=0V ,V +=15V ,V o=2V 10 20 mA 输出电流 吸电流V IN(-)=1V ,V IN(+)=0V ,V +=15V ,V o=2V5 8 mA2/5典型应用3/5典型特性曲线4/55/5。
知道LM358吗?它是什么?双运算放大器LM358功能介绍一、LM358功能概述双运算放大器LM358,内部包括有两个独立的、高增益、内部频率补偿的双运算放大器,适合于电源电压范围很宽的单电源使用,也适用于双电源工作模式,在推荐的工作条件下,电源电流与电源电压无关。
它的使用范围包括传感放大器、直流增益模块和其他所有可用单电源供电的使用运算放大器的场合。
二、特性内部频率补偿直流电压增益高(约100dB)单位增益频带宽(约1MHz)电源电压范围宽:单电源(3-30V)双电源(±1.5 一±15V)压摆率(0.3V/us)低功耗电流,适合于电池供电· 低输入偏流低输入失调电压和失调电流共模输入电压范围宽,包括接地差模输入电压范围宽,等于电源电压范围输出电压摆幅大(0 至Vcc-1.5V)三、LM358引脚排列图LM358的封装形式有塑封8引线双列直插式和贴片式,引脚功能如下:LM358内部含有二个运算放大器,我们分别称为第一运放和第二运放。
1脚:第一运放输出端OUT12脚:第一运放反向输入端IN1-3脚:第一运放同向输入端IN1+4脚:接地端GND5脚:第二运放同向输入端IN2+6脚:第二运放反向输入端IN2-7脚:第二运放输出端OUT28脚:正电源引脚VCC四、LM358的功能描述LM358中的运算放大器,可以构成各种电路,比如构成电压比较器,信号从第一运放反向输入端(2脚)和同向输入端(3脚)输入,经比较后由第一运放输出端(1脚)输出。
如果3脚电压大于2脚电压,则1脚输出高电平;如果3脚电压小于2脚电压,则1脚输出低电平。
利用LM358设计的电子制作实例:红外二极管感应报警电路分析与制作五、行情分析LM358该型号,市场上比较常见,在各大网站上,搜索比较频繁,价格一直相对平稳。
有些分析人士,还把该型号归类为电源电路,因为它使用范围比较宽。
LM358最近一段时间市场销量比较稳定,主流品牌是TI、NS、国产品牌,国外品牌的价格一直相对偏高,最新报价有小幅度下滑,在0.4-0.7元/PCS区间波动。
LM358中文资料LM358是常用的双运放,这里我们介绍一下它的一些资料以及简单电路应用。
简介:LM358里面包括有两个高增益、独立的、内部频率补偿的双运放,适用于电压范围很宽的单电源,而且也适用于双电源工作方式,它的应用范围包括传感放大器、直流增益模块和其他所有可用单电源供电的使用运放的地方使用。
LM358内部包括有两个独立的、高增益、内部频率补偿的双运算放大器,适合于电源电压范围很宽的单电源使用,也适用于双电源工作模式,在推荐的工作条件下,电源电流与电源电压无关。
它的使用范围包括传感放大器、直流增益模组,音频放大器、工业控制、DC增益部件和其他所有可用单电源供电的使用运算放大器的场合。
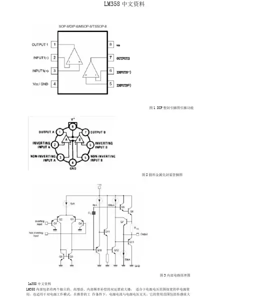
LM358的封装形式有塑封8引线双列直插式和贴片式。
〈lm358引脚图及引脚功能〉图1 DIP塑封引脚图引脚功能圆形金属壳封装管脚图内部电路原理图LM358的特性(Features):. 内部频率补偿. 低输入偏流. 低输入失调电压和失调电流. 共模输入电压范围宽,包括接地. 差模输入电压范围宽,等于电源电压范围. 直流电压增益高(约100dB). 单位增益频带宽(约1MHz). 电源电压范围宽:单电源(3—30V);. 双电源(±1.5 一±15V). 低功耗电流,适合于电池供电. 输出电压摆幅大(0 至Vcc-1.5V)参数输入偏置电流45 nA输入失调电流50 nA输入失调电压2.9mV输入共模电压最大值VCC~1.5 V共模抑制比80dB电源抑制比100dBLM358应用电路图:直流耦合低通RC有源滤波器LED驱动器TTL驱动电路RC有源带通滤波器Squarewave振荡器滞后比较器带通有源滤波器灯驱动程序电流监视器低漂移峰值检测器电压跟随器功率放大器外围电路电压控制振荡器VCO固定电流源脉冲发生器交流耦合反相放大器交流耦合非反相放大器可调增益仪表放大器直流放大器脉冲发生器桥式电流放大器引用差分输入信号直流差动放大器。
LM358功能--中文资料LM358功能中文资料LM358是常用的双运放,这里我们介绍一下他的一些资料以及简单电路应用等.简介:LM358里面包括有两个高增益、独立的、内部频率补偿的双运放,适用于电压范围很宽的单电源,而且也适用于双电源工作方式,它的应用范围包括传感放大器、直流增益模块和其他所有可用单电源供电的使用运放的地方使用。
〈LM358引脚图及引脚功能〉LM358封装有塑封8引线双列直插式和贴片式两种。
LM358的特点:. 内部频率补偿. 低输入偏流. 低输入失调电压和失调电流. 共模输入电压范围宽,包括接地. 差模输入电压范围宽,等于电源电压范围. 直流电压增益高(约100dB). 单位增益频带宽(约1MHz). 电源电压范围宽:单电源(3—30V);. 双电源(±1.5 一±15V). 低功耗电流,适合于电池供电. 输出电压摆幅大(0 至Vcc-1.5V)LM358稳压电路制作电路原理:本稳压器的核心器件采用LM358。
电路原理如下图所示。
它主要由供电、基准电压、电压取样比较等组成。
由红外线传感器、信号放大电路、电压比较器、延时电路和音响报警电路等组成。
红外线探测传感器IC1 探测到前方人体辐射出的红外线信号时,由IC1 的②引脚输出微弱的电信号,经三极管VT1 等组成第一级放大电路放大,再通过C2 输入到运放IC2 (lm358)中进行高增益、低噪声放大,此时由IC2①引脚输出的信号已足够强。
IC3 (lm358)作电压比较器,它的第⑤引脚由R10、VD1 提供基准电压,当IC2①引脚输出的信号电压到达IC3 的⑥引脚时,两个输入端的电压进行比较,此时IC3的⑦引脚由原来的高电平变为低电平。
IC4(lm358)为报警延时电路,R14 和C6 组成延时电路,其时间约为1 分钟。
当IC3 的⑦引脚变为低电平时,C6 通过VD2 放电,此时IC4 的②引脚变为低电平,它与IC4 的③引脚基准电压进行比较,当它低于其基准电压时,IC4 的①引脚变为高电平,VT2 导通,讯响器BL 通电发出报警声。
LM358中文资料VCD0UTPUT2INPUTS-)INPUTN+)图1 DIP塑封引脚图引脚功能图2圆形金属壳封装管脚图图3内部电路原理图lm358中文资料LM358内部包括有两个独立的、高增益、内部频率补偿的双运算放大器,适合于电源电压范围很宽的单电源使用,也适用于双电源工作模式,在推荐的工作条件下,电源电流与电源电压无关。
它的使用范围包括传感放大器、直流增益模组,音频放大器、工业控制、DC增益部件和其他所有可用单电源供电的使用运算放大器的场合LM358的封装形式有塑封8引线双列直插式和贴片式。
特性(Features):*内部频率补偿。
*直流电压增益高(约100dB)。
*单位增益频带宽(约1MHz)。
*电源电压范围宽:单电源(3 —30V);双电源(土1.5 一土15V)*低功耗电流,适合于电池供电。
*低输入偏流。
*低输入失调电压和失调电流。
*共模输入电压范围宽,包括接地。
*差模输入电压范围宽,等于电源电压范围。
*输出电压摆幅大(0至VCC-1.5V)。
参数输入偏置电流45 nA输入失调电流50 nA输入失调电压2.9mV输入共模电压最大值VCC~1.5 V 共模抑制比80dB电源抑制比100dBLM358应用电路图:C1oeijiFR] fl?图4直流耦合低通RC有源滤波器图5 LED驱动器图6 TTL驱动电路源带通滤波器图8 Squarewave 振荡器图9滞后比较器情I M15BLT330 pF卄V2 LMISfiJ3D |F»?3k RK1 IOWv10ffldI~图7 RC有D.IMR1390k120k»?r i T ra <M3sa fO = 1 KH;Q - 25图10带通有源滤波器1总UW顶A L图11灯驱动程序图12电流监视器图13低漂移峰值检测器图15功率放大器外围电路图16电压控制振荡器VCO 屮图17固定电流源脉冲发生器图18图20交流耦合非反相放大器IM• WVRtR1IMk图21可调增益仪表放大器图22直流放大图23脉冲发生器图24桥式电流放大器图25引用差分输入信号140k图26直流差动放大器。
LM358中文资料下载:lm358中文资料LM358是常用的双运放,这里我们介绍一下他的一些资料以及简单电路应用等,有什么问题请去电子论坛.简介:LM358里面包括有两个高增益、独立的、内部频率补偿的双运放,适用于电压范围很宽的单电源,而且也适用于双电源工作方式,它的应用范围包括传感放大器、直流增益模块和其他所有可用单电源供电的使用运放的地方使用。
〈lm358引脚图及引脚功能〉LM358封装有塑封8引线双列直插式和贴片式两种。
LM358的特点:. 内部频率补偿. 低输入偏流. 低输入失调电压和失调电流. 共模输入电压范围宽,包括接地. 差模输入电压范围宽,等于电源电压范围. 直流电压增益高(约100dB). 单位增益频带宽(约1MHz). 电源电压范围宽:单电源(3—30V);. 双电源(?1.5 一?15V). 低功耗电流,适合于电池供电. 输出电压摆幅大(0 至Vcc-1.5V)lm358稳压电路制作电路原理:本稳压器的核心器件采用LM358。
电路原理如下图所示。
它主要由供电、基准电压、电压取样比较等组成。
市电从变压器的1、2头输入,3、4头为自耦调压抽头,5、6头为控制电路的电源及取样抽头。
市电电压正常时,因C点电压始终为3V(即R1降压DW稳压所得),A、B点均大于3V,故A1、A2(lm358芯片)输出低电平;当市电电压下降时,5、6头的电压也随之下降,A点电压也跟着下降,当A点电压下降到低于3V时,A1输出高电平,使三极管V1饱和导通,继电器K1吸合,将调压器输出调于1、3头;当市电电压继续下降时,同理B点电压低于3V时,(VA 反之,如果电压升高时,B点电压也随之升高,当B点电压高于3V时,A2输出低电平,V2截止,H2释放,输出端调至1、3头;当市电电压继续升高时,A点电压高于3V,A1输出低电平,V1截止,K1释放,输出端调至1、2头。
A1、A2为运放,在这里作电压比较器用;IC1为三端稳压块,它为运放及继电器提供供电电源;VD5、VD6为保护二极管。
LM358中文资料下载:lm358中文资料LM358是常用的双运放,这里我们介绍一下他的一些资料以及简单电路应用等,有什么问题请去电子论坛.简介:LM358里面包括有两个高增益、独立的、内部频率补偿的双运放,适用于电压范围很宽的单电源,而且也适用于双电源工作方式,它的应用范围包括传感放大器、直流增益模块和其他所有可用单电源供电的使用运放的地方使用。
〈lm358引脚图及引脚功能〉LM358封装有塑封8引线双列直插式和贴片式两种。
LM358的特点:. 内部频率补偿. 低输入偏流. 低输入失调电压和失调电流. 共模输入电压范围宽,包括接地. 差模输入电压范围宽,等于电源电压范围. 直流电压增益高(约100dB). 单位增益频带宽(约1MHz). 电源电压范围宽:单电源(3—30V);. 双电源(?1.5 一?15V). 低功耗电流,适合于电池供电. 输出电压摆幅大(0 至Vcc-1.5V)lm358稳压电路制作电路原理:本稳压器的核心器件采用LM358。
电路原理如下图所示。
它主要由供电、基准电压、电压取样比较等组成。
市电从变压器的1、2头输入,3、4头为自耦调压抽头,5、6头为控制电路的电源及取样抽头。
市电电压正常时,因C点电压始终为3V(即R1降压DW稳压所得),A、B点均大于3V,故A1、A2(lm358芯片)输出低电平;当市电电压下降时,5、6头的电压也随之下降,A点电压也跟着下降,当A点电压下降到低于3V时,A1输出高电平,使三极管V1饱和导通,继电器K1吸合,将调压器输出调于1、3头;当市电电压继续下降时,同理B点电压低于3V时,(VA 反之,如果电压升高时,B点电压也随之升高,当B点电压高于3V时,A2输出低电平,V2截止,H2释放,输出端调至1、3头;当市电电压继续升高时,A点电压高于3V,A1输出低电平,V1截止,K1释放,输出端调至1、2头。
A1、A2为运放,在这里作电压比较器用;IC1为三端稳压块,它为运放及继电器提供供电电源;VD5、VD6为保护二极管。
lm358中文资料2009-05-05 09:26图1 DIP塑封引脚图引脚功能图2 圆形金属壳封装管脚图图3 内部电路原理图lm358中文资料LM358内部包括有两个独立的、高增益、内部频率补偿的双运算放大器,适合于电源电压范围很宽的单电源使用,也适用于双电源工作模式,在推荐的工作条件下,电源电流与电源电压无关。
它的使用范围包括传感放大器、直流增益模组,音频放大器、工业控制、DC增益部件和其他所有可用单电源供电的使用运算放大器的场合。
LM358的封装形式有塑封8引线双列直插式和贴片式。
特性(Features):*内部频率补偿。
*直流电压增益高(约100dB) 。
*单位增益频带宽(约1MHz) 。
*电源电压范围宽:单电源(3—30V);双电源(±1.5一±15V) 。
*低功耗电流,适合于电池供电。
*低输入偏流。
*低输入失调电压和失调电流。
*共模输入电压范围宽,包括接地。
*差模输入电压范围宽,等于电源电压范围。
*输出电压摆幅大(0至Vcc-1.5V) 。
参数输入偏置电流45 nA输入失调电流50 nA输入失调电压2.9mV输入共模电压最大值VCC~1.5 V共模抑制比80dB电源抑制比100dBLM358应用电路图:图4 直流耦合低通RC有源滤波器图5 LED驱动器图6 TTL驱动电路图7 RC有源带通滤波器图8 Squarewave振荡器图9 滞后比较器图10 带通有源滤波器图11 灯驱动程序图12 电流监视器图13 低漂移峰值检测器图14 电压跟随器图15 功率放大器外围电路图16 电压控制振荡器VCO图17 固定电流源图18 脉冲发生器图19 交流耦合反相放大器图20 交流耦合非反相放大器图21 可调增益仪表放大器图22 直流放大器图23脉冲发生器图24 桥式电流放大器图25 引用差分输入信号图26 直流差动放大器UC3843固定频率电流模式控制器型号:UC3843A 封装:DIP8主要应用:开关电源UC3842 、UC3843 是高性能固定频率电流模式控制器专为离线和直流至直流变换器应用而设计,为设计人员提供只需最少外部元件就能获得成本效益高的解决方案。
LM358的中文资料资料2009-10-06 17:00:01 阅读3109 评论0 字号:大中小LM35字号:大大中中小小LM358是常用的双运放,这里我们介绍一下他的一些资料以及简单电路应用等,有什么问题请去电子论坛.简介:LM358里面包括有两个高增益、独立的、内部频率补偿的双运放,适用于电压范围很宽的单电源,而且也适用于双电源工作方式,它的应用范围包括传感放大器、直流增益模块和其他所有可用单电源供电的使用运放的地方使用。
〈lm358引脚图及引脚功能〉LM358封装有塑封8引线双列直插式和贴片式两种。
LM358的特点:. 内部频率补偿. 低输入偏流. 低输入失调电压和失调电流. 共模输入电压范围宽,包括接地. 差模输入电压范围宽,等于电源电压范围. 直流电压增益高(约100dB). 单位增益频带宽(约1MHz). 电源电压范围宽:单电源(3—30V);. 双电源(±1.5 一±15V). 低功耗电流,适合于电池供电. 输出电压摆幅大(0 至Vcc-1.5V)lm358 pdf资料:下载LM358 pdf资料下载LM358中文资料lm358稳压电路制作电路原理:本稳压器的核心器件采用LM358。
电路原理如下图所示。
它主要由供电、基准电压、电压取样比较等组成。
市电从变压器的1、2头输入,3、4头为自耦调压抽头,5、6头为控制电路的电源及取样抽头。
市电电压正常时,因C点电压始终为3V(即R1降压DW稳压所得),A、B点均大于3V,故A1、A2(lm358芯片)输出低电平;当市电电压下降时,5、6头的电压也随之下降,A点电压也跟着下降,当A点电压下降到低于3V时,A1输出高电平,使三极管V1饱和导通,继电器K1吸合,将调压器输出调于1、3头;当市电电压继续下降时,同理B点电压低于3V时,(VA 反之,如果电压升高时,B点电压也随之升高,当B点电压高于3V时,A2输出低电平,V2截止,H2释放,输出端调至1、3头;当市电电压继续升高时,A点电压高于3V,A1输出低电平,V1截止,K1释放,输出端调至1、2头。
文章:新闻┆EDA技术┆电源技术┆无线通信┆测量仪表┆嵌入式类┆电子技术┆制造技术┆半导体┆网络协议┆展会┆实验┆家
下载:EDA教程┆电源技术┆电子书籍┆电子元件┆无线通信┆通信网络┆电路图纸┆嵌入式类┆单片机┆传感/控制┆电子教材.... 音视频类┆消费电子┆机械电子┆行业软件┆C/C++┆FPGA/ASIC┆规则标准┆家电维修┆DSP┆IC资料┆ARM┆软件┆电路
电子电路
海下载
电子元器件资料宝典(hot)
免费注册环球资源
·共模输入电压范围宽,包括接地
·差模输入电压范围宽,等于电源电压范围
·输出电压摆幅大(0 至Vcc-1.5V)
关于本站- 意见反馈- 网站导航- 帮助- 隐私政策- 联系我们- 使用条款- 安全承诺- 友情连接
站长QQ:39550527 Powered by:飓风网络(电路图) (广告联系QQ:53104695) 站长统计
Copyright 2006-2008 Elec f .电子发烧友:粤ICP备07065979号All Rights Reserved。
LM358功能中文资料LM358是一种低功耗双运放,由德州仪器(Texas Instruments)公司制造。
它被广泛用于各种电子设备中,包括信号放大、滤波器、比较器和运算放大器等电路。
本文将详细介绍LM358的功能和特点。
首先,LM358具有双运放的结构,意味着它在一颗芯片上包含两个独立的运算放大器。
每个运放都有两个输入端和一个输出端。
这个结构使得LM358非常适合在需要多个放大器的应用中使用,减少了元件数量和电路板的面积。
LM358的输入电压范围非常广,可以接受从地线到电源线(通常是±15V)的电压。
这使得它非常适用于双电源供电电路,同时也使得它的应用更加灵活。
此外,LM358的输入阻抗很高,通常为100MΩ,使得它能够接收来自各种信号源的较小输入电压。
LM358的增益范围也很大,通常为100dB以上。
这使得它适用于需要高放大倍数的应用,如音频放大器和传感器信号放大器等。
此外,它还具有高输出电流能力,通常为20mA,这意味着它可以为外部负载提供足够的电流,以驱动各种外部元件。
本文接下来将重点介绍LM358在不同应用中的功能。
首先是信号放大功能。
LM358可以用作信号放大器,将弱信号放大至适当的水平。
它的低噪声和高增益使其非常适用于接收和放大来自传感器、麦克风和其他传感器的信号。
其次是滤波器功能。
利用LM358的运算放大器,可以构建各种类型的滤波器,如低通滤波器、高通滤波器、带通滤波器和带阻滤波器。
这些滤波器可用于消除噪音、筛选特定频率的信号和提高系统的稳定性。
第三是比较器功能。
LM358可以用作比较器,将两个输入信号进行比较,输出一个高或低电平。
它的高增益和高速度使其适用于需要快速响应和精确比较的应用,如电压判断和开关控制。
最后是运算放大器功能。
LM358的运算放大器具有高增益和低偏移电压,可以用于各种运算放大器电路,如放大、求和、差分运算和反馈控制等。
它可以用来设计各种类型的反馈控制系统,如温度控制系统、电流控制系统和电压控制系统。
lm358中文资料汇总(lm358引脚图及功能lm358概述LM358是双运算放大器。
内部包括有两个独立的、高增益、内部频率补偿的运算放大器,适合于电源电压范围很宽的单电源使用,也适用于双电源工作模式,在推荐的工作条件下,电源电流与电源电压无关。
它的使用范围包括传感放大器、直流增益模块和其他所有可用单电源供电的使用运算放大器的场合。
lm358特性内部频率补偿直流电压增益高(约100dB)单位增益频带宽(约1MHz)电源电压范围宽:单电源(3—30V)双电源(±1.5 一±15V)压摆率(0.3V/us)低功耗电流,适合于电池供电· 低输入偏流低输入失调电压和失调电流共模输入电压范围宽,包括接地差模输入电压范围宽,等于电源电压范围输出电压摆幅大(0 至Vcc-1.5V)lm358内部原理图lm358引脚图及功能LM358 的封装形式有塑封 8 引线双列直插式和贴片式。
LM358引脚功能:1脚是输出端,2脚是反相输入端,3脚是同相输入端;4脚是负电源(双电源工作时)或地(单电源工作时);5脚是同相输入端;6脚是反相输入端;7脚是输出端;8脚是正电源;1、2、3脚是一个运放通道,5、6、7脚为另一运放通道。
lm358工作原理工作原理:8脚主供电输入,2脚电压与3脚电压比较,6脚电压与5脚电压比较,分别对应两个独立的输出:1OUT与2OUT 当1IN+大于1IN- 2IN+大于2IN-时,1OUT 2OUT输出高电平当1IN+小于1IN- 2IN+小于2IN-时,1OUT 2OUT输出低电平LM358输出端不需要上拉电阻,输出电压范围为:0V~VCC-1.5V,这点与LM393是不同的LM358封装尺寸及外形图lm358参数输入偏置电流45 nA输入失调电流50 nA输入失调电压2.9mV输入共模电压最大值VCC~1.5 V共模抑制比80d电源抑制比100dBlm358应用电路图一:红外线探测报警器该报警器能探测人体发出的红外线,当人进入报警器的监视区域内,即可发出报警声,适用于家庭、办公室、仓库、实验室等比较重要场合防盗报警。
lm358芯片手册LM358是一款常用的双运放集成电路芯片。
本手册将详细介绍LM358的主要特点、引脚功能、内部电路结构、电气特性、应用电路等内容。
一、主要特点LM358是一款具有广泛应用的双运放集成电路芯片。
它的主要特点如下:1. 低功耗:LM358的静态工作电流为0.7mA,具有低功耗的特性,适合应用于电池供电的电子设备。
2. 宽工作电压范围:LM358的工作电压范围为3V至32V,可适应不同的工作电源。
3. 高共模抑制比:LM358的共模抑制比为70dB,具有良好的共模抑制能力。
4. 宽输入电压范围:LM358的输入电压范围为负供电电压至正供电电压之间的范围,可适应多种输入信号。
5. 稳定的直流增益:LM358的直流增益稳定,可保证输入信号准确放大。
6. 可大批量生产:LM358采用标准的16引脚DIP封装,易于大规模的生产制造。
二、引脚功能LM358的引脚功能如下:1. 1号脚(OUT1):1号运放的输出脚。
2. 2号脚(IN-):1号运放的负输入脚。
3. 3号脚(IN+):1号运放的正输入脚。
4. VSS:负供电电压脚。
5. 5号脚(IN+):2号运放的正输入脚。
6. 6号脚(IN-):2号运放的负输入脚。
7. 7号脚(OUT2):2号运放的输出脚。
8. VDD:正供电电压脚。
三、内部电路结构LM358的内部电路结构由两个独立的运算放大器组成,每个运放放大器都由输入级、中间级和输出级组成。
输入级是一个差动放大器,用于输入信号的放大和差模到共模的转换;中间级是一个级联的共射放大器和共射放大器,用于进一步放大和控制输出幅度;输出级是一个输出级驱动电路,用于输出放大信号。
四、电气特性1. 工作电压范围:3V至32V2. 工作电流:静态工作电流为0.7mA3. 直流增益:200dB4. 输入偏置电流:25nA5. 输入偏置电压:2mV6. 输出电流:20mA7. 共模抑制比:70dB8. 带宽:1MHz9. 封装形式:16引脚DIP五、应用电路1. 比较器电路:将输入信号与参考电压进行比较,根据比较结果输出高电平或低电平。
LM358中文资料及应用电路LM358中文资料LM358内部包括有两个独立的、高增益、内部频率补偿的双运算放大器,适合于电源电压范围很宽的单电源使用,也适用于双电源工作模式,在推荐的工作条件下,电源电流与电源电压无关。
它的使用范围包括传感放大器、直流增益模组,音频放大器、工业控制、DC增益部件和其他所有可用单电源供电的使用运算放大器的场合。
LM358特性(Features):*内部频率补偿。
*直流电压增益高(约100dB) 。
*单位增益频带宽(约1MHz) 。
*电源电压范围宽:单电源(3—30V);双电源(±1.5一±15V) 。
*低功耗电流,适合于电池供电。
*低输入偏流。
*低输入失调电压和失调电流。
*共模输入电压范围宽,包括接地。
*差模输入电压范围宽,等于电源电压范围。
*输出电压摆幅大(0至Vcc-1.5V) 。
LM358主要参数输入偏置电流45 nA输入失调电流50 nA输入失调电压2.9mV输入共模电压最大值VCC~1.5 V共模抑制比80dB电源抑制比100dBLM358引脚图LM358的封装形式有塑封8引线双列直插式和贴片式。
图1 DIP塑封引脚图引脚功能图2 圆形金属壳封装管脚图LM358内部结构图图3 内部电路原理图LM358应用电路图:图4 直流耦合低通RC有源滤波器图5 LED驱动器图6 TTL驱动电路图7 RC有源带通滤波器图8 Squarewave振荡器图9 滞后比较器图10 带通有源滤波器LM358典型应用电路图LM358典型应用电路图集图4 LM358组成的直流耦合低通RC有源滤波器图5 LM358组成的LED驱动器图6 LM358组成的TTL驱动电路图7 LM358组成的RC有源带通滤波器图8 LM358组成的方波发生器图9 滞后比较器图10 带通有源滤波器图11 灯驱动程序图12 电流*器图13 低漂移峰值检测器图14 电压跟随器图15 功率放大器外围电路图16 LM358电压控制振荡器VCO图17 固定电流源图18 脉冲发生器图19 交流耦合反相放大器图20 交流耦合非反相放大器图21 可调增益仪表放大器图22 直流放大器图23脉冲发生器图24 桥式电流放大器图25 引用差分输入信号图26 直流差动放大器。
LM358中文数据手册LM358中文资料图1 DIP塑封引脚图引脚功能图2 圆形金属壳封装管脚图图3 内部电路原理图lm358中文资料LM358内部包括有两个独立的、高增益、内部频率补偿的双运算放大器,适合于电源电压范围很宽的单电源使用,也适用于双电源工作模式,在推荐的工作条件下,电源电流与电源电压无关。
它的使用范围包括传感放大器、直流增益模组,音频放大器、工业控制、DC增益部件和其他所有可用单电源供电的使用运算放大器的场合。
LM358的封装形式有塑封8引线双列直插式和贴片式。
特性(Features):*内部频率补偿。
*直流电压增益高(约100dB) 。
*单位增益频带宽(约1MHz) 。
*电源电压范围宽:单电源(3—30V);双电源(±1.5一±15V) 。
*低功耗电流,适合于电池供电。
*低输入偏流。
*低输入失调电压和失调电流。
*共模输入电压范围宽,包括接地。
*差模输入电压范围宽,等于电源电压范围。
*输出电压摆幅大(0至Vcc-1.5V) 。
参数输入偏置电流45 nA输入失调电流50 nA输入失调电压2.9mV输入共模电压最大值VCC~1.5 V共模抑制比80dB电源抑制比100dBLM358应用电路图:图4 直流耦合低通RC有源滤波器图5 LED驱动器图6 TTL驱动电路图7 RC 有源带通滤波器图8 Squarewave振荡器图9 滞后比较器图10 带通有源滤波器图11 灯驱动程序图12 电流监视器图13 低漂移峰值检测器图14 电压跟随器图15 功率放大器外围电路图16 电压控制振荡器VCO图17 固定电流源图18 脉冲发生器图19 交流耦合反相放大器图20 交流耦合非反相放大器图21 可调增益仪表放大器图22 直流放大器图23脉冲发生器图24 桥式电流放大器图25 引用差分输入信号图26 直流差动放大器。
LM358中文资料图1 DIP塑封引脚图引脚功能图2圆形金属壳封装管脚图图3内部电路原理图lm358中文资料LM358内部包括有两个独立的、高增益、内部频率补偿的双运算放大器,适合于电源电压范围很宽的单电源使用,也适用于双电源工作模式,在推荐的工作条件下,电源电流与电源电压无关。
它的使用范围包括传感放大器、直流增益模组,音频放大器、工业控制、DC增益部件和其他所有可用Vcc0UTPUT2IN PUT 玄•)INP UTN+)V*4LL二inpLt 一—“XNor - p /eri!ig\11冲QMA50uA单电源供电的使用运算放大器的场合。
LM358的封装形式有塑封8引线双列直插式和贴片式。
特性(Features):*内部频率补偿。
*直流电压增益高(约lOOdB)。
*单位增益频带宽(约1MHz)。
土 15V)。
*电源电压范围宽:单电源(3 —30V);双电源(± 1.5*低功耗电流,适合于电池供电。
*低输入偏流。
*低输入失调电压和失调电流。
*共模输入电压范围宽,包括接地。
*差模输入电压范围宽,等于电源电压范围。
*输出电压摆幅大(0至VCC-1.5V)。
参数输入偏置电流45 nA输入失调电流50 nA输入失调电压2.9mV输入共模电压最大值VCC~1.5 V共模抑制比80dB电源抑制比100dBLM358应用电路图:Cl图6 TTL驱动电路IOVWlOUkHI lOOi h1!?2 LM1I血1总 LMint和? I 和「碍Cl31ID K Ft? J J 111 时R1 inmB一、-Jh ■ u h K M图7 RC有源带通滤波器 A1 100k图 8 Squarewave 振荡图9滞后比较器HI670ClD-lluFHHrCt S R ;IRRZ 3? Ofc<$-Jf c ri T _[%5b^LM35BV3 I MJ5RV QRa lOOhR7 tmihH6 12IH wv丄” =1 KHd0 — E5图10带通有源滤波器图12电流监视器图13低漂移峰值检测器图15功率放大器外围电路1J JKmAI L SIT工片Ikiv(r}V 严i --- -"(liTizrciRC R1for图11 灯驱动程H潮flIQQhSlil!¥m 5 S'*A z1«<LM15B血LMlSa OUTPUT 1+■埔+/3 51KlOUk/V%/Q OUTPUT 2WkVwVOOlxfIIMR2llOShilVSU3Pi9H图16电压控制振荡器VCOIH4IkTH LMJ5B源脉冲发生器Vin iR1IdhRZIQQkCl 曙fVR3iaokR4〕叱:-TL-TL图17 固定电流taiHiAAZV图18 隔JVPP图19交流耦合反相放大器Rl FW3 Vpp图20交流耦合非反相放大器ni图21 可调增益仪表放大器心】0—W*—Iq J1器> I呱in IM2 LNIfiS5inlOOhFllOOhRImlA'hcrc: K口二V)+ Vy - '% - V.iW - '也匕何3 — V,l) 1C. kfrCp *1r令V QQ图22直流放大图23脉冲发生器Vo - %图24桥式电流放大图25引用差分输入信号ft?VoAS 谢>^呦;V Q = 2 他VJ图26直流差动放大器。
LM358功能中文资料LM358是常用的双运放,这里我们介绍一下他的一些资料以及简单电路应用等. 简介:
LM358里面包括有两个高增益、独立的、内部频率补偿的双运放,适用于电压范围很宽的单电源,而且也适用于双电源工作方式,它的应用范围包括传感放大器、直流增益模块和其他所有可用单电源供电的使用运放的地方使用。
〈LM358引脚图及引脚功能〉LM358封装有塑封8引线双列直插式和贴片式两种。
LM358的特点:
. 内部频率补偿
. 低输入偏流
. 低输入失调电压和失调电流
. 共模输入电压范围宽,包括接地
. 差模输入电压范围宽,等于电源电压范围
. 直流电压增益高(约100dB)
. 单位增益频带宽(约1MHz)
. 电源电压范围宽:单电源(3—30V);
. 双电源(±1.5 一±15V)
. 低功耗电流,适合于电池供电
. 输出电压摆幅大(0 至Vcc-1.5V)
LM358稳压电路制作
电路原理:本稳压器的核心器件采用LM358。
电路原理如下图所示。
它主要由供电、基准电压、电压取样比较等组成。
市电从变压器的1、2头输入,3、4头为自耦调压抽头,5、6头为控制电路的电源及取样抽头。
市电电压正常时,因C点电压始终为3V(即R1降压DW稳压所得),A、
B点均大于3V,故A1、A2(lm358芯片)输出低电平;当市电电压下降时,5、6头的电压也随之下降,A点电压也跟着下降,当A点电压下降到低于3V时,A1输出高电平,使三极管V1饱和导通,继电器K1吸合,将调压器输出调于1、3头;当市电电压继续下降时,同理B点电压低于3V时,(VA 反之,如果电压升高时,B点电压也随之升高,当B点电压高于3V时,A2输出低电平,V2截止,H2释放,输出端调至1、3头;当市电电压继续升高时,A点电压高于3V,A1输出低电平,V1截止,K1释放,输出端调至1、2头。
A1、A2为运放,在这里作电压比较器用;IC1为三端稳压块,它为运放及继电器提供供电电源;VD5、VD6为保护二极管。
lm358红外探测报警器制作
该报警器的核心部件采用LM358,他能探测人体发出的红外线,当人进入报警器的监视区域内,即可发出报警声,适用于家庭、办公室、仓库、实验室等比较重要场合防盗报警。
电路原理如下:
〈LM358应用电路〉
由红外线传感器、信号放大电路、电压比较器、延时电路和音响报警电路等组成。
红外线探测传感器IC1 探测到前方人体辐射出的红外线信号时,由IC1 的②引脚输出微弱的电信号,经三极管VT1 等组成第一级放大电路放大,
再通过C2 输入到运放IC2 (lm358)中进行高增益、低噪声放大,此时由IC2①引脚输出的信号已足够强。
IC3 (lm358)作电压比较器,它
的第⑤引脚由R10、VD1 提供基准电压,当IC2①引脚输出的信号电压到达IC3 的⑥引脚时,两个输入端的电压进行比较,此时IC3 的⑦引脚由原来的高电平变为低电平。
IC4(lm358)为报警延时电路,R14 和C6 组成延时电路,其时间约为1 分钟。
当IC3 的⑦引脚变为低电平时,C6 通过VD2 放电,此时IC4 的②引脚变为低电平,它与IC4 的③引脚基准电压进行比较,当它低于其基准电压时,IC4 的①引脚变为高电平,VT2 导通,讯响器BL 通电发出报警声。
人体的红外线信号消失后,IC3 的⑦引脚又恢复高电平输出,此时VD2 截止。
由于C6 两端的电压不能突变,故通过R14 向C6 缓慢充电,当C6 两端的电压高于其基准电压时,IC4 的①引脚才变为低电平,时间约为1 分钟,即持续1 分钟报警。
这是一个典型的lm358应用电路,希望大家在此器件运用中,举一反3,发掘出更多有用的电路来。
由VT3、R20 、C8 组成开机延时电路,时间也约为1 分钟,它的设置主要是防止使用者开机后立即报警,好让使用者有足够的时间离开监视现场,同时可防止停电后又来电时产生误报。
元件选择与电路制作
元器件清单:
编号名称型号数量编号名称型号数量R1 电阻 47K 1 C10 电解电容470u/25V 1 R2 电阻 1M 1 C11 涤纶电容0.1u 1 R3 电阻 1K 1 VD1-VD5 整流二极管IN4001 5 R4 电阻 4.7K 1 U 全桥2A/50V 1 R5 R6 R9 R12 R13 R15 电阻100K (R12 为线性微调电阻) 6 VT1 晶体三极管9014 1 R7 R10 R11 R17 电阻10K 4 VT2 晶体三极管MPSA13 0.5A 30V 1 R8、R16 电阻300K 2 VT3 晶体三极管8050 1 R14 电阻470K 1 IC1 红外线传感器Q74 1 R18 电阻2.4K 1 IC2 运放LM358 1 R19 电阻220Ω 1 IC3 比较器LM393 1 R20 电阻560K 1 IC4 三端稳压器78L06 1 C1 C2 C6 C8 C9 电解电容47u/16V (C2 、C5 用钽电解)5 BL 电磁讯响器U=12V 1 C3 C5 电解电容22u/16V 2 T 电源变压器12V 5W 1 C4 涤纶电容0.01u 1 S 钮子开关1 C7 电解电容220u/16V 1
本机静态工作电流约10mA,接通电源约1 分钟后进入守候状态,只要有人进入监视区便会报警,人离开后约1 分钟停止报警。
如果将讯响器改为继电器驱动其它装置即作为其它控制用。
安装无误,接上电源进行调试,让一个人在探测器前方7-10m 处走动,调整电路中的R12 ,使讯响器报警即可。
其它部分只要元器件质量良好且焊接无误,几乎不用调试即可正常工作。