LM358典型应用电路原理图2
- 格式:docx
- 大小:182.87 KB
- 文档页数:6
LM358典型应用电路原理图2
————————————————————————————————作者:————————————————————————————————日期:
LM358典型应用电路原理图(二)LM358适合电源电压范围很宽,可单电源使用也可双电源使用,它的应用范围包括传感放大器、直流增益模块和其他所有可用单电源供电的使用运算放大器的场合,下面是LM358的典型应用原理图。
12.功率放大器外围电路
13.电压控制振荡器VCO
14.固定电流源
15.固定电流源
16.交流耦合反相放大器
17.交流耦合非反相放大器
18.可调增益仪表放大器
19.直流放大器
20.脉冲发生器
21.桥式电流放大器
22.引用差分输入信号
23.直流差动放大器。
lm358恒流源电路lm358恒流源电路lm358电路原理图LM358内部包括有两个独⽴的、⾼增益、内部频率补偿的双运算放⼤器,适合于电源电压范围很宽的单电源使⽤,也适⽤于双电源⼯作模式,在推荐的⼯作条件下,电源电流与电源电压⽆关。
它的使⽤范围包括传感放⼤器、直流增益模块和其他所有可⽤单电源供电的使⽤运算放⼤器的场合。
LM358的封装形式有塑封8引线双列直插式和贴⽚式。
红外线探测报警器该报警器能探测⼈体发出的红外线,当⼈进⼊报警器的监视区域内,即可发出报警声,适⽤于家庭、办公室、仓库、实验室等⽐较重要场合防盗报警。
该装置电路原理见图1。
由红外线传感器、信号放⼤电路、电压⽐较器、延时电路和⾳响报警电路等组成。
红外线探测传感器IC1探测到前⽅⼈体辐射出的红外线信号时,由IC1的②脚输出微弱的电信号,经三极管VT1等组成第⼀级放⼤电路放⼤,再通过C2输⼊到运算放⼤器IC2中进⾏⾼增益、低噪声放⼤,此时由IC2①脚输出的信号已⾜够强。
IC3作电压⽐较器,它的第⑤脚由R10、VD1提供基准电压,当IC2①脚输出的信号电压到达IC3的⑥脚时,两个输⼊端的电压进⾏⽐较,此时IC3的⑦脚由原来的⾼电平变为低电平。
IC4为报警延时电路,R14和C6 组成延时电路,其时间约为1 分钟。
当IC3的⑦脚变为低电平时,C6通过VD2放电,此时IC4的②脚变为低电平,它与IC4的③脚基准电压进⾏⽐较,当它低于其基准电压时,IC4的①脚变为⾼电平,VT2导通,讯响器BL通电发出报警声。
⼈体的红外线信号消失后,IC3的⑦脚⼜恢复⾼电平输出,此时VD2截⽌。
由于C6两端的电压不能突变,故通过R14向C6缓慢充电,当C6两端的电压⾼于其基准电压时,IC4的①脚才变为低电平,时间约为1分钟,即持续1分钟报警。
由VT3、R20、C8组成开机延时电路,时间也约为1 分钟,它的设置主要是防⽌使⽤者开机后⽴即报警,好让使⽤者有⾜够的时间离开监视现场,同时可防⽌停电后⼜来电时产⽣误报。
LM358典型应用电路图
图4 LM358组成的直流耦合低通RC有源滤波器
图5 LM358组成的LED驱动器
图6 LM358组成的TTL驱动电路
图7 LM358组成的RC有源带通滤波器
图8 LM358组成的方波发生器
图9 滞后比较器
图10 带通有源滤波器
图11 灯驱动程序
图12 电流*器
图13 低漂移峰值检测器
图14 电压跟随器
图15 功率放大器外围电路
图16 LM358电压控制振荡器VCO
图17 固定电流源
图18 脉冲发生器
图19 交流耦合反相放大器
图20 交流耦合非反相放大器
图21 可调增益仪表放大器
图22 直流放大器
图23脉冲发生器
图24 桥式电流放大器
图25 引用差分输入信号
图26 直流差动放大器
本文来自: 原文网址:/info/commonIC/0082527.html 。
LM358双运算放大器电路的典型应用脚位排列图概述(Description):LM358内部包括有两个独立的、高增益、内部频率补偿的双运算放大器,适合于电源电压范围很宽的单电源使用,也适用于双电源工作模式,在推荐的工作条件下,电源电流与电源电压无关。
它的使用范围包括传感放大器、直流增益模块和其他所有可用单电源供电的使用运算放大器的场合。
LM358的封装形式有塑封8引线双列直插式和贴片式。
特性(Features):• 内部频率补偿• 直流电压增益高(约100dB) • 单位增益频带宽(约1MHz) • 电源电压范围宽:单电源(3—30V); 双电源(±1.5一±15V)• 低功耗电流,适合于电池供电 • 低输入偏流• 低输入失调电压和失调电流 • 共模输入电压范围宽,包括接地 • 差模输入电压范围宽,等于电源电压范围 •输出电压摆幅大(0至Vcc-1.5V)下载资料(英文 PDF-477K)红外线探测报警器该报警器能探测人体发出的红外线,当人进入报警器的监视区域内,即可发出报警声,适用于家庭、办公室、仓库、实验室等比较重要场合防盗报警。
工作原理该装置电路原理见图1。
由红外线传感器、信号放大电路、电压比较器、延时电路和音响报警电路等组成。
红外线探测传感器IC1探测到前方人体辐射出的红外线信号时,由IC1的②脚输出微弱的电信号,经三极管VT1等组成第一级放大电路放大,再通过C2输入到运算放大器IC2中进行高增益、低噪声放大,此时由IC2①脚输出的信号已足够强。
IC3作电压比较器,它的第⑤脚由R10、VD1提供基准电压,当IC2①脚输出的信号电压到达IC3的⑥脚时,两个输入端的电压进行比较,此时IC3的⑦脚由原来的高电平变为低电平。
IC4为报警延时电路,R14和C6组成延时电路,其时间约为1分钟。
当IC3的⑦脚变为低电平时,C6通过VD2放电,此时IC4的②脚变为低电平,它与IC4的③脚基准电压进行比较,当它低于其基准电压时,IC4的①脚变为高电平,VT2导通,讯响器BL通电发出报警声。
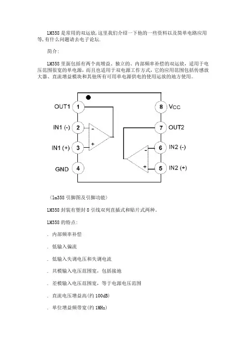
LM358是常用的双运放,这里我们介绍一下他的一些资料以及简单电路应用等,有什么问题请去电子论坛.简介:LM358里面包括有两个高增益、独立的、内部频率补偿的双运放,适用于电压范围很宽的单电源,而且也适用于双电源工作方式,它的应用范围包括传感放大器、直流增益模块和其他所有可用单电源供电的使用运放的地方使用。
〈lm358引脚图及引脚功能〉LM358封装有塑封8引线双列直插式和贴片式两种。
LM358的特点:. 内部频率补偿. 低输入偏流. 低输入失调电压和失调电流. 共模输入电压范围宽,包括接地. 差模输入电压范围宽,等于电源电压范围. 直流电压增益高(约100dB). 单位增益频带宽(约1MHz). 电源电压范围宽:单电源(3—30V);. 双电源(±1.5 一±15V). 低功耗电流,适合于电池供电. 输出电压摆幅大(0 至Vcc-1.5V)lm358 pdf资料:下载LM358 pdf资料下载LM358中文资料lm358稳压电路制作电路原理:本稳压器的核心器件采用LM358。
电路原理如下图所示。
它主要由供电、基准电压、电压取样比较等组成。
市电从变压器的1、2头输入,3、4头为自耦调压抽头,5、6头为控制电路的电源及取样抽头。
市电电压正常时,因C点电压始终为3V(即R1降压DW稳压所得),A、B点均大于3V,故A1、A2(lm358芯片)输出低电平;当市电电压下降时,5、6头的电压也随之下降,A点电压也跟着下降,当A点电压下降到低于3V时,A1输出高电平,使三极管V1饱和导通,继电器K1吸合,将调压器输出调于1、3头;当市电电压继续下降时,同理B点电压低于3V时,(VA 反之,如果电压升高时,B点电压也随之升高,当B点电压高于3V时,A2输出低电平,V2截止,H2释放,输出端调至1、3头;当市电电压继续升高时,A点电压高于3V,A1输出低电平,V1截止,K1释放,输出端调至1、2头。
LM358是常用的双运放,这里我们介绍一下他的一些资料以及简单电路应用等,有什么问题请去电子论坛.简介:LM358里面包括有两个高增益、独立的、内部频率补偿的双运放,适用于电压范围很宽的单电源,而且也适用于双电源工作方式,它的应用范围包括传感放大器、直流增益模块和其他所有可用单电源供电的使用运放的地方使用。
〈lm358引脚图及引脚功能〉LM358封装有塑封8引线双列直插式和贴片式两种。
LM358的特点:.内部频率补偿.低输入偏流.低输入失调电压和失调电流.共模输入电压范围宽,包括接地.差模输入电压范围宽,等于电源电压范围.直流电压增益高(约100dB).单位增益频带宽(约1MHz).电源电压范围宽:单电源(3—30V);.双电源(±1.5一±15V).低功耗电流,适合于电池供电.输出电压摆幅大(0至Vcc-1.5V)lm358pdf资料:下载LM358pdf资料下载LM358中文资料lm358稳压电路制作电路原理:本稳压器的核心器件采用LM358。
电路原理如下图所示。
它主要由供电、基准电压、电压取样比较等组成。
市电从变压器的1、2头输入,3、4头为自耦调压抽头,5、6头为控制电路的电源及取样抽头。
市电电压正常时,因C点电压始终为3V(即R1降压DW稳压所得),A、B点均大于3V,故A1、A2(lm358芯片)输出低电平;当市电电压下降时,5、6头的电压也随之下降,A点电压也跟着下降,当A点电压下降到低于3V时,A1输出高电平,使三极管V1饱和导通,继电器K1吸合,将调压器输出调于1、3头;当市电电压继续下降时,同理B点电压低于3V时,(VA反之,如果电压升高时,B点电压也随之升高,当B点电压高于3V时,A2输出低电平,V2截止,H2释放,输出端调至1、3头;当市电电压继续升高时,A点电压高于3V,A1输出低电平,V1截止,K1释放,输出端调至1、2头。
A1、A2为运放,在这里作电压比较器用;IC1为三端稳压块,它为运放及继电器提供供电电源;VD5、VD6为保护二极管。
LM358工作原理分析LM358是一种常用的低功耗双运算放大器,广泛应用于模拟电路和信号处理电路中。
本文将对LM358的工作原理进行详细分析,包括电路结构、内部运算放大器、输入输出特性等方面的内容。
一、电路结构LM358由两个独立的运算放大器组成,每个运算放大器都具有一个差分输入和一个单端输出。
它的电路结构如下图所示:(图1:LM358电路结构示意图)LM358的电路结构采用了双电源供电方式,即正电源VCC和负电源VEE。
差分输入端由非反相输入端(+IN)和反相输入端(-IN)组成。
输出端(OUT)为单端输出。
此外,还有一个偏置电压输入端(VCC+和VEE-)用于设置运算放大器的工作电流。
二、内部运算放大器LM358的每个运算放大器都由多个晶体管和电阻器组成。
其中,差分输入端的晶体管构成了差动放大器,用于放大输入信号。
而输出端的晶体管构成了输出级,用于输出放大后的信号。
在差分输入端,输入信号经过差动放大器放大后,通过一个放大倍数可调的电阻器(Rf)和一个反馈电阻器(R1)进行反馈。
这样可以调整放大倍数和增益。
同时,还可以通过控制电阻器的阻值来调整输入阻抗和输出阻抗。
在输出级,输出信号经过一个电流源和一个电阻器(R2)形成电流反馈,以提高输出的线性度和稳定性。
此外,还有一个输出级电阻(Ro)用于限制输出电流。
三、输入输出特性LM358的输入输出特性对其工作性能有重要影响。
以下是LM358的一些典型特性:1. 输入偏置电流(IB):LM358的输入偏置电流非常低,通常在20nA以下。
这意味着输入电流非常小,可以减小对电路的影响。
2. 输入偏置电压(VIO):LM358的输入偏置电压也非常低,通常在2mV以下。
这意味着输入电压的差异非常小,可以提高电路的精度和稳定性。
3. 增益带宽积(GBW):LM358的增益带宽积通常在1MHz左右。
这意味着在高频情况下,放大倍数会下降,需要注意。
4. 输出电压范围:LM358的输出电压范围通常与供电电压有关,一般可以接近供电电压的范围。
LM358中文资料及其应用电路LM358中文资料及应用电路LM358中文资料LM358内部包括有两个独立的、高增益、内部频率补偿的双运算放大器,适合于电源电压范围很宽的单电源使用,也适用于双电源工作模式,在推荐的工作条件下,电源电流与电源电压无关。
它的使用范围包括传感放大器、直流增益模组,音频放大器、工业控制、DC增益部件和其他所有可用单电源供电的使用运算放大器的场合。
LM358特性(Features):*内部频率补偿。
*直流电压增益高(约100dB) 。
*单位增益频带宽(约1MHz) 。
*电源电压范围宽:单电源(3—30V);双电源(±1.5一±15V) 。
*低功耗电流,适合于电池供电。
*低输入偏流。
*低输入失调电压和失调电流。
*共模输入电压范围宽,包括接地。
*差模输入电压范围宽,等于电源电压范围。
*输出电压摆幅大(0至Vcc-1.5V) 。
LM358主要参数输入偏置电流45 nA输入失调电流50 nA输入失调电压2.9mV输入共模电压最大值VCC~1.5 V共模抑制比80dB电源抑制比100dBLM358引脚图LM358的封装形式有塑封8引线双列直插式和贴片式。
图1 DIP塑封引脚图引脚功能图2 圆形金属壳封装管脚图LM358内部结构图图3 内部电路原理图LM358应用电路图:图4 直流耦合低通RC有源滤波器图5 LED驱动器图6 TTL驱动电路图7 RC有源带通滤波器图8 Squarewave振荡器图9 滞后比较器图10 带通有源滤波器。
文档来源为:从网络收集整理.word版本可编辑.欢迎下载支持.
lm358应用电路图
图1 直流耦合低通RC有源滤波器
图2 LED驱动器图3 TTL驱动电路
图4 RC有源带通滤波器
图5 Squarewave振荡器图6 滞后比较器
图7 带通有源滤波器
图8 灯驱动程序图9 电流监视器
图10 低漂移峰值检测器
图11 电压跟随器图12 功率放大器外围电路
图13 电压控制振荡器VCO
图14 固定电流源图15 脉冲发生器
图16 交流耦合反相放大器
图17 交流耦合非反相放大器
图18 可调增益仪表放大器
图19 直流放大器图20脉冲发生器图21 桥式电流放大器图22 引用差分输入信号
图23 直流差动放大器
1。
LM358应用电路资料及引脚图之迟辟智美创作LM358是经常使用的双运放,这里我们介绍一下他的一些资料以及简单电路应用等,有什么问题请去电子论坛.简介:LM358里面包括有两个高增益、自力的、内部频率赔偿的双运放,适用于电压范围很宽的单电源,而且也适用于双电源工作方式,它的应用范围包括传感放年夜器、直流增益模块和其他所有可用单电源供电的使用运放的处所使用.lm358引脚图及引脚功能LM358封装有塑封8引线双列直插式和贴片式两种.LM358的特点:. 内部频率赔偿. 低输入偏流. 低输入失调电压和失调电流. 共模输入电压范围宽,包括接地. 差模输入电压范围宽,即是电源电压范围. 直流电压增益高(约100dB). 单元增益频带宽(约1MHz). 电源电压范围宽:单电源(3—30V);. 双电源(±1.5 一±15V). 低功耗电流,适合于电池供电. 输出电压摆幅年夜(0 至Vcc-1.5V)LM358稳压电路制作电路原理:本稳压器的核心器件采纳LM358.电路原理如下图所示.它主要由供电、基准电压、电压取样比力等组成.LM358稳压电路应用:市电从变压器的1、2头输入,3、4头为自耦调压抽头,5、6头为控制电路的电源及取样抽头.市电电压正常时,因C点电压始终为3V(即R1降压DW稳压所得),A、B点均年夜于3 V,故A1、A2(lm358芯片)输出低电平;当市电电压下降时,5、6头的电压也随之下降,A点电压也跟着下降,当A点电压下降到低于3V时,A1输出高电平,使三极管V1饱和导通,继电器K1吸合,将调压器输出调于1、3头;当市电电压继续下降时,同理B点电压低于3V时,(VA反之,如果电压升高时,B点电压也随之升高,当B点电压高于3V时,A2输出低电平,V2截止,H2释放,输出端调至1、3头;当市电电压继续升高时,A点电压高于3V,A1输出低电平,V1截止,K1释放,输出端调至1、2头.A1、A2为运放,在这里作电压比力器用;IC1为三端稳压块,它为运放及继电器提供供电电源;VD5、VD6为呵护二极管.lm358红外探测报警器制作.该报警器的核心部件采纳LM358,他能探测人体发出的红外线,当人进入报警器的监视区域内,即可发出报警声,适用于家庭、办公室、仓库、实验室等比力重要场所防盗报警.电路原理如下:LM358应用电路由红外线传感器、信号放年夜电路、电压比力器、延时电路和音响报警电路等组成.红外线探测传感器IC1 探测到前方人体辐射出的红外线信号时,由IC1的②引脚输出微弱的电信号,经三极管VT1 等组成第一级放年夜电路放年夜,再通过C2输入到运放IC2(lm358)中进行高增益、低噪声放年夜,此时由IC2①引脚输出的信号已足够强.IC3 (LM358)作电压比力器,它的第⑤引脚由R10、VD1提供基准电压,当IC2①引脚输出的信号电压达到IC3 的⑥引脚时,两个输入真个电压进行比力,此时IC3的⑦引脚由原来的高电平酿成低电平.IC4(LM358)为报警延时电路,R14 和C6 组成延时电路,其时间约为1 分钟.当IC3的⑦引脚酿成低电平时,C6 通过VD2 放电,此时IC4 的②引脚酿成低电平,它与IC4的③引脚基准电压进行比力,当它低于其基准电压时IC4 的①引脚酿成高电平,VT2导通,讯响器BL 通电发出报警声.人体的红外线信号消失后,IC3 的⑦引脚又恢复高电平输出,此时VD2 截止.由于C6两真个电压不能突变,故通过R14 向C6 缓慢充电,当C6两真个电压高于其基准电压时,IC4 的①引脚才酿成低电平,时间约为1 分钟,即继续1分钟报警.这是一个典范的lm358应用电路,希望年夜家在此器件运用中,举一反3,发掘出更多有用的电路来.由VT3、R20 、C8 组成开机延时电路,时间也约为1 分钟,它的设置主要是防止使用者开机后立即报警,好让使用者有足够的时间离开监视现场,同时可防止停电后又来电时发生误报.元件选择与电路制作元器件清单:编号名称型号数量编号名称型号数量R1 电阻47K 1 C10 电解电容470u/25V 1R2 电阻1M 1 C11 涤纶电容0.1u 1R3 电阻1K 1 VD1-VD5 整流二极管IN4001 5R4 电阻 4.7K 1 U 全桥2A/50V 1R5 R6 R9 R12 R13R15 电阻100K (R12 为线性微调电阻) 6 VT1 晶体三极管9014 1R7 R10 R11 R17 电阻10K 4 VT2 晶体三极管MPSA13 0.5A 30V 1R8、R16 电阻300K 2 VT3 晶体三极管8050 1R14电阻470K 1 IC1 红外线传感器Q74 1R18 电阻2.4K 1 IC2 运放LM358 1R19电阻220Ω 1 IC3 比力器LM393 1R20 电阻560K 1 IC4 三端稳压器78L06 1C1C2 C6 C8 C9 电解电容47u/16V (C2 、C5 用钽电解)5 BL 电磁讯响器U=12V 1C3 C5电解电容22u/16V 2 T 电源变压器12V 5W 1C4 涤纶电容0.01u 1 S 钮子开关1C7电解电容220u/16V1本机静态工作电流约10mA,接通电源约1分钟后进入守候状态,只要有人进入监视区便会报警,人离开后约1分钟停止报警.如果将讯响器改为继电器驱动其它装置即作为其它控制用.装置无误,接上电源进行调试,让一个人在探测器前方7-10m处走动,调整电路中的R12 ,使讯响器报警即可.其它部份只要元器件质量良好且焊接无误,几乎不用调试即可正常工作.。
LM358双运算放大器电路的典型应用脚位排列图概述(Description):LM358内部包括有两个独立的、高增益、内部频率补偿的双运算放大器,适合于电源电压范围很宽的单电源使用,也适用于双电源工作模式,在推荐的工作条件下,电源电流与电源电压无关。
它的使用范围包括传感放大器、直流增益模块和其他所有可用单电源供电的使用运算放大器的场合。
LM358的封装形式有塑封8引线双列直插式和贴片式。
•内部频率补偿•直流电压增益高(约100dB)•单位增益频带宽(约1MHz)•电源电压范围宽:单电源(3—30V);双电源(±1.5一±15V)•低功耗电流,适合于电池供电•低输入偏流•低输入失调电压和失调电流•共模输入电压范围宽,包括接地•差模输入电压范围宽,等于电源电压范围•输出电压摆幅大(0至Vcc-1.5V)下载资料(英文PDF-477K)红外线探测报警器该报警器能探测人体发出的红外线,当人进入报警器的监视区域内,即可发出报警声,适用于家庭、办公室、仓库、实验室等比较重要场合防盗报警。
工作原理该装置电路原理见图1。
由红外线传感器、信号放大电路、电压比较器、延时电路和音响报警电路等组成。
红外线探测传感器IC1探测到前方人体辐射出的红外线信号时,由IC1的②脚输出微弱的电信号,经三极管VT1等组成第一级放大电路放大,再通过C2输入到运算放大器IC2中进行高增益、低噪声放大,此时由IC2①脚输出的信号已足够强。
IC3作电压比较器,它的第⑤脚由R10、VD1提供基准电压,当IC2①脚输出的信号电压到达IC3的⑥脚时,两个输入端的电压进行比较,此时IC3的⑦脚由原来的高电平变为低电平。
IC4为报警延时电路,R14和C6组成延时电路,其时间约为1分钟。
当IC3的⑦脚变为低电平时,C6通过VD2放电,此时IC4的②脚变为低电平,它与IC4的③脚基准电压进行比较,当它低于其基准电压时,IC4的①脚变为高电平,VT2导通,讯响器BL通电发出报警声。
该装置电路原理见图1。
由红外线传感器、信号放大电路、电压比较器、延时电路和音响报警电路等
组成。
红外线探测传感
器IC1探测到前方人体辐射出的红外线信号时,由IC1的②脚输出微弱的电信号,经三极管VT1等组成第一级放大电路放大,再通过C2输入到运算放大器IC2中进行高增益、低噪声放大,此时由IC2
①脚输出的信号已足够强。
IC3作电压比较器,它
的第⑤脚由R10、VD1提供基准电压,当IC2①脚输出的信号电压到达IC3的⑥脚时,两个输入端
的电压进行比较,此时IC3
的⑦脚由原来的高电平变为低电平。
IC4为报警延时电路,R14和C6组成延时电路,其时间约为1
分钟。
当IC3的⑦脚变为
低电平时,C6通过VD2放电,此时IC4的②脚变为低电平,它与IC4的③脚基准电压进行比较,
当它低于其基准电压时,
IC4的①脚变为高电平,VT2导通,讯响器BL通电发出报警声。
人体的红外线信号消失后,IC3的
⑦脚又恢复高电平输出,
此时VD2截止。
由于C6两端的电压不能突变,故通过R14向C6缓慢充电,当C6两端的电压高
于其基准电压时,IC4的①
脚才变为低电平,时间约为1分钟,即持续1分钟报警。
由VT3、R20、C8组成开机延时电路,时间也约为1分钟,它的设置主要是防止使用者开机后立
即报警,好让使用者有
足够的时间离开监视现场,同时可防止停电后又来电时产生误报。
该装置采用9-12V直流电源供电,由T降压,全桥U整流,C10滤波,检测电路采用IC578L06
供电。
本装置交直流
两用,自动无间断转换。
LM358典型应用电路图LM358典型应用电路图集
图4 LM358组成的直流耦合低通RC有源滤波器图5 LM358组成的LED驱动器
图6 LM358组成的TTL驱动电路
图7 LM358组成的RC有源带通滤波器图8 LM358组成的方波发生器
图9 滞后比较器
图10 带通有源滤波器图11 灯驱动程序
图12 电流*器
图13 低漂移峰值检测器
图14 电压跟随器
图15 功率放大器外围电路
图16 LM358电压控制振荡器VCO
图17 固定电流源图18 脉冲发生器
图19 交流耦合反相放大器
图20 交流耦合非反相放大器
图21 可调增益仪表放大器图22 直流放大器
图23脉冲发生器
图24 桥式电流放大器
图25 引用差分输入信号。
LM358双运算放大器电路的典型应用脚位排列图概述(Description:LM358内部包括有两个独立的、高增益、内部频率补偿的双运算放大器,适合于电源电压范围很宽的单电源使用,也适用于双电源工作模式,在推荐的工作条件下,电源电流与电源电压无关。
它的使用范围包括传感放大器、直流增益模块和其他所有可用单电源供电的使用运算放大器的场合。
LM358的封装形式有塑封8引线双列直插式和贴片式。
•内部频率补偿•直流电压增益高(约100dB•单位增益频带宽(约1MHz•电源电压范围宽:单电源(3—30V;双电源(±1.5一±15V•低功耗电流,适合于电池供电•低输入偏流•低输入失调电压和失调电流•共模输入电压范围宽,包括接地•差模输入电压范围宽,等于电源电压范围•输出电压摆幅大(0至Vcc-1.5V下载资料(英文PDF-477K红外线探测报警器该报警器能探测人体发出的红外线,当人进入报警器的监视区域内,即可发出报警声,适用于家庭、办公室、仓库、实验室等比较重要场合防盗报警。
工作原理该装置电路原理见图1。
由红外线传感器、信号放大电路、电压比较器、延时电路和音响报警电路等组成。
红外线探测传感器IC1探测到前方人体辐射出的红外线信号时,由IC1的②脚输出微弱的电信号,经三极管VT1等组成第一级放大电路放大,再通过C2输入到运算放大器IC2中进行高增益、低噪声放大,此时由IC2①脚输出的信号已足够强。
IC3作电压比较器,它的第⑤脚由R10、VD1提供基准电压,当IC2①脚输出的信号电压到达IC3的⑥脚时,两个输入端的电压进行比较,此时IC3的⑦脚由原来的高电平变为低电平。
IC4为报警延时电路,R14和C6组成延时电路,其时间约为1分钟。
当IC3的⑦脚变为低电平时,C6通过VD2放电,此时IC4的②脚变为低电平,它与IC4的③脚基准电压进行比较,当它低于其基准电压时, IC4的①脚变为高电平,VT2导通,讯响器BL通电发出报警声。
脚位排列图概述(Description):LM358内部包括有两个独立的、高增益、内部频率补偿的双运算放大器,适合于电源电压范围很宽的单电源使用,也适用于双电源工作模式,在推荐的工作条件下,电源电流与电源电压无关。
它的使用范围包括传感放大器、直流增益模块和其他所有可用单电源供电的使用运算放大器的场合。
LM358的封装形式有塑封8引线双列直插式和贴片式。
特性(Features):∙内部频率补偿∙直流电压增益高(约100dB)∙单位增益频带宽(约1MHz)∙电源电压范围宽:单电源(3—30V);双电源(±1.5一±15V)∙低功耗电流,适合于电池供电∙低输入偏流∙低输入失调电压和失调电流∙共模输入电压范围宽,包括接地∙差模输入电压范围宽,等于电源电压范围∙输出电压摆幅大(0至Vcc-1.5V)下载资料(英文PDF-477K)红外线探测报警器该报警器能探测人体发出的红外线,当人进入报警器的监视区域内,即可发出报警声,适用于家庭、办公室、仓库、实验室等比较重要场合防盗报警。
工作原理该装置电路原理见图1。
由红外线传感器、信号放大电路、电压比较器、延时电路和音响报警电路等组成。
红外线探测传感器IC1探测到前方人体辐射出的红外线信号时,由IC1的②脚输出微弱的电信号,经三极管VT1等组成第一级放大电路放大,再通过C2输入到运算放大器IC2中进行高增益、低噪声放大,此时由IC2①脚输出的信号已足够强。
IC3作电压比较器,它的第⑤脚由R10、VD1提供基准电压,当IC2①脚输出的信号电压到达IC3的⑥脚时,两个输入端的电压进行比较,此时IC3的⑦脚由原来的高电平变为低电平。
IC4为报警延时电路,R14和C6组成延时电路,其时间约为1分钟。
当IC3的⑦脚变为低电平时,C6通过VD2放电,此时IC4的②脚变为低电平,它与IC4的③脚基准电压进行比较,当它低于其基准电压时,IC4的①脚变为高电平,VT2导通,讯响器BL通电发出报警声。