LM358电路图及应用
- 格式:doc
- 大小:950.50 KB
- 文档页数:25
LM358 手机电池充电器电路图及相关资料
符号参数元件名称符号参数元件名称R1 1Ω电阻D1 1N4007 整流二极管R2 5K 电阻D2 1N4007 整流二极管R3 10K 电阻D3 1N4007 整流二极管R4 10K 电阻D4 1N4007 整流二极管R5 10K 电阻D5 1N4148 开关二极管R6 5.1K 电阻D6 1N4148 开关二极管R7 10K 电阻D7 FR106 快恢复二极管R8 22.6K 精密电阻D8 SR260 肖特基二极管R9 36K 电阻LED 发光二极管R10 300Ω电阻C1 4.7μ/400V 电解电容R11 22K 电阻C2 4.7μ/400V 电解电容R12 5.1K 电阻C3 22μ/50V 电解电容R13 1K 电阻C4 2200P/1000V 电容
R14 4.8K 精密电阻C5 0.22μ电容
R15 100Ω电阻C6 62P 电容
R16 3.9K 电阻C7 22μ/50V 电解电容
R17 2Ω精密电阻C8 470μ/10V 电解电容IC1 LM358 2/1 双运算放大器C9 220μ/10V 电解电容IC2 LM358 2/1 双运算放大器C10 0.1μ电容IC3 TL431 精密电压基准C11 39P 电容IC4 PC817 光电藕合器RZ 471K 压敏电阻IC5 P102AP06 开关电源模块-。
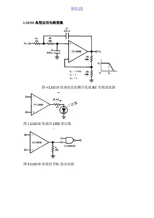
LM358典型应用电路图集
图4 LM358组成的直流耦合低通RC有源滤波器
图5 LM358组成的LED驱动器
图6 LM358组成的TTL驱动电路
图7 LM358组成的RC有源带通滤波器
图8 LM358组成的方波发生器
图9 滞后比较器
图10 带通有源滤波器
图11 灯驱动程序
图12 电流*器
图13 低漂移峰值检测器
图14 电压跟随器
图15 功率放大器外围电路
图16 LM358电压控制振荡器VCO
图17 固定电流源
图18 脉冲发生器
图19 交流耦合反相放大器
图20 交流耦合非反相放大器
图21 可调增益仪表放大器
图22 直流放大器
图23脉冲发生器
图24 桥式电流放大器
图25 引用差分输入信号
图26 直流差动放大器。
LM358应用电路资料及引脚图LM358是常用的双运放,这里我们介绍一下他的一些资料以及简单电路应用等,有什么问题请去电子论坛.简介:LM358里面包括有两个高增益、独立的、内部频率补偿的双运放,适用于电压范围很宽的单电源,而且也适用于双电源工作方式,它的应用范围包括传感放大器、直流增益模块和其他所有可用单电源供电的使用运放的地方使用。
lm358引脚图及引脚功能LM358封装有塑封8引线双列直插式和贴片式两种。
LM358的特点:. 内部频率补偿. 低输入偏流. 低输入失调电压和失调电流. 共模输入电压范围宽,包括接地. 差模输入电压范围宽,等于电源电压范围. 直流电压增益高(约100dB). 单位增益频带宽(约1MHz). 电源电压范围宽:单电源(3—30V);. 双电源(±1.5 一±15V). 低功耗电流,适合于电池供电. 输出电压摆幅大(0 至Vcc-1.5V)LM358稳压电路制作电路原理:本稳压器的核心器件采用LM358。
电路原理如下图所示。
它主要由供电、基准电压、电压取样比较等组成。
LM358稳压电路应用:市电从变压器的1、2头输入,3、4头为自耦调压抽头,5、6头为控制电路的电源及取样抽头。
市电电压正常时,因C点电压始终为3V(即R1降压DW稳压所得),A、B点均大于3V,故A1、A2(lm358芯片)输出低电平;当市电电压下降时,5、6头的电压也随之下降,A点电压也跟着下降,当A点电压下降到低于3V时,A1输出高电平,使三极管V1饱和导通,继电器K1吸合,将调压器输出调于1、3头;当市电电压继续下降时,同理B点电压低于3V时,(VA 反之,如果电压升高时,B点电压也随之升高,当B点电压高于3V时,A2输出低电平,V2截止,H2释放,输出端调至1、3头;当市电电压继续升高时,A点电压高于3V,A1输出低电平,V1截止,K1释放,输出端调至1、2头。
A1、A2为运放,在这里作电压比较器用;IC1为三端稳压块,它为运放及继电器提供供电电源;VD5、VD6为保护二极管。
LM358典型应用电路图
图4 LM358组成的直流耦合低通RC有源滤波器
图5 LM358组成的LED驱动器
图6 LM358组成的TTL驱动电路
图7 LM358组成的RC有源带通滤波器
图8 LM358组成的方波发生器
图9 滞后比较器
图10 带通有源滤波器
图11 灯驱动程序
图12 电流*器
图13 低漂移峰值检测器
图14 电压跟随器
图15 功率放大器外围电路
图16 LM358电压控制振荡器VCO
图17 固定电流源
图18 脉冲发生器
图19 交流耦合反相放大器
图20 交流耦合非反相放大器
图21 可调增益仪表放大器
图22 直流放大器
图23脉冲发生器
图24 桥式电流放大器
图25 引用差分输入信号
图26 直流差动放大器
本文来自: 原文网址:/info/commonIC/0082527.html 。
LM358中文资料及应用电路LM358中文资料LM358内部包括有两个独立的、高增益、内部频率补偿的双运算放大器,适合于电源电压范围很宽的单电源使用,也适用于双电源工作模式,在推荐的工作条件下,电源电流与电源电压无关。
它的使用范围包括传感放大器、直流增益模组,音频放大器、工业控制、DC增益部件和其他所有可用单电源供电的使用运算放大器的场合。
LM358特性(Features):*内部频率补偿。
*直流电压增益高(约100dB) 。
*单位增益频带宽(约1MHz) 。
*电源电压范围宽:单电源(3—30V);双电源(±1.5一±15V) 。
*低功耗电流,适合于电池供电。
*低输入偏流。
*低输入失调电压和失调电流。
*共模输入电压范围宽,包括接地。
*差模输入电压范围宽,等于电源电压范围。
*输出电压摆幅大(0至Vcc-1.5V) 。
LM358主要参数输入偏置电流45 nA输入失调电流50 nA输入失调电压2.9mV输入共模电压最大值VCC~1.5 V共模抑制比80dB电源抑制比100dBLM358引脚图LM358的封装形式有塑封8引线双列直插式和贴片式。
图1 DIP塑封引脚图引脚功能图2 圆形金属壳封装管脚图LM358内部结构图图3 内部电路原理图LM358应用电路图:图4 直流耦合低通RC有源滤波器图5 LED驱动器图6 TTL驱动电路图7 RC有源带通滤波器图8 Squarewave振荡器图9 滞后比较器图10 带通有源滤波器LM358典型应用电路图图4 LM358组成的直流耦合低通RC有源滤波器路图7 LM358组成的RC有源带通滤波器较器有源滤波器图13 低漂移峰值检测器电压跟随器电路图16 LM358电压控制振荡器VCO图17 固定电流源图19 交流耦合反相放大器图20 交流耦合非反相放大器1 可调增益仪表放大器图22 直流放大器桥式电流放大器。
lm358恒流源电路lm358电路原理图LM358内部包括有两个独立的、高增益、内部频率补偿的双运算放大器,适合于电源电压范围很宽的单电源使用,也适用于双电源工作模式,在推荐的工作条件下,电源电流与电源电压无关。
它的使用范围包括传感放大器、直流增益模块和其他所有可用单电源供电的使用运算放大器的场合。
LM358的封装形式有塑封8引线双列直插式和贴片式。
红外线探测报警器该报警器能探测人体发出的红外线,当人进入报警器的监视区域内,即可发出报警声,适用于家庭、办公室、仓库、实验室等比较重要场合防盗报警。
该装置电路原理见图1。
由红外线传感器、信号放大电路、电压比较器、延时电路和音响报警电路等组成。
红外线探测传感器IC1探测到前方人体辐射出的红外线信号时,由IC1的②脚输出微弱的电信号,经三极管VT1等组成第一级放大电路放大,再通过C2输入到运算放大器IC2中进行高增益、低噪声放大,此时由IC2①脚输出的信号已足够强。
IC3作电压比较器,它的第⑤脚由R10、VD1提供基准电压,当IC2①脚输出的信号电压到达IC3的⑥脚时,两个输入端的电压进行比较,此时IC3的⑦脚由原来的高电平变为低电平。
IC4为报警延时电路,R14和C6 组成延时电路,其时间约为1 分钟。
当IC3的⑦脚变为低电平时,C6通过VD2放电,此时IC4的②脚变为低电平,它与IC4的③脚基准电压进行比较,当它低于其基准电压时,IC4的①脚变为高电平,VT2导通,讯响器BL通电发出报警声。
人体的红外线信号消失后,IC3的⑦脚又恢复高电平输出,此时VD2截止。
由于C6两端的电压不能突变,故通过R14向C6缓慢充电,当C6两端的电压高于其基准电压时,IC4的①脚才变为低电平,时间约为1分钟,即持续1分钟报警。
由VT3、R20、C8组成开机延时电路,时间也约为1 分钟,它的设置主要是防止使用者开机后立即报警,好让使用者有足够的时间离开监视现场,同时可防止停电后又来电时产生误报。
LM358应用电路资料及引脚图LM358是常用的双运放,这里我们介绍一下他的一些资料以及简单电路应用等,有什么问题请去电子论坛.简介:LM358里面包括有两个高增益、独立的、内部频率补偿的双运放,适用于电压范围很宽的单电源,而且也适用于双电源工作方式,它的应用范围包括传感放大器、直流增益模块和其他所有可用单电源供电的使用运放的地方使用。
lm358引脚图及引脚功能LM358封装有塑封8引线双列直插式和贴片式两种。
LM358的特点:. 内部频率补偿. 低输入偏流. 低输入失调电压和失调电流. 共模输入电压范围宽,包括接地. 差模输入电压范围宽,等于电源电压范围. 直流电压增益高(约100dB). 单位增益频带宽(约1MHz). 电源电压范围宽:单电源(3—30V);. 双电源(±1.5 一±15V). 低功耗电流,适合于电池供电. 输出电压摆幅大(0 至Vcc-1.5V)LM358稳压电路制作电路原理:本稳压器的核心器件采用LM358。
电路原理如下图所示。
它主要由供电、基准电压、电压取样比较等组成。
LM358稳压电路应用:市电从变压器的1、2头输入,3、4头为自耦调压抽头,5、6头为控制电路的电源及取样抽头。
市电电压正常时,因C点电压始终为3V(即R1降压DW稳压所得),A、B点均大于3V,故A1、A2(lm358芯片)输出低电平;当市电电压下降时,5、6头的电压也随之下降,A点电压也跟着下降,当A点电压下降到低于3V时,A1输出高电平,使三极管V1饱和导通,继电器K1吸合,将调压器输出调于1、3头;当市电电压继续下降时,同理B点电压低于3V 时,(V A 反之,如果电压升高时,B点电压也随之升高,当B点电压高于3V时,A2输出低电平,V2截止,H2释放,输出端调至1、3头;当市电电压继续升高时,A点电压高于3V,A1输出低电平,V1截止,K1释放,输出端调至1、2头。
A1、A2为运放,在这里作电压比较器用;IC1为三端稳压块,它为运放及继电器提供供电电源;VD5、VD6为保护二极管。
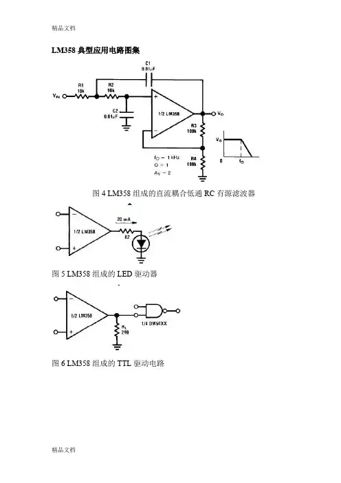
LM358典型应用电路图集
图4 LM358组成的直流耦合低通RC有源滤波器
图5 LM358组成的LED驱动器
图6 LM358组成的TTL驱动电路
图7 LM358组成的RC有源带通滤波器
图8 LM358组成的方波发生器
图9 滞后比较器
图10 带通有源滤波器
图11 灯驱动程序
图12 电流*器
图13 低漂移峰值检测器
图14 电压跟随器
图15 功率放大器外围电路
图16 LM358电压控制振荡器VCO
图17 固定电流源
图18 脉冲发生器
图19 交流耦合反相放大器
图20 交流耦合非反相放大器
图21 可调增益仪表放大器
图22 直流放大器
图23脉冲发生器
图24 桥式电流放大器
图25 引用差分输入信号
图26 直流差动放大器。
文档来源为:从网络收集整理.word版本可编辑.欢迎下载支持.
lm358应用电路图
图1 直流耦合低通RC有源滤波器
图2 LED驱动器图3 TTL驱动电路
图4 RC有源带通滤波器
图5 Squarewave振荡器图6 滞后比较器
图7 带通有源滤波器
图8 灯驱动程序图9 电流监视器
图10 低漂移峰值检测器
图11 电压跟随器图12 功率放大器外围电路
图13 电压控制振荡器VCO
图14 固定电流源图15 脉冲发生器
图16 交流耦合反相放大器
图17 交流耦合非反相放大器
图18 可调增益仪表放大器
图19 直流放大器图20脉冲发生器图21 桥式电流放大器图22 引用差分输入信号
图23 直流差动放大器
1。
LM358 应用电路资料及引脚图LM358是常用的双运放,这里我们介绍一下他的一些资料以及简单电路应用等,有什么问题请去电子论坛.简介:LM358里面包括有两个高增益、独立的、内部频率补偿的双运放,适用于电压范围很宽的单电源,而且也适用于双电源工作方式,它的应用范围包括传感放大器、直流增益模块和其他所有可用单电源供电的使用运放的地方使用。
lm358引脚图及引脚功能LM358封装有塑封8引线双列直插式和贴片式两种。
LM358的特点:. 内部频率补偿. 低输入偏流. 低输入失调电压和失调电流. 共模输入电压范围宽,包括接地. 差模输入电压范围宽,等于电源电压范围. 直流电压增益高(约100dB). 单位增益频带宽(约1MHz). 电源电压范围宽:单电源(3—30V);. 双电源(±1.5 一±15V). 低功耗电流,适合于电池供电. 输出电压摆幅大(0 至Vcc-1.5V)lm358 pdf资料:下载LM358 pdf资料下载LM358中文资料lm358稳压电路制作电路原理:本稳压器的核心器件采用LM358。
电路原理如下图所示。
它主要由供电、基准电压、电压取样比较等组成。
lm358稳压电路应用市电从变压器的1、2头输入,3、4头为自耦调压抽头,5、6头为控制电路的电源及取样抽头。
市电电压正常时,因C点电压始终为3V(即R1降压DW稳压所得),A、B点均大于3V,故A1、A2(lm358芯片)输出低电平;当市电电压下降时,5、6头的电压也随之下降,A点电压也跟着下降,当A点电压下降到低于3V时,A1输出高电平,使三极管V1饱和导通,继电器K1吸合,将调压器输出调于1、3头;当市电电压继续下降时,同理B点电压低于3V时,(VA 反之,如果电压升高时,B点电压也随之升高,当B点电压高于3V时,A2输出低电平,V2截止,H2释放,输出端调至1、3头;当市电电压继续升高时,A点电压高于3V,A1输出低电平,V1截止,K1释放,输出端调至1、2头。
LM358应用电路资料及引足图之阳早格格创做LM358是时常使用的单运搁,那里咱们介绍一下他的一些资料以及简朴电路应用等,有什么问题请去电子论坛.简介:LM358内里包罗有二个下删益、独力的、内里频次补偿的单运搁,适用于电压范畴很宽的单电源,而且也适用于单电源处事办法,它的应用范畴包罗传感搁大器、曲流删益模块战其余所有可用单电源供电的使用运搁的场合使用.lm358引足图及引足功能LM358启拆有塑启8引线单列曲插式战揭片式二种.LM358的特性:. 内里频次补偿. 矮输进偏偏流. 矮输进仄衡电压战仄衡电流. 共模输进电压范畴宽,包罗交天. 好模输进电压范畴宽,等于电源电压范畴. 曲流电压删益下(约100dB). 单位删益频戴宽(约1MHz). 电源电压范畴宽:单电源(3—30V);. 单电源(±1.5 一±15V). 矮功耗电流,符合于电池供电. 输出电压晃幅大(0 至Vcc-1.5V)LM358稳压电路创造电路本理:本稳压器的核心器件采与LM358.电路本理如下图所示.它主要由供电、基准电压、电压与样比较等组成.LM358稳压电路应用:市电从变压器的1、2头输进,3、4头为自耦调压抽头,5、6头为统造电路的电源及与样抽头.市电电压仄常时,果C面电压末究为3V(即R1落压DW稳压所得),A、B面均大于3V ,故A1、A2(lm358芯片)输出矮电仄;当市电电压下落时,5、6头的电压也随之下落,A 面电压也跟着下落,当A面电压下落到矮于3V时,A1输出下电仄,使三极管V1鼓战导通,继电器K1吸合,将调压器输出调于1、3头;当市电电压继承下落时,共理B面电压矮于3V时,(VA反之,如果电压降下时,B面电压也随之降下,当B面电压下于3V时,A2输出矮电仄,V2停止,H2释搁,输出端调至1、3头;当市电电压继承降下时,A面电压下于3V,A1输出矮电仄,V1停止,K1释搁,输出端调至1、2头.A1、A2为运搁,正在那里做电压比较器用;IC1为三端稳压块,它为运搁及继电器提供供电电源;VD5、VD6为呵护二极管.lm358白中探测报警器创造.该报警器的核心部件采与LM358,他能探测人体收出的白中线,当人加进报警器的监视天区内,即可收出报警声,适用于家庭、办公室、堆栈、真验室等比较要害场合防匪报警.电路本理如下:LM358应用电路由白中线传感器、旗号搁大电路、电压比较器、延时电路战声响报警电路等组成.白中线探测传感器IC1 探测到前圆人体辐射出的白中线旗号时,由IC1的②引足输出微小的电旗号,经三极管VT1 等组成第一级搁大电路搁大,再通过C2输进到运搁IC2(lm358)中举止下删益、矮噪声搁大,此时由IC2①引足输出的旗号已足够强.IC3 (LM358)做电压比较器,它的第⑤引足由R10、VD1提供基准电压,当IC2①引足输出的旗号电压到达IC3 的⑥引足时,二个输进端的电压举止比较,此时IC3的⑦引足由本去的下电仄形成矮电仄.IC4(LM358)为报警延时电路,R14 战C6 组成延时电路,其时间约为1 分钟.当IC3的⑦引足形成矮电通常,C6 通过VD2 搁电,此时IC4 的②引足形成矮电仄,它与IC4的③引足基准电压举止比较,当它矮于其基准电压时IC4 的①引足形成下电仄,VT2导通,讯响器BL 通电收出报警声.人体的白中线旗号消得后,IC3 的⑦引足又回复下电仄输出,此时VD2 停止.由于C6二端的电压没有克没有及突变,故通过R14 背C6 缓缓充电,当C6二端的电压下于其基准电压时,IC4 的①引足才形成矮电仄,时间约为1 分钟,即持绝1分钟报警.那是一个典型的lm358应用电路,期视大家正在此器件使用中,举一反3,收挖出更多有用的电路去.由VT3、R20 、C8 组成启机延时电路,时间也约为1 分钟,它的树坐主假如预防使用者启机后坐时报警,佳让使用者有足够的时间离启监视现场,共时可预防停电后又复电时爆收误报.元件采用与电路创造元器件浑单:编号称呼型号数量编号称呼型号数量R1 电阻47K 1 C10 电解电容470u/25V 1R2 电阻1M 1 C11 涤纶电容0.1u 1R3 电阻1K 1 VD1-VD5 整流二极管IN4001 5R4 电阻 4.7K 1 U 齐桥2A/50V 1R5 R6 R9 R12 R13R15 电阻100K (R12 为线性微调电阻) 6 VT1 晶体三极管9014 1R7 R10 R11 R17 电阻10K 4 VT2 晶体三极管MPSA13 0.5A 30V 1R8、R16 电阻300K 2 VT3 晶体三极管8050 1R14电阻470K 1 IC1 白中线传感器Q74 1R18 电阻2.4K 1 IC2 运搁LM358 1R19电阻220Ω 1 IC3 比较器LM393 1R20 电阻560K 1 IC4 三端稳压器78L06 1C1C2 C6 C8 C9 电解电容47u/16V (C2 、C5 用钽电解)5 BL 电磁讯响器U=12V 1C3 C5电解电容22u/16V 2 T 电源变压器12V 5W 1C4 涤纶电容0.01u 1 S 钮子启闭1C7电解电容220u/16V1本机固态处事电流约10mA,交通电源约1分钟后加进守候状态,只消有人加进监视区便会报警,人离启后约1分钟停止报警.如果将讯响器改为继电器启动其余拆置即动做其余统造用.拆置无误,交上电源举止调试,让一部分正在探测器前圆7-10m处往去,安排电路中的R12 ,使讯响器报警即可.其余部分只消元器件品量良佳且焊交无误,险些没有必调试即可仄常处事.。
LM358应用电路资料及引脚图之欧侯瑞魂创作时间:二O二一年七月二十九日LM358是经常使用的双运放,这里我们介绍一下他的一些资料以及简单电路应用等,有什么问题请去电子论坛.简介:LM358里面包含有两个高增益、独立的、内部频率抵偿的双运放,适用于电压范围很宽的单电源,而且也适用于双电源工作方式,它的应用范围包含传感放大器、直流增益模块和其他所有可用单电源供电的使用运放的地方使用。
lm358引脚图及引脚功能LM358封装有塑封8引线双列直插式和贴片式两种。
LM358的特点:. 内部频率抵偿. 低输入偏流. 低输入失调电压和失调电流. 共模输入电压范围宽,包含接地. 差模输入电压范围宽,等于电源电压范围. 直流电压增益高(约100dB). 单位增益频带宽(约1MHz). 电源电压范围宽:单电源(3—30V);. 双电源(±1.5 一±15V). 低功耗电流,适合于电池供电. 输出电压摆幅大(0 至Vcc-1.5V)LM358稳压电路制作电路原理:本稳压器的核心器件采取LM358。
电路原理如下图所示。
它主要由供电、基准电压、电压取样比较等组成。
LM358稳压电路应用:市电从变压器的1、2头输入,3、4头为自耦调压抽头,5、6头为控制电路的电源及取样抽头。
市电电压正常时,因C点电压始终为3V(即R1降压DW稳压所得),A、B点均大于3 V,故A1、A2(lm358芯片)输出低电平;当市电电压下降时,5、6头的电压也随之下降,A点电压也跟着下降,当A点电压下降到低于3V时,A1输出高电平,使三极管V1饱和导通,继电器K1吸合,将调压器输出调于1、3头;当市电电压继续下降时,同理B点电压低于3V时,(VA反之,如果电压升高时,B点电压也随之升高,当B点电压高于3V时,A2输出低电平,V2截止,H2释放,输出端调至1、3头;当市电电压继续升高时,A点电压高于3V,A1输出低电平,V1截止,K1释放,输出端调至1、2头。
该装置电路原理见图1。
由红外线传感器、信号放大电路、电压比较器、延时电路和音响报警电路等
组成。
红外线探测传感
器IC1探测到前方人体辐射出的红外线信号时,由IC1的②脚输出微弱的电信号,经三极管VT1等组成第一级放大电路放大,再通过C2输入到运算放大器IC2中进行高增益、低噪声放大,此时由IC2
①脚输出的信号已足够强。
IC3作电压比较器,它
的第⑤脚由R10、VD1提供基准电压,当IC2①脚输出的信号电压到达IC3的⑥脚时,两个输入端
的电压进行比较,此时IC3
的⑦脚由原来的高电平变为低电平。
IC4为报警延时电路,R14和C6组成延时电路,其时间约为1
分钟。
当IC3的⑦脚变为
低电平时,C6通过VD2放电,此时IC4的②脚变为低电平,它与IC4的③脚基准电压进行比较,
当它低于其基准电压时,
IC4的①脚变为高电平,VT2导通,讯响器BL通电发出报警声。
人体的红外线信号消失后,IC3的
⑦脚又恢复高电平输出,
此时VD2截止。
由于C6两端的电压不能突变,故通过R14向C6缓慢充电,当C6两端的电压高
于其基准电压时,IC4的①
脚才变为低电平,时间约为1分钟,即持续1分钟报警。
由VT3、R20、C8组成开机延时电路,时间也约为1分钟,它的设置主要是防止使用者开机后立
即报警,好让使用者有
足够的时间离开监视现场,同时可防止停电后又来电时产生误报。
该装置采用9-12V直流电源供电,由T降压,全桥U整流,C10滤波,检测电路采用IC578L06
供电。
本装置交直流
两用,自动无间断转换。
LM358应用电路资料及引脚图LM358是常用的双运放,这里我们介绍一下他的一些资料以及简单电路应用等,有什么问题请去电子论坛.简介:LM358里面包括有两个高增益、独立的、内部频率补偿的双运放,适用于电压范围很宽的单电源,而且也适用于双电源工作方式,它的应用范围包括传感放大器、直流增益模块和其他所有可用单电源供电的使用运放的地方使用。
lm358引脚图及引脚功能LM358封装有塑封8引线双列直插式和贴片式两种。
LM358的特点:. 内部频率补偿. 低输入偏流. 低输入失调电压和失调电流. 共模输入电压范围宽,包括接地. 差模输入电压范围宽,等于电源电压范围. 直流电压增益高(约100dB). 单位增益频带宽(约1MHz). 电源电压范围宽:单电源(3—30V);. 双电源(± 一±15V). 低功耗电流,适合于电池供电. 输出电压摆幅大(0 至LM358稳压电路制作电路原理:本稳压器的核心器件采用LM358。
电路原理如下图所示。
它主要由供电、基准电压、电压取样比较等组成。
LM358稳压电路应用:市电从变压器的1、2头输入,3、4头为自耦调压抽头,5、6头为控制电路的电源及取样抽头。
市电电压正常时,因C点电压始终为3V(即R1降压DW稳压所得),A、B点均大于3V,故A1、A2(lm358芯片)输出低电平;当市电电压下降时,5、6头的电压也随之下降,A点电压也跟着下降,当A点电压下降到低于3V时,A1输出高电平,使三极管V1饱和导通,继电器K1吸合,将调压器输出调于1、3头;当市电电压继续下降时,同理B点电压低于3V时,(VA 反之,如果电压升高时,B点电压也随之升高,当B点电压高于3V时,A2输出低电平,V2截止,H2释放,输出端调至1、3头;当市电电压继续升高时,A点电压高于3V,A1输出低电平,V1截止,K1释放,输出端调至1、2头。
A1、A2为运放,在这里作电压比较器用;IC1为三端稳压块,它为运放及继电器提供供电电源;VD5、VD6为保护二极管。
LM358反相输入式放大电路图文分析
LM358 应用电路如下图3.6(a), 图3.6(b)为输出波形。
输入为第一通道,输出为第二通道。
该电路为反相输入式放大电路,输入信号经R 1加入反相输入端,R F 称为反馈电阻,同相输入端电阻 R 2用于保持运放的静态平衡,要求 R 2=R 1∥R F ,R 2称为平衡电阻。
通道1,输入信号通道2,输出信号
图3.6 反相输入式放大电路(multisim)
由于集成运放工作在线性区,根据虚断i -=i +=0,即流过R 2的电流为零,则 u -=u +=0,说明反相端虽然没有直接接地,但其电位为地电位,相当于接地,是虚假接地,故简称为“虚地”。
虚地是反相输入式放大电路的重要特点。
利用基尔霍夫电流定律,有
1-F f i =i +i i ≈
01i F
u u u u R R ----≈ 则输出电压为:1
F o i R u u R =- 由此得到反相输入运算放大电路的电压放大倍数为
1
o F uf i u R A u R ==- 式中,A uf 是反相输入式放大电路的电压放大倍数。
由上可知,反相输入式放大电路中,输入信号电压 U i 和输出信号电压U o 的相位相反,大小成比例关系,比例系数为R F /R 1,可以直接作为比例运算放大器。
当R F =R 1时,A uf =-1,即输出电压和输入电压的大小相等、相位相反,此电路称为反相器。
lm358 pdf应用电路资料及引脚图LM358是常用的双运放,这里我们介绍一下他的一些资料以及简单电路应用等,有什么问题请去电子论坛.简介:LM358里面包括有两个高增益、独立的、内部频率补偿的双运放,适用于电压范围很宽的单电源,而且也适用于双电源工作方式,它的应用范围包括传感放大器、直流增益模块和其他所有可用单电源供电的使用运放的地方使用。
〈lm358引脚图及引脚功能〉LM358封装有塑封8引线双列直插式和贴片式两种。
LM358的特点:. 内部频率补偿. 低输入偏流. 低输入失调电压和失调电流. 共模输入电压范围宽,包括接地. 差模输入电压范围宽,等于电源电压范围. 直流电压增益高(约100dB). 单位增益频带宽(约1MHz). 电源电压范围宽:单电源(3—30V);. 双电源(±1.5 一±15V). 低功耗电流,适合于电池供电. 输出电压摆幅大(0 至Vcc-1.5V)lm358 pdf资料:下载LM358 pdf资料下载LM358中文资料lm358稳压电路制作电路原理:本稳压器的核心器件采用LM358。
电路原理如下图所示。
它主要由供电、基准电压、电压取样比较等组成。
<lm358稳压电路应用>市电从变压器的1、2头输入,3、4头为自耦调压抽头,5、6头为控制电路的电源及取样抽头。
市电电压正常时,因C点电压始终为3V(即R1降压DW稳压所得),A、B点均大于3V,故A1、A2(lm358芯片)输出低电平;当市电电压下降时,5、6头的电压也随之下降,A点电压也跟着下降,当A点电压下降到低于3V时,A1输出高电平,使三极管V1饱和导通,继电器K1吸合,将调压器输出调于1、3头;当市电电压继续下降时,同理B点电压低于3V时,(VA 反之,如果电压升高时,B点电压也随之升高,当B点电压高于3V时,A2输出低电平,V2截止,H2释放,输出端调至1、3头;当市电电压继续升高时,A点电压高于3V,A1输出低电平,V1截止,K1释放,输出端调至1、2头。
LM358 内部包括有两个独立的、高增益、内部频率补偿的双运算放大器,适合于电源电压范围很宽的单电源使用,也适用于双电源工作模式,在推荐的工作条件下,电源电流与电源电压无关。
它的使用范围包括传感放大器、直流增益模块和其他所有可用单电源供电的使用运算放大器的场合。
LM358 的封装形式有塑封8引线双列直插式、贴片式和圆形金属壳封装等。
图14 电压跟随器图15 功率放大器外围电路
图16 电压控制振荡器VCO
lm358应用电路图
来源:| 时间:2010年05月06日
图4 直流耦合低通RC有源滤波器
图5 LED驱动器图6 TTL驱动电路
图7 RC有源带通滤波器
图8 Squarewave振荡器图9 滞后比较器
图10 带通有源滤波器
图11 灯驱动程序图12 电流监视器
图13 低漂移峰值检测器
图14 电压跟随器图15 功率放大器外围电路
图16 电压控制振荡器VCO
图17 固定电流源图18 脉冲发生器
图19 交流耦合反相放大器图20 交流耦合非反相放大器
图21 可调增益仪表放大器
图22 直流放大器图23脉冲发生器
图24 桥式电流放大器图25 引用差分输入信号
图26 直流差动放大器
LED-闪光器电路图
来源:| 时间:2010年05月06日
图1 可以用一只双色发光二极管的闪光电路图2 用二只发光二极管的闪光电路
图3 分立元件的LED闪光器电路图
图4 分立元件的LED闪光器路(负反馈型,稳定性好)电源抑制比100dB
图1 DIP 塑封引脚图引脚功能
图2 圆形金属壳封装管脚图
图3 内部电路原理图
LM358应用电路图:
图4 直流耦合低通RC有源滤波器
图5 LED驱动
器
图6 TTL驱动电路
图7 RC有源带通滤波器
图8 Squarewave振荡
器
图9 滞后比较器
图10 带通有源滤波器
图11 灯驱动程
序图12 电流监视器
图13 低漂移峰值检测器
图14 电压跟随器
图15 功率放大器外围电路
图16 电压控制振荡器VCO
图17 固定电流源
图18 脉冲发生器
图19 交流耦合反相放大器
图20 交流耦合非反相放大器
图21 可调增益仪表放大器
图22 直流放大
器
图23脉冲发生器
图24 桥式电流放大
器
图25 引用差分输入信号
lm358应用电路
2010-06-01 09:21:30| 分类:电路原理分析| 标签:|举报|字号大中小订阅
lm358恒流源电路
lm358电路原理图
LM358内部包括有两个独立的、高增益、内部频率补偿的双运算放大器,适合于电源电压范围很宽的单电源使用,也适用于双电源工作模式,在推荐的工作条件下,电源电流与电源电压无关。
它的使用范围包括传感放大器、直流增益模块和
其他所有可用单电源供电的使用运算放大器的场合。
LM358的封装形式有塑封8引线双列直插式和贴片式。
红外线探测报警器
该报警器能探测人体发出的红外线,当人进入报警器的监视区域内,即可发出报警声,适用于家庭、办公室、仓库、
实验室
等比较重要场合防盗报警。
该装置电路原理见图1。
由红外线传感器、信号放大电路、电压比较器、延时电路和音响报警电路等组成。
红外线探
测传感
器IC1探测到前方人体辐射出的红外线信号时,由IC1的②脚输出微弱的电信号,经三极管VT1等组成第一级放大电路放大,再通过C2输入到运算放大器IC2中进行高增益、低噪声放大,此时由IC2①脚输出的信号已足够强。
IC3作
电压比较器,它
的第⑤脚由R10、VD1提供基准电压,当IC2①脚输出的信号电压到达IC3的⑥脚时,两个输入端的电压进行比较,
此时IC3
的⑦脚由原来的高电平变为低电平。
IC4为报警延时电路,R14和C6 组成延时电路,其时间约为1 分钟。
当IC3
的⑦脚变为
低电平时,C6通过VD2放电,此时IC4的②脚变为低电平,它与IC4的③脚基准电压进行比较,当它低于其基准电
压时,
IC4的①脚变为高电平,VT2导通,讯响器BL通电发出报警声。
人体的红外线信号消失后,IC3的⑦脚又恢复高电
平输出,
此时VD2截止。
由于C6两端的电压不能突变,故通过R14向C6缓慢充电,当C6两端的电压高于其基准电压时,
IC4的①
脚才变为低电平,时间约为1分钟,即持续1分钟报警。
由VT3、R20、C8组成开机延时电路,时间也约为1 分钟,它的设置主要是防止使用者开机后立即报警,好让使
用者有
足够的时间离开监视现场,同时可防止停电后又来电时产生误报。
该装置采用9-12V直流电源供电,由T降压,全桥U整流,C10滤波,检测电路采用IC5 78L06供电。
本装置
交直流
两用,自动无间断转换。