叉车设计参数和性能
- 格式:doc
- 大小:57.50 KB
- 文档页数:6
45吨集装箱重箱作业叉车技术参数
1.承载能力:45吨
2.起升高度:4米
3.叉长:2.5米
4.后倾角度:10度
5.轮胎类型:固胎或气胎
6.发动机类型:柴油发动机
7.驾驶室设计:开放式或封闭式
8.安全装置:重载警报器、倒车摄像头等
为了确保操作的安全性,45吨集装箱重箱作业叉车通常配备了重载
警报器、倒车摄像头和其他安全装置。
重载警报器可以在超载时发出警报,提醒操作员采取相应的措施。
倒车摄像头可以提供后方视野,确保操作的
安全。
以上是关于45吨集装箱重箱作业叉车的技术参数的详细介绍。
这些
参数可以根据实际需求进行调整和定制,以满足不同工作场所的要求。
作
为重型叉车设备,45吨集装箱重箱作业叉车在物流和货运行业中发挥着
重要的作用,提高了装卸效率和工作安全性。
3.0吨叉车尺寸规格参数
一般来说,叉车的尺寸规格参数会因制造商和具体型号而有所
不同。
然而,我可以就一般情况下3.0吨叉车的尺寸规格参数进行
回答。
首先,3.0吨叉车的尺寸通常包括长度、宽度、高度和轴距等
参数。
长度一般在4米到5米之间,宽度大约在1.5米到2米之间,高度则在2米到3米左右,轴距一般在2米左右。
这些尺寸参数是
基本的参考数值,实际情况会因制造商和具体型号的不同而有所差异。
其次,叉车的起升高度也是重要的规格参数之一,3.0吨叉车
的起升高度一般在3米到6米之间,这取决于具体的工作需求和叉
车的设计。
另外,叉车的转弯半径也是需要考虑的参数,这会影响到叉车
在狭窄空间内的操作灵活性。
一般来说,3.0吨叉车的转弯半径在3
米到5米左右。
除此之外,还有一些其他的规格参数,比如最大爬坡度、最小
离地间隙、最小转向半径等,这些参数也会对叉车的实际使用产生
影响。
总的来说,3.0吨叉车的尺寸规格参数涵盖了长度、宽度、高度、起升高度、转弯半径等多个方面,这些参数需要根据具体的工
作场景和需求进行综合考虑,以确保叉车能够满足实际的使用要求。
叉车设计参数和性能叉车是一种用于搬运和堆垛物品的物流设备,其设计参数和性能直接影响到其工作效率和安全性。
下面将详细介绍叉车的设计参数和性能。
一、设计参数1.载重量:叉车的最大载重量是一个重要的设计参数,通常以公斤为单位进行标注。
不同型号的叉车载重量有所不同,从几百公斤到几吨不等。
2.载重中心:叉车的载重中心是指将货物放置在叉臂上的位置。
一般来说,叉车的载重中心是叉臂自身的中心位置。
如果货物放置的位置不在叉车的载重中心上,会对叉车产生额外的负荷和不稳定性。
3.起升高度:叉车的起升高度是指叉臂能够将物品抬升到的最高位置。
起升高度一般是以米为单位进行标注,不同型号的叉车起升高度也有所不同。
4.车架尺寸:叉车的车架尺寸决定了其整体结构的稳定性和灵活性。
车架过长或过宽会影响叉车的操纵性能和通过狭窄通道的能力。
5.机动性:叉车的机动性是指其在狭小空间中的转向半径和灵活性。
机动性取决于叉车的轴距、轮胎类型和转向系统等因素。
6.电池容量:对于电动叉车而言,电池容量是一个重要的设计参数。
电池容量决定了叉车的工作时间和运行里程。
7.速度:叉车的速度指的是其行驶和提升的最高速度。
行驶速度通常以千米/小时或米/秒为单位进行标注,提升速度以米/秒为单位标注。
二、性能指标1.起升性能:叉车的起升性能包括最大起升高度、起升速度和最大起升重量。
这些指标影响了叉车的堆垛能力和作业效率。
2.行驶性能:叉车的行驶性能包括最大行驶速度、加速度和制动距离。
这些指标决定了叉车的行驶效率和安全性。
3.转向性能:叉车的转向性能包括转向半径和转向速度。
这些指标影响了叉车的机动性和操纵灵活性。
4.能源消耗:叉车的能源消耗是评估其能效的重要指标。
通常以每小时消耗的燃油或电能为单位进行标注。
5.噪音级别:叉车的噪音级别是指其运行时产生的噪音水平,通常以分贝为单位进行标注。
降低噪音级别有利于提供一个安静的工作环境。
6.安全性能:叉车的安全性能是评估其安全性的指标,包括制动系统、防护装置和紧急停车装置等。
叉车的总体设计叉车的用户范围极为广泛,规格品种很多,为便于组织批量生产和维修保养,要求叉车的设计在一定的规格范围内零部件的通用化、标准化程度程度很高。
叉车的设计一般采用成组设计。
成组设计是揭示和利用事物间的相似性按照一定的准则分类成组,同组事物能够采用同一方法进行处理以方便提高经济效益。
以叉车的额定起重量作为主要参数,取一段重量范围作为一组,在一组内不同动力和传动形式的叉车其主要零部件要具有很高的通用性。
1、通用化、互换性性设计性能要求是同一吨位级中,起重量最大的产品有足够的动力性能和结构强度,起重量小的产品要有合理的机动性。
结构要求是统一吨位级中零部件最大限度达到通用,不同品种主要零部件主要零部件具有互换性,即最大限度统一零部件尺寸。
2.、叉车主要性能参数和结构参数设计的主要依据为动力学性能。
机械性能、和稳定性。
动力学性能主要叉车的运动速度、爬坡度(加速性能)和起升速度。
机动性能主要是叉车的外形尺寸、轴距、轮距、最小转弯半径等。
稳定性能参数主要是主要考虑前悬距、轴距、轮距和自重。
机动性能、动力性能和稳定性能的影响是相辅相成、相互制约的,所以要综合考虑。
当前悬距减小时可使叉车外形尺寸小,自重量减小,机动性和稳定性提高,但它受到前轮、驱动桥、工作装置、制动装置等尺寸的制约。
3、叉车功率的确定叉车的动力需求为叉车的叉车的驱动力和工作装置动力(举升机构、转向机构)工作装置所需功率一般为行驶功率的2/3,故选则功率时只需按行驶的需求确定。
内燃机叉车动力由发动机提供,而电动叉车的动力则由电瓶提供。
因此设计时,内燃机叉车在牵引运动时对发动机功率所需功率大小通常以高速档的动力因数来估算,且蓄电池电动叉车的牵引力计算时按。
内燃平衡重式叉车技术参数及数量一辆
技术参数:
1.车辆尺寸:内燃平衡重式叉车通常具有较大的尺寸,以提供更强的承载能力。
一辆典型内燃平衡重式叉车的整体长度通常在3-5米之间,整体宽度在1.5-
2.5米之间,整体高度在2-4米之间。
尺寸会根据具体型号和生产厂家的不同而有所变化。
2.承载能力:内燃平衡重式叉车通常具有较高的承载能力,可以用于搬运各种重型货物。
一辆内燃平衡重式叉车的最大承载能力通常为10-50吨之间,具体承载能力会根据不同型号和需求进行调整。
3.作业能力:内燃平衡重式叉车具有高效的作业能力,可以在短时间内完成大量货物的搬运和堆垛任务。
一辆典型的内燃平衡重式叉车的最大起升高度通常在4-8米之间,最大起升速度通常在0.3-0.7米/秒之间,最大行驶速度通常在20-35公里/小时之间。
4.燃料类型:内燃平衡重式叉车通常使用柴油或天然气作为燃料。
柴油燃料具有较高的能量密度和稳定性,适用于长时间连续作业。
天然气燃料则较为环保,产生的废气排放量低,适用于室内和敏感环境的作业。
5.数量:根据具体的作业需求和货物运输量,内燃平衡重式叉车的数量可以有所变化。
一般情况下,为了保证作业的连续性和效率,至少需要一辆内燃平衡重式叉车。
对于大型物流企业或仓储中心,可能需要多辆内燃平衡重式叉车来满足大规模的货物运输和堆垛需求。
综上所述,一辆典型的内燃平衡重式叉车具有较大的尺寸、高承载能力和作业能力,通常使用柴油或天然气作为燃料。
内燃平衡重式叉车的数
量会因作业需求和货物运输量的不同而有所变化,至少需要一辆以保证作业的连续性和效率。
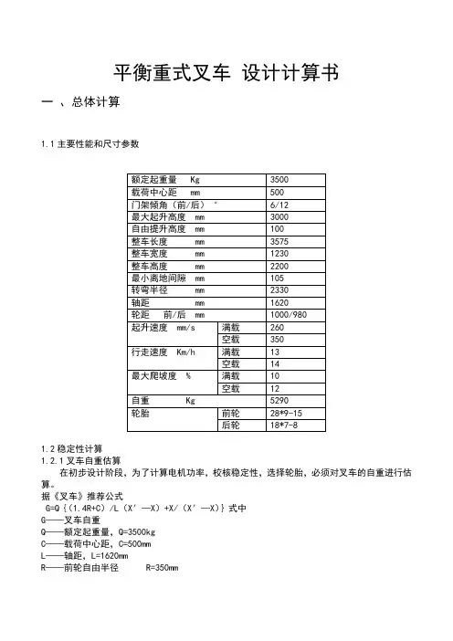
平衡重式叉车 设计计算书一 、总体计算1.1主要性能和尺寸参数额定起重量 Kg 3500载荷中心距 mm 500门架倾角(前/后) ° 6/12最大起升高度 mm 3000自由提升高度 mm 100整车长度 mm 3575整车宽度 mm 1230整车高度 mm 2200最小离地间隙 mm 105转弯半径 mm 2330轴距 mm 1620轮距 前/后 mm 1000/980起升速度 mm/s 满载 260空载 350行走速度 Km/h 满载 13空载 14最大爬坡度 % 满载 10空载 12自重 Kg 5290轮胎 前轮 28*9-15后轮 18*7-81.2稳定性计算1.2.1叉车自重估算在初步设计阶段,为了计算电机功率,校核稳定性,选择轮胎,必须对叉车的自重进行估算。
据《叉车》推荐公式G=Q{(1.4R+C)/L(X′—X)+X/(X′—X)}式中G——叉车自重Q——额定起重量,Q=3500kgC——载荷中心距,C=500mmL——轴距,L=1620mmR——前轮自由半径 R=350mmX——满载后桥轴荷系数 X=0.12 X′——空载后桥轴荷系数 X′=0.58 代入上式 得到 G=1.6Q=5600kg参照国内外同类产品参数,初定自重为5290 kg 1.2.2部件重量、重心及平衡力矩估算说明:A——门架垂直最大起升 B——门架后倾,货叉离地300mm C——后倾最大起升1.2.2.1满载堆垛时的纵向稳定性计算工况:叉车在水平路面上,门架垂直,额定起重量位于规定的荷载中心,起升到最大起升高度(见图1)e 1=(G 0*x 0-Q*a1)/(G 0+Q) h g1=( G 0* y 0+Q*H1) /( G 0+Q) i =e 1/ h g1≥0.04 计算结果如下结论:本工况下,叉车纵向稳定性满足要求,能保持稳定 1.2.2.2叉车满载运行时的纵向稳定性工况:满载货叉起升300mm,门架后倾最大,在水平路面上以最高速度行驶,进行紧急制动 (见图2) 图2e 2=(G 0* x 0-Q*a 2)/( G 0+Q) h g2=( G 0*y 0+ Q*h 2)/( G 0+Q) i 2 =e 2/h g2≥0.18 计算结果如下G 0(kg) Q((kg ) x 0(m) y 0(m)a1(m)H1(m)e 1(m) h g1(m) i 529035000.8710.610.963.50.1821.70.107G0(kg)Q((kg)x(m) y(m) a2(m)H2(m)e2(m)hg2(m)i25290 3500 0.871 0.61 0.96 0.8 0.182 0.49 0.37 结论:本工况下,叉车纵向稳定性满足要求,能保持稳定1.2.2.3满载堆垛时的横向稳定性计算工况:叉车货叉最大起升高度,门架后倾最大,叉车在水平路面上低速转弯,接近货垛 (见图3)ex1=(L-e3)cosre3=(G0*x0-Q*a3)/(G0+Q) hg3=(G0*yo+Q*H3)/(G0+Q) i3= ex1/ hg3≥0.06计算结果如下G0Q xya3h3ex1r hg3e3i35290 3500 0.871 0.61 0.447 2.867 0.367 72.85 1.458 0.375 0.25 结论:本工况下,叉车横向稳定性满足要求,能保持稳定1.2.2.4叉车空载运行时的横向稳定性工况:空载货叉起升至300㎜,门架最大后倾,在水平路面以上最大速度行驶,急转弯e4=(L—x)cosrhg4= yi4=e4/ hg4≥(15+1.1V)%=31.5%计算结果如下x0(m) y(m) L(m) V(Km/h) r(°)e4(m)hg4(m)i40.871 0.61 1.62 14 72.85 0.22 0.61 0.36 结论:本工况下,叉车横向稳定性满足要求,能保持稳定1.2.2.5轴荷分配计算A 空载T1=G(L-L0)/L=5290*(1.62-0.871)/1.62=2446㎏T2=5290-2446=2844 kgB 满载T1=[3500*(0.871+1.62)+5290*(1.62-0.871)]/1.62=7828㎏T2=(3500+5290)-7828=962㎏轴荷分配系数计算空载&1=2446/5290=46.2%&2=2844/5290=53.8%满载&1=7828/8790=89%&2=962/8790=11%1.2.3轮胎选择估算前后轮最大静负荷N1和N2前轮N1=0.89(G+Q)/n=0.89(5290+3500)/2=3912㎏后轮N2=0.538G/2=1423㎏根据GB2982—2001《工业轮胎系列》初选前轮为28X9—15—14PR 后轮为18*7-8-12PR1.2.4电机选择G=5290㎏Q=3500㎏最大行驶速度为14km/h机械传动效率η=0.91.2.4.1该车辆行驶速度最大为14KM/H,所以只考虑道路阻力即可,所需电机净功率1.2.4.1.1空载平路行驶A,在良好的沥青,水泥路面上行驶取滚动阻力系数f=0.02,则道路阻力为F1=G*f*9.8 =1037NB,在碎石或硬土路面上行驶 取f=0.03F2=1555N1.2.4.1.2 满载平路上行驶F3=(G+Q)f*9.8 =1723N1.2.4.1.3坡道阻力取f=0.02F4=(G+Q)*Sinα*9.8 =14989N考虑到叉车坡道满载行驶,则总阻力为F=F1+F4=16026N叉车坡道行驶速度按2.5Km/h,传动比为26.05,传动效率0.9则功率要求为/9550P=n* TM=(512*282)/9550/0.9=16.8kw由以上三种情况计算得知,满载爬坡时消耗功率最大,故以此作为选择电机的依据。
1.5吨台励福叉车的技术参数1. 介绍叉车作为一种重要的物流设备,广泛应用于仓储、物流、制造等领域。
1.5吨台励福叉车作为常见的叉车类型之一,其技术参数对于提高作业效率和降低成本具有重要意义。
2. 技术参数1. 载重能力:1.5吨台励福叉车的最大载重能力为1.5吨,适用于中小型货物的搬运和装卸作业。
2. 提升高度:其标准提升高度一般在3-6米之间,可以满足一般货物的堆垛需求。
3. 机身尺寸:1.5吨台励福叉车的机身尺寸较为紧凑,便于在狭窄的仓储空间进行操作。
4. 轮胎类型:根据不同的工作场景,1.5吨台励福叉车可选择实心轮胎或气固轮胎,以适应不同的地面环境。
5. 发动机类型:常见的1.5吨台励福叉车采用内燃发动机,也有电动叉车的选择,根据作业需求可做出选择。
6. 操纵方式:1.5吨台励福叉车可选配手动或自动变速箱,提供不同的操控方式,以适用于不同的操作技能程度的驾驶员。
3. 技术特点1. 稳定性:台励福叉车采用先进的悬挂系统和重心设计,具有较高的稳定性,在搬运操作中不易侧翻。
2. 操作舒适性:1.5吨台励福叉车配备舒适的驾驶室和人性化的操控装置,减轻了驾驶员的疲劳感,提高了作业效率。
3. 能效比:台励福叉车采用节能环保的发动机和液压系统,具有较高的能效比,降低了作业成本。
4. 极佳的视野:驾驶室设计合理,提供了良好的视野,有助于驾驶员对作业场景的全面观察和准确操作。
4. 经典案例以某仓储公司为例,引进了1.5吨台励福叉车后,其搬运效率得到了显著提高。
由于该叉车具备良好的稳定性和操作舒适性,驾驶员的操作技能得到了充分发挥,从而有效地提高了装卸作业的速度和质量。
5. 个人观点1.5吨台励福叉车作为一种常见的叉车设备,在物流领域发挥着重要作用。
其稳定性、操作舒适性和能效比等技术特点,使其成为提高物流作业效率的利器。
在未来,随着工业的不断发展和升级,我相信1.5吨台励福叉车将在智能化、自动化方面继续不断创新,为物流行业带来更多便利与效益。
毕业设计题目6t平衡重式内燃叉车制动系统结构设计设计参数:(参照柳工6t叉车数据):额定起重量:6t载荷中心距:600mm最大起升高度:3000mm货叉自由起升高度:205mm传动形式:液力最大行驶速度:20km/h最大爬坡度(满/空载): ≥%20最小转弯半径:3300mm总长(不含货叉):3517mm总宽:2040mm轴距:2250mm轮距(前轮):1492mm轮距(后轮):1730mm悬距(前/后):587/680mm轮胎(前轮) 8.25-15-14PR轮胎(后轮) 250×15-16PR摘要制动系统是车辆上最重要的系统之一,也是车辆驾驶者最应重视的方面。
因为车辆制动系统是车辆正常工作所必须具备的系统,其质量好坏与车辆的安全性有着密不可分的关系。
制动方式多种多样,但车辆绝大部分用的是摩擦式的制动器,车辆的制动器可分为盘式制动和鼓式制动。
本次设计通过对各种资料的学习,及相关类型制动器的比较,选用了盘式制动器。
在通过对盘式制动器制动原理的分析,在原始资料的基础上,参照汽车相关设计,通过对制动器制动时的受力分析,确定了制动力矩,摩擦盘尺寸,踏板操纵力及踏板操纵行程等制动器基本参数;通过对制动器的结构分析,设计了摩擦盘的的结构,摩擦衬块的结构,制动器弹簧的结构和液压缸的结构等;并根据要求设计了其相关安装要求。
本次设计的盘式制动器符合制动器设计的理论要求,能保证汽车在行驶中制动及紧急制动,并保证在坡道上安全制动。
因此,达到了制动器能保证驾驶员的行车安全的目的。
关键词: 车辆盘式制动器AbstractThe braking system is one of the most important vehicle systems, but also the vehicle driver should pay attention to the most aspects. Because the vehicle braking system is a system must have the normal work of the vehicle, its quality and safety of vehicles have the inseparable relations. The braking means is varied, but the vehicle most use the brake friction type, vehicle brake can be divided into disc brake and drum brake. The design through a variety of information on learning, and related types of brake, the brake disc. Through the analysis of disc brake principle, on the base of original data, according to automotive design, through the analysis of the force of brake, brake torque is determined, the friction disk size, pedal force and basic parameters such as brake pedal travel; through the analysis of the structure of the brake, the friction plate design the structure, the friction lining structure, brake spring structure and the structure of the hydraulic cylinder; and according to the design requirements of the installation requirements. Disc brake of the design to meet the requirements of brake design theory, can guarantee in the running process of the automobile braking and emergency braking, and ensure the safe braking ramp. Therefore, to achieve the brake can guarantee the driver's safety objective.Key words:Vehicle Disc Brake目录设计任务书 (I)摘要 (II)Abstract (III)引言 (1)第一章绪论 (2)1.1制动系统概述 (2)1.2制动系统的功能 (2)1.3对制动系统的要求 (2)第二章方案选择 (3)2.1传动形式 (3)2.2制动器选型.. (3)第三章制动器材料的选择 (6)3.1制动盘 (6)3.2制动钳 (6)3.3制动块 (7)3.4摩擦材料 (7)3.5制动轮缸 (8)3.6制动器间隙的调整方法及相应机构 (8)第四章制动驱动机构的结构形式选择 (10)4.1制动驱动机构的结构型式选择 (10)4.2真空助力器工作原理 (14)第五章总体设计 (16)5.1叉车自重 (16)5.2静轴载 (16)5.3自重重心 (16)5.4自重估算 (17)5.5牵引特性 (17)5.6制动性能计算 (18)5.7机动性能计算 (19)5.8稳定性计算 (20)第六章制动器的计算 (22)6.1制动器因数 (22)6.2盘式制动器主要参数的确定 (22)6.3盘式制动器制摩擦衬块的磨损特性计算 (23)6.4动力矩的计算 (25)第七章液压制动驱动机构的设计计算 (28)7.1制动轮缸直径与工作容积 (28)7.2制动主缸直径与工作容积 (29)7.3制动踏板力与踏板行程 (30)第八章制动主缸及传递单元介绍 (31)8.1制动主缸 (31)8.2传递单元 (32)第九章制动性能分析 (33)9.1 制动性能评价指标 (33)9.2 制动效能 (33)9.3 制动效能的恒定性 (34)9.4 制动时叉车的方向稳定性 (34)第十章手制动系统 (35)总结 (38)参考文献 (39)致谢 (40)附录 (41)引言本次毕业设计的选题为车辆制动系统,范围主要是针对于叉车进行的制动系统设计。
·整车特色符合现代工业产品设计现代感和流畅感的独特外观造型仪表操纵台装饰设计使叉车更加整洁,尽显高贵豪华之气强劲可靠的动力匹配,保证叉车工作更加高效,排放符合国际标准·先进性集成的电器中央控制盒使电器系统简单可靠定制的数字仪表使机器更个性化并具有故障自诊断功能载荷监测功能(选装)货叉自动找平控制功能(选装)货叉高低位缓冲保证货物平稳安全(选装)·舒适性人性化的人机工程设计,使得操纵更轻松自如,更加舒适选用电液换档操纵,能降低司机的劳动强度方向盘角度的可调装置,能使司机达到最佳舒适状态液压产品低噪音化二级悬浮式车体设计使叉车减震性更好人体工程学抗疲劳座椅,大大改善操作人员的作业疲劳强度·安全性符合CE认证的安全设计,最大地保护用户的财产和人身安全操作安全,具有司机离位保护发动机熄火后具有货叉前倾保护·环保性发动机排放符合欧洲CE标准规定高效节能的液压系统,减少了燃油的消耗液化气燃料使叉车使用更清洁无污染·可靠性液压系统管路耐高压,密封可靠,无渗漏油现象。
管路标准采用国际上通用的ISO8434-1标准防管爆安全切断阀及防门架倾斜自锁装置·可选配不同动力洋马4TNE98、尼桑H25、五十玲C240PKJ和4JG2、CA498等·可适配工作装置3-6米门架、三级门架、全自由起升门架、驾驶室、侧移叉、平夹器、抱夹器、吊臂、串杆等主要参数特性额定起重量 8000kg载荷中心距 600mm动力型式柴油操纵型式坐驾式轮胎类型充气轮胎尺寸标准门架:最大起升高度 3000mm标准门架:自由提升高度 220mm货叉:厚度X宽度X长度 75 x 160 x 1220 (mm) 货叉调节范围:最小X最大 320 x 1900 (mm)门架倾角:前倾/后倾 6 / 12 (deg)外部尺寸全长:至货叉垂直面 3775mm宽度 2150mm门架高度:货叉落地 2700mm货叉最大起升高度:含挡货架 4410mm地面至护顶架高度 2580mm座椅至护顶架高度 1100mm最小转弯半径 3650mm最小直角通道 3300mm性能最大行驶速度:无载/满载 29 / 26 (km/h)最大起升速度:满载 400mm/s最大下降速度:满载≤600mm/s挂钩牵引力 51kN最大爬坡度:无载/满载 20 / 22 (%)总重 10500kg车架轮胎前/后轮(数量) 4 / 2前轮 9.00-20-14PR后轮 8.25-20-14PR轴距 2500mm轮距:前轮 1510mm轮距:后轮 1600mm最小离地间隙:门架处 220mm蓄电池:电压/容量 24V / 2*120Ah动力系统发动机:型号 YC6105G发动机:额定功率 85kw / 2400rpm发动机:最大扭矩 395Nm / 1400 ~1600 rpm发动机:排量 6.494L行车制动型式真空助力—踏板式(动力制动选用) 停车制动型式机械—手制动方式。
备案号:Q/AC10t ~45t 内燃平衡重式叉车安徽叉车集团公司 发布前言本公司开发的10t~45t叉车目前尚无国家或行业制订的产品标准,为规范设计、生产,特制订本标准。
本标准编制时参照了JB/T 2391《0.5~10t平衡重式叉车技术条件》、JB/T 3300《平衡重式叉车整机试验方法》等标准。
本标准由安徽叉车集团公司标准信息研究室负责起草。
本标准主要起草人:王英10t~45t内燃平衡重式叉车1 范围本标准规定了大吨位柴油-液力传动平衡重式叉车(以下简称叉车)的技术参数、要求、试验方法、检验规则与标志、包装、运输、贮存及质量保证期等。
本标准适用于额定起重量为10t~45t(不含10t)的叉车。
2 引用标准下列文件中的条款通过本标准的引用而成为本标准的条款。
凡是注日期的引用文件,其随后所有的修改单(不包括勘误的内容)或修订版均不适用于本标准,然而,鼓励根据本标准达成协议的各方研究是否可使用这些文件的最新版本。
凡是不注日期的引用文件,其最新版本适用于本标准。
GB/T 3846 柴油车自由加速烟度的测量滤纸烟度法GB 4785 汽车及挂车外部照明和信号装置的安装规定GB/T 9286 色漆和清漆漆膜的划格试验GB 10827 机动工业车辆安全规范GB/T 13306 标牌JB/T 3300 平衡重式叉车整机试验方法3主要技术参数3.1 主要技术参数3.1.1 叉车的设计应符合本标准的规定,并按照经规定程序批准的图样和技术文件制造。
3.1.2 叉车主要结构尺寸制造极限偏差见表1。
3.1.3 叉车主要性能参数的极限偏差见表2。
4 要求4.1 基本要求4.1.1 叉车后桥的空载负荷率与设计值的偏差应在0-5%的范围内。
4.1.2 叉车所选用的发动机、液力变速箱、液压元件、驱动桥、转向系统零部件、电气元件、轮胎等配套件应符合有关标准和技术文件要求,入厂时附有产品合格证书,必要时对入厂的配套件进行质量合格复检。
1.5吨电叉车技术参数
技术参数可能因不同的电叉车制造商和型号而有所不同,以下是一些典型的1.5吨电叉车的技术参数:
1. 承载能力:1.5吨(1500千克)
这表示电叉车能够承载最大1.5吨的货物重量。
2. 最大起升高度:通常在3-6米之间
这表示电叉车能够将货物从地面提升到最大高度的范围。
默认情况下,电叉车可以操作在较低的高度范围内,通常为3米左右。
3. 起升速度和下降速度:
电叉车的起升速度和下降速度取决于具体型号和制造商,一般在指定的高度范围内有标准速度。
4. 驱动方式:
电叉车通常使用电动驱动,通过电池供电。
也有一些液化石油气(LPG)或内燃机驱动的电叉车。
5. 动力系统和电池容量:
电叉车的动力系统由电池供电。
电池的容量和型号会影响电叉车的工作时间和整体性能。
6. 转弯半径:
转弯半径是电叉车能够转弯的最小半径,该数值与电叉车的设计特点和运作环境相关。
7. 整体尺寸和重量:
电叉车的整体尺寸和重量会影响其在仓库或工作场所的操纵能力和适应性。
请注意,以上参数仅为参考,不同的电叉车型号和制造商可能会有差异。
如果您需要详细的技术参数,建议咨询特定电叉车型号的制造商或参考他们的产品手册和规格表。
叉车的主要技术参数叉车是一种特种设备,用于物料搬运和堆垛操作。
它主要由底盘、驾驶室、起升机构、叉臂和控制系统等部分组成。
下面是叉车的主要技术参数:1.载重能力:叉车的载重能力是衡量其搬运能力的重要指标。
叉车的载重能力通常以公斤或吨为单位来进行标记。
不同型号的叉车具有不同的载重能力范围,从几百公斤到几十吨不等。
2.起升高度:叉车的起升高度是指叉臂的最大起升高度。
起升高度要根据使用场景的需求来确定,通常以米为单位进行标记。
常见的叉车起升高度范围从几米到几十米不等。
3.幅距:幅距是指叉臂的最大伸展宽度。
幅距决定了叉臂能够搬运的货物尺寸。
幅距通常以米为单位进行标记,在不同型号的叉车中有所差异。
4.行驶速度:行驶速度是指叉车在不同工况下的最大行驶速度。
叉车的行驶速度通常用公里/小时来表示。
叉车的行驶速度与其起升能力和载重能力有关,通常在3到30公里/小时之间。
5.提升速度:提升速度是指叉臂在不同工况下的最大提升速度。
提升速度通常以米/秒为单位进行表示。
叉车的提升速度取决于其起升机构的设计和动力系统的性能。
6.电池容量:电池容量是指叉车配备的电池的电力存储容量。
电池容量通常以安时(Ah)为单位进行标记。
不同型号的叉车配备的电池容量有所不同。
7.操控方式:操控方式是指叉车的操作方式,通常有驾驶坐骑式和站立式两种。
驾驶坐骑式叉车操控简单,适合长时间作业;而站立式叉车操控更为灵活,适合狭小空间操作。
8.能源类型:叉车的能源类型通常有电动、内燃机和手动三种。
电动叉车常用于室内作业,污染较小;内燃机叉车能适应恶劣环境,使用方便;手动叉车适用于小型场地和轻负载操作。
9.制动方式:叉车的制动方式通常有踏板制动和手刹制动两种。
踏板制动适用于日常操控,手刹制动适用于停放时防止车辆滑移。
10.角度范围:叉车的角度范围是指叉臂在垂直方向上的旋转角度。
叉车的角度范围取决于其起升机构的设计和结构,一般在180度至360度之间。
以上是叉车的主要技术参数。
45吨集装箱重箱作业叉车技术参数45吨集装箱重箱作业叉车是一种用于在码头或货运站等场所进行集装箱装卸作业的大型机械设备。
它能够承载和搬运重箱货物,帮助提高作业效率,减少人力成本,并且比传统的人力搬运更安全和可靠。
下面是一些45吨集装箱重箱作业叉车的技术参数:1.载重能力:45吨。
这意味着该叉车可以承载最高45吨的货物重量,适合处理重箱货物,如集装箱和大型机械设备等。
2.最大起升高度:15米。
叉车的双排杆设计可以使货物在垂直方向上达到15米的高度,便于货物的快速装卸和堆垛。
3. 起升速度:240mm/s。
叉车的起升速度快,可以快速地将货物升起或降下,节省作业时间。
4. 降速度:400mm/s。
叉车的降速度也很快,可以快速地将货物降下,减少等待时间。
5. 行驶速度:25km/h。
叉车的行驶速度较快,可以在繁忙的作业场所快速运输货物。
6.最大爬坡度:20%。
叉车具有较大的爬坡能力,可以在坡度较大的场地上自如行驶。
7. 底盘离地间隙:400mm。
叉车离地间隙较高,适合行驶在不平整的地面上,确保叉车的稳定性和安全性。
8.发动机功率:250KW。
叉车采用高功率发动机,保证了叉车的高效工作和快速作业。
9.移动式滑移控制系统:该系统可以控制叉车在操作过程中的滑移情况,确保叉车稳定行驶和操作。
10.自动化操作系统:叉车配备了自动化操作系统,可以提高作业效率,减少人为误操作,并提高作业安全性。
总的来说,45吨集装箱重箱作业叉车是一种功能强大,性能稳定的大型机械设备,适合在码头、货运站等需要进行集装箱装卸作业的场所使用。
它的高载重能力和高效作业能力可以帮助企业降低成本,提高作业效率,是现代货物运输行业不可或缺的重要装卸设备。
叉车参数设计技术参数叉车的技术参数是用来表明叉车的结构特征和工作性能的。
主要技术参数有:额定起重量、载荷中心距、最大起升高度、门架倾角、最大行驶速度、最小转弯半径、最小离地间隙以及轴距、轮距等。
1、额定起重量:叉车的额定起重量是指货物重心至货叉前壁的距离不大于载荷中心距时,允许起升的货物的最大重量,以t (吨)表示。
当货叉上的货物重心超出了规定的载荷中心距时,由于叉车纵向稳定性的限制,起重量应相应减小。
2、载荷中心距:载荷中心距是指在货叉上放置标准的货物时,其重心到货叉垂直段前壁的水平距离,以mm(毫米)表示。
对于1t叉车规定载荷中心距为500mm。
3、最大起升高度:最大起升高度是指在平坦坚实的地面上,叉车满载,货物升至最高位置时,货叉水平段的上表面离地面的垂直距离。
4、门架倾角:门架倾角是指无载的叉车在平坦坚实的地面上,门架相对其垂直位置向前或向后的最大倾角。
前倾角的作用是为了便于叉取和卸放货物;后倾角的作用是当叉车带货运行时,预防货物从货叉上滑落。
一般叉车前倾角为3°~6°,后倾角为10°~12°。
5、最大起升速度:叉车最大起升速度通常是指叉车满载时,货物起升的最大速度,以m/min (米/分) 表示。
提高最大起升速度,可以提高作业效率,但起升速度过快,容易发生货损和机损事故。
目前国内叉车的最大起升速度已提高到20m/min。
6、最高行驶速度;提高行驶速度对提高叉车的作业效率有很大影响。
对与起重量为1t 的内燃叉车,其满载时最高行驶速度不少于17m/min。
7、最小转弯半径:当叉车在无载低速行驶、打满方向盘转弯时,车体最外侧和最内侧至转弯中心的最小距离,分别称为最小外侧转弯半径Rmin外和最小内侧转弯半径rmin内。
最小外侧转弯半径愈小,则叉车转弯时需要的地面面积愈小,机动性愈好。
8、最小离地间隙:最小离地间隙是指车轮以外,车体上固定的最低点至地面的距离,它表示叉车无碰撞地越过地面凸起障碍物的能力。
叉车主要型号与参数叉车是一种用于搬运和堆放货物的重型机械设备,具有各种不同的型号和参数。
以下是一些主要的叉车型号和参数的详细介绍。
1.防爆叉车防爆叉车是一种能够在易燃易爆环境下安全操作的叉车。
其主要参数包括:-载重能力:通常在1至10吨之间。
-最大爬坡能力:通常在15至20度之间。
-提升高度:通常在3至6米之间。
-行驶速度:通常在10至20公里/小时之间。
-电池容量:通常在80至100伏特之间。
2.冷库叉车冷库叉车是一种专门设计用于低温环境下操作的叉车。
其主要参数包括:-载重能力:通常在1至5吨之间。
-最低工作温度:通常在-30至-40摄氏度之间。
-提升高度:通常在3至6米之间。
-行驶速度:通常在8至15公里/小时之间。
-电池容量:通常在80至100伏特之间。
3.托盘式叉车托盘式叉车是一种专门用于搬运托盘货物的叉车。
其主要参数包括:-载重能力:通常在1至3吨之间。
-最大爬坡能力:通常在10至15度之间。
-提升高度:通常在4至6米之间。
-行驶速度:通常在10至20公里/小时之间。
-电池容量:通常在48至80伏特之间。
4.窄过道叉车窄过道叉车是一种能够在狭小空间中操作的叉车,常用于仓库的狭窄通道。
其主要参数包括:-载重能力:通常在1至2.5吨之间。
-最小通道宽度:通常在1.6至2.0米之间。
-提升高度:通常在8至15米之间。
-行驶速度:通常在8至12公里/小时之间。
-电池容量:通常在48至80伏特之间。
5.堆高机堆高机是一种可以在堆垛作业中提升货物的叉车。
其主要参数包括:-载重能力:通常在1至2.5吨之间。
-最大爬坡能力:通常在10至15度之间。
-提升高度:通常在4至10米之间。
-行驶速度:通常在10至20公里/小时之间。
-电池容量:通常在48至80伏特之间。
这些是叉车的一些主要型号和参数,每个型号都有自己的特点和适用领域。
在选择和购买叉车时,需要根据具体的工作场景和需求来确定最合适的型号和参数。
叉车参数设计
技术参数
叉车的技术参数是用来表明叉车的结构特征和工作性能的。
主要技术参数有:额定起重量、载荷中心距、最大起升高度、门架倾角、最大行驶速度、最小转弯半径、最小离地间隙以及轴距、轮距等。
1、额定起重量:叉车的额定起重量是指货物重心至货叉前壁的距离不大于载荷中心距时,允许起升的货物的最大重量,以t (吨)表示。
当货叉上的货物重心超出了规定的载荷中心距时,由于叉车纵向稳定性的限制,起重量应相应减小。
2、载荷中心距:载荷中心距是指在货叉上放置标准的货物时,其重心到货叉垂直段前壁的水平距离,以mm(毫米)表示。
对于1t叉车规定载荷中心距为500mm。
3、最大起升高度:最大起升高度是指在平坦坚实的地面上,叉车满载,货物升至最高位置时,货叉水平段的上表面离地面的垂直距离。
4、门架倾角:门架倾角是指无载的叉车在平坦坚实的地面上,门架相对其垂直位置向前或向后的最大倾角。
前倾角的作用是为了便于叉取和卸放货物;后倾角的作用是当叉车带货运行时,预防货物从货叉上滑落。
一般叉车前倾角为3°~6°,后倾角为10°~12°。
5、最大起升速度:叉车最大起升速度通常是指叉车满载时,货物起升的最大速度,以m/min (米/分) 表示。
提高最大起升速度,可以提高作业效率,但起升速度过快,容易发生货损和机损事故。
目前国内叉车的最大起升速度已提高到20m/min。
6、最高行驶速度;提高行驶速度对提高叉车的作业效率有很大影响。
对与起重量为1t 的内燃叉车,其满载时最高行驶速度不少于17m/min。
7、最小转弯半径:当叉车在无载低速行驶、打满方向盘转弯时,车体最外侧和最内侧至转弯中心的最小距离,分别称为最小外侧转弯半径Rmin外和最小内侧转弯半径rmin内。
最小外侧转弯半径愈小,则叉车转弯时需要的地面面积愈小,机动性愈好。
8、最小离地间隙:最小离地间隙是指车轮以外,车体上固定的最低点至地面的距离,它表示叉车无碰撞地越过地面凸起障碍物的能力。
最小离地间隙愈大,则叉车的通过性愈高。
9、轴距及轮距:叉车轴距是指叉车前后桥中心线的水平距离。
轮距是指同一轴上左右轮中心的距离。
增大轴距、有利于叉车的纵向稳定性,但使车身长度增加,最小转弯半径增大。
增大轮距,有利于叉车的横向稳定性,但会使车身总宽和最小转弯半径增加。
10、直角通道最小宽度:直角通道最小宽度是指供叉车往返行驶的成直角相交的通道的最小宽度。
以mm表示。
一般直角通道最小宽度愈小,性能愈好。
11、堆垛通道最小宽度:堆垛通道最小宽度是叉车在正常作业时,通道的最小宽度。
车型分类
(1)内燃叉车
① 普通内燃叉车
1.2~8.0吨,作业通道宽度一般为3.5~5.0
燃料补充方便,因此可实现长时间的连续作② 重型叉车
10.0~52.0吨,一般用于货物较重的码头、钢铁
③ 集装箱叉车
采用柴油发动机作为动力,承载能力8.0~45.0
④ 侧面叉车
采用柴油发动机作为动力,承载能力3.0~6.0吨。
在不转弯的情况下,具有直接从侧面叉取货物的能力,因此主要用来叉取长条型的货物,如木条、钢筋等。
(2)电动叉车以电动机为动力,蓄电池为能源。
承载能力1.0~8.0吨,作业通道宽度一般为3.5~5.0米。
由于没有污染、噪音小,因此广泛应用于室内操作和其它对环境要求较高的工况,如医药、食品等行业。
随着人们对环境保护的重视,电动叉车正在逐步取代内燃叉车。
由于每组电池一般在工作约8小时后需要充电,因此对于多班制的工况需要配备备用电池。
(3)仓储叉车
仓储叉车主要是为仓库内货物搬运而设计的叉车。
除了少数仓储叉车(如手动托盘叉车)是采用人力驱动的,其他都是以电动机驱动的,因其车体紧凑、移动灵活、自重轻和环保性
电动托盘搬运车
1.6~3.0吨,作业通道宽度一般为
2.3~2.8210mm
有步行式、
可根据效率要求选择。
电动托盘堆垛车
比较省力。
而后者是需要人工手动拉或者推着叉车行走,升降则是电动的。
承载能力为1.0~2.5吨,作业通道宽度一般为2.3~2.8米,在结构上比电动托盘搬运叉车多了门架,货叉提升高度一般在4.8米内,主要用于仓库内的货物堆垛及装卸。
前移式叉车
承载能力1.0~2.5吨,门架可以整体前移或缩回,缩回时作业通道宽度一般为2.7~3.2米,提升高度最高可达11米左右,常用于仓库内中等高度的堆垛、取货作业。
电动拣选叉车
,不需要整托盘出货,而是按照订单拣选多种品种
按照拣选货物的高度,电动拣选叉车可分为低位拣选叉车(2.5米内)和中高位拣选叉车(最高可达10米)。
承载能力2.0~2.5吨(低位)、1.0~1.2吨(中高位,带驾驶室提升)。
低位驾驶三向堆垛叉车
通常配备一个三向堆垛头,叉车不需要转向,货叉旋转就可以实现两侧的货物堆垛和取货,通道宽度1.5~2.0米,提升高度可达12米。
叉车的驾驶室始终在地面不能提升,考虑到操作视野的限制,主要用于提升高度低于6米的工况。
高位驾驶三向堆垛叉车
与低位驾驶三向堆垛叉车类似,高位驾驶三向堆垛叉车也配有一个三向堆垛头,通道宽度1.5~2.0米,提升高度可达14.5米。
其驾驶室可以提升,驾驶员可以清楚地观察到任何高度的货物,也可以进行拣选作业。
高位驾驶三向堆垛叉车在效率和各种性能都优于低位驾驶三向堆垛叉车,因此该车型已经逐步替代低位驾驶三向堆垛叉车。
(4)电动牵引车
电动牵引车(拖车)牵引车采用电动机驱动,利用其牵引能力(3.0~25吨),后面拉动几个装载货物的小车。
经常用于车间内或车间之间大批货物的运输,如汽车制造业仓库向装配线的运输、机场的行李运输。
关键参数有
1.载重量;
2.发动机品牌型号;
3.电控品牌型号;
4.几级门架;
5.属具:侧移器,抱夹,旋转器,推出
器, 6.实心胎,充气胎。
如何选购合适的叉车
叉车行业国产品牌:合力、杭叉、东方红、龙工、诺力、美科斯等
进口品牌:林德(德国)、海斯特(美国)、丰田(日本)、永恒力(德国)、BT(瑞典)等
电动叉车电瓶叉车的原理和特点
本文档部分内容来源于网络,如有内容侵权请告知删除,感谢您的配合!。