QGBZ系列重型标准气缸图纸规格尺寸
- 格式:pdf
- 大小:12.84 MB
- 文档页数:1
基本型、缓冲型、带锁型带导杆气缸的规格尺寸图
斯麦特生产的带导杆气缸MGPM基本上有三种型号,分别为基本型、缓冲型、带锁型,在气缸市场上,气缸需要不断提高技术才可以保持核心竞争力,下面具体介绍带导杆气缸MGPM 的是三个型号升级处。
带导杆气缸MGPM三款型号的共同之处:
1. 此产品易定位,各安装面设有定位销孔,根据工况不同可以实现四种安装方式:
2. 配管方式相同,都可以从2个方向进行配管:
带导杆气缸MGPM三款型号的不同之处:分别从升级后的质量减轻量、导杆缩短量、行程拓展品三个方面对比。
升级后的带导杆气缸MGPM基础型,同缸径的前提下,质量都不同百分比的下降,质量最多减少了17%
升级后的带导杆气缸MGPM基础型,突出导杆长度都有小幅度的减少:
带导杆气缸MGPM基础型行程拓展品:
升级后的带导杆气缸MGPM带气缓冲型:
质量最多减轻24%:
导杆最多缩短35.5mm:
MGPM带气缓冲型行程拓展品:
升级后的带导杆气缸MGPM带端锁:
产品特点:及时切断气源,气缸仍能保持在原来位置。
带导杆气缸MGPM带端锁拓展品:
以上内容是带导杆气缸MGPM基本型、缓冲型、带锁型区别的介绍,如您对此问题还想有进一步的了解,或有其他技术咨询以及选型方面的问题,无锡斯麦特具备成熟的技术团队、完善的售前售后服务,随时欢迎您的咨询.。
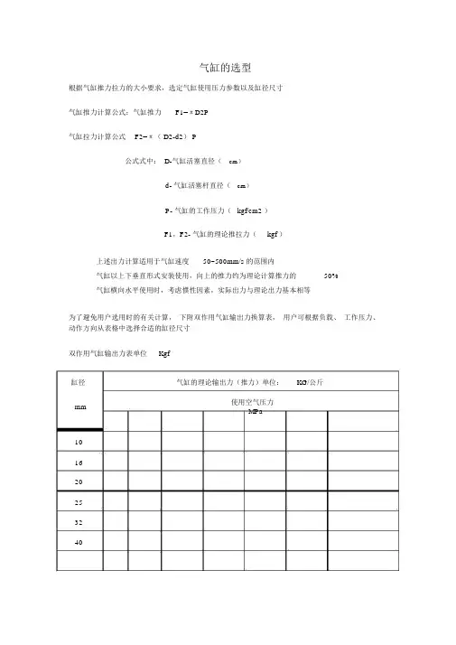
气缸的选型根据气缸推力拉力的大小要求,选定气缸使用压力参数以及缸径尺寸气缸推力计算公式:气缸推力F1=πD2P气缸拉力计算公式F2=π( D2-d2) P公式式中: D-气缸活塞直径(cm)d- 气缸活塞杆直径(cm)P- 气缸的工作压力(kgf/cm2 )F1,F2- 气缸的理论推拉力(kgf )上述出力计算适用于气缸速度50~500mm/s的范围内气缸以上下垂直形式安装使用,向上的推力约为理论计算推力的50%气缸横向水平使用时,考虑惯性因素,实际出力与理论出力基本相等为了避免用户选用时的有关计算,下附双作用气缸输出力换算表,用户可根据负载、工作压力、动作方向从表格中选择合适的缸径尺寸双作用气缸输出力表单位Kgf缸径气缸的理论输出力(推力)单位:KG/公斤mm10 16 20 25 32 40 使用空气压力MPa50 117 137 15763 125 156 187 218 25080 100 151 201 251 300 352 402100 157 236 314 393 471 550 628 125 245 368 491 615 736 859 982 160 402 603 804 1005 1206 1407 1608 180 508 763 1018 1272 1527 1781 2036 200 628 942 1257 1571 1885 2199 2514 250 981 1473 1963 2454 2945 3436 3926 320 1608 2412 3216 4021 4825 5629 6432 400 2531 3796 5026 6283 7539 8796 10052选定气缸的行程:确定工作的移动距离,考虑工况可选择满行程或预留行程。
当行程超过推荐的最长行程时,要考虑活塞杆的刚度,可以选择支撑导向或选择特殊气缸。
选定气缸缓冲方式:根据需要选择缓冲形式,无缓冲气缸,固定缓冲气缸,可调缓冲气缸选择润滑方式:有给油润滑气缸,无给油润滑气缸选择气缸系列:根据以上条件,按需选择适当系列的气缸选择气缸的安装形式:根据不同的用途和安装需要,选用适当的安装形式气缸附件的选择:前(后)法兰,脚架,单(双)悬耳,中间铰轴式,铰轴支座式。
液压缸气缸尺寸及公称力系列标准号下载温馨提示:该文档是我店铺精心编制而成,希望大家下载以后,能够帮助大家解决实际的问题。
文档下载后可定制随意修改,请根据实际需要进行相应的调整和使用,谢谢!并且,本店铺为大家提供各种各样类型的实用资料,如教育随笔、日记赏析、句子摘抄、古诗大全、经典美文、话题作文、工作总结、词语解析、文案摘录、其他资料等等,如想了解不同资料格式和写法,敬请关注!Download tips: This document is carefully compiled by theeditor.I hope that after you download them,they can help yousolve practical problems. The document can be customized andmodified after downloading,please adjust and use it according toactual needs, thank you!In addition, our shop provides you with various types ofpractical materials,such as educational essays, diaryappreciation,sentence excerpts,ancient poems,classic articles,topic composition,work summary,word parsing,copy excerpts,other materials and so on,want to know different data formats andwriting methods,please pay attention!液压缸与气缸尺寸及公称力系列的标准规范详解在工业生产中,液压缸和气缸作为动力执行元件,其尺寸和公称力的选择至关重要,直接影响设备的性能和工作效率。
神威气动 文档标题:标准气缸安装尺寸一、标准气缸安装尺寸的介绍:引导活塞在缸内进行直线往复运动的圆筒形金属机件。
空气在发动机气缸中通过膨胀将热能转化为机械能;气体在压缩机气缸中接受活塞压缩而提高压力。
涡轮机、旋转活塞式发动机等的壳体通常也称“气缸”。
气缸的应用领域:印刷(张力控制)、半导体(点焊机、芯片研磨)、自动化控制、机器人等等。
二、气缸种类:①单作用气缸:仅一端有活塞杆,从活塞一侧供气聚能产生气压,气压推动活塞产生推力伸出,靠弹簧或自重返回。
②双作用气缸:从活塞两侧交替供气,在一个或两个方向输出力。
③膜片式气缸:用膜片代替活塞,只在一个方向输出力,用弹簧复位。
它的密封性能好,但行程短。
④冲击气缸:这是一种新型元件。
它把压缩气体的压力能转换为活塞高速(10~20米/秒)运动的动能,借以做功。
⑤无杆气缸:没有活塞杆的气缸的总称。
有磁性气缸,缆索气缸两大类。
做往复摆动的气缸称摆动气缸,由叶片将内腔分隔为二,向两腔交替供气,输出轴做摆动运动,摆动角小于280°。
此外,还有回转气缸、气液阻尼缸和步进气缸等。
三、气缸结构:气缸是由缸筒、端盖、活塞、活塞杆和密封件等组成,其内部结构如图所示:2:端盖端盖上设有进排气通口,有的还在端盖内设有缓冲机构。
杆侧端盖上设有密封圈和防尘圈,以防止从活塞杆处向外漏气和防止外部灰尘混入缸内。
杆侧端盖上设有导向套,以提高气缸的导向精度,承受活塞杆上少量的横向负载,减小活塞杆伸出时的下弯量,延长气缸使用寿命。
导向套通常使用烧结含油合金、前倾铜铸件。
端盖过去常用可锻铸铁,为减轻重量并防锈,常使用铝合金压铸,微型缸有使用黄铜材料的。
3:活塞活塞是气缸中的受压力零件。
为防止活塞左右两腔相互窜气,设有活塞密封圈。
活塞上的耐磨环可提高气缸的导向性,减少活塞密封圈的磨耗,减少摩擦阻力。
耐磨环长使用聚氨酯、聚四氟乙烯、夹布合成树脂等材料。
活塞的宽度由密封圈尺寸和必要的滑动部分长度来决定。
神威气动 文档标题:标准气缸规格标准气缸规格的介绍:引导活塞在缸内进行直线往复运动的圆筒形金属机件。
空气在发动机气缸中通过膨胀将热能转化为机械能;气体在压缩机气缸中接受活塞压缩而提高压力。
涡轮机、旋转活塞式发动机等的壳体通常也称“气缸”。
气缸的应用领域:印刷(张力控制)、半导体(点焊机、芯片研磨)、自动化控制、机器人等等。
二、气缸种类:①单作用气缸:仅一端有活塞杆,从活塞一侧供气聚能产生气压,气压推动活塞产生推力伸出,靠弹簧或自重返回。
②双作用气缸:从活塞两侧交替供气,在一个或两个方向输出力。
③膜片式气缸:用膜片代替活塞,只在一个方向输出力,用弹簧复位。
它的密封性能好,但行程短。
④冲击气缸:这是一种新型元件。
它把压缩气体的压力能转换为活塞高速(10~20米/秒)运动的动能,借以做功。
⑤无杆气缸:没有活塞杆的气缸的总称。
有磁性气缸,缆索气缸两大类。
做往复摆动的气缸称摆动气缸,由叶片将内腔分隔为二,向两腔交替供气,输出轴做摆动运动,摆动角小于280°。
此外,还有回转气缸、气液阻尼缸和步进气缸等。
三、气缸结构:气缸是由缸筒、端盖、活塞、活塞杆和密封件等组成,其内部结构如图所示:2:端盖端盖上设有进排气通口,有的还在端盖内设有缓冲机构。
杆侧端盖上设有密封圈和防尘圈,以防止从活塞杆处向外漏气和防止外部灰尘混入缸内。
杆侧端盖上设有导向套,以提高气缸的导向精度,承受活塞杆上少量的横向负载,减小活塞杆伸出时的下弯量,延长气缸使用寿命。
导向套通常使用烧结含油合金、前倾铜铸件。
端盖过去常用可锻铸铁,为减轻重量并防锈,常使用铝合金压铸,微型缸有使用黄铜材料的。
3:活塞活塞是气缸中的受压力零件。
为防止活塞左右两腔相互窜气,设有活塞密封圈。
活塞上的耐磨环可提高气缸的导向性,减少活塞密封圈的磨耗,减少摩擦阻力。
耐磨环长使用聚氨酯、聚四氟乙烯、夹布合成树脂等材料。
活塞的宽度由密封圈尺寸和必要的滑动部分长度来决定。
滑动部分太短,易引起早期磨损和卡死。
神威气动 文档标题:气缸qgbt气缸qgb的介绍:引导活塞在缸内进行直线往复运动的圆筒形金属机件。
空气在发动机气缸中通过膨胀将热能转化为机械能;气体在压缩机气缸中接受活塞压缩而提高压力。
涡轮机、旋转活塞式发动机等的壳体通常也称“气缸”。
气缸的应用领域:印刷(张力控制)、半导体(点焊机、芯片研磨)、自动化控制、机器人等等。
二、气缸种类:①单作用气缸:仅一端有活塞杆,从活塞一侧供气聚能产生气压,气压推动活塞产生推力伸出,靠弹簧或自重返回。
②双作用气缸:从活塞两侧交替供气,在一个或两个方向输出力。
③膜片式气缸:用膜片代替活塞,只在一个方向输出力,用弹簧复位。
它的密封性能好,但行程短。
④冲击气缸:这是一种新型元件。
它把压缩气体的压力能转换为活塞高速(10~20米/秒)运动的动能,借以做功。
⑤无杆气缸:没有活塞杆的气缸的总称。
有磁性气缸,缆索气缸两大类。
做往复摆动的气缸称摆动气缸,由叶片将内腔分隔为二,向两腔交替供气,输出轴做摆动运动,摆动角小于280°。
此外,还有回转气缸、气液阻尼缸和步进气缸等。
三、气缸结构:气缸是由缸筒、端盖、活塞、活塞杆和密封件等组成,其内部结构如图所示:2:端盖端盖上设有进排气通口,有的还在端盖内设有缓冲机构。
杆侧端盖上设有密封圈和防尘圈,以防止从活塞杆处向外漏气和防止外部灰尘混入缸内。
杆侧端盖上设有导向套,以提高气缸的导向精度,承受活塞杆上少量的横向负载,减小活塞杆伸出时的下弯量,延长气缸使用寿命。
导向套通常使用烧结含油合金、前倾铜铸件。
端盖过去常用可锻铸铁,为减轻重量并防锈,常使用铝合金压铸,微型缸有使用黄铜材料的。
3:活塞活塞是气缸中的受压力零件。
为防止活塞左右两腔相互窜气,设有活塞密封圈。
活塞上的耐磨环可提高气缸的导向性,减少活塞密封圈的磨耗,减少摩擦阻力。
耐磨环长使用聚氨酯、神威气动 聚四氟乙烯、夹布合成树脂等材料。
活塞的宽度由密封圈尺寸和必要的滑动部分长度来决定。
神威气动 文档标题:气缸图纸气缸图纸的介绍:引导活塞在缸内进行直线往复运动的圆筒形金属机件。
空气在发动机气缸中通过膨胀将热能转化为机械能;气体在压缩机气缸中接受活塞压缩而提高压力。
涡轮机、旋转活塞式发动机等的壳体通常也称“气缸”。
气缸的应用领域:印刷(张力控制)、半导体(点焊机、芯片研磨)、自动化控制、机器人等等。
二、气缸种类:①单作用气缸:仅一端有活塞杆,从活塞一侧供气聚能产生气压,气压推动活塞产生推力伸出,靠弹簧或自重返回。
②双作用气缸:从活塞两侧交替供气,在一个或两个方向输出力。
③膜片式气缸:用膜片代替活塞,只在一个方向输出力,用弹簧复位。
它的密封性能好,但行程短。
④冲击气缸:这是一种新型元件。
它把压缩气体的压力能转换为活塞高速(10~20米/秒)运动的动能,借以做功。
⑤无杆气缸:没有活塞杆的气缸的总称。
有磁性气缸,缆索气缸两大类。
做往复摆动的气缸称摆动气缸,由叶片将内腔分隔为二,向两腔交替供气,输出轴做摆动运动,摆动角小于280°。
此外,还有回转气缸、气液阻尼缸和步进气缸等。
三、气缸结构:气缸是由缸筒、端盖、活塞、活塞杆和密封件等组成,其内部结构如图所示:2:端盖端盖上设有进排气通口,有的还在端盖内设有缓冲机构。
杆侧端盖上设有密封圈和防尘圈,以防止从活塞杆处向外漏气和防止外部灰尘混入缸内。
杆侧端盖上设有导向套,以提高气缸的导向精度,承受活塞杆上少量的横向负载,减小活塞杆伸出时的下弯量,延长气缸使用寿命。
导向套通常使用烧结含油合金、前倾铜铸件。
端盖过去常用可锻铸铁,为减轻重量并防锈,常使用铝合金压铸,微型缸有使用黄铜材料的。
3:活塞活塞是气缸中的受压力零件。
为防止活塞左右两腔相互窜气,设有活塞密封圈。
活塞上的耐磨环可提高气缸的导向性,减少活塞密封圈的磨耗,减少摩擦阻力。
耐磨环长使用聚氨酯、聚四氟乙烯、夹布合成树脂等材料。
活塞的宽度由密封圈尺寸和必要的滑动部分长度来决定。
滑动部分太短,易引起早期磨损和卡死。
QGA、QGB系列普通气缸气缸理论力输出表(N)β=100%技术参数1、工作介质:干燥净化压缩空气2、工作压力:0.1~1MPa(1-10bar)3、工作温度:10℃~70℃4、活塞运动速度:50~5000mm/s5、寿命:≥300KM6、各种缸径理论输出力和行程选用范围:缸径mm 32 40 50 63 80 100 125 160 200 250 320压力为0.63MPa时的理论作用力(Kg) 推力50 79 123 196 316 494 773 1266 1979 3079 5064 拉力43 67 104 176 285 445 695 1140 1781 2783 4868行程选择范围10~2000mm基本形尺寸单位:mm缸径 d KK AM EE φB WH VD L φDD TG E 32 12 M10×1.25 22 G1/8" 30 24 15 98 M6 35 50 40 16 M12×1.25 24 G1/4" 30 30 23 105 M6 42 55 50 20 M16×1.5 32 G1/4" 35 35 25 110 M6 48 65 63 20 M16×1.5 32 G3/8" 40 35 25 125 M8 58 80 80 25 M20×1.5 40 G1/2" 50 46 30 128 M10 75 100 100 25 M20×1.5 40 G1/2" 50 51 35 138 M10 90 120 125 32 M27×2 54 G1/2" 60 61 44 168 M12 110 140 160 45 M36×2 72 G3/4" 80 80 50 180 M16 142 180 200 45 M36×2 72 G1/4" 80 90 55 190 M20 180 220 250 50 M42×2 84 G1" 90 105 70 200 M20 215 280 320 63 M48×2 96 G1" 105 120 75 225 M24 205 350活塞杆用连接件(代号:LZ)外形尺寸图表缸径CE CK CL CM DA ER KK LE12+0.332 38 10 4020 20 M10×1.25 15+0.116+0.324 24 M12×1.25 2040 45 12 44+0.116+0.350,63 54 16 4428 28 M16×1.5 20+0.130+0.360,100 70 20 6636 36 M20×1.5 28+0.132+0.3125 89 25 7144 44 M27×2 32+0.136+0.358 58 M36×2 40 160,200 115 32 80+0.142+0.3250 130 40 9264 64 M42×2 50+0.1320 146 50 110 50+0.3 70 70 M48×2 63+0.1MS1轴向底座安装式MT4中间轴销安装式MS1轴向底座MT4中间轴销安装尺寸单位:mm缸径AH TR φAB SA XA AO UW φTD R TL TM XV32 32 32 7 142 144 8 50 12 1 12 50 7240 36 36 9 161 163 15 65 16 1.5 16 63 82.550 45 45 9 170 175 15 80 16 1.6 16 75 9063 50 50 9 185 190 15 98 20 1.6 20 90 97.580 63 63 12 210 215 20 120 20 1.6 20 110 110 100 71 75 14 220 230 25 145 25 2 25 132 120 125 90 90 16 250 270 25 175 25 2 25 160 145 160 115 115 18 300 320 25 220 32 2.5 32 200 170 200 135 135 22 320 345 35 260 32 2.5 32 250 185250 165 165 26 350 380 40 320 40 3.2 40 320 205 320 200 200 33 390 425 45 400 40 3.2 50 400 230MF1前法兰安装式MF2 后法兰安装式MF1前法兰MF2后法兰安装尺寸单位:mm缸径UF TF φFB R W ZB ZF δ32 82 64 7 32 16 122 128 640 92 72 9 36 20 135 145 1050 110 90 9 45 25 145 155 1063 128 100 9 50 25 160 170 1080 160 126 12 63 30 174 190 16100 185 150 14 75 35 189 205 16125 220 180 16 90 45 229 245 16160 275 230 18 115 60 260 280 20200 315 270 22 135 70 280 300 20250 390 330 26 165 80 305 330 25320 470 400 33 200 90 340 370 30MP2尾部双耳座安装式MP4尾部单耳座安装式MP2尾部双耳座MP4尾部单耳座安装尺寸单位:mm缸径UB CB CD L MR XD EW δ32 45 26 10 13 11 142 26 740 52 28 12 15 12 160 28 1050 60 32 12 15 12 170 32 1063 70 40 16 20 16 190 40 1080 90 50 16 20 16 210 50 16100 110 60 20 25 20 230 60 16 125 130 70 25 30 25 275 70 16160 170 90<,/o:p>30 35 30 315 90 20200 170 90 30 35 30 335 90 20 250 200 110 40 45 40 375 110 25 320 200 120 45 50 45 420 120 25QGB-K、QGB-F、QGB-KF带开关、带阀气缸。