食品安全地方标准贵州辣椒面编制说明
- 格式:doc
- 大小:46.00 KB
- 文档页数:11
ICSB 21DB52贵州省地方标准DB 52/T 457—2004发酵辣椒品质量安全标准-01 实施 -20 发布 2004 -092004 -05贵州省质量技术监督局 发 布目 次目 次 (I)前 言 (1)1范围 (2)2规范性引用文件 (2)3定义 (2)4产品分类 (3)5要求 (3)6试验方法 (6)7检验规则 (6)8标志、包装、运输、贮存 (7)前 言本标准为规范我省发酵辣椒制品的质量安全而制定,为条文强制标准。
本标准5.2、5.3、5.4、5.5、5.6及8.1为强制性的条款,其余为推荐性的:本标准由贵州省食品工业办公室提出并归口:本标准由贵州省质量技术监督局批准:本标准由贵州省食品工业协会辣椒专业委员会、贵州省食品工业标准化技术委员会及贵州准化协会联合主持起草;贵州老干爹食品有限责任公司、遵义大山食品有限责任公司、遵义县辣椒食品厂、贵定黔瑞食品有限责任公司、贵州省凯里市双鲵酱菜有限责任公司参加起草。
本标准主要起草人:杨世尧、杨远猷、周介济、王永庆、邓承仁、杨成友、王遵、王先祝、温丽群。
发酵辣椒品质量安全标准1范围本标准规定了发酵辣椒制品的定义,产品分类、要求、试验方法、检验规则和标签、包装、运输、贮存的要求。
本标准适用于贵州省范围内生产,加工和销售的发酵辣椒制品。
2规范性引用文件下列文件中的条款通过本标准的引用而成为本标准的条款。
凡是注明日期的文件,其随后的修改单[不包括勘误的内容]或修订版均不适用于本标准,然而,鼓励根据本标准达成协议的各方研究是否可以使用这些文件的最新版本。
凡是不注明日期的引用文件。
其最新版本适用本标准。
GB/T 1007 罐头食品净重和固形物含量的测定GB 2760 食品添加剂使用卫生标准GB 4789 食品卫生微生物学检验 微生物部分GB/T 5009.3 食品中水分的检验方法GB/T 5009.11 食品中总砷及无机砷的测定方法GB/T 5009.12 食品中铅的测定方法GB/T5009.22 食品中黄曲霉毒素B1的测定方法GB/T 5009.33 食品中Ⅱ硝酸盐和硝酸盐的测定方法DB 52/T 457—2004GB/T 5009.40 酱卫生标准的分析方法GB/T 5538 油脂过氧化值测定GB 7718 食品标签通用标准GB/T 12457 食品中氯化钠的测定方法GB/T 18186 酿造酱油JJF l070 定量包装商品净含量计量检验规则3定义3.1发酵辣椒制品使用鲜辣椒为主要原料,并添加生姜、大蒜、豆类,、某些蔬菜、山野菜、食盐等辅料,采用传统工艺发酵腌制或发酵后加工而成的辣椒制品。
《有机辣椒生产技术规程》地方标准(征求意见稿)编制说明一、立项背景辣椒属茄科、一年或多年生草本植物,是世界上最重要的蔬菜作物之一,因果皮含有辣椒素而有辣味。
作为全国五大辣椒生产省份之一,贵州辣椒种植历史悠久,2010年辣椒种植面积达到了22.67万hm2已经成为我国南方最大的辣椒集散地。
由于立体气候特征明显,区域气候差异较大,生态环境复杂,在长期的栽培过程中形成了丰富的地方名优品种,如:百宜平面椒、福泉长线椒、独山拉岭辣椒、大方皱椒和遵义朝天椒等。
如今随着生活水平的提高,人们对农产品质量安全意识日益增强,含化肥、农药、激素、重金属残留的农副产品会逐步失去市场,无公害农产品、绿色食品、有机食品越来越受人们的欢迎,生产有机辣椒能进一步推动贵州辣椒产业发展。
但是,由于贵州辣椒科研起步晚,投入少,导致各地生产标准化程度低,获得品牌认证辣椒少,产业优势和潜力尚未得到很好的发展,其效益远远没有达到应有的水平。
加之贵州辣椒种类多、地方品种多,且目前没有相应的有机辣椒生产技术规程国标和行标对有机辣椒的标准化生产进行规范。
本标准针对该现状,旨在制定省内有机辣椒地方标准,规范有机辣椒生产过程,保障辣椒的苗壮整齐、果实质量好及营养健康,使生产者掌握优质优价的有机辣椒的生产技术,让消费者吃到高安全高营养的有机菜,增加农民收入,同时也为同类型地区推广提供科学依据。
二、任务来源任务来源是我单位承担实施的省科技厅、省农科院的科技项目:贵州省农业攻关计划项目“高山蔬菜有机生产技术研究”[黔科合NY字(2010)3019号]、贵州省重大科技攻关项目“贵州蔬菜良种及配套高产栽培技术研究”子专项“有机蔬菜生产试验研究” [黔科合NY字(2006)3001号]、省农科院人才项目“一年多茬有机蔬菜栽培技术研究“[黔农科合(人才)08013号]。
贵州地方标准《有机辣椒生产技术规程》的制定是这些项目研究成果的总结与体现之一。
本标准是贵州省质量技术监督局《2014年贵州省地方标准修订项目计划》中的项目,由贵州省园艺研究所提出,贵州省园艺研究所负责起草本规程。
ICS点击此处添加中国标准文献分类号备案号:DB52贵州省地方标准DB 52XXXXX—2016食品安全地方标准辣椒干Local food safety standards-Dried chilli(征求意见稿)2016-XX-XX发布 2016-XX- XX实施贵州省卫生和计划生育委员会发布前言本标准按照GB/T 1.1—2009《标准化工作导则第1部分:标准的结构和编写》给出的规则起草。
请注意本文件的某些内容可能涉及专利。
本文件的发布机构不承担识别这些专利的责任。
本标准由贵州省产品质量监督检验院提出。
本标准由贵州省卫生和计划生育委员会归口。
本标准参加起草单位:贵州省产品质量监督检验院(国家酒类及加工食品质量监督检验中心)、贵州省果树蔬菜工作站、贵州大学生命科学学院。
本标准起草人:梁桂娟、张旭东、龚明宇、寻思颖、张绍刚、谭书明、韩志平、张建、舒梅宝、廖妍俨、龙四红、张涛、周筑平、杨继怡。
食品安全地方标准辣椒干1 范围本标准规定了辣椒干的术语和定义、要求(检验方法)、检验规则、标签、包装、运输和贮存。
本标准适用于贵州省境内生产加工的,非即食的各类辣椒干。
2 规范性引用文件下列文件对于本文件的应用是必不可少的。
凡是注日期的引用文件,仅注日期的版本适用于本文件。
凡是不注日期的引用文件,其最新版本(包括所有的修改单)适用于本文件。
GB 2760 食品安全国家标准食品添加剂使用标准GB 2761 食品安全国家标准食品中真菌毒素限量GB 2762 食品安全国家标准食品中污染物限量GB 2763 食品安全国家标准食品中农药最大残留限量GB 5009.3 食品安全国家标准食品中水分的测定GB 5009.11 食品安全国家标准食品中总砷及无机砷的测定GB 5009.12 食品安全国家标准食品中铅的测定GB 7718 食品安全国家标准预包装食品标签通则GB/T 12729.7 香辛料和调味品总灰分的测定GB/T 12729.9香辛料和调味品酸不溶性灰分的测定GB 14881 食品安全国家标准食品生产通用卫生规范GB 28050 食品安全国家标准预包装食品营养标签通则JJF 1070 定量包装商品净含量计量检验规则国家质检总局75号令(2005)定量包装商品计量监督管理办法3 术语与定义下列术语和定义适用于本文件。
《有机辣椒生产技术规程》地方标准(征求意见稿)编制说明一、立项背景辣椒属茄科、一年或多年生草本植物,是世界上最重要的蔬菜作物之一,因果皮含有辣椒素而有辣味。
作为全国五大辣椒生产省份之一,贵州辣椒种植历史悠久,2010年辣椒种植面积达到了22.67万hm2已经成为我国南方最大的辣椒集散地。
由于立体气候特征明显,区域气候差异较大,生态环境复杂,在长期的栽培过程中形成了丰富的地方名优品种,如:百宜平面椒、福泉长线椒、独山拉岭辣椒、大方皱椒和遵义朝天椒等。
如今随着生活水平的提高,人们对农产品质量安全意识日益增强,含化肥、农药、激素、重金属残留的农副产品会逐步失去市场,无公害农产品、绿色食品、有机食品越来越受人们的欢迎,生产有机辣椒能进一步推动贵州辣椒产业发展。
但是,由于贵州辣椒科研起步晚,投入少,导致各地生产标准化程度低,获得品牌认证辣椒少,产业优势和潜力尚未得到很好的发展,其效益远远没有达到应有的水平。
加之贵州辣椒种类多、地方品种多,且目前没有相应的有机辣椒生产技术规程国标和行标对有机辣椒的标准化生产进行规范。
本标准针对该现状,旨在制定省内有机辣椒地方标准,规范有机辣椒生产过程,保障辣椒的苗壮整齐、果实质量好及营养健康,使生产者掌握优质优价的有机辣椒的生产技术,让消费者吃到高安全高营养的有机菜,增加农民收入,同时也为同类型地区推广提供科学依据。
二、任务来源任务来源是我单位承担实施的省科技厅、省农科院的科技项目:贵州省农业攻关计划项目“高山蔬菜有机生产技术研究”[黔科合NY字(2010)3019号]、贵州省重大科技攻关项目“贵州蔬菜良种及配套高产栽培技术研究”子专项“有机蔬菜生产试验研究” [黔科合NY字(2006)3001号]、省农科院人才项目“一年多茬有机蔬菜栽培技术研究“[黔农科合(人才)08013号]。
贵州地方标准《有机辣椒生产技术规程》的制定是这些项目研究成果的总结与体现之一。
本标准是贵州省质量技术监督局《2014年贵州省地方标准修订项目计划》中的项目,由贵州省园艺研究所提出,贵州省园艺研究所负责起草本规程。
贵州:起草五项食品地方标准
佚名
【期刊名称】《中国标准导报》
【年(卷),期】2014(000)009
【摘要】近日,贵州省产品质量监督检验院牵头及各行业专家起草的贵州辣子鸡、代用茶、贵州腊肉、水果味月饼、小曲清香型白酒等五项贵州省地方标准征求意见稿已完成,从8月11日开始在贵州省卫生计生委网上公开征求意见。
本批标准针对每种食品的色泽、口味、外观等都做出了明确规定。
贵州辣子鸡标准要求,辣子鸡鸡肉呈块状,有辣椒等敷着物,
【总页数】1页(P11-11)
【正文语种】中文
【相关文献】
1.关于起草《食品安全地方标准贵州辣椒面》工作的研究
2.《贵州糍粑辣椒》食品安全地方标准制定工作的研究
3.关于发布《食品安全地方标准生驼乳》
(DBS65010-2017)等10项食品安全地方标准的公告4.2013—2017年贵州省食品安全地方标准制定现况分析5.2017年贵州省3项食品安全地方标准跟踪评价结果分析
因版权原因,仅展示原文概要,查看原文内容请购买。
《调味面制食品》地方标准编制说明一、制定标准的目的。
调味面制食品作为郑州市区域性的特色食品,为郑州市部分县区的经济发展,剩余劳动力的就业,商品物流业的发展,农产品的转化做出了一定贡献;但由于该行业技术含量低、准入条件低,普遍存在企业规模小、质量管理混乱、环境条件差的状况,存在一定的食品安全隐患,对人民群众的饮食健康安全构成了威胁。
另一方面由于该类产品没有统一的国家标准、行业标准、地方标准,产品的分类也没有明确的归类,企业在制定企业标准时,随意性大,卫生指标设定不一,为该类食品的监管增加了难度;为统一此类产品的安全性要求,加快推进食品市场准入制度,保障人们饮食健康安全,根据省局的要求制定本标准。
二、标准制定的过程为学习和了解兄弟省市对调味面制食品的监管经验,开拓视野,更新观念,转换脑筋,为我省加强对调味面制食品监管工作提供参考。
2007年11月1日至4日,由省局领导的带领下,郑州市局和检测中心到湖南学习考察了调味面制食品的标准制定和使用情况。
通过学习考察我们了解了湖南省局对调味面制食品的产品类别定位,实施市场准入工作中所做的工作,对允许食品添加剂的范围确定,了解了湘味面粉熟食地方标准的制定原因、报批经过。
通过对湖南省地方标准的研究,认为该地方标准具有较强的可操作性,为湖南省调味面制食品的规范生产,树立了标杆,起到了积极的推动作用;但该标准中还存在有一定的局限性,还有许多问题无法解决,在标准的全面实施方面还存在一些障碍。
根据外地经验,结合河南实际我们建议起草河南省地方标准,争取较好的解决有关问题。
为作好标准起草工作,我们成立了由生产企业、科研单位、质检机构、监管部门等单位参加的标准起草小组,初步拟定了标准工作方案和工作计划。
我们收集了兄弟省市的地方标准,相关和类似产品的产品标准和卫生标准。
三、制定依据GB/T 191 包装储运图示标志GB 1355 小麦粉GB 2716 食用油卫生标准GB 2760 食品添加剂使用卫生标准GB/T 4789.2 食品卫生微生物学检验菌落总数的测定GB/T 4789.3 食品卫生微生物学检验大肠菌群的测定GB/T 4789.4 食品卫生微生物学检验沙门氏菌检验GB/T 4789.5 食品卫生微生物学检验致贺氏菌检验GB/T 4789.10 食品卫生微生物学检验金黄色葡萄球菌检验GB/T 4789.11 食品卫生微生物学检验溶血性莲球菌检验GB/T 4789.15 食品卫生微生物检验霉菌和酵母计数GB/T 5009.3 食品中水分的测定方法GB/T 5009.11 食品中总砷和无机砷的测定GB/T 5009.12 食品中总铅的测定GB/T 5009.22 食品中黄曲霉素B1的测定方法GB/T 5009.34 食品中亚硫酸盐的测定方法GB/T 5009.35 食品中合成着色剂的测定方法GB/T 5009.37 食用植物油卫生标准的检测方法GB/T 5009.182 面制食品中铝的测定GB 5461 食用盐GB 5749 生活饮用水卫生标准GB 6543 瓦楞纸箱GB 7718 预包装食品标签通则GB 9683 复合食品包装袋卫生标准GB 9688 食品包装用聚丙烯成型品卫生标准GB/T 10005 双向拉伸聚丙烯(BOPP)/低密度聚乙烯(LDPE)复合膜袋GB 10221 感官检验术语GB/T 10465 辣椒干GB/T 12457 食品中氯化钠的测定方法GB 14881 食品企业通用卫生规范GB/T 15691 香辛料调味品通用技术条JJF 1070 定量包装商品净含量计量检验规则QB 1500 味精QB/T 1871 双向拉伸尼龙(BOPA)/低密度聚乙烯(LDPE)复合膜袋国家质检总局(2005)第75号令《定量包装商品计量监督管理办法》国家质检总局(2007)第102号令《食品标识管理规定》四、标准中各参数的设臵依据1、感官项目要求,因该产品的组织形态和色泽、口味有很多品种,并且还会又不断的变化,在感官上只做了一些原则性的设定。
团体标准《腌渍辣椒制品》编制说明一、团体标准制定的背景《食品安全地方标准贵州发酵辣椒制品》DBS52/012-2016(代替DB52/457-2004)的发布实施,得到了全省辣椒制品生产企业的广泛应用。
但是,近期由于我省辣椒制品生产企业生产的“小米辣泡椒”产品在使用贵州地方标准“发酵辣椒制品”时,发生同一产品由于各地监管部门和检测机构对执行标准归类的理解不同,使得检测判定为合格或不合格的完全相反结论,造成监管部门监抽这类产品时把握的标尺不统一,如此将会对我省几十家类似生产企业生产的泡椒、糟辣椒等产品行业造成巨大的损害。
“泡椒、糟辣椒”产品的在工业化生产时,大多须要加防腐剂,才能确保产品质量安全的稳定性和产品货架期。
我省DBS52/ 012-2016 《食品安全地方标准贵州发酵辣椒制品》,由于标准名称上有“发酵”二字,有的检测机构就按照GB 2760-2014《食品安全国家标准食品添加剂使用标准》中发酵蔬菜制品要求,不得检出防腐剂。
为了贵州省辣椒制品产业的健康发展,原贵州省卫计委为此发布了食品安全地方标准《贵州发酵辣椒制品》(DBS52/012-2016)第1号修改单(2018年5月3日第1号公告)。
修改内容为:将原DBS52/012-2016中5.6食品添加剂“食品添加剂的使用应符合GB 2760的相关规定”修改为“5.6.1产品分类为4.1.1–4.1.4的食品添加剂使用应符合GB 2760中腌渍的蔬菜的规定;5.6.2产品分类为4.1.5的食品添加剂使用应符合GB 2760中酱及酱制品规定。
”修改单明确了“糟辣椒(剁辣椒)、风味油酸辣、泡椒、辣椒酱”食品添加剂使用应符合GB 2760中腌渍的蔬菜的规定。
根据GB 2714-2015食品安全国家标准酱腌菜》术语和定义中2.1酱腌菜“以新鲜蔬菜为主要原料,经腌渍和酱渍加工而成的各种蔬菜制品,如酱渍菜、盐渍菜、酱油渍菜、糖渍菜、醋渍菜、糖醋渍菜、虾油渍菜、发酵酸菜和糟渍菜等”。
调味辣椒粉(⾷品安全企业标准)调味辣椒粉1范围本标准规定了调味辣椒粉的技术要求、试验⽅法、检验规则、标志、包装、运输及贮存。
本标准适⽤于以辣椒粉为主要原料,辅以⾹⾟料(丁⾹粉、桂⽪粉、茴⾹粉、⼋⾓粉)和⾷⽤植物油,经混匀、分装⽽制成的即⾷调味辣椒粉。
2规范性引⽤⽂件下列⽂件对于本⽂件的应⽤是必不可少的。
凡是注⽇期的引⽤⽂件,仅注⽇期的版本适⽤于本标准。
凡是不注⽇期的引⽤⽂件,其最新版本(包括所有的修改单)适⽤于本⽂件。
GB/T 191 包装储运图⽰标志GB 2716 ⾷⽤植物油卫⽣标准GB 2760 ⾷品安全国家标准⾷品添加剂使⽤标准GB 2761 ⾷品安全国家标准⾷品中真菌毒素限量GB 2762 ⾷品安全国家标准⾷品中污染物限量GB 4789.1 ⾷品安全国家标准⾷品微⽣物学检验总则GB 4789.2 ⾷品安全国家标准⾷品微⽣物学检验菌落总数测定GB 4789.3 ⾷品安全国家标准⾷品微⽣物学检验⼤肠菌群测定GB 4789.4 ⾷品安全国家标准⾷品微⽣物学检验沙门⽒菌检验GB 4789.10 ⾷品安全国家标准⾷品微⽣物学检验⾦黄⾊葡萄球菌检验GB 4789.15 ⾷品安全国家标准⾷品微⽣物学检验霉菌和酵母计数GB 5009.3 ⾷品安全国家标准⾷品中⽔分的测定GB 5009.4 ⾷品安全国家标准⾷品中灰分的测定GB 5009.11 ⾷品安全国家标准⾷品中总砷及⽆机砷的测定GB 5009.12 ⾷品安全国家标准⾷品中铅的测定GB 5009.227 ⾷品安全国家标准⾷品中过氧化值的测定GB 5009.229 ⾷品安全国家标准⾷品中酸价的测定GB/T 7652 ⼋⾓GB 7718 ⾷品安全国家标准预包装⾷品标签通则GB 9683 复合⾷品包装袋卫⽣标准GB 14881 ⾷品安全国家标准⾷品⽣产通⽤卫⽣规范GB/T 15691 ⾹⾟调味品通⽤技术条件GB/T 18979 ⾷品中黄曲霉毒素的测定免疫亲和层析净化⾼效液相⾊谱法和光光度法GB/T 22300 丁⾹GB/T 23183 辣椒粉GB/T 30381 桂⽪JJF 1070 定量包装商品净含量计量检验规则国家质量监督检验检疫总局令第75号《定量包装商品计量监督管理办法》国家质量监督检验检疫总局令第123号《⾷品标识管理规定》3 技术要求3.1 原料和辅料要求3.1.1 原料:辣椒粉:应符合GB/T 23183的规定。
《食品安全地方标准鲊辣椒》编制说明(征求意见稿)一、标准背景及任务来源(一)标准背景为进一步发挥标准体系在贵州经济社会发展中的重要作用,围绕省委省政府主基调、主战略、同步小康等重大决策部署和中心工作,省质监局决定在特色优势产业、民生保障、社会管理、公共服务等重点领域建设十大标准体系,2014年10月省政府批文(黔府函[2014]203号)“省人民政府关于贵州省十大标准体系建设工作方案的批复”,《贵州辣椒技术标准体系》就是十大标准体系其中之一。
2015年5月省卫计委同意食品安全地方标准立项(黔卫计办函[2015]94号),立项标准名称:贵州辣椒产品加工技术规程及辣椒制品系列标准。
《食品安全地方标准鲊辣椒》,是计划完成的7个辣椒制品系列标准的其中之一。
鲊辣椒作为贵州具有特色的辣椒制品,深受消费者青睐,具有一定的市场前景,由于目前没有相关的产品质量标准,制约了其在国内市场上的发展。
目前我省鲊辣椒加工小作坊居多,为了规范鲊辣椒生产,提高鲊辣椒的产品质量,引导和促进鲊辣椒生产的健康发展。
通过制定鲊辣椒产品标准,使质量安全有了具体的标准要求,将可以提升我省鲊辣椒生产的技术水平,消除鲊辣椒产品质量安全隐患,从而增强我省特色食品在市场的竞争力。
(二)任务来源贵州省卫生和计划生育委员会办公室关于同意《贵州苕粉》等25项贵州省食品安全地方标准立项的通知(黔卫计函〔2015〕94号)。
二、标准编制过程本标准的编制工作从 2015年6月份开始,由贵州省产品质量监督检验院(国家酒类及加工食品质量监督检验中心)牵头,遵义市产品质量检验检测院、贵州省遵义县贵三红食品有限责任公司共同承担。
在拟订标准编制工作进度后,贵州省遵义县贵三红食品有限责任公司试生产了3个批次的鲊辣椒,该公司在市场又采集了7个批次的鲊辣椒(其中3个莽海椒),遵义市产品质量检验检测院在市场也采集了10个批次的鲊辣椒,进行了数据摸底检测,鲊辣椒数据汇总见附件1。
无公害食品辣椒生产技术规程的地方标准编制说明一、任务来源及起草单位根据省质量技术监督局文件《关于下达20XX年第九地省方标准制定(修订)项目计划的通知》的通知,我单位承担的省地方标准《无公害食品辣椒生产技术规程》于20XX 年11月23日获得立项。
本标准由省农业厅提出,由省农业科学院蔬菜研究所、XX市XX区XX镇昌盛无公害蔬菜经济协会和省标准技术研究院负责起草。
二、制定标准的必要性辣椒在我省的种植面积约XX万亩,年产值约X亿元,其中XX市的种植面积约10万亩,大多以露地生产为主,产品主要供应外运市场,是种植区农民种植致富的好项目。
然而,由于长期种植导致地力下降、病虫害严重,种植户在生产过程中使用大量的化肥和农药,易造成产品的污染。
建立无公害辣椒生产技术规程,对保障辣椒产品的质量安全,保护消费者和种植户的利益都具有重大意义。
三、标准的制定过程1、前期研究工作。
20XX年,由省农业科学院蔬菜研究所承担的项目“那马蔬菜标准化生产技术应用示范”,经过连续2年〜3年的研究、推广工作,为本标准的制定提供了大量、翔实的实验数据和大面积应用验证资料,为制定本地方标准打下了坚实的基础。
2、为做好《无公害食品辣椒生产技术规程》省地方标准的编制工作,省农科院蔬菜研究所、XX市XX区XX镇昌盛无公害蔬菜经济协会和省标准技术研究院成立了XXX为组长, XXX....等组成的标准起草工作小组,制定了总体计划。
3、课题组成员在前期研究工作以及实地调研的基础上,对辣椒无公害生产技术进行系统总结,并查阅了大量的国内文献资料,确定了省地方标准《无公害食品辣椒生产技术规程》的基本内容和思路,形成了标准的基本构架。
4、《无公害食品辣椒生产技术规程》省地方标准依据国家无公害食品生产相关规定,按国家标准化要求,在省农业科学院蔬菜研究所的研究成果和XX市XX区XX镇昌盛无公害蔬菜经济协会应用数据的基础上,标准起草小组参考国内相关文献资料以及技术标准资料编写而成。
复合辣椒面(含油固态调味料)1范围本标准规定了辣椒面复合调味料的技术要求、检验规则、标志、标签、包装、运输、贮存和保质期。
本标准适用于以辣椒干为原料,辅以香辛料,经分选、破碎、大豆-菜籽油炒制、研磨、过筛,再添加食用盐、白砂糖、味精、鸡粉调味料、辣椒油香精及食品添加剂(二氧化硅、呈味核苷酸二钠),后经混合、调配、干燥、包装而成的即食含油固态调味料。
2规范性引用文件下列文件对于本文件的应用是必不可少的。
凡是注日期的引用文件,仅注日期的版本适用于本标准。
凡是不注日期的引用文件,其最新版本(包括所有的修改单)适用于本文件。
GB/T 191 包装储运图示标志GB/T 317 白砂糖GB/T 1532 花生GB/T 1535 大豆油GB/T 1536 菜籽油GB 1886.171 食品安全国家标准食品添加剂 5′-呈味核苷酸二钠(又名呈味核苷酸二钠)GB 2760 食品安全国家标准食品添加剂使用标准GB 2761 食品安全国家标准食品中真菌毒素限量GB 2762 食品安全国家标准食品中污染物限量GB 4789.1 食品安全国家标准食品微生物学检验总则GB 4789.2 食品安全国家标准食品微生物学检验菌落总数测定GB 4789.3 食品安全国家标准食品微生物学检验大肠菌群计数GB 4806.7 食品安全国家标准食品接触用塑料材料及制品GB 5009.3 食品安全国家标准食品中水分的测定GB 5009.11 食品安全国际标准食品中总砷及无机砷的测定GB 5009.12 食品安全国家标准食品中铅的测定GB 5009.22 食品安全国家标准食品中黄曲霉毒素B族和G族的测定GB 5009.44 食品安全国家标准食品中氯化物的测定GB/T 5461 食用盐GB 7718 食品安全国家标准预包装食品标签通则GB/T 8967 谷氨酸钠(味精)GB/T 11761 芝麻GB 14881 食品安全国家标准食品生产通用卫生规范GB/T 15691 香辛料调味品通用技术条件GB 25576 食品安全国家标准食品添加剂二氧化硅GB 28314 食品安全国家标准食品添加剂辣椒油树脂GB 29921 食品安全国家标准食品中致病菌限量GB/T 30382 辣椒(整的或粉状)GB 30616 食品安全国家标准食品用香精SB/T 10415 鸡粉调味料JJF 1070 定量包装商品净含量计量检验规则国家质量监督检验检疫总局令第75号《定量包装商品计量监督管理办法》国家质量监督检验检疫总局令第123号《食品标识管理规定》3 技术要求3.1 原料和辅料要求3.1.1.原料要求3.1.1.1 辣椒:应符合GB/T 30382的规定。
贵阳市工商行政管理局关于清查流通环节不合格辣椒面制品
的通知
【法规类别】食品卫生
【发文字号】筑工商通[2012]219号
【发布部门】贵阳市工商行政管理局
【发布日期】2012.08.17
【实施日期】2012.08.17
【时效性】现行有效
【效力级别】地方规范性文件
贵阳市工商行政管理局关于清查流通环节不合格辣椒面制品的通知
(筑工商通〔2012〕219号)
各区(市、县)局、经济技术开发区分局、高新开发区分局、金阳分局:
省质检局在全省辣椒面制品专项抽检中,检出13个批次的辣椒面制品不合格,为把好流通领域食品安全关,杜绝不合格食品流入贵阳市流通环节,特提出如下工作要求,请抓好贯彻落实。
一、请各局对辖区流通环节食品市场进行集中清查,清查范围为:毕节市明吉食品有限公司生产的糊辣椒面(70g /包,2012-05-02),毕节市熊家全副食品店生产的风味烙烤辣椒面(30g /包,
1 / 1。
食品安全地方标准《贵州辣椒面》编制说明(征求意见稿)一、标准背景及任务来源(一)标准背景为进一步发挥标准体系在贵州经济社会发展中的重要作用,围绕省委省政府主基调、主战略、同步小康等重大决策部署和中心工作,省质监局决定在特色优势产业、民生保障、社会管理、公共服务等重点领域建设十大标准体系,2014年10月省政府批文(黔府函[2014]203号)“省人民政府关于贵州省十大标准体系建设工作方案的批复”,《贵州辣椒技术标准体系》就是十大标准体系其中之一。
2015年5月省卫计委同意食品安全地方标准立项(黔卫计办函[2015]94号),立项标准名称:贵州辣椒产品加工技术规程及辣椒制品系列标准。
《食品安全地方标准贵州辣椒面》,是立项计划完成的7个辣椒制品系列标准的其中之一。
辣椒面作为贵州具有特色的熟制辣椒制品,深受消费者青睐,具有一定的市场前景。
目前有一个国标GB/T23183-2009《辣椒粉》,但标准中的辣椒粉是指非即食性粉末,不适用于贵州特色即食性辣椒面、煳辣椒面和风味辣椒面。
而现行有效的贵州地方标准DB52/458-2004《辣椒粉质量安全标准》,由于制定时间至今有12年了,已不能适应现行相关国家标准及有关规定(食品生产许可审查细则要求等),该标准具体存在问题如下:(1)没有涵盖贵州煳辣椒面这类产品;(2)水分限定偏低;(3)菌落总数限制过严;(4)大肠菌群、致病菌指标的设置不符合新的食品安全国家标准要求;(5)该标准缺总灰分、酸不溶性灰分限量指标。
以上问题的存在,制约了地方标准使用及辣椒面生产企业的生产发展,因此迫切需要制定新的“贵州辣椒面”食品安全地方标准。
(二)任务来源贵州省卫生和计划生育委员会办公室关于同意《贵州苕粉》等25项贵州省食品安全地方标准立项的通知(黔卫计函〔2015〕94号)。
二、标准编制过程本标准的编制工作从2015年6月份开始,由贵州省产品质量监督检验院(国家酒类及饮料质量监督检验中心)牵头、贵州省食品工业协会、贵州乡下妹食品有限责任公司、贵州老干爹食品有限公司、贵州省大方县琼芳食品开发有限公司、贵州省毕节绿色畜牧科技开发有限责任公司共同承担。
在拟订标准编制工作进度后,收集了国内外相关标准,调取了以往辣椒面的检测数据20个批次,并采集了2015年生产的辣椒面15个批次进行测定,其中有贵州大方琼芳食品开发有限公司生产的烧烤辣椒面、碓舂辣椒面;贵州乡下妹食品有限公司生产的柴火辣椒面、断桥辣椒面、烧烤辣椒面;贵阳伊然红清真食品有限公司生产的香油烧烤辣椒面、山里红烧烤辣椒面、山里红糊辣椒面等。
共收集41个批次的辣椒面数据,检测数据汇总见附件。
经过大量数据整理、对比分析,起草小组对起草文本反复进行讨论和修改,于2016年2月完成了《食品安全地方标准贵州辣椒面》地方标准征求意见稿。
三、标准制定原则和主要技术内容确定的依据(一) 标准制定原则1、制定标准的格式按GB/T1.1—2009《标准化工作导则》。
2、标准中所涉及的卫生等重要指标均执行现行有效的强制性标准要求。
(二)确定制标主要技术内容的依据本标准制定的主要依据为GB 7099-2015《食品国家安全标准糕点、面包》、GB 29921-2011《食品安全国家标准食品中致病菌限量》、GB 7718-2011《食品安全国家标准预包装食品标签通则》、GB 28050-2011《食品安全国家标准预包装食品营养标签通则》、GB 2760-2014《食品安全国家标准食品添加剂使用标准》、GB2761-2011《食品安全国家标准食品中真菌毒素限量》、GB2762-2012《食品安全国家标准食品中污染物限量》、GB 14881-2013《食品安全国家标准食品生产通用卫生规范》、GB/T 23183-2009《辣椒粉》、GB/T 15691-2008《香辛料调味品通用技术条件》及《调味品生产许可审查细则》中“固态调味料”的有关规定,并根据产品配方、工艺特性和实测结果而确定。
四、主要技术指标的说明1 范围本标准规定了贵州辣椒面的术语和定义、产品分类、技术要求(检验方法)、检验规则、标签、包装、运输和贮存。
本标准适用于贵州省境内生产的可即食的预包装辣椒面。
2 术语和定义起草小组针对本标准中的定义进行了反复讨论,同时与生产企业多次沟通,最终定义为:辣椒面:以辣椒干为原料,经干燥或烘焙或炒制后,粉碎而成的辣椒粉状制品。
包括辣椒面和糊辣椒面风味辣椒面:以辣椒干为主要原料,先制成辣椒面。
在制作过程中配入一定量的辅料,辅料包括花生、大豆、芝麻、花椒、食盐、味精、脱水蔬菜(葱、姜、蒜)等全部或其中部份,分别经烘焙或用植物油炒制后粉碎成粉末,与辣椒面混合,调制而成的不同风味的辣椒面制品。
3 技术要求技术要求包括:原料要求、感官要求、理化卫生指标、微生物限量、净含量、污染物限量、真菌毒素限量、食品添加剂的使用、生产加工过程卫生要求等九项内容。
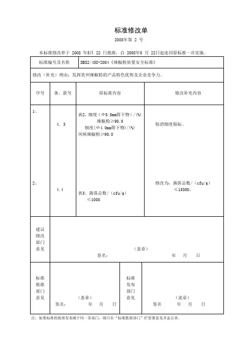
3.1感官要求DB52/458感官特性规定“粉状,无大片辣椒,无霉变无杂质……”,没有涵盖贵州煳辣椒面这类产品本标准。
本标准根据产品特色,感官要求把辣椒面、煳辣椒面、风味辣椒面的感官特点分别从色泽、组织状态、滋味与气味、杂质方面作了规定。
3.2理化指标本次制标共采集41个批次样品。
(1)水分:辣椒面、煳辣椒面水分检测值有13 组数据,为1.5-8.4g/100g,原来DB52/458的辣椒粉水分标准要求≤5.0 g/100g,我们到企业调研,有的企业反应贵州天气比较潮湿,辣椒粉的水分限制≤5.0 g/100g没有必要。
风味辣椒面水分有16 组数据,检测值为4.8-9.6g/100g,原来DB52/458的标准要求风味辣椒粉水分≤6.0 g/100g。
根据GB/T 23183要求水分≤11.0 g/100g,GB/T 15691要求水分≤14g/100g,结合我们检测数据,本标准修订为辣椒面水分≤10.0 g/100g,风味辣椒面水分≤11.0 g/100g(考虑风味辣椒面里会加有花生、芝麻等)。
(2)盐分:贵州辣椒面的生产,有一些企业的生产工艺是采用辣椒干与食盐混合一起进行炒制,会有部分食盐残留在最终产品中。
因此本标准盐分控制分二类:①辣椒面(配料表仅标注辣椒),考虑盐炒时带入的可能性,盐分要求≤3.0g/100g;②风味辣椒面(配料表标注除辣椒外,还有食盐等),考虑健康生活提倡低盐食品,结合DB52/458的盐分标准要求≤10.0g/100g,本标准修订为风味辣椒面盐分≤18.0 g/100g。
另外,在调研和日常检验中,我们发现,个别辣椒面生产企业为降低成本,增加重量,故意在辣椒面成品中增加食盐含量,甚至有的企业加盐了产品配料还不标注,因此本标准对盐分进行限制,可制约这些企业的不规范、造假行为。
本次检测23批次,检测值为0.3-23.7g/100g,本次检测仅有三个样品超过18.0g/100g,(3)无盐总灰分、酸不溶性灰分:DB52/458-2004未定该项指标。
《调味品生产许可审查细则》中“固态调味料”中香辛料对总灰分和酸不溶性灰分两项指标有要求。
这是因为有的辣椒粉中会添加抗结剂,抗结剂的成分是二氧化硅和硅酸盐等,它们是即使辣椒变成灰后,都不能被酸溶解的物质。
检测这两项指标的意义就在于,辣椒中不得添加过量的抗结剂。
另外,限制这两项指标可以防止有些辣椒面为增加重量添加过多食盐,还可以防止有些劣质辣椒面含有沙土等杂质。
在本次制标结果验证时我们发现,有相当一部分的辣椒面总灰分达到15-30%,但是这些批次的辣椒面我们和企业沟通并没有添加抗结剂,且该产品也未见有明显的沙土等杂质,而是盐分含量较高,如果扣除盐分后总灰分均达到≤10 g/100g,因此本标准根据贵州特色加工工艺,创建了“无盐总灰分”,这一新名词。
标准定义无盐总灰分:指辣椒面样品中扣除盐分以外的总灰分含量。
这样本标准限制的无盐总灰分与GB/T 23183要求总灰分才是一致的。
根据GB/T 23183要求总灰分≤10.0 g/100g,酸的不溶性灰分≤3.6 g/100g ,GB/T 15691要求总灰分≤10 g/100g,酸不溶性灰分≤5g/100g,结合我们检测数据,本次制标共检测 6 组,其中无盐总灰分10-10 g/100g,酸不溶性灰分0.3-3.0 g/100g,因此本标准设定辣椒面为无盐总灰分≤10.0 g/100g,酸不溶性灰分≤3.6 g/100g。
3.3卫生指标(1)总砷(以As计):GB2762对香辛料类不限制,GB/T 23183及GB/T 15691也无该项指标,但《调味品生产许可审查细则》中“固态调味料”有要求,考虑是即食辣椒面,且风味辣椒面也不单纯属于香辛料。
参考GBT 20293-2006 《油辣椒》规定As≤0.5mg/kg,原DB52/458规定As≤0.5 mg/kg,GB2762调味品As≤0.5 mg/kg,本次检测33 批次,检测值为0.01-0.1mg/kg,故本标准设定总砷(以As计)≤0.5 mg/kg。
(2)铅(以Pb计):本次检测32 批次,检测值为0.01-0.2mg/kg,GB2762中中调味品香辛料类的要求是≤3.0mg/kg,调味品≤1.0 mg/kg。
参考GBT 20293-2006 《油辣椒》规定Pb≤1.0mg/kg同原DB52/458规定一致,因此本标准设定铅(以Pb计)≤1.0 mg/kg。
(3)黄曲霉毒素B1:本次检测31 批次,检测值均为≤2.5µg/kg ,原来DB52的标准要求≤5µg/kg,但是GB2761-2011《食品安全国家标准食品中真菌毒素限量》及《调味品生产许可审查细则》中“固态调味料”均未直接对该类产品的黄曲霉毒素B1有限量要求,因此在满足食品安全的前提下,本标准取消黄曲霉毒素B1限量要求,减轻辣椒面生产企业的产品检测成本,如果新标准有要求时,可按本标准4.6条款执行:真菌毒素限量应符合GB2761中的相关规定。
3.4微生物指标《调味品生产许可审查细则》中“固态调味料”中对即食产品菌落总数、大肠菌群、致病菌有要求。
(1)菌落总数、大肠菌群:原DB52/458-的要求是菌落总数≤15000CFU/g,大肠菌群≤30MPN/100g,调研中企业反映,辣椒面菌落总数即使规范生产也很难达到≤15000CFU/g的要求,有些为了应对检查专门做“小灶”,但辣椒面的口感并不好,该指标设置不合理。
GB/T 23183及GB/T 15691无微生物指标限制,《2016年国家食品安全抽检计划》也未对该类香辛料类、固体复合调味料、半固体复合调味料的菌落总数、大肠菌群指标进行监测,仅对即食产品有致病菌指标监测。
菌落总数和大肠菌群均为卫生指标菌。