深孔钻镗床厂家_型号介绍
- 格式:docx
- 大小:731.35 KB
- 文档页数:4
钻床型号在现代制造业中,钻床是一种常见且重要的加工设备,它广泛应用于金属加工、木材加工和其他材料的钻孔工艺。
钻床的型号种类繁多,不同型号的钻床在加工能力、精度、稳定性等方面有着各自的特点。
本文将针对几种常见的钻床型号进行介绍和比较。
型号一:立式钻床立式钻床是一种常见的钻床设备,其主轴垂直于工作台面,钻头沿主轴方向运动进行钻孔加工。
立式钻床结构简单、操作方便,适用于小孔径的钻孔加工。
但是立式钻床在加工大孔径、深孔和重型工件时存在一定局限性。
型号二:卧式钻床卧式钻床是另一种常见的钻床型号,其主轴水平放置于工作台面上,钻头沿水平方向进行钻孔加工。
卧式钻床适用于加工大孔径、深孔和重型工件,具有较强的承载能力和稳定性。
但是操作相对立式钻床稍显复杂,需要特定的操作技能和经验。
型号三:臂式钻床臂式钻床是一种具有伸缩臂结构的钻床设备,通过伸缩臂的灵活运动,实现钻头在不同位置的精确定位。
臂式钻床适用于加工复杂曲面、异形工件,具有较强的灵活性和精度。
然而,臂式钻床在承载能力和稳定性方面略逊于卧式钻床。
总结不同型号的钻床各有特点,适用于不同的加工需求。
立式钻床适用于小孔径钻孔加工,卧式钻床适用于大孔径、深孔和重型工件加工,臂式钻床适用于复杂曲面、异形工件加工。
选择合适的钻床型号能够提高生产效率和加工质量,确保加工过程稳定可靠。
以上就是钻床型号的简要介绍和比较,希望对您有所帮助。
如有任何疑问或补充,欢迎交流讨论。
希望这篇文档符合您的需求。
如果还有其他要求或者需要进一步完善,欢迎再次告诉我!。
TK2135∕1×6m数控深孔钻镗床技术协议一、机床名称、型号1、机床名称:数控深孔钻镗床2、机床型号:TX2135∕1×2M TX2135∕1×6M二、机床主要技术参数钻孔直径范围:φ40~φ120mm(特殊材质最大φ80)镗孔直径范围:φ40~φ350mm钻镗孔最大深度:2m∕6m中心高度(从平导轨至主轴中心):350mm工件夹持直径范围:φ60 ~300mm主电机:N=30kw床头箱主轴孔径:φ75mm主轴前端锥孔:φ85mm,1:20主轴转速范围、级数:40 ~500r∕min 12级钻杆箱转速范围、级数:40—500r∕min 12级钻杆箱电机:N=15kw钻杆箱主轴孔径:φ70mm拖板进给速度范围: 5 ~1000mm∕min (无级调速)拖板快速移动速度:2m∕min进给电机:N=4.4kw拖板快速电机:N=3kw冷却泵电机:N=5.5kw×4 (4组)冷却系统额定压力: 2.5MPa冷却系统流量:120、240、360、480L∕min机床外形尺寸(长×宽):9948×2873×1550 (2m机床)117948×2873×1550 (6m机床)机床重量:约14t(2m机床)22t(6m机床)三、机床主要用途及总体布置该机床是专门加工圆形深孔工件的设备,如加工机床的主轴孔、各种机械液压油缸、汽缸圆柱形通孔、套料、盲孔及阶梯孔等。
机床床身刚性强,精度保持性好。
主轴转速范围广,进给系统由交流伺服电机驱动,能适应各种深孔加工工艺的需要。
授油器紧固和工件顶紧采用液压装置,仪表显示,安全可靠。
机床基本结构及组成部件:(1)床体部分:导轨采用平、“V”轨设计,床体导轨宽度600mm。
材质采用优质铸铁HT300人工时效处理;导轨表面中频淬火处理,淬火深度2-3mm,淬火硬度HRC45-50。
导向精度高,耐磨性好。
TS2163型深孔钻镗床是专门加工圆柱形深孔工件的设备,如加工机床的主轴孔,各种机械液压油缸、气缸圆柱形通孔、盲孔及阶梯孔。
机床不但可以承担钻削、镗削,还可以进行滚压加工。
钻削时采用内排屑法。
机床床身刚性强,精度保持性好。
TS2163型深孔钻镗床主轴转速范围广,进给系统由交流伺服电机驱动,能适应各种深孔加工工艺的需要。
授油器紧固和工件顶紧采用液压装置,仪表显示,安全可靠。
【TS2163型深孔钻镗床——图例1】1.深孔钻镗床主要用于深孔钻孔,扩孔,镗孔等深孔加工。
这种深孔钻镗床刀具选用优质可以转位涂层刀片,具备加工效率高、转换刀片方便、刀体可长期使用、刀具消耗费用低等多种特优势特征。
可对碳素钢、高强度合金钢、不锈钢等多种材料进行加工。
2.深孔刀具大致可分为分为粗刀与精刀。
A.该深孔钻刀具的粗刀有硬质合金焊接结构的T型深孔粗、半精镗头专用刀具和单刃可转位刀片结构的机夹刀具。
B.精刀(浮动镗刀)采用硬质合金焊接结构,长度方向可微量调整,刀块与精镗头体之间采用浮动联接,适用于深孔的精加工。
TS2163型深孔钻镗床主要技术参数:工作范围钻孔直径范围——————Φ40~Φ120mm镗孔最大直径——————Φ630mm套料直径范围——————Φ120~Φ340mm镗孔最大深度————1-16m(每一米一种规格)卡盘夹持直径范围————Φ100~Φ800mm【TS2163型深孔钻镗床——图例2】主轴部分主轴中心高————————630mm床头箱前端锥孔——————Φ100床头箱主轴前端锥孔————Φ120 1:20床头箱主轴转速范围————16~270r/min ;12级进给部分进给速度范围———————5-500mm/min;无级托板快速移动速度——————2m/min电机部分主电机功率————————45kW液压泵电机功率——————1.5kW快速移动电机功率——————5.5 kW进给电机功率————————7.5kW冷却泵电机功率————5.5kWX3+7.5kW(4组)其他部分导轨宽度——————————800mm冷却系统额定压力——————2.5MPa冷却系统流量————100、200、300、600L/min 液压系统额定工作压力——————6.3MPa授油器承受最大轴向力——————68kN授油器对工件的最大顶紧力————20 kN钻杆箱部分(选配)钻杆箱前端锥孔——————Φ100钻杆箱主轴前端锥孔————Φ120 1:20钻杆箱主轴转速范围————82~490r/min ;6级钻杆箱电机功率——————30KW【TS2163型深孔钻镗床——图例3】德州三嘉机器制造有限公司位于山东省德州市经济开发区,是集开发、设计、制造、销售普通深孔加工机床(深孔钻床、深孔钻镗床、深孔镗床),以及数控深孔加工机床(数控深孔钻床、数控深孔钻镗床、数控深孔强力珩磨机)于一体的专业厂家。
TSK2120G型深孔钻镗床是专门加工圆柱形深孔工件的带半防护的数控设备,如加工机床的主轴孔,各种机械液压油缸、气缸圆柱形通孔、盲孔及阶梯孔。
机床不但可以承担钻削、镗削,还可以进行滚压加工。
钻削时采用内排屑法。
机床床身刚性强,精度保持性好。
TSK2120G型深孔钻镗床主轴转速范围广,进给系统由交流伺服电机驱动,采用齿轮齿条传动,能适应各种深孔加工工艺的需要。
授油器紧固和工件顶紧采用伺服顶紧装置,数控控制,安全可靠。
【TSK2120G型深孔钻镗床——图例1】TSK2120G型深孔钻镗床主要技术参数:工作范围钻孔直径范围——————Φ40~Φ80mm镗孔直径范围——————Φ40~Φ200mm镗孔最大深度————1-16m(每一米一种规格)工件夹持直径范围————Φ50~Φ400mm主轴部分主轴中心高———————400mm床头箱前端锥孔——————Φ75床头箱主轴前端锥孔————Φ85 1:20进给部分进给速度范围———————5-3200mm/min;无级托板快速移动速度——————2m/min电机部分主电机功率————————30kW进给电机功率————————4.4kW授油器电机功率———————4.4kW冷却泵电机功率———————5.5kWX4【TSK2120G型深孔钻镗床——图例2】其他部分导轨宽度——————————600mm冷却系统额定压力——————2.5MPa冷却系统流量————100、200、300、400L/min液压系统额定工作压力——————6.3MPa授油器承受最大轴向力——————68kN授油器对工件的最大顶紧力————20 kN钻杆箱部分(选配)钻杆箱前端锥孔——————Φ70钻杆箱主轴前端锥孔————Φ85 1:20钻杆箱电机功率——————22KW变频电机【TSK2120G型深孔钻镗床——图例3】德州三嘉机器制造有限公司位于山东省德州市经济开发区,是集开发、设计、制造、销售普通深孔加工机床(深孔钻床、深孔钻镗床、深孔镗床),以及数控深孔加工机床(数控深孔钻床、数控深孔钻镗床、数控深孔强力珩磨机)于一体的专业厂家。
钻机型号大全导言钻机是一种被广泛应用于石油工业、建筑工程和水泥工艺等领域的重型工程机械设备。
它们以其强大的钻探能力和高效的工作性能而广受行业认可。
在市场上有各种不同型号的钻机,每种钻机都具有独特的特点和适用范围。
本文将为您介绍一些常见的钻机型号。
一、潜孔钻机潜孔钻机是一种专为进行地下钻探而设计的钻机。
它以其灵活性、高效性和适应各种复杂地质条件的能力而受到青睐。
常见的潜孔钻机型号包括:1. SPT-100潜孔钻机:该型号钻机具有稳定的性能和高效的钻探能力。
它适用于地质工程勘探和水文地质调查等领域。
2. SPT-200潜孔钻机:该型号钻机采用液压系统驱动,具有较高的自动化程度和稳定性。
它适用于进行深孔钻探和地下水资源勘探等工作。
二、岩土钻机岩土钻机是一种专门用于开采岩石和土壤的钻机。
它通常具有强大的钻探力和抗震能力。
常见的岩土钻机型号包括:1. HYD-200岩土钻机:该型号钻机采用液压驱动,具有高速电喷混合钻进系统。
它广泛应用于隧道工程和岩石勘探等领域。
2. PCD-150岩土钻机:该型号钻机具有强大的钻孔能力和稳定的性能。
它适用于土壤工程、地下水井勘探和洞穴勘察等项目。
三、水泥钻机水泥钻机是一种用于钻探水泥固井的特殊钻机。
它们具有高效的钻探能力和可靠的稳定性。
常见的水泥钻机型号包括:1. CGD-300水泥钻机:该型号钻机适用于坚硬地质条件下的钻孔工作。
它具有自动化程度高、运行平稳的特点,广泛用于石油钻探和地下水井勘探。
2. CCD-250水泥钻机:该型号钻机采用液压系统驱动,具有较高的钻探速度和钻探深度。
它适用于各种水泥固井作业和岩石勘探。
结论无论是进行地下钻探、岩土工程还是水泥固井,选择合适的钻机非常重要。
本文介绍了一些常见的钻机型号,它们具有不同的特点和适用范围。
希望本文能够帮助读者了解钻机的种类和选择适合的钻机。
如果你对这些钻机型号感兴趣,建议你进一步了解相关信息,以便更好地应用它们。
前言人类对深孔加工技术的需求至少可以上溯到14世纪欧洲滑膛枪的问世,远比第一次产业革命现代化机械技术革命来的要早。
至上世纪60年代深孔加工技术被用来应用于石油、煤炭采掘、水火力发电机组制造、船舶、航空航天、冶金化工、木材加工机械、饲料机械、等不同行业的装备制造。
以深孔零件外特征的民品装备不断涌现出新的品种,成为20世纪下半页装备制造业中的一只新秀。
深孔钻是加工深孔的专用设备。
钻深孔时为保证加工质量、提高工效,加工中钻头的冷却和定时排屑是需要解决的主要问题。
传统的控制方案是采用继电器-接触器控制与液压控制相结合的方法,由于进给次数多,且有快进、快退、工进等多种进给速度的变换,控制系统较复杂,大量的硬件系统接线使系统的可靠性降低,也间接的降低了设备的工作效率,影响了设备的加工质量。
本次课程设计维持两周,在老师的辛勤布置和指导下,我们采用可编程控制器与液压相结合可以较好的解决这一问题,可大大的减少系统的硬件接线,提高了工作可靠性。
而且在加工工艺改变时,只需要修改程序,就可适应新的加工要求,大大的提高了工作效率。
可编程控制器是应用最广泛的以计算机技术为核心的自动控制装置。
我们这次课程设计采用西门子公司的S7-200系列小型PLC,S7-200的编程软件为PID控制、网络通信、高速输入输出、位置控制、文本显示器等提供了大量的向导,只需要在向导的对话框中输入一些参数,就可以自动生成用户程序。
机床数控化改造的目的和实现方法传统机床为什么要数控化改造一、机床数控化改造的意义一般说来,数控机床比传统机床有以下突出的优越性。
1. 可以加工出传统机床加工不出来的曲线、曲面等复杂的零件。
2. 可以实现加工的自动化,而且是柔性自动化,从而效率可比传统机床提高3~7倍。
3. 加工零件的精度高,尺寸分散度小,使装配容易,不再需要工人“修配”。
4. 可实现多工序的集中,减少零件在机床间的频繁搬运。
5. 拥有自动报警、自动监控、自动补偿等多种自律功能,因而可实现长时间无人看管加工。
深孔钻镗床的主要构造深孔钻镗床的主要构造1)、数控深孔钻镗床床头箱和卡盘体:机床的主轴机构采用滚动轴承,主轴头为短锥法兰盘机构。
主轴的轴向定位轴承安装在主轴的前支点上,利用螺母可调整前支点上的双列滚柱轴承的径向滚动间隙,主轴制动时采用液压控制,制动装置在III轴上,当按动刹车按钮后,主轴可以立即停止。
当加工工件过重或机床长期使用后,制动装置内的磨擦片磨损,而制动不灵时可调整活塞的阻尼孔提高制动的灵敏性。
主轴的正转操纵室用按钮、电磁滑阀等元件控制的,推动磨擦片的油缸在I轴上,活塞固定,油缸移动,按动正转按钮,油缸右腔进油,摩擦片3被压紧,齿轮4被带动的正转;按动反车按钮,油缸左腔进油,磨擦片1被压紧,齿轮2被带动得正转加速,当切削负荷不大时,在上述情况下,正转变换到正转加速可不停车,用按钮直接操纵。
床头箱主轴上固定着卡盘体。
在本机床上,工件采用两种装夹方式:一采用四爪单动卡盘夹紧,卡爪经过加长淬火处理,二是采用锥盘顶紧。
镗孔时应使卡盘体端面与工件之间留有100-130mm的间隙,以便排出切屑和冷却液。
2)、深孔钻镗床床身机床的床身是由多节床体组合而成,床体是三面封闭且有斜置筋板的结构,刚性较好。
床身导轨式矩形的,承受能力大,导向精度好,导轨经过了淬火处理,耐磨性较高。
床身导轨的凹槽中,安装着进给丝杠,丝杠是由多节组合而成,两端由支架支撑,中间由两个拖架铺助支撑,拖架可以沿凹槽底部的导轨移动,其行程与停留时靠拖板部分上的拉板和滚柱来控制。
床身的前壁有一T型槽,其上装有镗杆支架定程座和拖板定程座,以便控制拖板和镗杆支架的位置。
床身前壁装有齿条,与手动装置的齿轮啮合,供移动中心架、托架、镗杆支架用。
(3)、深孔钻镗床拖板及镗杆箱镗杆箱固定在拖板上,进给时,进给箱(固定在床体后端)带动丝杠旋转,使与蜗轮固定在一起的螺母作轴向移动,带动拖板进给。
当拖板快速运动时,托板后面的快速电动机驱动蜗轮付,带动蜗母旋转,带上拖板快速移动。
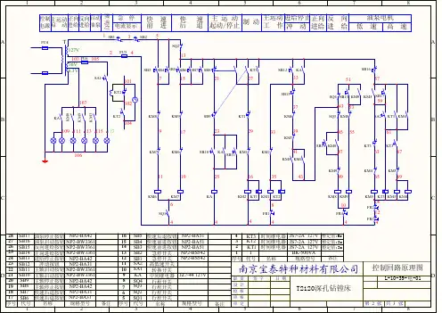
12345678D DCCBBAA南京宝泰特种材料有限公司职 责签 字日 期设 计校 核审 核审 定第 张共 张35671113152127331235159612537534345241719394157472943656910511311110911510610110210443355106749435844944121463A10310716KT1KT2KT3KM1KM2KM3KM5KM6KM7KM8KM9KA FR1FR2FR3FR4KM1KM2KM5KM5KM5KM4KM4KM4KM4KM6KM6KM7KM7KM8SB1KM8KM9KM9KM9KT1KT1KT3KT3KT3SB2SQ1KM8SQ2SQ3SQ4SB3SB4SB5SB6SB7SB8SB9SB10SB11SB12SB13SB14SB15SB16KAKA KA快 速前 进快 速后 退主 运 动起动/停止制 动正向冲 动高 速低 速油泵电机进给反 向进 给照明灯反向进给油泵启动主运动启 动SB17正向进给急 停电流显示KT2KT2进给停止117T2120深孔钻镗床控制回路原理图FU4FU5FU6主运动工 作SA1SA2127V 36V 6.3VK M 9K M 8序号代号规格型号名称备注序号代号规格型号名称456789101112131415161718SB11920备注TKT3SQ1SQ2SQ3KA SA1SB2SB3SB4SB5SB6SB7SB8SB9SB10序号代号规格型号名称123备注T KT1KT2SB11SB12SB13SB14SB15SB162122232425时间继电器时间继电器时间继电器行程开关行程开关行程开关中间继电器转换开关急停开关急停开关快速前进按钮快速前进按钮快速后退按钮快速后退按钮快速后退按钮主轴停止按钮主轴停止按钮主轴启动按钮主轴启动按钮冲动按钮进给停止按钮正向进给按钮反向进给按钮油泵启动按钮SA22627高低速开关SB17油泵停止按钮SQ428行程开关L-10-39-电-0132JS7-2A 127V JS7-2A 127V JS7-2A 127V BK-500VAJZ7-44 127V NP2-BS542NP2-BS542NP2-BA51NP2-BA51NP2-BA51NP2-BA42NP2-BA42NP2-BA42NP2-BA42NP2-BA31NP2-BW3361NP2-BW3361NP2-BW3361NP2-BW3361NP2-BW3361NP2-BA31NP2-BA31整定值:3s 整定值:3s 整定值:6sK M 3控制电源12345678D DCCBBAA南京宝泰特种材料有限公司职 责签 字日 期设 计校 核审 核审 定第 张共 张M 3M 3M 3M 3KM1KM2KM3KM4KM5KM6KM7KM8KM9FU1FU2FU3FU4FR1FR2FR3FR4101104(快速)前进、后退电机油泵(高低速)电机T2120深孔钻镗床主回路原理图进给电机主轴电机序号代号规格型号名称备注序号代号规格型号名称123456789101112131415161718QFQF FU1FU2FU3FU4FU5FU6KM1KM2KM3KM4KM5KM6KM7KM89FR1FR2FR3ZP1920FR4ZP 空气开关熔断器熔断器熔断器熔断器熔断器熔断器交流接触器交流接触器交流接触器交流接触器交流接触器交流接触器交流接触器交流接触器热继电器热继电器热继电器热继电器二极管ZP-200ACJT1-10 127VRLI-200A CJT1-40 127V CJT1-40 127VDZ10-100A 备注13L-10-39-电-01127V36V 6.3V RLI-60A RLI-15A RLI-10ARLI-6A RLI-3A CJT0-75 127VCJT0-75 127V CJT1-10 127VCJT1-10 127VCJT1-10 127VJR0-60 40-52-63JR0-40 16-20-25JR0-40 25-32-40JR0-40 4-5-6.4整定值:6.4A 整定值:32A 整定值:25A 整定值:60A。
深孔钻机床品牌内容来源网络,由“深圳机械展(11万㎡,1100多家展商,超10万观众)”收集整理!更多cnc加工中心、车铣磨钻床、线切割、数控刀具工具、工业机器人、非标自动化、数字化无人工厂、精密测量、3D打印、激光切割、钣金冲压折弯、精密零件加工等展示,就在深圳机械展.一、环球工业机械(东莞)有限公司环球工业机械(东莞)有限公司(简称环球机械)為明利集团成员之一,成立於2001年,其前身為东莞明利钢材模具制品有限公司属下机械厂。
明利集团於1940年成立於香港,至今己有70年的歷史,半个多世纪以来,主要经营模具钢材、标準模胚及非标準模胚的加工制造,為国内外模具企业提供优质的產品及优良的服务。
随著中国工业的发展,对模具制造业的要求也越来越高。
明利集团公司深知要提高模具企业的竞争力,不仅需要科学的经营管理,同时也需要专业的生產设备。
本著為模具制造业提供更完善的服务,明利集团公司在90年代就投入巨资建立了机械厂。
二、中捷数控科技有限公司中捷数控科技有限公司位于河南省南阳市,是南阳市发展重点工业项目的企业之一,拥有占地50000平方米,生产用地面积30000平方米的花园式现代化工厂。
公司设立南阳、东莞两个生产基地,综合南北各方资源优势,集产品研发、制造及售后服务于一体,形成全方位的价值服务体系。
中捷数控专注于数控深孔钻领域,自成立以来一直保持高速发展,“ZONJET”已成为业界颇具影响力的品牌。
产品的设计与定位以客户需求为导向,在功能和规格上可满足不同规模和领域的用户需求,并可实行个性化定制,力求给用户创造的经济效益。
主营产品有:三轴数控深孔钻,四轴多功能深孔钻,五轴钻铣中心,轴类深孔钻,管板深孔钻以及其他特种行业专用深孔钻;经过多年的研发改进,推陈出新,产品在加工精度、机床稳定性、人性化设计等技术性能方面均处行业领先水平。
三、浙江新跃加床厂浙江新跃加床厂是一家领先的专用机床应用方案服务商,以“推动高效加工”为核心定位,力求研发更为完善的机械加工专用机床设备,为用户提供高精度、高效率、低成本的机械制造解决方案。
a沈阳中捷钻镗床资料摇臂钻床Z3040*13/2 沈阳中捷机床厂全新多台摇臂钻床Z3040*10/2 沈阳中捷机床厂全新多台摇臂钻床Z3032*10/1 沈阳中捷机床厂全新多台摇臂钻床Z3032*8/1 沈阳中捷机床厂全新多台摇臂钻床Z3732*8 沈阳中捷机床厂全新多台摇臂钻床Z3725*8 沈阳中捷机床厂全新多台摇臂钻床Z3040*12/1 沈阳中捷机床厂全新多台摇臂钻床Z3040*16/1 沈阳中捷机床厂全新多台摇臂钻床Z3050*16/1 沈阳中捷机床厂全新多台摇臂钻床Z3063*20 沈阳中捷机床厂全新多台摇臂钻床Z3080*25 沈阳中捷机床厂全新多台摇臂钻床,镗床,卧式加工中心,AH系列自动卧式铣镗床,卧式铣镗床,铣镗床无锡摇臂钻床,宜兴镗床,常州卧式加工中心,上海AH系列自动卧式铣镗床,苏州卧式铣镗床,江阴铣镗床数控钻床GDC1012A数控钻床沈阳中捷机床厂2011年新工作台面1000*1250MM 最大承重量1550KG 工作台最大行程X/Y/Z轴行程分别为1250Mm/1000/400 最大钻孔直径40Mm 优价GDC1016数控钻床沈阳中捷机床厂2011年新工作台面1000*1600 最大承重量1550KG 工作台最大行程X/Y/Z轴行程分别为1500m/1000/400 最大钻孔直径40Mm 优价GDC1216A数控钻床沈阳中捷机床厂2011年新工作台面1250*1600MM 最大承重量1600KG 工作台最大行程X/Y/Z轴行程分别为1500Mm/1000/400 最大钻孔直径40Mm 优价GDC1216A数控钻床沈阳中捷机床厂2011年新工作台面1250*1600MM 最大承重量1600KG 工作台最大行程X/Y/Z轴行程分别为1500Mm/1000/400 最大钻孔直径40Mm 优价GDC1220A数控钻床沈阳中捷机床厂2011年新工作台面1250*2000MM 最大承重量2000KG 工作台最大行程X/Y/Z轴行程分别为2000Mm/1250/400 最大钻孔直径40Mm 优价GDC1230A数控钻床沈阳中捷机床厂2011年新工作台面1250*3000MM 最大承重量2000KG 工作台最大行程X/Y/Z轴行程分别为3000Mm/1250/400 最大钻孔直径40Mm 优价GDC1620A数控钻床沈阳中捷机床厂2011年新工作台面1600*2000MM 最大承重量2500KG 工作台最大行程X/Y/Z轴行程分别为2000Mm/1600/400 最大钻孔直径40Mm 优价GDC1630A数控钻床沈阳中捷机床厂2011年新工作台面1600*3000MM 最大承重量2700KG 工作台最大行程X/Y/Z轴行程分别为3000Mm/1000/400 最大钻孔直径40Mm 优价ZK3850数控钻床沈阳中捷机床厂2011年新工作台面1000*1250MM 最大承重量1500KG 工作台最大行程X/Y/Z轴行程分别为1250Mm/1000/270 最大钻孔直径50Mm 优价摇臂钻床,镗床,卧式加工中心,AH系列自动卧式铣镗床,卧式铣镗床,铣镗床无锡摇臂钻床,宜兴镗床,常州卧式加工中心,上海AH系列自动卧式铣镗床,苏州卧式铣镗床,江阴铣镗床沈阳中捷机床厂镗床TPX6111B镗床沈阳中捷机床厂全新镗床主要技术参数如下:工作台面积1100*960MM 承重量2.5T 主轴转速8-1000rpm 主电机功率7.5KW X/Y/Z轴行程分别为900/900/1000TPX6111B/2镗床沈阳中捷机床厂全新镗床主要技术参数如下:工作台面积1100*960MM 承重量2.5T 主轴转速8-1000rpm 主电机功率7.5KW X/Y/Z轴行程分别为1250/900/1000TPX6111B/3镗床沈阳中捷机床厂全新镗床主要技术参数如下:工作台面积1250*1100MM 承重量3T 主轴转速8-1000rpm 主电机功率7.5KW X/Y/Z轴行程分别为1600/1200/14000TPX6113镗床沈阳中捷机床厂全新镗床主要技术参数如下:工作台面积1600*1400MM 承重量8T 主轴转速4-800rpm 主电机功率15KW X/Y/Z轴行程分别为1600/1400/1500TPX6113/2镗床沈阳中捷机床厂全新镗床主要技术参数如下:工作台面积1800*1600MM 承重量10T 主轴转速4-800rpm 主电机功率15KW X/Y/Z轴行程分别为2000/2000/2000TPX6211数显落地镗铣床沈阳中捷机床厂2011年新主轴直径110 主轴最大扭矩1225 主电机功率7.5KW 平旋盘直径630Mm X/Y/Z/W轴行程分别为2000/1600/600/180 现货TPX6213数显落地镗铣床沈阳中捷机床厂2011年新主轴直径130 主轴最大扭矩3136 主电机功率15KW 平旋盘直径750Mm X/Y/Z/W轴行程分别为2000/1600/900/250 现货摇臂钻床,镗床,卧式加工中心,AH系列自动卧式铣镗床,卧式铣镗床,铣镗床无锡摇臂钻床,宜兴镗床,常州卧式加工中心,上海AH系列自动卧式铣镗床,苏州卧式铣镗床,江阴铣镗床HMC-e系列卧式加工中心采用双交换工作台,最适合零件多工作面的铣、镗、钻、铰、攻丝,两维、三维曲面等多道工序的加工,具有在一次装夹中完成箱体孔隙和平面加工的良好性能,还特别适合箱体孔的调头镗孔加工,广泛用于通电设备等机械。
数控深孔钻床简称深孔镗床,我司产品为卧式深孔镗床,加工工艺采用钻、镗、削一体加工,主用于金属内孔加工,孔径加工范围:40mm-500mm,工件粗糙度可达0.4-0.8μm,大孔径深孔加工专用机床,适用行业:机床主轴孔加工、机械液压油缸生产加工、汽缸圆柱形通孔、盲孔及阶梯孔加工。
【深孔钻镗床图例】数控深孔钻床工作原理:不但可以承担钻削、镗削,而且还可以进行滚压加工,钻削时采用内排屑法。
T2225 T2235型深孔镗床是加工圆柱形零件的专用机床,它可以镗削通孔阶梯孔,在镗削方式上为推镗,在排悄方式上采用向前排屑,在生产中适用于大批生产,也适于单件小批生产。
数控深孔钻床工作形式:1、工件旋转、刀具旋转和往复进给运动;2、工件旋转、刀具不旋转只作往复进给运动;3、工件不旋转、刀具旋转和往复进给运动。
该机床是专门加工圆柱形深孔工件的设备,如加工各种机械液压油缸、气缸圆柱形通孔、盲孔及阶梯孔。
机床可以承担镗削,还可以进行滚压加工。
机床床身刚性强,精度保持性好。
主轴转速范围广,进给系统由交流伺服电机驱动,能适应各种深孔加工工艺的需要。
授油器紧固和工件顶紧采用液压装置,仪表显示,安全可靠。
该机床为系列产品,还可以按照客户需要提供各种变形产品。
【深孔钻镗床图例】主要技术参数工作范围镗孔直径范围——————Φ40~Φ250mm镗孔最大深度————1-16m(每一米一种规格)卡盘夹持直径范围————Φ60~Φ300mm主轴部分主轴中心高———————350mm床头箱前端锥孔——————Φ75床头箱主轴前端锥孔————Φ85 1:20床头箱主轴转速范围————42~670r/min ;12级进给部分进给速度范围———————5-500mm/min;无级托板快速移动速度——————2m/min电机部分主电机功率————————30kW液压泵电机功率——————1.5kW快速移动电机功率——————3 kW进给电机功率————————4.7kW冷却泵电机功率———————7.5kW其他部分导轨宽度——————————650mm冷却系统额定压力——————0.36 MPa冷却系统流量————————300L/min液压系统额定工作压力——————6.3MPa授油器承受最大轴向力——————68kN授油器对工件的最大顶紧力————20 kN镗杆箱部分(选配)镗杆箱前端锥孔——————Φ100镗杆箱主轴前端锥孔————Φ120 1:20镗杆箱主轴转速范围————82~490r/min ;6级镗杆箱电机功率——————30KW德州三嘉机器制造有限公司位于山东省德州市经济开发区,是集开发、设计、制造、销售普通深孔加工机床(深孔钻床、深孔钻镗床、深孔镗床),以及数控深孔加工机床(数控深孔钻床、数控深孔钻镗床、数控深孔强力珩磨机)于一体的专业厂家。
TS2225型深孔镗床是专门加工圆柱形深孔工件的设备,如加工各种机械液压油缸、气缸圆柱形通孔、盲孔及阶梯孔。
机床可以承担镗削,还可以进行滚压加工。
机床床身刚性强,精度保持性好。
主轴转速范围广,进给系统由交流伺服电机驱动,能适应各种深孔加工工艺的需要。
授油器紧固和工件顶紧采用液压装置,仪表显示,安全可靠。
【TS2225型深孔镗床——图例1】TS2225型深孔镗床为系列产品,还可以按照客户需要提供各种变形产品。
深孔钻镗床工作原理是:在模具加工正常加工过程中,伴随着钻孔的深入,刀具所受钻削扭矩基本保持不变,电机的功率也基本保持不变。
而当刀具损坏后,则刀具所受扭矩变大,从而引起电机电流增大,通过PLC的模拟量输入模块将检测到模拟量信号转变为数字量信号,利用PLC的运算功能与设定值进行比较,来确定刀具是否损坏。
利用调速装置的模拟量输出口将检测到的电流信号转换成0~10V电压信号,输出到PLC的模拟量输入模块进行A/D模数转换,然后与设定值进行比较。
这个设定值由工艺人员根据工件材质,刀具,加工量等参数得到,通过拔段开关来选择。
当检测值大于设定值20%时,则判定扭矩过载,即刀具受损,PLC发出报警,停止加工,更换刀具, 工件深孔加工。
TS2225型深孔镗床主要技术参数工作范围镗孔直径范围——————Φ40~Φ250mm镗孔最大深度————1-16m(每一米一种规格)卡盘夹持直径范围————Φ60~Φ300mm【TS2225型深孔镗床——图例2】主轴部分主轴中心高———————350mm床头箱前端锥孔——————Φ75床头箱主轴前端锥孔————Φ85 1:20床头箱主轴转速范围————42~670r/min ;12级进给部分进给速度范围———————5-500mm/min;无级托板快速移动速度——————2m/min电机部分主电机功率————————30kW液压泵电机功率——————1.5kW快速移动电机功率——————3 kW进给电机功率————————4.7kW冷却泵电机功率———————7.5kW其他部分导轨宽度——————————650mm冷却系统额定压力——————0.36 MPa冷却系统流量————————300L/min液压系统额定工作压力——————6.3MPa授油器承受最大轴向力——————68kN授油器对工件的最大顶紧力————20 kN【TS2225型深孔镗床——图例3】镗杆箱部分(选配)镗杆箱前端锥孔——————Φ100镗杆箱主轴前端锥孔————Φ120 1:20镗杆箱主轴转速范围————82~490r/min ;6级镗杆箱电机功率——————30KW【TS2225型深孔镗床——图例4】德州三嘉机器制造有限公司位于山东省德州市经济开发区,是集开发、设计、制造、销售普通深孔加工机床(深孔钻床、深孔钻镗床、深孔镗床),以及数控深孔加工机床(数控深孔钻床、数控深孔钻镗床、数控深孔强力珩磨机)于一体的专业厂家。
TS2135型深孔钻镗床是一种高效、高精度、高自动化的专用深孔钻床,采用外排屑钻削法(抢钻法),通过一次连续削即可代替一般需要钻、扩、铰工序才能达到的加工精度和表面粗糙度。
本机床采用数字控制系统控制,不但有单动功能,它还具有自动循环的功能。
因此,它能适合于小批量的加工,特别适合大批量生产的加工要求。
它既能钻削通孔,也能加工盲孔或阶梯孔。
【TS2135型深孔钻镗床——图例1】TS2135型深孔钻镗床是专门加工圆柱形深孔工件的设备,如加工机床的主轴孔,各种机械液压油缸、气缸圆柱形通孔、盲孔及阶梯孔。
机床不但可以承担钻削、镗削,还可以进行滚压加工。
钻削时采用内排屑法。
机床床身刚性强,精度保持性好。
TS2135型深孔钻镗床主轴转速范围广,进给系统由交流伺服电机驱动,能适应各种深孔加工工艺的需要。
授油器紧固和工件顶紧采用液压装置,仪表显示,安全可靠。
TS2135型深孔钻镗床主要技术参数工作范围钻孔直径范围——————Φ40~Φ80mm镗孔直径范围——————Φ40~Φ200mm镗孔最大深度————1-16m(每一米一种规格)卡盘夹持直径范围————Φ60~Φ300mm进给部分进给速度范围———————5-300mm/min;无级托板快速移动速度——————2m/min【TS2135型深孔钻镗床——图例2】电机部分主电机功率————————30kW液压泵电机功率——————1.5kW快速移动电机功率——————3 kW进给电机功率————————4.7kW冷却泵电机功率———————5.5kWX4主轴部分主轴中心高———————350mm床头箱前端锥孔——————Φ75床头箱主轴前端锥孔————Φ85 1:20床头箱主轴转速范围————42~670r/min ;12级其他部分导轨宽度——————————650mm冷却系统额定压力——————2.5MPa冷却系统流量————100、200、300、400L/min液压系统额定工作压力——————6.3MPa授油器承受最大轴向力——————68kN授油器对工件的最大顶紧力————20 kN钻杆箱部分(选配)钻杆箱前端锥孔——————Φ100钻杆箱主轴前端锥孔————Φ120 1:20钻杆箱主轴转速范围————82~490r/min ;6级钻杆箱电机功率——————30KW德州三嘉机器制造有限公司拥有先进的深孔加工技术,拥有一支精益求精、不懈创新的科研团队。
U V W PE UZ VZ WZ PEA B C D EABCDE符号地址设备标识符 PLC地址项目名称功能文本放置端子T2120 深孔钻镗床电气原理图(德州机床)=+-A3/10.5:C24G+24VC0/10.3:C C1/10.3:C C2/10.3:C C3C4C5C6C7LNPES/S+-X0X1X2X3X4X5/10.2:C/10.3:C/10.4:C/10.4:C/10.4:C/10.4:C/10.2:C/10.2:C/10.2:C/10.2:C/10.3:C/10.4:CX0/11.1:C急停输入X1/11.2:C床头按钮 站选择X2/11.3:C主轴电机 正转冲动X3/11.3:C拖板快速 后退冲动X4/11.4:C主轴电机 正转起动X5/11.5:C主轴电机 正转停止A B C D EABCDE符号地址设备标识符 PLC地址项目名称功能文本放置端子T2120 深孔钻镗床电气原理图(德州机床)=+-A3X6/11.5:C拖板快速 前进冲动X6X7/11.6:C拖板快速 后退冲动X7X10/12.1:C冷却电机 起动X10X11/12.2:C冷却电机 停止X11X12/12.3:CⅠ冷却 电机起动X12X13/12.3:CⅡ冷却 电机起动X13X14/12.4:CⅢ冷却 电机起动X14X15/12.5:CⅣ冷却 电机起动X15X16/12.5:C液压起动X16X17/12.6:C液压停止X17X20/13.1:C授油器夹紧X20X21/13.2:C授油器松开X21X22/13.3:C压力继电器X22X23/13.3:C钻杆电机 起动(未用)X23X24/13.4:C钻杆电机 停止(未用)X24X25/13.5:C钻杆电机 冲动(未用)X25X26/13.5:C授油器前进 冲动(未用)X26X27/13.6:C授油器后退 冲动(未用)X27X30/14.1:C拖板快速 后退冲动X30X31/14.2:C拖板快速 前进冲动X31X32/14.3:C钻杆电机 起动(未用)X32X33/14.3:C钻杆电机 停止(未用)X33A B C D EABCDE符号地址设备标识符 PLC地址项目名称功能文本放置端子T2120 深孔钻镗床电气原理图(德州机床)=+-A3X34/14.4:C钻杆电机 冲动(未用)X34X35/14.5:C拖板按钮站 选择X35X36/14.5:C未用X36X37/14.6:C主电机保护X37X40/15.1:C冷却保护X40X41/15.2:C钻杆电机 保护(未用)X41X42/15.3:C拖板总停X42X43/15.3:C拖板手动 机动转换X43X44/15.4:C拖板前限位X44X45/15.5:C拖板后限位X45X46/15.5:C拖板过载保护X46X47/15.6:C未用X47Y0/16.1:B脉冲指令Y0Y1/16.2:B指令符号Y1Y2/16.2:B未用Y2Y3/16.3:B备用Y3Y4/16.4:B=Y4Y5/16.4:B授油器顶紧Y5Y6/16.5:B主电机 正转起动Y6Y7/16.6:B主电机 Y 起动Y7Y10/17.1:B主电机△起动Y10Y11/17.2:B主电机制动Y11A B C D EABCDE符号地址设备标识符 PLC地址项目名称功能文本放置端子T2120 深孔钻镗床电气原理图(德州机床)=+-A3Y12/17.2:B主电机显示Y12Y13/17.3:BⅠ冷却 电机起动Y13Y14/17.4:BⅡ冷却 电机起动Y14Y15/17.4:BⅢ冷却 电机起动Y15Y16/17.5:BⅣ冷却 电机起动Y16Y17/17.6:B拖板快速 前进起动Y17Y20/18.1:B拖板快速 后退冲动Y20Y21/18.2:B拖板进给 前进Y21Y22/18.2:B拖板进给 后退Y22Y23/18.3:B拖板前限位Y23Y24/18.4:B拖板后限位Y24Y25/18.4:B液压起动Y25Y26/18.5:B授油器夹紧Y26Y27/18.6:B授油器 夹紧/松开Y27Y30/19.1:B授油器 顶紧回退Y30Y31/19.2:B钻杆电机 正转起动(未用)Y31Y32/19.2:B钻杆电机 Y 起动(未用)Y32Y33/19.3:B钻杆电机 △起动(未用)Y33Y34/19.4:B钻杆电机 制动(未用)Y34Y35/19.4:B钻杆电机显示Y35Y36/19.5:B授油器 前进冲动Y36Y37/19.6:B授油器 后退冲动Y37A B C D EABCDE符号地址设备标识符 PLC地址项目名称功能文本放置端子T2120 深孔钻镗床电气原理图(德州机床)=+-A3Y40/20.1:B伺服报警复位Y40Y41/20.2:B电源指示Y41Y42/20.2:B故障指示Y42Y43/20.3:B主电机 正转指示Y43Y44/20.4:B冷却电机 起动指示Y44Y45/20.4:B液压电机 起动指示Y45Y46/20.5:B授油器 顶紧指示Y46Y47/20.6:B钻杆电机 起动指示(未用)Y47A B C D EABCDEYASKAWA1伺服驱动器,三相AC200 ~ 230V,32.8A / 5KWSGDM-50ADA-A1台达1人机界面,4.1寸,四行文本显示,内置RS485/RS232接口TP04G-AS2-A2台达1PLC主机,晶体管输出,100 ~ 240VAC,22.5VA,40DI / 40DODVP80EH00T-A31电解电容,50V 100μF100μF/50V-C茗熔电器2RT18熔断器底座,1P,带指示灯,配装熔断体尺寸 10×38;RT18-32X/1P-FU1;-FU2茗熔电器1普通熔断体(gG),尺寸φ10.3×38,1A;RO15(RT18-32)-1A-FU1茗熔电器1普通熔断体(gG),尺寸φ10.3×38,5A;RO15(RT18-32)-5A-FU2杭州三利1指示灯,24V,白色;XD37(SLC)-W-AC/DC24V-HL1杭州三利1指示灯,24V,红色;XD37(SLC)-R-AC/DC24V-HL2无锡明达30 HH54N-FL/DC24V-KA0...-KA29小型继电器,带手动推杆/浪涌抑制/动作指示LED,3A,线圈DC24V。
【德州三嘉机器】深孔钻镗床选购在机器的加工精度和智能操作性,以及机器的各种配件等等,但是,新手们不知该怎样选择优质的深孔钻镗床,接下来深孔钻镗床生产厂家介绍一下。
1、床头决定镗孔加工的精度,工作原理以循环和润滑为主,从主轴、齿轮、轴承以及润滑油管的使用上决定机器使用性能和寿命。
主轴均为锻打工艺,齿轮为瑞士磨齿机磨制,轴承选用优质的,润滑油管为标配铜管,有厂家使用铁、铝、塑料等材质,润滑油管易损坏,直接造成床头齿轮缺少润滑油产生磨损,并减损机器寿命。
2、液博泵站决定液压部分的稳定性。
3、操控系统决定机器智能方便性。
4、机器运转时看机器跳动幅度,听声音。
5、采购者还需要提供深孔加工件的生产需求,如加工件材质、加工件长度、
孔径的大小及精度要求以及生产量的大小,来确定需要的深孔钻镗床规格型号。
关于深孔钻镗床的相关知识点先给大家介绍到这里了,希望能够帮到大家,会有更多资讯正在为大家整理分析,敬请关注我们的官网。
TS2120型深孔钻镗床
该机床是专门加工圆柱形深孔工件的设备,如加工机床的主轴孔,各种机械液压油缸、气缸圆柱形通孔、盲孔及阶梯孔。
机床不但可以承担钻削、镗削,还可以进行滚压加工。
钻削时采用内排屑法。
机床床身刚性强,精度保持性好。
主轴转速范围广,进给系统由交流伺服电机驱动,能适应各种深孔加工工艺的需要。
授油器紧固和工件顶紧采用液压装置,仪表显示,安全可靠。
该机床为系列产品,还可以按照客户需要提供各种变形产品。
主要技术参数
工作范围
钻孔直径范围——————Φ40~Φ80mm
镗孔直径范围——————Φ40~Φ200mm
镗孔最大深度————1-16m(每一米一种规格)
卡盘夹持直径范围————Φ60~Φ300mm
主轴部分
主轴中心高———————350mm
床头箱前端锥孔——————Φ75
床头箱主轴前端锥孔————Φ85 1:20
床头箱主轴转速范围————42~670r/min ;12级进给部分
进给速度范围———————5-300mm/min;无级托板快速移动速度——————2m/min
电机部分
主电机功率————————30kW
液压泵电机功率——————1.5kW
快速移动电机功率——————3 kW
进给电机功率————————4.7kW
冷却泵电机功率———————5.5kWX4
其他部分
导轨宽度——————————650mm
冷却系统额定压力——————2.5MPa
冷却系统流量————100、200、300、400L/min 液压系统额定工作压力——————6.3MPa
授油器承受最大轴向力——————68kN
授油器对工件的最大顶紧力————20 kN
钻杆箱部分(选配)
钻杆箱前端锥孔——————Φ100
钻杆箱主轴前端锥孔————Φ120 1:20
钻杆箱主轴转速范围————82~490r/min ;6级
钻杆箱电机功率——————30KW
德州三嘉机器制造有限公司位于山东省德州市经济开发区,是集开发、设计、制造、销售普通深孔加工机床(深孔钻床、深孔钻镗床、深孔镗床),以及数控深孔加工机床(数控深孔钻床、数控深孔钻镗床、数控深孔强力珩磨机)于一体的专业厂家。