万达室外主题乐园设计安全技术标准
- 格式:pdf
- 大小:620.77 KB
- 文档页数:20
展示中心设计安全技术标准1总则1.1展示中心设计必须满足国家及项目当地现行相关设计规范、标准的要求。
1.2展示中心为永久性使用建筑, 具备文化旅游城的文化特色,起到展示文旅业态的功能,而非传统意义上销售房产的售楼处。
主要功能为万达城文化旅游形象展示、互动体验、贵宾接待,销售使用期间兼顾接待、洽谈等功能。
其选址应按万达城总体规划要求,符合文化旅游城特点,建筑高度不超过24m。
1.3展示中心的耐火极限不应低于二级。
1.4 展示中心必须设置火灾自动报警系统、自动灭火系统、室内外消火栓系统、防排烟系统。
1.5展示中心必须报当地消防部门审、验或备案,并取得合格文件。
1.6展示中心应按永久性建筑设计(初期兼顾营销售楼功能),可依据建筑规模设计2~3层,其防火分区必须按国家防火规范要求进行划分。
原则上一层为展示中心主要使用空间,当建筑需划分为两个及两个以上防火分区时,每个防火分区的疏散楼梯数量不少于两部。
防火分区、楼梯设置及消防疏散应满足国家规范的要求。
1.7寒冷、严寒地区的展示中心,应设计完善的防冻措施,防止冻害发生。
1.8寒冷、严寒地区的展示中心,设计应屋面雪荷载及有效排除雨、雪水的措施。
2展示中心选址要求2.1选址要求:在总体规划独立地块内(详范图):2.1.1选址要求:1)有良好的沿街展示面。
2)选址地块无拆迁,满足展示中心的建设和开放节点。
2.1.2在计划模块基础上,保证合理设计和施工周期,制定计划,以保证展示中心如期开放。
3总平面3.1展示中心与周边建筑间距按照《建筑设计防火规范》中耐火等级不低于二级的建筑物要求执行。
3.2展示中心周边不得临近加油站、煤气站等存在安全隐患的场所。
3.3展示中心宜设置环行消防车道。
4建筑设计及构造措施4.1展示中心防火的具体执行标准按照《建筑设计防火规范》要求执行。
4.2所有靠外墙的有人使用房间应设置可开启外窗(包括玻璃幕墙),窗开启后洞口净宽不小于500,洞口高度不低于1200,距地高度不大于900,开启扇应能向外平开至少90度。
第一册万达广场/万达茂安全质量强制性技术标准(2018版)发布时间:2018年8月10日目录总则 (4)一.总体设计技术标准 (6)1建筑 (6)2结构 (7)3机电 (7)4内装(含导识) (9)5景观 (11)6夜景照明 (11)二.专项设计技术标准 (11)7幕墙(含外立面LOGO及钢结构雨棚) (11)8弱电智能化 (12)9基坑支护 (13)三.深化设计技术标准 (14)10管线支吊架 (14)11LOGO塔等大型牌体 (16)12雕塑结构 (16)13外立面灯具安装及电气 (16)14冷却塔降噪围护结构 (17)15砌筑墙体 (17)附录 (18)附录A 万达项目桩基及基坑支护检测要求 (18)附录B 万达广场装配式结构设计技术要求 (18)附录C 万达夜景照明设计灯具标准选型库 (18)附录D 万达广场/万达茂采光顶标准图 (18)附录E 万达商业固定广告位技术标准 (18)附录F 万达广场/万达茂扶梯安全护栏做法 (18)总则1为加强工程建设质量管理工作,规范质量管理行为,提升质量管理水平,制定《万达广场/万达茂安全质量强制性技术标准》(下称“本标准”)。
2本标准适用于万达广场、万达茂(不含主题娱乐业态)的全部项目(含合作项目)。
3项目实行总承包责任制,本标准属于总包责任范围,由总包单位组织实施并监督执行,专项设计单位、深化设计单位等其他单位予以配合。
4本标准应作为各单位之间签署的相关合同附件,与相关合同具有同等效力。
建设单位据此对相关单位进行履约考核。
5各单位必须根据本标准制定相应的内部管理制度及流程,并据此开展工作,各方管理要求如下:5.1设计总包单位管理要求1)设计总包单位对其管理范围内的设计成果,根据本标准进行专项审查,并出具“设计安全承诺书”,审查记录及承诺书签字盖章,随设计成果一并提交。
2)设计总包单位必须组织分包、专项、深化设计单位互提资料,并组织交底会及合图评审会,互提资料单及会议纪要随设计成果一并提交。
户外游乐场安保方案户外游乐场是人们休闲娱乐的好去处,尤其是受到广大儿童和青少年的喜爱。
然而,游乐场的安全问题不容忽视。
为了确保游客的人身安全和财产安全,制定一套科学、严密的安保方案至关重要。
以下是一份针对户外游乐场的安保方案。
一、游乐场概况1.地理位置:位于城市中心区域,交通便利,人流量大。
2.设施规模:游乐场占地面积XX平方米,设有大型游乐设施、亲子互动区、餐饮休息区等。
3.游客构成:以儿童、青少年和家庭游客为主。
二、安保目标1.确保游客的人身安全,预防意外伤害事故的发生。
2.确保游乐设施的正常运行,避免设备故障导致的意外。
3.维护游乐场的治安秩序,保障游客的财产安全。
三、安保措施1.人身安全(1)加强游乐设施的安全检查,确保设备无隐患。
(2)设立专门的安全员,负责现场监督和紧急救援。
(3)在游乐场显眼位置设置安全警示标志,提醒游客注意安全。
(4)对游客进行安全知识宣传,提高游客的自我保护意识。
2.设施安全(1)定期对游乐设施进行维修保养,确保设备运行正常。
(2)建立游乐设施操作规程,培训工作人员熟练掌握操作技能。
(3)设立设备检查制度,每日开放前进行设备检查,确保设备安全。
3.治安秩序(1)加强游乐场内的巡逻力度,维护现场秩序。
(2)设立监控室,对游乐场进行24小时监控,预防盗窃、诈骗等违法犯罪行为。
(3)加强与当地公安部门的沟通协作,及时处理突发事件。
四、应急预案1.意外伤害事故:立即启动应急预案,组织现场救援,同时拨打120、110求助。
2.设备故障:立即停止设备运行,疏散游客,进行设备维修。
3.突发公共卫生事件:启动公共卫生应急预案,配合卫生部门做好疫情防控工作。
五、总结与改进1.定期对安保工作进行总结,分析存在的问题,提出改进措施。
2.加强员工培训,提高员工的安全意识和业务水平。
3.及时关注国内外游乐场安全动态,借鉴先进经验,不断提升游乐场的安全管理水平。
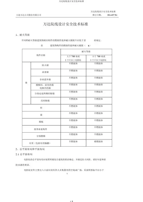
万达院线设计安全技术标准1、耐火等级1.1 不同耐火等级建筑物相应构件的燃烧性能和耐火极限不应低于表 1.1 的规定。
表 1.1 建筑物构件的燃烧性能和耐火极限(h)构件名称耐火等级大于700座或5个厅以上电影院小于700座或5个厅以下电影院墙防火墙不燃烧体3.00不燃烧体3.00承重墙不燃烧体3.00不燃烧体2.50非承重外墙不燃烧体1.00不燃烧体1.00楼梯间、前室的墙电梯井的墙不燃烧体2.00不燃烧体2.00疏散走道两侧的隔墙不燃烧体1.00不燃烧体1.00房间隔墙不燃烧体0.75不燃烧体0.50柱不燃烧体3.00不燃烧体2.50梁不燃烧体2.00不燃烧体1.50楼板不燃烧体1.50不燃烧体1.00屋顶承重构件不燃烧体1.50不燃烧体1.00疏散楼梯不燃烧体1.50不燃烧体1.00 吊顶(包括吊顶搁栅)不燃烧体0.25难燃烧体0.252、总平面布局和平面布局2.1 总平面布局2.1.1 电影院的总平面布局应根据所属综合建筑的要求确定,并满足防火间距、消防车道和消防水源的要求。
2.1.2 电影院室外主要出入口前应设有供人员集散用的空地或广场,其面积指标不应小于 0.2㎡/座,且大型(总座位数为1201-1800个或观众厅为8-10个)及特大型(总座位数大于1800个或观众厅不少于11个)电影院的集散空地的深度不应小于10m;特大型电影院的集散空地宜分散设置。
2.2 平面布局2.2.1 设置在综合建筑内的电影院应靠外墙设置。
2.2.2 观众厅宜布置在四层以下,如布置在四层及四层以上时,单个观众厅建筑面积不宜超过400㎡。
2.2.3 各观众厅的放映机房宜集中设置。
集中设置的放映机房每层不宜多于两处,并应有走道相通,走道宽度不宜小于 1.20m。
3、防火分区与防火分隔3.1 防火分区3.1.1电影院内设置中庭时,中庭与每层之间应进行防火分隔,防火分隔物的耐火极限不应小于3.00h。
必须设置的门或窗,应采用火灾时可自行关闭的甲级防火门或甲级防火窗。
购物中心设计安全技术标准1 术语1.1 万达广场购物中心由主力店,次主力店,室内步行街,室外商业街一环铺构成,利用室内步行街将主力店,次主力店,室外商业街等不同空间业态连接组合而成的一种商业综合体。
1.2 步行街首层公共区室内步行街在首层除两侧商业营业设施外的区域。
1.3 主力店通常为百货,超市,电玩,电影院,KTV,儿童业态,酒楼,培训,健身,电器等业态。
1.4 次主力店万达广场购物中心内建筑面积在 1000~2000㎡之间的商业经营场所,主要位于室内步行街两侧。
1.5 室外街一环铺与购物中心贴建的,面对室外的商铺。
1.6 消防性能化设计以性能目标、工程分析和定量评价为基础,针对特定的建筑用途、火灾荷载和火灾场景,利用可接受的工程分析工具、方法和性能判据所进行的消防设计。
1.7 防火单元在一个防火分区内采用具有一定耐火性能的实体墙、楼板、防火玻璃以及有喷淋保护的钢化玻璃等防火分隔物与其他相邻空间分隔而成的一个独立防火空间。
1.8 自动跟踪定位射流灭火系统是利用红外线、数字图像或其他火灾探测组件,通过对火焰和温度的探测,实现对早期火灾的自动跟踪定位,并运用自动控制方式喷射水流的灭火系统。
2 图纸要求2.1 购物中心、自持酒店、购物中心上部塔楼、独立的自持写字楼施工图设计单位,以及自持酒店、各主力店的内装施工图设计单位均应提供消防设计专篇。
2.2 购物中心必须进行消防性能化设计与论证,设计图纸须经项目当地消防部门审批通过后方可实施。
2.3 各主力店、次主力店的商家平面布置及内装设计不得随意改变原施工图设计中防火分区、防烟分区的划分及消防疏散门、消防通道的位置和宽度,如确实需要改变,应由原施工图设计单位重新检核消防设计,并最终满足消防设计要求。
2.4 购物中心的员工宿舍应布置在商管用房内,不允许设于地下室内,且应遵行国家相关规范。
3 总平面布局与平面布置3.1 万达广场购物中心(以下简称购物中心)周围应设置环形消防车道,其主立面宜紧邻城市道路。
万达百货设计安全技术标准 大连万达集团股份有限公司 实施日期:2014/7/11万达百货设计安全技术标准1 建筑设计1.1 万达百货是万达广场购物中心中最大的主力店,首先必须服从万达广场的整体设计,在建筑总平面布局和平面布置、防火防烟分区和建筑构造、安全疏散和消防电梯等方面严格遵循国家有关消防规范的要求,在此基础上,通过优化设计,保证百货卖场的布局完整及使用效率。
1.2 百货卖场内防火分区的设计在满足国家有关规范的同时,宜结合卖场空间规划中商品柜位的划分优化设计,尽量减少防火墙、防火门对商业运营的不利影响。
1.2.1 必须结合卖场边厅柜位隔墙的位置布置防火墙或防火卷帘。
1.2.2 同一层百货卖场中相邻防火分区之间防火门的布置,严禁放置在中岛区,应结合边厅柜位隔断位置,布置在边厅。
2 卖场空间规划及装饰设计2.1 百货卖场空间规划是根据商品经营品类布置的要求,通过合理的人流动线规划对卖场平面做区域划分,人流动线的规划表现为卖场的通道,根据通道的宽度不同,可分为主通道和次通道。
2.2 卖场的通道规划同时作为卖场的安全疏散通道,其最小设计宽度应满足下表的规定:表 2.2 卖场营业厅内疏散通道最小净宽度 营业厅布置方式 疏散通道名称(通道位置)最小净宽度(m) 柜架式营业区域(超市) 单侧设置货架的通道1.50 双侧设置货架的通道2.20 货架区与闸机(收银台)之间5.00 闸机与通向安全出口之间的通道3.00 主通道 3.002营业厅布置方式 疏散通道名称 ( 通道位置 )最小净宽度 (m) 柜架式营业区域 ( 百货商店、 购物中心等 ) 单侧设置柜架或陈列窗的通道 2.20双侧设置柜架或陈列窗的通道 2.20主通道 首层 3.00二层及以上 2.40商铺式营业区域单侧设置店铺的通道 2.20双侧设置店铺的通道 2.50主通道3.00 2.3 卖场营业厅内的通道宜采用双向疏散的布置方式,应至少设置一条贯通营业区域且连接安全出口的主通道。
大连万达公司股份有限公司推行日期:2014/07/01万达院线设计安全技术标准1、耐火等级不同样耐火等级建筑物相应构件的燃烧性能和耐火极限不应低于表的规定。
表建筑物构件的燃烧性能和耐火极限(h)构件名称防火墙承重墙非承重外墙墙楼梯间、前室的墙电梯井的墙分别走道两侧的隔墙房间隔墙柱梁楼板屋顶承重构件分别楼梯吊顶(包括吊顶搁栅)2、总平面布局和平面布局2.1 总平面布局耐火等级大于 700 座或小于 700 座或5 个厅以上电影院 5 个厅以下电影院不燃烧体不燃烧体不燃烧体不燃烧体不燃烧体不燃烧体不燃烧体不燃烧体不燃烧体不燃烧体不燃烧体不燃烧体不燃烧体不燃烧体不燃烧体不燃烧体不燃烧体不燃烧体不燃烧体不燃烧体不燃烧体不燃烧体不燃烧体难燃烧体电影院的总平面布局应依照所属综合建筑的要求确定,并满足防火间距、消防车道和消防水源的要求。
电影院室外主要出入口前应设有供人员集散用的空地或广场,其面积指标不应小于1㎡/座,且大型(总座位数为1201-1800 个或观众厅为8-10 个)及特大型(总座位数大于1800个或观众厅很多于11 个)电影院的集散空地的深度不应小于10m;特大型电影院的集散空地宜分散设置。
2.2 平面布局设置在综合建筑内的电影院应靠外墙设置。
观众厅宜部署在四层以下,如部署在四层及四层以上时,单个观众厅建筑面积不宜高出400㎡。
各观众厅的放映机房宜集中设置。
集中设置的放映机房每层不宜多于两处,并应有走道相通,走道宽度不宜小于 1.20m 。
3、防火分区与防火分开3.1 防火分区电影院内设置中庭时,中庭与每层之间应进行防火分开,防火分开物的耐火极限不应小于3.00h 。
必定设置的门或窗,应采用火灾时可自行关闭的甲级防火门或甲级防火窗。
3.2 防火分开防火分区之间应采用防火墙或防火卷帘分开,当采用防火卷帘进行分开时应吻合本标准第条的规定。
防火分区采用防火卷帘应吻合以下规定:1) 防火卷帘作为防火分开设施时,除中庭外,当防火分开部位宽度不大于30m时,防火卷帘的宽度不应大于10m;当防火分开部位的宽度大于30m时,其宽度不应大于该防火分开部位宽度的 1/3 。
万达宝贝王乐园设计安全技术标准1 总则1.1为规范万达宝贝王乐园(简称乐园)的建筑安全设计,保障乐园的安全,特制订本标准。
1.2本标准适用于新建、改建的,坐落于万达广场、万达茂或其他多高层建筑内的,且建筑面积不大于5000m2的乐园建筑安全设计,但不适用乐园内部及其周边疏散楼梯间、电梯、扶梯的建筑安全设计。
1.3乐园安全设计除应符合本标准规定外,尚应符合国家现行有关规范、标准以及《大连万达集团股份有限公司安全管理技术标准汇编》的规定。
2 术语2.1万达宝贝王乐园:是万达儿童娱乐有限公司首期推出的创新型动漫亲子乐园,面积3000—5000平米,在全国万达广场直营连锁开发。
乐园专为0—8岁中国亲子家庭设计,以“让孩子在梦想中成长”为经营理念,通过动漫主题氛围的营造,在精彩纷呈的游乐中创新性融入早教、职业体验、主题摄影、生日派对、亲子餐厅、动漫广场等功能区,并通过精彩游艺、体感攀爬、综合演艺、爱的故事屋、高科技互动等丰富多彩的体验方式,打造了一个拓展儿童思维、培养儿童社交、丰富儿童生活、增进亲子情感的欢乐世界。
2.2总挥发性有机化合物:在规定的检测条件下,所测得空气中挥发性有机化合物的总量。
简称TVOC。
2.3挥发性有机化合物:在规定的检测条件下,所测得材料中挥发性有机化合物的总量。
简称VOC。
2.4折叠机构:以铰链或旋轴连接,在操作时可能产生挤压、剪切作用的机构。
2.5保护帽或罩:覆盖在潜在危险边缘或突出物上以减少危险性伤害的部件。
2.6危险突出物:可能产生伤害的、危险性的、可触及的突出零部件。
2.7危险锐利边缘:可能产生伤害的、危险性的、可触及的边部。
2.8危险锐利尖端:可能产生伤害的、危险性的、可触及的尖端。
2.9安全型插座:是指电源插座内带有绝缘密封设备、能够将电源与外部环境隔离开的插座。
3 设计图纸要求3.1 内装施工图须提供消防设计专篇。
3.2 机电、消防施工图须由具备专业资质的设计单位设计。
第一册万达广场/万达茂安全质量强制性技术标准(2018版)发布时间:2018年8月10日目录总则 (4)一.总体设计技术标准 (6)1建筑 (6)2结构 (7)3机电 (7)4内装(含导识) (9)5景观 (11)6夜景照明 (11)二.专项设计技术标准 (11)7幕墙(含外立面LOGO及钢结构雨棚) (11)8弱电智能化 (12)9基坑支护 (13)三.深化设计技术标准 (14)10管线支吊架 (14)11LOGO塔等大型牌体 (16)12雕塑结构 (16)13外立面灯具安装及电气 (16)14冷却塔降噪围护结构 (17)15砌筑墙体 (17)附录 (18)附录A 万达项目桩基及基坑支护检测要求 (18)附录B 万达广场装配式结构设计技术要求 (18)附录C 万达夜景照明设计灯具标准选型库 (18)附录D 万达广场/万达茂采光顶标准图 (18)附录E 万达商业固定广告位技术标准 (18)附录F 万达广场/万达茂扶梯安全护栏做法 (18)总则1为加强工程建设质量管理工作,规范质量管理行为,提升质量管理水平,制定《万达广场/万达茂安全质量强制性技术标准》(下称“本标准”)。
2本标准适用于万达广场、万达茂(不含主题娱乐业态)的全部项目(含合作项目)。
3项目实行总承包责任制,本标准属于总包责任范围,由总包单位组织实施并监督执行,专项设计单位、深化设计单位等其他单位予以配合。
4本标准应作为各单位之间签署的相关合同附件,与相关合同具有同等效力。
建设单位据此对相关单位进行履约考核。
5各单位必须根据本标准制定相应的内部管理制度及流程,并据此开展工作,各方管理要求如下:5.1设计总包单位管理要求1)设计总包单位对其管理范围内的设计成果,根据本标准进行专项审查,并出具“设计安全承诺书”,审查记录及承诺书签字盖章,随设计成果一并提交。
2)设计总包单位必须组织分包、专项、深化设计单位互提资料,并组织交底会及合图评审会,互提资料单及会议纪要随设计成果一并提交。
游乐设施安全设计标准有哪些
游乐设施安全设计标准是指对于游乐设施的设计、制造、运行过程中所需要满足的安全性要求的准则和规范。
以下是游乐设施安全设计标准的一些主要内容:
1. 设计思想:游乐设施的设计应充分考虑用户的安全和舒适性,合理安排设施的布局和结构。
设施设计应依据用户体验、人机工程学和安全管理的原则进行,着重保障设施的安全性能。
2. 力学安全性:游乐设施的结构部件应具有足够的强度和刚度,能够承受预期荷载和使用寿命内的重复荷载,防止因结构破坏而造成的意外事故。
3. 电气安全性:游乐设施中的电气系统应符合国家和地方相关的安全标准,电器设备应具有过负荷保护、短路保护和接地保护等功能,避免因电气故障引发的火灾和触电事故。
4. 操作安全性:游乐设施应具备明确的操作指南和安全警示标识,操作操作者需要经过相关培训和持证上岗。
设施应能在各种异常情况下进行安全停机和紧急救援。
5. 紧急应急预案:游乐设施的设计应考虑在紧急情况下的疏散和救援措施,设施周边应设置适当的紧急通道和安全设施,以便在发生事故时及时有效地保障游客的安全。
6. 防护措施:游乐设施的设计中应考虑到可能存在的风险和危险区域,并在必要的地方设置围栏、护栏、导轨等防护设施,
避免游客的接触和意外的发生。
7. 材料及制造标准:游乐设施的材料应符合相关的标准和规范,制造工艺要合理可靠,确保设施的使用寿命和安全性能。
综上所述,游乐设施安全设计标准涵盖了从设计、制造到运营的全过程,并包括了结构、电气、操作、应急和防护等多个方面,以保证游乐设施的安全性和用户的乐趣体验。
这些标准的严格执行,能够有效地减少游乐设施事故的发生,保障游客的人身安全。
室外游乐场设计规范室外游乐场作为一种娱乐设施,近年来在城市的生活中越来越受欢迎。
对于一个好的室外游乐场来说,设计规范是必不可少的。
在保证游乐设施的安全性和趣味性的基础上,设计规范也是为游客提供最好的体验的重要保障。
首先,设计规范必须要考虑到游乐场的适用群体。
不同的年龄段的游客对游乐设施的需求和喜好是不同的,设计人员必须考虑到这些因素来决定游乐设施的类型、尺寸、高度等基本参数。
例如:对于儿童来说,需要一个安全性高、体验性强的单独区域,包含一些适合他们玩耍的项目;对于年轻人,他们需要一个充满刺激感的空间,设置一些更高、速度更快的设施;对于老年人,则需要更加平静、舒适的空间,如花园、座椅等。
其次,设计规范要考虑到游乐设施的可持续发展。
建设室外游乐场,不仅要考虑当前人们的需求,还需要考虑到未来的人们对游乐设施的需求。
设计人员必须将游乐场的可持续性以及资源的节约和环境保护融入到设计中。
例如:可以在游乐场上安装太阳能板,根据自然光线供应电力;可以设置回收装置,收集和回收游乐场内的水资源以及废弃物。
另外,规范的游乐场设计也要注意游乐设施的安全性。
个别不规范的游乐场安全隐患较多,如设备安装不严密、材质不合格等问题。
设计人员必须在设计之初给予足够的考虑,设计合理的结构、使用经久耐用的材料和系统安全检测,确保游客在体验中及时发现并处理安全问题。
同时,游乐设施的安全规范是关键,存在的安全隐患必须在及时发现和消除。
最后,规范的游乐场设计也应考虑到容易维护的问题。
为了保证游乐场的运营以及吸引游客,设备和场地需要经常保持干净和整洁。
设计人员应该采用易于清洁的材料,如清洁剂和颜色深浅的选择,使游乐场能够更容易地保持清洁。
总之,规范的游乐场设计应该遵守上述原则,保证游客能够在体验中获得安全、极速和刺激感。
通过科学、严谨的设计规范,游乐场可以更好地融入城市生活中,并且满足人们的娱乐需求,为人们提供多彩的休闲活动方式。
游乐场安全标准有哪些标准
游乐场是孩子们喜爱的地方,但是游乐场安全问题一直备受关注。
为了确保孩子们在游乐场玩耍时的安全,游乐场需要遵循一定的安全标准。
下面将介绍一些游乐场安全标准的相关内容。
首先,游乐场的设施和设备需要符合相关的安全标准。
游乐设备应该经过严格的质量检测和认证,确保其结构稳固,材料安全耐用。
设备的安装和维护也需要专业人员进行,定期检查设备的安全性能,及时发现并解决存在的安全隐患。
其次,游乐场应该设置明显的安全警示标识。
在游乐场的入口处和每个设备的周围都应该设置安全警示标识,提醒游客注意安全,遵守游乐场的规则。
同时,游乐场工作人员也应该接受专业的安全培训,能够及时处理突发的安全事件,确保游客的安全。
另外,游乐场的环境卫生和秩序也是保障安全的重要因素。
游乐场应该定期进行卫生清理,保持场地的整洁干净,避免因为杂物或污垢导致安全事故。
同时,游乐场的秩序也需要得到有效的管理,避免游客在玩耍时造成拥挤和混乱,增加安全隐患。
最后,游乐场的安全标准还包括应急预案和安全演练。
游乐场应该制定完善的应急预案,对可能发生的安全事故进行预先的规划和准备,确保在发生意外时能够及时有效地进行救援和处理。
同时,定期进行安全演练,提高工作人员的应急处理能力,增强应对突发事件的能力。
总之,游乐场的安全标准涉及到设施设备、安全警示、环境卫生、秩序管理、应急预案等多个方面。
只有严格遵循这些安全标准,才能确保游客在游乐场玩耍时的安全。
希望游乐场能够重视安全问题,做好安全管理工作,为孩子们提供一个安全、快乐的游乐环境。
万达室外主题乐园设计安全技术标准1 总则1.0.1 为减少、防止万达室外主题乐园项目的火灾危害、公共安全事故,保护游客人身和财产安全,制订本标准。
1.0.2 万达室外主题乐园的规划建筑防火设计、安全设计应遵循(但不限于)的主要规范包括:1)《建筑设计防火规范》(GB50016-2006)2)《高层民用建筑设计防火规范》(GB50045-95)3)《汽车库、修车库、停车场设计防火规范》(GB50067-97)4)《建筑内部装修设计防火规范》(GB50222-95)5)《民用建筑设计通则》(GB50352-2005)6)《游乐设施安全规范》(GB8408-2008)7)《滑道安全规范》(GB18879-2008)8)《公园设计规范》(CJJ48-92)9)《游泳池和水上游乐池给水排水设计规程》(CECS 14:2002)同时应遵守其他各类专业防火设计规范,并遵守国家现行相关法规文件及项目所在地的地方性法律法规的规定。
1.0.3 本标准结合万达室外主题乐园项目的特殊性,针对在国家规范和法规文件中未予明确的部分,给予补充说明。
同时充分考虑万达室外主题乐园属人员密集场所、火灾危险性较高、容易发生公共安全事故的特点,在重点方面适当提高设计标准。
1.0.4 万达室外主题乐园运营期间的主要危险源包括:公共安全危险(如人员密集等)、火灾危险、游乐设施故障、市政设施故障、自然灾害等方面,本标准是根据上述的危险源种类,分别阐述应对各种危险状态下的设计标准。
本标准内容不包括游乐设施故障安全标准。
1.0.5 本标准适用于万达集团开发建设的各类万达室外主题乐园。
2 术语2.0.1 万达室外主题乐园万达室外主题乐园是现代旅游业在旅游资源的开发过程中所孕育产生的新的旅游吸引物,是通过充分利用自然资源、整合强化人文资源、系统管理信息资源并与旅游企业经营活动相结合而建设成的休闲度假和旅游活动空间。
万达室外主题乐园的基本特征是,根据一个或几个特定的主题,创造某种特定的环境和氛围,以吸引游客。
万达室外主题乐园设计安全技术标准1 总则1.0.1 为减少、防止万达室外主题乐园项目的火灾危害、公共安全事故,保护游客人身和财产安全,制订本标准。
1.0.2 万达室外主题乐园的规划建筑防火设计、安全设计应遵循(但不限于)的主要规范包括:1)《建筑设计防火规范》(GB50016-2006)2)《高层民用建筑设计防火规范》(GB50045-95)3)《汽车库、修车库、停车场设计防火规范》(GB50067-97)4)《建筑内部装修设计防火规范》(GB50222-95)5)《民用建筑设计通则》(GB50352-2005)6)《游乐设施安全规范》(GB8408-2008)7)《滑道安全规范》(GB18879-2008)8)《公园设计规范》(CJJ48-92)9)《游泳池和水上游乐池给水排水设计规程》(CECS 14:2002)同时应遵守其他各类专业防火设计规范,并遵守国家现行相关法规文件及项目所在地的地方性法律法规的规定。
1.0.3 本标准结合万达室外主题乐园项目的特殊性,针对在国家规范和法规文件中未予明确的部分,给予补充说明。
同时充分考虑万达室外主题乐园属人员密集场所、火灾危险性较高、容易发生公共安全事故的特点,在重点方面适当提高设计标准。
1.0.4 万达室外主题乐园运营期间的主要危险源包括:公共安全危险(如人员密集等)、火灾危险、游乐设施故障、市政设施故障、自然灾害等方面,本标准是根据上述的危险源种类,分别阐述应对各种危险状态下的设计标准。
本标准内容不包括游乐设施故障安全标准。
1.0.5 本标准适用于万达集团开发建设的各类万达室外主题乐园。
2 术语2.0.1 万达室外主题乐园万达室外主题乐园是现代旅游业在旅游资源的开发过程中所孕育产生的新的旅游吸引物,是通过充分利用自然资源、整合强化人文资源、系统管理信息资源并与旅游企业经营活动相结合而建设成的休闲度假和旅游活动空间。
万达室外主题乐园的基本特征是,根据一个或几个特定的主题,创造某种特定的环境和氛围,以吸引游客。
万达室外主题乐园在本质上是采用现代的科学技术和多层次空间活动的设置方式,集诸多娱乐内容、休闲要素和服务接待设施于一体的现代旅游目的地。
万达室外主题乐园的分类:1)按照业态模式可分为陆地公园、海洋公园、水乐园、野生动物园等;2)按照规划建筑空间类别可分为万达室外主题乐园、万达室内主题乐园;3) 按照用地规模和投资规模可分为特大型万达室外主题乐园、大型万达室外主题乐园、中小型万达室外主题乐园4)按照旅游体验方式可分为情景模拟型、游乐观光型、风情体验型主题乐园等;万达室外主题乐园的主要功能业态有:游乐景点、骑乘项目、游乐设备、餐饮设施、零售设施、紧急救援设施、卫生设施及附属后勤管理设施等。
2.0.2 万达室外主题乐园景点是位于万达室外主题乐园内部,具有独特的创意性,能提供游客在特有情境下观赏、体验旅游感受的建筑、景观、游乐场所。
景点是万达室外主题乐园旅游区的重要组成部分,是万达室外主题乐园的核心,它的特点包括:1)具有一定的旅游吸引力,能够满足游客物质和精神上的享受。
2)具备不可复制性。
3)具备观赏性及文化内涵。
万达室外主题乐园景点类别包括:骑乘项目、演艺剧场、人工景观、游乐设备、巡游表演、主题表演、节日庆典等。
2.0.3 演出剧场(包括室内外演出剧场、动物表演剧场等)位于万达室外主题乐园内,提供游客观赏特色主题表演、喜剧、音乐剧、动物表演等的场所。
万达室外主题乐园内的演出剧场规模约在500座以下,独立建造或与商业零售店毗邻建造。
建筑形式包括室内演出剧场、室外演出剧场。
2.0.4 骑乘项目位于万达室外主题乐园内的主题建筑物,运用灯光、影像、音效、布景、主题包装、游乐设备等多样化、现代化的技术手段,创造个性丰富的、主题化的游乐场所,以吸引游客并提供娱乐体验的游乐项目。
2.0.5排队区游客在进入一个游乐项目或景点主活动区之前站队等待的区域。
该区域可为室外,也可为室内,并经常与前秀结合。
2.0.6主题包装在万达室外主题乐园中游客的可视范围内,在建筑物、构筑物、骑乘设备、场景环境、景观等元素上以主题化的形式进行的外包和装饰。
2.0.7主题故事线在万达室外主题乐园的游乐项目或景点中,用以组织游客体验而设计的、与主题相关的故事。
游乐项目和景点将以故事情节为基础,在游客的路线中分区设置与故事发展相配合的场景、布景道具。
2.0.8巡游表演万达室外主题乐园和游乐园中,于每日特定时间,在园区特定的区域、遵循特定的路径,为游客提供的行进式的表演。
表演由大量的演艺人员和花车、道具组成。
2.0.9主题区万达室外主题乐园中游客可视的或能达到的、有主题化包装的区域,其中包括游乐项目、景点、餐饮设施、零售设施等。
2.0.10水公园以嬉水为主要活动的游乐园,游乐项目包括水滑道、漂流筏、冲浪池、儿童嬉水区等,以及其它与嬉水、游泳相关的活动区域。
2.0.11餐饮设施为万达室外主题乐园或游乐园中的游客提供餐饮服务的设施,包括入座式餐厅、主次快餐厅、主题型餐厅、表演型餐厅、餐饮小亭、小型餐车等。
2.0.12 零售设施万达室外主题乐园或游乐园中销售各类主题商品和普通纪念品的设施,可以为独立设置的建筑、构筑物或售卖车,也可设于游乐项目出口处,与项目建筑毗联形成一体。
2.0.13 后勤区不对游客和公众开放的、为万达室外主题乐园运营和演艺活动提供服务的工作区域,主要包括行政办公用房、演职人员用房、设备检修库房、花车车库、停车库、普通库房、易燃品库房、中央厨房及库房、安保用房、员工宿舍等。
3 消防设计图纸、说明要求3.0.1 各建筑、景观、游乐空间需要依据运营方提供的日游客接待数量进行严格测算,确定功能空间尺度、消防疏散宽度、出入口位置及数量。
3.0.2 施工图设计中,应确保室内装修设计、主题包装设计、游乐设备设计、室外综合管网设计等各方面,符合规范中的消防设计要求,不得随意改变规划消防间距、建筑防火分区、防烟分区的划分及消防疏散门、疏散通道的宽度和位置;应由总包设计单位对上述各专业的施工图纸进行合图。
3.0.3规划设计中要充分考虑消防救援通道设置、紧急救援通道设置。
3.0.4万达室外主题乐园的所有建筑类型,均应由施工图设计单位编写消防设计专篇。
3.0.5万达室外主题乐园内的烟花燃放活动应符合当地法规规定,如果举行大型庆典活动需要燃放烟花爆竹的,需要按照当地政府部门主管的要求执行。
3.0.6万达室外主题乐园内的建筑设计均应满足残疾人使用要求。
4 规划基地与总平面布局4.1 项目选址4.1.1万达室外主题乐园的基地选址应符合城市规划和布局的要求。
4.1.2万达室外主题乐园基地选址应考虑地形、地貌,应分析地貌种类、地质情况、水文情况、气候特点等因素,远离滑坡、泥石流、洪水等自然灾害易发区域。
如果位于江河湖海区或山区等有洪、涝、潮水侵害的地区,应按照相关防洪排涝、防潮规划的要求,进行防洪排涝、防潮专项设计。
4.1.3万达室外主题乐园用地范围内,不应有城市高压输配电架空线。
4.2 园区规划用地、道路、出入口、停车场4.2.1万达室外主题乐园基地应至少应有一边与城市一级主干道相邻。
4.2.2万达室外主题乐园主入口处应设游客集散广场,集散广场面积应满足0.2平方米/人(设计日游客接待人数)。
4.2.3万达室外主题乐园宜设专用停车场,停车容量应满足设计日游客接待量要求。
停车场出入口数量及位置除满足规范要求外,还应符合下列要求:1) 应预留紧急情况出口,出口应满足不少于4辆车同时通过。
2)车辆出入口至城市道路的最小距离不应小于20米,且不应超出规划用地界限。
3)收费车辆入口净宽度不小于4.0米,收费亭应有防撞措施。
4)车辆出入口净高度不低于4.5米。
4.2.4 室外游客活动区域、停车场应设置必要的安全警示标牌、消防警示标牌。
4.2.5 消防车道的宽度不应小于4.00m,消防车道上空4.00m以下范围内不应有障碍物。
消防车道的铺装及车道下方的管道和暗沟等,应能承受消防车辆的压力。
4.3 预防地质灾害4.3.1万达室外主题乐园沿城市道路部分的场地标高宜高于该段路面标高,避免地面径流冲刷。
4.3.2万达室外主题乐园的竖向设计中应考虑常年最高地下水位、常年地下水位等,建构筑物的室外高程应高于常年最高地下水位。
4.3.4竖向设计应因地制宜,与周边市政道路尽量较少高差,场地标高应满足控规防洪标准应满足场地限高要求。
改造的地形坡度超过土壤的自然安息角(当散体煤在平面上堆积成堆时,其锥面和自然水平面形成一个角度,散煤开始运动瞬间所形成的最大角称为自然安息角。
)时,应采取护坡、固土或防冲刷的工程措施。
4.4 景观设施4.4.1硬底人工水体的近岸2.0m范围内的水深,不得大于0.7m,达不到此要求的应设护栏。
无护栏的园桥、汀步附近2.0m范围以内的水深不得大于0.5m。
4.4.2寒冷地区的驳岸基础应设置在冰冻线以下。
岸坡应有必要的固土和防冲刷的技术措施。
4.4.3 种植安全要求(1)严禁选用危及游人生命安全的有毒植物;(2)避免在游人正常活动范围内选用枝叶有硬刺或枝叶形状呈尖硬的剑、刺状以及有浆果或分泌物坠地的种类;(3)避免选用挥发物或花粉能引起明显过敏反应的种类;(4)通行机动车辆的园路,车辆通行范围内不得有低于4.0m高度的枝条;(5)游人通行路面范围内,乔、灌木枝下净空不得低于2.2m,乔木种植点距路缘应大于0.5m。
5 室内骑乘项目建筑安全技术标准5.1 平面布局、建筑防火分区、防火分隔与建筑构造5.1.1防火分区的划分应按照《建筑设计防火规范》执行,当建筑室内为游艺项目,且为同一时间容纳人数超过50人的人员密集场所时,应执行“歌舞、娱乐、放映、游艺”场所的相关规定:(1)不应布置在地下二层及二层以下。
当布置在地下一层时,地下一层地面与室外出入口地坪的高差不应大于10m。
(2)一个厅、室的建筑面积不应大于200m2,并应采用耐火极限不低于2.00h 的不燃烧体隔墙和1.00h 的不燃烧体楼板与其它部位隔开,厅、室的疏散门应设置乙级防火门。
(3)超过50平方米的房间,疏散门数量不应少于2个,且二个疏散门的间距不小于5米。
(4)仅供儿童使用的骑乘项目建筑宜独立建造。
5.1.2骑乘项目建筑与零售商店、餐厅毗邻建造时,应该设独立的防火分区,采用耐火等级不低于3小时的防火墙与其他建筑隔开。
5.1.3骑乘项目建筑应设独立的安全出口。
5.2 安全疏散5.2.1台阶在幼儿安全疏散和经常出入的通道上,不应设有台阶。
必要时可设防滑坡道,其坡度不应大于1∶12。
如无法避免出现台阶,则户外台阶踏步数不少于2级;台阶踏步的高度不应大于0.15m,宽度不应小于0.3m。
在严寒、寒冷地区设置的室外安全疏散台阶,应有防滑措施。