网络分析与综合1
- 格式:ppt
- 大小:2.85 MB
- 文档页数:47
网络分析网络分析是指对网络中的各个节点和连接进行研究和分析的过程。
网络分析可以帮助我们理解网络中的关系、交流和影响,从而提供决策支持和解决问题的方法。
网络分析是一种多学科的方法,可以应用于社会网络、信息网络、生物网络等各个领域。
本文将就网络分析的基本概念、应用领域和方法进行探讨。
网络分析的基本概念包括节点和连接。
节点是网络中的个体或单位,可以是人、组织、物品等,而连接则是连接节点之间的关系,可以是社交关系、传输关系等。
通过分析节点和连接之间的关系,我们可以了解到节点的属性和行为,并研究其对整个网络的影响。
例如,在一张社交网络图中,每个人都是一个节点,他们之间的朋友关系就是连接。
通过分析这些连接,我们可以了解到每个人的社交圈子大小、社交影响力等信息。
网络分析的应用领域非常广泛。
在社会科学领域,网络分析可以帮助我们研究社会关系、信息传播、组织结构等问题。
例如,我们可以通过分析人际关系网络来研究社交影响力,通过分析组织结构网络来优化组织管理。
在信息科学领域,网络分析可以帮助我们理解信息的传播与扩散、网络的强度与稳定性等问题。
例如,我们可以通过分析互联网网络来研究信息的传播速度和传播路径。
在生物科学领域,网络分析可以帮助我们研究生物分子之间的相互作用、基因调控网络等问题。
例如,我们可以通过分析蛋白质相互作用网络来研究疾病的发生机制。
网络分析的方法包括节点度中心性、介数中心性、接近中心性等。
节点度中心性是指一个节点在网络中与其他节点相连接的数量,度中心性越高,代表该节点在网络中的重要性越大。
介数中心性是指一个节点在网络中作为中介传递信息的能力,介数中心性越高,代表该节点在信息传播过程中的重要性越大。
接近中心性是指一个节点与其他节点之间的距离,接近中心性越高,代表该节点在网络中的位置越重要。
通过这些方法,我们可以分析网络的结构和节点的重要性,从而获取有关网络的洞察和信息。
网络分析的研究方法包括定量和定性两种。
电网络分析与综合实验报告电路与系统 ZZH实验一:Capture CIS软件及其电路设计方法一、实验目的1.学习Cadence/OrCAD软件的安装。
2.学习用Cadence/OrCAD软件进行电路原理图输入。
3.熟悉现代电路设计的软件环境,为实验二做准备。
二、实验内容1. 安装Cadence/OrCAD 10.5软件。
注意:需要设置环境变量。
2. 行Capture CIS软件,进行电路原理图输入环境状态,熟悉相关菜单和按钮的功能与使用方法。
3. 建立一个设计项目(工程),设置图纸属性等。
4. 以一个简单的电源设计和CCD视频信号前置放大器为例,进行电路元器件的查找、输入、摆放和导线联接等。
(1) 电源设计要求:外部输入20V,产生放大器要求的电压。
(2) 前置放大器设计要求:使用AD8099同相放大,输入CCD信号(如下图虚线所示),去除直流后再放大一倍(如下图实线所示)。
5. 修改进而创建元器件图形符号。
6. 修改元器件属性。
7. 进行电气设计规则检查并创建网络联接表。
三、实验要求1. 通过Internet网络查找、收集相关资料。
2. 自学OrCAD Capture的相关教程或资料。
3. 可以相互讨论,但最后必须独立完成。
4. 写出并提交电子版实验报告。
四、实验设备1. PC机一台,最低配置:P42.0GHz CPU/512M内存/80G硬盘。
2. 一套Cadence/OrCAD电路设计软件。
五、实验过程:1. 实验准备,知道Cadence的安装使用。
本软件的安装求注意的是环境变量的设置。
右击“我的电脑”→“属性”→ 弹出“系统属性”对话框→“高级”选项卡→“环境变量”。
弹出“环境变量”对话框。
在用户变量中选择“新建”,在下面对话框中输入变量名和变量值变量名是“CDS_LIC_FILE”,变量值是“D:\Cadence\SPB_15.5”(变量值视具体安装路径而定)。
建立一个项目工程,设置图纸属性,准备前置放大器的电路设计实验2. 电路设计根据要求设计总的电路图如下:整个电路由电源电路、信号发生电路和放大电路三大部分组成。
网络分析报告网络分析是一项重要的工作,通过对网络数据的收集、整理和分析,可以帮助我们更好地了解网络用户的行为、网络流量的变化以及网络安全的问题。
本报告将对最近一段时间内的网络数据进行分析,从用户行为、流量变化和安全问题三个方面进行详细的分析和总结。
首先,我们来分析用户行为。
通过对网络数据的监测和分析,我们发现用户在最近一段时间内的访问行为呈现出明显的变化。
其中,社交媒体和新闻资讯类网站的访问量明显增加,而传统的电商网站和在线视频网站的访问量略有下降。
这表明用户对于获取信息和社交交流的需求在增加,而对于购物和娱乐的需求在减少。
此外,我们还发现用户在智能手机上的上网时间明显增加,而在电脑上的上网时间有所减少。
这说明移动互联网的普及和智能手机的普及对用户的上网行为产生了显著的影响。
其次,我们对网络流量的变化进行了分析。
通过对网络流量数据的统计和分析,我们发现最近一段时间内网络流量整体呈现出增长的趋势。
特别是在晚间和周末,网络流量的增长更为明显。
这表明用户在这些时间段内的上网需求更为集中和增加。
此外,我们还发现视频流量占据了网络流量的大部分,而音频流量和文本流量的占比相对较小。
这说明用户对于视频内容的需求更为迫切,而对于音频和文本内容的需求相对较低。
最后,我们对网络安全问题进行了分析。
通过对网络安全事件的监测和分析,我们发现最近一段时间内网络安全事件有所增加。
其中,恶意软件和网络攻击事件占据了网络安全事件的大部分。
这说明网络安全形势依然严峻,我们需要加强对网络安全事件的监测和防范,保护用户的网络安全。
总结而言,通过对网络数据的分析,我们可以更好地了解用户行为、网络流量和网络安全的情况。
这有助于我们更好地把握用户需求,优化网络服务,加强网络安全防护。
希望本报告对您有所帮助,谢谢阅读。
《电网络分析与综合》首先电网络理论是研究电网络(即电路)的基本规律及其分析计算方法的科学,是电工和电子科学与技术的重要理论基础。
“网络分析”与“网络综合”是电网络理论包含的两大主要部分。
本书共十章,第一至六章主要内容为网络分析,第七至十章主要内容为网络综合。
网络分析部分在大学本科电路原理课程的基础上,进一步深入研究电路的基本规律和分析计算方法。
其中,第一章(网络元件和网络的基本性质)包含电网络理论的基本概念与基本定义,是全书的理论基础。
第二、三、四、五章(网络图论和网络方程、网络函数、网络分析的状态变量法、线性网络的信号流图分析法)介绍现代电网络理论中的几类分析电网络的方法。
第六章(灵敏度分析)研究评价电路质量的一个重要性能指标——灵敏度的分析计算方法,为电网络的综合与设计提供必要的工具。
在网络综合部分,除介绍网络综合的基础知识、无源滤波器和有源滤波器综合的基本步骤外,侧重研究得到广泛应用的无源滤波器和有源滤波器的综合方法。
其中,第七、八章(无源网络综合基础、滤波器逼近方法)的内容是进行电网络综合所必须具备的基础知识。
第九章(电抗梯形滤波器综合)对无源LC梯形滤波器的综合方法做了详细介绍。
因为这种滤波器不仅具有优良性能、得到广泛应用,而且在有源RC滤波器以及SC滤波器、SI滤波器等现代滤波器设计中,常以其作为原型滤波器。
第十章(有源滤波器综合基础)在综述有源滤波器基本知识的基础上,介绍几类常用的高阶有源滤波器综合方法。
其中,比较深入地研究了用对无源LC梯形的运算模拟法综合有源滤波器的方法。
第一章主要论述网络的基本元件以及网络和网络与安杰的基本性质。
实际的电路有电气装置、器件连接而成。
在电网络理论中所研究的电路则是实际电路的数学模型,他的基本构造单元时电路元件。
每一个电路元件集中地表征电气装置电磁过程某一方面的性能,用反映这一性能的各变量间关系的方程表示。
电网络的基本变量是电流i、电压u、电荷q、磁通Φ,它们分别对应于电磁场的表征量磁场强度H、电场强度E、电位移D和磁感应强度B。
电网络分析与综合课后答案【篇一:综合布线技术课后习题参考答案】空题(1)综合布线系统宜按七个子系统组成,即工作区、配线子系统、干线子系统、、。
(2)“3a”智能建筑是指大厦具有建筑自动化(ba)、通信自动化(ca)、办公自动化(oa)的特性。
(3)“线务员”是指从事通信线路维护和工程施工的人员。
本职业共设五个等级:国家职业资格五级(初级)、国家职业资格四级(中级)、国家职业资格三级(高级)、国家职业资格二级(技师)、国家职业资格一级(高级技师)。
(4)我国现行的综合布线标准是《综合布线系统设计规范》(gb 50311-2007)。
(5)配线子系统是由工作区的信息插座模块、信息插座模块至电信间配线设备(fd)的配线电缆和光缆、电信间的配线设备、设备缆线和跳线等组成的系统。
(6)综合布线系统应为开放式网络拓扑结构,应能支持语音、数据、图像、多媒体业务等信息的传递。
? 二.单项选择题(1)综合布线系统中直接与用户终端设备相连的子系统是 a 。
a.工作区子系统b.配线子系统c.干线子系统d.管理(2)综合布线系统中用于连接两幢建筑物的子系统是 d。
a.管理子系统b.干线子系统c.设备间子系统d.建筑群子系统(3)综合布线系统中用于连接楼层配线间和设备间的子系统是 c 。
a.工作区子系统b.配线子系统c.干线子系统d.管理子系统(4)综合布线系统中用于连接工作区信息插座与楼层配线间的子系统是 b。
a.工作区子系统b. 配线子系统c.干线子系统d.管理子系统 ? 二.多项选择题(1)综合布线系统是针对计算机与通信的配线系统而设计的,以下属于综合布线系统功能的是: abcdea.传输模拟与数字的语音b.传输电视会议与安全监视系统的信息c.传输数据d.传输传真、图形、图像资料e.传输建筑物安全报警与空调控制系统的信息(2)为综合布线系统制定的一系列标准的主要内容有: abcda.民用建筑线缆标准 b.民用建筑通信和空间标准c.民用建筑中有关通信接地标准 d.民用建筑通信管理标准? 三.思考题(1)与传统的布线技术相比,综合布线系统具备哪些特点?综合布线系统具有以下六大特点:(1)兼容性(2)开放性(3)灵活性(4)可靠性(5)先进性(6)经济性(2)综合布线标准制定的意义?答:综合布线标准不但限定了产品的规格、型号和质量,也为用户提供了一套明确的判断标准和质量测试方法,以确保技术的兼容性。
网络分析报告随着互联网的迅猛发展,网络已经渗透到我们生活的方方面面。
人们通过网络进行信息交流、获取各种资讯,甚至进行购物、娱乐等活动。
然而,网络的广泛应用同时也带来了一些问题和挑战。
为了更好地了解网络的运行和用户的行为,网络分析成为一种重要的研究方法。
一、网络分析的定义和意义网络分析是指对网络结构、关联关系、信息流动进行研究和分析的方法。
通过网络分析,可以探究网络中的节点和边的关系、信息的传播路径以及网络的演化规律,为我们了解网络的特点和运行机制提供了宝贵的信息。
网络分析的意义在于,它能够帮助我们更好地了解网络的特性和规律,从而为网络设计和优化提供依据。
通过分析网络中的节点和边的关系,我们可以识别出重要节点并进行重要性排序,从而为网络推广和传播提供策略。
此外,网络分析还可以帮助我们发现和预测信息的传播路径,为信息安全、舆情分析等领域提供参考。
二、社交网络分析社交网络是网络分析的一个重要应用领域。
人们通过社交媒体、聊天工具等平台进行社交,形成了庞大的社交网络。
通过对社交网络的分析,我们可以了解人们的社交圈子、信息接触模式以及社交传播效应。
社交网络分析可以帮助我们识别关键人物和社交集团。
通过分析网络中的节点和边的关系,我们可以发现那些在社交网络中具有重要地位和影响力的人物,并了解他们之间的连接关系。
此外,社交网络分析还能够帮助我们识别出不同的社交集团,了解他们的组成和互动方式。
这些信息对于社交媒体的推广、舆情分析等有着重要的价值。
三、信息传播网络分析信息传播网络是网络分析的另一个重要应用领域。
在互联网时代,信息的传播速度和范围都大大增加,人们通过各种渠道分享和传播信息。
通过对信息传播网络的分析,我们可以更好地了解信息的传播路径和传播效果。
信息传播网络分析可以帮助我们了解信息的传播路径。
通过分析网络中的节点和边的关系,我们可以追踪信息在网络中的传播路径,了解哪些节点对信息的传播起到了重要作用。
此外,信息传播网络分析还可以帮助我们评估信息传播效果,了解信息在网络中的影响范围和效果。
网络综合实验报告网络综合实验报告随着互联网的普及和发展,网络已经成为人们生活中不可或缺的一部分。
本次实验旨在深入了解网络的基本概念和工作原理,并通过实际操作来体验网络的应用和安全问题。
本报告将从网络的发展历程、网络的基本构成、网络应用和网络安全等方面进行论述。
一、网络的发展历程网络的发展可以追溯到20世纪60年代,当时美国国防部为了解决信息传输的问题,开始研究建立一个分散的、抗故障的通信网络。
随着时间的推移,互联网逐渐发展起来,成为了全球最大的信息交流平台。
而今天,我们已经进入了5G时代,网络的速度和覆盖范围都有了巨大的提升。
二、网络的基本构成网络由服务器、路由器、交换机、终端设备等多个组成部分构成。
服务器是网络的核心,负责存储和处理大量的数据。
路由器和交换机则是网络中的数据传输设备,负责将数据从源地址传输到目的地址。
终端设备是用户接入网络的工具,如电脑、手机等。
三、网络应用网络应用广泛应用于各个领域,包括通信、商务、娱乐等。
在通信方面,网络提供了快速、便捷的通信方式,人们可以通过邮件、即时通讯工具等与世界各地的人进行交流。
在商务方面,网络为企业提供了电子商务平台,使得商业活动更加高效和便利。
在娱乐方面,网络提供了各种各样的娱乐内容,如在线游戏、视频分享等,丰富了人们的休闲生活。
四、网络安全随着网络的普及,网络安全问题也日益突出。
网络安全包括信息安全和系统安全两个方面。
信息安全指的是保护网络中传输的数据不被非法获取和篡改,系统安全指的是保护网络中的服务器和终端设备不受攻击和病毒侵害。
为了保障网络安全,人们需要采取一系列的措施,如使用强密码、定期更新软件、安装杀毒软件等。
五、实验操作在本次实验中,我们通过模拟网络攻击和防御的场景,来深入了解网络安全的重要性和相关技术。
我们使用了虚拟机搭建了一个简单的网络环境,并通过工具模拟了常见的网络攻击,如DDoS攻击、SQL注入等。
同时,我们也学习了一些网络防御的技术,如防火墙的配置、入侵检测系统的使用等。
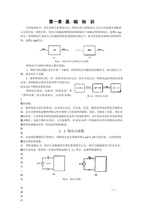
第一章 基 础 知 识在网络理论中,存在着两个重要的分支:网络分析与网络综合,它们之间是既互相联系又互有区别。
网络分析,是在已知激励和网络结构的情况下来确定网络的响应,如图1-1(a)所示;而网络综合,则是在已知激励和所要求的响应情况下,来寻求实现各种响应的网络结构,如图1-1(b)所示。
图1-1 网络分析与网络综合示意图网络综合与网络分析的主要区别是:1.网络分析问题总是存在着一个解答;而网络综合问题如果有解的话,就可能有几个解,或者甚至于无解。
2.线性网络的分析,有一些基本的分析方法,如节点电压法、网络电流法和状态变量法等;而网络综合则有各种各样不同的方法,而且还在不断地发展和更新。
网络综合理论,包括有“网络近似”和“网络实现”两大组成部分,示意图 如图1- 2所示。
首先是根据所要求的频域响应(幅度、衰减或时延频域响应 )求出 数学上的近似函数表达式,然后用各种不同的网络 (无源、有源或数字网络)来实现这些近似函数。
就网络综合的过程来说,应该是先近似、后实现。
但是,最终的网络结构是否能够实现,往往受到网络函数和网络元件在物理上可实现性的限制。
因此,从根本上来说,我们必须先研究一下各种基本网络的网络函数性质及其可实现的条件。
其中将涉及到许多很重要的基本概念,如霍尔维茨多项式、正实函数等,因 而有必要一开始就对这些在网络综合理论中常用的基础知识作一些比较详细的描述。
1.1 策动点函数在连续的模拟信号系统中,网络综合是在复频率域ωσj s +=中进行的,它的理论依据是拉普拉斯变换。
网络函数定义:响应与其激励的拉普拉斯变换式之比。
响应与激励两者可以是电压,也可以是电流。
假设有一单端对网络如图1-3(a )所示,如果网络激励为图1-3 策动点函数图1-2 网络综合过程一电流源)(1s I ,则其响应为端对电压)(1s U ,两者之比为该单端对网络的阻抗函数)()()(11s I s U s Z =(1-1)又如 图 1-3(b)所示如果网络激励为一电压源)(1s U ,则其响应为端对电流)(1s I ,两者之比为该单端对网络的导纳函数)()()(11s U s I s Y =(1-2)在(1-1)和(1-2)两式中,由于响应及其激励处在同一端对上,因而两者统称为策动点函数。
#电网络分析与综合教学大纲##一、课程概述本课程旨在帮助学生理解电力系统的基本原理及其运行方式,同时介绍电力系统运行中的常见问题和解决方案,包括负荷流量管理、故障管理、电力质量管理等。
##二、课程目标###知识目标1.理解电力系统的基本原理和运行方式;2.通过电力系统的分析和综合,掌握电力系统的设计和管理; 3.了解电网安全管理的重要性,掌握相关知识和技能; 4.了解电力市场的基本概念和运作方式。
###能力目标1.学会使用电网分析软件进行电力系统分析和综合;2.掌握基本的故障诊断和管理方法; 3.具备电力系统设计和管理的能力; 4.具备应对电力市场变化的能力。
###情感目标1.提高学生对电力系统的认识和理解;2.增强学生的团队合作能力;3.培养学生的职业操守和道德素养;4.激发学生对电力事业的热情和兴趣。
##三、课程内容###第一章电力系统基础知识1.电路理论和分析方法;2.基本电力系统模型;3.三相电路分析。
###第二章电力系统分析1.电力系统综合和分析;2.电力网络分析;3.短路分析;4.稳态分析;5.暂态分析。
###第三章负荷流量管理1.负荷预测;2.负荷分布;3.负荷平衡;4.负荷控制。
###第四章故障管理1.故障预测和诊断;2.故障定位;3.故障恢复;4.故障分级。
###第五章电力质量管理1.电力质量的基本概念;2.电力质量的标准和限制;3.电力质量改善方法。
###第六章电力系统设计和管理1.电力系统规划和设计;2.电力系统运行和管理;3.电力系统优化和节能。
###第七章电力市场1.电力市场的基本概念和运作方式;2.电力市场的发展动态和趋势;3.电力市场的国际比较。
##四、参考资料1.《电力系统分析和综合》(第三版),作者:W.A.埃尔默;2.《电力系统工程设计与管理》,作者:张晓华、刘盖玉、马欣然等;3.《电力市场概论》,作者:张磊、赵晓东等。
##五、考核方式1.平时成绩占总成绩的30%;2.作业成绩占总成绩的40%;3.期末考试占总成绩的30%。
离散数学与网络分析与综合的联系班级:通信1103 姓名:张悦学号:0909111903一、引言:离散数学(Discrete mathematics)是研究离散量的结构及其相互关系的数学学科,是现代数学的一个重要分支。
其内容包含:数理逻辑、集合论、代数结构、图论、组合学、数论等。
随着信息时代的到来,工业革命时代以微积分为代表的连续数学占主流的地位已经发生了变化,离散数学的重要性逐渐被人们认识。
离散数学课程所传授的思想和方法,广泛地体现在计算机科学技术及相关专业的诸领域,从科学计算到信息处理,从理论计算机科学到计算机应用技术,从计算机软件到计算机硬件,从人工智能到认知系统,无不与离散数学密切相关。
本文将详细的介绍离散数学在信息科学中的应用。
信息科学专业主要学习电子信息科学与技术的基本理论和技术,受到科学实验与科学思维的训练,具有本学科及跨学科的应用研究与技术开发的基本能力。
本专业培养具备物理电子、光电子与微电子学领域内宽广理论基础、实验能力和专业知识,能在该领域内从事各种电子材料、元器件、集成电路、乃至集成电子系统和光电子系统的设计、制造和相应的新产品、新技术、新工艺的研究、开发等方面工作的高级工程技术人才。
它以电子器件及其系统应用为核心,重视器件与系统的交叉与融合,面向微电子、光电子、光通信、高清晰度显示产业等国民经济发展需求,培养在通信、电子系统、计算机、自动控制、电子材料与器件等领域具有宽广的适应能力、扎实的理论基础、系统的专业知识、较强的实践能力、具备创新意识的高级技术人才和管理人才,并掌握一定的人文社会科学及经济管理方面的基础知识,能从事这些领域的科学研究、工程设计及技术开发等方面工作。
主要课程:电子线路、计算机语言、微型计算机原理、电动力学、量子力学、理论物理、固体物理、半导体物理、物理电子与电子学以及微电子学等方面的专业课程。
《离散数学》作为一个单独的分枝,在世界上出现的时间并不久,不过几十年,但它的各部分内容中有相当一部分却早已出现在数学中。