公制螺纹底孔用钻头直径尺寸表
- 格式:pdf
- 大小:25.10 KB
- 文档页数:2
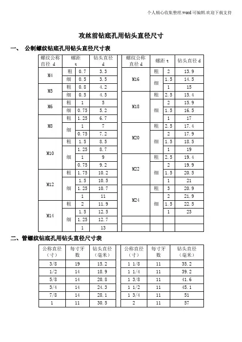
公制螺纹钻底孔用钻头直径尺寸表M1:粗扣螺距0.25=Φ0.75 细扣螺距0.2=Φ0.8M2:粗扣螺距0.4=Φ1.6 细扣螺距0.25=Φ1.8M3:粗扣螺距0.5=Φ2.5 细扣螺距0.35=Φ2.7M4:粗扣螺距0.7=Φ3.3 细扣螺距0.5=Φ3.5M5:粗扣螺距0.8=Φ4.2 细扣螺距0.5=Φ4.5M6:粗扣螺距 1.0=Φ5.0 细扣螺距0.75=Φ5.2M8:粗扣螺距 1.25=Φ6.7 细扣螺距1.0 ,0.75=Φ7,Φ7.2M10:粗扣螺距 1.5=Φ8.5 细扣螺距1.25,1.0 ,0.75=Φ8.7,Φ9,Φ9.2M12:粗扣螺距 1.75=Φ10.2 细扣螺距1.5,1.25,1.0=Φ10.5,Φ10.7,Φ11M14:粗扣螺距 2.0=Φ11.9 细扣螺距1.5,1.25,1.0=Φ12.5,Φ12.7,Φ13M16:粗扣螺距 2.0=Φ14 细扣螺距1.5,1.0=Φ14.5,Φ15M18:粗扣螺距 2.5=Φ15.4 细扣螺距2.0 ,1.5,1.0=Φ15.9,Φ16.5,Φ17M20:粗扣螺距 2.5=Φ17.4 细扣螺距2.0 ,1.5,1.0=Φ17.9,Φ18.5,Φ19M22:粗扣螺距 2.5=Φ19.5 细扣螺距2.0 ,1.5,1.0=Φ19.9,Φ20.5,Φ21M24:粗扣螺距 3.0=Φ20.9 细扣螺距2.0 ,1.5,1.0=Φ21.9,Φ22.5,Φ23生产中钻螺纹底孔公式:t<1mm: Dz=d-tt>1mm: Dz=d-(1.04~1.06)t式中 t 螺距(毫米)Dz 攻丝前钻头直径(毫米)d 螺纹公称直径(毫米)公制螺纹钻底孔用钻头直径尺寸表公称直径 d 螺距t 钻头直径公称直径 d 螺距t 公称直径dM1 粗 0.25 =0.75 M2 粗 0.4 =1.6细 0.2 =0.8 细 0.25 =1.75M3 粗 0.5 =2.5 M4 粗 0.7= 3.3细 0.35 =2.65 细 0.5 =3.5M5 粗 0.8 =4.2 M6 粗 1.0 =5.0细 0.5 =4.5 细 0.75 =5.2M8 粗 1.25 =6.7 M10 粗 1.5 =8.5细 1.0=7.0 细 1.25 =8.7细 0.75 =7.2 细 1.0=9.0细 0.75 =9.2M12 粗 1.75 =10.2 M14 粗 2.0=11.9细 1.5 =10.5 细 1.5 =12.5细 1.25 =10.7 细 1.25 =12.7细 1.0=11.0 细 1.0=13.0M16 粗 2.0=13.9 M18 粗 2.5 =15.4细 1.5 =14.5 细 2.0=15.9细 1.0=15.0细 1.5 =16.5细 1.0=17.0M20 粗 2.5 =17.4 M22 粗 2.5 =19.4细 2.0=17.9 细 2.0=19.9细 1.5 =18.5 细 1.5 =20.5 细 1.0=19.0 细 1.0=21.0M24 粗 3.0=20.9 M27 粗 3.0=23.9细 2.0=21.9 细 2.0=24.9细 1.5 =22.5 细 1.5 =25.5细 1.0=23.0 细 1.0=26.0M30 粗 3.5 =26.3 M33 粗 3.5 =29.3 细 3.0=26.9 细 3.0 =29.9细 2.0=27.9 细 2.0=30.9细 1.5 =28.5 细 1.5 =31.5细 1.0=29.0M36 粗 4.0=31.8 M39 粗 4.0=34.8 细 3.0=32.9 细 3.0=35.9细 2.0=33.9 细 2.0 =36.9细 1.5 =34.5 细 1.5 =37.5M42 粗 4.5 =37.3 M45 粗 4.5 =40.3 细 4.0=37.8 细 4.0=40.8细 3.0=38.9 细 3.0=41.9 细 2.0=39.9 细 2.0=42.9细 1.5 =40.5 细 1.5 =43.5M48 粗 5.0=42.7 M52 粗 5.0=46.7细 4.0=43.8 细 4.0=47.8细 3.0=44.9 细 3.0=48.9 细 2.0=45.9 细 2.0=49.9 细 1.5 =46.5 细 1.5 =50.5。
公制螺纹钻底孔用钻头直径尺寸表Company Document number:WTUT-WT88Y-W8BBGB-BWYTT-19998公制螺纹钻底孔用钻头直径尺寸表M1:粗扣螺距=Φ细扣螺距=ΦM2:粗扣螺距=Φ细扣螺距=ΦM3:粗扣螺距=Φ细扣螺距=ΦM4:粗扣螺距=Φ细扣螺距=ΦM5:粗扣螺距=Φ细扣螺距=ΦM6:粗扣螺距=Φ细扣螺距=ΦM8:粗扣螺距=Φ细扣螺距 , =Φ7,ΦM10:粗扣螺距=Φ细扣螺距 , , =Φ,Φ9,ΦM12:粗扣螺距=Φ细扣螺距 , , =Φ,Φ,Φ11M14:粗扣螺距=Φ细扣螺距 , , =Φ,Φ,Φ13M16:粗扣螺距=Φ14 细扣螺距 , =Φ,Φ15M18:粗扣螺距=Φ细扣螺距 , ,=Φ,Φ,Φ17M20:粗扣螺距=Φ细扣螺距 , , =Φ,Φ,Φ19M22:粗扣螺距=Φ细扣螺距 , , =Φ,Φ,Φ21M24:粗扣螺距=Φ细扣螺距 , , =Φ,Φ,Φ23生产中钻螺纹底孔公式:t<1mm: Dz=d-tt>1mm: Dz=d-~t式中 t 螺距(毫米)Dz 攻丝前钻头直径(毫米)d 螺纹公称直径(毫米)公制螺纹钻底孔用钻头直径尺寸表公称直径d 螺距t 钻头直径公称直径d 螺距t 公称直径d M1 粗 = M2 粗 =细 = 细 =M3 粗 = M4 粗 =细 = 细 =M5 粗 = M6 粗 =细 = 细 =M8 粗 = M10 粗 =细 = 细 =细 = 细 =细 =M12 粗 = M14 粗 =细 = 细 =细 = 细 =细 = 细 =M16 粗 = M18 粗 =细 = 细 =细 = 细 =细 =M20 粗 = M22 粗 =细 = 细 =细 = 细 =细 = 细 = M24 粗 = M27 粗 = 细 = 细 =细 = 细 =细 = 细 = M30 粗 = M33 粗 = 细 = 细 =细 = 细 =细 = 细 =细 =M36 粗 = M39 粗 = 细 = 细 =细 = 细 =细 = 细 = M42 粗 = M45 粗 = 细 = 细 =细 = 细 =细 = 细 =细 = 细 = M48 粗 = M52 粗 = 细 = 细 =细 = 细 =细 = 细 =细 = 细 =。
公制螺纹钻底孔用钻头直径尺寸表欧阳家百(2021.03.07)M1:粗扣螺距0.25=Φ0.75 细扣螺距0.2=Φ0.8M2:粗扣螺距0.4=Φ1.6 细扣螺距0.25=Φ1.8M3:粗扣螺距0.5=Φ2.5 细扣螺距0.35=Φ2.7M4:粗扣螺距0.7=Φ3.3 细扣螺距0.5=Φ3.5M5:粗扣螺距0.8=Φ4.2 细扣螺距0.5=Φ4.5M6:粗扣螺距1.0=Φ5.0 细扣螺距0.75=Φ5.2M8:粗扣螺距1.25=Φ6.7 细扣螺距1.0 ,0.75=Φ7,Φ7.2M10:粗扣螺距1.5=Φ8.5 细扣螺距1.25,1.0 ,0.75=Φ8.7,Φ9,Φ9.2M12:粗扣螺距1.75=Φ10.2 细扣螺距1.5,1.25,1.0=Φ10.5,Φ10.7,Φ11M14:粗扣螺距2.0=Φ11.9 细扣螺距1.5,1.25,1.0=Φ12.5,Φ12.7,Φ13M16:粗扣螺距2.0=Φ14 细扣螺距1.5,1.0=Φ14.5,Φ15M18:粗扣螺距2.5=Φ15.4 细扣螺距2.0 ,1.5,1.0=Φ15.9,Φ16.5,Φ17M20:粗扣螺距2.5=Φ17.4 细扣螺距2.0 ,1.5,1.0=Φ17.9,Φ18.5,Φ19M22:粗扣螺距2.5=Φ19.5 细扣螺距2.0 ,1.5,1.0=Φ19.9,Φ20.5,Φ21M24:粗扣螺距3.0=Φ20.9 细扣螺距2.0 ,1.5,1.0=Φ21.9,Φ22.5,Φ23生产中钻螺纹底孔公式:t<1mm: Dz=d-tt>1mm: Dz=d-(1.04~1.06)t式中 t 螺距(毫米)Dz 攻丝前钻头直径(毫米)d 螺纹公称直径(毫米)公制螺纹钻底孔用钻头直径尺寸表公称直径d 螺距t 钻头直径公称直径d 螺距t 公称直径dM1 粗 0.25 =0.75 M2 粗 0.4 =1.6细 0.2 =0.8 细 0.25 =1.75M3 粗 0.5 =2.5 M4 粗 0.7= 3.3细 0.35 =2.65 细 0.5 =3.5M5 粗 0.8 =4.2 M6 粗 1.0 =5.0细 0.5 =4.5 细 0.75 =5.2M8 粗 1.25 =6.7 M10 粗 1.5 =8.5细 1.0=7.0 细 1.25 =8.7细 0.75 =7.2 细 1.0=9.0细 0.75 =9.2M12 粗 1.75 =10.2 M14 粗 2.0=11.9细 1.5 =10.5 细 1.5 =12.5细 1.25 =10.7 细 1.25 =12.7细 1.0=11.0 细 1.0=13.0M16 粗 2.0=13.9 M18 粗 2.5 =15.4 细 1.5 =14.5 细 2.0=15.9细 1.0=15.0细 1.5 =16.5细 1.0=17.0M20 粗 2.5 =17.4 M22 粗 2.5 =19.4 细 2.0=17.9 细 2.0=19.9细 1.5 =18.5 细 1.5 =20.5细 1.0=19.0 细 1.0=21.0M24 粗 3.0=20.9 M27 粗 3.0=23.9 细 2.0=21.9 细 2.0=24.9细 1.5 =22.5 细 1.5 =25.5细 1.0=23.0 细 1.0=26.0M30 粗 3.5 =26.3 M33 粗 3.5 =29.3 细 3.0=26.9 细 3.0 =29.9细 2.0=27.9 细 2.0=30.9细 1.5 =28.5 细 1.5 =31.5细 1.0=29.0M36 粗 4.0=31.8 M39 粗 4.0=34.8 细 3.0=32.9 细 3.0=35.9细 2.0=33.9 细 2.0 =36.9细 1.5 =34.5 细 1.5 =37.5M42 粗 4.5 =37.3 M45 粗 4.5 =40.3 细 4.0=37.8 细 4.0=40.8细 3.0=38.9 细 3.0=41.9细 2.0=39.9 细 2.0=42.9细 1.5 =40.5 细 1.5 =43.5M48 粗 5.0=42.7 M52 粗 5.0=46.7 细 4.0=43.8 细 4.0=47.8细 3.0=44.9 细 3.0=48.9细 2.0=45.9 细 2.0=49.9细 1.5 =46.5 细 1.5 =50.5。
公制螺纹钻底孔用钻头直径尺寸表欧阳引擎(2021.01.01)M1:粗扣螺距0.25=Φ0.75 细扣螺距0.2=Φ0.8M2:粗扣螺距0.4=Φ1.6 细扣螺距0.25=Φ1.8M3:粗扣螺距0.5=Φ2.5 细扣螺距0.35=Φ2.7M4:粗扣螺距0.7=Φ3.3 细扣螺距0.5=Φ3.5M5:粗扣螺距0.8=Φ4.2 细扣螺距0.5=Φ4.5M6:粗扣螺距1.0=Φ5.0 细扣螺距0.75=Φ5.2M8:粗扣螺距1.25=Φ6.7 细扣螺距1.0 ,0.75=Φ7,Φ7.2M10:粗扣螺距1.5=Φ8.5 细扣螺距1.25,1.0 ,0.75=Φ8.7,Φ9,Φ9.2M12:粗扣螺距1.75=Φ10.2 细扣螺距1.5,1.25,1.0=Φ10.5,Φ10.7,Φ11M14:粗扣螺距2.0=Φ11.9 细扣螺距1.5,1.25,1.0=Φ12.5,Φ12.7,Φ13M16:粗扣螺距2.0=Φ14 细扣螺距1.5,1.0=Φ14.5,Φ15M18:粗扣螺距2.5=Φ15.4 细扣螺距2.0 ,1.5,1.0=Φ15.9,Φ16.5,Φ17M20:粗扣螺距2.5=Φ17.4 细扣螺距2.0 ,1.5,1.0=Φ17.9,Φ18.5,Φ19M22:粗扣螺距2.5=Φ19.5 细扣螺距2.0 ,1.5,1.0=Φ19.9,Φ20.5,Φ21M24:粗扣螺距3.0=Φ20.9 细扣螺距2.0 ,1.5,1.0=Φ21.9,Φ22.5,Φ23生产中钻螺纹底孔公式:t<1mm: Dz=d-tt>1mm: Dz=d-(1.04~1.06)t式中 t 螺距(毫米)Dz 攻丝前钻头直径(毫米)d 螺纹公称直径(毫米)公制螺纹钻底孔用钻头直径尺寸表公称直径d 螺距t 钻头直径公称直径d 螺距t 公称直径dM1 粗 0.25 =0.75 M2 粗 0.4 =1.6细 0.2 =0.8 细 0.25 =1.75M3 粗 0.5 =2.5 M4 粗 0.7= 3.3细 0.35 =2.65 细 0.5 =3.5M5 粗 0.8 =4.2 M6 粗 1.0 =5.0细 0.5 =4.5 细 0.75 =5.2M8 粗 1.25 =6.7 M10 粗 1.5 =8.5细 1.0=7.0 细 1.25 =8.7细 0.75 =7.2 细 1.0=9.0细 0.75 =9.2M12 粗 1.75 =10.2 M14 粗 2.0=11.9细 1.5 =10.5 细 1.5 =12.5细 1.25 =10.7 细 1.25 =12.7细 1.0=11.0 细 1.0=13.0M16 粗 2.0=13.9 M18 粗 2.5 =15.4 细 1.5 =14.5 细 2.0=15.9细 1.0=15.0细 1.5 =16.5细 1.0=17.0M20 粗 2.5 =17.4 M22 粗 2.5 =19.4 细 2.0=17.9 细 2.0=19.9细 1.5 =18.5 细 1.5 =20.5细 1.0=19.0 细 1.0=21.0M24 粗 3.0=20.9 M27 粗 3.0=23.9 细 2.0=21.9 细 2.0=24.9细 1.5 =22.5 细 1.5 =25.5细 1.0=23.0 细 1.0=26.0M30 粗 3.5 =26.3 M33 粗 3.5 =29.3 细 3.0=26.9 细 3.0 =29.9细 2.0=27.9 细 2.0=30.9细 1.5 =28.5 细 1.5 =31.5细 1.0=29.0M36 粗 4.0=31.8 M39 粗 4.0=34.8细 3.0=32.9 细 3.0=35.9细 2.0=33.9 细 2.0 =36.9细 1.5 =34.5 细 1.5 =37.5M42 粗 4.5 =37.3 M45 粗 4.5 =40.3 细 4.0=37.8 细 4.0=40.8细 3.0=38.9 细 3.0=41.9细 2.0=39.9 细 2.0=42.9细 1.5 =40.5 细 1.5 =43.5M48 粗 5.0=42.7 M52 粗 5.0=46.7 细 4.0=43.8 细 4.0=47.8细 3.0=44.9 细 3.0=48.9细 2.0=45.9 细 2.0=49.9细 1.5 =46.5 细 1.5 =50.5。
公制螺纹钻底孔用钻头直径尺寸表M1:粗扣螺距0.25=Φ0.75 细扣螺距0.2=Φ0.8M2:粗扣螺距0.4=Φ1.6 细扣螺距0.25=Φ1.8M3:粗扣螺距0.5=Φ2.5 细扣螺距0.35=Φ2.7M4:粗扣螺距0.7=Φ3.3 细扣螺距0.5=Φ3.5M5:粗扣螺距0.8=Φ4.2 细扣螺距0.5=Φ4.5M6:粗扣螺距1.0=Φ5.0 细扣螺距0.75=Φ5.2 M8:粗扣螺距1.25=Φ6.7 细扣螺距1.0 ,0.75=Φ7,Φ7.2M10:粗扣螺距1.5=Φ8.5 细扣螺距1.25,1.0 ,0.75=Φ8.7,Φ9,Φ9.2M12:粗扣螺距1.75=Φ10.2 细扣螺距1.5,1.25,1.0=Φ10.5,Φ10.7,Φ11M14:粗扣螺距2.0=Φ11.9 细扣螺距1.5,1.25,1.0=Φ12.5,Φ12.7,Φ13M16:粗扣螺距2.0=Φ14 细扣螺距1.5,1.0=Φ14.5,Φ15M18:粗扣螺距2.5=Φ15.4 细扣螺距2.0 ,1.5,1.0=Φ15.9,Φ16.5,Φ17M20:粗扣螺距2.5=Φ17.4 细扣螺距2.0 ,1.5,1.0=Φ17.9,Φ18.5,Φ19M22:粗扣螺距2.5=Φ19.5 细扣螺距2.0 ,1.5,1.0=Φ19.9,Φ20.5,Φ21M24:粗扣螺距3.0=Φ20.9 细扣螺距2.0 ,1.5,1.0=Φ21.9,Φ22.5,Φ23生产中钻螺纹底孔公式:t<1mm: Dz=d-tt>1mm: Dz=d-(1.04~1.06)t式中 t 螺距(毫米)Dz 攻丝前钻头直径(毫米)d 螺纹公称直径(毫米)公制螺纹钻底孔用钻头直径尺寸表公称直径d 螺距t 钻头直径公称直径d 螺距t 公称直径dM1 粗 0.25 =0.75 M2 粗 0.4 =1.6细 0.2 =0.8 细 0.25 =1.75M3 粗 0.5 =2.5 M4 粗 0.7= 3.3细 0.35 =2.65 细 0.5 =3.5M5 粗 0.8 =4.2 M6 粗 1.0 =5.0细 0.5 =4.5 细 0.75 =5.2M8 粗 1.25 =6.7 M10 粗 1.5 =8.5 细 1.0=7.0 细 1.25 =8.7细 0.75 =7.2 细 1.0=9.0细 0.75 =9.2M12 粗 1.75 =10.2 M14 粗 2.0=11.9 细 1.5 =10.5 细 1.5 =12.5细 1.25 =10.7 细 1.25 =12.7细 1.0=11.0 细 1.0=13.0M16 粗 2.0=13.9 M18 粗 2.5 =15.4 细 1.5 =14.5 细 2.0=15.9细 1.0=15.0细 1.5 =16.5细 1.0=17.0M20 粗 2.5 =17.4 M22 粗 2.5 =19.4 细 2.0=17.9 细 2.0=19.9细 1.5 =18.5 细 1.5 =20.5细 1.0=19.0 细 1.0=21.0M24 粗 3.0=20.9 M27 粗 3.0=23.9 细 2.0=21.9 细 2.0=24.9细 1.5 =22.5 细 1.5 =25.5细 1.0=23.0 细 1.0=26.0M30 粗 3.5 =26.3 M33 粗 3.5 =29.3 细 3.0=26.9 细 3.0 =29.9细 2.0=27.9 细 2.0=30.9细 1.5 =28.5 细 1.5 =31.5细 1.0=29.0M36 粗 4.0=31.8 M39 粗 4.0=34.8 细 3.0=32.9 细 3.0=35.9细 2.0=33.9 细 2.0 =36.9细 1.5 =34.5 细 1.5 =37.5M42 粗 4.5 =37.3 M45 粗 4.5 =40.3 细 4.0=37.8 细 4.0=40.8细 3.0=38.9 细 3.0=41.9细 2.0=39.9 细 2.0=42.9细 1.5 =40.5 细 1.5 =43.5M48 粗 5.0=42.7 M52 粗 5.0=46.7细 4.0=43.8 细 4.0=47.8细 3.0=44.9 细 3.0=48.9细 2.0=45.9 细 2.0=49.9细 1.5 =46.5 细 1.5 =50.5。