风险承受能力评估表
- 格式:doc
- 大小:55.00 KB
- 文档页数:3
个人投资者风险承受能力评估问卷Version 2009.3.0重要提示:1、在购买我行理财产品之前,请您先根据自身实际情况认真填写本问卷,以便我们在了解您的风险承受能力的基础上界定您的风险类型,进而帮助您选择合适的理财产品。
2、在具体产品的产品说明书中“产品适合度评估”中,需要用到本问卷的评估结果。
3、如果您的有关情况发生重大改变或距离上次填写时间超过1年,请重新填写本问卷。
4、不准确、完整地填写问卷可能对您的风险类型评估及理财产品认购带来不利影响,本行对因此产生的后果不承担任何责任。
5、本问卷包括10个问题,每个问题根据您自身的实际情况只能勾选一个选项,多选或不选均按最低分值计算。
6、本问卷的最终解释权归中国农业银行股份有限公司所有。
您若对本问卷内容有任何疑问,请向客户经理或理财经理咨询。
个人投资者资料投资者姓名:联系电话:问卷题目(单选,请在所选答案对应的❑中打√)1.您的年龄介于❑≤18岁(-3)❑18岁-25岁(3)❑26岁-40岁(5)❑41岁-54岁(3)❑≥55岁(-3)2.包括股票、基金等其他品种时,您可以接受的最长投资期限为❑≥5年(5)❑3-4年(4)❑1-2年(3)❑7-11个月(2)❑≤6个月(1)3. 依据您目前的情况,以下哪项最符合您和您的家庭对于自身未来5年收入的预期❑快速增长(5)❑缓慢增长(4)❑维持稳定(3)❑不确定(2)❑下降(1)4.以人民币计算,您的总资产净值(不包括自用住宅和私营企业等实业投资,但包括储蓄、现有投资组合、房地产投资、人寿保险、固定收入,同时请扣除债务如房屋贷款、其他贷款、信用卡账单等)介于❑≥100万(5)❑70万-99万(4)❑50万-69万(3)❑16万-49万(2)❑≤15万(1)5.综合收益和风险,您最愿意将资金投资到下面哪个方向?❑投资境外(5)❑境内股票(4)❑境内基金(3)❑境内债券(2)❑国债或定期存款(1)6. 以下哪项最符合您的投资风格❑我是活跃的投资者,希望自己行进行投资决策(5)❑我有过多种投资活动,但也愿意得到专家的指导(4)❑我有一些投资活动经历,同时希望得到专业的指导意见(3)❑我的投资活动比较少,愿意得到专业指导(2)❑除银行定期、活期存款外,我几乎没有其他投资活动(1)7.您和您的家庭希望通过投资达到的目的是❑迅速获得高收益(5)❑实现投资增值(4)❑获得股息、分红等(3)❑为养老、育儿准备(2)❑保值(1)8.对您而言,保本比追求高收益更为重要❑非常不同意(5)❑不同意(4)❑无所谓(3)❑同意(2)❑非常同意(1)9.您对投资收益和风险所持的态度是❑我希望承担风险,愿意为获得较高回报而承受较大的负面波动,能够承担本金损失(10)❑我能够承担风险,愿意接受一定范围的负面波动以提高投资的潜在回报,能够承担部分本金损失(8)❑我对风险的态度一般,愿意在投资期限内接受较小的负面波动,只要回报能明显高于定期存款(6)❑我希望避免风险,能够接受轻微的价格波动,以追求高于定期存款的回报。
附件1 客户风险承受能力评估问卷(适用于自然人客户)客户姓名:资金账号:风险承受能力评估是本公司履行客户适当性管理职责的一个环节,旨在了解您的风险程度能力等情况,以保证本公司所提供的产品或服务与您的风险承受能力等级相匹配。
本公司特别提醒您:本公司履行客户适当性管理职责,并不能取代您的投资判断,也不会降低产品或服务的固有风险。
与产品或服务相关的投资风险、履约责任以及费用等将由您自行承担。
本公司将根据您各项状况的变化对您进行风险承受能力的持续评估,请您积极参与并配合。
本公司承诺:对于您在本问卷中所提供的一切信息,本公司将严格按照法律法规要求承担保密义务。
一、财务状况1、您的主要收入来源是:A.工资、劳务报酬3分B.生产经营所得2分C.利息、股息、转让证券等金融性资产收入1分D.出租、出售房地产等非金融性资产收入1分E.无固定收入0分2、您家庭进行证券投资的资金占家庭现有总资产(不含自住、自用房产及汽车等固定资产)的比例是:A.70%以上1分B.50%-70% 3分C.30%-50% 4分D.10%-30% 5分E.10%以下6分3、您是否有尚未清偿的债务,如有,其性质是(本题可多选):A.没有3分B.有,住房抵押贷款等长期定额债务2分C.有,信用卡欠款、消费信贷等短期信用债务1分D.有,亲朋之间借款0分4、您可用于投资的资产数额(包括金融资产和不动产)为:A. 不超过50万元人民币0分B. 50万-300万元(不含)人民币1分C. 300万-1000万元(不含)人民币2分D. 1000万元人民币以上3分二、投资知识5、以下描述中何种情况符合您的实际:A. 现在或此前曾从事金融、经济或财会等与金融产品投资相关的工作超过两年5分B. 已取得金融、经济或财会等与金融产品投资相关专业学士以上学位5分C. 取得证券从业资格、期货从业资格、注册会计师证书(CPA)或注册金融分析师证书(CFA)中的一项及以上5分D. 我不符合以上任何一项描述0分三、投资经验6、您的投资经验可以被概括为:A.有限:除银行活期账户和定期存款外,我基本没有其他投资经验1分B.一般:除银行活期账户和定期存款外,我购买过基金、保险等理财产品,但还需要进一步的指导2分C.丰富:我是一位有经验的投资者,参与过股票、基金等产品的交易,并倾向于自己做出投资决策3分D.非常丰富:我是一位非常有经验的投资者,参与过权证、期货或创业板等高风险产品的交易5分7、有一位投资者一个月内做了15笔交易(同一品种买卖各一次算一笔),您认为这样的交易频率:A. 太高了1分B. 偏高2分C. 正常3分D. 偏低4分8、过去一年时间内,您购买的不同金融产品(含同一类型的不同金融产品)的数量是:A.5个以下1分B.6至10个3分C.11至15个4分D.16个以上6分9、以下金融产品,您投资经验在两年以上的有(本题可多选):A.银行存款0分B.债券、货币市场基金、债券型基金或其它固定收益类产品1分C.股票、混合型基金、偏股型基金、股票型基金等权益类投资品种2分D.期货、融资融券4分E.复杂金融产品或其他产品6分10、如果您曾经从事过金融产品投资,在交易较为活跃的月份,平均月交易额大概是多少:A. 10万元以内1分B. 10万元-30万元2分C. 30万元-100万元3分D. 100万元以上4分E. 从未投资过金融产品0分四、投资目标11、您用于证券投资的资金预计投资期限为:A.短期——0到1年1分B.中期——1到5年3分C.长期——5年以上5分12、您拟重点投资的品种(本题可多选)?A. 债券、货币市场基金、债券基金等固定收益类投资品种2分B. 股票、混合型基金、偏股型基金、股票型基金等权益类投资品种4分C.期货、融资融券5分D. 复杂或高风险金融产品6分E. 其他产品6分13、假设有两种不同的投资:投资A预期获得5%的收益,有可能承担非常小的损失;投资B预期获得20%的收益,但有可能面临25%甚至更高的亏损。
个人投资者风险承受能力测试(经典版)编制人:__________________审核人:__________________审批人:__________________编制单位:__________________编制时间:____年____月____日序言下载提示:该文档是本店铺精心编制而成的,希望大家下载后,能够帮助大家解决实际问题。
文档下载后可定制修改,请根据实际需要进行调整和使用,谢谢!并且,本店铺为大家提供各种类型的经典范文,如工作总结、策划方案、规章制度、演讲致辞、合同协议、条据书信、应急预案、教学资料、作文大全、其他范文等等,想了解不同范文格式和写法,敬请关注!Download tips: This document is carefully compiled by this editor. I hope that after you download it, it can help you solve practical problems. The document can be customized and modified after downloading, please adjust and use it according to actual needs, thank you!Moreover, our store provides various types of classic sample essays, such as work summaries, planning plans, rules and regulations, speeches, contract agreements, policy letters, emergency plans, teaching materials, complete essays, and other sample essays. If you want to learn about different sample formats and writing methods, please pay attention!个人投资者风险承受能力测试关于个人投资者风险承受能力测试买基金首先就要判断自己的风险承受能力。
公司客户风险评估表模板一、引言在商业活动中,识别和评估客户风险是非常重要的。
有效的风险评估可以帮助公司避免潜在的损失,同时也能更好地把握商业机会。
本模板旨在提供一个基本的客户风险评估表,帮助公司了解客户的背景、财务状况、信用记录、商业信誉等方面的情况,以便做出更明智的商业决策。
二、评估表内容1. 基本信息:包括客户的名称、地址、联系方式等。
2. 财务状况:评估客户的收入、支出和资产状况,了解其财务稳定性。
考虑因素包括月收入、负债比、历史信用评级等。
此外,还应关注客户的账户余额、交易频率等细节。
3. 信用记录:评估客户的信用行为,包括是否按时付款、欠款金额等。
对于信用记录不良的客户,应进一步了解原因。
同时,还应关注客户的信用历史长度、是否有过拖欠记录等。
4. 商业信誉:评估客户在商业活动中的表现,包括合同履行情况、纠纷处理能力等。
了解客户与其他合作伙伴的关系,以及客户在行业内的声誉。
此外,还可以通过搜索网络公开信息,了解客户是否有过不良商业行为或法律纠纷。
5. 行业风险:了解客户所处行业的基本情况,包括行业波动、政策影响等。
评估客户业务受行业风险的影响程度,以便制定相应的风险管理策略。
6. 法律环境:评估当地的法律环境对客户业务的影响,包括税务、合同法规等。
如果存在不确定因素,应及时与客户沟通并寻求解决方案。
7. 风险等级:根据以上评估结果,将客户风险等级分为低、中、高三档。
在具体应用时,可以根据公司的业务特点和风险承受能力进行调整。
三、评估表使用方法1. 收集信息:在与潜在客户进行初步沟通时,应主动收集以上所需信息。
如有必要,可以要求客户提供相关证明文件,确保信息的准确性和完整性。
2. 初步评估:根据收集的信息,结合公司的业务特点进行初步评估,确定风险等级。
3. 调整与反馈:对于风险等级较高的客户,需要进一步了解具体风险点,以便制定相应的应对措施。
同时,根据实际情况调整风险等级或提供额外的审核步骤。
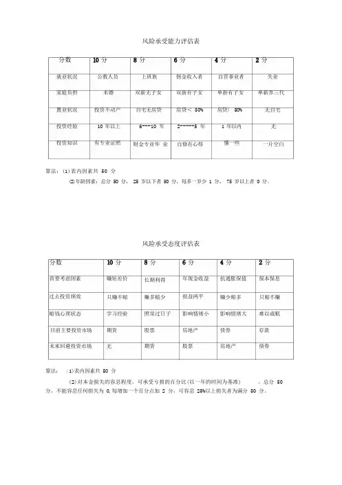
风险承受能力评估表算法:(1)表内因素共 50 分(2)年龄因素:总分 50 分, 25 岁以下者 50 分,每多一岁少 1 分, 75 岁以上者 0 分。
风险承受态度评估表算法: ( 1)表内因素共 50 分(2)对本金损失的容忍程度,可承受亏损的百分比(以一年的时间为基准) ,总分 50分,不能容忍任何损失为 0,每增加一个百分点加 2 分,可容忍 25%以上损失者为满分 50 分。
分数分分分分分首要考虑因素赚短差价长期利得年现金收益抗通胀保值保本保息过去投资绩效只赚不赔赚多赔少损益两平赚少赔多只赔不赚赔钱心理状态学习经验照常过日子影响情绪小影响情绪大难以成眠目前主要投资市场期货股票房地产债券存款未来回避投资市场无期货股票房地产债券分上班族双薪无子女自宅无房贷6---10 年财金专业毕 业分佣金收入者双新有子女房贷< 50%2-----5 年自修有心得分失业单薪养三代无自宅无一片空白分自营事业者单新有子女房贷〉 50%1 年以内懂一些分公教人员未婚投资不动产10 年以上有专业证照分数就业状况家庭负担置业状况投资经验投资知识风险矩阵风险态度低态度0---19 分中低态度20---39 分中态度40---59 分中咼态度60---79 分咼态度80---100 分风险能力工具货币债券股票货币债券股票货币债券股票货币债券股票货币债券股票低能力0 —19 分70%30%40%50%10%40%30%30%20%40%40%50%50%风险矩阵中低能力20--39 分50%40%10%30%50%20%30%30%40%50%50%40%60%中能力40—59 分40%40%20%20%50%30%10%40%50%40%60%30%70%中高能力60—79 分20%50%30%10%50%40%40%60%30%70%20%80%高能力80—100 分10%50%40%10%40%50%30%70%20%80%10%90%。
银行个人理财客户风险承受能力评估问卷xx银行个人客户风险承受能力评估问卷
- 2 - 第
一联 银行会计留存联
第二联 理财业务留存联
第
三
xxx 网址:xx
1、凭证说明:我行理财客户专有凭证,主要用于签约理财客户风险承受能力评估。
2、使用范围:首次在我行签约理财的客户或超过一年以上未评估风险承受能力的理财客户,在进行理财风险承受能力评估时均需填写。
3、填制要求:
(1)银行审核信息栏,需要理财经理签章。
(2)客户风险承受能力评估试题栏,客户需根据凭证背面的十道问题,如实进行填选,第一题答案在题目中勾选,第二题至第十题答案在客户风险承受能力评估试题栏下方答案区进行勾选。
“请填写您的出生日期”处,由客户填写自己的出生年月日,
- 3 -
年龄超过65岁,需要主管个人行长或个人客户部主管进行签字确认。
(3)银行打印栏:有客户本人在柜台对打印内容进行签字确认。
4、加盖印章:
(1)每联均需要盖个人业务专用章。
(2)第一联会计作为当天记账凭证,随传票装订,第二联交理财经理作为档案专夹保管,第三联作为回单交还给客户。
- 4 -。
银行工作中使用的常见表格及填写技巧银行作为金融行业的重要组成部分,承担着存款、贷款、支付结算等重要职责。
在日常工作中,银行员工需要处理大量的表格和文件,这些表格不仅是信息的载体,也是银行运营的重要工具。
本文将介绍一些银行工作中常见的表格,并分享一些填写技巧,以提高工作效率和准确性。
1. 存款申请表格存款申请表格是银行工作中最常见的表格之一。
客户在办理存款业务时,需要填写存款申请表格,包括存款金额、存款期限、存款种类等信息。
在填写存款申请表格时,银行员工需要仔细核对客户填写的信息,确保准确无误。
此外,对于不同类型的存款,银行员工还需要了解相应的政策和要求,以便向客户提供准确的指导和建议。
填写技巧:在填写存款申请表格时,银行员工应注意以下几点:- 仔细核对客户填写的信息,确保准确性;- 根据存款种类的不同,填写相应的存款期限和利率;- 如有需要,向客户解释存款种类的不同,以便客户做出明智的选择。
2. 贷款申请表格贷款申请表格是银行工作中另一个常见的表格。
客户在申请贷款时,需要填写贷款申请表格,包括贷款金额、贷款期限、还款方式等信息。
银行员工需要详细了解客户的贷款需求,并根据银行政策和要求,填写相应的贷款申请表格。
填写技巧:在填写贷款申请表格时,银行员工应注意以下几点:- 详细了解客户的贷款需求,确保填写的信息准确无误;- 根据银行政策和要求,选择适当的贷款期限和还款方式;- 如有需要,向客户解释贷款利率、还款方式等相关信息,以便客户做出明智的决策。
3. 支付结算表格支付结算表格是银行工作中用于处理支付和结算业务的重要表格。
在日常工作中,银行员工需要根据客户的指令,填写支付结算表格,包括收款人账号、付款金额、付款目的等信息。
银行员工需要仔细核对客户填写的信息,并确保支付和结算的准确性和安全性。
填写技巧:在填写支付结算表格时,银行员工应注意以下几点:- 仔细核对客户填写的收款人账号,确保准确无误;- 根据客户的指令,填写正确的付款金额和付款目的;- 如有需要,向客户解释支付和结算的流程,以便客户了解整个过程。
投资者风险承受能力调查评估表三篇篇一:投资者风险承受能力调查评估表客户姓名:一、评估问卷非常感谢您对我行提供的理财产品(包括银行发行的理财产品、代理销售的开放式证券投资基金、证券集合理财产品等)的关注,并向理财人员主动要求了解或要求投资我行提供的相关理财产品。
依据中国银行业监督委员会颁布的《商业银行个人理财业务风险管理指引》、中国证券业监督管理委员会下发的《关于证券投资基金行业开展投资者教育活动的通知》等有关要求,本着对投资者负责的态度,专门设计了本调查问卷,下列问题将有助于您清楚了解自己的风险偏好及风险承受能力,在您在我行投资理财产品时,它可协助评估您的投资偏好和风险承受能力,有助于您控制投资的风险,同时也便于我行据此为您提供更准确的金融服务及产品推介。
请在下列各题最合适的答案上打勾,我们将根据您的选择来评估您对投资风险的适应度,并提供适合您投资的产品和服务建议。
我行承诺对您的个人资料严格保密。
1、您的年龄:□ 20岁以下或65岁以上(1分)□ 51岁至65岁(2分)□ 21岁至30岁(3分)□ 31岁至50岁(4分)2、您的教育程度:□高中以下(1分)□专科(2分)□本科(3分)□研究生或研究生以上(4分)3、您的健康状况:□较差(1分)□一般(2分)□良好(3分)□很好(4分)4、您目前的职业状况:□待业或退休(1分)□无固定工作(2分)□企事业单位固定工作(3分)□私营业主(4分)5、您目前的年收入状况:□ 2万以下(1分)□2-5万(2分)□ 5-10万(3分)□ 10万以上(4分)6、您进行投资的主要目的是:□确保资产的安全性,同时获得固定收益(1分)□希望投资能获得一定的增值,同时获得波动适度的年回报(2分)□倾向于长期的成长,较少关心短期的回报和波动(3分)□只关心长期的高回报,能够接受短期的资产价值波动(4分)7.您的投资知识:□缺乏投资基本常识(1分)□略有了解,但不懂投资技巧(2分)□有一定了解,懂一些的投资技巧(3分)□认识充分,并懂得投资技巧(4分)8、您的投资经验:□无证券投资经验(1分)□少于2年(不含2年)(2分)□ 2年至5年(不含5年)(3分)□ 5年以上(4分)9、您的投资品种偏好:□债券、债券型基金、货币型基金(1分)□外币、黄金、投资型保单(2分)□股票、基金(不包括债券、货币型基金)(3分)□期货、权证(4分)10、您进行投资的资金占家庭自有资金的比例:□ 15%以下(1分)□ 15-30% (2分)□ 30-50% (3分)□ 50%以上(4分)11、您投资某项非保本理财产品时,能接受的投资期限一般是:□ 1年以下(1分)□ 1-3年(2分)□ 3-5年(3分)□ 5年以上(4分)12、您进行投资时所能承受的最大亏损比例是:□ 10%以内(1分)□ 10-30% (2分)□ 30-50% (3分)□ 50%以上(4分)13、您进行投资的方法:□靠直觉和运气,跟着别人操作,没有认真分析(1分)□看图形操作,自己懂一点技术分析(2分)□技术分析和基本面分析相结合(3分)□在专家指导下操作(4分)14、您期望的投资年收益率:□高于同期定期存款(1分)□ 10%左右,要求相对风险较低(2分)□ 10-20%,可承受中等风险(3分)□ 20%以上,可承担较高风险(4分)15、您如何看待投资亏损:□很难接受,影响正常的生活(1分)□受到一定的影响,但不影响正常生活(2分)□平常心看待,对情绪没有明显的影响(3分)□很正常,投资有风险,没有人只赚不赔(4分)二、调查评估结果:您的得分总计为:评估结果,您的风险承受能力等级为:积极型□稳健型□保守型□参考:风险承受能力等级确定标准积极型:45---60分稳健型:30---44分保守型:15---29分投资者签署:经办人:签署日期:复核人:篇二:个人投资者风险承受能力调查问卷填写须知1.以下问题可在您选择合适的产品前,协助评估您的风险承受能力、理财方式及投资目标。
中国光大银行客户投资风险承受能力评估问卷(适用于个人客户)向本行第一次申请任何理财投资产品前,请填写本问卷,并于每年进行重新评估。
本问卷旨在了解您可承受的风险程度、以及您的投资经验,借此协助您选择合适的理财产品类别,以达到您的投资目标。
本银行建议您,当您发生可能影响自身风险承受能力的情形,再次购买理财产品时应当主动要求商业银行对您进行风险承受能力评估。
声明:本投资风险评估问卷的准确性视乎您所填写的答案而定,如有任何疑问,您可以对投资产品是否合适进行独立评估。
填写评估问卷大致需要5分钟一、财务状况1、您的年龄是?A. 18-30B. 31-50C.51-65D.高于65岁(如选D,需着重关注客户投资经验)2. 您家庭的就业状况是?A. 您与配偶均有稳定收入的工作B. 您与配偶其中一人有稳定收入的工作C.您与配偶均没有稳定收入的工作或者已退休3. 在您每年的家庭收入中,可用于作金融投资(储蓄存款除外)的比例为?A.小于10%B.10%至25%C.25%至50%D.大于50%二、投资经验(任一项选A客户均视为无投资经验客户)4.以下哪项最能说明您的投资经验?A.除存款、国债外,我几乎不投资其他金融产品B.大部分投资于存款、国债等,较少投资于股票、基金等风险产品C.资产均衡地分布于存款、国债、银行理财产品、信托产品、股票、基金等D.大部分投资于股票、基金、外汇等高风险产品,较少投资于存款、国债5.您有多少年投资股票、基金、外汇、金融衍生产品等风险投资品的经验?A.没有经验B.少于2年C.2至5年D.5至8年E.8年以上三、收益预期及风险偏好6.以下哪项描述最符合您的投资态度?A.厌恶风险,不希望本金损失,希望获得稳定回报B.保守投资,不希望本金损失,愿意承担一定幅度的收益波动C.寻求资金的较高收益和成长性,愿意为此承担有限本金损失D.希望赚取高回报,愿意为此承担较大本金损失7.以下情况,您会选择哪一种?A.有100%的机会赢取1000元现金B.有50%的机会赢取5万元现金C.有25%的机会赢取50万元现金D.有10%的机会赢取100万元现金四、投资目的及流动性要求8. 您计划的投资期限是多久?A.1年以下B.1-3年C.3-5年D.5年以上9、您的投资目的是?A.资产保值B.资产稳健增长C.资产迅速增长五、风险损失承受程度10.您投资产品的价值出现何种程度的波动时,您会呈现明显的焦虑?A.本金无损失,但收益未达预期B.出现轻微本金损失C.本金10%以内的损失D.本金20-50%的损失E.本金50%以上损失。
客户风险承受能力问卷(适用于自然人客户)客户姓名:资金账号:本问卷旨在了解您可承受的风险程度等情况,借此协助您选择合适的金融产品或金融服务类别,以符合您的风险承受能力。
风险承受能力评估是本公司向客户履行适当性职责的一个环节,其目的是使本公司所提供的金融产品或金融服务与您的风险承受能力等级相匹配。
本公司特别提醒您:本公司向客户履行风险承受能力评估等适当性职责,并不能取代您自己的投资判断,也不会降低金融产品或金融服务的固有风险。
同时,与金融产品或金融服务相关的投资风险、履约责任以及费用等将由您自行承担。
本公司提示您:本公司根据您提供的信息对您进行风险承受能力评估,开展适当性工作。
您应当如实提供相关信息及证明材料,并对所提供的信息和证明材料的真实性、准确性、完整性负责。
本公司建议:当您的各项状况发生重大变化时,需对您所投资的金融产品及时进行重新审视,以确保您的投资决定与您可承受的投资风险程度等实际情况一致。
本公司在此承诺,对于您在本问卷中所提供的一切信息,本公司将严格按照法律法规要求承担保密义务。
除法律法规规定的有权机关依法定程序进行查询以外,本公司保证不会将涉及您的任何信息提供、泄露给任何第三方,或者将相关信息用于违法、不当用途。
一、财务状况1、您的主要收入来源是:A. 工资、劳务报酬B. 生产经营所得C. 利息、股息、转让证券等金融性资产收入D. 出租、出售房地产等非金融性资产收入E. 无固定收入2、最近您家庭预计进行证券投资的资金占家庭现有总资产(不含自住、自用房产及汽车等固定资产)的比例是:A.70%以上B.50%-70%C.30%-50%D.10%-30%E.10%以下3、您是否有尚未清偿的数额较大的债务,如有,其性质是:A. 没有B. 有,住房抵押贷款等长期定额债务C. 有,信用卡欠款、消费信贷等短期信用债务D. 有,亲朋之间借款4、您可用于投资的资产数额(包括金融资产和不动产)为:A. 不超过50万元人民币B. 50万-300万元(不含)人民币C. 300万-1000万元(不含)人民币D. 1000万元人民币以上二、投资知识5、以下描述中何种符合您的实际情况:A. 现在或此前曾从事金融、经济或财会等与金融产品投资相关的工作超过两年B. 已取得金融、经济或财会等与金融产品投资相关专业学士以上学位C. 取得证券从业资格、期货从业资格、注册会计师证书(CPA)或注册金融分析师证书(CFA)中的一项及以上D. 我不符合以上任何一项描述三、投资经验6、您的投资经验可以被概括为:A.有限:除银行活期账户和定期存款外,我基本没有其他投资经验B.一般:除银行活期账户和定期存款外,我购买过基金、保险等理财产品,但还需要进一步的指导C.丰富:我是一位有经验的投资者,参与过股票、基金等产品的交易,并倾向于自己做出投资决策D.非常丰富:我是一位非常有经验的投资者,参与过权证、期货或创业板等高风险产品的交易7、有一位投资者一个月内做了15笔交易(同一品种买卖各一次算一笔),您认为这样的交易频率:A. 太高了B. 偏高C. 正常D. 偏低8、过去一年时间内,您购买的不同金融产品(含同一类型的不同金融产品)的数量是:A. 5个以下B. 6至10个C. 11至15个D. 16个以上9、以下金融产品,您投资经验在两年以上的有:A. 银行存款B. 债券、货币市场基金、债券型基金或其它固定收益类产品C. 股票、混合型基金、偏股型基金、股票型基金等权益类投资品种D. 期货、融资融券E. 复杂金融产品或其他产品(注:本题可多选,但评分以其中最高分值选项为准。
(进阶版)全面健康风险评估表一、前言全面健康风险评估表是一种用于评估个人健康状况的工具,通过分析各种健康风险因素,帮助用户了解自己的健康状况,并制定相应的预防措施。
本评估表分为生活习惯、身体检查、疾病史、心理状况四个方面,共25个项目。
请根据您的实际情况填写,以便更好地了解自己的健康状况。
二、评估内容1. 生活习惯1.1 睡眠时间:__小时/天1.2 饮食习惯:__素菜__荤菜1.3 运动频率:__次/周1.4 吸烟史:__年,__支/天1.5 饮酒史:__年,__杯/天1.6 咖啡因摄入:__杯/天1.7 体重指数(BMI):__1.8 腰围:__厘米2. 身体检查2.1 血压:__/__毫米汞柱2.2 血糖:__毫摩尔/升2.3 血脂:__毫摩尔/升2.4 肝功能:__正常__异常2.5 肾功能:__正常__异常2.6 眼部检查:__正常__异常2.7 口腔检查:__正常__异常3. 疾病史3.1 高血压:__是__否3.2 糖尿病:__是__否3.3 心脏病:__是__否3.4 哮喘:__是__否3.5 肿瘤:__是__否3.6 其他疾病:__4. 心理状况4.1 焦虑指数:__(0~100分,0分表示无焦虑,100分表示极度焦虑)4.2 抑郁指数:__(0~100分,0分表示无抑郁,100分表示极度抑郁)4.3 压力指数:__(0~100分,0分表示无压力,100分表示极度压力)4.4 心理承受能力:__强__一般__弱三、评估结果根据您填写的全面健康风险评估表,我们将为您生成个性化的健康报告,并提供相应的建议。
请您在收到报告后,认真阅读,并根据建议调整生活方式,关注自己的健康状况。
如有需要,请及时就医。
四、声明本评估表仅供参考,不能替代专业医生的诊断。
如有健康问题,请及时就医。
请您在填写时,确保信息真实、准确。
五、联系方式如有疑问,请随时联系我们。
电话:__邮箱:__网址:__。
证券投资者风险承受能力评估问卷(适用于自然人投资者)投资者姓名:资金账号:本问卷旨在了解您可承受的风险程度等情况,借此协助您选择合适的产品或服务类别,以符合您的风险承受能力。
风险承受能力评估是本公司向投资者履行适当性义务的一个环节,其目的是使本公司所提供的产品或服务与您的风险承受能力等级相匹配。
本公司特别提醒您:本公司向投资者履行风险承受能力评估等适当性义务,并不能取代您自己的投资判断,也不会降低产品或服务的固有风险。
同时,与产品或服务相关的投资风险、履约责任以及费用等将由您自行承担。
本公司提示您:本公司根据您提供的信息对您进行风险承受能力评估,履行适当性义务。
您应当如实提供相关信息及证明材料,并对所提供的信息和证明材料的真实性、准确性、完整性负责。
本公司建议:当您的各项状况发生重大变化时,需对您所投资的产品及时进行重新审视,以确保您的投资决定与您可承受的投资风险程度等实际情况一致。
本公司在此承诺,对于您在本问卷中所提供的一切信息,本公司将严格按照法律法规要求承担保密义务。
除法律法规规定的有权机关依法定程序进行查询以外,本公司保证不会将涉及您的任何信息提供、泄露给任何第三方,或者将相关信息用于违法、不当用途。
一、财务状况1、您的主要收入来源是:A.工资、劳务报酬B.生产经营所得C.利息、股息、转让证券等金融性资产收入D.出租、出售房地产等非金融性资产收入E.无固定收入2、最近您家庭预计进行证券投资的资金占家庭现有总资产(不含自住、自用房产及汽车等固定资产)的比例是:A.70%以上B.50%-70%C.30%-50%D.10%-30%E.10%以下3、您是否有尚未清偿的数额较大的债务,如有,其性质是:A.没有B.有,住房抵押贷款等长期定额债务C.有,信用卡欠款、消费信贷等短期信用债务D.有,亲朋之间借款4、您可用于投资的资产数额(包括金融资产和不动产)为:A. 不超过50万元人民币B. 50万-300万元(不含)人民币C. 300万-1000万元(不含)人民币D. 1000万元人民币以上二、投资知识5、以下描述中何种符合您的实际情况:A. 现在或此前曾从事金融、经济或财会等与金融产品投资相关的工作超过两年B. 已取得金融、经济或财会等与金融产品投资相关专业学士以上学位C. 取得证券从业资格、基金从业资格、期货从业资格、注册会计师证书(CPA)或注册金融分析师证书(CFA)中的一项及以上D. 我不符合以上任何一项描述三、投资经验6、您的投资经验可以被概括为:A.有限:除银行活期账户和定期存款外,我基本没有其他投资经验B.一般:除银行活期账户和定期存款外,我购买过基金、保险等理财产品,但还需要进一步的指导C.丰富:我是一位有经验的投资者,参与过股票、基金等产品的交易,并倾向于自己做出投资决策D.非常丰富:我是一位非常有经验的投资者,参与过权证、期货或创业板等产品的交易7、有一位投资者一个月内做了15笔交易(同一品种买卖各一次算一笔),您认为这样的交易频率:A. 太高了B. 偏高C. 正常D. 偏低8、过去一年时间内,您购买的不同产品或接受的不同服务(含同一类型的不同产品或服务)的数量是:A.5个以下B.6至10个C.11至15个D.16个以上9、以下金融产品或服务,您投资经验在两年以上的有:A.银行存款等B.债券、货币市场基金、债券型基金或其它固定收益类产品等C.股票、混合型基金、偏股型基金、股票型基金等权益类投资品种等D.期货、期权、融资融券E.复杂金融产品、其他产品或服务(注:本题可多选,但评分以其中最高分值选项为准。
私募基金投资者风险评估和承受能力调查问卷(个人)尊敬的投资者:为了更好地为您提供投资服务,本公司制定了本风险评估和承受能力调查问卷。
请您根据实际情况如实填写,我们会根据您填写的信息,判断您的投资风险承受能力和风险评级,为您提供更加个性化、精准的投资建议。
您所填写的信息将严格保密,仅用于评估风险和提供服务。
一、个人基本情况1、姓名:2、性别:3、年龄:4、婚姻状况:5、居住地:二、投资经历及知识1、您是否曾经购买过私募基金?如果有,请说明购买时间和投资金额。
2、您是否有股票、基金等证券投资经验?3、您对于股票、债券和房地产市场的了解程度如何?4、您对于私募基金的投资知识了解程度如何?5、您是否了解过其他投资产品,如期货、外汇等?三、投资风险承受能力1、您在当前家庭及个人财务状况下,为私募基金的风险损失能承受的最大亏损程度是多少?2、您能接受的持续亏损期是多久?3、您目前的资产配置中,私募基金占总资产的比重是多少?(如果没有购买过私募基金,请填写0)4、你的投资目标是?A、保本B、稳健增长C、高风险高收益5、您的投资期限是多长时间?(包括持有期和退出期)6、您是否有在资产配置中保留一定的现金流量,以应对可能的阶段性资金需求?7、请对以下各项风险承受程度给出评价:A、市场风险B、流动性风险C、信用风险D、利率风险E、汇率风险8、您是否有其他需要考虑的因素?四、个人投资意愿1、您目前是否有购买私募基金的投资打算?如果有,请说明购买金额和购买时间。
2、私募基金需满足哪些投资要求才会引起您的兴趣?3、您参考哪些方面的信息来做出投资决策?以上是本公司的风险评估和承受能力调查问卷,请尽量填写详细的信息,以便我们更加准确地为您量身定做投资方案。
谢谢您的配合!。