西南科技大学单片机原理与应用期末试题A(2009)
- 格式:pdf
- 大小:211.16 KB
- 文档页数:5
(完整word版)单片机原理及应用期末考试试卷及答案编辑整理:尊敬的读者朋友们:这里是精品文档编辑中心,本文档内容是由我和我的同事精心编辑整理后发布的,发布之前我们对文中内容进行仔细校对,但是难免会有疏漏的地方,但是任然希望((完整word版)单片机原理及应用期末考试试卷及答案)的内容能够给您的工作和学习带来便利。
同时也真诚的希望收到您的建议和反馈,这将是我们进步的源泉,前进的动力。
本文可编辑可修改,如果觉得对您有帮助请收藏以便随时查阅,最后祝您生活愉快业绩进步,以下为(完整word版)单片机原理及应用期末考试试卷及答案的全部内容。
单片机原理及应用期末考试试卷班级:_______________学号:_______________姓名:_______________得分:_______________(卷面共有100题,总分100分,各大题标有题量和总分,每小题标号后有小分)一、单项选择题(33小题,共33分)[1分](1)要MCS—51系统中,若晶振频率屡8MHz,一个机器周期等于( A )μsA 1。
5B 3C 1D 0.5[1分](2)MCS—51的时钟最高频率是 ( A )。
A 12MHzB 6 MHzC 8 MHzD 10 MHz[1分](3)下列不是单片机总线是( D )A 地址总线B 控制总线C 数据总线D 输出总线[1分](4)十进制29的二进制表示为原码( C )A 11100010B 10101111C 00011101D 00001111[1分](5)电子计算机技术在半个世纪中虽有很大进步,但至今其运行仍遵循着一位科学家提出的基本原理。
这位科学家是:( D )(A)牛顿(B)爱国斯坦(C)爱迪生(D)冯·诺伊曼[1分](6)在CPU中,控制器的功能是:( C )(A)进行逻辑运算(B)进行算术运算(C)分析指令并发出相应的控制信号(D)只控制CPU的工作[1分](7)下列数据中有可能是八进制数的是:( A)(A)764 (B)238 (C)396 (D)789[1分](8)MCS—51的时钟最高频率是 (D )A、6MHzB、8MHzC、10MHzD、12MHz[1分](9)-49D的二进制补码为.( B)A、 11101111B、11101101C、0001000D、11101100[1分](10)要用传送指令访问MCS—51片外RAM,它的指令操作码助记符应是( B)A、 MOVB、 MOVXC、 MOVCD、以上都行[1分](11)若某存储芯片地址线为12根,那么它的存储容量为(C )A、1KBB、2KBC、 4KBD、 8KB[1分](12)PSW=18H时,则当前工作寄存器是(D )A、 0组成B、 1组成C、2组成D、3组成[1分](13)所谓CPU是指( B)A、运算器与存储器B、运算器与控制器C、输入输出设备D、控制器与存储器[1分](14)PSW=18H时,则当前工作寄存器是(D )(A)0组(B)1组(C)2组(D)3组[1分](15)P1口的每一位能驱动( B )(A)2个TTL低电平负载有(B)4个TTL低电平负载(C)8个TTL低电平负载有(D)10个TTL低电平负载[1分](16)二进制数110010010对应的十六进制数可表示为( A)A、192HB、C90HC、1A2HD、CA0H[1分](17)一3的补码是( D )A、10000011B、11111100C、11111110D、11111101[1分](18)对于8031来说,脚总是( A )A、接地B、接电源C、悬空D、不用[1分](19)进位标志CY在( C)中A、累加器B、算逻运算部件ALUC、程序状态字寄存器PSWD、DPOR[1分](20)指令和程序是以( C)形式存放在程序存储器中A、源程序B、汇编程序C、二进制编码D、BCD码[1分](21)单片机应用程序一般存放在( B )A、RAMB、ROMC、寄存器D、CPU[1分](22)LJMP跳转空间最大可达到( D )A、2KBB、256B C 、128B D、64KB[1分](23)8051单片机中,唯一一个用户不能直接使用的寄存器是( C )A、PSWB、DPTR C 、PC D、B[1分](24)8051单片机中,唯一一个用户可使用的16位寄存器是( B)A、PSWB、DPTR C 、ACC D、PC[1分](25)ORG 0003HLJMP 2000HORG 000BHLJMP 3000H 当CPU响应外部中断0后,PC的值是(B )(A)0003H (B)2000H (C)000BH (D)3000H[1分](26)对程序存储器的读操作,只能使用(D)(A)MOV指令(B)PUSH指令(C)MOVX指令(D)MOVC指令[1分](27)ORG 0003HLJMP 2000HORG 000BHLJMP 3000H 当CPU响应外部中断0后,PC的值是( B)A、 0003HB、2000HC、000BHD、3000H[1分](28)执行PUSH ACC指令,MCS—51完成的操作是( B)A、(ACC)→(SP) SP-1→ SPB、SP+1→ SP (ACC)→(SP)C、SP-1 →SP (ACC)→(SP)D、(ACC)→(SP)SP+1→ SP[1分](29)各中断源发出的中断请求信号,都会标记在MCS-51系统中的(B)。
单片机原理及应用期末考试试题一、填空题(每空1分,共20分)1.相对寻址是以PC的当前值为基准,加上指令中给出的相对偏移量形成目标地址的方式。
2.A T89S51单片机的1个机器周期含有12 个晶振周期或 6 状态周期。
3.AT89S51单片机进行扩展时,用P0 口作为地址/数据总线,用P2口作为地址总线高8位。
4.假定累加器A的内容30H,执行指令:1000H:MOVC A,@A+PC后,把程序存储器1031H单元的内容送累加器A中5.指令格式是由操作码和操作数部分组成。
6. AT89S51单片机的串行口控制寄存器中有2个中断标志位,它们是TI和RI7.在进行BCD码加法运算时,紧跟ADD 或 ADDC 指令后的指令必须是DA A 指令8. JNC rel指令执行时,当CY位为0时程序发生跳转。
9.单片机位寻址区的单元地址是从20H单元到2FH单元,若某位地址是10H,它所在单元的地址应该是22H 。
10.外部中断0的中断入口地址为0003H,定时/记数器T1的中断入口地址为001BH。
11.串行口工作方式2为9位异步通信,若SMOD=0,f OSC = 6 MH Z,则其相应波特率为6×106/64 b/s12.堆栈应遵循先进后出规律,堆栈指针的符号为SP二、单项选择题(每小题1分,共20分)1.AT89S51单片机的( d )口的引脚,还具有外中断、串行通信等第二功能。
a)P0 b)P1 c)P2 d)P32.单片机应用程序一般存放在( b )a)RAM b)ROM c)寄存器 d)CPU3.已知某数的BCD码为0111010101000010 则其表示的十进制数值为(b)a) 7542H b) 7542 c) 75.42H d) 75.424.下列指令中不影响标志位CY的指令有( d )。
a)ADD A,20H b)CLR c)RRC A d)INC A5.CPU主要的组成部部分为( a )a)运算器、控制器b)加法器、寄存器c)运算器、寄存器d)运算器、指令译码器6.AT89S51 的CPU是( c )位的单片机a) 16 b)4c)8 d)准167.AT89S51复位后,PC与SP的值为( b )a )0000H,00H b)0000H,07Hc) 0003H,07H d)0800H,00H8.当需要从AT89S51单片机程序存储器取数据时,采用的指令为(b)。
单片机模拟试卷001一、选择题(每题1分,共10分)1.8031单片机的( D )口的引脚,还具有外中断、串行通信等第二功能。
a)P0 b)P1 c)P2 d)P32.单片机应用程序一般存放在(B)a) RAM b)ROM c)寄存器 d)CPU3.已知某数的BCD码为0111 0101 0100 0010 则其表示的十进制数值为( B)a) 7542H b)7542c) 75.42H d) 75。
424.下列指令中不影响标志位CY的指令有(D )。
a)ADD A,20H b)CLR c)RRC A d)INC A5.CPU主要的组成部部分为(A )a)运算器、控制器 b)加法器、寄存器c)运算器、寄存器 d)运算器、指令译码器6.INTEL 8051 CPU是( C )位的单片机a)16 b)4 c)8 d)准167.8031复位后,PC与SP的值为( B )a )0000H,00H b)0000H,07H c) 0003H,07H d)0800H,00H8.当需要从MCS—51单片机程序存储器取数据时,采用的指令为(B)。
a)MOV A, @R1 b)MOVC A, @A + DPTRc)MOVX A, @ R0 d)MOVX A,@ DPTR9.8031单片机中既可位寻址又可字节寻址的单元是(A )a)20H b)30H c)00H d)70H10.下列哪条指令是正确的(D)a) PUSH R2 b) ADD R0,Ac)MOVX A @DPTR d)MOV @R0,A二、填空题(每空1分,共30分)1.一个完整的微机系统由硬件和软件两大部分组成。
2.8051 的引脚RST是____(IN脚还是OUT脚),当其端出现高电平时,8051进入复位状态。
8051一直维持这个值,直到RST脚收到____电平,8051才脱离复位状态,进入程序运行状态,从ROM H单元开始取指令并翻译和执行。
3.半导体存储器分成两大类和,其中具有易失性,常用于存储。
《单片机原理与应用》期末复习题一一、填空题:1.单片微型计算机是一种把(1)中央处理器(CPU)(2)半导体存储器(ROM、RAM)(3)输入/输出接口(I/O接口)(4)定时器/计数器(5)中断系统(6)串行口等部分集成在同一块硅芯片上的有完整功能的微型计算机。
2.十进制数+100的补码=64H,十进制数-100的补码= 9C H 。
3.在8051单片机内部,其RAM高端128个字节的地址空间称为特殊功能寄存器或SFR 区,8051单片机其内部有 21 个特殊功能寄存器,其中11 个可以位寻址。
4.通常单片机上电复位时PC = 0000H,P0~P3 = FFH。
SP = 07H,PSW = 00H ,通用寄存器则采用第0组,这一组寄存器的地址范围是从00H 到07H。
5.若PSW为18H,则选取的是第3组工作寄存器。
6.在微机系统中,CPU是按照程序计数器PC 来确定程序的执行顺序的。
7.ORL A , #0F0H是将A的高四位置1,而低四位不变。
8.堆栈遵循先进后出(或后进先出)的数据存储原则,针对堆栈的两种操作为PUSH 和 POP 。
9.MCS-51片内20H~2FH范围内的数据存储器,既可以字节寻址又可以:位寻址。
10. 8位二进制数,采用补码形式表示带符号数,它能表示的带符号数真值的范围是分别为-128~127。
11.I/O端口作为通用输入输出口时,在该端口引脚输入数据时,应先向端口锁存器进行写“1”操作。
12.MCS51单片机PC的长度为16位;SP的长度为8位,数据指针DPTR的长度为16位。
13.8051片内有256B的RAM ,可分为四个区,00H~1FH为工作寄存器区;20H~2FH为位寻址区;30H~7FH为堆栈、数据缓冲区;80H~FFH为特殊功能寄存器区。
14.半导体存储器中有一类在掉电后不会丢失数据,称为只读存储器,另一类掉电后丢失数据,且通电后也不能自动恢复,称为随机存取存储器。
单片机原理及应用期末考试题库单片机模拟试卷001一、选择题(每题1分,共10分)1.8031单片机的( )口的引脚,还具有外中断、串行通信等第二功能。
a)P0 b)P1 c)P2 d)P32.单片机应用程序一般存放在()a)RAM b)ROM c)寄存器d)CPU3.已知某数的BCD码为0111 0101 0100 0010 则其表示的十进制数值为()a) 7542H b) 7542 c)75.42H d) 75.424.下列指令中不影响标志位CY的指令有()。
a)ADD A,20H b)CLR c)RRC A d)INC A 5.CPU主要的组成部部分为()a)运算器、控制器b)加法器、寄存器c)运算器、寄存器d)运算器、指令译码器6.INTEL 8051 C PU是()位的单片机a)16 b)4 c)8 d)准16 7.8031复位后,PC与SP的值为()a )0000H,00H b) 0000H,07H c) 0003H,07H d)0800H,00H8.当需要从MCS-51单片机程序存储器取数据时,采用的指令为()。
a)MOV A, @R1 b)MOVC A, @A + DPTRc)MOVX A, @ R0 d )MOVX A, @ DPTR9.8031单片机中既可位寻址又可字节寻址的单元是()a)20H b)30H c)00H d)70H10.下列哪条指令是正确的()a) PUSH R2 b)ADD R0,Ac) MOVX A @DPTR d)MOV @R0,A二、填空题(每空1分,共30分)1.一个完整的微机系统由和两大部分组成。
2.8051 的引脚RST是____(IN脚还是OUT 脚),当其端出现____电平时,8051进入复位状态。
8051一直维持这个值,直到RST 脚收到____电平,8051才脱离复位状态,进入程序运行状态,从ROM H 单元开始取指令并翻译和执行。
3.半导体存储器分成两大类和,其中具有易失性,常用于存储。
2、单片机89C51片内集成了 4 有 5 个中断源。
3、两位十六进制数最多可以表示4、89C51是以下哪个公司的产品?(A、 INTELB、 AMDC、 ATMELKB 的 FLASH ROM共256 个存储单元。
C )D、 PHILIPS5、在89C51中,只有当EA引脚接Flash ROM。
高电平时,CPU才访问片内的6是非题:当89C51的EA引脚接低电平时, 内是否有程序存储器。
T CPL只能访问片外ROM而不管片7、是非题:当89C51的EA引脚接高电平时, CPL只能访问片内的4KB空间。
F单片机原理及应用期末考试试题汇总1、单片机是将微处理器、一定容量的 RAM和ROM以及I/O 口、定时器等电路集成在一块芯片上而构成的微型计算机。
8、当CPU访问片外的存储器时,其低八位地址由P0 口提供,高八位地址由 P2 口提供, 8位数据由P0 口提供。
9、在I/O 口中,P0 口在接LED时,必须提供上拉电阻,P3 口具有第二功能。
10、是非题:MCS-51系列单片机直接读端口和读端口锁存器的结果永远是相同的。
F11、是非题:是读端口还是读锁存器是用指令来区别的。
T12、是非题:在89C51的片内RAM区中,位地址和部分字节地址是冲突的。
F13、是非题:中断的矢量地址位于 RAMX中。
F14、 MCS-51系列单片机是属于( B )体系结构。
A、冯诺依曼B、普林斯顿C、哈佛D、图灵15、 89C51具有64 KB的字节寻址能力。
16、是非题:在89C51中,当CPU访问片内、夕卜ROk区时用MOV指令,访问片外RAM区时用MOVX指令,访问片内RAM区时用MOV旨令。
T17、在89C51中,片内RAM^为地址为00H~7FH 的真正RAM区,和地址为80H~FFH的特殊功能寄存器(SFR)区两个部分。
18、在89C51中,通用寄存器区共分为 4 组,每组8 个工作寄存器,当CPU复位时,第0 组寄存器为当前的工作寄存器。
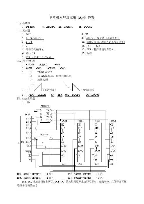
单片机原理及应用(A)卷答案一、选择题1.DBBDC 6.ABDBC 11.CABCA 16.DCCCC 二、填空题1.00H2.1(或高电平)3.8 、84.25.寄存器间接寻址6.高、247.TF0 、TF1(不分先后)8.IE9.译码法、线选法(不分先后)10.起始、停止、逻辑“1”(或高电平)11.-4 、-12412.SFR(特殊功能寄存器)13.程序三、程序分析题1.#5000H A,@R0 #40H2.#0FH #30H #0F0H #30H3.⑴FLAG未定义⑵缺500Hz低频,高频间隙出现⑶连续高频4.(正锯齿波)(负锯齿波)5.MOV A,2AH R7 2BH JNC LOOP1 JC LOOP1四、综合应用题1.解:IC1:0000H~1FFFFH (1分)IC2:2000H~3FFFFH (1分)IC3:4000H~5FFFFH (1分)IC4:6000H~7FFFFH (1分)IC1、IC2地址必须如上所示。
IC3、IC4的地址只要不重合即可算对。
连线6分,具体评分可视连线情况酌情给分。
2. 解(1) TMOD =01H (1分)TC =16X T 2T -机器=25000065536-=40536=9E58H TH0=9EH TL0=58H (3分)(2)ORG 0000HLJMP STARTORG 0003H LJMP INT_EX0ORG 000BH LJMP INT_T0ORG 0100HSTART :MOV TMOD ,#data1MOV TH0, #data2MOV TL0, #data3MOV R7,#20SETB ET0 SETB TR0 ;启动T0CLR IT0 ;外部中断0低电平触发SETB EX0 SETB EA ;开总中断LJMP $INT_T0:MOV TH0, #data2MOV TL0, #data3DJNZ R7,T0_ENDMOV R7,#20MOV R0,_#50H __MOV DPL,R0MOV DPH ,#2MOVX @DPTR,A ;启动A/DT0_END :RETI(每空1分,共10分,定时器初值及TMOD 值不重复计分,) INT_EX0: MOVX A,@DPTR ;数据输入 MOV @R0,A ;保存数据 CJNE R0, #57H ,LOP SJMP EX0_END LOP: INC R0 MOV DPL,R0 MOVX @DPTR,AEX0_END: RETI。
(完整版)单⽚机原理及应⽤期末考试试题单⽚机原理及应⽤期末考试试题⼀、填空题(每空1分,共20分)1 ?相对寻址是以PC的当前值为基准,加上指令中给出的相对偏移量形成⽬标地址的⽅式。
2. AT89S51单⽚机的1个机器周期含有12个晶振周期或6状态周期。
3. AT89S51单⽚机进⾏扩展时,⽤P0 ⼝作为地址/数据总线,⽤P2 ⼝作为地址总线⾼8位。
4. 假定累加器A的内容30H,执⾏指令:1000H : MOVC A, @A+PC后,把程序存储器1031H单元的内容送累加器A中5. 指令格式是由操作码和操作数部分组成。
6. AT89S51单⽚机的串⾏⼝控制寄存器中有2个中断标志位,它们是TI 和_RI7. 在进⾏BCD码加法运算时,紧跟ADD或ADDC指令后的指令必须是DA A指令8. JNC rel指令执⾏时,当CY位为0 时程序发⽣跳转。
9. 单⽚机位寻址区的单元地址是从20H单元到2FH单元,若某位地址是10H ,它所在单元的地址应该是22H _________ 。
10 .外部中断0的中断⼊⼝地址为0003H ,定时/记数器T1的中断⼊⼝地址为001BH 。
11.串⾏⼝⼯作⽅式2为9位异步通信,若SMOD=0 ,f OSC = 6 MH z,则其相应波特率为_6X 106/64 ___________ b/s12?堆栈应遵循先进后出规律,堆栈指针的符号为__SP、单项选择题(每⼩题1分,共20 分)1. AT89S51单⽚机的( d ) ⼝的引脚,还具有外中断、串仃通信等第⼀功能。
a) P0 b) P1 c ) P2 d)P32?单⽚机应⽤程序般存放在( b )⼀a)RAM b ) ROM c )寄存器 d ) CPU3.已知某数的BCD码为0111010101000010则其表⽰的⼗进制数值为( b )a) 7542H b ) 7542 c ) 75.42H d ) 75.42■ r -⼀⼖⼖⼇4?下列指令中不影响标志位CY的指令有(d )。
《单⽚机试卷》期末试卷A卷(电⼦)答案三年制09级应⽤电⼦技术、液晶显⽰与光电技术专业《单⽚机技术与应⽤》期末试卷(A卷)⼀、填空题(每空⼀分,共40分)1.AT89S51单⽚机内部有 4 KB的FLASH ROM,内部数据存储器可位寻址的地址范围为20H-2FH ,特殊功能寄存中地址可被以8整除的特殊功能寄存器也可以进⾏位寻址。
外部中断0的⼊⼝地址为0003H ,T1定时/计数器的中断⼊⼝地址为001BH 。
2.PSW中RS1=1,RS0=0,R3对应的字节地址为13H 。
3.78H对应的⼗进制数为120 D,对应的⼆进制数为01111000 B。
4. MCS51单⽚机的仅使⽤内部ROM时,EA引脚应接⾼电平。
5.当MCS51单⽚机RST引脚出现 2 机器周期以上⾼电平时单⽚机可有效复位,复位后SP= 07H ,PC= 0000H ,P2= FFH 。
6. 单⽚机是集成了8位CPU 、存储器、I/O端⼝、16位定时/计数器四个部分的微型计算机。
7. 中断源的允许是由IE 寄存器决定的,中断源的优先级别是由IP 寄存器决定的。
9.LCALL 指令可以实现64 KB范围的⼦称程序调⽤;可以实现远程查表的指令是MOVC A,@A+DPTR;可以实现64K范围跳转的指令是AJMP addr16 。
10.关于堆栈类操作的两条指令分别是PUSH 、POP ,操作遵循先进后出、后进先出原则。
11. LED数码管按结构分为共阴和共阳两种形式。
12.键盘按键的检测过程中消除抖动常⽤的⽅法有RS触发器滤波、⼤电容滤波、软件延时.。
13.DAC0832的参考电压为+4V,则分辩率为0.015625(4/256)V。
14.“DIV AB ”是单字节四周期指令;“NOP ”是单字节单周期指令。
15.C51中定义的位变量的关键字是bit ,位变量对应的地址空间范围是20H-2FH 。
16.C51定义为data的RAM地址范围为 0x00-0x7f 。
西南科技大学2008——2009学年第2 学期《单片机原理及应用B 》期末考试试卷( A卷)学院:_______________班级:_____________姓名:_______________学号:____________ 答题提示:答题时间2小时,全部答案必须写在答题纸上。
一、填空题:(30分,每空2分)1、在MCS-51单片机的汇编语言中,带符号数采用补码编码方式。
2、计算机中的堆栈是一组按照后入先出(或先入后出)工作方式工作的存储单元。
MCS-51单片机在复位后,若不修改SP,则第一个入栈的字节数据保存在08H 。
3、若要使工作寄存器R3映射在片内RAM中的1BH单元,此时PSW寄存器中的RS0= 1 ,RS1= 1 。
4、80C51单片机的中断系统具有5个中断源, 2 个中断优先级。
5、MCS-51单片机对SFR的访问只能使用直接寻址方式,位地址08H~0FH被定义为片内数据存储器 21H 单元中的各位。
6、指令一般具有功能、时间和空间三种属性。
MCS-51指令系统中能够实现寄存器间接寻址的寄存器有 3 个。
7、8051单片机内部并行端口 P0 作一般I/O使用时,往往需要外接上拉电阻。
8、在所有MCS-51单片机的定时器工作方式中,方式2 能够提供最高定时精度,TF0在T0定时中断响应后会自动清0 。
二、判断题:(20分,每小题2分)1、8051的同级中断可以相互嵌套,从而实现特殊全嵌套功能。
X2、在MCS-51指令系统中,指令AJMP和LJMP的区别在于AJMP能够实现64KB范围的跳转。
x3、8051单片机所有内部并行端口均可驱动8个TTL负载。
x4、MCS-51单片机复位后片内RAM的内容将全部清0。
x5、MCS-51单片机的串行口只能提供异步通信方式。
x6、MCS-51单片机的P0口可作为外部数据总线。
T22西南科技大学2008——2009学年第 2 学期《 单片机原理及应用B 》期末考试试卷( A 卷)7、 8051的堆栈只能设在片内RAM 中且地址不得超过7FH 。
单片机原理及应用试题及答案单片机期末考试试题01、单片机是将微处理器、一定容量的 RAM 和ROM以及 I/O 口、定时器等电路集成在一块芯片上而构成的微型计算机。
2、单片机89C51片内集成了 4 KB的FLASH ROM,共有 5 个中断源。
3、两位十六进制数最多可以表示 256 个存储单元。
4、89C51是以下哪个公司的产品?( C )A、INTELB、AMDC、ATMELD、PHILIPS5、在89C51中,只有当EA引脚接高电平时,CPU才访问片内的Flash ROM。
6、是非题:当89C51的EA引脚接低电平时,CPU只能访问片外ROM,而不管片内是否有程序存储器。
T7、是非题:当89C51的EA引脚接高电平时,CPU只能访问片内的4KB空间。
F8、当CPU访问片外的存储器时,其低八位地址由 P0 口提供,高八位地址由 P2 口提供,8位数据由 P0 口提供。
9、在I/O口中, P0 口在接LED时,必须提供上拉电阻, P3 口具有第二功能。
10、是非题:MCS-51系列单片机直接读端口和读端口锁存器的结果永远是相同的。
F11、是非题:是读端口还是读锁存器是用指令来区别的。
T12、是非题:在89C51的片内RAM区中,位地址和部分字节地址是冲突的。
F13、是非题:中断的矢量地址位于RAM区中。
F14、MCS-51系列单片机是属于( B )体系结构。
A、冯诺依曼B、普林斯顿C、哈佛D、图灵15、89C51具有 64 KB的字节寻址能力。
16、是非题:在89C51中,当CPU访问片内、外ROM区时用MOVC指令,访问片外RAM区时用MOVX指令,访问片内RAM区时用MOV指令。
T17、在89C51中,片内RAM分为地址为 00H~7FH 的真正RAM区,和地址为80H~FFH的特殊功能寄存器(SFR) 区两个部分。
18、在89C51中,通用寄存器区共分为 4 组,每组 8 个工作寄存器,当CPU复位时,第0 组寄存器为当前的工作寄存器。
单⽚机原理及应⽤期末考试试卷A单⽚机原理及应⽤期末考试试卷A⼀.填空题(每空1分,共20分)1、单⽚机与普通计算机的不同之处在于其将、和三部分集成于⼀块芯⽚上。
2、使⽤双缓冲⽅式的D/A转换器,可实现多路模拟信号的输出。
3、通过堆栈操作实现⼦程序调⽤,⾸先就要把的内容⼊栈,以进⾏断点保护。
调⽤返回时,再进⾏出栈保护,把保护的断点送回到。
4、在基址加变址寻址⽅式中,以作变址寄存器,以或作基址寄存器。
5、假定累加器A中的内容为40H,执⾏指令1000H:MOVC A,@A+PC后,把程序存储器单元的内容送⼊累加器A中。
6、在寄存器间接寻址⽅式中,其“间接”体现在指令中寄存器的内容不是操作数,⽽是操作数的。
7、假定A=83H,(R0)=17H,(17H)=0B5H,执⾏以下指令:ANL A,#17HORL 17H,AXRL A,@R0CPL A后,A的内容为。
8、已知程序执⾏前有A=01H,SP=42H,(41H)=FFH,(42H)=FFH。
下述程序执⾏后:POP DPHPOP DPLMOV DPTR,#3000HRL AMOV B,AMOVC A,@A+DPTRPUSH AMOV A,BINC AMOVC A,@A+DPTRPUSH ARETORG 3000HDB 10H,80H,30H,80H,50H,80H请问:A= ,SP= ,(41H)= ,(42H)= 。
9、在存储器扩展中,⽆论是线选法还是译码法,最终都是为了扩展芯⽚的端提供信号。
10、在MCS-51中,PC和DPTR都⽤于提供地址,但PC是为了访问存储器提供地址,⽽DPTR是为访问存储器提供地址。
11、16KB RAM存储器的⾸地址若为3000H,则末地址为 H。
⼆.选择题(每题2分,共16分)1、8051与8751的区别是:A、内部数据存储但也数⽬的不同B、内部程序存储器的类型不同C、内部数据存储器的类型不同D、内部的寄存器的数⽬不同2、判断以下有关PC和DPTR的结论是否正确?A、DPTR是可以访问的,⽽PC不能访问。
单片机原理与应用—在线考试一、单选题1.信息能够同时双向传送的是( )。
A.并行通信B.单工串行通信C.半双工串行通信D.全双工串行通信2.AT89S52单片机片内有( )个定时器/计数器。
A.1B.2C.3D.43.串口通信时,每秒传送120个字符,数据格式为1位起始位、8位数据位、1位停止位,则的波特率为( )。
A.120B.1200C.960D.10804.通过CPU对I/O状态的测试,只有I/O已准备好时才能进行I/O传送,这种传送方式称为( )A.程序方式(查询方式)B.中断方式C.DMA方式D.通道方式5.当M1=1,M0=0时,定时/计数器工作在( )。
A.工作方式0B.工作方式1C.工作方式2D.工作方式36.计算机中能对数据进行算术和逻辑运算的是( )。
A.运算器B.控制器C.存储器D.I/O设备7.定时器/计数器的方式2是( )。
A.13位定时/计数器B.16位定时/计数器C.具有自动重装载初值的8位定时/计数器D.定时/计数器0分为2个8位的定时/计数器,定时/计数器1此时无意义8.某存储器芯片有12根地址线,8根数据线,它的容量大小是( )KB。
D.8KB9.定时/计数器的运行控制位是( )。
A.GATEB.TRC.TFD.IE10.已知:片内RAM(61H)=0ABH,(02H)=0C1H,执行下列指令后,A中的数据是( )。
A.80HB.56HC.ABHD.EBH11.若单片机的振荡频率为12MHz,设定时器工作在方式0,需要定时1ms,则定时器初值应为( )。
A.8192B.7192C.65526D.6553612.指令MOV A,R0的寻址方式是( )。
A.立即数寻址B.相对寻址C.寄存器寻址D.寄存器间接寻址13.中断响应后CPU自动清除相应的中断请求标志的是( )。
A.电平方式的外部中断B.外部串行中断C.定时器0中断D.定时器2中断14.AT89S52单片机扩展数据存储器最大寻址范围为( )。
单片机模拟试卷001一、选择题(每题1分,共10分)1.8031单片机的( )口的引脚,还具有外中断、串行通信等第二功能。
a)P0 b)P1 c)P2 d)P32.单片机应用程序一般存放在()a)RAM b)ROM c)寄存器 d)CPU3.已知某数的BCD码为0111 0101 0100 0010 则其表示的十进制数值为()a)7542H b)7542 c)75.42H d)75.424.下列指令中不影响标志位CY的指令有()。
a)ADD A,20H b)CLR c)RRC A d)INC A5.CPU主要的组成部部分为()a)运算器、控制器 b)加法器、寄存器c)运算器、寄存器 d)运算器、指令译码器6.INTEL 8051 CPU是()位的单片机a)16 b)4 c)8 d)准167.8031复位后,PC与SP的值为()a )0000H,00H b)0000H,07H c)0003H,07H d)0800H,00H 8.当需要从MCS-51单片机程序存储器取数据时,采用的指令为()。
a)MOV A, @R1 b)MOVC A, @A + DPTRc)MOVX A, @ R0 d)MOVX A, @ DPTR9.8031单片机中既可位寻址又可字节寻址的单元是()a)20H b)30H c)00H d)70H10.下列哪条指令是正确的()a)PUSH R2 b)ADD R0,Ac)MOVX A @DPTR d)MOV @R0,A二、填空题(每空1分,共30分)1.一个完整的微机系统由和两大部分组成。
2.8051 的引脚RST是____(IN脚还是OUT脚),当其端出现____电平时,8051进入复位状态。
8051一直维持这个值,直到RST脚收到____电平,8051才脱离复位状态,进入程序运行状态,从ROM H单元开始取指令并翻译和执行。
3.半导体存储器分成两大类和,其中具有易失性,常用于存储。
单片机考试复习试题及答案(一)一、填空题(25分,每空1分)1. AT89S51单片机为8 位单片机2. MCS-51系列单片机的典型芯片分别为 8031 、 8051 、 8751 。
3. AT89S51的异步通信口为全双工(单工/半双工/全双工)4. AT89S51有 2 级中断, 5 个中断源5. AT89S51内部数据存储器的地址范围是00H~7FH ,位地址空间的字节地址范围是20H~2FH ,对应的位地址范围是00H~7FH ,外部数据存储器的最大可扩展容量是64K 。
6. AT89S51单片机指令系统的寻址方式有__寄存器寻址__、____直接寻址____、___寄存器间接寻址_____、_立即寻址____、基址寄存器加变址寄存器寻址。
7. 如果(A)=34H,(R7)=0ABH,执行XCH A, R7;结果(A)= 0ABH ,(R7)=34H 。
8. 82C55可以扩展3个并行口,其中8 条口线具有位操作功能;9. 当单片机复位时PSW= 00 H,这时当前的工作寄存器区是0区,R4所对应的存储单元地址为04 H。
10. 若A中的内容为67H,那么,P标志位为 1 。
11. 74LS138是具有3个输入的译码器芯片,其输出作为片选信号时,最多可以选中 8 片芯片。
二、判断以下指令的正误:(5分)(1)MOV 28H,@R4;(×)(2)INC DPTR;(√)(3)DEC DPTR ;(×)(4)CLR R0 ;(×)(5)MOV T0,#3CF0H;(×)三、简答题1、如果(DPTR)=507BH,(SP)=32H,(30H)=50H,(31H)=5FH,(32H)=3CH,则执行下列指令后:POP DPH;POP DPL;POP SP;则:(DPH)= ___3CH___;(DPL)=___5FH___;(SP)=___50H___;(6分)2、采用6MHz的晶振,定时1ms,用定时器方式0时的初值应为多少?(请给出计算过程)(6分)解:∵采用6MHZ晶振∴机器周期为2us(213-X)×2×10-6=1×10-3∴X=7692(D)=1E0CH=1 1110 0000 1100(B),化成方式0要求格式为 1111 0000 1100 B即0F00CH综上可知:TLX=0CH, THX=0F0H3. 分析下列程序的功能(5分) PUSH ACC PUSH B POP ACC POP B解: 该程序的功能是通过累加器ACC 与寄存器B 数据交换。
*密* 西南科技大学2008——2009学年第 2 学期
《单片机原理及应用B 》期末考试试卷( A卷)
课程代码223141120命题单位信息学院:自动化教研室
学院:_______________班级:_____________姓名:_______________学号:____________
答题提示:答题时间2小时,全部答案必须写在答题纸上。
一、填空题:(30分,每空2分)
1、在MCS-51单片机的汇编语言中,带符号数采用补码编码方式。
2、计算机中的堆栈是一组按照后入先出(或先入后出)工作方式工作的
存储单元。
MCS-51单片机在复位后,若不修改SP,则第一个入栈的
字节数据保存在08H 。
3、若要使工作寄存器R3映射在片内RAM中的1BH单元,此时PSW寄存
器中的RS0= 1 ,RS1= 1 。
4、80C51单片机的中断系统具有5个中断源, 2 个中断优先级。
5、MCS-51单片机对SFR的访问只能使用直接寻址方式,位地址
08H~0FH被定义为片内数据存储器 21H 单元中的各位。
6、指令一般具有功能、时间和空间三种属性。
MCS-51指令系统中能够
实现寄存器间接寻址的寄存器有 3 个。
7、8051单片机内部并行端口P0 作一般I/O使用时,往往需要外接上
拉电阻。
8、在所有MCS-51单片机的定时器工作方式中,方式2 能够提供最高定
时精度,TF0在T0定时中断响应后会自动清0 。
二、判断题:(20分,每小题2分)
1、8051的同级中断可以相互嵌套,从而实现特殊全嵌套功能。
X
2、在MCS-51指令系统中,指令AJMP和LJMP的区别在于AJMP能够实现
64KB范围的跳转。
x
3、8051单片机所有内部并行端口均可驱动8个TTL负载。
x
4、MCS-51单片机复位后片内RAM的内容将全部清0。
x
5、MCS-51单片机的串行口只能提供异步通信方式。
x
6、MCS-51单片机的P0口可作为外部数据总线。
T
西南科技大学2008——2009学年第 2 学期
*密* 《单片机原理及应用B 》期末考试试卷( A卷)
7、8051的堆栈只能设在片内RAM中且地址不得超过7FH。
T
8、MCS-51单片机的外部程序存储器是通过实现读访问的。
T
PSEN
9、I2C是一种同步串行数据传输总线。
T
10、MCS-51单片机可通过串口实现扩展一个或多个并行IO接口,此时需
要添加移位寄存器芯片。
T
三、阅读下面的程序,根据要求回答问题(20分,每小题5分)
1、设(DPTR)=2000H,(SP)=62H,(5EH)=12H ,(5FH)=34H ,(60H)
=67H,(61H)=50H,(62H)=80H,当执行完下列指令后:
POP DPH
POP DPL
POP ACC
RET
(PC)H =34H;(PC)L =12H;(DPH)=80H;(DPL)=50H;(P)=1;
2、设单片机时钟为12MHz,补全下列程序,使之完成将T0设置成:定
时器、方式0、当INT0变成高电平后延时等待5 毫秒。
CLR ET0
CLR TF0
CLR TR0
ANL TMOD,#0F0H
ORL TMOD,#08H
MOV TH0,#63H
MOV TL0,#18H
SETB TR0
JNB TF0,$
CLR TR0
CLR TF0
3、计算下面延时子程序的延时时间(设时钟为12MHz,需写出计算过程)。
DELAY:MOV R2,#10H
DEL1:MOV R3,#00H
DJNZ R3,$
DJNZ R2,DEL1
RET
*密*
1、内循环体执行时间=256*2*1=512us(2分)
外循环体执行时间=16*(512+(1+2)*1)=8240us(2分)
总执行时间=8240+(1+2)*1=8243us
西南科技大学2008——2009学年第 2 学期
4、对51单片机的中断系统初始化如下:。
MOV IE,#017H
MOV IP,#012H
SETB IT0
SETB IT1
SETB EA
1)当INT1出现下降沿时将触发中断。
2)T1不会触发中断。
3)当INT1正在中断服务时,INT0中断请求将不中断INT1的中断服务。
4)当INT1正在中断服务时,串行中断请求将中断INT1的中断服务。
5)当T0和串行中断同时发生时,将首先执行 T0 的中断服务程序。
四、设计题:(30分)
8051单片机应用系统电路如下图,其中LED显示器为共阴型,显示段与
P0口的对应关系如下:
a,b,c,d,e,f,g,h
P0.0P0.1P0.2P0.3P0.4P0.5P0.6P0.7
西南科技大学2008——2009学年第 2 学期
《单片机原理及应用B 》期末考试试卷( A卷)
该系统用来测量脉冲信号的频率(设频率范围为10~900Hz),并将测得的频率值显示在LED显示器上(十进制)。
试回答:
1)当开关闭合后,上电复位电路的工作原理是什么?上电复位时间应大于系统中的时间?(3分)
2)系统中引脚该怎样连接?为什么?(3分)
EA
3)系统要求输入脉冲信号的高电平和低电平时间必须大于 us?为什么?(4分)
4)为什么分别要在各个LED显示器的公共端连接三极管,而不将其直接连接到P2端口对应的位上?(2分)
5)系统中LED显示器只能采用什么样的显示方式?为什么?(2分)
6)在系统中显示器上显示下面的字符,对应的段选码是什么?(3分)‘H’= ;‘L’= ;‘P’= ;
7)如果让你在上面的系统硬件上实现系统功能,你怎么做?(4分)
8)按照你实现系统功能的办法设计出程序(需画出程序流程图)。
(9分)
1)上电瞬间,电容未充电,RESET引脚为高电平,MCU处于复位状态(1分)。
随着电容的充电,RESET引脚电压降低,当其为低电平时,MCU结束
复位,开始工作(1分)。
振荡器从起振到稳定(1分)
2)接高电平(1分),因为系统中无外部程序存储器,程序代码应存放在8051的内部程序存储器中(1分),EA接高电平时让8051复位时从片内程序存储器中开始执行程序(1分)。
3)1us(1分)。
因为8051定时/计数器在处于计数状态时,输入的计数脉冲的高电平和低电平必须维持1个机器周期(1分),8051的机器周期为时钟周期的12分频(1分),当时钟频率为12MHz时,1个机器周期时间为
1us(1分)。
4)P2端口各位的负载能力为4个TTL负载(1分),小于电路中LED显示
器公共端流出的电流值(1分),因此需要使用三极管进行放大。
5)动态显示方式(1分)。
因为电路中所有LED显示器的各段并联在一起
共用P0口,符合动态显示方式的要求,而静态显示方式要求每一个LED显示器用一个8位并行端口控制,所以不能使用(1分)。
6)01110110B或76H(1分)00111000B或38H(1分)01110011B或73H(1分)
7)频率测量方法(2分),显示扫描方法(2分)
8)流程图(3分),主程序(3分),中断服务程序(3分)。