弹性筒夹变形分析
- 格式:ppt
- 大小:1.44 MB
- 文档页数:18
机械结构的弹性变形分析与控制一、引言机械结构的弹性变形是指在外力作用下,机械结构产生的一种可逆变形现象。
弹性变形的分析与控制对于机械工程的设计和制造具有重要意义。
本文将探讨机械结构的弹性变形以及相关的分析与控制方法。
二、机械结构的弹性变形分析1. 弹性变形的基本原理弹性变形是指机械结构在受力作用下变形后能够恢复原状的一种变形形式。
在弹性变形过程中,机械结构的原子、分子间的相互作用力会产生弹性力,从而使结构发生变形。
而当外力撤离后,结构会恢复到其初始状态。
2. 弹性变形的影响因素机械结构的弹性变形受到多种因素的影响,主要包括材料的弹性模量、结构的几何形状和外力的大小和方向等。
材料弹性模量越大,结构的弹性变形越小;结构的几何形状越复杂,弹性变形越大;外力的大小和方向会直接影响结构的受力情况,从而引起弹性变形。
3. 弹性变形的分析方法弹性变形的分析方法主要有理论分析和数值计算两种。
理论分析是通过应用弹性力学理论推导出结构的变形方程,从而得到结构的变形解析解。
数值计算则是通过数值方法对结构的变形方程进行近似求解,得到结构的变形数值解。
4. 弹性变形的控制方法为了减小机械结构的弹性变形,可以采取一些控制措施。
常见的控制方法包括结构加强、材料改进和减小外力作用等。
结构加强可以通过增加结构的截面积、加粗结构的梁柱等来提高结构的刚度,从而减小弹性变形。
材料改进可以选用弹性模量较大的材料,如高强度钢等。
减小外力作用可以通过合理设计机械结构的工作状态,如在设计起重机械时,可以根据工作负荷的大小选择适当的起重机。
三、机械结构的弹性变形控制实例以汽车悬挂系统为例,介绍机械结构的弹性变形控制。
汽车悬挂系统是保证汽车行驶平稳性和舒适性的重要组成部分。
在汽车行驶过程中,悬挂系统需要承受来自路面的冲击力,并使车身保持稳定。
为了减小汽车悬挂系统的弹性变形,可以采用以下控制措施:1. 结构加强:增加悬挂系统的强度和刚度可以减小其弹性变形。
弹性力与变形问题分析弹性力和变形是力学中常见的概念,它们在物理世界中起着重要的作用。
本文将对弹性力和变形问题进行分析,以便更好地理解它们的本质与应用。
一、弹性力的概念与特点弹性力是指物体在受到外力作用后,恢复到原始形态的力。
它遵循胡克定律,即与物体的变形程度成正比。
弹性力具有以下特点:1. 胡克定律:弹性力与物体的变形程度成正比,变形越大,弹性力越大。
2. 动能转化:受到外力作用时,物体的弹性势能被储存起来,并在恢复过程中转化为动能,使物体回复到原始状态。
3. 方向相反:弹性力的方向与物体变形的方向相反,力的作用方向总是指向使物体恢复原状的方向。
二、弹性力的应用弹性力在日常生活和工程领域中有广泛的应用。
以下是几个常见的例子:1. 弹簧:弹簧是利用弹性力的变形性能制成的机械元件。
当施加压缩或拉伸力时,弹簧会产生相应的弹性力,使其恢复到原始状态。
弹簧被广泛应用于机械、汽车工业等领域。
2. 皮筋:皮筋是一种经过处理的橡胶带,具有较强的弹性。
它通常用于捆绑物品,因为它的弹性力可以使物品保持牢固而不松动。
3. 橡皮筋:橡皮筋也是一种常见的弹性物品。
它常被用来捆绑文件、束缚物品,其弹性力能够使文件或物品紧密地保持在一起。
三、变形问题的概念与类型变形是物体由于受到外力作用而改变其形状或大小的过程。
根据变形的性质,可以将变形问题分为以下几种类型:1. 弹性变形:指物体在受力后能够恢复到原始形态的变形过程。
这种变形不会导致物体的永久形变。
2. 塑性变形:指物体在受力后产生永久形变的过程。
在塑性变形中,物体无法完全恢复到原始形态。
3. 弹塑性变形:指物体在受力后既发生一定程度的弹性变形,又有一部分永久形变的过程。
弹塑性变形介于弹性变形和塑性变形之间。
四、变形问题的分析和解决方法对于变形问题,需要进行分析和解决以更好地理解和应对变形现象。
以下是一些常用的分析和解决方法:1. 应力分析:通过对物体内部各点的受力分析,确定物体在受力情况下的应力分布。
机械加工过程中的弹性变形与变形机理研究在机械加工过程中,材料的变形是难以避免的现象。
而其中的弹性变形与变形机理一直是研究的热点。
本文将通过对弹性变形与变形机理的探索,以及对相关实验和理论研究的分析,来探讨这一领域的进展和挑战。
一、弹性变形的定义与特点弹性变形是指材料在受力作用下发生可逆的形变。
它具有以下特点:1. 弹性变形的存在是由于材料内部原子或分子的位移和重新排列引起的,一旦外力消失,材料将恢复到原来的形状。
2. 弹性变形的程度与外力的大小成正比,但是与材料的性质也有关系。
3. 弹性变形发生在材料的线性弹性范围内,超过线性弹性范围则会发生塑性变形。
二、弹性变形的机理研究弹性变形的机理研究关注的是材料在受力作用下原子或分子的位移和重新排列的过程。
目前,研究者们通过实验和理论模型的方法来探索弹性变形的机理。
实验方面,一些常用的方法包括拉伸试验、压缩试验以及压痕试验等。
通过观察材料的变形现象、测量材料的弹性模量和应力-应变关系等参数,可以获得一些关于材料弹性变形机理的信息。
理论方面,弹性变形的机理可以通过分子动力学模拟、分子力学理论以及有限元分析等方法来研究。
这些方法可以模拟材料内部原子或分子之间的相互作用,并通过计算得到材料的应力分布和变形规律。
三、弹性变形的应用与挑战弹性变形在机械加工中具有重要的应用价值。
比如,在激光切割、数控加工和冷冲压等加工过程中,材料的弹性变形是不可忽视的因素。
准确地预测和控制材料的弹性变形能够提高加工精度和效率,降低材料的损伤和浪费。
然而,实践中存在一些挑战。
首先,弹性变形机理的研究还没有达到完全的一致性,不同的实验和理论模型之间仍然存在差异。
其次,材料的弹性性质也会受到温度、应变速率和材料的微观结构等因素的影响,这使得真实工况下的弹性变形机理更加复杂。
最后,对于一些非常薄的材料或者复合材料,弹性变形的研究也存在一定的难度。
为了解决这些挑战,研究者们需要进一步探索弹性变形的机理,建立更加准确和完备的理论模型,并结合实验和数值模拟相结合的方法来加深对这一领域的认识。
弹性筒夹
弹性筒夹又称高精度弹性夹头、精密筒夹,常用在精密仪器和设备上进行实验、钻铣。
弹性筒夹使用比较普遍,一般精度要求0.01MM 以下的工件,都需要用到。
夹持范围一般从0.5—34MM不等,其配套部件为:压帽、连接刀杆刀柄和扳手
弹性筒夹一般分为ER型和C型(强力直柄夹头),市场上多为ER型夹头,因其性能稳定、精度高、装卸简单、价格便宜因此使用较多。
其特性是径向跳动仅为C型筒夹的一半,大大提高产品在加工过程中的精度要求,从而减少报废率。
ER型筒夹分为公制和英制两种,可按照各自尺寸要求选择不同制式的筒夹。
ER夹头按其规格(公制)大致分为以下八大块:
ER50
6.0-10.0
505246.060.012.68.5 5.5
1.0
>10.0-34.0 2.0筒夹径向跳动所测量的距离值:
弹性筒夹一般型号
ER50筒夹加上ER50压帽和扳手:
三大普通型号及高速性螺母:
ER弹性筒夹材质分类较多,其中以65mn(弹簧钢)性能最为突出,是广大企业首选型号(AA级标准,可选英制:如1/8英寸,1/2英寸等常见单位)
配套装备—机床延长杆MT型锥柄连接杆
BT系列刀柄上的弹性筒夹
BT50型刀柄配合ER50弹性筒夹
带锥度的延长杆直柄延长杆带弹性筒夹
英制的弹性筒夹
弹性筒夹所配套的各种压帽C型强力夹头:。
零件装夹变形分析与解决措施零件变形主要表现在装夹变形;切削力、切削热使零件产生变形;加工方法和技巧不当使零件产生变形;材料应力释放零件原因导致的变形等。
如果在生产过程中工件产生变形,那么肯定就会影响工件的形位精度,尺寸精度以及表面粗糙度,所以提高易变形零件加工质量和加工效率的关键就是装夹方法以及车削,铣削时的加工方法和技巧。
标签:装夹方法;刀具选择;切削用量1 为什么会产生零件装夹变形我们在加工生产中会遇到各种各样的问题,譬如在加工薄壁易变型零件时,就必须根据其不同的特点,找出薄弱环节,选用不同的工艺方法和夹紧方法来保证加工要求。
很多时候我们要具体问题具体分析,找到切实可行的办法来应对遇到的实际问题。
1.1 工件装夹不当为什么会产生变形?在我们生产实际操作中,如果我们采用三爪卡盘夹紧薄壁外圆,就会由于夹紧面积过小,夹紧力不均匀分布,那么拆卸以后,被卡爪夹紧部分就可能因弹性变形而涨大,最终导致零件出现多角形变化。
1.2 相对位置调整时候偏差,产生壁厚不均的现象经过多年的工作实践,我发现由于夹具、刀具,工件和机床主轴旋转中心的位置调整相对不准确,导致工件几何形状变化和壁厚不均匀现象。
我们遇见很多薄壁零件对于均匀性要求非常高,但对其尺寸精度要求却不高这种现象。
此时工件如果采用常规刚性定位,就会误差非常大,壁的厚度很容易超差。
这样工件在装夹过程中,假设我们没有根据实际特性,也就是工件刚度较低(薄壁件),或者不注意夹紧力的方向和施力点,那么支撑点和压紧点不能够重合就形成力矩效应,最终会引起零件变形。
1.3 为什么要强调零件壁厚差重要性有一部分薄壁零件对均匀性要求非常高,而对其尺寸精度要求却不高。
这种工件和彩刚性定位,就会误差很大,壁厚非常容易超差。
在装夹过程中的工件,假设刚度较低(薄壁件)或者夹紧力方向,施力点选择不恰当,支撑点与压紧点不重合必然形成力矩效应将会引起零件变形。
1.4 选用什么样的刀具至关重要我们选择什么样的刀具,会直接影响零件精度以及表面粗糙度。
伸缩夹的实验原理及应用伸缩夹是一种能够通过控制材料的形状来实现伸缩功能的夹具。
它的原理是利用材料的弹性变形特性,在外力的作用下改变夹具的形状,从而实现伸缩的功能。
伸缩夹主要应用于各种需要调整尺寸的场合,如夹持、固定、连接等。
伸缩夹的实现原理是材料的弹性变形。
材料在受力时,会进行弹性变形,即在外力作用下形状发生变化,当外力去除后,又能恢复到原来的形状。
伸缩夹通过合理设计材料的形状、厚度和截面等参数,使其在受力时发生弹性变形,实现夹具的伸缩功能。
伸缩夹的应用非常广泛。
其中一个重要的应用领域是夹持和固定。
由于伸缩夹可以根据被夹物体的尺寸进行调整,这使得它成为一种非常灵活和方便的夹具。
举个例子,当我们需要夹持一个尺寸不确定的物体时,可以使用伸缩夹来夹持,只需根据物体尺寸调整夹具的形状,就能够牢固地夹住物体。
另一个应用领域是连接。
伸缩夹可以通过调整夹具的形状来连接两个或多个物体。
这种连接方式可以实现快速拆卸和组装,非常方便。
例如,在机械装配中,我们常常需要将两个零部件连接在一起。
而使用伸缩夹连接,不仅可以提高连接效率,还可以避免由于尺寸不匹配而导致的连接困难。
此外,伸缩夹还可以用于调整部件间的间隙。
在一些需要精确装配的场合,部件间的间隙需要满足一定的要求。
而使用伸缩夹,可以通过调整夹具的形状来控制部件间的间隙,从而达到精确装配的目的。
总而言之,伸缩夹通过控制材料的弹性变形实现夹具的伸缩功能,具有灵活、方便和精确的特点。
它的应用包括夹持、固定、连接以及调整部件间的间隙等多个方面。
在工业生产和科学研究等领域,伸缩夹都发挥着重要的作用,提高了工作效率和质量。
未来随着材料科学的发展,伸缩夹有望在更多领域得到应用和发展。
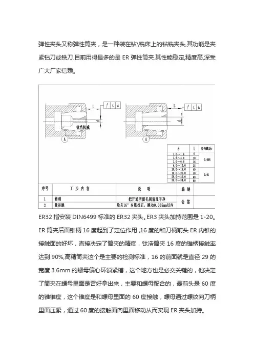
弹性夹头又称弹性筒夹,是一种装在钻\铣床上的钻铣夹头,其功能是夹紧钻刀或铣刀.目前用得最多的是ER弹性筒夹.其性能稳定,精度高,深受广大厂家信赖。
ER32指安装DIN6499标准的ER32夹头。
ER3夹头加持范围是1-20。
ER筒夹后面锥柄16度起到了定位作用,16度的和刀柄前头ER内锥的接触面的好坏,直接决定了筒夹的精度,钛浩筒夹16度的锥柄接触率达到90%,高精筒夹这个是主要的检测标准,16的前面就是直径29的宽度3.6mm的螺母偏心环锁紧槽,这个地方也是必交关键的,他决定了筒夹在螺母里面是否好拿出来,主要和螺母配合的,最前头是60度的锥锥度,这个锥度是和螺母里面的60度接触,螺母通过螺纹向刀柄里面压紧,通过60度的接触面向里面移动从而实现ER夹头加持。
用来装在钻、攻、铣床或加工中心主轴上的一种用来禁锢钻攻刀具或者是铣刀具的筒形夹具,也称ER筒夹。
也可以用来固定加固需要改造加工零件的一种固定锁紧装置。
ER弹簧夹头,夹紧力大,夹持范围广,精度好。
广泛用于镗、铣、钻、攻丝、磨雕刻等加工。
ER夹头,是弹簧夹头的一种,一般用于数控刀柄配套使用。
弹性夹头近两年使用率提高迅速,比两年前增长近百倍。
随着小型加工业不断兴起,加工的质量、精度无疑是目前最大的竞争对象,而此类筒夹的出现,在某种程度上成为了中小型企业生存的关键所在。
ER筒夹在其常规使用中,运用最多的是ER11-ER32.占此类筒夹的9/10。
厚壁圆筒的弹性分析根据三个方程 一,基本方程0=-+rdr d r r θσσσ (1) 二,几何方程rudr du r ==θεε, (2)三,物理方程)(1)(1r r r EEμσσεμσσεθθθ-=-=(3)上面三个方程中,r 为圆筒内任一点处的半径,E 弹性模量,μ为泊松比,u 为筒内各点沿半径方向的位移将(2)和(3)联立, σσθγμ-dr duE = (4) σσγθμ-r uE = (5)由(4),(5)得)(r udr du -1E 2μμσγ+=(6) )(dr duru -1E 2μμσθ+=(7) 将(6),(7)代入到(1)中得0r u-dr du r 1dr u d 222=+ (8) 令r=et0ru -dt du r 1dt du -dt u d r 122222=+)( (9) 整理为0u -dtud 22= (10) 则(10)的特征方程为 (r+1)(r-1)=0得1-1r r 21==, 所以u 的通解为rBAr Be Ae u t -t +=+= (11) 式中A ,B 为积分常数将(11)代入(6)和(7)中得 ()⎥⎦⎤⎢⎣⎡+=22r -1B -1A -1E μμμσγ(12) ()⎥⎦⎤⎢⎣⎡++=22r u -1B 1A -1E μμσθ(13) 当r=a 时 1r-p =σ 当r=b 时 2r-p =σ代入(12)中得()⎥⎦⎤⎢⎣⎡+=221a -1B -1A -1Ep -μμμ (14) ()⎥⎦⎤⎢⎣⎡+=222b -1B -1A -1E p -μμμ (15) 由此可以求得222122222212a -b p -p b a E 1B a -b p b -p a E -1A )(μμ+==则径向应力:()()r 1a-b b a p -p a -b p b -p a 222221222212∙=—σγ(16) 环向应力:()()r 1a-b b a p -p a -b p b -p a 222221222212∙+=σθ(17)上式中a为圆筒内径,b为圆筒外径,p1和p2分别为圆筒所受的内压力和外压力,r为圆筒内任一点处的半径。
初中物理中的弹性变形如何分析?在初中物理的学习中,弹性变形是一个重要的概念。
理解弹性变形对于我们认识和解释生活中的许多物理现象都有着至关重要的作用。
首先,让我们来明确一下什么是弹性变形。
当物体受到外力作用时,它的形状或体积会发生改变。
如果在撤去外力后,物体能够恢复到原来的形状和体积,这种变形就被称为弹性变形。
例如,我们常见的弹簧,当对它施加拉力时,它会伸长;当拉力消失,它又会恢复到原来的长度,这就是典型的弹性变形。
那么,如何分析弹性变形呢?我们需要了解弹性形变的产生条件。
外力是导致弹性变形产生的直接原因,但并不是所有的外力都会使物体发生弹性变形。
这个外力必须在物体能够承受的范围内。
如果外力过大,超过了物体的弹性限度,物体就会发生塑性变形,无法恢复到原来的状态。
从力的角度来分析弹性变形,当物体受到外力作用时,物体内部的分子之间的距离会发生改变,从而产生了内力来抵抗外力。
在弹性限度内,内力与外力大小相等、方向相反。
比如,一根橡皮筋,我们拉伸它时,橡皮筋内部的分子相互拉扯,产生的内力与我们拉伸的外力相互平衡。
弹性形变与弹性势能也有着密切的关系。
当物体发生弹性形变时,它具有了弹性势能。
就像被压缩的弹簧,具有了储存起来的能量,当弹簧恢复原状时,弹性势能会转化为其他形式的能量。
我们可以通过计算弹性势能的大小来进一步分析弹性变形。
弹性势能的计算公式为:E = 1/2 kx²,其中 E 表示弹性势能,k 是弹簧的劲度系数,x 是弹簧的形变量。
在实际生活中,有很多弹性变形的例子。
比如,蹦床运动员在蹦床上跳跃时,蹦床会发生弹性变形;射箭时,弓被拉开,弓弦发生弹性变形;篮球在落地时会发生弹性变形等等。
我们通过实验来更直观地分析弹性变形。
比如,可以进行一个简单的弹簧拉伸实验。
准备一个弹簧、一个测力计和一个刻度尺。
用测力计匀速拉动弹簧,同时记录下拉力的大小和弹簧的伸长量。
通过多次测量,我们可以绘制出拉力与伸长量的关系图像。
绪论模具工业是国民经济的基础工业,是工业生产的重要工艺装备。
.先进国家的模具工业已摆脱从属地位,发展为独立的行业。
日本工业界认为: “模具工业是其它工业的先行工业,是创造富裕社会的动力”。
美国工业界认为:“模具工业是美国工业的基石”。
在德国模具被冠以“金属加工业中的帝王”之称。
在我国,1998年3月在《国务院关于当前产业政策要点的决定》模具被列为机械工业技术改造序列的第一位,生产和基本建设序列第二位,把发展模具工业摆在发展国民经济的重要位置。
目前,我国冲压模具在产值占模具总产值的40%以上,处于主导地位。
经调查,全国模具行业从业人员的岗位分布情况大致如下:从事模具设计。
模具工艺过程实施,产品质量检验和监督工作的人员占总数的%42;其次是具体生产设备的操作,模具的制作,调试和维修,从事这类工作的是智能型的操作人员,占总数的%26;三是从事生产组织,技术指导和技术管理工作的人员,占总数的%9;14;四是从事模具营销工作和售后技术服务的人员,占总数的%五是个体,行政管理人员,占总数的%9。
冲压是一种先进的少无切削加工方法,具有节能省材,效率高,产品质量好,重量轻,加工成本低等一系列优点,在汽车,航空航天,仪器仪表,家电,电子,通讯,军工,日用品等产品的生产中得到了广泛的应用。
据统计,薄板成型后,制造了相当于原材料的12倍的附加值,在国民经济生产总值中,与其相关的产品占四分之一,在现代汽车工业中,冲压件的产值占总产值的59%。
冲压是在室温下,利用安装在压力机上的模具对材料施加压力,使其产生分离或塑性变形,从而获得所需零件的一种压力加工方法。
在冲压过程中,将材料加工成零件的一种特殊工艺装配,称为冲压模具。
冲模是在实现冲压加工中必不可少的工艺装配,与冲压件是“一模一样”的关系,若没有符合要求的冲模,就不能生产出合格的冲压件:没有先进的模具,先进的冲压成型工艺就无法实现。
在冲压零件的生产中,合理的成形工艺、先进的模具、高效的冲压设备是比不可少的三要素。
弹性筒夹工作原理
弹性筒夹是一种常用的夹具,它主要利用材料的弹性特性来夹持工件。
其工作原理如下:
1. 弹性材料:弹性筒夹一般由弹簧钢或橡胶制成。
这些材料具有较高的弹性模量,能够在外力作用下发生弹性变形,然后恢复到原始形状。
2. 夹持工件:将工件放置在弹性筒夹的夹口之间。
此时,弹性材料处于初始状态,在没有外力作用下保持原始形状。
3. 外力作用:施加外力(通常为手动或机动)以使夹具夹紧工件。
外力作用时,弹性材料发生变形,将夹口闭合,使工件牢固地固定在夹具上。
4. 弹性恢复:当外力消失时,弹性材料恢复到原始形状。
由于弹性材料的弹性特性,夹具保持其夹紧状态,使工件得以安全固定。
弹性筒夹的工作原理简单而高效,适用于各种夹持场景。
它具有夹紧力大、稳定可靠以及易于操作和安装等优点。
怎样提高夹头硬度的同时弹性不减弱!值得收藏一原有夹具结构整体式弹簧夹头由头部-卡爪L1、簧瓣包括头部在内的弹性部分L2、导向部分L3组成。
弹簧夹头夹紧工件用头部L1, 夹头弹性变形用簧瓣L2, 夹头导向用L3。
图1 整体式弹簧夹头结构二弹簧夹头的改进镶块式弹簧夹头的结构如下图所示, 它是由两部分组成的, 一部分是夹头体, 另一部分是卡块, 二者通过螺钉相联接。
夹头体有六个簧瓣, 工作时靠簧瓣的弹性变形来完成夹紧和松开动作, 夹头体材料选用65Mn, 淬火硬度40~45 HRC, 以保证夹头的弹性; 而卡块安装在夹头的爪部, 直接接触工件, 卡块是易磨损件, 卡块材料可采用GCr15, 淬火硬度60~62 HRC, 以增加耐磨性。
镶块式弹簧夹头在使用中曾出现过以下几个问题:(1) 由于夹头制造误差容易出现偏心, 车加工后的套圈会出现壁厚超差现象。
(2) 卡块任意装入夹头后, 测出卡块圆度不好, 用这样的卡块夹紧套圈, 被加工后的套圈也会出现壁厚超差现象。
制造时必须想办法加以克服。
图2 镶块式弹簧夹头1-夹头 2-卡块三夹具体和夹具头的加工精度保证3.1精车夹头的圆锥面, 用螺纹胎保证车加工精度。
夹头体在精车完各个面, 并钻完等分孔后, 再车圆锥面, 车圆锥面时以螺纹面为定位基准, 设计一种螺纹胎, 它可以保证车圆锥面时车加工精度。
加工原理如下图所示, 首先把夹头拧到螺纹胎上,然后把螺纹胎装到机床主轴上, 最后用托板上的小刀架进行切削。
图3 夹头外锥面车加工示意图3.2铣等分槽:在铣削加工夹头上的分槽时,先用立铣刀铣20 mm ×40 mm 六等分槽, 然后再用片铣刀铣分瓣用的宽3 mm 六等分窄槽,但是此槽不能铣通, 端面留有3~ 4 mm 连筋, 使夹头体还是整体, 保证夹头热处理后不变形及磨加工夹头各个定位面的加工精度, 其加工原理如下图:图4 夹头定位面加工原理在以上加工之后要对夹具进行热处理,但处理的部位要合理,夹头头部、尾部需淬火, 其硬度大概为40~45HRC, 夹头中间部分不淬火, 以保证夹头弹性。
回弹卡夹变形结构回弹卡夹是一种常见的机械连接件,其变形结构具有一定的特点和优势。
本文将探讨回弹卡夹的变形结构并分析其应用。
一、回弹卡夹的定义和特点回弹卡夹是一种利用弹性变形原理实现连接和固定的机械元件。
它通常由两个卡片和一个连接件组成。
两个卡片之间通过连接件连接,并且卡片具有一定的弹性,能够在外力作用下发生变形。
回弹卡夹的特点主要包括以下几点:1. 弹性变形:回弹卡夹的变形主要是通过卡片的弹性变形实现的。
当外力作用在卡片上时,卡片发生弯曲变形,产生一定的弹性力,从而实现连接和固定的功能。
2. 快速装卸:由于回弹卡夹采用弹性变形的原理,因此其装卸速度较快。
只需施加一定的外力即可完成装卸操作,提高了工作效率。
3. 可重复使用:回弹卡夹的弹性变形是可逆的,即在外力消失后,卡片会恢复原状。
因此,回弹卡夹可以重复使用,节约了材料和成本。
二、回弹卡夹的应用领域回弹卡夹由于其特点和优势,在许多领域得到广泛应用。
1. 机械制造:在机械制造中,回弹卡夹常用于零部件的连接和固定。
它可以快速装卸,提高生产效率,并且可以重复使用,节约材料和成本。
2. 汽车制造:在汽车制造中,回弹卡夹常用于汽车零部件的连接和固定,如座椅、仪表板等。
其快速装卸和可重复使用的特点,使得汽车的装配和维修更加方便快捷。
3. 电子设备:在电子设备中,回弹卡夹常用于电子元件的连接和固定。
由于电子元件体积小、重量轻,因此需要一种紧凑、可靠的连接方式,回弹卡夹正好满足这一需求。
4. 建筑工程:在建筑工程中,回弹卡夹常用于连接和固定建筑结构。
其快速装卸和可重复使用的特点,提高了施工效率,减少了人力和材料的浪费。
三、回弹卡夹的设计原则回弹卡夹的设计需要考虑以下几个原则:1. 合理的材料选择:回弹卡夹需要具有一定的弹性,因此材料的选择至关重要。
常用的材料有弹簧钢、不锈钢等,具有良好的弹性和耐腐蚀性。
2. 适当的尺寸设计:回弹卡夹的尺寸设计应根据具体的应用需求进行,包括卡片的长度、宽度和厚度等。