隧道洞身开挖施工技术交底
- 格式:doc
- 大小:63.05 KB
- 文档页数:9
洞身开挖技术交底一、技术交底范围XX岭隧道洞身开挖二、设计情况V级围岩采用单侧壁法开挖,IV级围岩采用台阶法开挖。
单侧壁法开挖顺序为:单侧壁法开挖示意图(1)开挖左上导洞R1;(2)开挖左下导洞R2;(3)开挖右上导洞R3;(4)开挖右下导洞R4。
台阶法开挖示意图台阶法开挖顺序为:(1)开挖上部R1。
(2)开挖下台阶R2。
2、构造、尺寸、限界洞口段V级加强围岩考虑15cni预留变形量,IV级围岩考虑10cm预留变形量。
上表中开挖方量未考虑预留变形量。
此外开挖放线时还需考虑,二衬台车的施工误差5cm。
三、开始施工的条件及施工准备工作1、超前地质预报完成。
2、监控量测数据稳定。
3、需要开挖台架的作业面,开挖台架焊接完成,且验收合格。
4、进场人员经安全教育培训合格,爆破员、安全员取得相应证书。
四、施工工艺1、施工程序施工准备一施工放样一钻孔台车就位一钻孔一清孔、钻孔质量验收一装药、连接起爆网络一爆破一通风一排险一出磕一初喷一支护或临时支护一监控量测一下一循环。
2、施工方法V级围岩采用单侧壁法开挖,IV级围岩采用台阶法开挖。
(1)钻眼1)采用凿岩机钻孔,钻孔直径中42mm,钻眼深度根据围岩等级确定,施工前由技术人员向工班长交底钻眼深度。
2)掏槽眼眼口间距和眼底间距的允许误差为土5cm;辅助眼眼口间距允许误差为土10cm;周边眼眼口位置允许误差为土5cm,眼底不得超出开挖断面轮廓线15cm。
3)当开挖面凹凸较大时,应按实际情况调整炮眼深度及装药量,使周边眼和辅助眼眼底在同一垂直面上。
4)钻眼完毕,检查炮眼布置并做好记录,对不合格的炮眼进行重钻。
5)钻孔作业应定人定岗,尤其是左右侧周边眼钻工不宜变动。
(2)装药1)炸药采用乳化炸药,装药前安全员、工班长、领工员对装药开挖工作面附近及炮眼等进行全面检查,对检查出的问题及时处理。
2)清孔:装药前,采用高压风清除炮眼内的粉尘、积水,防止堵塞,使用高压风时应避免炮眼内飞出的岩粉、岩块等杂物伤人。
一、前言为确保隧道开挖作业过程中的安全,提高施工人员的自我保护意识,现将隧道开挖作业的安全技术要求交底如下,请各施工人员认真学习并严格遵守。
二、隧道开挖作业安全注意事项1. 人员安全(1)所有进入隧道施工区域的人员必须佩戴安全帽、安全带、防尘口罩等个人防护用品。
(2)严禁酒后作业、疲劳作业,确保施工人员精力充沛。
(3)施工现场应设立安全警示标志,提醒施工人员注意安全。
2. 施工设备安全(1)隧道开挖设备必须定期进行保养、维修,确保设备安全可靠。
(2)设备操作人员必须经过专业培训,熟悉设备性能及操作规程。
3. 施工现场安全(1)隧道开挖前,应进行地质勘察,了解隧道地质条件,制定相应的安全技术措施。
(2)隧道洞口应设置安全防护设施,如防护网、警示标志等。
(3)隧道洞内施工时,应保证通风良好,确保施工人员呼吸顺畅。
4. 爆破作业安全(1)爆破作业必须严格按照爆破设计进行,确保爆破效果。
(2)爆破前,应对爆破区域进行清场,确保无人员、设备、材料等障碍物。
(3)爆破作业应由专业人员进行,非专业人员严禁操作爆破设备。
(4)爆破后,应立即对爆破区域进行检查,确认无安全隐患后方可继续施工。
5. 钻眼作业安全(1)钻眼作业前,应检查工作环境的安全状态,确保无安全隐患。
(2)钻眼时,应保持钻眼机稳定,防止发生意外。
(3)用电钻钻眼时,不得用手导引回转的钎子、用电钻处理被夹住的钎子。
(4)不得在残眼中钻眼。
6. 隧道支护安全(1)隧道支护材料应选用合格产品,确保支护效果。
(2)支护作业应严格按照设计要求进行,确保支护结构稳定。
(3)支护作业过程中,应加强监测,发现异常情况及时处理。
三、安全技术交底1. 施工单位应向施工人员详细讲解隧道开挖作业的安全技术要求,确保施工人员掌握。
2. 施工单位应定期组织安全技术培训,提高施工人员的安全意识和操作技能。
3. 施工现场应设立专职安全员,负责现场安全监督和检查。
4. 施工单位应建立健全安全生产责任制,明确各级人员的安全职责。
安全技术交底记录单位:某某二十局总承包公司第二工程总承包公司安全技术交底记录安全技术交底记录(3)开挖工班负责人在每班开工前,应进行班前安全讲话,向作业人员强调安全注意事项。
(4)进入施工现场的所有人员,必须佩戴安全帽、防尘口罩和防护耳塞。
3、隧道开挖(1)开挖人员到达工作地点时、应首先检查工作面是否处于安全状态,并检查支护是否牢固,顶板和两帮是否稳定,如有松动的石、土块或裂缝应先予以清除或支护。
站在渣堆上作业时,应注意渣堆的稳定,防止滑坍伤人。
(2)使用风钻应注意:①风钻钻眼时.,应先检查机身、螺栓、卡套、弹簧和支架是否正常完好;管子接头是否牢固,有无漏风,钻杆有无不直、带伤以及钻孔堵塞现象;湿式凿岩机的供水是否正常;干式凿岩机的辅助设施是否良好。
不合要求者应予修理或更换。
②带支架的风钻钻眼时,必须将支架安置稳妥。
风钻卡钻时应用板钳松动拔出,不可敲打,未关风钻前不得拆除钻杆。
③电钻钻眼应检查把手胶套的绝缘和防止电缆脱落的装置是否良好。
电钻工必须手戴绝缘手套、脚穿绝缘胶鞋,并不得用手导引回转钢钎,不得用电钻处理被夹住的钎子。
④在工作面内不得拆卸、修理风、电钻。
⑤严禁在残眼中继续钻眼。
⑥钻孔台车进洞时要有专人指挥,州真检查道路状况和安全界限、其行走交底签名被交底签名安全技术交底记录交底内容安全技术交底记录交底内容交底签名被交底签名安全技术交底记录施工现场安全施工注意事项:1、施工人员进入施工现场前,必须要进行施工安全、消防知识的教育和考核工作,对考核不合格的职工,禁止进入施工现场参加施工。
2、进入施工现场必须戴好安全帽,系好帽带,并正确使用个人劳动防护用品.3、严格执行操作规程,不得违章指挥和违章作业,对违章作业的指令有权拒绝并有责任制止他人违章作业。
4、施工作业时必须正确穿戴个人防护用品,进入施工现场必须戴安全帽。
不许私自用火,严禁酒后操作。
5、穿拖鞋、高跟鞋、赤脚或赤膊不准进入施工现场。
6、穿硬底鞋不得进行登高作业。
技术交底书因围岩为Ⅳ级砂岩夹页岩,整体性较差,采用直眼掏槽方式,炮孔布置采用矩形布孔,中间辅助4个中空眼(黑色填充),为其它掏槽眼提供补偿空间,详细布置情况见下图掏槽眼布置位置一般布设在断面中间位置,但可根据岩石特性和岩石节理和裂隙情况进行调整。
掏槽眼孔间距根据断面大小及装药量合理调整。
孔深超深20cm左右。
掏槽眼布置图(单位:cm)c.周边眼布设周边眼在采取光面爆破施工时又叫光爆孔,其孔间间距与岩石的特性、炸药种类、岩石节理、裂隙发育程度等有密切关系。
根据经验选择光爆眼孔间距,然后现场试爆进行验证,并逐步分析调整参数,几个循环之后调整到适合现场实际情况的合适参数。
软质岩孔间距a=35~45cm,软质岩孔间距a=35~45cm,中硬岩孔间距a=40~50cm。
本设计暂取a=40cm。
施工时周边孔要有一定的外插角,一般为3~5°,以确保不欠挖并方便下一循环钻爆施工。
光爆层厚度:根据围岩特性,当光爆孔间距确定后,w/a≥1,也就是光爆层厚度大于光爆孔间距,一般在1.1~1.2倍之间。
光爆层厚度E=W=(1.1~1.2)×40cm=50cm。
具体见光爆参数表。
光爆参数表围岩级别周边眼间距E(cm)周边眼抵抗线W(cm)相对距离(E/W)装药集中度(kg/m)Ⅳ40 50 0.8 <0.25e.辅助眼布设N=3.332Sf•=3.3×32288•=61(个)根据库特乌佐夫岩石爆破性分级表系数表Ⅳ及Ⅴ级围岩的岩石构成,取岩石坚固性系数f=8~10,S为隧道开挖断面。
b.掏槽眼形式和布设方案因围岩为Ⅴ级砂岩夹页岩,整体性较差,采用直眼掏槽方式,炮孔布置采用矩形布孔,中间辅助4个中空眼(黑色填充),为其它掏槽眼提供补偿空间,详细布置情况见下图掏槽眼布置位置一般布设在断面中间位置,但可根据岩石特性和岩石节理和裂隙情况进行调整。
掏槽眼孔间距根据断面大小及装药量合理调整。
孔深超深20cm左右。
隧道洞身开挖施工技术交底1 、洞身开挖金盆隧道围岩均为Ⅴ级围岩。
洞身开挖是隧道施工中比较关键的基本作业,采用地质雷达、工作面素描相结合的方法,对开挖面前方地质进行预报,根据预报结果结合地层界限确定开挖方法及施工支护参数。
隧道开挖过程中,采用断面仪直接测定开挖面的面积,控制开挖轮廓,并按设计要求预留变形量。
对洞口浅埋地段或易坍塌的软弱围岩地段,根据设计建议要求采用(中隔壁法)法施工。
进入深埋地段后,围岩相对较稳定时采用三台阶齐步流水法。
当三台阶齐步流水法不能保证施工安全时,立即转为中隔壁法。
紧急停车带采用(DCD法)双侧壁导坑法。
(1)中隔壁法施工①②③ ④ ⑤ ⑥ ⑥ ⑤ ④ ② ③ ①中隔壁洞法施工要求:各部开挖时,周边轮廓尽量圆顺,减小应力集中;各部的底部高程应与钢架接头处一致;每一部的开挖高度为3.5m;后一侧开挖应全断面及时封闭;左右两侧纵向间距一般为30~50m。
其主要工序为:左侧导洞上部超前支护(包括左侧拱墙超前支护和侧壁临时超前支护)→左侧导洞上部开挖→左侧导洞上部初期支护(包括左侧拱墙初期支护和临时侧壁)→左侧导洞下部开挖→左侧导洞下部初期支护(包括左侧边墙,仰拱和临时侧壁)→右侧导洞上部超前支护(包括右侧拱墙超前支护和侧壁临时超前支护)→右侧导洞上部开挖→右侧导洞上部初期支护(包括右侧拱墙初期支护和临时侧壁、仰拱)→右侧导洞下部开挖→右侧导洞下部初期支护(包含侧壁临时支护及仰拱初期支护)→施工仰拱→拆除临时支承→防水层及二次衬砌施工。
(2) (DCD)双侧壁导坑法②① ③ ① ③ ② ①开挖循环进尺控制在0.75~1.0米, 其主要工序为:左侧导洞上部超前支护(包括左侧拱墙超前支护和侧壁临时超前支护)→左侧导洞上部开挖→左侧导洞上部初期支护(包括左侧拱墙初期支护和临时侧壁)→左侧导洞下部开挖→左侧导洞下部初期支护(包括左侧边墙,仰拱和临时侧壁)→右侧导洞上部超前支护(包括右侧拱墙超前支护和侧壁临时超前支护)→右侧导洞上部开挖→右侧导洞上部初期支护(包括右侧拱墙初期支护和临时侧壁、仰拱)→右侧导洞下部开挖→右侧导洞下部初期支护(包含侧壁临时支护及仰拱初期支护)→中央部上部超前支护→拆除中央部上部相关侧壁临时支护,开挖中央部上部→中央部上部初期支护→拆除中央部下部相关临时支护,开挖中央部下部→仰拱施工→防水层及二次衬砌施工。
包头至茂名国家高速公路湖南省吉首至怀化第四合同段龙子康隧道洞身开挖施工技术交底中交第四公路工程局有限公司吉怀高速公路第4合同段项目经理部二00九年五月一、工程概况龙子康位于凤凰县吉信镇锡坪村内,是一座上、下行合建的四车道连拱高速公路隧道。
隧道的中心桩号为K19+198,隧道长475m,洞轴线呈约206度方向展布,最大埋深54米,隧道净空:2х10.75х5.0米,隧道平面位于半径为1600米右偏圆曲线上,隧道内灯光照明,自然通风。
隧道纵坡为2.5%和-0.3%的人字坡。
隧道进口为削竹式洞门,出口为端墙式洞门。
隧道区属构造溶蚀峰丛洼地地貌,区内溶蚀沟谷呈枝丫状、网状发育。
隧道区内地下水为空隙滞水及基岩裂隙水,水量不大,本区新构造运动不明显,地震基本烈度小于VI度。
隧道围岩分类为Ⅲ、Ⅳ和Ⅴ级围岩,其中Ⅲ级围岩段长度为180m,Ⅳ级围岩段长度为220m,Ⅴ级围岩段长度为75m。
隧道围岩分级如下表:隧道围岩分级表二、施工进度计划及人力、机械使用计划;2.1本工程计划于2009年6月20日开工,2010年9月20日完工,共计14月。
隧道洞身开挖进度计划表2.2人力、机械使用计划2.2.1管理人员名单:技术负责人:夏颂军现场负责人:于会滨现场技术负责人:葛立辉、徐星兰志忠测量负责人:曾伟胜质检负责人:张干安全负责人:张英才试验负责人:李顺堂材料负责人:李金兰后勤负责人:颜赛丰2.2.2作业人员投入计划:龙子康隧道洞身开挖投入3个作业组,共计投入作业人员52人。
2.2.3施工机械设备情况:三、施工方案3.1施工方法隧道以“新奥法”进行施工,隧道施工总体上拱部采用光面爆破,边墙采用预裂爆破,加强监控量测信息化管理以提供参考并指导施工,隧道可能与已知或推测的断层相遇,施工过程中要充分的重视,如遇到应视断层带宽度、交角、胶结情况认真分析,及时汇报,以便及时采取对策。
开挖施工总原则:尽量减少对围岩的扰动,尽可能的利用围岩整体的自承能力。
xxxx隧道洞身开挖施工技术交底一、交底范围xxxx隧道洞身开挖的施工技术。
二、工序流程图主要工序为:施工准备、布置炮眼;各台阶钻研、装药、爆破→排烟、排险、降尘;除砟;开挖质量检查;下循环开挖开始。
详细见下图钻爆开挖工艺流程图。
三、施工步骤及方法1、总体方案本隧道围岩级别有Ⅱ、Ⅲ、Ⅳ、Ⅴ级围岩,其中YK15+280~YK15+310已变更设计为Ⅲ级围岩,现场已施做开挖至YK15+298,剩余里程段为Ⅱ、Ⅲ、Ⅳ级围岩,采用全段面法、中隔壁法及交叉中隔壁法施工,施工工序横断面如下图:全断面开挖法(1)采用全断面一次开挖成形的施工方法,施工步骤参见下图。
全断面法施工横断面及纵断面示意图(2)施工顺序说明:全断面开挖;初期支护;全断面二次衬砌。
(3)施工要点:循环进尺宜控制在3~4m。
采用大型机械配套作业;超前开挖导洞时,应控制好开挖距离。
中隔壁法(CD法)中隔壁法(CD法)施工工序横断面及纵断面示意图(1)CD法是在软弱围岩大跨度隧道中,先分部开挖隧道的一侧,并施作中隔壁,然后再分部开挖另一侧的施工方法。
(2)施工顺序说明:开挖左侧导洞→左侧导洞初期支护及中隔墙→开挖右侧导洞→右侧导洞初期支护下部支护→铺设洞身环向防水板及盲沟,整体灌注二衬砼。
(3)施工要点①中隔壁法施工时,初期支护完成后方可进行下一分部开挖,各部开挖时,周边轮廓应尽量圆顺;应在先开挖侧喷射混凝土强度达到设计要求后再进行另一侧开挖;当开挖形成全断面时,应及时完成全断面初期支护闭合。
②导坑开挖孔径及台阶高度可根据施工机具、人员等安排进行适当调整。
应配备适合导坑开挖的小型机械设备,提高导坑开挖效率。
③中隔壁的拆除应滞后于仰拱,并应于围岩变形稳定后才能进行,一次拆除长度应根据量测数据慎重确定,拆除后应立即施作二次衬砌。
交叉中隔壁法(CRD法)(1)CRD法是在软弱围岩大跨度隧道中,先分部开挖隧道一侧,施作中隔壁和横隔板,再分部开挖隧道另一侧并完成横隔板施工的施工方法。
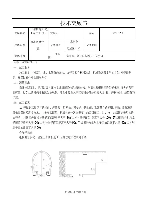
技术交底书交底单位三南铁路工程I标二分部交底人编号12201314交底内容隧道洞身开挖交底地点重庆市万盛区1标交底时间交底对象工程部、安质部、架子队技术贝、安全贝一、施工准备施工准备:包括风、水、电管路的连接,锚杆及其它材料准备,机械设备及小型机具的检查保养等,确保钻孔作业的顺利进行二、测量划线在开挖断面上,采用油漆将开挖设计断面的轮廓线画出来。
测量时要根据围岩的变化情况考虑预留沉落量,以免二次衬砌时出现欠挖现象。
测量中线及水平标高时必须进行换人复核,严格控制中线位置和标高。
三、施工工艺1、开挖施工遵循“管超前、严注浆、短开挖、强支护、快封闭、勤测量”的原则。
暗挖段隧道采用光面爆破及湿喷技术,并按仰拱超前,拱墙衬砌一次立模灌注的原则施工。
川、w、v级围岩采用台阶法开挖,川级围岩仰拱与掌子面的距离不大于90m二衬与掌子面的距离不大于120m IV级围岩仰拱与掌子面的距离不大于50m二衬与掌子面的距离不大于90m V级围岩仰拱与掌子面的距离不大于35m二衬与掌子面的距离不大于70m台阶开挖法根据围岩状况,确定上台阶长度L,台阶法施工程序见下图台阶法开挖顺序图I...*!2、钻爆设计装药前,所有炮眼全部用高压风吹洗;严格按爆破设计的装药结构和药量施作严格按设计的联接网络实施,控制导爆索连接方向和连接点牢固性。
(6)钻爆计算1)川级围岩上台阶爆破参数设计a.炮孔的数目估算o / 2 3 23f ?S=x 15?28 =75 (个)N=根据库特乌佐夫岩石爆破性分级表及三级围岩的岩石构成,取岩石坚固性系数f=10〜15, S为隧道开挖断面。
b.掏槽眼形式和布设方案因围岩为III级砂岩夹页岩,可爆性较差,选择采用楔形掏槽方式,炮孔布置采用矩形布孔,中间辅助4个中空眼(黑色填充),为其它掏槽眼提供补偿空间,详细布置情况见下图掏槽眼布置位置一般布设在断面中间位置,但可根据岩石特性和岩石节理和裂隙情况进行调整。
掏槽眼孔间距根据断面大小及装药量合理调整。
一、前言为确保隧道洞身开挖施工过程中的安全,防止安全事故的发生,现将隧道洞身开挖安全技术要求进行交底。
所有参与隧道洞身开挖的施工人员必须严格遵守以下安全规定。
二、隧道洞身开挖基本要求1. 施工前,应进行详细的地质勘察,了解洞身地质情况,为洞身开挖提供依据。
2. 洞身开挖前,必须做好排水、通风、照明等准备工作,确保施工环境安全。
3. 洞身开挖应遵循自上而下、分段开挖的原则,每段开挖长度不宜过长,确保施工安全。
4. 洞身开挖过程中,应密切关注围岩稳定性,如发现围岩失稳、变形等异常情况,应立即停止开挖,采取应急措施。
三、隧道洞身开挖安全技术措施1. 钻眼作业(1)钻眼前,应检查工作环境的安全状态,确保无安全隐患。
(2)钻眼时应佩戴安全帽、防尘口罩等防护用品。
(3)凿岩机支架应稳固,保持钻眼机具与围岩的距离,防止设备损坏。
(4)不得在残眼中钻眼,以防发生安全事故。
2. 爆破作业(1)爆破作业必须按照现行国家标准《爆破安全规程》(GB6722)执行。
(2)爆破前,应对爆破区域进行安全检查,确保无人员、设备等障碍物。
(3)爆破后,应立即进行现场检查,确认无安全隐患后方可继续施工。
(4)爆破作业现场应设置警戒区域,并配备足够的安全员进行警戒。
3. 边坡支护(1)洞身开挖过程中,应根据地质情况采取相应的支护措施。
(2)支护材料应符合设计要求,施工质量应满足规范标准。
(3)支护施工过程中,应确保支护结构稳定,防止因支护不当导致安全事故。
4. 通风、排水(1)洞身开挖过程中,应确保通风、排水设施正常运行。
(2)通风、排水设施应定期检查、维护,确保其性能稳定。
(3)施工过程中,应密切关注洞内空气质量,确保施工人员呼吸新鲜空气。
四、隧道洞身开挖安全注意事项1. 施工人员必须接受安全技术培训,了解隧道洞身开挖的安全知识。
2. 施工过程中,应严格遵守操作规程,不得违章作业。
3. 施工人员应佩戴安全防护用品,如安全帽、防尘口罩、防尘手套等。
洞身开挖安全技术交底一、工程概述本次洞身开挖工程位于_____,隧道全长_____米,设计为_____类型的隧道。
洞身穿越的地质条件较为复杂,包括_____等。
为确保洞身开挖施工的安全,特进行本次安全技术交底。
二、施工准备1、技术准备施工前,应熟悉施工图纸和相关技术规范,制定详细的施工方案,并向施工人员进行技术交底。
对洞身地质情况进行详细的勘察和分析,预测可能出现的地质灾害,并制定相应的应对措施。
2、人员准备配备足够的施工人员,包括钻孔工、爆破工、支护工、出渣工等,并确保所有人员均经过专业培训,具备相应的资质和技能。
设立专门的安全管理人员,负责施工现场的安全监督和管理工作。
3、设备准备准备好洞身开挖所需的机械设备,如钻孔台车、装载机、挖掘机、自卸汽车等,并确保设备性能良好,运行正常。
配备必要的安全防护设备,如安全帽、安全带、安全网、防护眼镜等,并确保施工人员正确佩戴和使用。
三、施工方法及安全注意事项1、钻孔钻孔前,应先检查钻孔设备的性能和安全性,确保设备完好无损。
钻孔时,操作人员应严格按照操作规程进行操作,控制好钻孔的角度和深度,避免出现偏差。
严禁在钻孔过程中进行修理和维护设备,如需修理和维护,应先停机并切断电源。
2、爆破爆破作业必须由具备爆破资质的专业人员进行操作,并严格遵守《爆破安全规程》。
在进行爆破前,应制定详细的爆破方案,并报有关部门审批。
对爆破器材的运输、储存和使用应严格管理,确保爆破器材的安全。
爆破时,应设置好警戒区域,确保人员和设备撤离到安全距离以外。
爆破后,应等待规定的时间,待烟尘散尽,经安全检查人员确认安全后,方可进入施工现场。
3、出渣出渣前,应先检查出渣设备的性能和安全性,确保设备完好无损。
出渣时,应按照规定的路线行驶,严禁超速、超载和违规作业。
在出渣过程中,应注意观察周围环境,避免与其他设备和人员发生碰撞。
4、支护支护应紧跟开挖工作面,及时进行支护,确保围岩的稳定性。
支护材料的质量和规格应符合设计要求,严禁使用不合格的支护材料。
一、交底目的为确保隧道洞身开挖施工过程中的安全,预防事故发生,提高施工人员的安全意识,特制定本安全技术交底。
二、工程概况1. 工程名称:_______隧道工程2. 施工单位:_______公司3. 施工地点:_______4. 施工内容:隧道洞身开挖5. 施工工期:_______三、施工安全要求1. 人员配备:施工队伍必须配备足够数量的熟练施工人员,并进行安全教育培训,确保人人掌握安全操作规程。
2. 施工方案:根据隧道地质条件和设计要求,制定详细的施工方案,包括开挖方式、支护措施、监测监控等。
3. 安全防护:- 施工现场应设置明显的安全警示标志。
- 人员进入施工现场必须佩戴安全帽、安全带等防护用品。
- 高处作业时,必须系好安全带,并采取防坠落措施。
4. 机械设备:- 机械设备必须经过检验合格,并在使用前进行安全检查。
- 机械设备操作人员必须经过培训,并取得操作资格。
5. 爆破作业:- 爆破作业必须按照爆破设计进行,并严格按照爆破规程执行。
- 爆破前应进行安全检查,确保周围环境安全。
- 爆破后,应立即进行通风排烟,确认安全后方可进入作业面。
四、施工技术要点1. 开挖方式:- 根据围岩级别和设计要求,选择合适的开挖方式,如台阶法、全断面开挖等。
- 开挖过程中,应严格控制开挖断面尺寸和形状,确保支护结构受力合理。
2. 支护措施:- 根据围岩条件,选择合适的支护形式,如锚杆、喷射混凝土、钢架等。
- 支护材料必须符合设计要求,并经过检验合格。
3. 监测监控:- 建立监测监控系统,实时监测围岩变形和支护结构受力情况。
- 发现异常情况,应立即采取措施进行处理。
4. 施工顺序:- 严格按照施工方案和设计要求进行施工,确保施工顺序合理。
五、应急处置1. 事故报告:发生安全事故时,应立即向有关部门报告,并采取应急措施。
2. 救援措施:根据事故情况,制定相应的救援措施,确保人员安全。
3. 善后处理:事故发生后,应做好善后处理工作,包括事故调查、责任追究等。
隧道开挖技术交底技术交底记录一、隧道洞身开挖的施工原则施工过程中严格遵循“管超前,严注浆,短开挖,强支护,早封闭,弱爆破,勤量测”的施工原则。
管超前——在围岩破碎及断层带工作面开挖前,沿隧道拱部周边按设计打入超前小导管,以架立的型钢架为支点,起超前作用。
严注浆——在打超前小导管后注浆加固地层,使松散、软弱的围岩胶结成整体,增强围岩的自稳能力,和超前小导管一起,形成纵向超前支护体系,防止工作面失稳。
短开挖——围岩条件较差时,每次开挖循环进尺要短,开挖和支护时间尽可能缩短,进尺小于1米。
强支护——采用钢拱架和喷混凝土进行早期支护。
早封闭——开挖后初期要尽早封闭成环,以改善受力条件,当总收敛值达80%以上,尽早进行二次衬砌,增加后续工程施工的安全性。
弱爆破——开挖过程中严格控制炸药量,减少爆破震动干扰。
勤量测——量测是对施工过程中围岩及结构变化情况进行动态跟踪的主要手段,做到随时掌握动态数据及时回归分析及时反馈,以量测指挥施工。
二、Ⅴ级围岩SF5d1型衬砌施工方法本隧道采用新奥法原理指导,软弱围岩、断层破碎带范围施工时坚持遵循“管超前、严注浆、弱爆破、短进尺、强支护、快封闭、勤量测”的施工原则。
严格控制超欠挖是降低成本、保证施工质量的关键,也是本隧道施工的重点控制工序。
根据设计图纸中相关的施工建议,Ⅴ级围岩主洞段(SF5d1型衬砌)采用三台阶七步开挖法进行施工(短台阶),必要时设置临时仰拱。
每循环进尺不得大于一榀钢架间距,施工时以监控量测结果指导施工,根据监控量测成果调整预留沉降量,合理调整阶长、阶高、和步距,保证流水作业,施工中应及时封闭仰拱,初期支护成环时间不宜超过15天,二衬应紧跟,同时二衬达不到设计强度时严禁拆模。
掌子面距仰拱距离控制不大于40米,掌子面至二衬距离不大于70米,保证施工安全。
施工主要步骤如下①、上弧形导坑开挖Ⅰ、拱部初期支护:②③、中台阶左右侧交错开挖○Ⅱ、中台阶初期支护:④⑤、下台阶左右侧交错开挖○Ⅲ、下台阶初期支护:⑥、核心土开挖○⑦、仰拱开挖Ⅳ、仰拱初期支护○第1步:上部弧形导坑开挖,在拱部超前支护后进行,环向开挖上部弧形导坑,预留核心土,核心土面积不小于整个断面面积的50%,开挖循环进尺0.5~0.6m,台阶长度2~3m,开挖后及时进行喷、锚、网系统支护和架设钢架。
隧道洞身开挖安全技术交底分部(分项)工程安全技术交底记录表洞身开挖安全技术交底二.全断面法开挖1.采用全断面法开挖隧道时,应控制一次同时起爆的炸药量,减少爆破震动对围岩的影响。
2.在地质条件较差地段采用全断面法开挖隧道时,必须对围岩进行超前支护或预加固,并控制循环进尺。
3?当隧道地质条件发生变化时,必须根据情况及时变换适宜的开挖方法。
4.隧道开挖爆破后应先采用机械进行找顶,然后用人工找顶。
三.台阶法开挖1.采用台阶法开挖隧道时,应根据围岩条件,合理确定台阶长度和高度。
围岩稳定性较差时,台阶长度应控制在一倍洞径。
2.当围岩地质较差、开挖工作面不稳定时,应采用短进尺或上下台阶错开开挖或预留核心土措施,必要时采用喷射混凝土或玻璃纤维锚杆对开挖工作面进行加固。
3.台阶上部开挖循环进尺应根据围岩地质条件和初期支护钢架间距合理确定,并不得超过1.5m.4.当围岩地质较差、变形较大时,上部断面开挖后应立即施作锁脚锚杆、扩大拱脚、临时仰拱等措施,控制围岩及初期支护变形量。
5.台阶下部断面一次开挖长度应与上部断面相同,不得超过1.5m。
6.台阶下部开挖后,必须及时喷射混凝土进行封闭;当设有钢架时,必须及时安装下部钢架并喷射混凝土,严禁拱脚长时间悬空。
7.仰拱开挖应控制一次开挖长度,开挖后应立即施作初期支护,封闭成环。
四.分部法开挖1.采用分部法开挖隧道时,应选用机械开挖、人工配合的方式,特殊情况采用弱爆破开挖时,必须严格控制炸药用量。
2.采用分部法开挖隧道时,应根据地质条件、隧道断面等情况合理进行分部,开挖进尺应控制1.0m以内。
3.分部开挖的各部,开挖后应及时进行初期支护及临时支护,并尽早封闭成环。
4.采用分部法开挖,各部钢架基脚处应施作锁脚锚管(杆)或采用扩大拱脚等措施,减少拱脚下沉量。
5.采用中隔壁法、交叉中隔壁法开挖隧道时,同层左、右两侧沿纵向应错开一定距离,错开距离应控制在10-15m范围内,同侧上、下层开挖工作面相距应保持3-5m。
技术交底(三级)
承包单位:XXXXXXXXXXXXXXX有限公司合同号:XXXX 监理单位:XXXXXXXXXXXXXXX有限公司编号:
隧道洞身开挖施工技术交底
V加强环形预留核心土施工工序图
注:施工顺序
1:上台阶环形开挖-II:上台阶拱部初期支护-3:上台阶核心土-4:下台阶左侧开挖-V:下台阶
左侧初期支护-6:下台阶右侧开挖-VII:下台阶右侧初期支护-8:下台阶核心土开挖-IX:下台阶仰拱初期支护-X仰拱浇筑-XI二次衬砌整体浇筑
V浅和IV加强均采用台阶法施工,循环进尺控制在2.4m内,详见“隧道台阶法施工工序图”
隧道台阶法施工工序图
注:施工工序
本表由施工单位编制并保存(一式两份。
接受交底人一份、交底人一份)。