等电位联结安装02D501-2.pdf
- 格式:pdf
- 大小:682.47 KB
- 文档页数:5
等电位联结连接安装图解在电气安全技术不断地发展和更新的进程中,人们注意到,大量电气事故,是由过大的电位差引起的,为防止因此而导致的种种电气事故,20世纪1960年起,国际上推广“等电位联结”安全技术的应用。
现在,新建建筑物中,基本上都采用了等电位联结。
国际上,非常重视等电位联接的作用,它对用电安全、防雷以及电子信息设备的正常工作和安全使用,都是十分必要的。
根据理论分析,等电位联接作用范围越小,电气使用就越安全。
等电位联结分为:总等电位联结(MEB)和局部等电位联结(LEB) 。
国家建筑标准设计图集《等电位联结安装》(02D501-2),对建筑物的等电位联结,具体做法作了详细介绍。
总等电位联结做法,是通过每一进线配电箱近旁的总等电位联结母排,将下列导电部分互相连通:进线配电箱的PE(PEN)母排、公用设施的上、下水、热力、煤气等金属管道、建筑物金属结构和接地引出线。
它的作用在于降低建筑物内间接接触电压和不同金属部件间的电位差,并消除自建筑物外经电气线路和各种金属管道引入的危险故障电压的危害。
局部等电位联结做法,是在一个局部范围内,通过局部等电位联结端子板,将下列部分,用6mm2黄绿双色塑料铜芯线互相连通:柱内墙面侧钢筋、壁内和楼板中的钢筋网、金属结构件、公用设施的金属管道、用电设备外壳(可不包括地漏、扶手、浴巾架、肥皂盒等孤立小物件)等。
一般是在浴室、游泳池、喷水池、医院手术室、农牧场等场所采用。
要求等电位联结端子板与等电位联结范围内的金属管道等金属末端之间的电阻不超过3Ω。
1999年6月开始实行的新的建设部《住宅设计规范》中,有一项条款:城镇新建住宅中的卫生间,宜做等电位连接。
专家通俗的解释是:浴室等电位连接,就是保护你不会在洗澡的时候被电击。
电热水器、坐浴盆、电热墙,浴霸,以及传统的电灯,……,都有漏电的危险,电气设备外壳,虽然与PE线联结,仍可能会出现足以引起伤害的电位,发生短路、绝缘老化、中性点偏移或外界雷电,而导致浴室出现危险电位差时,人受到电击的可能性非常大,倘若人本身有心脑方面的疾病,后果更严重。
等电位联结安装等电位联结(Grounding)是指将电路或设备的任何一个部分与地球连接起来,以减少电压差、保护设备和人身安全的一种措施。
等电位联结通过提供一条低阻抗的路径,将电流通过地球将其返还电源,避免了电流通过人体或其他设备的情况发生。
在等电位联结安装中,首要考虑的是确保联结的可靠性和安全性。
在电力系统中,通常会有一个主要的地线,即大地线(Earth)或建筑物的接地系统。
该系统通常由导电材料(如铜或铝)构成,埋入地下或与建筑的金属结构连接。
在低电压的设备中,可使用接地引线将设备的外壳或底座联接到地线上。
等电位联结的主要目的是保护人身安全和设备的正常运行。
当设备连接到地线时,任何非预期的电流都会通过地面返还给电源,而不会对人体造成伤害。
此外,等电位联结还可以减少设备的电磁干扰,提供良好的信号引用。
在安装等电位联结时,需要注意以下几点:1. 选择合适的地线:地线的导电性能应符合标准规定,并经过合适的测试,以确保其具有足够的导电能力。
2. 确保良好的接触:地线与设备的连接应牢固可靠,以确保良好的接触。
3. 避免电流回流:必要时,应安装接地断路器或接地切断开关,以避免电流回流或电击发生。
4. 防止地线干扰:在一些特殊情况下,需要通过屏蔽、绝缘或其他技术手段来防止地线对设备信号的干扰。
总之,等电位联结是电气设备安装中非常重要的一环。
它不仅可以保护人身安全,还能提供电路的稳定引用,并减少电磁干扰。
在安装等电位联结时,我们必须确保接地系统的可靠性和安全性,并遵守相关的安全规范和标准。
只有这样,我们才能有效地保护设备和人员,并保证电气系统的正常运行。
等电位联结(Grounding)是电气工程中非常重要的安全措施之一。
它通过将电路或设备连接到地球,以形成一个共享电位的环境,从而减少或消除电压差,确保设备和人员的安全。
在等电位联结安装中,我们通常遵循一些基本原则和步骤,以确保联结的可靠性和安全性。
首先,我们需要选择正确的地线材料。
建筑设备安装工程隐蔽验收记录根根行联结。
注:该记录由施工项目专业质量检查员填写,监理工程师(建设单位项目技术负责人)组织项目专业技术负责人等进行验收。
记录时应首先说明是否按设计图号施工,如有设计变更应立即在备用竣工图纸上用红色文字注明变更情况或绘制变更补充图;凡有、无设计变更,监理(建设)单位的旁站监督人均应在备用竣工图号上签字认可后,才能办理该部位隐蔽验收手续。
隐蔽验收时,必须严格按国家施工质量验收规范的主控项目,一般项目的内容要求全数检查,凡有不合格处必须当即整改达到合格后才能办理隐蔽验收手续。
检查评定结论必须语言规范,并针对主控项目、一般项目的内容要求,填写真实可靠的结果或结论。
根根行联结。
注:该记录由施工项目专业质量检查员填写,监理工程师(建设单位项目技术负责人)组织项目专业技术负责人等进行验收。
记录时应首先说明是否按设计图号施工,如有设计变更应立即在备用竣工图纸上用红色文字注明变更情况或绘制变更补充图;凡有、无设计变更,监理(建设)单位的旁站监督人均应在备用竣工图号上签字认可后,才能办理该部位隐蔽验收手续。
隐蔽验收时,必须严格按国家施工质量验收规范的主控项目,一般项目的内容要求全数检查,凡有不合格处必须当即整改达到合格后才能办理隐蔽验收手续。
检查评定结论必须语言规范,并针对主控项目、一般项目的内容要求,填写真实可靠的结果或结论。
必须严格按国家施工质量验收规范的主控项目,一般项目的内容要求全数检查,凡有不合格处必须当即整改达到合格后才能办根根行联结。
注:该记录由施工项目专业质量检查员填写,监理工程师(建设单位项目技术负责人)组织项目专业技术负责人等进行验收。
记录时应首先说明是否按设计图号施工,如有设计变更应立即在备用竣工图纸上用红色文字注明变更情况或绘制变更补充图;凡有、无设计变更,监理(建设)单位的旁站监督人均应在备用竣工图号上签字认可后,才能办理该部位隐蔽验收手续。
隐蔽验收时,必须严格按国家施工质量验收规范的主控项目,一般项目的内容要求全数检查,凡有不合格处必须当即整改达到合格后才能办理隐蔽验收手续。
等电位联结安装1、总等电位联结(MEB)根据设计要求及国家有关规范规定,将PEN线、进出建筑物的各种金属管道、建筑物的金属结构等可导电部分与总等电位联结端子板连通,总等电位端子板应与柱内主筋焊接。
本工程利用楼配电室内接地端子箱做每楼等电位联结,利用每层楼板内不小于Φ16钢筋焊接成不大于10m×10m的钢筋网,并利用外圈梁形成闭合通路,最后和引下线连接。
等电位联接端子箱和框架柱内对角钢筋采用-100×5mm镀锌扁钢可靠焊接联通。
竖向管导每三层和管导间等电位接地端子板连接。
金属管道的连接处一般不需加接跨接线。
给水系统的水表需加接跨接线,以保证水管的等电位联结和接地的有效。
为避免用煤气管道作接地极,煤气管入户后应插入一绝缘段(例如在法兰盘间插入绝缘板)以与户外煤气管隔离。
为防雷电流在煤气管道内产生电火花,在此绝缘段两段应跨接火花放电间隙,此项工作由煤气公司确定。
相邻近管道及金属结构允许用一根MEB线连接。
MEB线采用-40×4mm镀锌扁钢与各种管道的连接宜采用抱箍压接。
抱箍与管道接触处的接触表面须刮试干净,安装完毕后刷防护漆。
抱箍内经等于管道外经,其大小依管道大小而定。
等电位联结安装完毕后应进行导通性测试,测试用电源可采用空载电压为4~24V的直流或交流电源。
测试电流不应小于0.2A。
当测得等电位联结端子板与等电位联结范围内的金属管道等金属体末端之间的电阻不超过3Ω时,可认为等电位联结是有效的。
如发现导通不良的管道连接处,应作跨接线。
二、局部等电位联结(LEB)根据设计要求浴室、通风空调设备机房做局部等电位联结,从楼变配电室内接地端子箱引出五根-40×4mm镀锌扁钢分别去强、弱电竖井并作为接地干线。
LEB线除明者外,均采用25×4镀锌扁钢在室内周围的地面内或墙内暗敷。
在室内相应位置预留出50mm长LEB线明露,且留有φ6mm的圆孔。
连接线采用4mm²铜线,铜线与管道接触处的接触表面须刮试干净,安装完毕后刷防护漆。
等电位联结安装?〔97SD567〕国标图的修编目前,我国许多新修订的标准、标准逐步同国际电工标准〔IEC标准〕接轨。
等电位联结在电气设计中,是一种行之有效的平安措施,早已为国际上许多国家所采用。
我国对等电位联结的作用在认识上也有了长足的进步,1997年编制的?等电位联结安装?提出了一些根本做法,自试用以来收到了施工过程中对许多实际问题的反映,特别是信息技术的迅猛开展,对防雷、接地、等电位有了更高的要求,因此我们参考国际、国内的新标准、新做法对原标准图97SD567作了修编,新的图集号是02D501-2,下面主要对新图册做一些说明1 等电位联结的分类笔者在编制97SD567时,曾对"等电位联结"和"等电位连接"分析比拟,决定本图册采用"等电位联结"这一名称,但现实工作中,这两个词往往还混淆不清,在此想强调一下,任何标准、标准要想正确的贯彻执行,必须要有标准的名称,具体分析见"浅谈?等电位联结安装?标准图的编制"〔?现代建筑电气设计技术文集?第233页。
在总说明中,把等电位联结分为三个层次,即总等电位联结,辅助等电位联结,局部等电位联结分别作了详细说明。
总等电位联结作用于全建筑物,由等电位联结端子板放射连接或链接进出建筑物的金属管道、金属构造构件等。
辅助等电位联结是在导电局部间,用导线直接连通,使其电位相等或接近,一般是在电气装置的某局部接地故障保护不能满足切断回路的时间要求时,作辅助等电位联结。
局部等电位联结是在一局部场所范围内通过局部等电位联结端子板把各可导电局部连通,一般是在浴室、游泳池、医院手术室、农牧业等特别危险场所,发生电击事故的危险性较大,要求更低的接触电压,或为满足信息系统抗干扰的要求,一般局部等电位联结也都有一个端子板或者连成环形。
简单地说,局部等电位联结可以看成是在这局部范围内的总等电位联结。
其区别可借助图集第6页图理解。
等电位联结的施工方法本工程采用等电位联结,将用电设备外壳导电部分进行等电位连结,可以减少它们之间可能出现的危险电位。
等电位的施工应按照图集《等电位联结安装》(02D501-2)进行。
(1) 等电位联结的分类等电位联结的分类主要有:总等电位联结、辅助等电位联结、局部等电位联结。
(2) 各类等电位接地的应用1)总等电位联结(MEB)a. 总等电位联结的作用在于降低建筑物内间接接触电压和不同金属部件间的电位差,并消除自建筑物外经电气线路和各种金属管道引入的危险故障电压的危害,它应通过进线配电箱近旁的总等电位联结端子板(接地母排)将下列导电部分互相连通:·进线配电箱的PE(PEN)母排;·公用设施的金属管道,如上、下水、热力、煤气等管道;·建筑物金属结构;b. 总等电位联结板应按照设计要求的材料品种和规格选用,一般应设置在配电间内,其他需要联结的可导电部分可采用镀锌扁钢暗敷在结构内或采用导线穿管敷设。
2)辅助等电位联结(SEB)将两导电部分用导线直接作等电位联结,使故障接触电压降至接触电压限值以下,称作辅助等电位联结。
辅助等电位联结是在伸臂范围内的某些外露可导电部分与装置外可导电部分之间再用导线附加连接,以降低其间的电位差。
3)局部等电位联结(LEB)在一局部场所范围内将多个可导电部位连通,称作局部等电位联结。
卫生间、医院手术室等场所对防电击的特殊要求时应进行局部等电位联结。
应连接下列部分:· PE 母线或干线;·公用设施的金属管道;·建筑物金属结构。
(3) 等电位联结线规格和等电位联结端子板的选用等电位联结线和等电位联结端子板宜采用铜质材料。
等电位联结线的截面见下表。
联结线的截面注:×局部场所内最大PE 线截面。
××不允许采用无机械保护的铝线。
采用铝线时,应注意保证铝线连接处的导通性。
防雷等电位联结线的最小截面2)等电位联结端子板应按照设计选用,应结合等电位联结点选用。
卫生间的等电位连接问题施工时卫生间的等电位连接问题(施工时)浏览765 次卫生间的等电位连接问题(施工时)卫生间属潮湿场所,是电击事故的多发区,对自卫生间外部传导来的电位引起的电机事故只能借实施局部等电位来防范。
结合工程实践,对建筑施工中存在的17种认识和施工上的误区进行了分析。
误区一:卫生间用电器具已经通过PE线接地,并有漏电保护器保护,所以器具无须做局部等电位联结。
局部等电位联结和漏电保护器是两种不同的安全保护措施,不能互相代替。
误区二:《等电位联结安装》(02D501-2)第16页中,LEB线均采用BVR1*4mm导线在地板内或墙体内穿管暗敷,可是卫生间有的插座PE线才用BV-1*2.5mm2,违反了PE支线不得大于干线的规定。
等电位与接地是两个不同的概念,PE线是接地,LEB线接的也可以是地,也可以不是地,只要让卫生间处于同一电位即可。
卫生间插座内的PE线可能会带上危险电位,这时就通过LEB对该电位进行钳制。
可见LEB线并非是PE支线。
其实LEB线也可用BVR-1*2.5mm2导线穿塑料管暗设。
02D501-2第5页的表一提供了等电位联结线截面的选择标准,其中对局部等电位联结线是这样说明:一般值为不小于0.5倍PE线截面,最小值在有机械保护时为2.5mm2铜线。
施工人员应根据设计要求进行施工。
误区三:混凝土本身不导电,所以不必对里面的钢筋网络进行焊接。
干燥的混凝土是电的不良导体,电阻率较大,但是混凝土在施工过程中,硅酸盐与水形成导电性的盐基性溶液而且加入了较多的水分,成形后结构中密布着很多大大小小的毛细孔洞,因此会储存一些水分。
浴室是潮湿场所,其中的水分、湿气通过毛细血管作用吸入混凝土中,使混凝土总是保持一定的湿度。
这时的混凝土就成了较好的导电物质,电阻率只有100~200Ω.m。
所以在浴室内对混凝土里面的钢筋进行焊接可以有效的保证地面的等电位。
误区四:卫生间底板钢筋网格只要焊通即可,不必焊成不大于0.6*0.6m的网格。
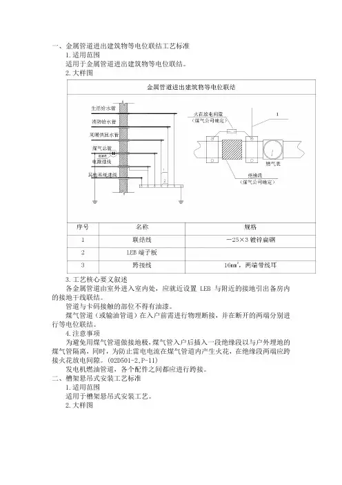
一、金属管道进出建筑物等电位联结工艺标准1.适用范围适用于金属管道进出建筑物等电位联结。
2.大样图3.工艺核心要义叙述各金属管道由室外进入室内处,应就近设置LEB 与附近的接地引出备房内的接地干线联结。
管道与卡码接触的部位不得有油漆。
煤气管道(或输油管道)在入户前需进行物理断接,并在断开的两端分别进行等电位联结。
4.注意事项为避免用煤气管道做接地极,煤气管入户后插入一段绝缘段以与户外埋地的煤气管隔离,同时,为防止雷电电流在煤气管道内产生火花,在绝缘段两端应跨接火花放电间隙。
(02D501-2,P-11)发电机燃油管道,各个配件之间都应进行跨接。
二、槽架悬吊式安装工艺标准1.适用范围适用于槽架悬吊式安装工艺。
2.大样图3.尺寸标准1)支吊架间距宜为1500mm。
2)刚性支架的设置位置:槽架的首/末端、转角/三通分支处、直线段每30m 处。
3)支吊架材料选用标准4.工艺核心要义叙述A、B、C:不同宽度的槽架选用不同的支吊架形式。
D:刚性支架形式。
走廊、通道等部位在布置槽架时,应在一侧预留大于等于300mm的空间用于检修。
5.注意事项金属线槽不应作为设备的接地导体,当设计无要求时,金属线槽全长不少于2处与PE或PEN线干线连接。
镀锌线槽间的连接板的两端不跨接接地线,但连接板两端不少于2个防松螺帽或防松垫圈的连接固定螺栓。
三、槽架沿墙安装工艺标准1.适用范围槽架沿墙安装工艺。
2.大样图3.尺寸标准1)H=(W+100)×60%2)支架材料选用标准:A:沿墙垂直安装线槽宽度小于300 时采用40×4 扁钢;大于等于300 时采用40×4 角钢;B:沿墙水平安装4.工艺核心要义叙述同一垂直通道内槽架安装形式应一致。
四、槽架支架接地工艺标准1.适用范围槽架支架接地工艺标准。
2.大样图3.工艺核心要义叙述当槽架与支架都是镀锌件时,采用A形式;当支架或槽架不是镀锌件时,采用B形式,B形式还可满足明显可见的要求。
概述
修编过程:本图集是对原的修编,修编后图集号改为。
自试用以来,编制单位收集了项目建设周
期中对许多实际问题的反映,也了解到由于信息技术的迅猛发展,要求在图集中增加一些常用信
息设备机房等电位联结示例之类的建议等,根据这些反映和建议,并参考国际、国内的新标准、
新做法,编制了本图集。
年月日建设部批准(建质[]号)该图集自年月日起执行。
本图集共页。
.适用范围
本图集适用于一般工业与民用建筑物电气装置防间接接触电击和防电磁干扰的等电位联结安装。
.主要内容
本图集包括以下内容:
)等电位联结系统图示例。
)浴室、游泳池、喷水池、胸腔手术室、设备等电位联结。
)端子板做法。
)各种联结安装方式。
)等电位联结导通性测试等。
图集目
录:
图集样
张:
应用交
流:。
等电位联结安装》(97SD567)国标图的修编目前,我国许多新修订的规范、标准逐步同国际电工标准(IEC标准)接轨。
等电位联结在电气设计中,是一种行之有效的安全措施,早已为国际上许多国家所采用。
我国对等电位联结的作用在认识上也有了长足的进步,1997年编制的《等电位联结安装》提出了一些基本做法,自试用以来收到了施工过程中对许多实际问题的反映,特别是信息技术的迅猛发展,对防雷、接地、等电位有了更高的要求,因此我们参考国际、国内的新标准、新做法对原标准图97SD567作了修编,新的图集号是02D501-2,下面主要对新图册做一些说明1 等电位联结的分类笔者在编制97SD567时,曾对"等电位联结"和"等电位连接"分析比较,决定本图册采用"等电位联结"这一名称,但现实工作中,这两个词往往还混淆不清,在此想强调一下,任何标准、规范要想正确的贯彻执行,必须要有规范的名称,具体分析见"浅谈《等电位联结安装》标准图的编制"(《现代建筑电气设计技术文集》第233页。
在总说明中,把等电位联结分为三个层次,即总等电位联结,辅助等电位联结,局部等电位联结分别作了详细说明。
总等电位联结作用于全建筑物,由等电位联结端子板放射连接或链接进出建筑物的金属管道、金属结构构件等。
辅助等电位联结是在导电部分间,用导线直接连通,使其电位相等或接近,一般是在电气装置的某部分接地故障保护不能满足切断回路的时间要求时,作辅助等电位联结。
局部等电位联结是在一局部场所范围内通过局部等电位联结端子板把各可导电部分连通,一般是在浴室、游泳池、医院手术室、农牧业等特别危险场所,发生电击事故的危险性较大,要求更低的接触电压,或为满足信息系统抗干扰的要求,一般局部等电位联结也都有一个端子板或者连成环形。
简单地说,局部等电位联结可以看成是在这局部范围内的总等电位联结。
其区别可借助图集第6页图理解。
等电位联结安装02d501-2概述修编过程:本图集是对原97SD567的修编,修编后图集号改为02D501-2。
自97SD567试用以来,编制单位收集了施工过程中对许多实际问题的反映,也了解到由于信息技术的迅猛发展,要求在图集中增加一些常用信息设备机房等电位联结示例之类的建议等,根据这些反映和建议,并参考国际、国内的新标准、新做法,编制了本图集。
2002年4月25日建设部批准(建质[2002]104号)该图集自2002年6月1日起执行。
本图集共47页。
2( 适用范围本图集适用于一般工业与民用建筑物电气装置防间接接触电击和防电磁干扰的等电位联结安装。
3( 主要内容本图集包括以下内容:1) 等电位联结系统图示例;2) 浴室、游泳池、喷水池、胸腔手术室、IT设备等电位联结;3) 端子板做法;4) 各种联结安装方式;5) 等电位联结导通性测试等。
图集目图名起始页码录: 目录 1说明 3说明(等电位联结和接地示例) 6说明 7总等电位联结系统图示例 11电源进线、信号进线等电位联结示意图 12总等电位联结平面图示例(一处电源进线) 13总等电位联结平面图示例(多处电源进线) 14等电位联结剖面图示例 15浴室局部等电位联结示例 16游泳池局部等电位联结示例 17 喷水池局部等电位联结示例 18胸腔手术室局部等电位联结示例 19牛圈局部等电位联结示例 20信息技术(IT)设备的接地和等电位联结方式 21信息技术(IT)设备的接地和等电位联结方式(续) 22等电位联结端子板安装图一 23等电位联结端子板安装图二 24等电位联结端子板做法一 25等电位联结端子板做法二 26等电位联结支座做法一 27等电位联结支座做法二 28等电位联结端子规格一 29等电位联结端子规格二 30 等电位联结端子做法一 31 等电位联结端子做法二32 联结端子板在端子箱内安装示意图 33 等电位联结端子板墙上明装做法一 34 等电位联结端子板墙上明装做法二 35 等电位联结端子板扁钢支架、保护罩大样36 分支连接、直线连接大样 37 联结线与各种管道的连接(抱箍法) 38 联结线与各种管道的连接(焊接法) 39 计量表计等电位联结跨接线安装 40 联结线与卫生设备及水管的连接 41 联结线与洗涤盆及暖气片的连接 42 金属门、窗的等电位联结一 43 金属门、窗的等电位联结二 44 金属栏杆、吊顶龙骨等建筑物构件的等电位联结 45 联结线与工艺设备外壳的连接 46 钢筋混凝土中预埋件做法 47图集样张:应用交问: 卫生间局部等电位联结是否要引下线联结,流: 1 卫生间上下水管均是塑料管的,不需要做等电位联结,如遇金属管可按02D501-2《等电位答: 联结安装》图集去做。
等电位联结安装》(97SD567)国标图的修编目前,我国许多新修订的规范、标准逐步同国际电工标准(IEC标准)接轨。
等电位联结在电气设计中,是一种行之有效的安全措施,早已为国际上许多国家所采用。
我国对等电位联结的作用在认识上也有了长足的进步,1997年编制的《等电位联结安装》提出了一些基本做法,自试用以来收到了施工过程中对许多实际问题的反映,特别是信息技术的迅猛发展,对防雷、接地、等电位有了更高的要求,因此我们参考国际、国内的新标准、新做法对原标准图97SD567作了修编,新的图集号是02D501-2,下面主要对新图册做一些说明1 等电位联结的分类笔者在编制97SD567时,曾对"等电位联结"和"等电位连接"分析比较,决定本图册采用"等电位联结"这一名称,但现实工作中,这两个词往往还混淆不清,在此想强调一下,任何标准、规范要想正确的贯彻执行,必须要有规范的名称,具体分析见"浅谈《等电位联结安装》标准图的编制"(《现代建筑电气设计技术文集》第233页。
在总说明中,把等电位联结分为三个层次,即总等电位联结,辅助等电位联结,局部等电位联结分别作了详细说明。
总等电位联结作用于全建筑物,由等电位联结端子板放射连接或链接进出建筑物的金属管道、金属结构构件等。
辅助等电位联结是在导电部分间,用导线直接连通,使其电位相等或接近,一般是在电气装置的某部分接地故障保护不能满足切断回路的时间要求时,作辅助等电位联结。
局部等电位联结是在一局部场所范围内通过局部等电位联结端子板把各可导电部分连通,一般是在浴室、游泳池、医院手术室、农牧业等特别危险场所,发生电击事故的危险性较大,要求更低的接触电压,或为满足信息系统抗干扰的要求,一般局部等电位联结也都有一个端子板或者连成环形。
简单地说,局部等电位联结可以看成是在这局部范围内的总等电位联结。
其区别可借助图集第6页图理解。
概述修编过程:本图集是对原97SD567的修编,修编后图集号改为02D501-2。
自97SD567试用以来,编制单位收集了施工过程中对许多实际问题的反映,也了解到由于信息技术的迅猛发展,要求在图集中增加一些常用信息设备机房等电位联结示例之类的建议等,根据这些反映和建议,并参考国际、国内的新标准、新做法,编制了本图集。
2002年4月25日建设部批准(建质[2002]104号)该图集自2002年6月1日起执行。
本图集共47页。
2.适用范围本图集适用于一般工业与民用建筑物电气装置防间接接触电击和防电磁干扰的等电位联结安装。
3.主要内容本图集包括以下内容:1)等电位联结系统图示例;2)浴室、游泳池、喷水池、胸腔手术室、IT设备等电位联结;3)端子板做法;4)各种联结安装方式;5)等电位联结导通性测试等。
图集目录:等电位联结端子规格二30等电位联结端子做法一31等电位联结端子做法二32联结端子板在端子箱内安装示意图33等电位联结端子板墙上明装做法一34等电位联结端子板墙上明装做法二35等电位联结端子板扁钢支架、保护罩大样36分支连接、直线连接大样37联结线与各种管道的连接(抱箍法) 38联结线与各种管道的连接(焊接法) 39计量表计等电位联结跨接线安装40联结线与卫生设备及水管的连接41联结线与洗涤盆及暖气片的连接42金属门、窗的等电位联结一43金属门、窗的等电位联结二44金属栏杆、吊顶龙骨等建筑物构件的等电位联结45联结线与工艺设备外壳的连接46钢筋混凝土中预埋件做法47图集样张:应用交流:1问: 卫生间局部等电位联结是否要引下线联结?答:卫生间上下水管均是塑料管的,不需要做等电位联结,如遇金属管可按02D501-2《等电位联结安装》图集去做。
2问:卫生间等电位联结端子板做法是如何?卫生间的等电位需不需要接地,要接是怎么接?接防雷引下线柱筋可否?还是接电气竖井扁钢?线径要多大的铜芯线? 答:1.浴室局部等电位联结(卫生间等电位联结可参照执行)见02D501-2第16页。
等电位联结安装》(97SD567)国标图的修编目前,我国许多新修订的规范、标准逐步同国际电工标准(IEC标准)接轨。
等电位联结在电气设计中,是一种行之有效的安全措施,早已为国际上许多国家所采用。
我国对等电位联结的作用在认识上也有了长足的进步,1997年编制的《等电位联结安装》提出了一些基本做法,自试用以来收到了施工过程中对许多实际问题的反映,特别是信息技术的迅猛发展,对防雷、接地、等电位有了更高的要求,因此我们参考国际、国内的新标准、新做法对原标准图97SD567作了修编,新的图集号是02D501-2,下面主要对新图册做一些说明1 等电位联结的分类笔者在编制97SD567时,曾对"等电位联结"和"等电位连接"分析比较,决定本图册采用"等电位联结"这一名称,但现实工作中,这两个词往往还混淆不清,在此想强调一下,任何标准、规范要想正确的贯彻执行,必须要有规范的名称,具体分析见"浅谈《等电位联结安装》标准图的编制"(《现代建筑电气设计技术文集》第233页。
在总说明中,把等电位联结分为三个层次,即总等电位联结,辅助等电位联结,局部等电位联结分别作了详细说明。
总等电位联结作用于全建筑物,由等电位联结端子板放射连接或链接进出建筑物的金属管道、金属结构构件等。
辅助等电位联结是在导电部分间,用导线直接连通,使其电位相等或接近,一般是在电气装置的某部分接地故障保护不能满足切断回路的时间要求时,作辅助等电位联结。
局部等电位联结是在一局部场所范围内通过局部等电位联结端子板把各可导电部分连通,一般是在浴室、游泳池、医院手术室、农牧业等特别危险场所,发生电击事故的危险性较大,要求更低的接触电压,或为满足信息系统抗干扰的要求,一般局部等电位联结也都有一个端子板或者连成环形。
简单地说,局部等电位联结可以看成是在这局部范围内的总等电位联结。
其区别可借助图集第6页图理解。
概述
修编过程:本图集是对原97SD567的修编,修编后图集号改为02D501-2。
自97SD567试用以来,
编制单位收集了施工过程中对许多实际问题的反映,也了解到由于信息技术的迅猛发展,要求在
图集中增加一些常用信息设备机房等电位联结示例之类的建议等,根据这些反映和建议,并参考
国际、国内的新标准、新做法,编制了本图集。
2002年4月25日建设部批准(建质[2002]104
号)该图集自2002年6月1日起执行。
本图集共47页。
2.适用范围
本图集适用于一般工业与民用建筑物电气装置防间接接触电击和防电磁干扰的等电位联结安装。
3.主要内容
本图集包括以下内容:
1)等电位联结系统图示例;
2)浴室、游泳池、喷水池、胸腔手术室、IT设备等电位联结;
3)端子板做法;
4)各种联结安装方式;
5)等电位联结导通性测试等。
图集目
图名起始页码录:
目录 1
说明 3
说明(等电位联结和接地示例) 6
说明7
总等电位联结系统图示例11
电源进线、信号进线等电位联结示意图12
总等电位联结平面图示例(一处电源进线) 13
总等电位联结平面图示例(多处电源进线) 14
等电位联结剖面图示例15
浴室局部等电位联结示例16
游泳池局部等电位联结示例17
喷水池局部等电位联结示例18
胸腔手术室局部等电位联结示例19
牛圈局部等电位联结示例20
信息技术(IT)设备的接地和等电位联结方式21
信息技术(IT)设备的接地和等电位联结方式(续) 22
等电位联结端子板安装图一23
等电位联结端子板安装图二24
等电位联结端子板做法一25 等电位联结端子板做法二26 等电位联结支座做法一27 等电位联结支座做法二28 等电位联结端子规格一29 等电位联结端子规格二30 等电位联结端子做法一31 等电位联结端子做法二32 联结端子板在端子箱内安装示意图33 等电位联结端子板墙上明装做法一34 等电位联结端子板墙上明装做法二35 等电位联结端子板扁钢支架、保护罩大样36 分支连接、直线连接大样37 联结线与各种管道的连接(抱箍法) 38 联结线与各种管道的连接(焊接法) 39 计量表计等电位联结跨接线安装40 联结线与卫生设备及水管的连接41 联结线与洗涤盆及暖气片的连接42 金属门、窗的等电位联结一43 金属门、窗的等电位联结二44 金属栏杆、吊顶龙骨等建筑物构件的等电位联结45 联结线与工艺设备外壳的连接46 钢筋混凝土中预埋件做法47
图集样张:
应用交
流: 1 问:
卫生间局部等电位联结是否要引下线联结?答:卫生间上下水管均是塑料管的,
不需要做等电位联结,如遇金属管可按02D501-2《等电位联结安装》图集去做。
2 问:卫生间等电位联结端子板做法是如何?卫生间的等电位需不需要接地,要接是怎么接?接防雷引下线柱筋可否?还是接电气竖井扁钢?线径要多大的铜芯线?
答: 1.浴室局部等电位联结(卫生间等电位联结可参照执行)见02D501-2第16页。
2.等电位联结线的截面选择可见02D501-2第5页。