锅炉型号命名规则
- 格式:doc
- 大小:66.00 KB
- 文档页数:3
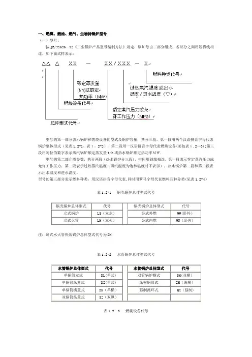
锅炉型号一、燃煤、燃油、燃气、生物持锅炉型号(一)型号:按JB/T1626-92《工业锅炉产品型号编制方法》规定,锅炉号由三部分组成,各部分之间用短横线相连,如下面式样表示:型号的第一部分表示锅炉和燃烧设备的型式及锅炉容量,共分三段。
第一段用两个汉语拼音字母代表锅炉整体型式(见表1.2-1、表1.2-2);第二段用一汉语拼音字母代表燃烧设备(邮包表1.2-3);第三段用阿拉伯数字表示蒸汽锅炉额定蒸发量t/h或热水锅炉额定热功率MW。
型号的第二部介质参数,共分两段(热水锅炉分三段),中间用斜线相连。
第一段表示客定蒸汽压力或允许工作压力;第二段表示过热蒸汽温度(蒸汽温度为饱和温度时不表示);热水锅炉第二段和第三段表示出水温度和进水温度。
型号的第三部分表示燃料种类,用汉语拼音字母代表,同时用罗马字母代表燃料品种分类(见表1.2-4)表1.2-1 锅壳锅炉总体型式代号注:卧式水火管快装锅炉总体型式代号为DN,表1.2-2 水管锅炉总体型式代号表1.2-3 燃烧设备代号注:煤粉炉和燃油燃气锅炉属室燃炉,烯烧设备代号为S。
表1.2-4 燃料品种代号注:①小型燃油燃气锅炉一般适用多种燃料,故燃料代号通常均写成Y或Q②在锅炉型号表示方法中,对常压热水锅炉,只须在型式代号之前加上常压代号C,并取消允许工作压力,其他表示方法不变。
(二)型号举例(见表1.2-5)表1.2-5 型号举例对于国外进口的锅炉,各国型号不一样,没有统一规定,可根据其产品样本、图纸资料、产品质量证明书等识别。
二、电站锅炉型号②电站锅炉型号表示汉及其说明电站锅炉型号由三部分组成,各部之间用短横线相连。
详见下面电站锅炉型号表示法及其说明:第一部分 第二部分 第三部分第一部分:制造工厂代号,用两个汉语拼音表示。
如上海锅炉厂为SG 。
第二部分:锅炉基本参数,前面数字表示蒸发量(t/h ),后面数字表示出口蒸汽压力(工作压力)。
第三部分:锅炉设计顺序号,如:DG-120/39-1,表示东方锅炉厂制造,蒸发量为120t/h ,过热蒸汽压力为3.82Mpa (39kgf/cm2)的锅炉,第一次设计。
一、燃煤、燃油、燃气、生物持锅炉型号(一)型号:按JB/T1626—92《工业锅炉产品型号编制方法》规定,锅炉号由三部分组成,各部分之间用短横线相连,如下面式样表示:型号的第一部分表示锅炉和燃烧设备的型式及锅炉容量,共分三段。
第一段用两个汉语拼音字母代表锅炉整体型式(见表1.2-1、表1。
2-2);第二段用一汉语拼音字母代表燃烧设备(邮包表1.2—3);第三段用阿拉伯数字表示蒸汽锅炉额定蒸发量t/h或热水锅炉额定热功率MW.型号的第二部介质参数,共分两段(热水锅炉分三段),中间用斜线相连。
第一段表示客定蒸汽压力或允许工作压力;第二段表示过热蒸汽温度(蒸汽温度为饱和温度时不表示);热水锅炉第二段和第三段表示出水温度和进水温度。
型号的第三部分表示燃料种类,用汉语拼音字母代表,同时用罗马字母代表燃料品种分类(见表1.2-4)表1.2-1 锅壳锅炉总体型式代号锅壳锅炉总体型式代号锅壳锅炉总体型式代号立式锅炉LS(立水)卧式外燃WW(卧外)立式火管LH(立火)卧式内燃WN(卧内)注:卧式水火管快装锅炉总体型式代号为DN,表1.2-2 水管锅炉总体型式代号水管锅炉总体型式代号水管锅炉总体型式代号单锅筒立式DL(单式) 双管锅炉横式SH(双横)单锅筒纵置式DZ(单式) 纵横锅筒式ZH(纵横)单锅筒横置式DH(单横)强制循环式QX(强制)双锅筒纵置式SZ(双纵)表1.2—3 燃烧设备代号注:煤粉炉和燃油燃气锅炉属室燃炉,烯烧设备代号为S。
表1。
2—4 燃料品种代号注:①小型燃油燃气锅炉一般适用多种燃料,故燃料代号通常均写成Y或Q②在锅炉型号表示方法中,对常压热水锅炉,只须在型式代号之前加上常压代号C,并取消允许工作压力,其他表示方法不变。
(二)型号举例(见表1。
2-5)表1。
2-5 型号举例对于国外进口的锅炉,各国型号不一样,没有统一规定,可根据其产品样本、图纸资料、产品质量证明书等识别.锅炉产品系列—0.04 -AⅡ-0.4-WIIY1—0。
锅炉型号一、燃煤、燃油、燃气、生物持锅炉型号(一)型号:按JB/T1626-92《工业锅炉产品型号编制方法》规定,锅炉号由三部分组成,各部分之间用短横线相连,如下面式样表示:型号的第一部分表示锅炉和燃烧设备的型式及锅炉容量,共分三段。
第一段用两个汉语拼音字母代表锅炉整体型式(见表1.2-1、表1.2-2);第二段用一汉语拼音字母代表燃烧设备(邮包表1.2-3);第三段用阿拉伯数字表示蒸汽锅炉额定蒸发量t/h或热水锅炉额定热功率MW。
型号的第二部介质参数,共分两段(热水锅炉分三段),中间用斜线相连。
第一段表示客定蒸汽压力或允许工作压力;第二段表示过热蒸汽温度(蒸汽温度为饱和温度时不表示);热水锅炉第二段和第三段表示出水温度和进水温度。
型号的第三部分表示燃料种类,用汉语拼音字母代表,同时用罗马字母代表燃料品种分类(见表1.2-4)表1.2-1 锅壳锅炉总体型式代号注:卧式水火管快装锅炉总体型式代号为DN,表1.2-3 燃烧设备代号注:煤粉炉和燃油燃气锅炉属室燃炉,烯烧设备代号为S。
表1.2-4 燃料品种代号注:①小型燃油燃气锅炉一般适用多种燃料,故燃料代号通常均写成Y或Q②在锅炉型号表示方法中,对常压热水锅炉,只须在型式代号之前加上常压代号C,并取消允许工作压力,其他表示方法不变。
(二)型号举例(见表1.2-5)表1.2-5 型号举例量证明书等识别。
二、电站锅炉型号②电站锅炉型号表示汉及其说明电站锅炉型号由三部分组成,各部之间用短横线相连。
详见下面电站锅炉型号表示法及其说明:第三部分第二部分:锅炉基本参数,前面数字表示蒸发量(t/h),后面数字表示出口蒸汽压力(工作压力)。
第三部分:锅炉设计顺序号,如:DG-120/39-1,表示东方锅炉厂制造,蒸发量为120t/h,过热蒸汽压力为3.82Mpa(39kgf/cm2)的锅炉,第一次设计。
三、锅炉的类别、参数及型号(一)锅炉及其分类锅炉也称蒸汽发生器,是利用燃料或工业生产中余热的热能,将工质加热到一定温度和压力的换热设备。
天然气锅炉命名
我国工业燃气锅炉产品的型号的编制方法是依据JB1626标准规定进行的。
其型号由三部分组成。
各部分之间用短线隔开。
表示方法如下:
靠前部分分三段,分别表示锅炉型号(用汉语拼音字母代号)、燃烧方式(用汉语拼音字母代号)和蒸发量(用阿拉伯数字表示,单位为t/h;热水锅炉为供热量,单位为MW;余热锅炉以受热面表示,单位为m2)。
第二部分表示工质参数,对工业蒸汽锅炉,分额定蒸汽压力和额定蒸汽温度两段,中间以斜线相隔,常用单位分别为MPa和℃、蒸汽温度为饱和温度时,型号第二部分无斜线和第二段。
对热水锅炉,第二部分由三段组成,分别为额定压力、出水温度和进水温度,段与段之间用斜线隔开。
第三部分表示燃料种类及设计次序,共两段:靠前段表示燃料种类(用汉语拼音字母代号,见表),第二段表示设计次序(用阿拉伯数字表示),原型设计无第二段
举例:
(1)DZL4—1.0—AⅡ,表示单锅筒纵置式链条炉排额定蒸发量为4吨/小时,蒸汽压力为1.0MPa,蒸汽温度为饱和温度,燃用Ⅱ类烟煤,原型设计的燃气蒸气锅炉。
(2)SHS10-1.25/250-W2,表示双锅筒横置式室燃锅炉,蒸发量10t/h,压力1.25MPa,过热蒸汽温度250℃,燃用无烟煤,第二次设
计。
(3)WNS0.7-1.0/95/70-Q,表示卧式内燃室燃气锅炉,额定热功率0.7MW,额定出水压力1.0MPa,额定出水温度95℃,回水温度70℃,燃用气体燃料,原型设计。
一、燃煤、燃油、燃气、生物持锅炉型号(一)型号:按JB/T1626-92《工业锅炉产品型号编制方法》规定,锅炉号由三部分组成,各部分之间用短横线相连,如下面式样表示:型号的第一部分表示锅炉和燃烧设备的型式及锅炉容量,共分三段。
第一段用两个汉语拼音字母代表锅炉整体型式(见表1.2-1、表1.2-2);第二段用一汉语拼音字母代表燃烧设备(邮包表1.2-3);第三段用阿拉伯数字表示蒸汽锅炉额定蒸发量t/h或热水锅炉额定热功率MW。
型号的第二部介质参数,共分两段(热水锅炉分三段),中间用斜线相连。
第一段表示客定蒸汽压力或允许工作压力;第二段表示过热蒸汽温度(蒸汽温度为饱和温度时不表示);热水锅炉第二段和第三段表示出水温度和进水温度。
型号的第三部分表示燃料种类,用汉语拼音字母代表,同时用罗马字母代表燃料品种分类(见表1.2-4)表1.2-1 锅壳锅炉总体型式代号注:卧式水火管快装锅炉总体型式代号为DN,表1.2-2 水管锅炉总体型式代号表1.2-3 燃烧设备代号注:煤粉炉和燃油燃气锅炉属室燃炉,烯烧设备代号为S。
表1.2-4 燃料品种代号注:①小型燃油燃气锅炉一般适用多种燃料,故燃料代号通常均写成Y或Q②在锅炉型号表示方法中,对常压热水锅炉,只须在型式代号之前加上常压代号C,并取消允许工作压力,其他表示方法不变。
(二)型号举例(见表1.2-5)表1.2-5 型号举例对于国外进口的锅炉,各国型号不一样,没有统一规定,可根据其产品样本、图纸资料、产品质量证明书等识别。
锅炉产品系列备注锅炉命名规则JB/T1626-2002燃烧设备代号燃料种类代号固定炉排GⅠ类烟煤AⅠ固定双层炉排CⅡ类烟煤AⅡ链条炉排L油Y室燃炉S气Q锅炉类别锅炉本体型式代号锅壳锅炉立式水管LS立式火管LH常压立式水管CSL水管锅炉单锅筒立式DZ余热锅炉命名规则JB/T9560-1999余热载体类别余热载体量名称代号单位名称单位气体Q(气)千立方米每小时×103m3/h1)液体Y(液)吨每小时t/h固体G(固)吨每小时t/h烟气分类特性代号含尘类C(尘)腐蚀类F(腐)粘结类Z(粘)注: 补燃代号以字母B表示电站锅炉产品型号编制方法JB/T 1617-1999 (代替JB1617-75)1.范围本标准规定了锅炉产品型号的编制方法。
锅炉型号和参数说明
目前市面的工业锅炉主要有:蒸汽锅炉、热水锅炉、有机热载体炉三种,其型号表示的意义为:
注释:1—锅炉型式 2—燃烧方式 3—额定蒸发量(t/h)4—额定蒸汽压力 5—过热蒸汽温度 6—燃料种类
二、热水锅炉的型号由三部分组成,各部分之间用短线相连
4—额定蒸汽压力 5—过热蒸汽温度 6—燃料种类
注释:1—锅炉型号代号 2—燃烧设备代号 3—炉体安置形式代号4—额定热功率(kw) 5—燃料代号
其中炉型代号为:液相炉—Y;气相炉—Q
燃烧设备代号为:链条炉排—L;抛煤机炉排—P;其他炉排—G;油燃烧器—Y;气燃烧器—Q
炉体安置型号代号为:立式—L;卧式—W;其他—Q。
一、燃煤、燃油、燃气、生物持锅炉型号(一)型号:按JB/T1626-92《工业锅炉产品型号编制方法》规定,锅炉号由三部分组成,各部分之间用短横线相连,如下面式样表示:型号的第一部分表示锅炉和燃烧设备的型式及锅炉容量,共分三段。
第一段用两个汉语拼音字母代表锅炉整体型式(见表1.2-1、表1.2-2);第二段用一汉语拼音字母代表燃烧设备(邮包表1.2-3);第三段用阿拉伯数字表示蒸汽锅炉额定蒸发量t/h或热水锅炉额定热功率MW。
型号的第二部介质参数,共分两段(热水锅炉分三段),中间用斜线相连。
第一段表示客定蒸汽压力或允许工作压力;第二段表示过热蒸汽温度(蒸汽温度为饱和温度时不表示);热水锅炉第二段和第三段表示出水温度和进水温度。
型号的第三部分表示燃料种类,用汉语拼音字母代表,同时用罗马字母代表燃料品种分类(见表1.2-4)表1.2-1锅壳锅炉总体型式代号注:卧式水火管快装锅炉总体型式代号为DN,表1.2-2水管锅炉总体型式代号表1.2-3燃烧设备代号注:煤粉炉和燃油燃气锅炉属室燃炉,烯烧设备代号为S。
表1.2-4燃料品种代号注:①小型燃油燃气锅炉一般适用多种燃料,故燃料代号通常均写成Y或Q②在锅炉型号表示方法中,对常压热水锅炉,只须在型式代号之前加上常压代号C,并取消允许工作压力,其他表示方法不变。
(二)型号举例(见表1.2-5)表1.2-5型号举例对于国外进口的锅炉,各国型号不一样,没有统一规定,可根据其产品样本、图纸资料、产品质量证明书等识别。
锅炉产品系列备注锅炉命名规则 JB/T1626-2002燃烧设备代号燃料种类代号固定炉排GⅠ类烟煤AⅠ固定双层炉排CⅡ类烟煤AⅡ链条炉排L 油Y室燃炉S 气Q锅炉类别锅炉本体型式代号锅壳锅炉立式水管LS立式火管LH常压立式水管CSL水管锅炉单锅筒立式DZ余热锅炉命名规则 JB/T9560-1999余热载体类别余热载体量名称代号单位名称单位气体Q(气)千立方米每小时×103m3/h1)液体Y(液)吨每小时t/h固体G(固)吨每小时t/h烟气分类特性代号含尘类C(尘)腐蚀类F(腐)粘结类Z(粘)注:补燃代号以字母B表示电站锅炉产品型号编制方法JB/T 1617-1999 (代替 JB1617-75)1.范围本标准规定了锅炉产品型号的编制方法。
锅炉型号一、燃煤、燃油、燃气、生物持锅炉型号〔一〕型号:按JB/T1626-92《工业锅炉产品型号编制方法》规定,锅炉号由三部分组成,各部分之间用短横线相连,如下面式样表示:型号的第一部分表示锅炉和燃烧设备的型式及锅炉容量,共分三段。
第一段用两个汉语拼音字母代表锅炉整体型式〔见表1.2-1、表1.2-2〕;第二段用一汉语拼音字母代表燃烧设备〔邮包表1.2-3〕;第三段用阿拉伯数字表示蒸汽锅炉额定蒸发量t/h或热水锅炉额定热功率MW。
型号的第二部介质参数,共分两段〔热水锅炉分三段〕,中间用斜线相连。
第一段表示客定蒸汽压力或允许工作压力;第二段表示过热蒸汽温度〔蒸汽温度为饱和温度时不表示〕;热水锅炉第二段和第三段表示出水温度和进水温度。
型号的第三部分表示燃料种类,用汉语拼音字母代表,同时用罗马字母代表燃料品种分类〔见表1.2-4〕表1.2-1 锅壳锅炉总体型式代号锅壳锅炉总体型代号锅壳锅炉总体型式代号式立式锅炉LS(立水) 卧式外燃WW(卧外)立式火管LH(立火) 卧式内燃WN(卧内)注:卧式水火管快装锅炉总体型式代号为DN,水管锅炉总体型代号水管锅炉总体型式代号式单锅筒立式DL(单式) 双管锅炉横式SH(双横)单锅筒纵置式DZ(单式) 纵横锅筒式ZH(纵横)单锅筒横置式DH(单横) 强制循环式QX(强制)双锅筒纵置式SZ(双纵)表1.2-3 燃烧设备代号注:煤粉炉和燃油燃气锅炉属室燃炉,烯烧设备代号为S。
表1.2-4 燃料品种代号注:①小型燃油燃气锅炉一般适用多种燃料,故燃料代号通常均写成Y或Q②在锅炉型号表示方法中,对常压热水锅炉,只须在型式代号之前加上常压代号C,并取消允许工作压力,其他表示方法不变。
〔二〕型号举例〔见表1.2-5〕表1.2-5 型号举例量证明书等识别。
二、电站锅炉型号②电站锅炉型号表示汉及其说明电站锅炉型号由三部分组成,各部之间用短横线相连。
详见下面电站锅炉型号表示法及其说明:第三部分第二部分:锅炉基本参数,前面数字表示蒸发量〔t/h〕,后面数字表示出口蒸汽压力〔工作压力〕。
五、锅炉型号表示方法锅炉型号由三部分组成,各部分之间用短横线相连第一部分:表示锅炉型式,燃烧方式和蒸发量,共分三段:第一段用两个汉语拼音字母代表锅炉本体型式;第二段用一个汉语拼音代表燃烧方式;第三段用阿拉伯数字表示蒸发量。
第二部分:表示蒸汽(或热水)参数,共分两段,中间一斜线分开。
第一段用阿拉伯数字表示额定蒸汽压力或允许工作压力;第二段用阿拉伯数字表示过热蒸汽(或热水)温度,饱和蒸汽二段第三部分:表示燃料种类,以拼音字母和罗马字分别代表燃料类别和分类。
举例:HL10---1.3---A : 双锅筒横置式链条炉排锅炉,额定蒸发量为10t/h,额定压力为1.25MPa,出口过热蒸汽温度为饱和温度,燃用Ⅱ类烟煤。
QXS120—0.8/130/80--Y : 强制循环室燃锅炉,额定热功率为120MW,允许工作压力为0.8MPa,出水温度130℃,进水温度为80℃,燃料为油。
二、炉膛几何特性尺寸的确定基本步骤:(1) 根据锅炉容量、蒸汽参数、燃料特性及燃烧方式,确定B 和 (2) 选定qR 、 qv 或qf 、qv ,再确定:R 、Vl 或F 、 Vl 及Hl ; (3)最后确定:炉膛宽度和炉膛深度,制定炉膛几何特性尺寸。
1.炉膛容积Vl ——炉子火床表面至出口烟窗间的容积底部——火床表面炉膛出口截面——出口烟窗第一排水管中心线所在表面四周及顶部2.炉膛周界面积Fl ——包围炉膛容积的所有周界封闭面积的总和火床面积R; 全部水冷壁面积 Fi=bili炉墙面积:前后墙、侧墙、炉顶; 出口烟窗面积国产电厂锅炉型号一般如下表示:△△-XXX/XXX -XXX/XXX -△X第一组符号是制造厂家的汉语拼音的缩写,如HG 表示哈尔滨锅炉厂,SG 表示上海锅炉厂,WG 表示武汉锅炉厂,DG 表示东方锅炉厂,BG 表示北京锅炉厂等。
第二组是数字,分子数字是锅炉容量,单位以t/h 表示;分母pnet ar Q ⋅⋅数字为锅炉出口过热蒸汽压力,单位以MPa[或kgf/cm2,表压]表示。
有机热载体锅炉型号命名规则以有机热载体锅炉型号命名规则为标题,本文将介绍有机热载体锅炉型号的命名规则,并解释每个命名部分的含义和作用。
一、型号命名规则的背景和意义有机热载体锅炉作为一种重要的供热设备,其型号命名规则的制定对于产品的标准化、规范化和生产管理的有效运作具有重要意义。
通过合理的命名规则,可以方便用户和生产厂家识别和辨别不同型号的锅炉,同时也有利于提高产品质量和市场竞争力。
二、型号命名规则的具体要求1. 型号命名部分一:系列标识系列标识是指锅炉所属的产品系列,常用的系列标识有数字或字母组成。
不同系列的锅炉可能在设计、结构、性能等方面存在差异,通过系列标识可以区分不同系列的产品。
2. 型号命名部分二:容量标识容量标识是指锅炉的热负荷容量,通常以数字表示,单位为千瓦(KW)或万千瓦(MW)。
容量标识的大小直接反映了锅炉的供热能力,用户在选购时可以根据自身需求选择合适的容量。
3. 型号命名部分三:介质标识介质标识是指锅炉所使用的有机热载体的类型。
有机热载体是一种高温传热介质,常见的有机热载体有热油、热水等。
通过介质标识可以清楚地知道该锅炉使用的是哪种介质,以便用户在使用和维护时有针对性地进行操作。
4. 型号命名部分四:结构形式标识结构形式标识是指锅炉的结构形式,常见的结构形式有立式、卧式、平式等。
通过结构形式标识可以了解锅炉的布置方式,以及与周围环境的适应性。
5. 型号命名部分五:燃料标识燃料标识是指锅炉所采用的燃料类型,常见的燃料有煤、油、气等。
通过燃料标识可以明确锅炉的燃料种类,以便用户根据实际情况选择合适的锅炉。
6. 型号命名部分六:其他标识除了以上几个基本标识外,还可以根据需要添加其他标识,如环保标识、高效标识等。
这些标识可以更好地满足用户对环保和能效的需求。
三、命名规则的实例以下是一个有机热载体锅炉型号命名的实例:A-1000-热油-立式-煤-环保其中,A表示该锅炉属于A系列;1000表示锅炉的热负荷容量为1000千瓦;热油表示锅炉使用的是热油作为热载体;立式表示锅炉的结构形式为立式;煤表示锅炉使用煤作为燃料;环保表示该锅炉具备环保特性。
一、燃煤、燃油、燃气、生物持锅炉型号(一)型号:按JB/T1626-92《工业锅炉产品型号编制方法》规定,锅炉号由三部分组成,各部分之间用短横线相连,如下面式样表示:型号的第一部分表示锅炉和燃烧设备的型式及锅炉容量,共分三段。
第一段用两个汉语拼音字母代表锅炉整体型式(见表1.2-1、表1.2-2);第二段用一汉语拼音字母代表燃烧设备(邮包表1.2-3);第三段用阿拉伯数字表示蒸汽锅炉额定蒸发量t/h或热水锅炉额定热功率MW。
型号的第二部介质参数,共分两段(热水锅炉分三段),中间用斜线相连。
第一段表示客定蒸汽压力或允许工作压力;第二段表示过热蒸汽温度(蒸汽温度为饱和温度时不表示);热水锅炉第二段和第三段表示出水温度和进水温度。
型号的第三部分表示燃料种类,用汉语拼音字母代表,同时用罗马字母代表燃料品种分类(见表1.2-4)表1.2-1 锅壳锅炉总体型式代号注:卧式水火管快装锅炉总体型式代号为DN,表1.2-2 水管锅炉总体型式代号表1.2-3 燃烧设备代号注:煤粉炉和燃油燃气锅炉属室燃炉,烯烧设备代号为S。
表1.2-4 燃料品种代号注:①小型燃油燃气锅炉一般适用多种燃料,故燃料代号通常均写成Y或Q②在锅炉型号表示方法中,对常压热水锅炉,只须在型式代号之前加上常压代号C,并取消允许工作压力,其他表示方法不变。
(二)型号举例(见表1.2-5)表1.2-5 型号举例对于国外进口的锅炉,各国型号不一样,没有统一规定,可根据其产品样本、图纸资料、产品质量证明书等识别。
锅炉产品系列备注锅炉命名规则JB/T1626-2002燃烧设备代号燃料种类代号固定炉排GⅠ类烟煤AⅠ固定双层炉排CⅡ类烟煤AⅡ链条炉排L油Y室燃炉S气Q锅炉类别锅炉本体型式代号锅壳锅炉立式水管LS立式火管LH常压立式水管CSL水管锅炉单锅筒立式DZ余热锅炉命名规则JB/T9560-1999余热载体类别余热载体量名称代号单位名称单位气体Q(气)千立方米每小时×103m3/h1)液体Y(液)吨每小时t/h固体G(固)吨每小时t/h烟气分类特性代号含尘类C(尘)腐蚀类F(腐)粘结类Z(粘)注: 补燃代号以字母B表示。
锅炉型号和参数工业锅炉产品共分三大类:蒸汽锅炉、热水锅炉、有机热载体炉1、蒸汽锅炉产品型号由三部分组成,各部分之间用短横线相连,即:△△△××-××/×××-××1234561――锅炉形式2――燃烧方式3――额定蒸发量(t/h)4――额定蒸汽压力5――过热蒸汽温度(饱和蒸汽不标)6――燃料种类2、热水锅炉产品型号由三部分组成,各部分之间用短横线相连,即:△△△××-××/×××-××1234561――锅炉形式2――冷却方式3――额定热功率(mw)4――容许工作压力(热水)mpa5――水温度/损坏温度℃6――燃料种类锅炉形式代号锅壳锅炉水管锅炉锅炉型式代号锅炉型式代号立式水管ls单锅筒立式dl卧式外燃ww 单锅筒纵置式dz立式火管lh单锅筒横置式dh卧式内燃wn双锅筒纵置式sz双锅筒横置式sh强制循环式qx燃烧方式代号冷却方式代号冷却方式代号紧固炉排g振动炉排z紧固双层炉排c下柘炉排a活动手摇炉排h融化炉排f链条炉排l半融化炉排b往复炉排w室燃炉s甩煤机p旋风炉x翻转炉排提甩煤机d燃料种类代号燃料种类代号燃料种类代号ⅰ类劣质煤lⅰ木柴mⅱ类劣质煤lⅱ稻糠dⅰ类无烟煤wⅰ甘蔗渣gⅱ类无烟煤wⅱ柴油ycⅲ类无烟煤wⅲ重油yyⅰ类烟煤aⅰ天然气qtⅱ类烟煤aⅱ焦炉煤气qjⅲ类烟煤aⅲ液化石油气qy褐煤h油母页岩ym贫煤p其他燃料t型煤x3、有机热载体炉分液相炉和气相炉两类,有机热载体炉产品型号由二部分组成,二部分之间用短横线相连,即:△△△-△△123451――炉类型代号2――冷却设备代号3――炉体征用型式代号4――额定热功率:kw5――燃料代号炉类型代号按表中1的规定表中1炉类型代号有机热载体炉类型代号液相炉y气相炉q冷却设备代号按表中2的规定表中2冷却设备代号冷却设备代号链条炉排l甩煤机炉排p其他炉排g油燃烧器y气燃烧器q炉体征用型式代号按表中3的规定表中3炉体型式代号在机热穿本炉体征用型式代号立式l卧式w其他q表中4燃料代号燃料类别类别代号品种品种代号无烟煤w煤类w烟煤a其他煤h柴油油类cy重油、渣油z天然气t气类q焦炉煤气j液化石油气y。
工业锅炉产品型号说明---------------------------------------工业锅炉产品型号由三部分组成,各部分之间用短横线相连。
如下图所示:(1)型号的第一部分表示锅炉型式、燃烧方式和额定蒸发量或额定供热量。
共分三段:第一段用两个汉语拼音字母代表锅炉总体型式(见表1-3、表1-4);第二段用一个汉语拼音字母代表燃烧方式(见表1-5);第三段用阿拉伯数字表示蒸汽锅炉额定蒸发量为若干吨/时或热水锅炉额定供热量为若干10000千卡/时。
各段连续书写,互相衔接。
(2)型号的第二部分表示介质参数。
共分两段:中间以斜线相连。
第一段用阿拉伯数字表示介质出口压力为若干千克力/厘米2;第二段用阿拉伯数字表示过热蒸汽温度或出水温度/回水温度。
蒸汽温度为饱和温度时,型号的第二部分无斜线和第二段。
表1-3 锅壳锅炉锅炉总体型式代号立式水管LS(立水)立式火管LH(立火)卧式外燃WW(卧式)卧式内燃WN(卧内)表1-4 水管锅炉锅炉总体型式代号单锅筒立式DL(单立)单锅筒纵置式DZ(单纵)单锅筒横置式DH(单横)双锅筒纵置式SZ(双纵)双锅筒横置式SH(双横)纵横锅筒式ZH(纵横)强制循环式QX(强循)(3)型号的第三部分表示燃料种类和设计次序,共分两段:第一段汉语拼音字母代表燃料,同时以罗马数字代表燃料分类与其并列(见表1-6)。
如同时使用几种燃料,主要燃料放在前面;第二段以阿拉伯数字表示设计次序,和第一段连续顺序书写,原型设计无第二段。
表1-5燃烧方式代号固定炉排G(固)活动手摇炉排H(活)链条炉排J(链)往复推动炉排W(往)抛煤机P(抛)倒转炉排加抛煤机D(倒)振动炉排Z(振)下饲炉排A(下)沸腾炉F(沸)半沸腾炉B(半)室燃炉S(室)旋风炉X(旋)表1-6燃料品种代号Ⅰ类石煤煤矸石SⅠⅡ类石煤煤矸石SⅡⅢ类石煤煤矸石SⅢⅠ类无烟煤WⅠⅡ类无烟煤WⅡⅢ类无烟煤WⅢⅠ类烟煤AⅠⅡ类烟煤AⅡⅢ类烟煤AⅢ褐煤H贫煤P木柴M稻糠 D甘蔗渣G油Y气Q油母页岩YM2、举例(1)DZL4-13WⅡ表示单锅筒纵置式链条炉排,额定蒸发量为4t/h,蒸汽压力为13kgf/cm2,蒸汽温度为饱和温度,燃用Ⅱ类无烟煤,原型设计的蒸汽锅炉。
五、锅炉型号表示方法锅炉型号由三部分组成,各部分之间用短横线相连第一部分:表示锅炉型式,燃烧方式和蒸发量,共分三段:第一段用两个汉语拼音字母代表锅炉本体型式;第二段用一个汉语拼音代表燃烧方式;第三段用阿拉伯数字表示蒸发量。
第二部分:表示蒸汽(或热水)参数,共分两段,中间一斜线分开。
第一段用阿拉伯数字表示额定蒸汽压力或允许工作压力;第二段用阿拉伯数字表示过热蒸汽(或热水)温度,饱和蒸汽二段第三部分:表示燃料种类,以拼音字母和罗马字分别代表燃料类别和分类。
举例:HL10---1.3---A : 双锅筒横置式链条炉排锅炉,额定蒸发量为10t/h,额定压力为1.25MPa,出口过热蒸汽温度为饱和温度,燃用Ⅱ类烟煤。
QXS120—0.8/130/80--Y : 强制循环室燃锅炉,额定热功率为120MW,允许工作压力为0.8MPa,出水温度130℃,进水温度为80℃,燃料为油。
二、炉膛几何特性尺寸的确定基本步骤:(1) 根据锅炉容量、蒸汽参数、燃料特性及燃烧方式,确定B 和 (2) 选定qR 、 qv 或qf 、qv ,再确定:R 、Vl 或F 、 Vl 及Hl ; (3)最后确定:炉膛宽度和炉膛深度,制定炉膛几何特性尺寸。
1.炉膛容积Vl ——炉子火床表面至出口烟窗间的容积底部——火床表面炉膛出口截面——出口烟窗第一排水管中心线所在表面四周及顶部2.炉膛周界面积Fl ——包围炉膛容积的所有周界封闭面积的总和火床面积R; 全部水冷壁面积 Fi=bili炉墙面积:前后墙、侧墙、炉顶; 出口烟窗面积国产电厂锅炉型号一般如下表示:△△-XXX/XXX -XXX/XXX -△X第一组符号是制造厂家的汉语拼音的缩写,如HG 表示哈尔滨锅炉厂,SG 表示上海锅炉厂,WG 表示武汉锅炉厂,DG 表示东方锅炉厂,BG 表示北京锅炉厂等。
第二组是数字,分子数字是锅炉容量,单位以t/h 表示;分母pnet ar Q ⋅⋅数字为锅炉出口过热蒸汽压力,单位以MPa[或kgf/cm2,表压]表示。
一、燃煤、燃油、燃气、生物持锅炉型号之老阳三干创作(一)型号:按JB/T162692《工业锅炉产物型号编制方法》规定, 锅炉号由三部份组成, 各部份之间用短横线相连, 如下面式样暗示:型号的第一部份暗示锅炉和燃烧设备的型式及锅炉容量, 共分三段.第一段用两个汉语拼音字母代表锅炉整体型式(见表1.21、表1.22);第二段用一汉语拼音字母代表燃烧设备(邮包表1.23);第三段用阿拉伯数字暗示蒸汽锅炉额定蒸发量t/h或热水锅炉额定热功率MW.型号的第二部介质参数, 共分两段(热水锅炉分三段), 中间用斜线相连.第一段暗示客定蒸汽压力或允许工作压力;第二段暗示过热蒸汽温度(蒸汽温度为饱和温度时不暗示);热水锅炉第二段和第三段暗示出水温度和进水温度.型号的第三部份暗示燃料种类, 用汉语拼音字母代表, 同时用罗马字母代表燃料品种分类(见表1.24)表1.21 锅壳锅炉总体型式代号注:卧式水火管快装锅炉总体型式代号为DN,表1.22 水管锅炉总体型式代号表1.23 燃烧设备代号注:煤粉炉和燃油燃气锅炉属室燃炉, 烯烧设备代号为S.表1.24 燃料品种代号注:①小型燃油燃气锅炉一般适用多种燃料, 故燃料代号通常均写成Y或Q②在锅炉型号暗示方法中, 对常压热水锅炉, 只须在型式代号之前加上常压代号C, 并取消允许工作压力, 其他暗示方法不变.(二)型号举例(见表1.25)表1.25 型号举例对国外进口的锅炉, 各国型号纷歧样, 没有统一规定, 可根据其产物样本、图纸资料、产物质量证明书等识别.锅炉产物系列燃烧设备代号燃料种类代号固定炉排G Ⅰ类烟煤AⅠ固定双层炉排CⅡ类烟煤AⅡ链条炉排L油Y 室燃炉S气Q锅炉类别锅炉本体型式代号锅壳锅炉立式水管LS 立式火管LH 常压立式水管CSL水管锅炉单锅筒立式DZ余热载体类别余热载体量名称代号单元名称单元气体Q(气)千立方米每小时×103m3/h1)液体Y(液)吨每小时t/h固体G(固)吨每小时t/h烟气分类特性代号含尘类C(尘)腐蚀类F(腐)粘结类Z(粘)注: 补燃代号以字母B暗示电站锅炉产物型号编制方法JB/T 16171999 (取代 JB161775)1.范围本标准规定了锅炉产物型号的编制方法.本标准适用于电站锅炉产物型号的编制.2.技术要求2.1 电站锅炉产物型号由三部份组成, 各部份之间用短横线相连, 形式如下:2.2 产物型号第一部份:A——锅炉制造工厂(公司)代号, 由若干字母暗示.2.3 产物型号第二部份由B和C两部份组成, 中间用斜线分开, 其中:B——锅炉额定蒸发量(或最年夜连续蒸发量), 用阿拉伯数字暗示, 单元:t/h;C——锅炉额定介质出口压力, 用阿拉伯数字暗示, 单元:MPa.2.4 产物型号第三部份由D和E两部份组成, 其中:D——锅炉设计燃料代号, 用汉语拼音字母暗示, 按下列规定:燃“煤”炉用“M”暗示;燃“油”炉用“Y”暗示;燃“气”炉用“Q”暗示;燃其它燃料炉用“T”暗示;对原设计已考虑可燃用两种燃料的锅炉, 可用两种燃料代号并列, 如可燃“煤”和“油”锅炉, 用“MY”暗示.可燃“油”和“气”锅炉, 用“YQ”暗示.E——锅炉变型设计顺序号, 一般用阿拉伯数字暗示, 具体数字由各厂(公司)自行确定.2.5 电站锅炉产物型号编制示例:2.5.1 某公司制造的最年夜连续蒸发量670t/h, 介质出口压力为13.7MPa的电站锅炉, 设计燃料为煤的锅炉, 第三次变型设计,其型号为:××1025 / 18.3M003。
一、燃煤、燃油、燃气、生物持锅炉型号之蔡仲巾千创作(一)型号:按JB/T162692《工业锅炉产品型号编制方法》规定,锅炉号由三部分组成,各部分之间用短横线相连,如下面式样暗示:型号的第一部分暗示锅炉和燃烧设备的型式及锅炉容量,共分三段。
第一段用两个汉语拼音字母代表锅炉整体型式(见表1.21、表1.22);第二段用一汉语拼音字母代表燃烧设备(邮包表1.23);第三段用阿拉伯数字暗示蒸汽锅炉额定蒸发量t/h或热水锅炉额定热功率MW。
型号的第二部介质参数,共分两段(热水锅炉分三段),中间用斜线相连。
第一段暗示客定蒸汽压力或允许工作压力;第二段暗示过热蒸汽温度(蒸汽温度为饱和温度时不暗示);热水锅炉第二段和第三段暗示出水温度和进水温度。
型号的第三部分暗示燃料种类,用汉语拼音字母代表,同时用罗马字母代表燃料品种分类(见表1.24)表1.21 锅壳锅炉总体型式代号注:卧式水火管快装锅炉总体型式代号为DN,表1.22 水管锅炉总体型式代号表1.23 燃烧设备代号注:煤粉炉和燃油燃气锅炉属室燃炉,烯烧设备代号为S。
表1.24 燃料品种代号注:①小型燃油燃气锅炉一般适用多种燃料,故燃料代号通常均写成Y或Q②在锅炉型号暗示方法中,对常压热水锅炉,只须在型式代号之前加上常压代号C,并取消允许工作压力,其他暗示方法不变。
(二)型号举例(见表1.25)表1.25 型号举例对于国外进口的锅炉,各国型号纷歧样,没有统一规定,可根据其产品样本、图纸资料、产品质量证明书等识别。
锅炉产品系列燃烧设备代号燃料种类代号固定炉排G Ⅰ类烟煤AⅠ固定双层炉排CⅡ类烟煤AⅡ链条炉排L油Y 室燃炉S气Q锅炉类别锅炉本体型式代号锅壳锅炉立式水管LS 立式火管LH 常压立式水管CSL水管锅炉单锅筒立式DZ余热载体类别余热载体量名称代号单位名称单位气体Q(气)千立方米每小时×103m3/h1)液体Y(液)吨每小时t/h固体G(固)吨每小时t/h烟气分类特性代号含尘类C(尘)腐蚀类F(腐)粘结类Z(粘)注: 补燃代号以字母B暗示电站锅炉产品型号编制方法JB/T 16171999 (代替 JB161775)1.范围本尺度规定了锅炉产品型号的编制方法。
锅炉型号命名规则
燃煤、燃油、燃气、生物持锅炉型号
(一)型号:
按JB/T1626-92《工业锅炉产品型号编制方法》规定,锅炉号由三部分组成,各部分之间用短横线相连,如下面式样表示:
型号的第一部分表示锅炉和燃烧设备的型式及锅炉容量,共分三段。
第一段用两个汉语拼音字母代表锅炉整体型式(见表1.2-1、表1.2-2);第二段用一汉语拼音字母代表燃烧设备(邮包表1.2-3);第三段用阿拉伯数字表示蒸汽锅炉额定蒸发量t/h或热水锅炉额定
热功率MW。
型号的第二部介质参数,共分两段(热水锅炉分三段),中间用斜线相连。
第一段表示客定蒸汽压力或允许工作压力;第二段表示过热蒸汽温度(蒸汽温度为饱和温度时不表示);热水锅炉第二段和第三段表示出水温度和进水温度。