锅炉型号解释
- 格式:doc
- 大小:37.00 KB
- 文档页数:3
锅炉型号和参数的具体含义
在日常监察工作中,经常会碰到锅炉的检查,也曾经被各种各样的型号弄得头晕脑涨的,为此特地在网上搜集了些锅炉的资料,供大家分享:
目前市面上的工业锅炉分为三大类;蒸汽锅炉、热水锅炉、有机热载体炉。
一、蒸汽锅炉型号由三部分组成,各部分之间由短横线相连
注释:1—锅炉型式 2—燃烧方式 3—额定蒸发量(t/h)
4—额定蒸汽压力 5—过热蒸汽温度 6—燃料种类
二、热水锅炉型号由三部分组成,各部分之间由短横线相连
注释:1—锅炉型式 2—燃烧方式 3—额定热功率(MW)
4—允许工作压力(MPa) 5—出/进水水温 6—燃料种类
其中锅炉形式的代号
其中燃烧方式的代号
其中燃烧种类的代号(一)
其中燃烧种类代号(二)
三、有机热载体炉分为液相炉和气相炉,型号由二部分组成,各部分之间由短横线相连
注释:1—炉型号代号 2—燃烧设备代号 3—炉体安置型式代号
4—额定热功率(KW) 5—燃料代号
其中炉型号代号
其中燃烧设备代号
其中炉体安置型式代号。
锅炉型号代号的意义解释工业锅炉分为四大类;蒸汽锅炉、热水锅炉、汽水两用型、有机热载体导热油炉。
蒸汽锅炉按燃烧介质的不同分为燃煤蒸汽锅炉,燃油蒸汽锅炉,电加热蒸汽锅炉及其它;热水锅炉按燃烧介质分为燃煤热水锅炉,燃油热水锅炉,电热水锅炉及其它。
一、蒸汽锅炉型号解释:三部分组成,之间由横线相连注释:1—锅炉型式;2—燃烧方式;3—额定蒸发量(t/h);4—额定蒸汽压力;5—过热蒸汽温度;6—燃料种类举例。
DZL4-1.25-193-AII代表卧式快装燃煤蒸汽锅炉,DZ代表锅炉型式-单筒纵置式,L代表机械链条炉排,其额定蒸发量4t/h,额定工作压力1.25Mpa,饱和蒸汽温度193℃,A||代表二类烟煤为燃烧介质。
二、热水锅炉型号解释:三部分组成,之间由短横线相连注释:1—锅炉型式;2—燃烧方式;3—额定热功率(MW);4—允许工作压力;5—出/进水水温;6—燃料种类。
举例CLSG0.7-95/70-AII代表立式常压燃煤热水锅炉,C代表常压,LS代表锅炉型式-立式水管型,G代表固定炉排,其额定功率是0.7Mw,出进水温度分别是95-70℃,AII代表燃烧介质是||类烟煤。
三、有机热载体炉型号解释:三部分组成,之间由短横线相连注释:1—炉型号代号;2—燃烧设备代号;3—炉体安置型式代号;4—额定热功率(KW);5—燃料代号。
举例YGL-1400代表立式有机热载体导热油炉其功率是1400Kw/h(相当于120x104Kcal/h,也叫120万大卡每小时)。
[炉型号代号分为液相炉(Y)、气相炉(Q)。
燃烧设备代号分为油燃烧器(Y)、气燃烧器(Q)、链条L及其它G。
四、锅炉型式代号五、锅炉燃烧方式代号六、锅炉燃烧种类代号燃烧种类代号(一)燃烧种类代号(二)比如:LSG0.5-0.4-170-AII含义是立式水管燃煤蒸汽锅炉,炉排固定,每小时蒸发量0.5T,额定蒸汽压力0.4Mpa,额定蒸汽温度170℃,燃烧介质二类烟煤。
锅炉型号和参数的具体含义
在日常监察工作中,经常会碰到锅炉的检查,也曾经被各种各样的型号弄得头晕脑涨的,为此特地在网上搜集了些锅炉的资料,供大家分享:
目前市面上的工业锅炉分为三大类;蒸汽锅炉、热水锅炉、有机热载体炉。
一、蒸汽锅炉型号由三部分组成,各部分之间由短横线相连
注释:1—锅炉型式 2—燃烧方式 3—额定蒸发量(t/h)
4—额定蒸汽压力 5—过热蒸汽温度 6—燃料种类
二、热水锅炉型号由三部分组成,各部分之间由短横线相连
注释:1—锅炉型式 2—燃烧方式 3—额定热功率(MW)
4—允许工作压力(MPa) 5—出/进水水温 6—燃料种类
其中锅炉形式的代号
其中燃烧方式的代号
其中燃烧种类的代号(一)
其中燃烧种类代号(二)
三、有机热载体炉分为液相炉和气相炉,型号由二部分组成,各部分之间由短横线相连
注释:1—炉型号代号 2—燃烧设备代号 3—炉体安置型式代号
4—额定热功率(KW) 5—燃料代号
其中炉型号代号
其中燃烧设备代号
其中炉体安置型式代号。
锅炉行业为了便于行业内部锅炉规格表达统计和书写方便,人为制定一些字母、特殊符号进行组合,表示特定的锅炉类别,以此区分蒸汽锅炉、热水锅炉、导热油炉等系列,锅炉型号代号解释如下:
一、蒸汽锅炉型号解释:
注释:1—锅炉型式; 2—燃烧方式; 3—额定蒸发量(t/h);4—额定蒸汽压力;5—过热蒸汽温度; 6—燃料种类;举例DZL4-1.25-193-AII代表卧式快装燃煤蒸汽锅炉,DZ代表锅炉型式-单筒纵置式,L代表机械链条炉排,其额定蒸发量4t/h,额定工作压力1.25Mpa,饱和蒸汽温度193℃,AII代表二类烟煤为燃烧介质
二、热水锅炉型号解释:
注释:1—锅炉型式;2—燃烧方式;3—额定热功率(MW);4—允许工作压力;5—出/进水水温,6—燃料种类;举例CLSG0.7-95/70-AII代表立式常压燃煤热水锅炉,C代表常压,LS代表锅炉型式-立式水管型,G代表固定炉排,其额定功率是0.7Mw,出进水温度分别是95-70℃,AII代表燃烧介质是II类烟煤。
三、有机热载体炉型号解释:
注释:1—炉型号代号;2—燃烧设备代号;3—炉体安置型式代号;4—额定热功率(KW);5—燃料代号;举例YGL-1400代表立式有机热载体导热油炉其功率是1400Kw/h(相当于
120x104Kcal/h,也叫120万大卡每小时)。
[炉型号代号分为液相炉(Y)、气相炉(Q)。
燃烧设备代号分为油燃烧器(Y)、气燃烧器(Q)、链条L及其它G,]
四、锅炉型式代号
六、锅炉燃烧种类代号
燃烧种类代号(二)
比如:LSG0.5-0.4-170-AII含义是立式水管燃煤蒸汽锅炉,炉排固定,每小时蒸发量0.5T,额定蒸汽压力0.4Mpa,额定蒸汽温度170℃,燃烧介质二类烟煤。
锅炉型号表示意思
1、SZL6-1.25-AII表示6T双锅筒纵置式链条炉排工作压力1.25MPa燃煤蒸汽锅炉,即:S——表示双锅筒;Z——表示纵置式;L——表示链条炉排; AII——表示II类烟煤。
2、WNS4.2- 1.0/115/70- Q,WNS表示为卧式内燃锅炉,额定热功率4.2兆瓦(6吨热水锅炉)工作压力1.0兆帕出水温度115 回水温度70 ,Q为燃料,天然气。
3、DZH4-1.25-AII锅炉,DZ 单锅筒纵置式,H 燃烧设备活动手摇炉排,4 蒸发量每小时4吨,1.25 额定工作压力1.25MPa,AII 使用的燃料为II类。
4、LSH0.5-0.7-AII为立式燃煤蒸汽锅炉,额定蒸发量:0.5吨/时蒸汽压力:0.7MPa 蒸汽温度:170度。
5、SHL10-1.3/350-WII 表示双锅筒横置式链条炉排,额定蒸发量为10t/h,额定工作压力为1.3MPa,过热蒸汽温度为350°C,燃用II类无烟煤的蒸汽锅炉。
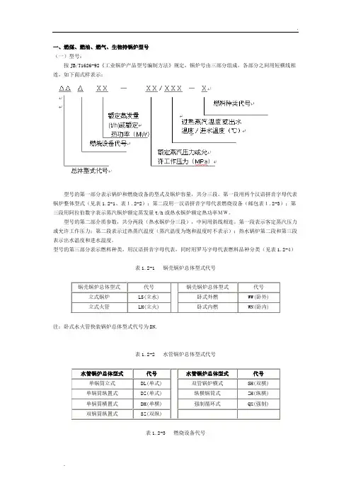
一、燃煤、燃油、燃气、生物持锅炉型号(一)型号:按JB/T1626-92《工业锅炉产品型号编制方法》规定,锅炉号由三部分组成,各部分之间用短横线相连,如下面式样表示:型号的第一部分表示锅炉和燃烧设备的型式及锅炉容量,共分三段。
第一段用两个汉语拼音字母代表锅炉整体型式(见表1.2-1、表1.2-2);第二段用一汉语拼音字母代表燃烧设备(邮包表1.2-3);第三段用阿拉伯数字表示蒸汽锅炉额定蒸发量t/h或热水锅炉额定热功率MW。
型号的第二部介质参数,共分两段(热水锅炉分三段),中间用斜线相连。
第一段表示客定蒸汽压力或允许工作压力;第二段表示过热蒸汽温度(蒸汽温度为饱和温度时不表示);热水锅炉第二段和第三段表示出水温度和进水温度。
型号的第三部分表示燃料种类,用汉语拼音字母代表,同时用罗马字母代表燃料品种分类(见表1.2-4)表1.2-1 锅壳锅炉总体型式代号注:卧式水火管快装锅炉总体型式代号为DN,表1.2-2 水管锅炉总体型式代号表1.2-3 燃烧设备代号注:煤粉炉和燃油燃气锅炉属室燃炉,烯烧设备代号为S。
表1.2-4 燃料品种代号注:①小型燃油燃气锅炉一般适用多种燃料,故燃料代号通常均写成Y或Q②在锅炉型号表示方法中,对常压热水锅炉,只须在型式代号之前加上常压代号C,并取消允许工作压力,其他表示方法不变。
(二)型号举例(见表1.2-5)表1.2-5 型号举例对于国外进口的锅炉,各国型号不一样,没有统一规定,可根据其产品样本、图纸资料、产品质量证明书等识别。
锅炉产品系列备注锅炉命名规则JB/T1626-2002燃烧设备代号燃料种类代号固定炉排GⅠ类烟煤AⅠ固定双层炉排CⅡ类烟煤AⅡ链条炉排L油Y室燃炉S气Q锅炉类别锅炉本体型式代号锅壳锅炉立式水管LS立式火管LH常压立式水管CSL水管锅炉单锅筒立式DZ余热锅炉命名规则JB/T9560-1999余热载体类别余热载体量名称代号单位名称单位气体Q(气)千立方米每小时×103m3/h1)液体Y(液)吨每小时t/h固体G(固)吨每小时t/h烟气分类特性代号含尘类C(尘)腐蚀类F(腐)粘结类Z(粘)注: 补燃代号以字母B表示。
蒸汽锅炉型号表示方法
蒸汽锅炉的型号表示方法可以根据不同的制造商而有所不同,但通常会包括以下几个要素:
1. 锅炉类型:通常使用字母或数字表示,如"W"表示水管锅炉、"D"表示烟管锅炉等。
2. 锅炉功率:表示锅炉的额定功率,以千瓦(kW)或兆瓦(MW)为单位。
3. 锅炉压力:表示锅炉的额定工作压力,通常以兆帕(MPa)或巴(bar)为单位。
4. 锅炉容量:表示锅炉蒸发量或蒸发能力,通常以吨/小时
(t/h)或千克/小时(kg/h)为单位。
5. 其他参数:根据不同的制造商和型号,可能还会包括一些其他参数,如燃料类型、燃料消耗率、燃烧器类型、燃烧方式等。
总体而言,蒸汽锅炉型号表示方法是根据锅炉的基本参数和特性进行命名,以便用户能够清楚地了解锅炉的技术性能和适用范围。
锅炉型号代表的意思引言:在现代工业中,锅炉是一种重要的热能设备,用于产生蒸汽或热水,以供应工业生产或居民生活的热能需求。
不同型号的锅炉在设计和功能上有所不同,每个型号都代表着特定的意义和特点。
本文将探讨几种常见的锅炉型号,并解释它们代表的意义和特征。
一、WNS型燃气锅炉WNS型燃气锅炉是一种广泛应用于工业和民用领域的锅炉。
WNS代表“稳定燃烧、有效供热、安全可靠”。
这种锅炉采用燃气作为燃料,具有高热效率、低排放和自动控制等优点。
它的设计非常紧凑,适合安装在有限空间内。
WNS型燃气锅炉的最大特点是燃烧稳定,能够保持恒定的供热水平,确保生产或生活的连续性。
二、SZL型煤炭锅炉SZL型煤炭锅炉是一种适用于煤炭燃烧的锅炉。
SZL代表“层流燃烧,循环式供热,快速启动”的特点。
这种锅炉采用双筒水管结构,可以快速启动和停止,并且在工作过程中燃烧效率高,热效率佳。
SZL型煤炭锅炉适用于工业领域中需要大量蒸汽供应的场合,如纺织、化工和食品加工厂。
三、DZL型生物质锅炉DZL型生物质锅炉是一种利用生物质作为燃料的锅炉。
DZL代表“定热值燃烧、直立布置、链条炉排”的特点。
生物质锅炉可以利用农作物秸秆、木屑、麻杆等可再生能源,实现绿色环保的供热方式。
DZL型生物质锅炉具有使用方便、燃烧效率高等特点,因此在可再生能源发展的背景下,受到越来越多的关注。
四、YGW型导热油锅炉YGW型导热油锅炉是一种使用导热油作为传热介质的锅炉。
YGW代表“油管加热、高温工作、全自动控制”的特点。
导热油锅炉具有传热效果好、温度控制准确等优点,适用于各种需求较高的工业过程。
由于导热油的热稳定性较好,所以YGW型导热油锅炉在高温工作条件下具有较高的稳定性和可靠性。
五、YQW型燃油/燃气导热油锅炉YQW型燃油/燃气导热油锅炉是一种同时适用于燃油和燃气作为燃料的导热油锅炉。
YQW代表“油/气管加热、高效能、全自动控制”的特点。
这种锅炉适用于需要在燃料不足或无法使用某种燃料时进行切换的场合。
锅炉型号的介绍燃煤、燃油、燃气、生物持锅炉型号豫园锅炉现有:(一)型号:锅炉号由三部分组成,各部分之间用短横线相连,如下面式样表示:型号的第一部分表示锅炉和燃烧设备的型式及锅炉容量,共分三段。
第一段用两个汉语拼音字母代表锅炉整体型式;第二段用一汉语拼音字母代表燃烧设备;第三段用阿拉伯数字表示蒸汽锅炉额定蒸发量t/h或热水锅炉额定热功率MW。
型号的第二部介质参数,共分两段(热水锅炉分三段),中间用斜线相连。
第一段表示客定蒸汽压力或允许工作压力;第二段表示过热蒸汽温度(蒸汽温度为饱和温度时不表示);热水锅炉第二段和第三段表示出水温度和进水温度。
型号的第三部分表示燃料种类,用汉语拼音字母代表,同时用罗马字母代表燃料品种分类。
锅壳锅炉总体型式代号立式锅炉:LS(立水);卧式外燃:WW(卧外)立式火管:LH(立火);卧式内燃:WN(卧内)注:卧式水火管快装锅炉总体型式代号为DN。
水管锅炉总体型式代号单锅筒立式:DL(单式);双管锅炉横式:SH(双横)单锅筒纵置式:DZ(单式);纵横锅筒式:ZH(纵横)单锅筒横置式:DH(单横);强制循环式:QX(强制)双锅筒纵置式:SZ(双纵)燃烧设备代号:固定炉排:G(固);抛煤机:P(抛);固定双层炉排:C(层)上述表格中的机组容量是指发电机组的装机容量,电力行业常用MW作为单位,锅炉容量是指锅炉满负荷时每小时产生的蒸汽,烟气量是指锅炉满负荷时的烟气量,单位标方指将烟气流量折合到标准状况下的流量,一般是指干烟气的体积,其中的水蒸气不算。
烟气温度一般是指省煤器或者空气预热器出口的烟气温度,对于脱硫装置来说,由于电厂所用静电除尘器一般可以认为是绝热的,这个温度也可以用作脱硫装置的入口温度。
需要说明的是,上述机组一般是指纯发电的凝汽式机组,对于同时发电供热的抽凝机组和背压式机组来说,由于一部分蒸汽被用于供热,机组容量相同的情况下,热电机组的烟气量就要稍大,但一般会小于更大等级机组的烟气量,也就是说2.5万千瓦的热电联供机组的烟气量会介于2.5万千瓦机组和5万千瓦机组之间。
锅炉行业为了便于行业内部锅炉规格表达统计和书写方便,人为制定一些字母、特殊符号进行组合,表示特定的锅炉类别,以此区分蒸汽锅炉、热水锅炉、导热油炉等系列,锅炉型号代号解释如下:
一、蒸汽锅炉型号解释:
注释:1—锅炉型式;2—燃烧方式;3—额定蒸发量(t/h);4—额定蒸汽压力;5—过热蒸汽温度;6—燃料种类;举例DZL4-1.25-193-AII代表卧式快装燃煤蒸汽锅炉,DZ代表锅炉型式-单筒纵置式,L代表机械链条炉排,其额定蒸发量4t/h,额定工作压力1.25Mpa,饱和蒸汽温度193℃,AII代表二类烟煤为燃烧介质
二、热水锅炉型号解释:
注释:1—锅炉型式;2—燃烧方式;3—额定热功率(MW);4—允许工作压力;5—出/进水水温,6—燃料种类;举例CLSG0.7-95/70-AII代表立式常压燃煤热水锅炉,C代表常压,LS代表锅炉型式-立式水管型,G代表固定炉排,其额定功率是0.7Mw,出进水温度分别是95-70℃,AII代表燃烧介质是II类烟煤。
三、有机热载体炉型号解释:
注释:1—炉型号代号;2—燃烧设备代号;3—炉体安置型式代号;4—额定热功率(KW);5—燃料代号;举例YGL-1400代表立式有机热载体导热油炉其功率是1400Kw/h(相当于
120x104Kcal/h,也叫120万大卡每小时)。
[炉型号代号分为液相炉(Y)、气相炉(Q)。
燃烧设备代号分为油燃烧器(Y)、气燃烧器(Q)、链条L及其它G,]
四、锅炉型式代号
六、锅炉燃烧种类代号
燃烧种类代号(二)
比如:LSG0.5-0.4-170-AII含义是立式水管燃煤蒸汽锅炉,炉排固定,每小时蒸发量0.5T,额定蒸汽压力0.4Mpa,额定蒸汽温度170℃,燃烧介质二类烟煤。
锅炉型号和分类
锅炉型号和分类
1.锅炉型号
完整的锅炉型号由三部分组成。
第一部分包括锅炉本体型式和燃烧方式的汉语拼音代号及蒸发量(t·h—1);第二部分包括工作压力(MPa)和过热蒸汽温度(℃);第三部分包括燃料品种的汉语拼音代号及设计序号。
举例:型号SHL10—13/350-W-1表示双锅筒横置式链条炉排,蒸发量为10t·h-1,出口蒸汽压力为13(1275 kPa),出口过热蒸汽温度为350℃,适用于无烟煤,经过第一次修改设计制造的锅炉。
2.锅炉分类
锅炉有多种分类方式。
按用途分类分为电站锅炉、工业锅炉、机车锅炉、船舶锅炉、生活锅炉;按压力分类分为低压锅炉、中压锅炉、高压锅炉、亚临界压力锅炉、超临界压力锅炉;按装置方式分类分为固定式锅炉和移动式锅炉;按锅炉结构分类分为火管锅炉、水管锅炉和水火管组合锅炉。
3.蒸汽锅炉参数系列
工业锅炉产品共分三大类:蒸汽锅炉、热水锅炉、有机热载体炉
1、蒸汽锅炉产品型号由三部分组成,各部分之间用短横线相连,即:
2、热水锅炉产品型号由三部分组成,各部分之间用短横线相连,即:
锅炉形式代号
燃烧方式代号
燃料种类代号
由二部分组成,二部分之间用短横线相连,即:
炉类型代号按表1的规定表1 炉类型代号
燃烧设备代号按表2的规定表2 燃烧设备代号
炉体安置型式代号按表3的规定表3 炉体型式代号
表4 燃料代号。
锅炉的型号及燃煤蒸汽锅炉性能指标和技术经济指标一、锅炉的型号:为了规范锅炉的表示方法,我国制定了工业锅炉型号编制方法(JB/T1626——2002)和电站锅炉产品型号编方法(JB/T1617——1999)我国工业锅炉产品型号由三部分组成。
第一部分分三段,分别表示锅炉型号、燃烧方式和蒸发量(用阿拉伯数字表示,单位为t/h;热水锅炉为供热量,单位为MW;余热锅炉以受热面表示,单位为㎡)。
快装式水管锅炉在型号第二部分用K(快)锅筒数量代号,快装纵横锅筒式锅炉用KZ(快,纵)代号,快装强制循环式锅炉用KQ(快、强)代号。
常压锅炉的型号在第一部分中增加字母C。
第二部分表示工质参数,对工业锅筒锅炉,分额定蒸汽压力和额定蒸汽温度两段,中间以斜线相隔。
蒸汽温度为饱和温度时,型号第二部分无斜线和第二段。
对热水锅炉,第二部分由三段组成,分别为额定压力、出水温度和进水温度,段与段之间用斜线隔开。
第三部分表示燃料种类及设计次序,共两段。
第一段表示燃料种类(用汉语拼音字母代号),第二段表示设计次序(用阿拉伯数字表示),原型设计无第二段。
例如:DZL4-1.25-W表示单锅筒纵置式链条炉排燃煤蒸汽锅炉,蒸发量4T/H,压力1.25MPa,饱和温度,燃用无烟煤,原型设计。
SHS10-1.25-W-A2表示双锅筒横置式室内燃锅炉,蒸发量10t/h,压力1.25MPa,过热蒸汽温度250℃,燃用烟煤,第二次设计。
QXW2.8-0.7/95/70-A2表示强制循环式往复炉排热水锅炉,额定供热量2.8MW,额定工作压力0.7MPa,额定出水温度95C,额定进水温度70C,燃用烟煤,第二次设计。
我国电站锅炉型号也是由三部分组成。
第一部分表示锅炉制造厂代号;第二部分表示锅炉参数;第三部分表示设计燃料代号及设计次序。
使用联合设计图样制造的电站锅炉型号,可在型号第一部分工厂代号后再加L表示。
例如:HG-670/13.72-M表示某制造的670t/h,13.72MPa工作压力的电站锅炉,设计燃料为煤,原型设计。
锅炉型号说明工业锅炉产品型号由三部分组成,各部分之间用短横线相连。
(1)型号的第一部分表示锅炉型式、燃烧方式和额定蒸发量或额定供热量。
共分三段:第一段用两个汉语拼音字母代表锅炉总体型式(见表1-3、表1-4);第二段用一个汉语拼音字母代表燃烧方式(见表1-5);第三段用阿拉伯数字表示蒸汽锅炉额定蒸发量为若干吨/时或热水锅炉额定供热量为若干10000千卡/时。
各段连续书写,互相衔接。
(2)型号的第二部分表示介质参数。
共分两段:中间以斜线相连。
第一段用阿拉伯数字表示介质出口压力为若干千克力/厘米2;第二段用阿拉伯数字表示过热蒸汽温度或出水温度/回水温度。
蒸汽温度为饱和温度时,型号的第二部分无斜线和第二段。
表1-3 锅壳锅炉锅炉总体型式代号;立式水管LS(立水)立式火管LH(立火)卧式外燃WW(卧式)卧式内燃WN(卧内)表1-4 水管锅炉锅炉总体型式代号;单锅筒立式DL(单立);单锅筒纵置式DZ(单纵)单锅筒横置式DH(单横);双锅筒纵置式SZ(双纵);双锅筒横置式SH (双横)纵横锅筒式ZH(纵横)强制循环式QX(强循)(3)型号的第三部分表示燃料种类和设计次序,共分两段:第一段汉语拼音字母代表燃料,同时以罗马数字代表燃料分类与其并列(见表1-6)。
如同时使用几种燃料,主要燃料放在前面;第二段以阿拉伯数字表示设计次序,和第一连续顺序书写,原型设计无第二段。
表1-5燃烧方式代号固定炉排G(固);活动手摇炉排H(活);链条炉排J(链)往复推动炉排W(往);抛煤机P(抛);倒转炉排加抛煤机D(倒)振动炉排Z(振);下饲炉排A(下);沸腾炉F(沸);半沸腾炉B(半)室燃炉S(室);旋风炉X(旋)表1-6燃料品种代号Ⅰ类石煤煤矸石SⅠ;Ⅱ类石煤煤矸石SⅡ;Ⅲ类石煤煤矸石SⅢⅠ类无烟煤WⅠ;Ⅱ类无烟煤WⅡ;Ⅲ类无烟煤WⅢ;Ⅰ类烟煤AⅠⅡ类烟煤AⅡ;Ⅲ类烟煤AⅢ褐煤H ;贫煤P ;木柴M ;稻糠D ;甘蔗渣G ;油Y ;气Q油母页岩YM2、举例(1)DZL4-13WⅡ表示单锅筒纵置式链条炉排,额定蒸发量为4t/h,蒸汽压力为13kgf/cm2,蒸汽温度为饱和温度,燃用Ⅱ类无烟煤,原型设计的蒸汽锅炉。
一、燃煤、燃油、燃气、生物持锅炉型号(一)型号:按JB/T1626-92《工业锅炉产品型号编制方法》规定,锅炉号由三部分组成,各部分之间用短横线相连,如下面式样表示:型号的第一部分表示锅炉和燃烧设备的型式及锅炉容量,共分三段。
第一段用两个汉语拼音字母代表锅炉整体型式(见表1.2-1、表1.2-2);第二段用一汉语拼音字母代表燃烧设备(邮包表1.2-3);第三段用阿拉伯数字表示蒸汽锅炉额定蒸发量t/h或热水锅炉额定热功率MW。
型号的第二部介质参数,共分两段(热水锅炉分三段),中间用斜线相连。
第一段表示客定蒸汽压力或允许工作压力;第二段表示过热蒸汽温度(蒸汽温度为饱和温度时不表示);热水锅炉第二段和第三段表示出水温度和进水温度。
型号的第三部分表示燃料种类,用汉语拼音字母代表,同时用罗马字母代表燃料品种分类(见表1.2-4)表1.2-1锅壳锅炉总体型式代号注:卧式水火管快装锅炉总体型式代号为DN,表1.2-2水管锅炉总体型式代号表1.2-3燃烧设备代号注:煤粉炉和燃油燃气锅炉属室燃炉,烯烧设备代号为S。
表1.2-4燃料品种代号注:①小型燃油燃气锅炉一般适用多种燃料,故燃料代号通常均写成Y或Q②在锅炉型号表示方法中,对常压热水锅炉,只须在型式代号之前加上常压代号C,并取消允许工作压力,其他表示方法不变。
(二)型号举例(见表1.2-5)表1.2-5型号举例对于国外进口的锅炉,各国型号不一样,没有统一规定,可根据其产品样本、图纸资料、产品质量证明书等识别。
锅炉产品系列备注锅炉命名规则 JB/T1626-2002燃烧设备代号燃料种类代号固定炉排GⅠ类烟煤AⅠ固定双层炉排CⅡ类烟煤AⅡ链条炉排L 油Y室燃炉S 气Q锅炉类别锅炉本体型式代号锅壳锅炉立式水管LS立式火管LH常压立式水管CSL水管锅炉单锅筒立式DZ余热锅炉命名规则 JB/T9560-1999余热载体类别余热载体量名称代号单位名称单位气体Q(气)千立方米每小时×103m3/h1)液体Y(液)吨每小时t/h固体G(固)吨每小时t/h烟气分类特性代号含尘类C(尘)腐蚀类F(腐)粘结类Z(粘)注:补燃代号以字母B表示电站锅炉产品型号编制方法JB/T 1617-1999 (代替 JB1617-75)1.范围本标准规定了锅炉产品型号的编制方法。
一、燃煤、燃油、燃气、生物持锅炉型号(一)型号:按JB/T1626-92《工业锅炉产品型号编制方法》规定,锅炉号由三部分组成,各部分之间用短横线相连,如下面式样表示:型号的第一部分表示锅炉和燃烧设备的型式及锅炉容量,共分三段。
第一段用两个汉语拼音字母代表锅炉整体型式(见表1.2-1、表1.2-2);第二段用一汉语拼音字母代表燃烧设备(邮包表1.2-3);第三段用阿拉伯数字表示蒸汽锅炉额定蒸发量t/h或热水锅炉额定热功率MW。
型号的第二部介质参数,共分两段(热水锅炉分三段),中间用斜线相连。
第一段表示客定蒸汽压力或允许工作压力;第二段表示过热蒸汽温度(蒸汽温度为饱和温度时不表示);热水锅炉第二段和第三段表示出水温度和进水温度。
型号的第三部分表示燃料种类,用汉语拼音字母代表,同时用罗马字母代表燃料品种分类(见表1.2-4)表1.2-1 锅壳锅炉总体型式代号注:卧式水火管快装锅炉总体型式代号为DN,表1.2-2 水管锅炉总体型式代号表1.2-3 燃烧设备代号注:煤粉炉和燃油燃气锅炉属室燃炉,烯烧设备代号为S。
表1.2-4 燃料品种代号注:①小型燃油燃气锅炉一般适用多种燃料,故燃料代号通常均写成Y或Q②在锅炉型号表示方法中,对常压热水锅炉,只须在型式代号之前加上常压代号C,并取消允许工作压力,其他表示方法不变。
(二)型号举例(见表1.2-5)表1.2-5 型号举例对于国外进口的锅炉,各国型号不一样,没有统一规定,可根据其产品样本、图纸资料、产品质量证明书等识别。
锅炉产品系列备注锅炉命名规则JB/T1626-2002燃烧设备代号燃料种类代号固定炉排GⅠ类烟煤AⅠ固定双层炉排CⅡ类烟煤AⅡ链条炉排L油Y室燃炉S气Q锅炉类别锅炉本体型式代号锅壳锅炉立式水管LS立式火管LH常压立式水管CSL水管锅炉单锅筒立式DZ余热锅炉命名规则JB/T9560-1999余热载体类别余热载体量名称代号单位名称单位气体Q(气)千立方米每小时×103m3/h1)液体Y(液)吨每小时t/h固体G(固)吨每小时t/h烟气分类特性代号含尘类C(尘)腐蚀类F(腐)粘结类Z(粘)注: 补燃代号以字母B表示电站锅炉产品型号编制方法JB/T 1617-1999 (代替JB1617-75)1.范围本标准规定了锅炉产品型号的编制方法。
五、锅炉型号表示方法锅炉型号由三部分组成,各部分之间用短横线相连第一部分:表示锅炉型式,燃烧方式和蒸发量,共分三段:第一段用两个汉语拼音字母代表锅炉本体型式;第二段用一个汉语拼音代表燃烧方式;第三段用阿拉伯数字表示蒸发量。
第二部分:表示蒸汽(或热水)参数,共分两段,中间一斜线分开。
第一段用阿拉伯数字表示额定蒸汽压力或允许工作压力;第二段用阿拉伯数字表示过热蒸汽(或热水)温度,饱和蒸汽二段第三部分:表示燃料种类,以拼音字母和罗马字分别代表燃料类别和分类。
举例:HL10---1.3---A : 双锅筒横置式链条炉排锅炉,额定蒸发量为10t/h,额定压力为1.25MPa,出口过热蒸汽温度为饱和温度,燃用Ⅱ类烟煤。
QXS120—0.8/130/80--Y : 强制循环室燃锅炉,额定热功率为120MW,允许工作压力为0.8MPa,出水温度130℃,进水温度为80℃,燃料为油。
二、炉膛几何特性尺寸的确定基本步骤:(1) 根据锅炉容量、蒸汽参数、燃料特性及燃烧方式,确定B 和 (2) 选定qR 、 qv 或qf 、qv ,再确定:R 、Vl 或F 、 Vl 及Hl ; (3)最后确定:炉膛宽度和炉膛深度,制定炉膛几何特性尺寸。
1.炉膛容积Vl ——炉子火床表面至出口烟窗间的容积底部——火床表面炉膛出口截面——出口烟窗第一排水管中心线所在表面四周及顶部2.炉膛周界面积Fl ——包围炉膛容积的所有周界封闭面积的总和火床面积R; 全部水冷壁面积 Fi=bili炉墙面积:前后墙、侧墙、炉顶; 出口烟窗面积国产电厂锅炉型号一般如下表示:△△-XXX/XXX -XXX/XXX -△X第一组符号是制造厂家的汉语拼音的缩写,如HG 表示哈尔滨锅炉厂,SG 表示上海锅炉厂,WG 表示武汉锅炉厂,DG 表示东方锅炉厂,BG 表示北京锅炉厂等。
第二组是数字,分子数字是锅炉容量,单位以t/h 表示;分母pnet ar Q ⋅⋅数字为锅炉出口过热蒸汽压力,单位以MPa[或kgf/cm2,表压]表示。
锅炉型号及参数简介锅炉作为工业生产中常用的热能设备,用于将水转化为蒸汽或热水,广泛应用于发电、供热、蒸馏等领域。
与此同时,根据不同的需求和场景,市场上出现了多种型号和参数的锅炉。
本文将介绍几种常见的锅炉型号及其参数。
1. 型号A参数•蒸发量:1000kg/h•工作压力:1.0MPa•蒸汽温度:184℃•热效率:78%•燃烧方式:煤燃烧•煤耗:160kg/h•煤粒尺寸:<10mm•锅炉重量:2000kg特点型号A是一种小型燃煤锅炉,适用于一些小规模的厂房或者个人用户。
其蒸发量较小,适用于日常生活中的供热或蒸馏需求。
由于采用了煤燃烧方式,煤耗较高,但独立燃烧系统使得锅炉运行更加稳定可靠。
2. 型号B参数•蒸发量:5000kg/h•工作压力:1.6MPa•蒸汽温度:204℃•热效率:82%•燃烧方式:油燃烧•油耗:480kg/h•燃油粘度:3.0-5.5cSt/50℃•锅炉重量:6000kg特点型号B是一种中型油燃烧锅炉,在一些中等规模的工业生产中得到广泛应用。
其蒸发量较大,适用于发电、供热等需求。
与型号A相比,型号B采用了油燃烧方式,燃油耗费相对较低,但需要定期对燃烧系统进行维护,以保持其正常运行。
3. 型号C参数•蒸发量:10000kg/h•工作压力:2.5MPa•蒸汽温度:230℃•热效率:85%•燃烧方式:天然气燃烧•天然气消耗:80Nm³/h•烟气温度:140℃•锅炉重量:12000kg特点型号C是一种大型天然气燃烧锅炉,被广泛应用于大型工厂或发电站。
其蒸发量大,适合于大规模能源需求,例如发电。
天然气作为燃烧介质,其环保性和稳定性都较好,且燃烧产生的烟气温度相对较低,符合环保要求。
总结以上介绍了几种常见的锅炉型号及其参数。
每种型号都有各自的适用范围和特点,根据实际需求可以选择合适的锅炉型号来满足生产和能源供应的需求。
在选择锅炉时,除了考虑蒸发量和工作压力等参数外,还需要考虑燃烧方式、热效率等因素。
锅炉行业为了便于行业内部锅炉规格表达统计和书写方便,人为制定一些字母、特殊符号进行组合,表示特定的锅炉类别,以此区分蒸汽锅炉、热水锅炉、导热油炉等系列,锅炉型号代号解释如下:
一、蒸汽锅炉型号解释:
注释:1—锅炉型式;2—燃烧方式;3—额定蒸发量(t/h);4—额定蒸汽压力;5—过热蒸汽温度;6—燃料种类;举例DZL4-1.25-193-AII代表卧式快装燃煤蒸汽锅炉,DZ代表锅炉型式-单筒纵置式,L代表机械链条炉排,其额定蒸发量4t/h,额定工作压力1.25Mpa,饱和蒸汽温度193℃,AII代表二类烟煤为燃烧介质
二、热水锅炉型号解释:
注释:1—锅炉型式;2—燃烧方式;3—额定热功率(MW);4—允许工作压力;5—出/进水水温,6—燃料种类;举例CLSG0.7-95/70-AII代表立式常压燃煤热水锅炉,C代表常压,LS代表锅炉型式-立式水管型,G代表固定炉排,其额定功率是0.7Mw,出进水温度分别是95-70℃,AII代表燃烧介质是II类烟煤。
三、有机热载体炉型号解释:
注释:1—炉型号代号;2—燃烧设备代号;3—炉体安置型式代号;4—额定热功率(KW);5—燃料代号;举例YGL-1400代表立式有机热载体导热油炉其功率是1400Kw/h(相当于
120x104Kcal/h,也叫120万大卡每小时)。
[炉型号代号分为液相炉(Y)、气相炉(Q)。
燃烧设备代号分为油燃烧器(Y)、气燃烧器(Q)、链条L及其它G,]
四、锅炉型式代号
六、锅炉燃烧种类代号
燃烧种类代号(二)
比如:LSG0.5-0.4-170-AII含义是立式水管燃煤蒸汽锅炉,炉排固定,每小时蒸发量0.5T,额定蒸汽压力0.4Mpa,额定蒸汽温度170℃,燃烧介质二类烟煤。
工业锅炉分类,有何型号,设备代号是什么,锅炉附片
工业锅炉分类,有何型号,设备代号是什么,锅炉附片
工业锅炉产品共分三大类:蒸汽锅炉、热水锅炉、有机热载体炉蒸汽锅炉产品型号由三部分组成,各部分之间用短横线相连,即: △△△××-××/×××-×× 1 2 3 4 5 6 1——锅炉形式2——燃烧方式3——额定蒸发量(t/h)4——额定蒸汽压力5——过热蒸汽温度(饱和蒸汽不标)6——燃料种类热水锅炉产品型号由三部分组成,各部分之间用短横线相连,即:△△△××-××/×××-×× 1 2 3 4 5 61——锅炉形式2——燃烧方式3——额定热功率(MW)4——允许工
作压力(热水)Mpa 5——出水温度/进水温度℃6——燃料种类有机热载体炉分液相炉和气相炉两类,有机热载体炉产品型号由二部分组成,二部分之间用短横线相连,即:△△△-△△
1 2 3 4 51——炉类型代号2——燃烧设备代号3——炉体安置型式代号4——额定热功率:KW 5——燃料代号
聊城市东昌府区金山锅炉配件厂是一家从事锅炉配件的生产厂家,经多年的不断努力,现已研发出多种适合中国人需求的锅炉配件,品质超群,价格合理,这也是我们能为这个行业所带来的有利空间。
本厂一直以“求实、高效、创新、奉献”作为企业精神,面向二十一世纪,以“质量第一、诚信为本、遵法守约、服务周到”面向广大锅炉用户,始终以市场需求为导向,客户的要求作为企业的追求目标,把公司建成经营机制与国际接轨、员工素质一流、产品质量优异,研究、生产、服务一体的现代企业。
[此文档可自行编辑修改,如有侵权请告知删除,感谢您的支持,我们会努力把内容做得更好]。