锅炉型号字母表示意思
- 格式:doc
- 大小:18.00 KB
- 文档页数:2
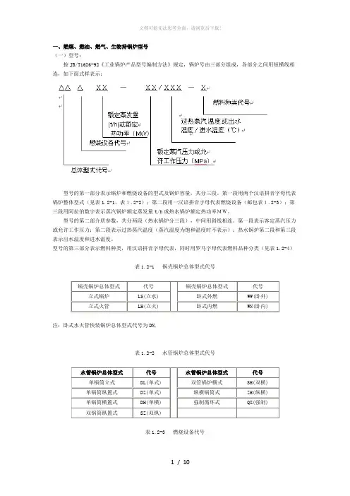
一、燃煤、燃油、燃气、生物持锅炉型号(一)型号:按JB/T1626-92《工业锅炉产品型号编制方法》规定,锅炉号由三部分组成,各部分之间用短横线相连,如下面式样表示:型号的第一部分表示锅炉和燃烧设备的型式及锅炉容量,共分三段。
第一段用两个汉语拼音字母代表锅炉整体型式(见表1.2-1、表1.2-2);第二段用一汉语拼音字母代表燃烧设备(邮包表1.2-3);第三段用阿拉伯数字表示蒸汽锅炉额定蒸发量t/h或热水锅炉额定热功率MW。
型号的第二部介质参数,共分两段(热水锅炉分三段),中间用斜线相连。
第一段表示客定蒸汽压力或允许工作压力;第二段表示过热蒸汽温度(蒸汽温度为饱和温度时不表示);热水锅炉第二段和第三段表示出水温度和进水温度。
型号的第三部分表示燃料种类,用汉语拼音字母代表,同时用罗马字母代表燃料品种分类(见表1.2-4)表1.2-1 锅壳锅炉总体型式代号注:卧式水火管快装锅炉总体型式代号为DN,表1.2-2 水管锅炉总体型式代号表1.2-3 燃烧设备代号注:煤粉炉和燃油燃气锅炉属室燃炉,烯烧设备代号为S。
表1.2-4 燃料品种代号注:①小型燃油燃气锅炉一般适用多种燃料,故燃料代号通常均写成Y或Q②在锅炉型号表示方法中,对常压热水锅炉,只须在型式代号之前加上常压代号C,并取消允许工作压力,其他表示方法不变。
(二)型号举例(见表1.2-5)表1.2-5 型号举例对于国外进口的锅炉,各国型号不一样,没有统一规定,可根据其产品样本、图纸资料、产品质量证明书等识别。
锅炉产品系列锅炉命名规则 JB/T1626-2002燃烧设备代号燃料种类代号固定炉排G Ⅰ类烟煤AⅠ固定双层炉排CⅡ类烟煤AⅡ链条炉排L油Y 室燃炉S气Q锅炉类别锅炉本体型式代号锅壳锅炉立式水管LS 立式火管LH 常压立式水管CSL水管锅炉单锅筒立式DZ余热锅炉命名规则 JB/T9560-1999余热载体类别余热载体量名称代号单位名称单位气体Q(气)千立方米每小时×103m3/h1)液体Y(液)吨每小时t/h固体G(固)吨每小时t/h烟气分类特性代号含尘类C(尘)腐蚀类F(腐)粘结类Z(粘)注: 补燃代号以字母B表示(注:可编辑下载,若有不当之处,请指正,谢谢!)。
锅炉型号代号的意义解释工业锅炉分为四大类;蒸汽锅炉、热水锅炉、汽水两用型、有机热载体导热油炉。
蒸汽锅炉按燃烧介质的不同分为燃煤蒸汽锅炉,燃油蒸汽锅炉,电加热蒸汽锅炉及其它;热水锅炉按燃烧介质分为燃煤热水锅炉,燃油热水锅炉,电热水锅炉及其它。
一、蒸汽锅炉型号解释:三部分组成,之间由横线相连注释:1—锅炉型式;2—燃烧方式;3—额定蒸发量(t/h);4—额定蒸汽压力;5—过热蒸汽温度;6—燃料种类举例。
DZL4-1.25-193-AII代表卧式快装燃煤蒸汽锅炉,DZ代表锅炉型式-单筒纵置式,L代表机械链条炉排,其额定蒸发量4t/h,额定工作压力1.25Mpa,饱和蒸汽温度193℃,A||代表二类烟煤为燃烧介质。
二、热水锅炉型号解释:三部分组成,之间由短横线相连注释:1—锅炉型式;2—燃烧方式;3—额定热功率(MW);4—允许工作压力;5—出/进水水温;6—燃料种类。
举例CLSG0.7-95/70-AII代表立式常压燃煤热水锅炉,C代表常压,LS代表锅炉型式-立式水管型,G代表固定炉排,其额定功率是0.7Mw,出进水温度分别是95-70℃,AII代表燃烧介质是||类烟煤。
三、有机热载体炉型号解释:三部分组成,之间由短横线相连注释:1—炉型号代号;2—燃烧设备代号;3—炉体安置型式代号;4—额定热功率(KW);5—燃料代号。
举例YGL-1400代表立式有机热载体导热油炉其功率是1400Kw/h(相当于120x104Kcal/h,也叫120万大卡每小时)。
[炉型号代号分为液相炉(Y)、气相炉(Q)。
燃烧设备代号分为油燃烧器(Y)、气燃烧器(Q)、链条L及其它G。
四、锅炉型式代号五、锅炉燃烧方式代号六、锅炉燃烧种类代号燃烧种类代号(一)燃烧种类代号(二)比如:LSG0.5-0.4-170-AII含义是立式水管燃煤蒸汽锅炉,炉排固定,每小时蒸发量0.5T,额定蒸汽压力0.4Mpa,额定蒸汽温度170℃,燃烧介质二类烟煤。
锅炉行业为了便于行业内部锅炉规格表达统计和书写方便,人为制定一些字母、特殊符号进行组合,表示特定的锅炉类别,以此区分蒸汽锅炉、热水锅炉、导热油炉等系列,锅炉型号代号解释如下:
一、蒸汽锅炉型号解释:
注释:1—锅炉型式; 2—燃烧方式; 3—额定蒸发量(t/h);4—额定蒸汽压力;5—过热蒸汽温度; 6—燃料种类;举例DZL4-1.25-193-AII代表卧式快装燃煤蒸汽锅炉,DZ代表锅炉型式-单筒纵置式,L代表机械链条炉排,其额定蒸发量4t/h,额定工作压力1.25Mpa,饱和蒸汽温度193℃,AII代表二类烟煤为燃烧介质
二、热水锅炉型号解释:
注释:1—锅炉型式;2—燃烧方式;3—额定热功率(MW);4—允许工作压力;5—出/进水水温,6—燃料种类;举例CLSG0.7-95/70-AII代表立式常压燃煤热水锅炉,C代表常压,LS代表锅炉型式-立式水管型,G代表固定炉排,其额定功率是0.7Mw,出进水温度分别是95-70℃,AII代表燃烧介质是II类烟煤。
三、有机热载体炉型号解释:
注释:1—炉型号代号;2—燃烧设备代号;3—炉体安置型式代号;4—额定热功率(KW);5—燃料代号;举例YGL-1400代表立式有机热载体导热油炉其功率是1400Kw/h(相当于
120x104Kcal/h,也叫120万大卡每小时)。
[炉型号代号分为液相炉(Y)、气相炉(Q)。
燃烧设备代号分为油燃烧器(Y)、气燃烧器(Q)、链条L及其它G,]
四、锅炉型式代号
六、锅炉燃烧种类代号
燃烧种类代号(二)
比如:LSG0.5-0.4-170-AII含义是立式水管燃煤蒸汽锅炉,炉排固定,每小时蒸发量0.5T,额定蒸汽压力0.4Mpa,额定蒸汽温度170℃,燃烧介质二类烟煤。
锅炉型号中各符号所代表的意义一、燃煤、燃油、燃气、生物持锅炉型号(一)型号:按JB/T1626-92《工业锅炉产品型号编制方法》规定,锅炉号由三部分组成,各部分之间用短横线相连,如下面式样表示:△△△☆☆— XX / XXX — X各符号代表意思依次为:△△——总体型号代号△——燃烧设备代号☆☆——额定蒸发量(t/h)或额定热功率(MW)XX ——额定蒸汽压力或允许工作压力(MPa)XXX ——过热蒸汽温度或出水温度/进水温度(℃)X ——燃料种类代号型号的第一部分表示锅炉和燃烧设备的型式及锅炉容量,共分三段。
第一段用两个汉语拼音字母代表锅炉整体型式(见表1.2-1、表1.2-2);第二段用一汉语拼音字母代表燃烧设备(邮包表1.2-3);第三段用阿拉伯数字表示蒸汽锅炉额定蒸发量t/h或热水锅炉额定热功率MW。
型号的第二部介质参数,共分两段(热水锅炉分三段),中间用斜线相连。
第一段表示客定蒸汽压力或允许工作压力;第二段表示过热蒸汽温度(蒸汽温度为饱和温度时不表示);热水锅炉第二段和第三段表示出水温度和进水温度。
型号的第三部分表示燃料种类,用汉语拼音字母代表,同时用罗马字母代表燃料品种分类(见表1.2-4)表1.2-1 锅壳锅炉总体型式代号注:卧式水火管快装锅炉总体型式代号为DN,表1.2-2 水管锅炉总体型式代号表1.2-3 燃烧设备代号注:煤粉炉和燃油燃气锅炉属室燃炉,烯烧设备代号为S。
表1.2-4 燃料品种代号注:①小型燃油燃气锅炉一般适用多种燃料,故燃料代号通常均写成Y或Q②在锅炉型号表示方法中,对常压热水锅炉,只须在型式代号之前加上常压代号C,并取消允许工作压力,其他表示方法不变。
(二)型号举例(见表1.2-5)表1.2-5 型号举例对于国外进口的锅炉,各国型号不一样,没有统一规定,可根据其产品样本、图纸资料、产品质量证明书等识别。
蒸汽锅炉型号表示方法
蒸汽锅炉的型号表示方法可以根据不同的制造商而有所不同,但通常会包括以下几个要素:
1. 锅炉类型:通常使用字母或数字表示,如"W"表示水管锅炉、"D"表示烟管锅炉等。
2. 锅炉功率:表示锅炉的额定功率,以千瓦(kW)或兆瓦(MW)为单位。
3. 锅炉压力:表示锅炉的额定工作压力,通常以兆帕(MPa)或巴(bar)为单位。
4. 锅炉容量:表示锅炉蒸发量或蒸发能力,通常以吨/小时
(t/h)或千克/小时(kg/h)为单位。
5. 其他参数:根据不同的制造商和型号,可能还会包括一些其他参数,如燃料类型、燃料消耗率、燃烧器类型、燃烧方式等。
总体而言,蒸汽锅炉型号表示方法是根据锅炉的基本参数和特性进行命名,以便用户能够清楚地了解锅炉的技术性能和适用范围。
燃煤、燃油、燃气、生物持锅炉型号豫园锅炉现有:(一)型号:锅炉号由三部分组成,各部分之间用短横线相连,如下面式样表示:型号的第一部分表示锅炉和燃烧设备的型式及锅炉容量,共分三段。
第一段用两个汉语拼音字母代表锅炉整体型式;第二段用一汉语拼音字母代表燃烧设备;第三段用阿拉伯数字表示蒸汽锅炉额定蒸发量t/h或热水锅炉额定热功率MW。
型号的第二部介质参数,共分两段(热水锅炉分三段),中间用斜线相连。
第一段表示客定蒸汽压力或允许工作压力;第二段表示过热蒸汽温度(蒸汽温度为饱和温度时不表示);热水锅炉第二段和第三段表示出水温度和进水温度。
型号的第三部分表示燃料种类,用汉语拼音字母代表,同时用罗马字母代表燃料品种分类。
锅壳锅炉总体型式代号锅壳锅炉总体型式代号锅壳锅炉总体型式代号立式锅炉LS(立水)卧式外燃WW(卧外)立式火管LH(立火)卧式内燃WN(卧内)注:卧式水火管快装锅炉总体型式代号为DN。
水管锅炉总体型式代号水管锅炉总体型式代号水管锅炉总体型式代号单锅筒立式DL(单式)双管锅炉横式SH(双横)单锅筒纵置式DZ(单式)纵横锅筒式ZH(纵横)单锅筒横置式DH(单横)强制循环式QX(强制)双锅筒纵置式SZ(双纵)燃烧设备代号燃烧设备代号燃烧设备代号固定炉排G(固)抛煤机P(抛)固定双层炉排C(层)振动炉排Z(振)活动手摇炉排H(活)下饲炉排A(下)链条炉排L(链)沸腾炉F(沸)往复炉排W(往)室燃炉S(室)注:煤粉炉和燃油燃气锅炉属室燃炉,烯烧设备代号为S。
燃料品种代号燃料品种代号燃料品种代号燃料品种代号Ⅰ类劣质煤LⅠⅠ类烟煤AⅠ型煤XⅡ类劣质煤LⅡⅡ类烟煤AⅡ木材MⅠ类无烟煤WⅠⅢ类烟煤AⅢ稻糠DⅡ类无烟煤WⅠ褐煤H甘蔗渣GⅢ类无烟煤WⅡ贫煤P柴油YC重油YZ焦炉煤气QJ油母页岩YM天燃气QT液化石油气QY其他燃料T注:①小型燃油燃气锅炉一般适用多种燃料,故燃料代号通常均写成Y或Q;②在锅炉型号表示方法中,对常压热水锅炉,只须在型式代号之前加上常压代号C,并取消允许工作压力,其他表示方法不变。
锅炉型号表示意思
1、SZL6—1。
25-AII表示6T双锅筒纵置式链条炉排工作压力1。
25MPa燃煤蒸汽锅炉,即:S——表示双锅筒;Z——表示纵置式;L-—表示链条炉排;AII——表示II类烟煤.
2、WNS4。
2— 1.0/115/70— Q,WNS表示为卧式内燃锅炉,额定热功率4。
2兆瓦(6吨热水锅炉)工作压力1.0兆帕出水温度115 回水温度70 ,Q为燃料,天然气。
3、DZH4—1。
25-AII锅炉,DZ 单锅筒纵置式,H 燃烧设备活动手摇炉排,4 蒸发量每小时4吨,1.25 额定工作压力1。
25MPa,AII 使用的燃料为II类。
4、LSH0。
5—0。
7—AII为立式燃煤蒸汽锅炉,额定蒸发量:0.5吨/时蒸汽压力:0。
7MPa 蒸汽温度:170度。
5、SHL10—1。
3/350—WII 表示双锅筒横置式链条炉排,额定蒸发量为10t/h,额定工作压力为1。
3MPa,过热蒸汽温度为350°C,燃用II类无烟煤的蒸汽锅炉。
一、燃煤、燃油、燃气、生物持锅炉型号(一)型号:按JB/T1626-92《工业锅炉产品型号编制方法》规定,锅炉号由三部分组成,各部分之间用短横线相连,如下面式样表示:型号的第一部分表示锅炉和燃烧设备的型式及锅炉容量,共分三段。
第一段用两个汉语拼音字母代表锅炉整体型式(见表1.2-1、表1.2-2);第二段用一汉语拼音字母代表燃烧设备(邮包表1.2-3);第三段用阿拉伯数字表示蒸汽锅炉额定蒸发量t/h或热水锅炉额定热功率MW。
型号的第二部介质参数,共分两段(热水锅炉分三段),中间用斜线相连。
第一段表示客定蒸汽压力或允许工作压力;第二段表示过热蒸汽温度(蒸汽温度为饱和温度时不表示);热水锅炉第二段和第三段表示出水温度和进水温度。
型号的第三部分表示燃料种类,用汉语拼音字母代表,同时用罗马字母代表燃料品种分类(见表1.2-4)表1.2-1锅壳锅炉总体型式代号注:卧式水火管快装锅炉总体型式代号为DN,表1.2-2水管锅炉总体型式代号表1.2-3燃烧设备代号注:煤粉炉和燃油燃气锅炉属室燃炉,烯烧设备代号为S。
表1.2-4燃料品种代号注:①小型燃油燃气锅炉一般适用多种燃料,故燃料代号通常均写成Y或Q②在锅炉型号表示方法中,对常压热水锅炉,只须在型式代号之前加上常压代号C,并取消允许工作压力,其他表示方法不变。
(二)型号举例(见表1.2-5)表1.2-5型号举例对于国外进口的锅炉,各国型号不一样,没有统一规定,可根据其产品样本、图纸资料、产品质量证明书等识别。
锅炉产品系列备注锅炉命名规则 JB/T1626-2002燃烧设备代号燃料种类代号固定炉排GⅠ类烟煤AⅠ固定双层炉排CⅡ类烟煤AⅡ链条炉排L 油Y室燃炉S 气Q锅炉类别锅炉本体型式代号锅壳锅炉立式水管LS立式火管LH常压立式水管CSL水管锅炉单锅筒立式DZ余热锅炉命名规则 JB/T9560-1999余热载体类别余热载体量名称代号单位名称单位气体Q(气)千立方米每小时×103m3/h1)液体Y(液)吨每小时t/h固体G(固)吨每小时t/h烟气分类特性代号含尘类C(尘)腐蚀类F(腐)粘结类Z(粘)注:补燃代号以字母B表示电站锅炉产品型号编制方法JB/T 1617-1999 (代替 JB1617-75)1.范围本标准规定了锅炉产品型号的编制方法。
一、燃煤、燃油、燃气、生物持锅炉型号(一)型号:按JB/T1626-92《工业锅炉产品型号编制方法》规定,锅炉号由三部分组成,各部分之间用短横线相连,如下面式样表示:型号的第一部分表示锅炉和燃烧设备的型式及锅炉容量,共分三段。
第一段用两个汉语拼音字母代表锅炉整体型式(见表1.2-1、表1.2-2);第二段用一汉语拼音字母代表燃烧设备(邮包表1.2-3);第三段用阿拉伯数字表示蒸汽锅炉额定蒸发量t/h或热水锅炉额定热功率MW。
型号的第二部介质参数,共分两段(热水锅炉分三段),中间用斜线相连。
第一段表示客定蒸汽压力或允许工作压力;第二段表示过热蒸汽温度(蒸汽温度为饱和温度时不表示);热水锅炉第二段和第三段表示出水温度和进水温度。
型号的第三部分表示燃料种类,用汉语拼音字母代表,同时用罗马字母代表燃料品种分类(见表1.2-4)表1.2-1 锅壳锅炉总体型式代号注:卧式水火管快装锅炉总体型式代号为DN,表1.2-2 水管锅炉总体型式代号表1.2-3 燃烧设备代号注:煤粉炉和燃油燃气锅炉属室燃炉,烯烧设备代号为S。
表1.2-4 燃料品种代号注:①小型燃油燃气锅炉一般适用多种燃料,故燃料代号通常均写成Y或Q②在锅炉型号表示方法中,对常压热水锅炉,只须在型式代号之前加上常压代号C,并取消允许工作压力,其他表示方法不变。
(二)型号举例(见表1.2-5)表1.2-5 型号举例对于国外进口的锅炉,各国型号不一样,没有统一规定,可根据其产品样本、图纸资料、产品质量证明书等识别。
锅炉产品系列锅炉命名规则 JB/T1626-2002燃烧设备代号燃料种类代号固定炉排G Ⅰ类烟煤AⅠ固定双层炉排CⅡ类烟煤AⅡ链条炉排L油Y 室燃炉S气Q锅炉类别锅炉本体型式代号锅壳锅炉立式水管LS 立式火管LH 常压立式水管CSL水管锅炉单锅筒立式DZ余热锅炉命名规则 JB/T9560-1999余热载体类别余热载体量名称代号单位名称单位气体Q(气)千立方米每小时×103m3/h1)液体Y(液)吨每小时t/h固体G(固)吨每小时t/h烟气分类特性代号含尘类C(尘)腐蚀类F(腐)粘结类Z(粘)注: 补燃代号以字母B表示电站锅炉产品型号编制方法JB/T 1617-1999 (代替 JB1617-75)1.范围本标准规定了锅炉产品型号的编制方法。
一、燃煤、燃油、燃气、生物持锅炉型号(一)型号:按JB/T1626-92《工业锅炉产品型号编制方法》规定,锅炉号由三部分组成,各部分之间用短横线相连,如下面式样表示:型号的第一部分表示锅炉和燃烧设备的型式及锅炉容量,共分三段。
第一段用两个汉语拼音字母代表锅炉整体型式(见表1.2-1、表1.2-2);第二段用一汉语拼音字母代表燃烧设备(邮包表1.2-3);第三段用阿拉伯数字表示蒸汽锅炉额定蒸发量t/h或热水锅炉额定热功率MW。
型号的第二部介质参数,共分两段(热水锅炉分三段),中间用斜线相连。
第一段表示客定蒸汽压力或允许工作压力;第二段表示过热蒸汽温度(蒸汽温度为饱和温度时不表示);热水锅炉第二段和第三段表示出水温度和进水温度。
型号的第三部分表示燃料种类,用汉语拼音字母代表,同时用罗马字母代表燃料品种分类(见表1.2-4)表1.2-1 锅壳锅炉总体型式代号注:卧式水火管快装锅炉总体型式代号为DN,表1.2-2 水管锅炉总体型式代号表1.2-3 燃烧设备代号注:煤粉炉和燃油燃气锅炉属室燃炉,烯烧设备代号为S。
表1.2-4 燃料品种代号注:①小型燃油燃气锅炉一般适用多种燃料,故燃料代号通常均写成Y或Q②在锅炉型号表示方法中,对常压热水锅炉,只须在型式代号之前加上常压代号C,并取消允许工作压力,其他表示方法不变。
(二)型号举例(见表1.2-5)表1.2-5 型号举例对于国外进口的锅炉,各国型号不一样,没有统一规定,可根据其产品样本、图纸资料、产品质量证明书等识别。
锅炉产品系列备注锅炉命名规则JB/T1626-2002燃烧设备代号燃料种类代号固定炉排GⅠ类烟煤AⅠ固定双层炉排CⅡ类烟煤AⅡ链条炉排L油Y室燃炉S气Q锅炉类别锅炉本体型式代号锅壳锅炉立式水管LS立式火管LH常压立式水管CSL水管锅炉单锅筒立式DZ余热锅炉命名规则JB/T9560-1999余热载体类别余热载体量名称代号单位名称单位气体Q(气)千立方米每小时×103m3/h1)液体Y(液)吨每小时t/h固体G(固)吨每小时t/h烟气分类特性代号含尘类C(尘)腐蚀类F(腐)粘结类Z(粘)注: 补燃代号以字母B表示。
锅炉型号代号的意义解释
工业锅炉分为四大类;蒸汽锅炉、热水锅炉、汽水两用型、有机热载体导热油炉。
蒸汽锅炉按燃烧介质的不同分为燃煤蒸汽锅炉,燃油蒸汽锅炉,电加热蒸汽锅炉及其它;热水锅炉按燃烧介质分为燃煤热水锅炉,燃油热水锅炉,电热水锅炉及其它。
—燃料种类举例。
DZL4-1.25-193-AII代表卧式快装燃煤蒸汽锅炉,DZ代表锅炉型式-单筒纵置式,L代表机械链条炉排,其额定蒸发量4t/h,额定工作压力1.25Mpa,饱和蒸汽温度193℃,A||代表二类烟煤为燃烧介质。
燃料种类。
举例CLSG0.7-95/70-AII代表立式常压燃煤热水锅炉,C代表常压,LS代表锅炉型式-立式水管型,G代表固定炉排,其额定功率是0.7Mw,出进水温度分别是95-70℃,AII代表燃烧介质是||类烟煤。
注释:1KW);5—燃料代号。
举例YGL-1400代表立式有机热载体导热油炉其功率是1400Kw/h(相当于120x104Kcal/h,也叫120万大卡每小时)。
[炉型号代号分为液相炉(Y)、气相炉(Q)。
燃烧设备代号分为油燃烧器(Y)、气燃烧器(Q)、链条L及其它G。
六、锅炉燃烧种类代号
压力0.4Mpa,额定蒸汽温度170℃,燃烧介质二类烟煤。
一、燃煤、燃油、燃气、生物持锅炉型号之蔡仲巾千创作(一)型号:按JB/T162692《工业锅炉产品型号编制方法》规定,锅炉号由三部分组成,各部分之间用短横线相连,如下面式样暗示:型号的第一部分暗示锅炉和燃烧设备的型式及锅炉容量,共分三段。
第一段用两个汉语拼音字母代表锅炉整体型式(见表1.21、表1.22);第二段用一汉语拼音字母代表燃烧设备(邮包表1.23);第三段用阿拉伯数字暗示蒸汽锅炉额定蒸发量t/h或热水锅炉额定热功率MW。
型号的第二部介质参数,共分两段(热水锅炉分三段),中间用斜线相连。
第一段暗示客定蒸汽压力或允许工作压力;第二段暗示过热蒸汽温度(蒸汽温度为饱和温度时不暗示);热水锅炉第二段和第三段暗示出水温度和进水温度。
型号的第三部分暗示燃料种类,用汉语拼音字母代表,同时用罗马字母代表燃料品种分类(见表1.24)表1.21 锅壳锅炉总体型式代号注:卧式水火管快装锅炉总体型式代号为DN,表1.22 水管锅炉总体型式代号表1.23 燃烧设备代号注:煤粉炉和燃油燃气锅炉属室燃炉,烯烧设备代号为S。
表1.24 燃料品种代号注:①小型燃油燃气锅炉一般适用多种燃料,故燃料代号通常均写成Y或Q②在锅炉型号暗示方法中,对常压热水锅炉,只须在型式代号之前加上常压代号C,并取消允许工作压力,其他暗示方法不变。
(二)型号举例(见表1.25)表1.25 型号举例对于国外进口的锅炉,各国型号纷歧样,没有统一规定,可根据其产品样本、图纸资料、产品质量证明书等识别。
锅炉产品系列燃烧设备代号燃料种类代号固定炉排G Ⅰ类烟煤AⅠ固定双层炉排CⅡ类烟煤AⅡ链条炉排L油Y 室燃炉S气Q锅炉类别锅炉本体型式代号锅壳锅炉立式水管LS 立式火管LH 常压立式水管CSL水管锅炉单锅筒立式DZ余热载体类别余热载体量名称代号单位名称单位气体Q(气)千立方米每小时×103m3/h1)液体Y(液)吨每小时t/h固体G(固)吨每小时t/h烟气分类特性代号含尘类C(尘)腐蚀类F(腐)粘结类Z(粘)注: 补燃代号以字母B暗示电站锅炉产品型号编制方法JB/T 16171999 (代替 JB161775)1.范围本尺度规定了锅炉产品型号的编制方法。
一、燃煤、燃油、燃气、生物持锅炉型号(一)型号:按JB/T1626—92《工业锅炉产品型号编制方法》规定,锅炉号由三部分组成,各部分之间用短横线相连,如下面式样表示:型号的第一部分表示锅炉和燃烧设备的型式及锅炉容量,共分三段。
第一段用两个汉语拼音字母代表锅炉整体型式(见表1.2-1、表1.2-2);第二段用一汉语拼音字母代表燃烧设备(邮包表1。
2-3);第三段用阿拉伯数字表示蒸汽锅炉额定蒸发量t/h或热水锅炉额定热功率MW。
型号的第二部介质参数,共分两段(热水锅炉分三段),中间用斜线相连。
第一段表示客定蒸汽压力或允许工作压力;第二段表示过热蒸汽温度(蒸汽温度为饱和温度时不表示);热水锅炉第二段和第三段表示出水温度和进水温度。
型号的第三部分表示燃料种类,用汉语拼音字母代表,同时用罗马字母代表燃料品种分类(见表1.2-4)表1。
2-1 锅壳锅炉总体型式代号锅壳锅炉总体型式代号锅壳锅炉总体型式代号立式锅炉LS(立水)卧式外燃WW(卧外)立式火管LH(立火)卧式内燃WN(卧内)注:卧式水火管快装锅炉总体型式代号为DN,表1.2-2 水管锅炉总体型式代号水管锅炉总体型式代号水管锅炉总体型式代号单锅筒立式DL(单式) 双管锅炉横式SH(双横)单锅筒纵置式DZ(单式)纵横锅筒式ZH(纵横)单锅筒横置式DH(单横)强制循环式QX(强制)双锅筒纵置式SZ(双纵)表1。
2-3 燃烧设备代号注:煤粉炉和燃油燃气锅炉属室燃炉,烯烧设备代号为S。
表1.2-4 燃料品种代号注:①小型燃油燃气锅炉一般适用多种燃料,故燃料代号通常均写成Y或Q②在锅炉型号表示方法中,对常压热水锅炉,只须在型式代号之前加上常压代号C,并取消允许工作压力,其他表示方法不变。
(二)型号举例(见表1。
2—5)表1.2—5 型号举例对于国外进口的锅炉,各国型号不一样,没有统一规定,可根据其产品样本、图纸资料、产品质量证明书等识别。
锅炉产品系列-0。
04-AⅡ-0.4-WIIY1-0。
锅炉型号说明工业锅炉产品型号由三部分组成,各部分之间用短横线相连。
(1)型号的第一部分表示锅炉型式、燃烧方式和额定蒸发量或额定供热量。
共分三段:第一段用两个汉语拼音字母代表锅炉总体型式(见表1-3、表1-4);第二段用一个汉语拼音字母代表燃烧方式(见表1-5);第三段用阿拉伯数字表示蒸汽锅炉额定蒸发量为若干吨/时或热水锅炉额定供热量为若干10000千卡/时。
各段连续书写,互相衔接。
(2)型号的第二部分表示介质参数。
共分两段:中间以斜线相连。
第一段用阿拉伯数字表示介质出口压力为若干千克力/厘米2;第二段用阿拉伯数字表示过热蒸汽温度或出水温度/回水温度。
蒸汽温度为饱和温度时,型号的第二部分无斜线和第二段。
表1-3 锅壳锅炉锅炉总体型式代号;立式水管 LS(立水)立式火管 LH(立火)卧式外燃 WW(卧式)卧式内燃 WN(卧内)表1-4 水管锅炉锅炉总体型式代号;单锅筒立式 DL(单立);单锅筒纵置式 DZ(单纵)单锅筒横置式 DH(单横);双锅筒纵置式 SZ(双纵);双锅筒横置式 SH(双横)纵横锅筒式 ZH(纵横)强制循环式 QX(强循)(3)型号的第三部分表示燃料种类和设计次序,共分两段:第一段汉语拼音字母代表燃料,同时以罗马数字代表燃料分类与其并列(见表1-6)。
如同时使用几种燃料,主要燃料放在前面;第二段以阿拉伯数字表示设计次序,和第一连续顺序书写,原型设计无第二段。
表1-5燃烧方式代号固定炉排 G(固);活动手摇炉排 H(活);链条炉排 J(链)往复推动炉排 W(往);抛煤机 P(抛);倒转炉排加抛煤机 D(倒)振动炉排 Z(振);下饲炉排 A(下);沸腾炉 F(沸);半沸腾炉 B(半)室燃炉 S(室);旋风炉 X(旋)表1-6燃料品种代号Ⅰ类石煤煤矸石 SⅠ;Ⅱ类石煤煤矸石 SⅡ;Ⅲ类石煤煤矸石 SⅢⅠ类无烟煤 WⅠ;Ⅱ类无烟煤 WⅡ;Ⅲ类无烟煤 WⅢ;Ⅰ类烟煤 AⅠⅡ类烟煤 AⅡ;Ⅲ类烟煤 AⅢ褐煤 H ;贫煤 P ;木柴 M ;稻糠 D ;甘蔗渣 G ;油 Y ;气 Q油母页岩 YM2、举例(1)DZL4-13WⅡ表示单锅筒纵置式链条炉排,额定蒸发量为4t/h,蒸汽压力为13kgf/cm2,蒸汽温度为饱和温度,燃用Ⅱ类无烟煤,原型设计的蒸汽锅炉。
锅炉型编码简写字母大全公司标准化编码 [QQX96QT-XQQB89Q8-NQQJ6Q8-MQM9N]燃煤、燃油、燃气、生物持锅炉型号豫园锅炉现有:(一)型号:锅炉号由三部分组成,各部分之间用短横线相连,如下面式样表示:型号的第一部分表示锅炉和燃烧设备的型式及锅炉容量,共分三段。
第一段用两个汉语拼音字母代表锅炉整体型式;第二段用一汉语拼音字母代表燃烧设备;第三段用阿拉伯数字表示蒸汽锅炉额定蒸发量t/h或热水锅炉额定热功率MW。
型号的第二部介质参数,共分两段(热水锅炉分三段),中间用斜线相连。
第一段表示客定蒸汽压力或允许工作压力;第二段表示过热蒸汽温度(蒸汽温度为饱和温度时不表示);热水锅炉第二段和第三段表示出水温度和进水温度。
型号的第三部分表示燃料种类,用汉语拼音字母代表,同时用罗马字母代表燃料品种分类。
锅壳锅炉总体型式代号锅壳锅炉总体型式代号锅壳锅炉总体型式代号立式锅炉LS(立水)卧式外燃WW(卧外)立式火管LH(立火)卧式内燃WN(卧内)注:卧式水火管快装锅炉总体型式代号为DN。
水管锅炉总体型式代号水管锅炉总体型式代号水管锅炉总体型式代号单锅筒立式DL(单式)双管锅炉横式SH(双横)单锅筒纵置式DZ(单式)纵横锅筒式ZH(纵横)单锅筒横置式DH(单横)强制循环式QX(强制)双锅筒纵置式SZ(双纵)燃烧设备代号燃烧设备代号燃烧设备代号固定炉排G(固)抛煤机P(抛)固定双层炉排C(层)振动炉排Z(振)活动手摇炉排H(活)下饲炉排A(下)链条炉排L(链)沸腾炉F(沸)往复炉排W(往)室燃炉S(室)注:煤粉炉和燃油燃气锅炉属室燃炉,烯烧设备代号为S。
燃料品种代号燃料品种代号燃料品种代号燃料品种代号Ⅰ类劣质煤LⅠⅠ类烟煤AⅠ型?煤XⅡ类劣质煤LⅡⅡ类烟煤AⅡ木?材MⅠ类无烟煤WⅠⅢ类烟煤AⅢ稻?糠DⅡ类无烟煤WⅠ褐?煤H甘蔗渣GⅢ类无烟煤WⅡ贫?煤P柴?油YC重?油YZ焦炉煤气QJ油母页岩YM天燃气QT液化石油气QY其他燃料T注:①小型燃油燃气锅炉一般适用多种燃料,故燃料代号通常均写成Y或Q;②在锅炉型号表示方法中,对常压热水锅炉,只须在型式代号之前加上常压代号C,并取消允许工作压力,其他表示方法不变。
锅炉型号表示意思
1、SZL6-1.25-AII表示6T双锅筒纵置式链条炉排工作压力1.25MPa燃煤蒸汽锅炉,即:S——表示双锅筒;Z——表示纵置式;L——表示链条炉排; AII——表示II类烟煤。
2、WNS4.2- 1.0/115/70- Q,WNS表示为卧式内燃锅炉,额定热功率4.2兆瓦(6吨热水锅炉)工作压力1.0兆帕出水温度115 回水温度70 ,Q为燃料,天然气。
3、DZH4-1.25-AII锅炉,DZ 单锅筒纵置式,H 燃烧设备活动手摇炉排,4 蒸发量每小时4吨,1.25 额定工作压力1.25MPa,AII 使用的燃料为II类。
4、LSH0.5-0.7-AII为立式燃煤蒸汽锅炉,额定蒸发量:0.5吨/时蒸汽压力:0.7MPa 蒸汽温度:170度。
5、SHL10-1.3/350-WII 表示双锅筒横置式链条炉排,额定蒸发量为10t/h,额定工作压力为1.3MPa,过热蒸汽温度为350°C,燃用II类无烟煤的蒸汽锅炉。