修订内容差异对照表【模板】
- 格式:docx
- 大小:18.02 KB
- 文档页数:1
北京梅泰诺通信技术股份有限公司发行股份及支付现金购买资产并募集配套资金报告书(草案)与预案(修
订稿)差异情况对照表
北京梅泰诺通信技术股份有限公司于2018年3月26日召开第三届董事会第三十八次会议,审议通过了本次发行股份及支付现金购买资产并募集配套资金预案及与本次发行股份及支付现金购买资产并募集配套资金相关的议案。
2018年4月4日,公司收到了深圳证券交易所创业板公司管理部下发的《关于对北京梅泰诺通信技术股份有限公司的重组问询函》(创业板许可类重组问询函【2018】第7号)。
2018年4月25日,公司收到了深圳证券交易所创业板公司管理部下发的《关于对北京梅泰诺通信技术股份有限公司的重组问询函》(创业板许可类重组问询函【2018】第12号)。
公司根据上述两次问询函的要求对预案等文件进行了修订和补充,并于2018年5月14日披露了《北京梅泰诺通信技术股份有限公司发行股份及支付现金购买资产并募集配套资金预案(修订稿)》。
鉴于本次重组的相关审计、评估工作已经完成,公司已根据《公开发行证券的公司信息披露内容与格式准则第26 号——上市公司重大资产重组(2017年修订)》(以下简称“格式准则”)等法律法规要求编制了《梅泰诺发行股份及支付现金购买资产并募集配套资金暨关联交易报告书(草案)》(以下简称“重组报告书(草案)”),于2018 年6月22日经公司第三届董事会第四十一次会议审议通过,现对重组报告书(草案)和预案(修订稿)主要差异进行如下说明:
(本页无正文,为《北京梅泰诺通信技术股份有限公司发行股份及支付现金购买资产并募集配套资金暨关联交易报告书(草案)与预案(修订稿)差异情况对照表》之盖章页)
恒泰长财证券有限责任公司
年月日。
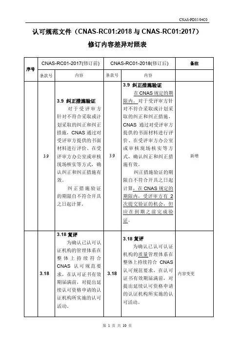
新版TS16949标准对比差异与对应需修订文件
新版TS16949标准对比差异与对应需修订文件
其他ISO9000中变化的条款,会对其他程序文件进行适情修改,以达到符合标准条款的要求。
請特別注意下列方面:
(1) 8.2.2负责受审核区域的管理者应确保及时采取必要的纠正(Correction) 和纠正措施(Corrective Actions) ----- 糾正(Correction)的意思是指
“立即性措施”, 也就是針對這個不符合項, 馬上要採取什麼措施.
(2) 8.3.d 需將“当在交付或开始使用后发现产品不合格时,组织应采取与不合格的影响或潜在影响的程度相适应的措施”字眼及相關措施寫到程序文
件中.
(3) 8.5.2.d “评审所采取的纠正措施的有效性”---- 需要去確認“有效性”, 而非僅僅去確認這些措施“執行了沒有”, 還必須要確認“執行完這些措施後,
是否有效”
(4) 8.5.3d “评审所采取的预防措施的有效性”---- 需要去確認“有效性”, 而非僅僅去確認這些措施“執行了沒有”, 還必須要確認“執行完這些措施後,
是否有效。
关于《“5S”管理办法》的修订说明修订原因:FNLQGH07002“5S”管理办法第一版对“5S”的定义、作用、操作流程、推进流程等方面的阐述比较模糊,可操作性较低,实际起到的指导性作用不大,因此,有必要对原版进行修改。
建议对该管理规定部分内容进行修改如下:(蓝色为原文,红色为修改)序号条目管理规定原文修改为1 “5S”的定义1、“5S”:源于日本,指整理(SEIRI)、整顿(SEITON)、清扫(SEISO)、清洁(SEIKETSU)、素养(SHITSUKE),由于这5个词在日语的罗马拼音中第一个字母都为S,所以简称为“5S”。
2、“5S”管理:指的是在办公、生产现场,对材料、设备、人员等生产要素开展相应的整理、整顿、清扫、清洁、素养等活动。
3、整理:工作现场,制定要与不要的判别基准,将两者严格区分开来,只保留有用的东西,断然处置不必要的东西。
4、整顿:将工作现场内要用的物品,以使用频率和常用程度为基准,按规定分门别类,遵循平行、直角、直线的原则,定位、定量摆放整齐,并加以明确标识,使物品处于在必要的时候马上就能取出来的状态。
5、清扫:将工作场所及工作用的设备、物品清扫干净,保持工作场所干净、亮丽。
6、清洁:将整理、整顿、清扫的作法制度化、标准化,并维持成果。
个人按要求做好个人卫生清洁,保持个人仪容仪表整洁。
7、素养:通过进行上述4S的活动,让每位员工都自觉遵守各项规则制度,养成按规定行事的良好工作习惯。
5S指的是日文的SEIRI(整理)、SEITON(整顿)、SEISO(清扫)、SEIKETSU(清洁)、SHITSUKE(素养)这五个单词,由于这5个单词在日语的罗马拼音中第一个字母都为S,所以简称为“5S”,具体内容见下表:中文日文定义整理SEIRI盘查工作场所内所有东西,按使用频率标识设备物品,清走不要用和无用的东西。
整顿SEITON要用的东西,按岗位使用频率定位摆放,并做好标识,让使用时寻找时间为零。
變更內容對照表(範例)
*如為變更申請方需檢附本表*
污染物產生源資料表(表B)(範例)
同產品產線請分別編號表示。
【產線以M01、M02…等分別表示;製程單元以E01、E02…等分別表示】(例如M01E01、M01E02…等,以此類推)。
2.請於圖面各製程單元針對廢氣、廢水及主要廢棄物產出流向予以標示。
3.本表如不敷使用請自行增加頁數,編號以表B-1、表B-2…區分表示。
產品及原物料資料表(表C)(範例)
2.製程中若使用含有溫室氣體的原物料,或製程中有使用燃料者,請將該原物料或燃料一併列出;並於污染物資料表(表D-4)填具所產生之溫室氣體排放量。
2.製程中若使用含有溫室氣體的原物料,或製程中有使用燃料者,請將該原物料或燃料一併列出;並於污染物資料表(表D-4)填具所產生之溫室氣體排放量。
2.製程中若使用含有溫室氣體的原物料,或製程中有使用燃料者,請將該原物料或燃料一併列出;並於污染物資料表(表D-4)填具所產生之溫室氣體排放
2.製程中若使用含有溫室氣體的原物料,或製程中有使用燃料者,請將該原物料或燃料一併列出;並於污染物資料表(表D-4)填具所產生之溫室氣體排放
污染物資料表-廢污水(表D-1)(範例)
污染物資料表-廢氣(表D-4)(範例)
。