DDC实训参考资料
- 格式:doc
- 大小:3.39 MB
- 文档页数:54
ddc选型课程设计一、课程目标知识目标:1. 学生能够理解DDC(数据采集与监控系统)的基本概念,掌握其工作原理;2. 学生能够了解DDC选型的依据,包括系统需求、设备性能、成本等因素;3. 学生能够掌握DDC在不同场景下的应用,如智能建筑、工业自动化等。
技能目标:1. 学生能够运用所学知识,分析实际需求,进行DDC选型;2. 学生能够运用DDC选型原则,结合实际案例,制定合理的选型方案;3. 学生能够通过小组合作,提高沟通协调能力和团队协作能力。
情感态度价值观目标:1. 学生能够认识到DDC技术在实际工程中的应用价值,增强对科技创新的兴趣;2. 学生能够通过课程学习,培养自主学习、积极探究的良好习惯;3. 学生能够关注智能控制系统在我国的发展现状及未来趋势,增强国家认同感。
本课程针对高年级学生,结合课本内容,以实用性为导向,旨在提高学生对DDC选型的实际操作能力。
通过本课程的学习,使学生能够将理论知识与实际应用相结合,为未来从事相关工作奠定基础。
同时,注重培养学生的团队协作能力、创新意识和情感态度,全面提升学生的综合素质。
二、教学内容1. DDC基本概念:介绍DDC的定义、功能、分类及其在自动化控制系统中的作用;教材章节:第一章第一节。
2. DDC工作原理:讲解DDC的数据采集、处理、通信与控制过程;教材章节:第一章第二节。
3. DDC选型依据:分析系统需求、设备性能、成本、兼容性等因素在DDC选型中的应用;教材章节:第二章第一节。
4. DDC应用场景:介绍DDC在智能建筑、工业自动化等领域的实际应用案例;教材章节:第二章第二节。
5. DDC选型实例分析:结合实际案例,指导学生进行DDC选型,分析选型过程中的关键因素;教材章节:第二章第三节。
6. 小组讨论与汇报:组织学生分组讨论,制定DDC选型方案,并进行汇报;教材章节:第三章。
7. 教学进度安排:共4课时,第一课时介绍DDC基本概念与工作原理;第二课时讲解DDC选型依据与应用场景;第三课时进行DDC选型实例分析;第四课时进行小组讨论与汇报。
DDC 单回路PID 控制实验实验报告一、对象动态特性实验22111121()1(2)1(1)(G −−++−+=ZZ K z T T T T G(s)离散化得: 差分方程:Y(k)=a0*Y(k-1)+b0*Y(k-2)+c0*R(k) 其中:a0=2.0*T1/T/(1+T1/T)b0=0.0-pow(T1/T,2.0)/(1+T1/T)/(1+T1/T)c0=K1/(1+T1/T)/(1+T1/T)程序框图:相关源程序段:double T,r0,K1,T1,Kp,Ti,Td,Beta;//定义全局变量便于参数传递void CMainFrame::OnDrawObject() { // TODO: Add your command handler code here if(T==0){ ErrorDlg errorDlg; errorDlg.DoModal(); } else{CDC * pDC=GetDC(); CPen pen1,* oldpen;oldpen=pDC->SelectObject(&pen1);//画坐标轴pen1.CreatePen(PS_SOLID,1,RGB(0,0,255));pDC->SelectObject(&pen1);pDC->MoveTo(50,50);pDC->LineTo(50,300);pDC->MoveTo(50,50);pDC->LineTo(46,58);pDC->MoveTo(50,50);pDC->LineTo(54,58);pDC->MoveTo(50,300);pDC->LineTo(490,300);pDC->LineTo(482,295);pDC->MoveTo(490,300);pDC->LineTo(482,305);pDC->SetTextColor(RGB(0,0,255));pDC->TextOut(40,298,"0");pDC->TextOut(56,48,"Y");pDC->TextOut(492,300,"t");pDC->MoveTo(50,180);pen1.DeleteObject();pen1.CreatePen(PS_DASH,1,RGB(0,0,255));pDC->SelectObject(&pen1);pDC->LineTo(480,180);pDC->TextOut(35,174,"r0");pen1.DeleteObject();pen1.CreatePen(PS_SOLID,1,RGB(255,0,0));pDC->SelectObject(&pen1);y=300,t,unity,unitt=2;//两坐标轴单位长intunity=120.0/r0;a0,b0,c0,y0=0,y1=0,y2;doublea0=2.0*T1/T/(1+T1/T);b0=0.0-pow(T1/T,2.0)/(1+T1/T)/(1+T1/T);c0=K1/(1+T1/T)/(1+T1/T);text;CStringtext.Format("对象动态特性曲线:K1=%4.1f, T1=%3.2f, T=%3.2f, r0=%3.1f",K1,T1,T,r0);pDC->TextOut(80,320,text);pDC->MoveTo(50,300);for(t=52;t<=480;t+=unitt){y2=a0*y1+b0*y0+c0*r0;pDC->LineTo(t,y-unity*y2);y0=y1;y1=y2;}pDC->SelectObject(oldpen);}}程序界面及实验输出响应曲线:二、单回路PID控制实验采用增量式:delta_u=a*e(k)+b*e(k-1)+c*e(k-2)其中:a=Kp*(1+T/Ti*L+Td/T) L为积分分离系数b=0.0-Kp*(1+2*Td/T)c=Kp*Td/T;程序框图:相关源程序段:double T,r0,K1,T1,Kp,Ti,Td,Beta;//定义全局变量便于参数传递bool pid=FALSE;void CMainFrame::OnDrawU() // CMainFrame::OnDrawY()基本相同,不再另附源程序{// TODO: Add your command handler code hereif(T==0||(!pid)){ErrorDlgerrorDlg;errorDlg.DoModal();}else{pDC=GetDC();*CDCCPen pen1,* oldpen;oldpen=pDC->SelectObject(&pen1);//画坐标轴pen1.CreatePen(PS_SOLID,1,RGB(0,0,255));pDC->SelectObject(&pen1);pDC->MoveTo(50,50);pDC->LineTo(50,300);pDC->MoveTo(50,50);pDC->LineTo(46,58);pDC->MoveTo(50,50);pDC->LineTo(54,58);pDC->MoveTo(50,300);pDC->LineTo(490,300);pDC->LineTo(482,295);pDC->MoveTo(490,300);pDC->LineTo(482,305);pDC->SetTextColor(RGB(0,0,255));pDC->TextOut(40,298,"0");pDC->TextOut(56,48,"U");pDC->TextOut(492,300,"t");pDC->MoveTo(50,180);pen1.DeleteObject();pen1.CreatePen(PS_DASH,1,RGB(0,0,255));pDC->SelectObject(&pen1);pDC->LineTo(480,180);pDC->TextOut(35,174,"r0");pen1.DeleteObject();pen1.CreatePen(PS_SOLID,1,RGB(0,124,111));pDC->SelectObject(&pen1);u=300,t,unitt=2;//两坐标轴单位长intdoubleunitu=120.0/r0;a,b,c,e0=0,e1=0,e2=r0,u1=0,u2,delta_u;doublea0,b0,c0,y0=0,y1=0,y2;doubleL=1;//积分分离逻辑系数inta0=2.0*T1/T/(1+T1/T);b0=0.0-pow(T1/T,2.0)/(1+T1/T)/(1+T1/T);c0=K1/(1+T1/T)/(1+T1/T);b=0.0-Kp*(1+2*Td/T);c=Kp*Td/T;text1,text2;CStringtext1.Format("PID控制u(t)阶跃响应曲线:Kp=%4.1f, Ti=%3.2f, Td=%3.2f",Kp,Ti,Td);text2.Format("K1=%4.1f, T1=%3.2f, T=%3.2f, r0=%3.1f",K1,T1,T,r0);pDC->TextOut(80,320,text1);pDC->TextOut(120,340,text2);pDC->MoveTo(50,300);for(t=52;t<=480;t+=unitt){if(Beta==0||e2<Beta)L=1;else L=0;a=Kp*(1+T/Ti*L+Td/T);delta_u=a*e2+b*e1+c*e0;u2=u1+delta_u;pDC->LineTo(t,u-unitu*u2);y2=a0*y1+b0*y0+c0*u2;e0=e1;e1=e2;e2=r0-y2;u1=u2;y0=y1;y1=y2;}}}用工程整定法整定PID参数:令T=1,r0=1,K1=1,T1=10取消积分部分作用(取极小Beta值),令Td=0,试得Kp=5时为临界状态,输出曲线:由图知此时周期Tu约为29推算出PID调节时的整定参数Kp=3.125,Ti=14.5,Td=3.625整定后的输出曲线:采用具有积分分离的数字PID算法:对象及PID控制参数均不变,以便与以上无积分分离曲线进行比较β适中(0.8)情况下得曲线β过小(0.2)时得曲线:取Ti=14.5, Td=3.625,改变Kp观察y(t)变化:Kp=10观察图中曲线研Kp=3.125 Kp=1究Kp对调节品质的影响:随着Kp增大,超调量增加,响应速度加快。
DDC是直接数字(Direct Digital Control)的简称,在DDC系统中计算机通过模拟量输道(AI)和开关量输入通道(DI)采集实时数据,然后按照一定的规律进行计算,最控制信号,并通过模拟量输出通道(A0)和开关量输出通道(DO)直接控制生产过程。
DDC控制器控制系统的构成部分1、中央管理计算机。
中央管理计算机设置在中央监控室内,它将来自现场设备的所有信息数据集中提供给监控人员,并接至室内的显示设备、记录设备和报警装置等。
2、DDC(直接数字控制器,亦称下位机)。
DDC作为系统与现场设备的接口,它通过分散设置在被控设备的附近收集来自现场设备的信息,并能独立监控有关现场设备。
3、通信网络。
中央管理计算机与DDC之间的信息传送,由数据传输线路(通信网络)实现,较小规模的BAS系统可以简单地使用屏蔽双绞线作为传输介质。
4、传感器与执行器。
BAS系统的末端为传感器和执行器,它被装置在被控传感元件和执行元件上。
DDC控制器主要功能DDC主要功能包括以下几个方面:1、对第三层的数据采样设备进行周期性的数据采集。
2、对采集的数据进行调整和处理。
3、对现场采集的数据进行分析,确定现场设备的运行状态。
4、对现场设备运行状况进行检查对比,并对异常状态进行报警处理。
5、根据现场采集的数据执行预定的控制算法而获得控制数据。
6、通过预定控制程序完成各种控制功能,包括比例控制、比例加积分控制、比例加积分加微分控制、开关控制、平均值控制、最大/最小值控制、焓值计算控制、逻辑运算控制和联锁控制。
7、向第三层的数据控制和执行设备输出控制和执行命令。
8、通过数据网关或网络控制器连接第一层的设备,与各上级管理计算机进行数据交换,向上传送各项采集数据和设备运行状态信息,同时接收各上级计算机下达的实时控制指令或参数的设定与修改的指令。
模块化设备控制器(MEC)是APOGEE现场管理和控制系统的组成部份,是一个高性能的直接数字控制器(DDC)。
《电法勘探》实验指导书课程编号:210305 学制:四年本科学时: 10学时§ 1.1 仪器基本原理和简单操作方法一、DDC-2B型电子自动补偿仪(一)DDC-2B型电子自动补偿仪原理及面板结构DDC-2A型电子自动补偿仪是利用电流负反馈原理(图1.1.1)。
从理论上可以证明,当仪器放大倍数足够大时,由于反馈电阻R F的作用,造成很强的电流负反馈,以至于在输入回路形成一个与待测电位差ΔU MN大小十分接近,而方向相反的补偿电位差ΔU F,并且ΔU F随ΔU MN变化而变化,自动跟踪补偿,因此当精确地测定反馈电阻上的电流,并将电流表的微安数按相应的毫伏数刻度,则可直接测量ΔU MN。
另外,通过“测量选择”开关,将供电电流在标准电阻上的电位差观测出来,可测得供电电流。
图 1.1.1 电子自动补偿仪原理图DDC-2B自动补偿仪是由输入装置、直流放大器、补偿电路和电源组成,仪器的输入装置包括AB和MN输入端、测量选择开关、供电开关、标准电阻、零点调节器和极化补偿器。
零点调节器用于补偿由于温度、湿度等影响引起仪器的零点位移,调节时仪器的输入端必须短路。
极化补偿器用于补偿测量电极之间的极差或自然电位差的干扰,通过调节“粗”、“中”、“细”补偿电位器即可输出±500mV范围内的电位差。
直流放大器采用直流负反馈调制式直流放大线路。
补偿电路由放大器的输出变压器、量程100μA的电流表及反馈电阻构成,并通过采用不同阻值的反馈电阻以扩大仪器测程。
仪器供电开关最大控制功率为4A×500V。
DDC-2B补偿仪的面板结构如图1.1.2,各部分功能介绍如下。
图1.1.2 电子自动补偿仪面板1.“AB”、“MN”插孔:用于连接供电和测量线路。
2.“ΔV-I AB”测量开关:开关置“ΔV”时,放大器输入端接MN线路,测量ΔV MN;开关置“I AB”时,放大器输入端接0.1Ω标准电阻,测量“I AB”。
大厦空调系统ddc课程设计一、课程目标知识目标:1. 让学生掌握大厦空调系统DDC(直接数字控制)的基础知识,包括其工作原理、系统组成及功能;2. 使学生了解大厦空调系统中DDC控制系统的应用及其对能耗的影响;3. 引导学生了解我国现行的大厦空调系统DDC技术标准及政策要求。
技能目标:1. 培养学生运用DDC控制系统对大厦空调系统进行调试、编程和故障排查的能力;2. 提高学生团队协作和沟通能力,能够针对大厦空调系统DDC问题进行有效讨论和分析;3. 培养学生运用所学知识解决实际问题的能力,设计简单的大厦空调系统DDC控制方案。
情感态度价值观目标:1. 培养学生对大厦空调系统DDC技术的兴趣,激发他们探索智能化建筑领域的好奇心;2. 增强学生的节能环保意识,使他们认识到大厦空调系统DDC技术在节能减排方面的重要性;3. 引导学生树立正确的价值观,认识到技术进步对社会发展的推动作用,增强其社会责任感。
本课程针对高年级学生,结合学科特点和学生实际情况,注重理论与实践相结合,旨在提高学生的专业知识水平和实践能力,同时培养他们的情感态度和价值观。
课程目标具体、可衡量,为后续的教学设计和评估提供了明确的方向。
二、教学内容1. 大厦空调系统DDC基础知识:- 空调系统DDC工作原理;- 空调系统DDC的组成及功能;- 我国大厦空调系统DDC技术标准及政策要求。
2. DDC控制系统在空调系统中的应用:- DDC控制系统在空调系统调试与运行中的应用;- DDC控制系统对空调能耗的影响;- DDC控制系统在节能改造中的应用案例。
3. 大厦空调系统DDC控制技能:- DDC控制系统的编程与调试方法;- 故障排查与处理技巧;- 简单DDC控制方案的设计与实施。
4. 教学内容的安排与进度:- 第1周:大厦空调系统DDC基础知识;- 第2周:DDC控制系统在空调系统中的应用;- 第3周:DDC控制技能(编程、调试、故障排查);- 第4周:简单DDC控制方案的设计与实施。
DDC—6电子自动补偿仪使用说明书重庆地质仪器厂目录一、概述 (4)二、仪器主要特点和功能…………………...……….…..( 4)三、仪器主要技术指标 (4)四、仪器结构 (5)五、操作步骤 (6)六、操作注意事项 (7)七、串行接口的使用 (7)八、仪器的维修和保养 (8)附录一(电极排列说明) (9)一、四极垂向电测深 (10)二、三极垂向电测深 (10)三、四极电剖面测量 (10)四、三极电剖面测量 (11)五、矩形(中间梯度) (11)六、偶极—偶极 (12)七、井中激电(地—井方位测量) (12)八、五极纵轴电测深 (13)附录二(仪器成套性) (14)附录三(存储数据排列格式) (14)附录四(装置的电极距选择规则) (14)附录五 (15)5-1 关于测量数据存储的说明 (15)5-2 该仪器在做复合四极法和联合剖面法中的实际应用…………………………………………………………......(16)附录六(应用实例) (17)一、找水实例的曲线解释 (17)二、找矿实例 (18)附录七(设置工作参数) (21)附录八(串口通讯程序) (22)一. 概述:DDC—6电子自动补偿仪, 是我厂参照国外先进电法仪器的基础上, 结合中国国情和我厂多年生产电法仪器的经验, 精心研制的新一代直流电法仪器。
它将传统电法仪器的发射机和接收机组装在一个箱体里, 可直接用于电阻率法的测量。
可直接显示所测得的参数值, 如视电阻率Rs值, 及电流I和电压V的平均值。
该仪器广泛用于寻找地下水源, 解决人畜用水及工农业用水问题。
用于水文工程, 环境的地质勘探及高分辨电阻率法工程地质勘探, 用于金属与非金属矿产资源勘探, 能源勘探, 城市物探, 铁道及桥梁工程勘探, 并用于找地热, 确定水库坝基和防洪大堤隐患位置等。
二.仪器主要特点和功能:1、发射、接收一体化, 轻便。
2、全部采用CMOS大规模集成电路, 整机集体积小、耗电低、功能多。
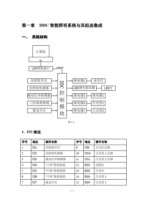
第一章 DDC 智能照明系统与其组态集成一、 系统结构控制模块继电器1DDC LED调光驱动器继电器2继电器3继电器4卤光灯继电器1日光管1日光管2LED灯光照度传感器光照度开关三位场景按钮紧急开关被动红外探测器LON网络接口计算机USBLonWoerks图1-11. I/O 地址表2-2 2.I/O跳线表2-3图2-11.操作步骤图5-1(系统流程处理概要设计)(1)新建一个新的DDC程序打开“LonMaker”软件,点击“New Network”按钮新建一个新的DDC程序。
在“NetWork Name”选框里给新建的程序命名“zm01”,点击“next”进行下一步操作。
选择“LON1”网络,如下图所示,点击next进行下一步操作。
默认参数设置,点击next进行下一步操作。
把两个勾去掉,点及“Finish” 进行下一步操作。
完成注册,此时将会出现如下界面:这就是LonMaker的编程画面了,从左边的方框中拖选Device至右边的空白处。
将会弹出如下对话框:按照以上选择好数据后一直点Next至出现以下界面:选择Load XIF,然后点Browe将弹出:选择“HW-BA5201-1V2”后点击“打开” 。
点击Next进行下一步操作。
点击Next进行下一步操作。
点击Next进行下一步操作。
点击Next进行下一步操作。
选项按照以上选择好数据后一直点Next至出现以下界面:选择“Online”,点“Finish”后将出现下面的对话框:点击“是(Y)”后将出现下面的对话框:这时按一下DDC上的“维护”键,按以下后,等待一段时间将出现如下界面:的方框中拖选Functional Block(功能模块)至右边空白处,将弹出:在Name的下拉菜单中选择UI[0],点击Next。
按照以上数据选择好后点Finish完成,此时,右边空白处将出现DI1功能模块。
按照同样的方法拉出UI2、UI3、UI4、UI5、UI6、UI7、UI8、UI9、UI10、UI11、EventSchedule、StateMachine、AnalogFunction、AnalogFunction、UO1、UO2、UO3、UO4、UO6功能模块,分别对应命名为UI2(光照度传感器)、UI3(被动红外探测器)、UI4(“上班”场景按钮)、UI5(“午休”场景按钮)、UI6(“下班)场景按钮、UI7(紧急开关)、UI8(卤钨灯反馈)、UI9(日光灯反馈)、UI10(日光管1反馈)、UI11(日光管2反馈)、ES、SM、AF、DO1(卤钨灯)、DO2(日光灯)、DO3(日光管1)、DO4(日光管2)、AO1(LED灯),如下图所示:右键点击每个功能模块,在弹出的菜单中选择“Configure...”选项,会出现该功能模块配置属性选项卡,在该功能模块配置属性选项卡中分别给每个功能模块进行配置,如下所示:(2)UI1(光照度开关)功能模块配置右键点击UI1功能模块,在弹出的菜单中选择“Configure...”选项,进入配置选项框:在InputType选项中选择digital,然后点击Output按钮:点击Change type。
W9深圳市高技能人才公共训练基地Shenzhen Public Training Base for Hi-skilled Workers智能建筑行业智能楼宇管理师设备监控系统《DDC控制器的运行与测试》训练任务指导书ZNLY-4-3-02深圳市高技能人才公共训练基地2010. 04. 25第一部分基本管理信息 (3)第二部分训练任务的内容 (4)第三部分训练任务的实施 (8)第四部分附件 (22)名称类型类属于111 /LX-. 冈位模块版本第一部分基本管理信息基本管理信息DDC控制器的运行与测试基础类口专项类J智能楼宇管理师等级代码ZNLY-4-3—02综合类口创新类口3级(助理智能楼宇管理师)项目刘保亮设备监控系统(52-304)VI. 0 编制人建筑设备监控系统的调试与维护编制时间2009年12月所属单位深圳市高技能人才公共训练基地批准人学时1个训练时段考核方式考核口考训结合V 评价方式老师评价J(1) 持有如下证书之一:高级电工证、高级电梯工证、高级空调工证、智能楼宇管理员证;相关专业大专(含大专、高职、高专、高技)学历以上;适用对象持有相同专项技能证书四级;第二部分训练任务的内容第三部分训练任务的实施采用T-OTPAE (改进的五步法)组织训练。
一、目标描述G)技能目标:O知识目标:G)职业素质目标:二、任务描述通过将已经编译好的程序下载给DDC控制器,运行仿真监控程序,能够熟练的切换对控制点位进行手动/自动切换,联接组态监控界面,对DDC进行集中管理,处理报警信息,达到实训目的。
三、知识准备(见附件)1、DDC控制器的分类有哪些?答:________________________________________________________2、DDC控制器的输入输出接口有几类?答:________________________________________________________3、XL50控制器的基本输入输出点资源有哪几种?各有多少个点?答:________________________________________________________4、简述DDC的控制原理?答:___________________四、训练活动8活动一:知识抽查要求:•老师对学员知识准备情况进行抽查具体抽查内容见知识准备的问题;•抽查方式:/口答口试卷口操作•老师要记录学员回答问题的情况。
ddc控制系统课程设计一、课程目标知识目标:1. 学生能理解DDC控制系统的基本原理和组成,掌握其工作流程。
2. 学生能掌握DDC控制系统的编程与调试方法,了解其在智能建筑中的应用。
3. 学生能了解DDC控制系统在我国的发展现状及趋势。
技能目标:1. 学生能运用所学知识对DDC控制系统进行简单编程与调试。
2. 学生具备分析DDC控制系统故障并进行排查的能力。
3. 学生能运用DDC控制系统进行简单的自动化控制项目设计。
情感态度价值观目标:1. 培养学生对DDC控制系统及智能建筑领域的兴趣,激发学习热情。
2. 培养学生团队合作精神,提高沟通协调能力。
3. 增强学生环保意识,认识到DDC控制系统在节能减排方面的重要性。
课程性质:本课程为专业选修课,旨在让学生了解并掌握DDC控制系统的基础知识,提高实际操作能力。
学生特点:学生为高年级本科生,具备一定的电子、电气和控制理论基础,对实际操作有较高的兴趣。
教学要求:注重理论与实践相结合,强调实际操作能力的培养,结合案例分析,提高学生的应用能力。
通过本课程的学习,使学生能够具备从事DDC控制系统相关领域工作的基本技能。
二、教学内容1. DDC控制系统概述:介绍DDC控制系统的基本概念、发展历程、应用领域及发展趋势。
教材章节:第一章2. DDC控制系统组成与原理:讲解DDC控制系统的硬件组成、软件结构、工作原理及性能指标。
教材章节:第二章3. DDC控制系统的编程与调试:学习DDC控制系统的编程方法、调试技巧及在实际项目中的应用。
教材章节:第三章4. DDC控制系统在智能建筑中的应用:分析DDC控制系统在建筑自动化、能源管理等方面的应用案例。
教材章节:第四章5. DDC控制系统故障分析与排查:介绍DDC控制系统常见故障现象、原因及排查方法。
教材章节:第五章6. DDC控制系统项目实践:设计实际项目,让学生动手操作,提高实践能力。
教材章节:第六章教学内容安排与进度:第1周:DDC控制系统概述第2周:DDC控制系统组成与原理第3-4周:DDC控制系统的编程与调试第5周:DDC控制系统在智能建筑中的应用第6周:DDC控制系统故障分析与排查第7-8周:DDC控制系统项目实践三、教学方法针对DDC控制系统课程的特点,采用以下多样化的教学方法,以激发学生的学习兴趣和主动性:1. 讲授法:用于讲解DDC控制系统的基本概念、原理和组成等理论知识。
DDC控制器的运⾏与测试训练任务指导书.doc W9深圳市⾼技能⼈才公共训练基地Shenzhen Public Training Base for Hi-skilled Workers智能建筑⾏业智能楼宇管理师设备监控系统《DDC控制器的运⾏与测试》训练任务指导书ZNLY-4-3-02深圳市⾼技能⼈才公共训练基地2010. 04. 25第⼀部分基本管理信息 (3)第⼆部分训练任务的内容 (4)第三部分训练任务的实施 (8)第四部分附件 (22)名称类型类属于111 /LX-. 冈位模块版本第⼀部分基本管理信息基本管理信息DDC控制器的运⾏与测试基础类⼝专项类J智能楼宇管理师等级代码ZNLY-4-3—02综合类⼝创新类⼝3级(助理智能楼宇管理师)项⽬刘保亮设备监控系统(52-304)VI. 0 编制⼈建筑设备监控系统的调试与维护编制时间2009年12⽉所属单位深圳市⾼技能⼈才公共训练基地批准⼈学时1个训练时段考核⽅式考核⼝考训结合V 评价⽅式⽼师评价J(1) 持有如下证书之⼀:⾼级电⼯证、⾼级电梯⼯证、⾼级空调⼯证、智能楼宇管理员证;相关专业⼤专(含⼤专、⾼职、⾼专、⾼技)学历以上;适⽤对象持有相同专项技能证书四级;第⼆部分训练任务的内容第三部分训练任务的实施采⽤T-OTPAE (改进的五步法)组织训练。
⼀、⽬标描述G)技能⽬标:O知识⽬标:G)职业素质⽬标:⼆、任务描述通过将已经编译好的程序下载给DDC控制器,运⾏仿真监控程序,能够熟练的切换对控制点位进⾏⼿动/⾃动切换,联接组态监控界⾯,对DDC进⾏集中管理,处理报警信息,达到实训⽬的。
三、知识准备(见附件)1、DDC控制器的分类有哪些?答:________________________________________________________2、DDC控制器的输⼊输出接⼝有⼏类?答:________________________________________________________3、XL50控制器的基本输⼊输出点资源有哪⼏种?各有多少个点?答:________________________________________________________4、简述DDC的控制原理?答:___________________四、训练活动8活动⼀:知识抽查要求:⽼师对学员知识准备情况进⾏抽查具体抽查内容见知识准备的问题;抽查⽅式:/⼝答⼝试卷⼝操作?⽼师要记录学员回答问题的情况。
课程设计(综合实验)报告( 2011-- 2012 年度第二学期)名称:过程计算机控制系统题目:DDC单回路PID闭环控制系统的设计及实时仿真院系:控制与计算机工程学院班级:学号:学生姓名:指导教师:朱耀春设计周数:一周成绩:日期:2012 年 6 月20 日一、 课程设计的目的与要求1.设计目的在计算机控制系统课程学习的基础上,加强学生的实际动手能力,通过对DDC 直接数字闭环控制的仿真加深对课程内容的理解。
2.设计要求本次课程设计通过多人合作完成DDC 直接数字闭环控制的仿真设计,学会A/D 、D/A 转换模块的使用。
通过手动编写PID 运算式掌握数字PID 控制器的设计与整定的方法,并做出模拟计算机对象飞升特性曲线,熟练掌握DDC 单回路控制程序编制及调试方法。
二、 设计正文1.设计思想本课程设计利用Turboc2.1开发环境,通过手动编写C 语言程序完成PID 控制器的设计,A/D 、D/A 转换,绘出PID 阶跃响应曲线与被控对象动态特性曲线。
整个设计程序模块包含了PID 配置模块,PLCD-780定时采样、定时输出模块,PID 手/自动切换模块(按键控制)及绘图显示模块。
设计中,通过设定合理的PID 参数,控制PLCD-780完成模拟计算机所搭接二阶惯性环节数据的采集,并通过绘图程序获得对象阶跃响应曲线。
2. 设计步骤(1)前期准备工作(1.1)配备微型计算机一台,系统软件Windows 98或DOS (不使用无直接I/O 能力的NT 或XP 系统), 内装Turbo C 2.0/3.0集成开发环境软件;(1.2)配备模拟计算机一台(XMN-1型), 通用数据采集控制板一块(PLCD-780型); (1.3)复习Turboc2.0并参照说明书学习PLCD-780的使用(2) PID 的设计(2.1)PID 的离散化理想微分PID 算法的传递函数形式为:⎪⎪⎭⎫ ⎝⎛++=s T s T K s G d i p 11)( 采用向后差分法对上式进行离散,得出其差分方程形式为:u[k]=u[k-1]+q0*e[2]+q1*e[1]+q2*e[0];其中各项系数为:q0=kp*(1+T/Ti+Td/T);q1=-kp*(1+2*Td/T);q2=kp*Td/T;实际微分PID 算法的传递函数形式为:⎪⎪⎭⎫ ⎝⎛+++=s T s T s T K s G d i f p 111)( 采用向后差分法对上式进行离散化,写成差分方程的形式为:u[k]=c0*(Δu[k-1])+c1*e[k]+c2*e[k-1]+c3*e[k-2]+u[k-1];其中各项系数为:c0=Tf/(T+Tf);c1=kp*T/(T+Tf)*(1+T/Ti+Td/T);c2=-kp*T/(T+Tf)*(1+2*Td/T);c3=kp*Td/(T+Tf);(2.2)数字PID 算法的改进○1积分分离算法积分分离算法通过控制PID 输入偏差e 达到优化目的,当偏差较大时停止积分作用,只有当偏差较小时才投入积分,算法如下表示:当|e(k)|>β时,采用PD 控制;当|e(k)|<β时, 采用PID 控制;β的值根据具体对象及要求确定。
环境与燃烧自控产品事业部西/南区技术支持中心DDC FundamentalsDDC 基础目录1 直接式数字控制器DDC1.1 楼宇中的控制系统 31.2 DDC在HVAC系统中的应用 42 DDC的控制功能 52.1 常规控制功能 62.2 舒适与节能控制功能92.3 监视管理功能153 DDC的组成3.1 DDC的结构203.2 输入与输出213.3 通信接口224 软件编程4.1 应用软件编程234.2 图形编程245 相关的软件251.1楼宇中的控制系统照明电梯安防消防给排水通风配电热源空调机冷源中央监控1.2DDC 在HVAC 系统中的应用系统管理软件与服务器客户机或工作站其它的子系统与设备系统级DDCFCU VAVVAV专用型DDC联网风机盘管型DDC区域网络或总线系统网络或总线DDC: Direct Digital Controller 区域型DDC 区域型DDC2.1DDC 的结构CPUClockI/OROM (Firmware)COMRAM (Application)CPU: 微处理单元 Clock: 时钟电路ROM: 只读存储器,存储固件,包括最基本的指令集,如I/O 的扫描等等。
类型有EEPROM(电可擦除可编程存储器), Flash Rom(闪存)等等,特点是可永久存储。
RAM: 可读写存储器,存储用户程序,累计数值,趋势数据,时间程序等。
特点是掉电后,数据丢失。
I/O : 输入与输出,通过I/O 来采集设备状态,模拟数值及发送指令与模拟信号。
COM: 通信接口,通过一定的硬件和软件实现与控制网络的通信。
思考:DDC 与PC 机有什么异同?2.2输入与输出AO模块DO模块AI模块DI模块DI: Digital Input 数字输入(开关输入)。
NC,常关;NO,常开;湿接点,指带电压开关;干接点,指无电压开关;接点容量,最大可接受的电压和电流。
DI模块也可接受脉冲输入,但脉宽和脉频应符合模块最低要求。
四水箱仿真系统DDC软件实验指导书2004-10-9实验一、一阶单容水箱对象特性测试实验 (2)实验二、二阶双容水箱对象特性测试实验 (12)实验三、单回路液位PID控制实验 (20)实验四、双容水箱液位串级PID控制实验 (31)实验五、流量比值控制实验 (38)实验六、前馈反馈控制实验 (46)实验七、双容水箱液位Smith控制实验 (53)实验八、四容水箱液位解耦控制实验 (58)实验一、一阶单容水箱对象特性测试实验一、实验目的1、 了解单容对象的动特性及其数学模型2、 熟悉单容对象动特性的实验测定法3、 掌握单容水箱特性的测定方法 二、实验设备1、 四水箱仿真系统DDC 软件2、 PC 机(Window 2000 Professional 操作系统) 三、实验原理全面地分析和测定调节对象的特性,是设计一个自动控制系统的首要前提。
一般研究调节对象特性的方法有两种:分析法和实验测定法。
分析法通过分析过程的机理、物料或能量平衡关系求得数学模型,即对象动态特性的数学描述;实验测定法通过实验测定,对取得的数据进行加工整理而求得对象的数学模型。
下面分别应用这两种方法对单容对象的动特性进行分析,并给出单容水箱对象特性的一种实验测定法。
1、单容对象的动特性及其数学模型以单容水槽水位调节对象为例,分析其动特性及数学模型典型的单容水槽水位调节对象如下图所示P-4P-5图 1-1 典型的单容水槽水位调节对象各个变量定义如下: 1Q 输入水流量(米3/秒)10Q输入稳态水流量(米3/秒)1Q 输入流量对它的稳态值的微小增量(米3/秒) 2Q输出水流量(米3/秒)20Q输入稳态水流量(米3/秒)2Q ∆输出流量对它的稳态值的微小增量(米3/秒) h 稳态水位(米)h ∆ 水位对它的稳态值的微小增量(米)V水槽中储存水的容积(米3) F水槽的横断面积(米2)根据物料平衡关系,在正常工作状态下的稳态方程式为:0Q 2010=-Q(1-1)动态方程式是:dtdVQ 21=-Q (1-2)上式中,dtdV是流体储存量的变化率。
DDC照明控制模块指导手册广东唯康教育科技股份有限公司2013年第1版目录第一章:DDC照明控制模块的认知 (3)1.1实训1:认知DDC照明控制模块的组成 (3)第二章:DDC照明控制模块的安装与应用 (7)2.1 实训2:DDC照明控制模块的安装与设置操作 (7)2.2 实训3:各设备间的接线操作 (11)2.3 实训4:DDC照明控制模块的功能和演习 (15)2.4 实训5:设计并安装一个简易应用系统 (25)第三章:设备的故障分析及排除 (26)3.1 实训6:设备的故障分析及排除 (26)附录一:DDC模块STEP3介绍及运用 (28)附录二:DDC模块STEP3说明书 (39)附录三:DDC模块STEP3安装使用及界面操作 (74)附录四:幕帘型被动红外探测器使用说明书 (77)第一章: DDC 照明控制模块的认知1.1 实训1: 认知DDC 照明控制模块的组成1. 实训目的(1) 认知DDC 照明控制模块的组成 (2) 了解DDC 照明控制模块的功能 (3) 了解DDC 照明控制模块的应用2.实训步骤(1) 在VCOM 公司DDC 照明控制模块上了解DDC 照明控制模块的基本配置:DDC 模块、中间继电器、变压器、探测器、调光控制板、 LED 灯、日光灯、节能灯等设备组成;如图1.1-1和如图1.1-2。
图1.1-1DDC 模块LED 灯变压器照明控制 辅助模块调光设备板 幕帘探测中间继电器紧急开关日光灯节能灯如图1.1-2(2)在VCOM公司VLY-X1楼宇智能化十字架实训架上了解DDC照明模块的功能,触发探测器,紧急开关,了解通过DDC模块控制实现的功能。
图1.1-3紧急开关幕帘型被动红外探测器DDC模块图1.1-3(3)了解DDC照明模块的应用。
3.实训环境VCOM品牌的DDC照明控制模块上。
4.实训材料VCOM公司VLY-X1 楼宇智能化十字架实训架上了解DDC照明控制模块的基本配置:DDC模块、中间继电器、变压器、探测器、调光控制板、LED灯、日光灯、节能灯等设备。
1.1 主要设备介绍1.1.1中央控制站(包括软件)中央站将对现场各种设备的运行状态等参数数据进行实时监控,控制管理机电设备根据预先设定的程序要求高效节能运行。
并对系统的所有数据进行存储管理,可随时调出查阅,根据时间列表,打印报表。
A、中央站硬件配置处理器Pentium 2.0RAM 64MB或128MB硬盘20GB光盘CD—ROMB、中央站软件操作系统 Windows NT4.0 或Windows 2000网络通讯TCP/IPWincontrol 系统软件1.1.2现场控制器(DDC)控制器是中国标准JGJ/T16—92第26章《建筑物自动化系统》中的“分站”。
无论网络的结构如何,通讯协议的如何开放,但一个系统的优劣应表现在控制器上.因为所有的功能都必须经过控制来完成.美国KMC公司的DDC控制器结构简洁,功能强大。
“无主”通讯是KMC控制器独具的特点,可实现现场DDC控制器之间的数据相互调用而无通过上级网的干预,真正实现了“无主”通讯的功能。
KMC公司的控制器有监控级的KMD-5100系列和现场控制器KMD-5800系列以及KMD-6000系列。
针对不同的控制器,我们作以下说明:A、多功能控制器(通讯控制器)MultiNet-KMD-5110/KMD-5111MultiNet为多能控制器,它除了具备路由的功能(转换两种通讯协议)外,由于它具备扩展输入\输出卡的功能和具备编程能力,所以它还可作为控制器使用。
在某些点数集中的区域,如很好的利用MultiNet来做控制,会代来许多的方便.MultiNet的具体的性能如下:16位的微处理器/16MHz的晶振;10位的模/数转换;12位的数/模转换;512K的程序存储;8个I/O扩展口;具备调制解调器和打印机口;可外接4个计算机;以太网接口;2个子网接口可分别接124个DDC控制器;1个主网接口可接125个MultiNet;64个PID控制回路;32个周计划表和8个年计划表;128个运行时间累计;96个历史记录;(6point/trend);128个可分6级的密码;64个图形界面显示;10年电池后备;B、现场控制器KMC公司的现场控制器有多种规格:16个输入的为KMD-52XX ,16个输出的为KMD-52XX ,16输入/12输出的为KMD-58XX ,8输入/8输出的为KMD-55XX,4输入/4输出的为KMD-6000及KMD-7000。
目录一、DDC控制概述 (2)二、系统实验 (11)实验一、一阶单容上水箱对象特性测试实验 (11)实验二、上水箱液位PID整定实验 (17)实验三、锅炉内胆温度二位式控制实验 (22)实验四、锅炉内胆温度控制实验(动态) (28)实验五、锅炉夹套温度控制实验(动态) (32)实验六、电磁流量计流量PID整定实验 (36)实验七、涡轮流量与小流量比值控制实验 (39)实验八、上水箱下水箱液位串级控制实验 (43)一、DDC 控制概述自动化技术是当今举世瞩目的高技术之一,也是今后实现工业高度自动化重点要发展的一个高科技领域。
现代科学技术领域中,计算机技术和自动化技术被认为是发展最为迅速的两个分支,计算机控制技术是这两个分支相结合的产物,是工业自动化的重要支柱。
计算机控制可分为集中控制、分布式控制和直接数字控制等。
直接数字控制(DDC )系统是用一台工业计算机配以适当的输入输出设备,从生产过程中经输入通道获取信息,按照预先规定的控制算法(如PID 、内回流等)计算出控制量,并通过输出通道,直接作用在执行机构上,实现对整个生产、实验过程的闭环控制,通常它有几十个控制回路。
它的框图如图1-1所示,从上图可看出:实验过程中的各种物理量(如温度、压力、流量、液位等),由一次仪表(如温度变送器、压力变送器等)测量放大,统一变换为4~20mA (或1-5V )信号,通过ICP7017模数转换,作为DDC 的输入, 计算机按照预定的控制程序,对被测量进行必要的处理、分析和比较,并按一定的规律(如PID 控制规律)进行运算,从而得出控制量的改变值,输出到ICP7024数模转换直接控制执行机构。
ICP7017是带通讯功能的AD 采集卡,ICP7024是带通讯功能的DA 输出卡。
作为工控机AD 采集卡的延伸产品在工控领域得到了广泛的应用。
一)、ICP7017模块的功能介绍:1、ICP7017模块:8通道模拟量输入模块。
第一章 DDC 智能照明系统与其组态集成一、 系统结构控制模块继电器1DDC LED调光驱动器继电器2继电器3继电器4卤光灯继电器1日光管1日光管2LED灯光照度传感器光照度开关三位场景按钮紧急开关被动红外探测器LON网络接口计算机USBLonWoerks图1-11. I/O 地址表2-2 2.I/O跳线表2-3图2-11.操作步骤图5-1(系统流程处理概要设计)(1)新建一个新的DDC程序打开“LonMaker”软件,点击“New Network”按钮新建一个新的DDC程序。
在“NetWork Name”选框里给新建的程序命名“zm01”,点击“next”进行下一步操作。
选择“LON1”网络,如下图所示,点击next进行下一步操作。
默认参数设置,点击next进行下一步操作。
把两个勾去掉,点及“Finish” 进行下一步操作。
完成注册,此时将会出现如下界面:这就是LonMaker的编程画面了,从左边的方框中拖选Device至右边的空白处。
将会弹出如下对话框:按照以上选择好数据后一直点Next至出现以下界面:选择Load XIF,然后点Browe将弹出:选择“HW-BA5201-1V2”后点击“打开” 。
点击Next进行下一步操作。
点击Next进行下一步操作。
点击Next进行下一步操作。
点击Next进行下一步操作。
选项按照以上选择好数据后一直点Next至出现以下界面:选择“Online”,点“Finish”后将出现下面的对话框:点击“是(Y)”后将出现下面的对话框:这时按一下DDC上的“维护”键,按以下后,等待一段时间将出现如下界面:的方框中拖选Functional Block(功能模块)至右边空白处,将弹出:在Name的下拉菜单中选择UI[0],点击Next。
按照以上数据选择好后点Finish完成,此时,右边空白处将出现DI1功能模块。
按照同样的方法拉出UI2、UI3、UI4、UI5、UI6、UI7、UI8、UI9、UI10、UI11、EventSchedule、StateMachine、AnalogFunction、AnalogFunction、UO1、UO2、UO3、UO4、UO6功能模块,分别对应命名为UI2(光照度传感器)、UI3(被动红外探测器)、UI4(“上班”场景按钮)、UI5(“午休”场景按钮)、UI6(“下班)场景按钮、UI7(紧急开关)、UI8(卤钨灯反馈)、UI9(日光灯反馈)、UI10(日光管1反馈)、UI11(日光管2反馈)、ES、SM、AF、DO1(卤钨灯)、DO2(日光灯)、DO3(日光管1)、DO4(日光管2)、AO1(LED灯),如下图所示:右键点击每个功能模块,在弹出的菜单中选择“Configure...”选项,会出现该功能模块配置属性选项卡,在该功能模块配置属性选项卡中分别给每个功能模块进行配置,如下所示:(2)UI1(光照度开关)功能模块配置右键点击UI1功能模块,在弹出的菜单中选择“Configure...”选项,进入配置选项框:在InputType选项中选择digital,然后点击Output按钮:点击Change type。
把Display types of same size only旁复选框中的勾去掉。
在Type List下拉选框中选择SNVT_switch ,然后点击Apply进行配置,再点击OK返回。
然后选择Digital Input菜单栏:按照以上数据填写完毕后,后点击Apply完成UI1(光照度开关)功能模块配置。
(3)UI2(光照度传感器)功能模块配置右键点击UI2功能模块,在弹出的菜单中选择“Configure...”选项,进入配置选项框:在InputType选项中选择digital,然后点击Output按钮:点击Change type选项按钮弹出:在Type List下拉选框中选择SNVT_lev_cont_f,然后点击Apply进行配置,再点击OK返回。
然后选择然后选择Analog Input菜单栏:点击AI Output Parameters选项卡:按照以上数据填写完毕后,后点击Apply完成UI2(光照度传感器)功能模块配置。
(4)UI3(被动红外探测器)功能模块配置右键点击UI3功能模块,在弹出的菜单中选择“Configure...”选项,进入配置选项框:在InputType选项中选择digital,然后点击Output按钮:点击Change type。
把Display types of same size only旁复选框中的勾去掉。
在Type List下拉选框中选择SNVT_switch ,然后点击Apply进行配置,再点击OK返回。
然后选择Digital Input菜单栏:按照以上数据填写完毕后,后点击Apply完成UI3(被动红外探测器)功能模块配置。
(5)UI4(“上班”场景按钮)功能模块配置右键点击UI4功能模块,在弹出的菜单中选择“Configure...”选项,进入配置选项框:在InputType选项中选择digital,然后点击Output按钮:点击Change type。
把Display types of same size only旁复选框中的勾去掉。
在Type List下拉选框中选择SNVT_switch ,然后点击Apply进行配置,再点击OK返回。
然后选择Digital Input菜单栏:按照以上数据填写完毕后,后点击Apply完成UI4(“上班”场景按钮)功能模块配置。
(6)UI5(“午休”场景按钮)功能模块配置右键点击UI5功能模块,在弹出的菜单中选择“Configure...”选项,进入配置选项框:在InputType选项中选择digital,然后点击Output按钮:点击Change type。
把Display types of same size only旁复选框中的勾去掉。
在Type List下拉选框中选择SNVT_switch ,然后点击Apply进行配置,再点击OK返回。
然后选择Digital Input菜单栏:按照以上数据填写完毕后,后点击Apply完成UI5(“午休”场景按钮)功能模块配置。
(7)UI6(“下班”场景按钮)功能模块配置右键点击UI6功能模块,在弹出的菜单中选择“Configure...”选项,进入配置选项框:在InputType选项中选择digital,然后点击Output按钮:点击Change type。
把Display types of same size only旁复选框中的勾去掉。
在Type List下拉选框中选择SNVT_switch ,然后点击Apply进行配置,再点击OK返回。
然后选择Digital Input菜单栏:按照以上数据填写完毕后,后点击Apply完成UI6(“下班”场景按钮)功能模块配置。
(8)UI7(紧急开关)功能模块配置右键点击UI7功能模块,在弹出的菜单中选择“Configure...”选项,进入配置选项框:在InputType选项中选择digital,然后点击Output按钮:点击Change type。
把Display types of same size only旁复选框中的勾去掉。
在Type List下拉选框中选择SNVT_switch ,然后点击Apply进行配置,再点击OK返回。
然后选择Digital Input菜单栏:按照以上数据填写完毕后,后点击Apply完成UI7(紧急开关)功能模块配置。
(9)UI8(卤钨灯反馈)功能模块配置右键点击UI8功能模块,在弹出的菜单中选择“Configure...”选项,进入配置选项框:在InputType选项中选择digital,然后点击Output按钮:点击Change type。
把Display types of same size only旁复选框中的勾去掉。
在Type List下拉选框中选择SNVT_switch ,然后点击Apply进行配置,再点击OK返回。
然后选择Digital Input菜单栏:按照以上数据填写完毕后,后点击Apply完成UI8(卤钨灯反馈)功能模块配置。
(10)UI9(日光灯反馈)功能模块配置右键点击UI9功能模块,在弹出的菜单中选择“Configure...”选项,进入配置选项框:在InputType选项中选择digital,然后点击Output按钮:点击Change type。
把Display types of same size only旁复选框中的勾去掉。
在Type List下拉选框中选择SNVT_switch ,然后点击Apply进行配置,再点击OK返回。
然后选择Digital Input菜单栏:按照以上数据填写完毕后,后点击Apply完成UI9(日光灯反馈)功能模块配置。
(11)UI10(日光管1反馈)功能模块配置右键点击UI10功能模块,在弹出的菜单中选择“Configure...”选项,进入配置选项框:在InputType选项中选择digital,然后点击Output按钮:点击Change type。
把Display types of same size only旁复选框中的勾去掉。
在Type List下拉选框中选择SNVT_switch ,然后点击Apply进行配置,再点击OK返回。
然后选择Digital Input菜单栏:按照以上数据填写完毕后,后点击Apply完成UI10(日光管1反馈)功能模块配置。
(12)UI11(日光管2反馈)功能模块配置右键点击UI11功能模块,在弹出的菜单中选择“Configure...”选项,进入配置选项框:在InputType选项中选择digital,然后点击Output按钮:点击Change type。
把Display types of same size only旁复选框中的勾去掉。
在Type List下拉选框中选择SNVT_switch ,然后点击Apply进行配置,再点击OK返回。
然后选择Digital Input菜单栏:按照以上数据填写完毕后,后点击Apply完成UI11(日光管2反馈)功能模块配置。
(13)ES(EventScheduler)功能模块配置右键点击ES功能模块,在弹出的菜单中选择“Configure...”选项,进入配置选项框:点击Device 1选项:按照以上数据填写完毕后,在Index选项框中选择Time 2进行配置,如下图所示:按照以上数据填写完毕后,后点击Apply完成ES功能模块配置。
(14)SM(StateMachine)功能模块配置右键点击SM功能模块,在弹出的菜单中选择“Configure...”选项,进入配置选项框:1)输入网络变量选项卡3)任务列表25)任务列表47)任务列表69)任务列表811)任务列表10按照以上数据填写完毕后,后点击Apply完成SM功能模块配置。