04级电路分析试卷A
- 格式:doc
- 大小:376.00 KB
- 文档页数:11
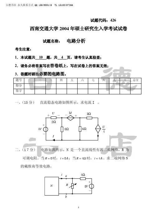
级电路分析试卷一、填空(共分)求各电路图中电压或电流的值,填于空格(分)ΩΩΩ2A写出图示电路端口的电压—电流关系的表达式,填于空格(份)三求图示电路中每个元件的功率,并说明那些元件吸收功率?那些元件供出功率?说明功率是否平衡?(分)四、利用等效变换求下列各值(分) 图示电路,已知,Ω,,求。
求图示电路的输入电阻 。
五 电路如图所示,分别列出网孔电流方程和结点电压方程(分)12i R β六、电路如图,()用叠加定理求(画出求各分量的电路);()用戴维宁定理求Ω电阻上的电压(画出等效电路)(共分)七 图示电路中, Ω,,-3F ,电压表的读数为,功率表的读数为,求电压源发出的复功率S ~。
(分)八、有一三相负载连成星形,接于线电压的三相电源上,每相等效阻抗()Ω,求()相电流、线电流()三相功率(共分)ΩS U九 分析计算(共分)图示电路中,已知开关闭合前电路电路处于稳态,在时,合上开关,求() 时电路的电流;()画出随时间变化的曲线。
(共分)十图示电路中,,求此电路的等效电感和串联电路的谐振频率。
(分)十一、求图示二端口网络的短路导纳矩阵。
(分)0.001F1U··2U十二、图示电路中,换路前电路处于零状态,设)(t ()画出运算电路()用运算电路求()。
(分)十三、线性电阻Ω,与非线性电阻串联接到的电源上,非线性电阻的伏安特性如图所示,求电路的静态工作点,并求该点的静态电阻和动态电阻。
(分)十四、图示线性一端口,已知Ω,,0.5F, 求()驱动点的阻抗()的表达式;()在平面上绘出零点和极点。
(共分)u。
汽车04级汽车电器A卷答案一、填空题每空1分,共20分。
1、蓄电池是可逆式直流电源,它与发电机(并联)后组成汽车电源,在发动机正常工作时,汽车用电设备主要由(发电机)供电。
2、在没有发动机控制单元的化油器式汽车上,是通过(起动继电器)和(点火控制器)来起到防盗作用的。
3、交流发电机主要由(转子)、(定子)、(整流器)及前后端盖等组成。
4、交流发电机的励磁方式是先(他励)、后(自励)。
5、起动机一般由(直流电动机)、(传动机构)和电磁操纵机构三部分组成。
6、与分电器触点并联的电容的作用是(减小触点烧蚀)延长触点寿命,并提高(次级电压)。
7、汽车仪表及信号装置一般由(点火开关)控制,点火开关接通后,才能进入正常工作。
8、用万用表测量点火线圈的一次绕组电阻应为(1.8-2Ω),二次绕组电阻应为(5KΩ)。
9、前照灯采用远光和近光的双丝灯泡,在会车时通过切换远光、近光实现(防眩目)。
10、电热式机油压力传感器安装时,外壳上的箭头(向上)不应偏出垂直位置30°;机油压力报警装置,当油压低于(0.69mpa )时,警报灯亮。
二、判断题,每题1分,共10分。
1、在每个单格电池中,负极板的数量总比正极板多一片,正极板都在负极板之间。
(√)2、电解液由高纯度的硫酸和水按一定的比例配制而成。
(×)3、蓄电池充电过程中消耗了水,生成了硫酸,故电解液密度是下降的,而放电过程中消耗了硫酸,生成了水,电解液密度是上升的。
(×)4、电喇叭调整一般有铁心气隙调整和触点顶压力调整两项,前者调整喇叭的音量,后者调整喇叭的音调。
(×)5、如果火花塞绝缘体裙部的温度低于自洁温度,就会引起火花塞积炭,若温度过高,则产生早燃、爆燃现象。
(√)6、串励直流电动机的转速随转矩的增加而迅速下降,具有软的机械特性。
(√)7、传统点火系统工作时,在断电器触点闭合时产生次级电压。
(×)8、点火提前角应随转速升高而增大,随负荷增大而减小。
试卷A一、填空题(每空1分,共20分)1、R 、L 、C 串联电路中,电路复阻抗虚部大于零时,电路呈 性;若复阻抗虚部小于零时,电路呈 性;当电路复阻抗的虚部等于零时,电路呈 性,此时电路中的总电压和电流相量在相位上呈 关系,称电路发生串联 。
2、复功率的实部是 功率,单位是 ;复功率的虚部是 功率,单位是 ;复功率的模对应正弦交流电路的 功率,单位是 。
3、谐振发生时,电路中的角频率=0ω ,=0f 。
4、谐振电路的应用,主要体现在用于 ,用于 和用于 。
5、两个具有互感的线圈顺向串联时,其等效电感为 ;它们反向串联时,其等效电感为 。
6、理想变压器的变压比n= ,全耦合变压器的变压比n= 。
二、单项选择题(每题2分,共20分)1、已知空间有a 、b 两点,电压U ab =10V ,a 点电位为V a =4V ,则b 点电位V b 为( ) A 、6V B 、-6V C 、14V2、已知接成Y 形的三个电阻都是30Ω,则等效Δ形的三个电阻阻值为( ) A 、全是10Ω B 、两个30Ω一个90Ω C 、全是90Ω3、叠加定理只适用于( )A 、交流电路B 、直流电路C 、线性电路4、电感元件的正弦交流电路中,电压有效值不变,当频率增大时,电路中电流将( )A 、增大B 、减小C 、不变5、某电阻元件的额定数据为“1K Ω、2.5W ”,正常使用时允许流过的最大电流为( ) A 、50mA B 、2.5mA C 、250mA6、发生串联谐振的电路条件是( ) A 、RL0ω B 、LCf 10=C 、LC10=ω7、动态元件的初始储能在电路中产生的零输入响应中( )A 、仅有稳态分量B 、仅有暂态分量C 、既有稳态分量,又有暂态分量 8、已知一非正弦电流)2sin 21010()(t t i ω+=A ,它的有效值为( ) A 、220 A B 、210 A C 、20A 9、图1中a 、b 间的等效电阻是( )Ω。
2004电工电子技术考题(A)班号姓名成绩一、填空(20分)1、电路分析中常见的理想电源类型为和。
前者包括、;后者包括、、、。
(2分)2、图1所示电路中6V电源吸收的功率为:P = 。
(2分)图13、一感性电气设备接于220V的交流电源上,如图2所示。
电源频率f =50Hz,电流表测得的电流I= 0.4 A ,功率表测得的功率P=40W。
电气设备的功率因数λ= ; 如果用电容C = 4.75μf 提高整个电路的功率因数,整个电路的功率因数为。
画出补偿相量图。
(4分)图2功率补偿相量图4、图3中各电路的反馈类型分别是(a)、(b)。
(2分)图 35、判断图4中各电路可否振荡,(a)、(b)。
(2分)图46、图5电路中开关位于位置1很长时间后拨到位置2,并开始计时,在位置2保持2秒时间,然后再拨回位置1。
问:t≥0 s时,电容两端电压v= 。
(4分)图57、低频功放电路工作状态分为、、,低频功放的效率表达式为,乙类功放的最大效率为。
(2.5分)8、共集电极电路(射极输出器)的特点是、、。
(1.5分)二、计算(70分)1、求图6所示电路a、b端左边的戴维宁等效电路,画出等效电路图,并求出负载电流I。
负载R L为一非线性电阻,其电压-电流特性为:V=16I。
(10分)图62、求图7所示电路中的电压V1 = 。
(8分)图73、图8电路中,已知R f = 8kΩ, 若令V0 = 4(V b-Va),求Ra=?Rb=?Rc=?(8分)图84、求图9电路中的输出电压V o=?(8分)图95、已知共发射极放大电路如图10所示,三极管: β = 80,U BE= 0.7 V。
求电路的电压放大倍数A u=?,输入电阻:r i=?,输出电阻:r o=? 画出电路的直流通路、交流通路、微变等效电路。
(10分)图106、已知电路如图11所示,图中R1=240Ω,R2= 1KΩ,R3=500Ω,R4= 1KΩ,当控制信号为低电平时,T截止;控制信号为高电平时,T饱和导通,将T视为理想三极管。
电路分析期末考试试卷及参考答案考试科目:电路分析 试卷类别:A 卷 考试时间: 120分钟 ________________系 级 班姓名 学号 毛一.选择题:本大题共10个小题,每小题2分,共20分,在每小题给出的四个选项中,只有一项是符合题意要求的,把所选项前的字母填在题后的括号内。
1、图1所示电路中,已知电流A I 3=,则a 、b 两端的电压U =___________。
A ) -10VB ) 10VC ) 50VD ) -20V 2、图2所示电路中,已知元件A 放出功率10W ,则电流I =___________。
A ) 1A B ) 2A C ) -1A D ) 5A3、电路如图3所示,10Ω电阻吸收的功率为___________。
A ) 1WB ) 0. 9WC ) 10WD ) 3W4、图4所示电路原来处于稳态,A t i s 2cos 2=。
0=t 时开关闭合,则换路瞬间的电感电流)0(+L i 为__________。
A ) 1AB ) 0.5AC ) t 2cos AD )t 2cos 2A装订线内请勿答题5、一个2A 的电流源对初始储能为0的0.1F 电容充电5秒钟后,则该电容获得的能量为__________。
A ) 50JB ) 500JC ) 100JD ) 0J6、某电路的阻抗为Ω+=510j Z ,则该电路的导纳Y 的实部为__________。
A ) 0.2S B ) 0.08S C ) 0.04S D )0.1S7、若RLC 串联电路的谐振频率为Hz f 10000=,则当频率为900Hz 的正弦电压源激励时,该电路呈__________。
A ) 阻性B )感性C )容性D )不能确定8、图8所示二端网络的功率因数为__________。
A ) 0B ) 1C ) -0.707D ) 0.7079、图9所示电路已处于稳态,0=t 时开关打开,则电感电压的初始值)0(+L u 为_________。
西华大学课程考试(考查)试题卷 ( A 卷) 试卷编号 课程名称: 单片机原理及应用 考试时间: 110 分钟 课程代码: 8400280 试卷总分: 100 分一、填空(本大题共20空,每空1分,总计20分) 1、805l 与89S51的区别在于___c_____。
(A)内部数据存储单元数目的不同 (B)内部数据存储器的类型不同 (C)内部程序存储器的类型不同 (D)内部的寄存器的数目不同 2、假定累加器A 中的内容为80H ,执行下列指令后: MOV DPTR ,#1000H MOVC A,@A+ DPTR 把程序存储器_____1080h___单元的内容送入累加器A 中。
3、在寄存器间接寻址方式中,其“间接”体现在指令中寄存器的内容不是操作数,而是操作数的___地址_____。
4、MCS —51单片机程序存储器的寻址范围是由程序计数器PC 的位数所决定的,因为MCS —51的PC 是16位的,因此其寻址的范围为___64___KB 。
5、在MOVC A,@A+ DPTR 和MOVC A,@A+ PC 指令的基址加变址寻址方式中,以____A____作变址寄存器,以__DPTR______或___PC_____作基址寄存器。
6、如果DPTR=507BH,SP=32H,(30H)=50H,(31H)=5FH,(32H)=3CH,执行下列指令 POP DPH POP DPL 后:DPH=_____3CH___,DPL=___5FH_____,SP=___30H_____。
7、在MCS-51单片机中,若采用12MHz 晶振,一个机器周期为___1us_____。
8、若A 中的内容为63H ,奇偶位P 标志位的值为_____0___。
9、8031单片机复位后,R0所对应的存储单元的地址为_______,因上电时PSW=_______,这时当前工作寄存器区是________组工作寄存器区。
2004年维修电工技师试题(A)04年维修电工技师理论知识试卷(A)注意事项1.考试时间:120分钟2.请首先按要求在试卷的标封处填写您的姓名、准考证号和所在单位的名称。
3.请仔细阅读各种题目的回答要求,在规定的位置填写您的答案。
4.不要在试卷上乱写乱画,不要在标封区填写无关的内容。
一二三四五总分统分人得分得分统分人一、填空题(第1~20题。
请将正确答案填入题内空白处。
每题0.5分,共10分。
)1.为了提高电源的利用率,感性负载电路中应并联适当的,以提高功率因素。
2.由运算放大器组成的积分器电路,在性能上象是。
3.多谐振荡器,又称为电路。
4.二进制数1110转换成十进制数是。
5.示波器中水平扫描信号发生器产生的是。
6.热继电器的热元件整定电流IFRN=IMN。
7.旋转变压器是一种输出电压随转子变化而变化的信号元件。
8.进行大修的设备,在管内重新穿线时,导线有接头。
9.按照工艺要求,在进行电气大修时,首先要切断总电源,做好全措施。
10.一般要求保护接地电阻值为。
11.用快速热电偶测温属于。
12.逻辑运算中,A+AB=。
13.可编程控制器输入指令时,可以使用编程器来写入程序,所依据的是。
14.变频器的输出端不允许接,也不允许接电容式单相电动机。
15.数控系统操作所控制的对象是。
16.数控装置是数控系统的核心,它的组成部分包括数控。
17.功率场效应晶体管的特点是:的静态内阻高,驱动功率小,撤除栅极信号后能自动关断,同时不存在二次击穿,安全工作区范围宽。
18.为了提高电气设备运行的可靠性,将与接地极紧密地连接起来这,这种接地方式叫做工作接地。
19.ISO是的缩写。
20.在指导操作和独立操作训练中,应注意让学员反复地进行操作训练。
得分统分人二、选择题(第21~30题。
请选择一个正确答案,将相应字母填入题中括号内。
每题1分,共10分。
)21.在检修或更换主电路电流表时,维修电工将电流互感器二次回路(),即可拆下电流表。
桂林电子科技大学试卷2006~2007 学年第 一 学期 课号课程名称 高频电子电路 适用班级(或年级、专业) 信息与通信学院04级 考试时间 120 分钟 班级 学号 姓名一.单项选择题:(共10小题,每题2分,共20分)1.谐振回路与晶体管连接时,常采用部分接入方式实现阻抗匹配,控制品质因数以达到对通频带和选择性的要求,图(1)电路中I s 信号源的接入系数p s 为( D )。
siA .12L L B .21L L C .112L L L + D .212L L L +2.电路与上题同,晶体管基极与谐振回路的接入系数p L 为( C )。
A .12C C B .21C C C .112C C C +D .212C C C +3.谐振功率放大器的集电极电流是( 尖顶余弦脉冲电流 )。
A .矩形脉冲电流B .尖顶余弦脉冲电流C .正弦电流D .直流电流4.并联型晶体振荡器中,晶体在电路中的作用等效于( 电感元件 )。
A .电容元件 B .电感元件 C .电阻元件 D .短路线5.谐振功放工作在临界状态,其它条件不变,E c 增加时,则( D )。
A .P o 显著增大B .I c 明显增大C .I co 明显增大D .P c 明显增大6.普通调幅信号中,能量主要集中在( A )上。
A .载频分量B .边带C .上边带D .下边带7.同步检波时,必须在检波器输入端加入一个与发射载波( D )的参考信号。
A .同频B .同相C .同幅度D .同频同相8.同步检波能解调( D )调幅信号。
A .AMB .DSBC .SSBD .以上任何一种9.调幅信号经过混频作用后,( C )将发生变化。
A .调幅系数B .频带宽度C .载波频率D .相对频谱10.在调角波中,保持调制信号幅度不变同时增大调制信号频率,则( B )。
A .无论调频、调相、调制指数均随之增大。
B .调相指数不变,调频指数减小。
C .无论调频、调相、最大频偏均随之增大。
1、电路如图所示,其中R、L、C1、C2已知,若u s=U m e-at,i s=I m sinωt,其中U m、I m、ω、a均为常数,u c1(0)= 0。
试求i(t)、u(t)的表达式。
2、题2图中,试求出节点电压u n1、u n2、u n3及8A独立电流源的功率。
3、已知R1=4Ω,R2=1Ω,L=1H,ω=1 rad/s,C1=1F,电压源的有效值U s=12V,Z L可以任意变动,求Z L能获得的最大功率。
4、电路如图所示,已知u s1=sin103t V,u s2=2cos(103t -90°)V,i s1=44.5cos(103t+45°)mA,i s2=80cos(103t+45°)mA,R1=R2=20Ω,L1=30mH,L2=20mH,M=10mH,求i(t)。
5、对称三相电路中电压表的读数为1714.73V,Z1=2+j4Ω,Z=15+j153Ω,求电路中电流表的读数、电源端的线电压U AB及电源发出的有功功率。
6、图示的滤波器电路中,要求负载中不含基波分量,但三次谐波能全部送至负载,若基波角频率为1000rad/s,L2=1H,求L1及C的值。
1、电路如图所示,试按图示节点编号写出电路的节点电压方程。
2、题2图中N 为有源电阻电路,开关S 断开时得U ab =13V ,S 闭合时得I ab =3.9A ,试求N 的最简单电路。
3、如图所示电路, 4525∠-=S U V, 02∠=SI A, R = 5Ω,X L = 5Ω,X C = 2Ω, Z L 的实部和虚部可自由地改变,要使Z L 获得最大功率,试确定Z L 的值,并计算此时最大功率P L 。
4、如图所示电路,R 1 = 1Ω,R 2 = 4Ω,L 1= 60mH ,L 2= 40mH , M =20mH ,C =1/300F , s rad /102=ω,010∠=SU V 。
试求U。
电路基础参考答案及评分标准一、填空题:(每空1分,共15分)1.吸收 2. 电压、电流 3. 支路(回路)电压、支路电流4. 叠加、齐次5. 5、50、60°、6.零输入、零状态 7. 3、2二、简单计算题:(每题5分,共40分)1.i 2=i 1+i 5-i 3-i 6=7A (3分) i 4=i 5-i 6=10A (2分)2.U R1=(U S2-U S1)=6V (2分)V a = U S1+ U R1-U S3=-3V (3分)3.i= (2分) U 1=(2分) R==9Ω (1分)4.I=(2分)+(2分)=3A (1分)5.Z=Ω (1分)P===75 W (2分)Q===-75Var(2分) 6.1)f o ==1592 H Z (2分)Q==100 (2分)2) 由谐振的特点可知:625211R R R +13511U U u +-3u i u421⨯22︒-∠=︒∠︒∠=∙∙603114105430m mI U φcos 21m m I U )60cos(103021︒-⨯⨯⨯φsin 21m m I U )60sin(103021︒-⨯⨯⨯3LC π21R 1C L== =0.5A (1分)7.u 1=(3分)=0.4×10×500×cos500t -0.8×10×500×cos500t=-2000cos500t=2000sin(500t -90º) mV (2分)8.Z 11=15//(15+20)=10.5Ω (1分) Z 12==6Ω(2分)Z 22=20//(15+15)=12Ω(2分)三、分析计算题:(每题9分,共45分)(必须有较规范的步骤,否则扣分,只有答案者,该题得零分)1.(9分)设各独立节点及参考节点如图所示:(2分)列节点方程:U 1=20 (1分) -U 1+(1+)U 2-U 3=-15-(1分)-U 1-U 2+(++)U 3= (1分)列控制量方程:I=U 3 (1分)联立以上方程解得:U 1=20V U 2=-V (1分)U 3=18V (1分)∴ I=U 3=6A (1分)I Z U SR U S dt di M dt di L 211-1515152020⨯++212125I612121316125I3132312.(9分)断开R,得一有源二端网络,(1分)求戴维南等效电路:U OC =10-=6V (2分)R O =3+6//12=7Ω(2分)∴ 当R=R O =7Ω时(2分),R 获得的功率最大,其最大功率P m 为P m ===1.29W (2分)3.(9分)设各网孔电流及方向如图所示:(2分)列网孔方程: (4+2)I 1-2I 2=-20 (1分)I 2=4 (1分) 联立解方程得: I 1=-2A (1分) I 2=4A (1分) 则 U 4A (上负下正)=2(I 2-I 1)+I 2 =16V (1分) ∴ 4A 电流源发出的功率P 发=4U 4A =64 W (2分)4.(9分)1)求初始值i L (0-)= A 则 i L (0+)=i L (0-)= A (1分)i 1(0+)= A (1分)2)求稳态值i 1(∞)=(1分)i L (∞)=i 1(∞)=1A (1分)3)求时间常数121266⨯+O OC R U 4279346312=+34920346366312=⨯+++A 26//6312=+21R eq =6+3//6=8Ω (1分)4)由三要素法公式: i 1(t)=2+ A t ≥0 (1分) i L (t )=1+ A t ≥0 (1分) 则 u L (t )== V t ≥0 (1分)t e 1092-t e 1031-dt (t)i L d L t e 1038--。
东北电力学院考试试卷
课程名称:电力系统使用班级:电自04级规定答题时间 2 小时第1/3 张
密封线(密封线内不要答题)
一、填空(共15分)
1、考察电能质量所涉及的几个方面是。
(3分)
2、电力系统中性点有和运行方式,各自特点为。
(4分)
3、电力系统计算中所用的功率是几相的?。
(1分)
4、电力系统电压的调整主要是调整什么量?。
(1分)
5、若将升压变压器做降压变压器使用会使二次侧的电压因为。
(2分)
6、当有功功率流过电抗时是否会产生无功损耗?因为。
(2分)
7、相同截面的导线使用的电压等级越高其电抗值因为。
(2分)
二、简答(共20分)
1、写出B相接地短路,故障点f的序分量边界条件并画出复合序网。
(10分)
2、出牛顿——拉夫逊法潮流计算的流程。
(10分)
三、简算:(共40分)
1、某环网如图所示,求出该网的功率分点并将该网分解成辐射网。
(10
2
素的表达式。
(10分)。
山东工商学院2020学年第一学期电路分析课程试题 A卷(考试时间:120分钟,满分100分)特别提醒:1、所有答案均须填写在答题纸上,写在试题纸上无效。
2、每份答卷上均须准确填写函授站、专业、年级、学号、姓名、课程名称。
一单选题 (共20题,总分值40分 )1. 已知某RL串联电路的等效复阻抗为,若,则电阻的值及电路的频率为()(2 分)A. ,;B. ,;C. ,;D. ,。
2. 关于回路电流方程的通式,下列叙述中,()是错误的。
(2 分)A. 自电阻是回路本身的电阻之和,恒为正;B. 互电阻是回路之间支路的电阻之和,根据回路电流在公共支路的方向有正、负之分;C. 方程右边的为回路中沿回路电流流向的电压源的电压降的代数和;D. 回路电流自动满足KCL。
3. 已知RLC串联电路上的电阻电压,电感电压,电容电压,则该串联电路的端电压为()。
(2 分)A. 13VB. 7VC. 5VD. 1V4. 已知一个的理想电流源与一个的电阻相串联,则这个串联电路的等效电路可用()表示。
(2 分)A. 的理想电压源B. 的理想电流源C. 的理想电压源与的电阻相并联的电路D. 的理想电压源与的电阻相并联的电路5. 对于具有n个结点、b条支路的电路,可列出_________________个独立的KCL方程,可列出_________________个独立的KVL方程。
下列叙述正确的是()。
(2 分)A. b n+1,n 1B. n1,b n+1C. b n1,n 1D. n1,b n16. 若、两电容并联,则其等效电容为()。
(2 分)A.B.C.D.7. 已知一个的理想电流源与一个的电阻相并联,则这个并联电路的等效电路可用()表示。
(2 分)A. 的理想电流源B. 的理想电压源C. 的理想电压源与的电阻相串联的电路D. 的理想电压源与的电阻相串联的电路8. 已知在非关联参考方向下,某个元件的端电压为5V,流过该元件的电流为2mA,则该元件功率状态为()。
04级电路分析试卷 A
一、填空(共20分)
求各电路图中电压或电流的值,填于空格(10分)
78Ω
22
Ω
50Ω
a
L
2A U=_________________ U=_________________
U=_________________
Ua=_________________ i 1 =_________________
1
写出图示电路端口的电压—电流关系的表达式,填于空格(10份)
三求图示电路中每个元件的功率,并说明那些元件吸收功率?那些元件供出功率?说明功
率是否平衡?(4分)
I
U S
_
U=________________
_ R
u=_________________ 1
I =_________________
R
i i =_________________
U S
_
U=_________________
四、利用等效变换求下列各值(10分)
图示电路,已知u S =12V ,R=2Ω,i C =gu R ,g=2S ,求U R 。
求图示电路的输入电阻R ab 。
五 电路如图所示,分别列出网孔电流方程和结点电压方程(10分)
R
+ _
u C a +
_
12i R β
+
_
六、电路如图,(1)用叠加定理求I 2(画出求各分量的电路);(2)用戴维宁定理求12
Ω电阻上的电压U(画出等效电路)(共10分)
七 图示电路中,R 1= R 2=10Ω,L=0.25H ,C=10
-3
F ,电压表的读数为20V ,功率表的读数
为120W ,求电压源发出的复功率S ~。
(10分)
八、有一三相负载连成星形,接于线电压U L =380V 的三相电源上,每相等效阻抗Z=(29+j21.8)Ω,求(1)相电流、线电流(2)三相功率(共6分)
6Ω
U
S U _
九 分析计算(共10分)
图示电路中,已知开关S 闭合前电路电路处于稳态,在t=0时,合上开关,求(1)t 0时电路的电流i ;(2)画出i 随时间变化的曲线。
(共5分)
十图示电路中,M=0.04H ,求此电路的等效电感Leq 和串联电路的谐振频率。
(5分)
十一、求图示二端口网络的短路导纳矩阵。
(5分)
L=20mH
0.001F
1U _ 1/
2U _
2
十二、图示电路中,换路前电路处于零状态,设i S =)(t (1)画出运算电路(2)用运算电路求u C (t)。
(5分)
十三、线性电阻R 0=400Ω,与非线性电阻串联接到U S =50V 的电源上,非线性电阻的伏安特性如图所示,求电路的静态工作点,并求该点的静态电阻和动态电阻。
(5分)
十四、图示线性一端口,已知R=1Ω,L=0.5H ,C=0.5F, 求(1)驱动点的阻抗Z(S)的表达式;(2)在平面上绘出零点和极点。
(共5分)
C
i
c
u /V
160 120
04级电路分析期末试题A 参考答案 一、 填空(20分) 1.(10分,每空2分)
U =7.8V U=2V U=12V V a =4V i 1=2.22A
2. (10分,每空2分)
RI U U s += Ri dt di L
u += R
u dt du c i += U I 2.0= 5.2+=I U 二、 计算(14分)
1.(4分)A I 11
1
1==,
)(11211吸收W I P R =⨯=
I 5.02
1
22=-=
)(5.022
22吸收W I P R =⨯=……(2分)
)(15.02222产生W I P u -=⨯-=⨯-=,
A I I I 5.021=-=
)(5.05.011产生W P u -=⨯-=, 1R 1R 21P P u u +2.(10分) (1) (5分)等效电路如图: U c =Ri=2×2U R =4U R U R =Ri ……(2分) Ri+Ri-U C =U S
2U R +4U R 2=U s ……(2分) U R =U S (2) (5分)等效电路如图:
1221)(i R R R u β++= ……(3分) 2211
R R R i u
R ab β++==
……(2分) 三、(10分)注:每错一个方程式扣一分(1)网孔电流方程 (5分) (2⎪⎪⎩⎪⎪⎨
⎧=+1
I I U I )53(3I 2I U 20I 1I 131322
21=-+-=-=- ⎪⎪⎪
⎩⎪⎪⎪⎨⎧
-=++--=-+=2
)5131(315
11
31)31
11(20321321n n n n n n U U U U U U +1V
-
c
四、(10分) (1)(5分)
I '2=
101266⨯+=I
2=)
U oc =10×6+12=72V ……(2分) R eq =6Ω ……(2分)
V R U U eq
oc 481212
672
1212=⨯+=⨯+=……(1分) 五、(16分)
1.(10分) 设︒
∠=020.
U 则
︒
∠=901.
1I I ︒︒
∠=∠=
0210
020.
2I ……(2分) .
2.1.I I I += 2
2212I I I +=
W R I R I P 12022212=+=
120104)4(21=⨯++I
A I 21= A I 22= ……(3分) A CU I 2201031=⨯==-ωω
s rad /100=ω ……(2分)
var 16010
1001
225.0100)22(13
222
12=⨯⨯-⨯⨯=-=-C I L I Q ωω……(2分) j jQ P S 160120~
+=+= ……(1分)
2.(6分)
’
U
12Ω
6Ω
10A
U
I
Ω
+ U oc -
(1)380=e V V
设A 相电压︒
∠=0220.
A U ,相电流︒︒
-∠=+∠==3706.68.212902202.
.
j
U I A A ︒
∠=15706.6.B I ︒∠=8306.6.
C I ……(3分)
线电流等于相电流。
……(1分)
(2)W I U P A A 319437cos 06.62203cos 3=⨯⨯⨯==︒
ϕ……(2分) 六、(10分)
(1)(5分)
A i i 104
6100
)0()0(=+=-=+……(1分) A i 254
100
)(==
∞ ……(1分) s R L 33
1054102--⨯=⨯==τ ……(1分)
10(25)]()0([)()(+=∞-+-∞=-e
i i i t i t
τ
……(2分)
(2)(5分)
H
M
L L L eq 58.04.024.06.0221=⨯++=++= ……(3分)
C
L eq 001
ωω= HZ C
L f eq 6.6001
.058.021
210=⨯=
=
ππ ……(2分)
七.(5分)
⎪⎩⎪⎨⎧-=++=1
.
12.
2.1.1.2I I U U R I U ……(3分)
⎪⎩
⎪⎨⎧
+-=-=2
.
1.2.2.1.13131U R U R I U R U R I ……(1分)
故⎥
⎥⎥⎦⎤⎢⎢⎢⎣⎡--=R R
R R Y 3131
……(1分)
八、(5分)
SCR R SC R SC R
S Z +=+
=111
)(
S
S I S 1
)(=
⎥⎥⎥⎦
⎢⎢⎢⎣+
-=+==SC S S SCR S R S I S Z S U S C 11)()()()( ……(3分)
)()1()]([)(1
t e
R S U t U RC
t
C C ε-
--== V ……(2分)
九、(5分)
i i R U u o s 40050-=-=
令0=u ,mA i 125400
50
==
0=i ,V u 50=
直流负载线如图示,交于Q 点,即静态工作点。
……(2分)
⎩⎨
⎧==mA
I V
U 453400 ……(1分) Ω=⨯=
=-75610
4534
3
0Q
I U R ……(1分)
c (s) I c (s)
160 120
11 Ω==∆∆≈
=27245
1400I I d I U dI dU
R ……(1分)
十、(5分)
1
)2()2(44)2(1)1)(()(22
22=++=+++=+++++=S S S S S RC
R SL R RC R SL R S Z ……(3分)
22
2121-==-==P P Z Z ……(2分)
⨯。