三相异步电动机控制实训参考资料
- 格式:doc
- 大小:3.71 MB
- 文档页数:31
实训报告三相异步电动机第一篇:实训报告三相异步电动机4.电动机的顺序控制电路(1)目的要求a.了解继电器的顺序控制原理,掌握其接线方法;b.加深对继电器工作原理的理解,实训报告三相异步电动机。
(2)线路图:(略)原理:需要KM2线圈通电时,必须先按下绿色按钮,KM1通电并自锁,串联在KM2线圈回路的KM1也通电并自锁,再按下黑色按钮,KM2通电并自锁,KM2线圈带电,保证KM2带电前必须先让KM1带电,停止时按红色按钮。
(3)步骤:a.按图接好电路;b.检查电路,确认无误后通电;c.先按下绿色按钮,再按下黑色按钮,观察现象;按下红色按钮,再直接按黑色按钮,观察并记录现象;d.切断电源,拆除导线。
5.电动机的正反转控制电路(1)目的要求a.了解继电器的正反转控制控制原理,掌握其接线方法;b.通过操作加深对继电器工作原理的理解;c.能够组织复杂的接线。
(2)接线图:(略)原理:需要KM1带电时,按下绿色按钮,KM1通电并自锁,KM1线圈带电,串联在KM2线圈回路的KM1常闭触点断开,保证KM1与KM2线圈不同时带电。
需要KM2线圈带电时,先按红色按钮停止,KM1断开,按下黑色按钮,KM2通电并自锁,KM2线圈带电,串联在KM1回路的KM2常闭触点断开,保证KM2与KM1也不同时带电。
(3)步骤:a.按图连接好导线;b.检查线路,确认无误后通电;c.按顺序,先按绿色按钮,再按下黑色按钮,观察现象;然后按红色按钮,反过来,先按黑色按钮,再按绿色按钮,观察并记录实验现象;d.切断电源,拆除导线,归还实验仪器。
三相异步电动机正反转控制通过这个实训我们掌握了控制电路的接线及检查的方法.学习了低电压电器的有关知识,了解其规格,型号及使用方法.掌握了三相异步电动机的正反转控制电路的工作原理,了解控制电路的基本环节的作用.第二个试验是电动机反-正转实训,我们上学期有一定的理论知识,我想应该没问题,可以做起来,可一做不是那一回事,接完后电机不转,发现是接触点不能吻和。
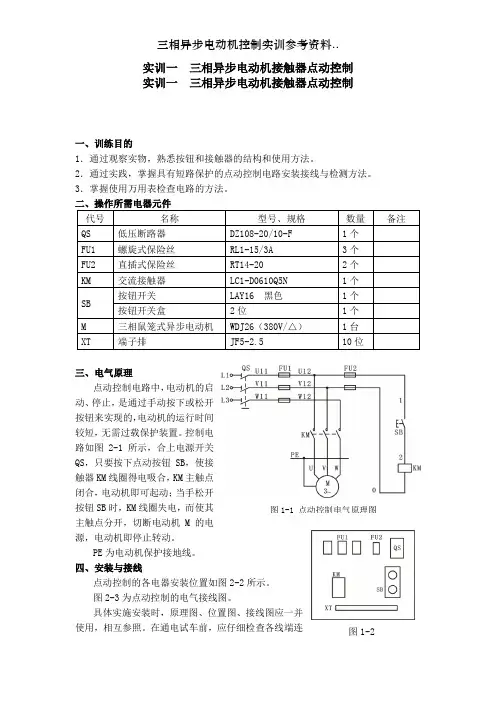
实训一三相异步电动机接触器点动控制实训一三相异步电动机接触器点动控制一、训练目的1.通过观察实物,熟悉按钮和接触器的结构和使用方法。
2.通过实践,掌握具有短路保护的点动控制电路安装接线与检测方法。
3.掌握使用万用表检查电路的方法。
代号名称型号、规格数量备注QS 低压断路器DZ108-20/10-F 1个FU1 螺旋式保险丝RL1-15/3A 3个FU2 直插式保险丝RT14-20 2个KM 交流接触器LC1-D0610Q5N 1个SB 按钮开关LAY16 黑色1个按钮开关盒2位1个M 三相鼠笼式异步电动机WDJ26(380V/△)1台XT 端子排JF5-2.5 10位三、电气原理点动控制电路中,电动机的启动、停止,是通过手动按下或松开按钮来实现的,电动机的运行时间较短,无需过载保护装置。
控制电路如图2-1所示,合上电源开关QS,只要按下点动按钮SB,使接触器KM线圈得电吸合,KM主触点闭合,电动机即可起动;当手松开按钮SB时,KM线圈失电,而使其主触点分开,切断电动机M的电源,电动机即停止转动。
PE为电动机保护接地线。
四、安装与接线点动控制的各电器安装位置如图2-2所示。
图2-3为点动控制的电气接线图。
具体实施安装时,原理图、位置图、接线图应一并使用,相互参照。
在通电试车前,应仔细检查各线端连图1-2图1-1 点动控制电气原理图接是否正确、可靠,并用万用表的欧姆档检查控制回路是否短路或开路(按下起动控制按钮时,控制电路的两端电阻应为吸引线圈的直流电阻)、主电路有无开路或短路等。
图1-3 点动控制电路接线图实训二三相异步电机接触器自锁控制线路在点动控制的电路中,要使电动机转动,就必须用手按住按钮不放,这不适合电动机长时间连续运行的控制场合,而必需具有接触器自锁的控制电路。
代号名称型号规格数量备注QS 低压断路器DZ108-20/10-F 1FU1 螺旋式熔断器RL1-15 配熔体3A 3FU2 直插式保险丝RT14-20 配熔体2A 2KM 交流接触器LC1-D0610Q5N 线圈电压AC380V 1FR热继电器LR2-D1305N 整定范围0.63-1A 1整定值0.63A 热继电器座LA7-D1064 1SB1 按钮开关LAY16 红色 1 SB2 按钮开关LAY16 绿色 1 按钮开关盒2位 1 XT 接线端子排JF5-2.5 AC660V25A 10位M 三相鼠笼式异步电动机380V(△) 1二、训练目的1.通过实践训练,熟悉热继电器的结构、原理和使用方法。
三相异步电动机单向转动控制电路实训报告哎呀,今天咱们来聊聊三相异步电动机的单向转动控制电路。
听起来是不是有点儿高深,其实没那么复杂,咱们慢慢说。
三相异步电动机,这玩意儿就像个勤勤恳恳的老黄牛,一直在为工业生产出力。
它可真是个好帮手,能在咱们生活中无处不在,比如电梯、风扇、甚至洗衣机。
要说控制它转动,那可是门道多得很,今天就给大家讲讲如何实现单向转动。
咱们得搞清楚什么是三相电。
简单说,三相电就像三条河流,流向都一样,三相电源的三根线各自带着电流,能有效地推动电动机转动。
这里有个小知识点,三相电的优势在于它可以提供更平稳的动力输出,这就好比吃饭时,三个人一起端上来,大家都不想等,分分钟就能开动起来。
就那么简单,大家都能吃得开心。
咱们来谈谈控制电路。
想让电动机单向转动,我们得设计一个控制电路。
这个电路就像一条交通规则,明确告诉电动机该怎么转。
控制电路里通常会用到接触器、热保护器和时间继电器。
这些元件就像一个个小助手,各司其职,保证电动机正常运转。
接触器负责开关电源,热保护器就像电动机的小监护人,温度一高就给你报警,确保不会出乱子。
在咱们的实训中,先是接线,这个过程就像拼图,得小心翼翼,不能让线搞错了。
把三相电源接入控制电路,确保每根线都在对的位置。
哦对了,接线的时候可得注意,接错了就得从头来,真是麻烦透顶。
接下来就得测试了,点亮电源开关,看看电动机是不是乖乖转起来。
哎,看到它顺利转动的那一刻,心里真是乐开了花。
可是,万一不转呢?别着急,故障排查才是王道。
一般来说,问题出在接触器、线路或者电源上。
你得一根一根线去摸,看看哪根是“老油条”,一搞就是半天。
说实话,排查故障的时候,感觉就像侦探在追查案件,每个环节都得认真对待。
电动机转动得慢,咱们也不能大意,得检查一下电源电压。
电压不够,那就像吃饭时给的米饭太少,根本填不饱肚子。
你还得看看负载情况,电动机负担重了,自然转得慢。
这个时候,适当减轻负载,让它轻松点儿,才不会“累瘫”嘛。
PLC实验报告--三相异步电机实验一三相异步电动机正反转控制
一、实验目的1.熟悉常用低压电器元件的功能及使用方法
2.掌握自锁、互锁电路的作用
3.掌握三相异步电动机正反转控制电路的工作原理。
4.熟悉电气电路的接线及检查方法
5.培养学生分析和解决实际问题的能力
6.使学生养成科学研究和团队合作的习惯
二、实验基本原理
画出实验电路图
三、实验所需仪器设备
三相异步电动机1台、接触器2个、热继电器1个、按钮盒1个、380V电源、导线若干
四、实验步骤及内容
1.认识各电器元件的结构。
2.完成三相异步电动机正反转控制实验电路图接线,应先接主电路,再接控制电路。
(其中,SB1为停止按钮,SB2为正转起动按钮、SB3为反转起动按钮)接线后,经指导教师检查后,方可进行通电操作。
注意:
1.要在断电时进行拆接线
2.正反转切换时,要先按下停止按钮SB1,看到电动机输出轴速度降下来后再按另一方向的起动按钮。
五、实验原始数据记录
自己组织语言描述该电路图的工作原理
六、数据处理与分析
1.正反转切换时,确保一方向控制运行的接触器在触点断开后进行另一方向起动,为什么?
2.如何进行电路改进,可实现直接正反转控制(画出电路图),并进行控制电路分析。
三相异步电动机控制实训报告三相异步电动机是现代工业中常见的一种电动机,具有结构简单、可靠性高、功率大等优点,被广泛应用于各种机械设备的驱动中。
为了更好地控制和运行三相异步电动机,需要进行实训。
本报告将对三相异步电动机的控制实训进行详细介绍。
一、实训目的通过本次实训,主要掌握以下几个方面的知识和技能:1.三相异步电动机的基本原理和结构;2.三相异步电动机的运行特性和工作原理;3.三相异步电动机的控制方法和技术;4.三相异步电动机的调速控制和保护控制。
二、实训内容1.理论学习:了解三相异步电动机的基本原理、结构和运行特性,掌握其工作原理和调速控制方法。
2.实验准备:熟悉实验设备的使用方法,包括三相交流电源、变频器、电压表、电流表等。
3.实验步骤:a.根据实验要求,选定合适的控制方法和参数,如定频控制或变频控制。
b.连接实验设备,将三相电源接入电动机,注意接线的正确性和安全性。
c.调试设备,设置合适的工作参数,如电流、电压、频率等。
d.运行电动机,观察其运转状态,测试其转速、功率等指标。
e.进行调速控制实验,通过改变工作参数,调整电动机的转速和运行方式。
三、实训效果通过本次实训,可以达到以下几个方面的效果:1.理论知识掌握:通过理论学习和实践操作,对三相异步电动机的基本原理、结构、运行特性和调速控制方法有了更深入的了解。
2.操作技能提升:熟练掌握实验设备的使用方法,能够正确连接和调试三相异步电动机。
3.实际应用能力提高:通过实际操作和实验分析,能够对三相异步电动机的控制和调速进行有效的应用和操作。
四、实训总结三相异步电动机控制实训是电气工程专业的基础实训环节,通过实际操作和实验分析,使学生能够掌握三相异步电动机的基本原理和结构,理解其运行特性和工作原理,掌握其控制方法和技术,提高实际应用能力。
本次实训通过理论学习和实践操作相结合的方式,加深了对三相异步电动机的认识和理解,提高了实际应用能力和操作技能。
实验与实训4-1 用PLC实现三相异步电动机的正反转控制实验目的用PLC实现三相异步电动机的正反转控制,初步了解PLC在电气控制系统中的应用。
实验器材可编程控制器(PLC)1台、三相异步电动机1台、按钮3只、交流接触器2只、热继电器1台。
实验步骤1.分析控制要求:按下正转启动按钮,电动机正转;按下停止按钮,电动机停转;按下反转启动按钮,电动机反转。
2.确定I/O点数及其分配:3.进行主电路及PLC连线:按照图4-38原理图进行电路连接。
实物连接参考如图4-39。
a)主电路 b)控制电路图4-38 PLC控制三相异步电动机正反转原理图图4-39 PLC控制三相异步电动机正反转实物连接图4.完成梯形图,如图4-40所示。
5.输入程序。
程序表步序指令步序指令0 LD X1 6 OR Y21 OR Y1 7 ANI XO2 ANI X0 8 ANI Y1图4-40 梯形图6.调试并运行程序。
实验注意事项1.元件安装须符合要求:PLC使用导轨进行安装,其他元件使用木螺钉安装。
注意元件的安装要符合安装工艺要求。
2.线路布线合理,连接可靠:线路布局注意合理,避免交错,导线与接线桩的连接要注意安全可靠,符合布线及导线连接工艺标准。
3.注意可编程控制器的电源类型:-40MR,使用AC220V,独立接地。
注意正确连接。
实验使用PLC为三菱FX1N4.正确进行元件的连接注意COM端接交流电源,Y1、Y2的COM端都要进行连接。
5.通电调试前,必须检查连接及程序是否正确。
实训一 三相异步电动机直接起动控制电路姓名: 班级: 学号: 成绩:实训日期: 实训工位号:一、实训目的1、认识三相电源,掌握如何用低压断路器控制三相鼠笼异步电动机的启动、停止。
2、掌握三相鼠笼异步电动机绕组的Y 与Δ接法。
三、电路原理在直接起动控制电路中,只要将低压断路器QS 合上,电机就开始旋转,此电路适用于不频繁起动的小容量电动机,但不能实现远距离控制和自动控制。
四、实训步骤1、三相鼠笼异步电动机绕组的Y 与Δ接法A :Y 接法三相电源的输入接在三相鼠笼异步电动机绕组的首端A 、B 、C ,三相鼠笼异步电动机绕组的末端Z 、X 、Y 用导线连在一起。
如圈1-2B :Δ接法三相鼠笼异步电动机绕组的首端A 、B 、C 与末端Z 、X 、Y 用导线连在一起,三相电源的输入接在三相鼠笼异步电动机绕组的首端A 、B 、C ,如图1-3图1-1图1-22、三相鼠笼异步电动机直接起动电路接线按电气元件明细表在挂板上选择熔断器FU1、低压断路器QS 等器件,将电机M 放在水平面上。
按照图1-4进行接线。
接线时要注意走线都应在线槽内,要求走线横平竖直、整齐、合理、接点不得松动 。
四、接线时需注意的地方:1.线的颜色的选择。
主电路分别采用黄、绿、红三种颜色接线,控制回路采用红色接线,保护接地线PE 采用黄绿双色线。
2.电动机的接线。
三相鼠笼异步电动机的接法一般有两种,分别是Y 型接法和Δ型接法,如果电机为Y 型接法的可将电动机的z 、x 、y 短接,A 、B 、C 分别接到端子排的U 、V 、W 。
如果电机为Δ型接法的可按图1-3接线,分别将A 与z 、B 与x 、C 与y 短接,再将A 、B 、C 分别接到端子排的U 、V 、W 。
3.电源的接线。
将L1、L2、L3分别接到三相电源输出端U 、V 、W 上。
五、检查与调试确认接线无误后,先接通三相总电源,再“合”上低压断路器QS ,电机应正常起动和平稳运转。
三相异步电动机实训报告实训报告:三相异步电动机实训一、实训背景和目的三相异步电动机是工业中最常见的一种电动机类型,广泛应用于各种机械设备中。
本次实训旨在通过对三相异步电动机的实际操作和实验,加深对其工作原理、特性和调试方法的理解,提高学生们的实际操作能力和技能。
二、实训内容和步骤1. 实训设备准备:三相异步电动机、电动机控制柜、电压表、电流表、功率表等。
2. 实训步骤:(1)接线调试:根据实验要求,将电动机与电动机控制柜正确接线,保证电路连接正确稳定。
(2)电动机启动:按照实验要求,将电动机控制柜的电源打开,逐步调节启动电流和启动时间,使电动机顺利启动。
(3)电动机运行:通过调整电动机控制柜的参数,可以改变电动机的转速和转向,观察电动机的运行状态和特性。
(4)测量电动机参数:使用电压表、电流表和功率表等仪器,测量电动机的电压、电流和功率等参数,记录实验数据。
(5)实验总结:根据实验数据和观察结果,总结电动机的特性和调试方法,分析电动机的工作原理和性能。
三、实训结果与分析1. 实训结果:通过实际操作和实验测量,成功启动了三相异步电动机,并调整了其转速和转向,测量了电动机的电压、电流和功率等参数。
2. 实训分析:通过实训,深入理解了三相异步电动机的工作原理和特性。
在实际操作中,掌握了电动机的接线调试方法和调整参数的技巧。
通过测量电动机参数,了解了电动机的电压、电流和功率等关键参数对电机性能的影响。
四、实训心得和体会通过本次实训,我对三相异步电动机的工作原理和特性有了更深入的了解。
在实际操作中,我学会了正确接线和调试电动机的方法,掌握了调整电动机运行参数的技巧。
通过测量电动机参数,我更加清楚地了解了电动机性能与电压、电流、功率等参数之间的关系。
通过实训,我不仅提高了实际操作能力和技能,还对电动机的应用和调试有了更深入的认识和理解。
五、实训改进和展望本次实训中,由于实验时间有限,只能进行基本的电动机调试和测量。
三相异步电动机的正反转控制实验报告实验报告:三相异步电动机的正反转控制
一、实验目的
1.学习三相异步电动机的正反转控制原理;
2.了解三相异步电动机的工作特性及控制要点;
3.掌握三相异步电动机正反转控制的实验方法和步骤。
二、实验原理
实验设备包括三相异步电动机、三相变压器、电动机控制面板和电源等。
三、实验步骤
1.将三相异步电动机连接到电源上,调整电压为额定电压;
2.将三相变压器连接到电源上,并调整相序开关为正序;
3.打开电源,观察电动机的运行方向,确认为正转;
4.关闭电源,并将相序开关调整为反序;
5.再次打开电源,观察电动机的运行方向,确认为反转;
6.关闭电源,将相序开关调整为正序;
7.打开电源,观察电动机的运行方向,确认为正转。
四、实验结果与分析
在实验过程中,我们通过改变电源的相序来控制三相异步电动机的正反转。
当相序为正序时,电动机按照正向旋转;当相序为反序时,电动机按照反向旋转。
五、实验总结
通过本次实验,我们学习了三相异步电动机的正反转控制原理,并掌握了改变电源相序来实现电动机正反转的实验方法。
三相异步电动机的正反转控制在现实生活中具有广泛应用,包括机械传动、工业生产等领域。
掌握了正反转控制的方法,可以实现对电动机运行方向的灵活控制,提高机械系统的工作效率和生产效益。
1.《电机与拖动》,潘晓军著,清华大学出版社;
2.《电气传动与控制技术》,方仕贤主编,机械工业出版社。
三相异步电动机实训报告引言在本次实训中,我们将学习和研究三相异步电动机的原理和工作方式。
三相异步电动机是一种常见的电动机类型,广泛应用于工业和家用设备中。
通过深入了解其工作原理,我们可以更好地理解和应用这种电动机。
本报告将以步骤思维的方式介绍三相异步电动机的主要原理和实际操作。
我们将从基础知识开始,逐步深入探讨各个方面的内容。
步骤一:三相异步电动机的基本原理三相异步电动机是一种交流电动机,其工作原理基于电磁感应。
当通过三相电源供给电动机定子绕组时,电动机的转子会在电磁感应力的作用下开始旋转。
步骤二:电动机的主要部件三相异步电动机由定子和转子两部分组成。
定子是电动机的静止部分,包括定子绕组和定子铁芯。
转子是电动机的旋转部分,包括转子绕组和转子铁芯。
了解电动机的主要部件对于理解其工作原理和设计电路非常重要。
步骤三:电动机的连接方式三相异步电动机有两种常见的连接方式:星形连接和三角形连接。
这两种连接方式可以影响电动机的运行特性和性能。
我们需要根据具体的应用需求选择适合的连接方式。
步骤四:电动机的起动和控制三相异步电动机的起动和控制是电动机应用中的关键问题。
在实际应用中,我们需要使用起动器和控制器来控制电动机的启动、停止和运行速度等参数。
掌握电动机的起动和控制方法对于正确使用电动机至关重要。
步骤五:实际操作和实验通过实验,我们可以对三相异步电动机的原理和性能有更深入的理解。
在实验中,我们可以观察电动机的运行状态、测量电动机的性能参数,并通过不同的实验条件来探索电动机的特性。
结论通过本次实训,我们对三相异步电动机的原理和应用有了更全面的了解。
电动机作为重要的电动设备,在各个行业都有广泛应用。
掌握电动机的基本原理和操作方法可以为我们今后的工作和学习提供很大的帮助。
希望本实训报告对于大家理解三相异步电动机有所帮助,并能够启发大家进一步深入学习和研究电动机相关的知识。
谢谢!。
三相异步电动机单项运行实训报告一、实验目的本实验旨在让学生了解和掌握三相异步电动机单项运行的基本原理和实践操作技能,包括电动机的启动、运行、调速和停止等过程,以及相关的测量和控制方法。
二、实验原理三相异步电动机单项运行的基本原理是利用三相电源产生旋转磁场,通过控制电机的转速和转向,实现电机的启动、运行和停止。
在单项运行中,三相电源的任意一相与大地相连,而其他两相则通过电容或电感等元件进行移相。
通过改变移相的角度,可以控制电机的转速和转向。
三、实验步骤1.准备实验器材:三相异步电动机、电源开关、电流表、电压表、电位器、移相电容等。
2.将电源接入电机,并打开电源开关。
3.观察电机的启动过程,记录电机的旋转方向和转速。
4.通过电位器调整电机电压,观察电机转速的变化。
5.分别测试电机在正向和反向运行时的电流和电压,记录数据。
6.停机后,关闭电源,整理实验器材。
四、实验结果与分析1.电机的旋转方向和转速:在实验中,我们发现三相异步电动机的旋转方向与电源的相序有关,如果电源的相序不正确,电机将无法启动。
此外,电机的转速与电源电压成正比,通过调整电源电压可以控制电机的转速。
2.正向与反向运行的数据对比:在正向运行时,电流表和电压表的读数分别为XX安培和XX伏特;在反向运行时,电流表和电压表的读数分别为XX安培和XX伏特。
这说明在正向和反向运行时,电流和电压的变化趋势是相同的,但具体的数值会有所不同。
这可能与电机内部的电磁场分布有关,需要进一步的理论分析。
五、实验结论通过本次实验,我们了解了三相异步电动机单项运行的基本原理和实践操作技能。
实验结果表明,电机的旋转方向和转速可以通过调整电源的相序和电压进行控制。
此外,我们还观察到了电机在正向和反向运行时的电流和电压变化趋势相同但具体数值不同的情况,这可能与电机内部的电磁场分布有关。
本次实验为我们提供了对三相异步电动机单项运行更深入的了解和认识,为后续的学习和实践打下了坚实的基础。
三相异步电动机控制实训报告电⽓控制实训报告题⽬:三相异步电动机控制实训姓名:曹聘专业:电⽓⼯程及其⾃动化班级:电⽓12-1班学号:1214216120指导教师:常炳双、侯世瑞2015年⽬录⼀、实训⽬的 (2)⼆、实训设备 (2)三、实训内容 (2)1、三相异步电动机接触器点动、⾃锁控制 (2)(⼀)点动 (2)Ⅰ.实训器件 (2)Ⅱ.原理简介 (2)Ⅲ.分析总结 (2)(⼆)⾃锁 (3)Ⅰ.实训器件 (3)Ⅱ.原理简介 (3)Ⅲ.分析总结 (4)2、接触器联锁的三相异步电动机正反转控制 (5)Ⅰ.实训器件 (5)Ⅱ.原理简介 (5)Ⅲ.分析总结 (6)3、三相异步电动机的多地控制 (7)Ⅰ.实训器件 (7)Ⅱ.原理简介 (7)Ⅲ.分析总结 (7)4、三相异步电动机顺序控制 (8)Ⅰ.实训器件 (8)Ⅱ.原理简介 (8)Ⅲ.分析总结 (9)⼀、实训⽬的通过此项⽬的实训,熟悉各元器件的结构和使⽤⽅法,掌握三相异步电动机的继电接触器控制电路的⼯作原理、实际线路连接⽅法、故障排查⽅法等,掌握使⽤万⽤表检查电路的⽅法。
⼆、实训设备:THPJC-3型电⼯实训考核装置三、实训内容:1、三相异步电动机接触器点动、⾃锁控制(⼀)点动Ⅰ.实训器件Ⅱ.原理简介点动控制电路中,电动机的启动、停⽌,是通过⼿动按下或松开按钮来实现的。
电动机的运⾏时间较短,⽆需过载保护装置。
点动控制电路原理图如图1-1所⽰,合上电源开关QS,只要按下点动按钮SB,使接触器KM线圈得电吸合,KM 主触点闭合,电动机即可起动;当⼿松开按钮SB时,KM线圈失电,使得主触点分开,停⽌向电动机M供电,电动机即停⽌转动。
本线路图具有的功能是点动控制电路的开启与断开,实现电动机M随按随动。
Ⅲ.分析总结1、电路⼀通电电动机就开始运转分析处理:按钮接线端接成常闭。
重新接线,保证接准确。
2、通电后尽管按按钮电动机也不运转分析处理:少接线或接线不牢靠,导致线路不能构成回路或接触不良。
实训一三相异步电动机点动控制一、实训目的1、了解三相异步电动机点动控制电路的基本原理。
2、熟悉三相异步电动机点动控制电路的控制过程。
3、掌握三相异步电动机点动控制电路的接线技能。
4、熟悉各控制元器件的工作原理及构造。
二、实训内容1、三相异步电动机点动控制的主回路参考原理图如图1.1.1 (a)所示。
2、三相异步电动机点动控制的控制回路参考原理图如图1.1.1 (b)所示。
FU KM FRL NQS2FRM(a)主回路原理图(b)控制回路原理图图1.1.1 三相异步电动机点动控制电路参考原理图三、实训器材三相鼠笼式异步电动机1台,交流接触器1个,热继电器1个,按钮开关1个,指示灯2个,熔断器3个,小型三相断路器1个,小型两相断路器1个,连接导线及相关工具若干。
四、工作原理1、继电-接触控制在各类生产机械中获得了广泛的应用,凡是需要进行前后、上下、左右、进退等运动的生产机械,均采用传统的典型的正、反转继电——接触控制。
交流电动机继电器——接触控制电路的主要设备是交流接触器,其主要构造为:(1)电磁系统——铁心、吸引线圈和短路环。
(2)触头系统——主触头和辅助触头,还可按吸引线圈得电前后触头的动作状态,分动合(常开)、动断(常闭)两类。
(3)消弧系统——在切断大电流的触头上装有灭弧罩,以迅速切断电弧。
(4)接线端子,反作用弹簧。
2、控制按钮通常通过短时通、断小电流的控制回路,实现近、远距离控制电动机等执行部件的起、停或正、反转等控制。
按钮是专供人工操作使用。
对于复合按钮,其触点的动作规律是:当按下时,其动断触头先断,动合触头后合;当松手时,则动合触头先断,动断触头后合。
3、在电动机运行过程中,应对可能出现的故障进行保护。
采用熔断器作短路保护,当电动机或电器发生短路时,及时熔断熔体,达到保护线路、保护电源的目的。
熔体熔断时间与流过的电流关系称为熔断器的保护特性,这是选择熔体的主要依据。
采用热继电器实现过载保护,使电动机免受过载之危害,其主要的技术指标是整定电流值,即电流超过此值的20%时,其动断触头应能在一定的时间内断开,切断控制回路,动作后只能由人工进行复位。
第6章低压电器控制线路的安装与调试133四 实训任务(1)在电动机控制线路接线柜上安装接触器联锁的正反转控制线路。
经检查无误后,接上电动机进行通电试运转。
(2)在电动机控制线路接线柜上安装接触器、按钮双重联锁的正反转控制线路。
经检查无误后,接上电动机进行通电试运转。
接线时注意接线方法,先接主电路,后接控制电路,先接串联电路,后接并联电路。
各接点要牢固、接触良好,同时,要注意文明操作,保护好各电器。
五 实训报告(1)画出实训任务中2个控制线路的原理图及接线图,并分析动作原理。
(2)记录电器及电动机的动作、运转情况。
(3)说明联锁的含义。
(4)总结实训时碰到故障的检修及解决方法。
(5)心得及体会。
实训三三相异步电动机Y-△减压启动控制一 实训目的(1)掌握三相异步电动机降压启动的的控制方法。
(2)了解不同降压启动控制方式的差别及应用场合。
(3)理解常用低压电器的用法及接线。
(4)掌握电气原理图的识图方法,并根据原理图熟练接线布线。
二 实训器材(1)电动机控制线路接线柜(含电气元件)。
(2)电工常用工具1套。
(3)三相异步电动机1台。
(4)导线若干。
三 基础知识由电机及拖动基础可知,三相交流异步电动机启动时电流较大,一般是额定电流的5~7倍。
故在工业应用场合,对于较大功率电动机常采用星形-三角降压启动控制方式。
启动时,定子绕组首先接成星形,待转速上升到接近额定转速时,再将定子绕组的接线换成三角形,电动机便进入全电压正常运行状态。
电动机Y-△减压启动控制方法只适用于正常工作时定子绕组为三角形(△)连结的电动机,这种方法既简单又经济,使用较为普遍,但其启动转距只有全压启动时的1/3,因此,只适用于空载或轻载启动。
实训一三相异步电动机接触器点动控制实训一三相异步电动机接触器点动控制一、训练目的1.通过观察实物,熟悉按钮和接触器的结构和使用方法。
2.通过实践,掌握具有短路保护的点动控制电路安装接线与检测方法。
3.掌握使用万用表检查电路的方法。
代号名称型号、规格数量备注QS 低压断路器DZ108-20/10-F 1个FU1 螺旋式保险丝RL1-15/3A 3个FU2 直插式保险丝RT14-20 2个KM 交流接触器LC1-D0610Q5N 1个SB 按钮开关LAY16 黑色1个按钮开关盒2位1个M 三相鼠笼式异步电动机WDJ26(380V/△)1台XT 端子排JF5-2.5 10位三、电气原理点动控制电路中,电动机的启动、停止,是通过手动按下或松开按钮来实现的,电动机的运行时间较短,无需过载保护装置。
控制电路如图2-1所示,合上电源开关QS,只要按下点动按钮SB,使接触器KM线圈得电吸合,KM主触点闭合,电动机即可起动;当手松开按钮SB时,KM线圈失电,而使其主触点分开,切断电动机M的电源,电动机即停止转动。
PE为电动机保护接地线。
四、安装与接线点动控制的各电器安装位置如图2-2所示。
图2-3为点动控制的电气接线图。
具体实施安装时,原理图、位置图、接线图应一并使用,相互参照。
在通电试车前,应仔细检查各线端连图1-2图1-1 点动控制电气原理图接是否正确、可靠,并用万用表的欧姆档检查控制回路是否短路或开路(按下起动控制按钮时,控制电路的两端电阻应为吸引线圈的直流电阻)、主电路有无开路或短路等。
图1-3 点动控制电路接线图实训二三相异步电机接触器自锁控制线路在点动控制的电路中,要使电动机转动,就必须用手按住按钮不放,这不适合电动机长时间连续运行的控制场合,而必需具有接触器自锁的控制电路。
代号名称型号规格数量备注QS 低压断路器DZ108-20/10-F 1FU1 螺旋式熔断器RL1-15 配熔体3A 3FU2 直插式保险丝RT14-20 配熔体2A 2KM 交流接触器LC1-D0610Q5N 线圈电压AC380V 1FR热继电器LR2-D1305N 整定范围0.63-1A 1整定值0.63A 热继电器座LA7-D1064 1SB1 按钮开关LAY16 红色 1 SB2 按钮开关LAY16 绿色 1 按钮开关盒2位 1 XT 接线端子排JF5-2.5 AC660V25A 10位M 三相鼠笼式异步电动机380V(△) 1二、训练目的1.通过实践训练,熟悉热继电器的结构、原理和使用方法。
2.通过实践训练,掌握具有过载保护的接触器自锁电路安装接线与检测。
3.进一步熟练万用表的使用。
三、电气原理因电动机是连续工作,必须加装热继电器以实现过载保护,具有过载保护的自锁控制电路的电气原理如图2-1所示,它与点动控制电路的不同之处在于控制电路中增加了一个停止按钮SB1,在启动按钮的两端并联了一对接触器的常开触头,增加了过载保护装置(热继电器FR)。
电路的工作过程:按下启动按钮SB2→接触器KM线圈通电→KM(3-4)闭合自锁,同时KM主触头闭合,电动机M起动运行。
图2-1 自锁控制电气原理图按下停止按钮SB1→KM线圈失电→KM(3-4)恢复断开,同时KM主触头也断开→电动机停车。
1.欠电压保护“欠电压”是指电路电压低于电动机应加的额定电压。
欠电压严重时会损坏电动机,在该控制电路中,当三相电源电压降低到85%额定电压以下时,接触器线圈磁通减弱,电磁吸力克服不了反作用弹簧的压力,动铁芯会释放,从而使接触器KM 的主触头分开,自动切断主电路。
2.失电压保护当生产设备运行时,由于某种原因引起电源断电,而使生产机械停转。
当故障排除后,恢复供电时,如果电动机重新起动,很可能引起设备与人身事故的发生。
采用具有接触器自锁的控制电路,当电路失电时,KM已断电释放,即使电源恢复供电,由于接触器线圈不能通电吸合,电动机也不会自行起动,只有再次按启动按钮,电动机才可以起动。
这种保护称为失电压保护或零电压保护。
3.过载保护具有自锁的控制电路虽然有短路、欠电压和失电压保护的作用,但实际使用中还不够完善。
因为电动机在运行过程中,若长期负载过大或操作频繁,或三相电路缺相运行等原因,都可能使电动机的电流超过它的额定值,这将会引起电动机绕组过热,损坏电动机绝缘,因此,通常由三相热继电器来完成过载保护。
四、线路安装按图2-2布置的位置装好元器件,再按图3-3连好接线。
将电动机连接好。
将L1、L2、L3分别插进电源控制屏的L1、L2、L3插座。
图 2-2图2-3 自锁控制电路接线图实训三三相异步电动机的多地控制代号名称型号规格数量备注QF 低压断路器DZ108-20/10-F 0.63-1A 1KM 交流接触器LC1-D0610Q5N 线圈AC380V 1FR热继电器LR2-D1305N 1 热继电器座LA7-D1064 1SB11SB12 SB21 SB22 按钮开关LAY16一常开一常闭自动复位4SB11、SB21绿色SB12、SB22红色XT 接线端子排JF5-2.5 15位M 三相鼠笼异步电动机(380V/Δ) 1二、电路图图3-1该线路图中,SB11和SB12为甲地的起动和停止按钮;SB21和SB22为乙地的起动和停止按钮。
它们可以分别在两个不同地点上,控制接触器KM的接通和断开,进而实现两地控制同一电动机起、停的目的。
三、安装与接线布置与接线可参考图3-2,操作者应画出实际接线图。
安装与接线应符合第二章的要求。
图3-2四、检测与调试经检查接线无误后,接通交流电源并进行操作,若操作中出现不正常故障,则应自行分析加以排除。
实训四接触器联锁的三相异步电动机正反转控制线路代号名称型号数量备注QS 低压断路器DZ108-20/10-F 1FU1 螺旋式熔断器RL1-15 3 装熔芯3A FU2 直插式熔断器RT14-20 2 装熔芯2AKM1、KM2 交流接触器LC1-D0610Q5N 2 线圈AC380V 辅助触头LA1-DN11 2FR热继电器LR2-D1305N/0.63-1A 1 热继电器座LA7-D1064 1SB1 按钮开关LAY16 1 红色SB2、SB3按钮开关LAY16 2 绿色按钮开关盒三位 1XT 接线端子排JF5-2.5 10位M 三相鼠笼异步电动机(380V/Δ) 1二、电气原理图4-1图4-1控制线路的动作过程是:(1)正转控制合上电源开关QS,按正转起动按钮SB2,正转控制回路接通,KM1的线圈通电动作,其常开触头闭合自锁、常闭触头断开使KM2线圈不能通电(实现互锁),同时主触头闭合,主电路按U1、V1、W1相序接通,电动机正转。
(2)反转控制要使电动机改变转向(即由正转变为反转)时,应先按下停止按钮SB1,使正转控制电路断开,电动机停转,然后才能使电动机反转,为什么要这样操作呢?因为反转控制回路中串联了正转接触器KM1的常闭触头,当KM1通电工作时,它是断开的,若这时直接按反转按钮SB3,反转接触器KM2线圈是无法通电吸合,电动机也就得不到电源,故电动机仍然处在正转状态,不会反转。
三、安装接线正反转控制电路的接线较为复杂,特别是当按钮使用较多时。
在电路中,两处主触头的接线必须保证相序相反;联锁触头必须保证常闭互串;按钮的接线必须正确、可靠、合理。
图4-2按布置图的位置,在网孔板上安装QS、FU1、FU2、KM1、KM2、FR、SB1、SB2、SB3及XT等器件。
接线图4-2所示,接动力线时用黑色线,控制电路用红色线,原理图、位置图、接线图应一并使用,相互参照。
在通电试车前,应仔细检查各接线端连接是否正确、可靠。
图4-3四、检查与调试仔细确认接线正确后,可接通交流电源,合上开关QS,按下SB2,电机应正转(电机为顺时针转,若不符合转向要求,可停机,换接电机定子绕组任意两个接线即可)。
如要电机反转,应先按SB1,使电机停转,然后再按SB3,则电机反转。
若不能正常工作,则应分析并排除故障,使线路能正常工作。
实训五按钮联锁的三相异步电动机正反转控制线路代号名称型号数量备注QS 低压断路器DZ108-20/10-F 1FU1 螺旋式熔断器RL1-15 3 装熔芯3A FU2 直插式熔断器RT14-20 2 装熔芯2A KM1、KM2交流接触器LC1-D0610Q5N 2 线圈AC380VFR热继电器LR2-D1305N/0.63-1A 1 热继电器座LA7-D1064 1SB1 按钮开关LAY16 1 红色SB2、SB3按钮开关LAY16 1 绿色按钮开关盒三位 1XT 接线端子排JF5-2.5 15位M 三相鼠笼异步电动机WDJ26(380V/Δ) 1二、电气原理图5-1如图5-1所示,该控制电路的特点是当需要改变电动机的转向时,只要直接按反转按钮就可以了,不必先按停止按钮。
这是因为如果电动机已按正转方向运转时,线圈是通电的,这时按下按钮SB3,按钮串在KM1线圈回路中的常闭触头首先断开,将KM1线圈回路断开,相当于按下停止按钮SB1的作用,使电动机停转,随后SB3的常开触头闭合,接通线圈KM1的回路,使电源相序相反,电动机即反向旋转。
同样,当电动机已作反向旋转时,若按下SB2,电动机就先停转后正转。
该线路是利用按钮动作时,常闭先断开、常开后闭合的特点来保证KM1与KM2不会同时通电,由此来实现电动机正反转的联锁控制。
所以SB2和SB3的常闭触头也称为联锁触头。
三、安装与接线图5-2按布置图器件的位置(参看图5-2),在网孔板上分别装上QS、FU1、FU2、KM1、KM2、FR、SB1、SB2、SB3及XT等器件。
图5-2中,各端子的编号法有两种:1)用器件的实际编号,例:KM1的1、3、5、13、A1;FR的95等。
2)用器件端子的人为编号,例FU的1、3、5等。
一般器件的端子已有实际编号应优先采用,因为编号本身就表示了元件的结构。
例KM1的1与2、3与4代表常开主触头;SB的○1与○2表示常闭触头,○3与○4代表常开触头……。
四、检测与调试确认接线正确后,接通交流电源,按下SB2,电机应正转;按下SB3,电机应反转;按下SB1,电机应停转。
若不能正常工作,则应分析并排除故障。
实训六双重联锁的三相异步电动机正反转控制线路代号名称型号数量备注QS 低压断路器DZ108-20/10-F 1FU1 螺旋式熔断器RL1-15 3 装熔芯3A FU2 直插式熔断器RT14-20 2 装熔芯2AKM1、KM2 交流接触器LC1-D0610Q5N 2 线圈AC380V 辅助触头LA1-DN11 2FR热继电器LR2-D1305N/0.63-1A 1 热继电器座LA7-D1064 1SB1 按钮开关LAY16 1 红色SB2、SB3按钮开关LAY16 1 绿色按钮开关盒3位 1XT 接线端子排JF5-2.5 15位M 三相鼠笼异步电动机WDJ26(380V/Δ) 1二、电气原理图6-1该控制线路集中了按钮联锁和接触器联锁的优点,故具有操作方便和安全可靠等优点,为电力拖动设备中所常用。