电热水器质量检验标准
- 格式:doc
- 大小:62.50 KB
- 文档页数:6
热水器标准GB 6932-2001家用燃气快速热水器GB/T 12915-1991 家用太阳热水器热性能试验方法GB/T 19141-2003家用太阳热水系统技术条件QB/T 1238-1991 贮水式电热水器QB/T 1239-1991 快热式电热水器取暖器具标准GB/T 7287.1-1987红外辐射加热器尺寸、形状及外观的检测方法GB/T 7287.2-1987 红外辐射加热器表面温度分布测量方法GB/T 7287.3-1987 红外辐射加热器辐射面和背面温度比测量方法GB/T 7287.4-1987红外辐射加热器升温时间和降温时间测量方法GB/T 7287.5-1987 红外辐射加热器耐冷热交变性能试验方法GB/T 7287.6-1987红外辐射加热器绝缘电阻测量方法GB/T 7287.7-1987 红外辐射加热器电一热辐射转换效率测量方法GB/T 7287.8-1987 红外辐射加热器功率偏差检测方法GB/T 7287.9-1987 红外辐射加热器全法向发射率测量方法GB/T 7287.10-1987红外辐射加热器光谱法向发射率测量方法GB/T 7287.11-1987 红外辐射加热器寿命试验方法GB/T 7287.12-1987红外辐射加热器振动试验方法GB/T 8623-1988金属管状远红外辐射加热器GB/T 15470-2002 家用直接作用式房间电加热器性能测试方法QB/T 3898-1999 电热毯、电热垫和电热褥垫安全标准GB 4706.8-2003 家用和类似用途电器的安全电热毯、电热垫及类似柔性发热器具的特殊要求GB 4706.11-1997家用和类似用途电器的安全快热式热水器的特殊要求GB 4706.12-1995家用和类似用途电器的安全贮水式电热水器的特殊要求GB 4706.23-2003 家用和类似用途电器的安全室内加热器的特殊要求GB 4706.31-2003家用和类似用途电器的安全桑那浴加热器具的特殊要求GB 4706.36-1997家用和类似用途电器的安。
储水式电热水器产品质量国家监督抽查实施细则1. 背景储水式电热水器作为家庭重要的热水供应设备,其产品质量直接关系到用户的生活质量和安全。
为了确保市场上销售的储水式电热水器产品的质量可靠,国家实施了产品质量国家监督抽查制度。
本文将详细阐述储水式电热水器产品质量国家监督抽查的实施细则。
2. 抽查对象和抽查频率储水式电热水器产品质量国家监督抽查的对象是市场上销售的各类储水式电热水器产品。
抽查频率按照每季度进行,即一年分为四个季度,每个季度进行一次抽查。
3. 抽查流程储水式电热水器产品质量国家监督抽查的流程包括以下几个步骤:3.1 抽样每次抽查都需要依据一定的抽样原则进行样品的选取。
具体的抽样原则包括:随机抽样、地域代表性抽样、产品规格比例抽样等。
抽样过程需确保样品的代表性和公平性。
3.2 抽样数量抽查的样品数量主要依据市场销售量和抽查目的确定。
一般情况下,每个季度的抽查样品数量为100个左右。
当发现问题较多的地区时,可以适当增加抽样数量。
3.3 抽样方式抽样方式包括线下抽样和线上抽样。
线下抽样主要是通过市场调研人员直接前往市场、商场等实地抽样;线上抽样是指通过电商平台、官方网站等线上渠道进行抽样。
3.4 样品检测抽样完成后,需要将样品送往合格的产品质检机构进行检测。
检测包括外观检测、性能测试以及安全性评估等方面。
检测结果将作为评估产品质量的重要依据。
3.5 检测结果分析对抽查的样品进行检测后,需要对检测结果进行分析。
根据产品质量标准,对产品进行合格与否的评定。
同时,对不合格产品的问题进行分析,找出问题的原因和改进的方向。
3.6 处理结果公示对于合格产品,可进行产品质量认证并公示;对于不合格产品,应及时通知相关生产企业,并依据相关法律法规做出相应的处罚措施。
4. 抽查内容储水式电热水器产品质量国家监督抽查的内容主要包括以下几个方面:4.1 安全性能对产品的安全性能进行抽查检测,主要包括产品的电气安全、防电击保护、漏电保护、过热保护等方面。
热水器检测报告热水器是我们日常生活中常用的家电之一,它为我们提供了洗浴、洗涤等方面的便利。
然而,随着使用时间的增长,热水器也会出现一些问题,如漏水、加热不足等。
为了确保热水器的正常使用和安全性,我们进行了一次全面的热水器检测,并将检测结果汇总如下。
首先,我们对热水器的外观进行了检查。
外观检查主要包括热水器的表面是否有明显的损坏或变形,以及管道连接是否牢固。
经过检查,我们发现所检测的热水器外观完好,没有明显的损坏或变形,管道连接牢固,符合正常使用要求。
其次,我们对热水器的加热功能进行了测试。
加热功能是热水器的核心功能之一,直接关系到热水器的使用效果。
我们通过测量热水器加热水温度和加热时间的方式进行测试,结果显示热水器加热功能正常,水温达到预设温度所需的时间合理。
接着,我们对热水器的安全性能进行了评估。
安全性能是热水器的重要指标之一,直接关系到用户的生命财产安全。
我们检查了热水器的漏电保护装置、过热保护装置等安全性能指标,结果显示热水器的安全性能良好,各项安全装置齐全有效。
最后,我们对热水器的节能性能进行了测试。
节能性能是当前家电行业的热点之一,也是用户选择热水器的重要考量因素。
我们通过测量热水器的能耗和热效率来评估其节能性能,结果显示热水器的节能性能较好,能耗较低,热效率较高。
综上所述,经过本次热水器检测,我们得出结论,所检测的热水器外观完好,加热功能正常,安全性能良好,节能性能较好。
建议用户在日常使用中注意热水器的定期维护和保养,以确保其长期稳定、安全、高效地运行。
同时,也提醒用户在热水器出现异常情况时及时联系专业维修人员进行处理,切勿私自拆解或修理,以免造成不必要的损失。
本次热水器检测报告到此结束,希望能为用户提供有益的参考和帮助。
感谢您的阅读!。
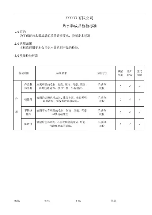
XXXXXX有限公司
热水器成品检验标准
1.0目的
为了保证热水器成品的质量管理要求,特制定本标准。
2.0适用范围
本标准适用于本公司热水器系列产品的检验。
3.0质量检验标准
4.0检验规则
4.1出厂检验
4.1.1在装配车间生产并完成包装的成品中抽取样本。
4.1.2以每条线每一个排产型号为一个检查批。
4.1.3抽样方案
采用GB2828.1-2003放宽检查一次抽样方案,抽样采用一般检查水平I级,合格质量水平见下表:
4.1.4不管交检批合格或不合格,也不管不合格品是否是样品的一部分,只要是在检查时发现
的不合格品,一律拒收。
拒收的不合格品可以返工后再次提交检验。
4.2成品型式检验
4.2.1有下列情况之一应进行型式检验
A.新产品试制定型鉴定;
B.正式生产后,如结构、材料、工艺有较大改变,可能影响产品性能时;
C.连续批量生产每六个月一次。
4.2.2抽样方案及判定标准
新产品试制样品送样中有不合格品判该次型式检验不合格。
正式生产后采用GB2829-2002的判别水平I的一次抽样方案、其样本大小、不合格质量水平及
有以下情况判为不合格品:
A.有1个或1个以上A类缺陷
B.有1个或1个以上B类缺陷
C.有2个或2个以上C类缺陷。
电热水器质量检验标准电热水器是家庭生活中常见的热水设备,其质量直接关系到用户的生活质量和安全。
为了保障用户的权益,制定电热水器质量检验标准对于产品的质量控制和监督具有重要意义。
首先,电热水器的外观质量是检验的重要内容之一。
外观质量包括产品的整体结构、表面处理、标识和包装等方面。
产品的整体结构应该牢固可靠,没有明显的变形和损坏;表面处理应该平整光滑,无明显的划痕和氧化;标识应该清晰完整,包装应该符合相关标准,能够有效保护产品不受损坏。
其次,电热水器的性能质量是检验的关键内容。
性能质量包括产品的加热速度、保温效果、安全性能等方面。
加热速度应该符合产品说明书的要求,能够在合理的时间内提供热水;保温效果应该良好,能够长时间保持热水温度;安全性能包括产品的漏电保护、过热保护等功能是否齐全有效,使用过程中是否存在安全隐患等。
另外,电热水器的耐久性和可靠性也是质量检验的重要内容。
耐久性包括产品的使用寿命和耐受频繁开关的能力,可靠性包括产品的稳定性和故障率等。
产品的使用寿命应该符合相关标准,能够保证长时间稳定运行;耐受频繁开关的能力应该能够满足用户的日常需求;稳定性和故障率应该在合理范围内,能够保证产品的可靠性和稳定性。
最后,电热水器的环保性和节能性也是质量检验的重要指标。
产品应该符合相关的环保标准,不含有害物质,不会对环境造成污染;节能性能应该达到国家相关标准,能够有效节约能源,降低用户的使用成本。
综上所述,电热水器的质量检验标准涵盖了外观质量、性能质量、耐久性和可靠性、环保性和节能性等多个方面。
只有严格执行这些标准,才能够保证电热水器产品的质量达到用户的需求和国家的标准,为用户提供安全、高效、环保的热水设备。
热水器的检测和验证方法和标准热水器是现代家庭生活中不可缺少的电器之一,主要用于提供家庭热水供应。
然而,长时间的使用会导致热水器发生故障或者性能下降,从而影响热水的质量和使用效果。
因此,热水器的检测和验证方法和标准非常重要,这不仅能够保证热水器的有效、安全运行,还能够延长热水器的使用寿命,提高生活质量。
一、热水器的检测方法1、外观检测外观检测是最基本的热水器检测方式,通过观察热水器的外观能够初步判断其质量和使用情况。
外观检测主要包括以下几个方面:①热水器的外观有无明显磕碰或者变形②热水器的灯光是否正常,有无明显熄灭或者闪烁③热水器的显示屏有无显示异常,如字符有无缺失或者闪烁④热水器的面板是否能正常按键,有无按键漏电或失灵2、内部检测除了外观检测,还需要进行内部检测,以便检查热水器的内部构造和功能是否正常。
一般情况下,热水器内部结构复杂,需要专业人员进行拆卸检查。
内部检测主要包括以下几个方面:①热水器的内部结构是否紧密、结实,有无明显松动或者漏水②热水器的加热蒸发器是否清洁,有无积水或盐度过高③热水器的电路是否正常,有无密封的电线或者插头松动④热水器的控制器是否正常,有无坏掉的继电器或者其他电子元件3、性能检测最后一项检测是对热水器的性能进行测试,以便确认热水器能否正常运转。
性能检测主要包括以下几个方面:①热水器的加热速度是否正常,是否需要加热时间过长②热水器的水温是否能够达到设定温度,是否存在不稳定现象③热水器用水量是否正常,是否存在漏水或者流量异常④热水器的温度保持时间是否稳定,是否能够按照预设时间进行加热或者保温二、热水器的验证方法热水器的验证主要是为了检验热水器确实具有符合设计要求的性能和安全标准。
验证方法可以说是对热水器检测方法的另一种升级版,强调的是对热水器及其附件进行评估和认证,确保其全部达到约定的质量标准和安全标准。
验证主要包括以下几种方式:1、样品验证样品验证是指通过选购市场上销售的热水器样机,对其进行质量和安全性能的测试和评估。
家用电器产品质量检验标准家用电器产品在现代生活中起到了至关重要的作用,为了保证产品的质量和安全性,制定了一系列的检验标准。
本文将对家用电器产品质量检验标准进行详细阐述,包括产品安全性、功能性、耐用性等方面。
1. 产品安全性检验标准家用电器产品在使用过程中,安全性是最重要的考量因素之一。
为了确保产品在正常使用情况下不带来安全隐患,制定了一系列的安全性检验标准。
- 电器外壳测试:检测外壳是否满足防火、防电击等安全标准,保证用户在使用过程中的安全性。
- 绝缘性能测试:对电器的各种部件进行绝缘性能测试,确保在正常使用情况下不会发生漏电等安全问题。
- 过载保护测试:测试电器在电流过大的情况下是否能正确切断电源,确保用户在使用过程中不会发生过载引起的危险。
- 控制系统测试:测试电器的各种控制系统是否能够正常工作,保证用户可以准确地控制电器的各项功能。
2. 功能性检验标准家用电器产品的功能性是用户选择的重要因素之一,为了保证产品功能的稳定性和可靠性,制定了一系列的功能性检验标准。
- 性能测试:对电器的各项性能进行测试,如功率消耗、温度控制、电量消耗等,保证产品的性能达到规定标准。
- 功能操作测试:测试电器的各项功能是否能够正常工作,如电视机的遥控器是否能够正常控制、洗衣机的各个模式是否正常切换等。
3. 耐用性检验标准家用电器产品的耐用性是用户评价产品品质的重要指标之一,为了确保产品在正常使用寿命内能够稳定可靠地工作,制定了一系列的耐用性检验标准。
- 耐久性测试:对电器的各项部件进行寿命测试,如开关的使用寿命、电机的工作寿命等,保证产品在使用寿命内能够正常工作。
- 环境适应性测试:测试电器在各种环境条件下的适应性,如温度、湿度、电压等,确保产品能够适应各种使用环境。
- 防护性能测试:对电器的各项防护性能进行测试,如防水性能、防尘性能等,保证产品在各种恶劣条件下能够正常工作。
4. 质量控制标准除了以上具体的检验标准外,还需要建立完善的质量控制标准,包括:- 生产工艺控制:对生产过程中的各个环节进行严格控制,确保产品在生产过程中不出现质量问题。
电热水器新国家标准
随着人们生活水平的提高,家用电热水器已经成为了家庭生活中不可或缺的一
部分。
然而,由于电热水器在使用过程中存在一些安全隐患,因此国家相关部门出台了新的国家标准,以确保电热水器的安全性能和使用质量。
首先,新国家标准对电热水器的外观设计和结构进行了严格规定。
在外观设计上,要求产品的外观应该美观大方,不得出现明显的毛刺、划伤和变形等缺陷。
在结构上,要求产品的内部结构应该合理稳固,确保在使用过程中不会出现漏水、漏电等安全隐患。
其次,新国家标准对电热水器的安全性能进行了严格要求。
在安全性能方面,
要求产品应具备过热保护、漏电保护、干烧保护等功能,以确保在异常情况下能够及时停止加热,避免发生安全事故。
同时,还对产品的绝缘性能、耐压性能等进行了详细规定,以确保产品在正常使用过程中能够保持良好的安全性能。
另外,新国家标准还对电热水器的节能性能进行了规定。
在节能性能方面,要
求产品应该具备较高的能效比,尽量减少能源的消耗,降低用户的使用成本。
同时,还规定了产品在待机模式下的能耗限制,以确保产品在不使用时能够尽量减少能源的浪费。
总的来说,新国家标准的出台对于提升电热水器的安全性能和节能性能具有重
要意义。
通过严格的规定和要求,可以有效地提高产品的质量水平,保障用户的生活安全,促进行业的健康发展。
因此,作为电热水器生产企业,应该严格遵守新国家标准的要求,不断提升产品的质量水平,为用户提供更加安全、节能的产品。
同时,用户在购买和使用电热水器时,也应该选择符合新国家标准要求的产品,确保家庭生活的安全和舒适。
储水式电热水器产品质量国家监督抽查实施细则版-V1随着人们对生活品质的要求越来越高,电热水器作为日常生活中不可或缺的家电,日渐受到消费者的关注。
然而,由于市场上存在着一些质量不合格的产品,造成了消费者的困扰,同时也影响了品牌的声誉。
为此,国家发布了储水式电热水器产品质量国家监督抽查实施细则版,旨在加强电热水器产品的质量监督,保障消费者的权益。
一、监督目的本细则的主要目的是为了规范国内储水式电热水器市场,保障消费者的权益,加强产品的质量监督,促进企业之间的竞争,同时提高国内储水式电热水器产品的整体质量。
二、监督内容1.电热水器产品的基本信息。
主要包括产品名称、品牌、型号、生产厂家、生产日期、认证标准等信息。
2.电热水器产品的外观质量。
主要检查电热水器产品的整体外观、风格设计、产品色差、镀层、表面质量等方面。
3.电热水器产品的功能性能。
主要检查电热水器产品的加热频率、加热速度、耗电量、保温性能等方面的检验性能。
4.电热水器产品的使用安全性。
主要检查电热水器产品的电气安全性、绝缘电阻、接地电阻、漏电保护等方面的检测。
三、监督范围本细则适用于国内生产的储水式电热水器产品,包括国内自主品牌和进口品牌。
四、监督方式和结果1.监督方式。
国家将采取抽样检验和市场监督的方式对电热水器产品进行监督。
2.监督结果。
监督部门将根据监督的结果,对产品进行认定,对存在质量问题的企业进行整改和处罚,对合格的企业予以宣传。
五、总结通过储水式电热水器产品质量国家监督抽查实施细则的实施,不仅可以规范市场秩序,加强产品质量监督,也可以提高消费者的满意度,同时增强企业的竞争力,推动国内储水式电热水器行业的健康发展。
热水器验收基本规范
1. 引言
本文档旨在规范热水器的验收流程,确保热水器的安全性和性能达到标准要求。
热水器验收应由专业人员进行,并按照以下基本规范进行操作。
2. 验收前准备
在进行热水器验收前,应确保以下准备工作已完成:
- 验收人员具备相关热水器验收的专业知识和技能;
- 验收人员已经了解具体的热水器型号和性能要求;
- 验收人员准备好必要的检测设备和工具。
3. 验收过程
验收过程中,应按照以下步骤进行操作:
1. 检查外观:验收人员应仔细观察热水器外观,包括表面是否有损坏、腐蚀、漏水等情况。
2. 安全性检测:验收人员应检查热水器的安全性能,包括电源接地是否良好、压力释放装置是否正常、防电击装置是否有效等。
3. 功能性检测:验收人员应对热水器进行功能性检测,包括温
度控制是否准确、加热速度是否符合要求等。
4. 效能检测:验收人员应对热水器的能源消耗和加热效率进行
检测,确保其符合标准要求。
4. 验收结果和记录
验收人员应根据实际的验收情况,结合相关标准要求,对热水
器的验收结果进行评估和记录。
验收结果应有明确的结论,包括合格、不合格和需要改进等。
5. 验收报告和处理
验收完成后,验收人员应及时编制验收报告,并将不合格或需
要改进的问题通知相关责任方,以便其进行处理和改进。
6. 结论
本文档所述的热水器验收基本规范为保证热水器的安全性和性
能达到标准要求提供了基本指导。
验收人员应熟悉并遵守这些规范,以确保热水器的质量和使用安全。
目录1.适用范围2.引用文件3.技术要求4.抽样方案5.检验项目和验收标准5.1. 外观检验项目和验收标准5.2. 结构参数检验项目和验收标准5.3. 隐蔽性结构参数检验项目和验收标准5.4. 电器安全性能检验项目和验收标准5.5. 来料检验项目和验收标准5.6. 其它检验项目1.适用范围本标准规定了用于电热水器产品成品的技术要求、检测方法、检验标准。
本标准适用于电热水器产品成品的检验。
2.标准引用文件本标准引用了以下文件内的文字和规定以及方法GB4706.1-1998--《家用和类似用途电器的安全、通用要求》GB4706.12-2006--《家用和类似用途电器的安全、储水式电热水器的特殊要求》3.技术要求z电热水器产品必须符合国家及使用国相关的安全标准。
z电热水器产品外观必须达到外观美观、清洁、无损伤的外观要求。
z电热水器产品的保温性能要符合相关标准的要求。
z电热水器产品的包装需达到运输和产品在销售过程中的保护作用。
z电热水器产品对外配合部分要达到通用配件配合要求。
4.抽样方案电热水器产品抽样检查,严格按照GB2828抽样方案检测,AQL=2.5。
5.检验项目、检验方法和验收标准:5.1. 外观检验标准与检验方法:项目内容表面等级A级表面:能直接正视的外部表面,如电热水器的正面,前侧面,以下简称A面。
B级表面:不明显的外部表面,如电热水器的侧后面和后表面,以下简称B面。
-C级表面; 不易察看的内部和外部表面,如电热水的落地底面,以下简称C面。
检验环境光度:正常光线或者200-300LX (相当于40W日光灯距离为750mm) 产品需检验表面与检验者目视方向大约成45°。
检验者目视方向与待检产品表面距离如下:A级表面:400MM B级表面:500MM C级表面:800MM缺陷程度表面缺陷程度基本判别方法:在标准检测光源下,离观察物距离400mm,与观察表面呈45度夹角,一眼看不到的缺陷为轻微缺陷,一眼可见但不是很明显为一般缺陷,一眼可见并且很明显的缺陷为严重缺陷,一眼可见并严重影响外观的缺陷为致命缺陷。
热水器检验报告1. 引言本文档为热水器检验报告,对热水器进行了全面的检验和评估。
热水器是一种常见的家用电器,用于加热和储存热水。
本次检验旨在评估热水器的安全性能、能效和使用寿命,为用户提供可靠的参考。
2. 检验方法本次热水器检验采用了以下方法和标准:•外观检查:检查热水器的整体外观,包括外壳、面板和显示屏的完整性和质量。
•安全性能测试:测试热水器的漏电保护、防干烧保护和过热保护等安全功能。
•能效检测:测量热水器的能效,评估其加热速度和热损失程度。
•使用寿命评估:通过模拟实际使用情况,评估热水器的使用寿命和可靠性。
3. 检验结果根据以上检验方法,对热水器进行了全面的检验,并得出以下结果:3.1 外观检查经过外观检查,热水器的外观完整,没有明显的破损或变形。
外壳和面板的质量较好,没有发现明显的制造缺陷。
3.2 安全性能测试在安全性能测试方面,热水器通过了漏电保护、防干烧保护和过热保护等测试,并符合相关标准要求。
漏电保护功能能够及时切断电源,保证用户的安全。
防干烧保护功能能够自动停止加热,防止加热器发生干烧现象。
过热保护功能能够及时切断电源,避免热水器过热造成安全隐患。
3.3 能效检测经过能效检测,热水器的能效较高,加热速度较快,能够快速提供热水。
热损失程度较低,能够在一定时间内保持热水的温度。
3.4 使用寿命评估通过使用寿命评估,热水器的使用寿命预估为10年以上。
热水器在正常使用条件下,具有较高的可靠性和耐用性。
4. 结论本次热水器检验结果显示,该热水器在外观、安全性能、能效和使用寿命等方面均符合相关标准要求。
热水器具有较高的安全性能、能效和使用寿命,能够为用户提供可靠的热水供应。
5. 建议基于本次热水器检验结果,为了确保热水器的安全和持久稳定的性能,建议用户在使用热水器时遵循以下指南:•定期检查热水器的外观,如发现破损或变形应及时修复或更换。
•定期清洗热水器的内部,保持热水质量的清洁和卫生。
•在长时间不使用时,应将热水器的电源关闭,避免能量浪费和安全隐患。
电热水器外观检验标准一、范围本标准规定了电热水器产品的外观质量,检验要求。
本标准适用于生产的电热水器产品的外观验收。
二、引用标准GB191包装贮存图示标志GB2828逐批检查计数抽样程序及抽样表(适用于连续批的检查)GB6388运输包装收发货标志三、名词术语3.1主要表面电热水器正常安装状态下,丝印面(正面)、两侧端面、上、下面3.2非主要表面电热水器是指挂壁面。
3.3内部表面电热水器是指内胆内壁。
四、检验方法4.1表面分类:4.1.1检查面-指产品能看见的表面,它包括正面、侧面和底面三个表面。
4.1.2正面-指在最经常能被看到的主面。
4.1.3侧面-指要在某种方向的视线才能看到的表面。
4.1.4底面-指很少被见到或要在拆装时才能见到的表面。
(如图所示):4.2检查条件:4.2.1环境光亮度应在600-1000LUX 的光线,且光源应高于检查者的头部。
4.2.2环境四周不能有反光面。
4.2.3人眼与被测的零件的距离应保证在40cm ,且与检测零件的角度为45°,(如图所示)5.3检查范围时间如下:检测面正面 侧面 底面 时间 10秒 5秒 5秒五、 电热水器外观验收要求40CM45A BB BCBA :正面B :侧面C :底面或内面5.1主要表面a.外观应平整、光亮,色泽均匀,漆层牢固,无流挂、斑痕、皱纹、剥落、碰凹、划伤等不良;b.各处无泡料外漏;c.外壳与上下盖间隙不超过0.5mm,外壳与挡泡圈间隙不超过1mm;d.进出水管螺纹完好无缺,无锈点,与安全阀、混水阀配合良好,并安装到位,油漆均匀;e.塑料件的表面应光滑、色泽均匀,无明显色差,无明显的斑痕、划痕及凹缩;f.压筋间隙不超过0.8mm;g.丝印清晰,颜色、位置正确5.2非主要表面a.外观应平整、光亮,色泽均匀,漆层牢固,无明显流挂、斑痕、皱纹、剥落、碰凹、划伤等不良;b.其喷涂沙粒不超过3处,每处面积不大于1mm2,相距大于200mm;c.划伤不超过2条,长度不超过10mm,不能有明显的手感;5.3内部表面a.内胆表面应光滑、无裂纹、机械损伤、铁锈等不良,不得有焊渣突出、虚焊等严重的焊接不良,桶身与上下两封头压合处缝隙应密实,压合应到位,无缝隙。