碳酸钙质量标准及检验操作规程
- 格式:doc
- 大小:99.50 KB
- 文档页数:9
四川广元高力水泥实业有限公司碳酸钙滴定值的检验规程目的:规定碳酸钙滴定值的检验操作步骤及操作标准化,以确保生产在受控状态下进行。
范围:适用于出磨生料、入窑生料碳酸钙滴定值的检验。
程序:1、取回来的样品用药匙均匀搅拌后,用分析天平调零后,准确称取0.5000克试样,精确至0.0001g,置于250毫升洁净的锥形瓶中。
2、用少量蒸馏水润湿样品并冲洗内壁,从滴定管中准确加入0.5000mol/L盐酸25毫升。
用少量蒸馏水冲洗瓶口和瓶壁,插上带有玻璃管(直径为5-7㎜,长500-700㎜)的橡胶塞。
3、放在电炉上加热至沸后,保持2-3分钟,在此加热过程中要不断摇动锥形瓶2-3次,以促进试样完全分解。
4、取下稍冷,用少量蒸馏水先洗胶皮塞跟瓶口有接触的地方,再洗玻璃管,把洗液都要倒回锥形瓶,再用少量水冲洗锥形瓶内壁,加5-6滴1%酚酞指示剂。
5、用0.2500mol/LNaOH标准溶液滴定至微红色并在30秒内不消失为止。
读取NaOH标准溶液消耗的毫升数(滴定要在明亮处滴定以便终点判定)。
6、计算:CaCO3的质量百分含量XCaCO3按下式计算:(C1V1-C2V2)×50.0XCaCO3= × 100 m式中 XCaCO3―CaCO3的质量百分数,%;C1、C2―HCl、 NaOH标准溶液的摩尔浓度,mol/L;V1、V2―滴定时消耗HCl、NaOH标准溶液的体积数,ml;m—试样的质量,g。
7、记录。
8、允许差:同一实验室的允许差为±0.30%。
本规程从2010年7月1日起执行!四川广元高力水泥实业有限公司化验室2010年6月16日编写:罗天德审核:郑锋批准:罗洪辉。
标题:碳酸钙检验规程分发部门:总经理室、质量技术部、行政部(存档)碳酸钙检验规程1 目的本规程的制定是为了规范碳酸钙的检验,确保检验结果的准确、可靠。
2 范围本标准规定了碳酸钙的检测方法和操作要求;检测项目根据海斯莱福牌钙加维D软胶囊中碳酸钙的原料标准制定。
QC检验员对本规程实施负责,QA负责监督。
3 引用标准本操作规程引用标准:QB 15054 试验方法4.1 感官检测打开本品包装,通过外观检查判定:本品为白色粉末。
4.2 碳酸钙含量的测定4.2.1 方法提要用三乙醇胺掩蔽少量三价铁、三价铝和二价锰等离子,在pH大于12的介质中,以钙试剂羧酸钠盐作指示剂,用乙二胺四乙酸二钠标准滴定溶液滴定钙离子。
4.2.2 试剂和材料盐酸:1+1溶液;氢氧化钠:100g/L溶液;三乙醇胺:1+3溶液;乙二胺四乙酸二钠(EDTA):c(C10H14O8N2Na2)约为0.02mol/L标准滴定溶液;钙试剂羧酸钠盐[1(2-羟基-4-磺基-1-萘偶氮)-2-羟基-3-萘甲酸]:1%(m/m)固体指示剂;将钙试剂羧酸钠盐指示剂与氯化钠按1+99的比例在研钵中充分研细混匀,贮于带磨口塞的广口瓶中。
4.2.3 分析步骤称取约0.6g预先在200±5℃下干燥4 h的试样,精确至0.0002g,置于250ml烧杯中,用少量水润湿,盖上表面皿,滴加盐酸溶液至试料完全溶解,移入250ml容量瓶中,加水至刻度,摇匀,用移液管移取25mL试验溶液,置于250mL锥形瓶中,加入30mL水、5mL三乙醇胺溶液,摇动下滴加氢氧化钠溶液,当溶液刚成混浊时,加入0.1g钙试剂羧酸钠盐指示剂,继续滴加氢氧化钠溶液至试验溶液由蓝色变为酒红色,过量0.5mL。
用乙二胺四乙酸二钠标准滴定溶液滴定至溶液由酒红色变为纯蓝色。
同时作空白试验;4.2.4 分析结果的表述以质量百分数表示的碳酸钙(CaCO3)含量X1按式(1)计算:式中:c:乙二胺四乙酸二钠标准滴定溶液的实际浓度,mol/LV1:滴定试验溶液所消耗的乙二胺四乙酸二钠标准滴定溶液的体积,mlV2:滴定空白溶液所消耗的乙二胺四乙酸二钠标准滴定溶液的体积,mlm:试料的质量,g0.1001:与1.00mL乙二胺四乙酸二钠标准滴定溶液[c(C10H14O8N2Na2)=1.000mol/L]相当的,以克表示的碳酸钙的质量。
碳酸钙质量标准及检验操作规程1目的:本标准规定了碳酸钙的质量标准及检验操作规程,以规范操作。
2范围:本标准适用于公司购进的辅料碳酸钙质量检验。
3职责:质量部QA、QC人员对本标准实施负责。
4内容:(质量标准)4.1法定标准(中国药典2015年版二部)4.1.1产品名称4.1.1.1中文名:碳酸钙4.1.1.2汉语拼音名:Ta nsua ngai4.1.1.3英文名:Calcium Carbo nate本品按干燥品计算,含CaCO不得少于98.5 %。
4.1.2性状:本品为白色极细微的结晶性粉末;无臭,无味。
本品在水中几乎不溶,在乙醇中不溶;在含铵盐或二氧化碳的水中微溶;遇稀醋酸、稀盐酸或稀硝酸即发生泡沸并溶解。
4.1.3鉴别4.1.3.1取铂丝,用盐酸湿润后,蘸取本品在无色火焰中燃烧,火焰即显砖红色。
4.1.3.2取本品约0.6g,加稀盐酸15ml,振摇,滤过,滤液加甲基红指示液2滴,用氨试液调至中性,再滴加稀盐酸至恰呈酸性,加草酸铵试液,即生成白色沉淀,分离,沉淀在醋酸中不溶,但在盐酸中溶解。
4.1.3.3取本品适量,加稀盐酸即泡沸,产生二氧化碳气体,导入氢氧化钙试液中,即生成白色沉淀。
4.1.4检查4.1.4.1氯化物取本品0.10g,加稀硝酸10ml,加热煮沸2分钟,放冷,必要时滤过,依法检查(中国药典2015年版通则0801),与标准氯化钠溶液3.0ml制成的对照液比较,不得更浓(0.03%)。
4.1.4.2硫酸盐取本品0.10g,加稀盐酸2ml,加热煮沸2分钟,放冷,必要时滤过,依法检查(中国药典2015年版通则0802),与标准硫酸钾溶液2.0ml制成的对照液比较, 不得更浓(0.2%)。
4.1.4.3酸中不溶物取本品2.0g,加水10ml,混合后,滴加稀盐酸,随滴随振摇,待泡沸停止,加水90ml,滤过,滤渣用水洗涤,至洗液不再显氯化物的反应,干燥后炽灼至恒重,遗留残渣不得过0.2 %。
重钙粉/重质碳酸钙标准及行业检测方法1、碳酸钙含量测定原行业标准使用酸碱返滴定法测定主含量,以碳酸钙来表示。
实际上是测定试样中的碳酸根,以碳酸钙来计算,表示出主含量,不能照实的反映出样品中碳酸钙的含量。
GB/T192812023《超微细碳酸钙》中规定了络合滴定法测定碳酸钙含量的方法,为了能真实的反映出产品中碳酸钙的实际含量,新标准采纳GB/T192812023《超微细碳酸钙》规定的方法,即采纳络合滴定法测定碳酸钙含量,以三乙醇胺做掩蔽剂,pH大于12时,以钙羧酸钠盐为指示剂,用0.02mol/LEDTA标准滴定溶液滴定。
该方法是测定钙含量的经典方法,通过加入三乙醇胺掩蔽铁、铝等金属离子的干扰,再通过调整pH值大于12除去Mg的干扰,测定结果精准,操作简单,并已经实践证明。
2、重钙粉/重质碳酸钙细度的测定样品经分散剂分散,用离心沉降式粒度测定仪或激光粒度测定仪测定。
目前粒径的测定存在不同仪器其结果不同的情况,即再现性差的问题。
但对于同一台仪器,采纳相同的分散剂和分散时间,对不同的样品能区分其粒径的差别。
考虑重钙粉在加工过程中均以旋风分级器进行分级。
本测试方法适用于企业掌控产品的粒径范围,同时又考虑目前企业仪器的不统一性,故本标准用两种仪器对同一产品进行对比结果如下:通过上表可以看出两种仪器测定的方法存在显著性差异,所以不能两种方法并列。
目前从所送的样品和数据分析,以及目前仪器的占有率,故本次标准建议采纳激光粒度测定仪测定其细度。
3、重钙粉/重质碳酸钙白度的测定原行业标准中规定使用白度计法进行测定,测定的是蓝光白度,以Wr表示。
GB/T192812023《碳酸钙分析方法》中测定的白度,是引用了GB/T59501996《建筑材料与非金属矿产品白度测量方法》中规定的三刺激值法测定的白度,以Wj表示。
由于行业内习惯采纳蓝光白度,原标准采纳蓝光白度,本次修订采纳蓝光白度。
4、重钙粉/重质碳酸钙比表面积的测定采纳GB/T195872023规定的方法,用乙醇和二甘醇混合液,使乙醇的相对压力P/P0在(0.05~0.35)之间进行吸附,吸附后采纳BET 方程处理,可得其表面积。
1 目的:本标准规定了碳酸钙的质量标准及检验操作规程,以规操作。
2 围:本标准适用于公司购进的辅料碳酸钙质量检验。
3 职责:质量部QA、QC人员对本标准实施负责。
4 容:(质量标准)4.1 法定标准(中国药典2015年版二部)4.1.1 产品名称4.1.1.1 中文名:碳酸钙4.1.1.2 汉语拼音名: Tansuangai4.1.1.3 英文名:Calcium Carbonate不得少于98.5%。
本品按干燥品计算,含CaCO34.1.2 性状:本品为白色极细微的结晶性粉末;无臭,无味。
本品在水中几乎不溶,在乙醇中不溶;在含铵盐或二氧化碳的水中微溶;遇稀醋酸、稀盐酸或稀硝酸即发生泡沸并溶解。
4.1.3 鉴别4.1.3.1 取铂丝,用盐酸湿润后,蘸取本品在无色火焰中燃烧,火焰即显砖红色。
4.1.3.2 取本品约0.6g,加稀盐酸15ml,振摇,滤过,滤液加甲基红指示液2滴,用氨试液调至中性,再滴加稀盐酸至恰呈酸性,加草酸铵试液,即生成白色沉淀,分离,沉淀在醋酸中不溶,但在盐酸中溶解。
4.1.3.3 取本品适量,加稀盐酸即泡沸,产生二氧化碳气体,导入氢氧化钙试液中,即生成白色沉淀。
4.1.4 检查4.1.4.1 氯化物取本品0.10g,加稀硝酸10ml,加热煮沸2分钟,放冷,必要时滤过,依法检查(中国药典2015年版通则0801),与标准氯化钠溶液3.0ml制成的对照液比较,不得更浓(0.03%)。
4.1.4.2 硫酸盐取本品0.10g,加稀盐酸2ml,加热煮沸2分钟,放冷,必要时滤过,依法检查(中国药典2015年版通则0802),与标准硫酸钾溶液2.0ml制成的对照液比较,不得更浓(0.2%)。
4.1.4.3酸中不溶物取本品2.0g,加水10ml,混合后,滴加稀盐酸,随滴随振摇,待泡沸停止,加水90ml,滤过,滤渣用水洗涤,至洗液不再显氯化物的反应,干燥后炽灼至恒重,遗留残渣不得过0.2%。
4.1.4.4干燥失重取本品,在105℃干燥至恒重,减失重量不得过1.0%(中国药典2015年版通则0831)。
1 目的:本标准规定了碳酸钙的质量标准及检验操作规程,以规操作。
2 围:本标准适用于公司购进的辅料碳酸钙质量检验。
3 职责:质量部QA、QC人员对本标准实施负责。
4 容:(质量标准)4.1 法定标准(中国药典2015年版二部)4.1.1 产品名称4.1.1.1 中文名:碳酸钙4.1.1.2 汉语拼音名: Tansuangai4.1.1.3 英文名:Calcium Carbonate不得少于98.5%。
本品按干燥品计算,含CaCO34.1.2 性状:本品为白色极细微的结晶性粉末;无臭,无味。
本品在水中几乎不溶,在乙醇中不溶;在含铵盐或二氧化碳的水中微溶;遇稀醋酸、稀盐酸或稀硝酸即发生泡沸并溶解。
4.1.3 鉴别4.1.3.1 取铂丝,用盐酸湿润后,蘸取本品在无色火焰中燃烧,火焰即显砖红色。
4.1.3.2 取本品约0.6g,加稀盐酸15ml,振摇,滤过,滤液加甲基红指示液2滴,用氨试液调至中性,再滴加稀盐酸至恰呈酸性,加草酸铵试液,即生成白色沉淀,分离,沉淀在醋酸中不溶,但在盐酸中溶解。
4.1.3.3 取本品适量,加稀盐酸即泡沸,产生二氧化碳气体,导入氢氧化钙试液中,即生成白色沉淀。
4.1.4 检查4.1.4.1 氯化物取本品0.10g,加稀硝酸10ml,加热煮沸2分钟,放冷,必要时滤过,依法检查(中国药典2015年版通则0801),与标准氯化钠溶液3.0ml制成的对照液比较,不得更浓(0.03%)。
4.1.4.2 硫酸盐取本品0.10g,加稀盐酸2ml,加热煮沸2分钟,放冷,必要时滤过,依法检查(中国药典2015年版通则0802),与标准硫酸钾溶液2.0ml制成的对照液比较,不得更浓(0.2%)。
4.1.4.3酸中不溶物取本品2.0g,加水10ml,混合后,滴加稀盐酸,随滴随振摇,待泡沸停止,加水90ml,滤过,滤渣用水洗涤,至洗液不再显氯化物的反应,干燥后炽灼至恒重,遗留残渣不得过0.2%。
4.1.4.4干燥失重取本品,在105℃干燥至恒重,减失重量不得过1.0%(中国药典2015年版通则0831)。
碳酸钙化验方法1.理化指标:含量 =>97.0% 镁 =>0.35% 铁 =>0.2%2.检验规则 :2.1取样方法 : 从每车或堆中随机抽取不少于 10 袋的代表性样品 ,从抽出的袋中 ,各随机抽取样品约 100 克,混合缩分供化验用 .2.2结果判定 : 如检验结果一项不符合标准 ,应重新自两倍的袋中取样重新检验 ,结果仍不符合标准 , 则整批判断为不合格 .3.检验方法 :3.1样液的制备 :准确称取 1.7 克(称准至 0.0002克)样品,加适量 1+1 盐酸使之溶解 ,移入250毫升容量瓶中,定容 ,摇匀,供测定 CaCO3、 Mg 2+的含量用 .3.2碳酸钙含量的测定:3.2.1试剂和溶液: EDTA : 0.05mol/l 三乙醇胺 : 20% 钙指示剂 : NaOH:100g/L 甲基红 : 1g/l3.2.2检验步骤 :吸取 25 毫升三角瓶中 ,加 6 毫升 20%三乙醇胺溶液 ,以甲基红为指示剂 ,用 100g/l 的 NaOH 调至黄色 ,再过量 10 毫升 ,以钙指示剂作指示剂 ,用 0.05mol/lEDTA 标准溶液滴至兰色即为终点 .记录消耗 EDTA 标准溶液的体积 V2.3.2.3计算 :V2 * C * 100.08CaCO3 (%) = ——————————— *100 1000 * W * 25/250式中 V2: 滴定消耗 EDTA 标准溶液的体积 , ml;C: EDTA 标准溶液的浓度 , mol/l;W: 样品的质量 , g;100.08: CaCO3 的摩尔质量; g/mol.3.3镁的测定 :3.3.1试剂和溶液 :EDTA : 0.05mol/l 缓冲溶液 : PH-10 NaOH: 100g/L HCL: 0.5mol/l 铬黑 T: 5g/l 甲基红 : 1g/l3.3.2检验步骤 :吸取 25 毫升三角瓶中 ,以甲基红为指示剂 ,用 100g/L 的 NaOH 调至黄色 ,再以 0.5mol/l 的盐酸调至变红色后 ,加 PH-10 的缓冲溶液 10 毫升 ,以铬黑T 指示剂 ,用 0.05mol/l 的 EDTA 标准溶液滴至兰色即为终点 ,记录消耗EDTA 标准溶液的体积 V1.3.3.3计算 :(V1- V2) * C *24.30Mg (%) = ——————————— *1001000 * W * 25/250式中 V1: 滴定钙镁含量所消耗 EDTA 标准溶液的体积 , ml;V2: 滴定钙所消耗 EDTA 溶液的体积 , ml;C: EDTA 标准溶液的浓度 , mol/l;W: 样品的质量 , g;24.30: 镁的质量; g/mol.3.4 铁的测定 :3.4.1 试剂和溶液HCL: 24% 过硫酸胺 : 10g/l硫氰酸胺 : 80g/l铁标准溶液 :0.001mg/ml3.4.2检测步骤 : W * 1吸取样液 25 毫升于比色管中 ,另一比色管加入 0.001 mg/ml 的标准溶液――—— * 0.2% ml 250 *10 -6 然后分别于两比色管中加入 24%的盐酸 3毫升, 10g/l 的过硫酸胺 3毫升, 80g/l 的硫氰酸胺 3 毫升,再加入蒸馏水适量稀释成 50 毫升摇匀 ,目视比色 ,前者不得深于后者 .3.5 盐酸不溶物的测定 :3.5.1 试剂 : 盐酸 : 3mol/l 溶液 ; 硝酸银 : 10g/l 溶液.3.5.2测定步骤 : 准确称取 2 克样品 (称准至 0.0002 克 )置于烧杯中 ,加水湿润 ,加过量 3mol/l 盐酸溶液至完全溶解,加热煮沸 5 分钟,趁热用中速无灰滤纸过滤,用热水洗至滤液无氯离子(用10g/l 的硝酸银检查) ,将滤纸连同不溶物 ,并移入已衡重 (W2) 的瓷坩锅中 ,灰化后移入高温炉中 ,在 850-900 度下灼烧至衡重 (W1).3.5.3结果计算 : 按下式计算样品盐酸不溶物 :W1 -W2盐酸不溶物 (%) = ————— *100W。
碳酸钙的检验方法
一、目的:建立碳酸钙的检验标准操作规范,保证分析结果的准确性。
二、依据:中国药典2010年版二部及内控质量标准
三、范围:本规程适用于本公司碳酸钙的检验
四、职责:质量检验员对本标准的实施负责
五、正文:
【感观】本品为白色极细微的结晶性粉末;无臭,无味。
【含量】取本品约1g,精密称定,置250ml 量瓶中,用少量水湿润,加稀盐酸溶解后,加水稀释至刻度,摇匀,精密量取25ml,置锥形瓶中,加水25ml与氢氧化钾溶液(1→10)5ml使pH值大于12,加钙紫红素指示剂少许,用乙二胺四醋酸二钠滴定液(0.05mol/L )滴定,至溶液由紫红色变为纯蓝色。
每1ml乙二胺四醋酸二钠滴定液(0.05mol/L) 相当于5.005mg的CaCO3。
(CaCO3不得少于98.5%)。
重质碳酸钙标准及检测重质碳酸钙是一种重要的无机化工原料,广泛应用于建筑材料、化工、造纸、橡胶、医药、食品、环保等领域。
其质量标准及检测对于保障产品质量、生产安全具有重要意义。
本文将就重质碳酸钙的标准及检测进行介绍。
一、重质碳酸钙的质量标准。
重质碳酸钙的质量标准主要包括外观、化学成分、粒度分布、白度、水分等指标。
外观要求为白色粉末状,无结块、杂质等。
化学成分应符合国家标准,主要包括碳酸钙含量、镁含量、铁含量等。
粒度分布要求均匀,白度要求高。
水分含量应符合生产要求,不能超出标准范围。
二、重质碳酸钙的检测方法。
1.外观检测,取样品观察其外观,应为白色粉末状,无结块、杂质等。
2.化学成分检测,采用化学分析方法,对样品中的碳酸钙含量、镁含量、铁含量等进行分析,确保符合国家标准要求。
3.粒度分布检测,采用粒度分析仪对样品的粒度分布进行测试,确保粒度均匀。
4.白度检测,采用白度仪对样品的白度进行测试,确保符合产品要求。
5.水分检测,采用烘干法对样品的水分含量进行测试,确保在标准范围内。
三、重质碳酸钙的质量控制。
在生产过程中,应严格控制原料的选择、生产工艺、产品质量等环节,确保产品符合国家标准要求。
对于生产中的关键环节,应建立相应的控制点,进行严格的质量控制。
同时,定期对产品进行抽样检测,确保产品质量稳定。
四、重质碳酸钙的应用。
重质碳酸钙作为一种重要的无机化工原料,广泛应用于建筑材料、化工、造纸、橡胶、医药、食品、环保等领域。
在这些领域中,重质碳酸钙的质量直接影响着产品的性能和品质,因此质量标准及检测尤为重要。
总结,重质碳酸钙的质量标准及检测是保障产品质量、生产安全的重要环节,对于生产企业和使用企业都具有重要意义。
生产企业应严格按照国家标准进行生产,建立健全的质量控制体系;使用企业应选择合格的产品,并加强产品质量检测,确保产品符合要求。
只有这样,才能保障产品质量,促进行业健康发展。
上海标准文件
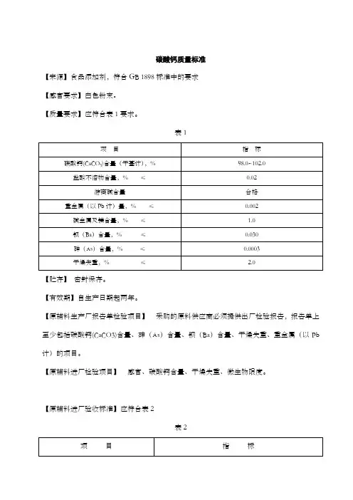
标题:碳酸钙质量标准
碳酸钙质量标准
【来源】食品添加剂,符合GB 1898标准中的要求
【感官要求】白色粉末。
【质量要求】应符合表1要求。
表1
【贮存】密封保存。
【有效期】自生产日期起两年。
【原辅料生产厂报告单检验项目】采购的原料供应商必须提供出厂检验报告,报告单上至少包括碳酸钙(CaCO3)含量、砷(As)含量、钡(Ba)含量、干燥失重、重金属(以Pb 计)的项目。
【原辅料进厂检验项目】感官、碳酸钙含量、干燥失重、微生物限度。
2/2 碳酸钙质量标准QA-QS-015
【原辅料进厂验收标准】应符合表2
表2。
重质碳酸钙标准及检测重质碳酸钙是一种重要的工业原料,在建筑材料、化工、橡胶、塑料、造纸、油漆、涂料等行业有着广泛的应用。
为了确保产品质量,对重质碳酸钙的标准及检测工作显得尤为重要。
一、重质碳酸钙的标准。
重质碳酸钙的标准主要包括外观、化学成分、物理性质等方面的要求。
在外观方面,重质碳酸钙应呈白色粉末状,无明显杂质。
化学成分方面,重质碳酸钙应含有一定的碳酸钙含量,同时控制其含杂质的量。
物理性质方面,重质碳酸钙的粒度、比表面积等指标也需要符合相应的标准要求。
二、重质碳酸钙的检测方法。
1. 外观检测,通过目视观察和显微镜检查重质碳酸钙的外观,判断其颜色、杂质等情况。
2. 化学成分检测,采用化学分析方法,测定重质碳酸钙中碳酸钙和杂质的含量,如氧化铁、硅酸盐等。
3. 物理性质检测,利用粒度分析仪、比表面积仪等设备,测定重质碳酸钙的粒度分布和比表面积等参数。
三、重质碳酸钙检测的注意事项。
1. 样品的取样和制样工作要严格按照标准操作规程进行,避免样品污染和误差。
2. 检测设备的选择和使用要符合标准要求,保证检测数据的准确性和可靠性。
3. 检测过程中要注意操作规范,避免人为因素对检测结果造成影响。
4. 检测结果的处理要科学合理,对异常数据要及时进行复测和分析,确保检测结果的可靠性。
四、重质碳酸钙标准及检测的意义。
重质碳酸钙作为工业原料,其质量直接影响着产品的性能和品质。
严格执行重质碳酸钙的标准及检测工作,可以保证产品质量稳定,满足不同行业的生产需求。
同时,对重质碳酸钙的标准及检测工作的重视,也有利于推动行业技术进步,提高产品质量水平,促进产业升级和可持续发展。
总之,重质碳酸钙标准及检测工作对于保障产品质量、促进行业发展具有重要意义。
只有加强标准制定和严格执行,健全检测体系和提高检测水平,才能更好地推动重质碳酸钙行业的健康发展。
碳酸钙的药典标准
碳酸钙是一种常用的药物成分,其药典标准是指其质量和纯度上的规定。
这些规定是根据国际药典或各国家自己的药典制定的,以下是一些常见的碳酸钙的药典标准:
1. 质量标准:药典要求碳酸钙必须符合一定的化学纯度要求,如总灰分、溶于盐酸的物质、重金属的限量等。
这些限制可以确保药物的纯度和安全性。
2. 物理标准:药典要求碳酸钙的颗粒度应符合一定的要求,如平均粒径、比表面积等。
这些物理特性可以影响药物的吸收和溶解性能。
3. 标识标准:药典要求在包装上标明药物名称、成分含量、生产厂商等信息,并要求提供适当的使用说明和注意事项。
需要注意的是,不同国家或地区的药典标准可能会有所差异,因此具体标准还需要参考当地的药典要求。
同时,药典标准是确保药物质量和安全性的基本要求,但生产厂商也需要遵守更严格的内部质量管理标准来确保产品的质量和一致性。
碳酸钙质量控制和检测方法碳酸钙是一种广泛存在于大自然中的重要矿物,它是重要的工业原料,在建筑材料、造纸、橡胶、塑料等行业中应用广泛。
然而,由于碳酸钙的品质问题,其应用领域的效果也会受到影响。
因此,碳酸钙的质量控制和检测方法显得尤为重要,本文将就此进行阐述。
一、碳酸钙的质量控制碳酸钙的质量控制主要针对其产品质量的稳定性、纯度和分散性等方面,其主要控制方法如下:1.成分控制碳酸钙的成分应根据其应用领域需求而选择不同的产地和矿石进行控制。
一般而言,地质条件和水化度较高的矿石含钙量更高,一般来说在碳酸钙的纯度要求不那么高的情况下,这样的矿石通常更适合作为原料。
相对而言,碳酸钙的含钙量在89%以上的矿石,其纯度会更高,但是因为矿石质量和成本等原因,限制了碳酸钙的应用范围。
2.生产工艺控制碳酸钙通过干法和湿法两种工艺进行生产,不同的工艺也影响了碳酸钙的品质,因此需要对生产工艺进行掌控。
干法生产一般是使用高温热处理的方式,一般会在200℃左右一下进行,以白垩土为原料。
而湿法生产则需要进行除杂、混合、磨浆、反应等一系列的反应流程。
因此,在生产工艺上掌握好每一步的参数和条件,以达到产品品质的要求和减少货品损耗很重要。
3.粒径控制碳酸钙的粒径影响了其在不同领域的应用,因此对其粒径进行合理控制也是保证质量的一个重要方面。
具体而言,对于涂料、印染、造纸、塑料等领域的一些特殊应用,更重视碳酸钙的分散性和颜色要求。
同时在碳酸钙的生产过程中,可以通过合理选择磨粉的方式、矿石筛选等方法来控制碳酸钙的粒径。
二、碳酸钙的检测方法常规检测方法包括化学分析和物理分析两种方法。
1. 化学分析化学分析是针对碳酸钙成分测量进行的分析。
具体方法包括滴定法、重量法、原子吸收法、离子交换催化剂法、荧光光谱等方法。
其中,滴定法被广泛应用于由于反应时间不长等优点而得到广泛认可,并通常使用枸橼酸或扑尔酸作为指示剂。
重量法通常应用于样品含量比较少的情况下。
1 目的:本标准规定了碳酸钙的质量标准及检验操作规程,以规范操作。
2 范围:本标准适用于公司购进的辅料碳酸钙质量检验。
3 职责:质量部QA、QC人员对本标准实施负责。
4 内容:(质量标准)4.1 法定标准(中国药典2015年版二部)4.1.1 产品名称4.1.1.1 中文名:碳酸钙4.1.1.2 汉语拼音名: Tansuangai4.1.1.3 英文名:Calcium Carbonate不得少于98.5%。
本品按干燥品计算,含CaCO34.1.2 性状:本品为白色极细微的结晶性粉末;无臭,无味。
本品在水中几乎不溶,在乙醇中不溶;在含铵盐或二氧化碳的水中微溶;遇稀醋酸、稀盐酸或稀硝酸即发生泡沸并溶解。
4.1.3 鉴别4.1.3.1 取铂丝,用盐酸湿润后,蘸取本品在无色火焰中燃烧,火焰即显砖红色。
4.1.3.2 取本品约0.6g,加稀盐酸15ml,振摇,滤过,滤液加甲基红指示液2滴,用氨试液调至中性,再滴加稀盐酸至恰呈酸性,加草酸铵试液,即生成白色沉淀,分离,沉淀在醋酸中不溶,但在盐酸中溶解。
4.1.3.3 取本品适量,加稀盐酸即泡沸,产生二氧化碳气体,导入氢氧化钙试液中,即生成白色沉淀。
4.1.4 检查4.1.4.1 氯化物取本品0.10g,加稀硝酸10ml,加热煮沸2分钟,放冷,必要时滤过,依法检查(中国药典2015年版通则0801),与标准氯化钠溶液3.0ml制成的对照液比较,不得更浓(0.03%)。
4.1.4.2 硫酸盐取本品0.10g,加稀盐酸2ml,加热煮沸2分钟,放冷,必要时滤过,依法检查(中国药典2015年版通则0802),与标准硫酸钾溶液2.0ml制成的对照液比较,不得更浓(0.2%)。
4.1.4.3酸中不溶物取本品2.0g,加水10ml,混合后,滴加稀盐酸,随滴随振摇,待泡沸停止,加水90ml,滤过,滤渣用水洗涤,至洗液不再显氯化物的反应,干燥后炽灼至恒重,遗留残渣不得过0.2%。
工业用重质碳酸钙质量标准
工业用重质碳酸钙(也称重质石灰石)的质量标准可能因国家、地区和用途而有所不同。
以下是一些通用的质量标准和规范的示例,但请注意这只是一般性的信息,具体的标准可能会根据不同的地区和行业有所调整:
1. 中国标准:
* 《工业用碳酸钙》(GB/T 23661-2009):该标准规定了工业用碳酸钙的技术要求、试验方法、检验规则以及包装、标志、贮运要求等内容。
2. 欧洲标准:
* 在欧洲,工业用重质碳酸钙的质量标准可能受到欧洲标准(EN)的规范。
例如,EN 1018:1999 "Limestone and lime products -Sampling and sample preparation of lime and limestone" 可能是与重质碳酸钙相关的标准之一。
3. 美国标准:
* 在美国,ASTM International 可能发布与工业用碳酸钙相关的标准。
例如,ASTM C25-17 "Standard Test Methods for Chemical Analysis of Limestone, Quicklime, and Hydrated Lime" 可能包含有关碳酸钙的相关内容。
请注意,具体的标准可能随时间而更新,因此建议查阅最新版本的标准文档,以确保您获得最准确、最新的信息。
此外,具体的质量要求还可能受到用途和行业要求的影响,例如在建筑、冶金、化工等领域的不同用途可能有不同的要求。
1。
工业用重质碳酸钙质量标准重质碳酸钙是一种广泛应用于工业领域的重要材料,它在建材、塑料、橡胶、造纸等行业中具有重要的作用。
为了保证工业用重质碳酸钙产品的质量和稳定性,制定和执行严格的质量标准是必要的。
本文将讨论工业用重质碳酸钙的质量标准,并提出相应的建议。
一、外观和包装要求工业用重质碳酸钙的外观应呈白色粉末状,无异物,不得有明显的颜色变化。
其包装应采用无毒无害的材料,保证产品质量的同时,对环境无污染。
二、化学成分要求工业用重质碳酸钙的化学成分应符合相关标准,其主要成分为碳酸钙(CaCO3)。
其含量应在合理范围内,并提供详细的成分检测报告。
三、粒度分布要求工业用重质碳酸钙的粒度分布对于不同行业有不同的要求。
在塑料和橡胶制品生产中,要求颗粒细小均匀,达到最佳的增强和改性效果。
而在造纸和涂料行业中,要求粒度适中,能够提供良好的填充和增白效果。
四、白度要求白度是评价工业用重质碳酸钙质量的重要指标之一。
白度高的重质碳酸钙可以提供良好的遮盖性和增白效果。
因此,在质量标准中应规定重质碳酸钙的最低白度要求,并可根据不同行业的需求进行相应的调整。
五、含水量要求工业用重质碳酸钙的含水量直接影响其性能和稳定性。
过高的含水量会导致产品结块、变形,降低使用效果。
因此,在质量标准中应规定重质碳酸钙的最高含水量要求,并强调供应商在生产过程中要采取适当的措施保障产品的干燥性。
六、杂质含量要求工业用重质碳酸钙的杂质含量应控制在合理范围内。
常见的杂质包括铁、铝、铜等金属离子,以及氧化物、硅酸盐等。
这些杂质的存在会对产品的使用性能产生不利影响,因此,在质量标准中应对各种杂质的含量进行具体的限制。
七、包装和储存要求工业用重质碳酸钙在包装和储存过程中应符合相关的要求,确保产品免受湿气、阳光、热源等对其造成的影响。
合理的包装和储存有助于保持产品质量的稳定性,并延长产品的使用寿命。
总结:工业用重质碳酸钙在各个领域具有重要的应用价值。
为了保证其质量和稳定性,制定和执行严格的质量标准是必要的。
1 目的:本标准规定了碳酸钙的质量标准及检验操作规程,以规操作。
2 围:本标准适用于公司购进的辅料碳酸钙质量检验。
3 职责:质量部QA、QC人员对本标准实施负责。
4 容:(质量标准)4.1 法定标准(中国药典2015年版二部)4.1.1 产品名称4.1.1.1 中文名:碳酸钙4.1.1.2 汉语拼音名: Tansuangai4.1.1.3 英文名:Calcium Carbonate不得少于98.5%。
本品按干燥品计算,含CaCO34.1.2 性状:本品为白色极细微的结晶性粉末;无臭,无味。
本品在水中几乎不溶,在乙醇中不溶;在含铵盐或二氧化碳的水中微溶;遇稀醋酸、稀盐酸或稀硝酸即发生泡沸并溶解。
4.1.3 鉴别4.1.3.1 取铂丝,用盐酸湿润后,蘸取本品在无色火焰中燃烧,火焰即显砖红色。
4.1.3.2 取本品约0.6g,加稀盐酸15ml,振摇,滤过,滤液加甲基红指示液2滴,用氨试液调至中性,再滴加稀盐酸至恰呈酸性,加草酸铵试液,即生成白色沉淀,分离,沉淀在醋酸中不溶,但在盐酸中溶解。
4.1.3.3 取本品适量,加稀盐酸即泡沸,产生二氧化碳气体,导入氢氧化钙试液中,即生成白色沉淀。
4.1.4 检查4.1.4.1 氯化物取本品0.10g,加稀硝酸10ml,加热煮沸2分钟,放冷,必要时滤过,依法检查(中国药典2015年版通则0801),与标准氯化钠溶液3.0ml制成的对照液比较,不得更浓(0.03%)。
4.1.4.2 硫酸盐取本品0.10g,加稀盐酸2ml,加热煮沸2分钟,放冷,必要时滤过,依法检查(中国药典2015年版通则0802),与标准硫酸钾溶液2.0ml制成的对照液比较,不得更浓(0.2%)。
4.1.4.3酸中不溶物取本品2.0g,加水10ml,混合后,滴加稀盐酸,随滴随振摇,待泡沸停止,加水90ml,滤过,滤渣用水洗涤,至洗液不再显氯化物的反应,干燥后炽灼至恒重,遗留残渣不得过0.2%。
4.1.4.4干燥失重取本品,在105℃干燥至恒重,减失重量不得过1.0%(中国药典2015年版通则0831)。
4.1.4.5钡盐取本品2.0g,加水10ml,混合后,滴加稀盐酸使溶解,加水稀释至100ml ,用铂丝蘸取溶液,置无色火焰中燃烧,不得显绿色。
4.1.4.6镁盐与碱金属盐取本品1.0g,加水20ml与稀盐酸10ml溶解后,加甲基红指示液1滴,煮沸,滴加氨试液中和后,加过量的草酸铵试液使钙完全沉淀,置水浴上加热1 小时,放冷,加水稀释成100ml,搅匀,滤过,分取滤液50ml,加硫酸0.5ml,蒸干后,炽灼至恒重,遗留残渣不得过1.0%。
4.1.4.7铁盐取本品0.12g ,加稀盐酸2ml与水适量使溶解成25ml,依法检查(中国药典2015年版通则0807),如显色,与标准铁溶液5.0ml 制成的对照液比较,不得更深(0.04%)。
4.1.4.8镉取本品0.50g两份,精密称定,分别置50ml量瓶中,一份加8%硝酸溶液溶解并稀释至刻度,摇匀,作为供试品溶液;另一份加标准镉溶液【精密量取镉单元素标准溶液适量,用水定量稀释制成每1ml含镉(Cd)1µg的溶液】1.0ml,加8%硝酸溶液溶解并稀释至刻度,摇匀,作为对照品溶液,照原子吸收分光光度法(中国药典2015年版通则0406第二法),在228.8nm波长处分别测定,应符合规定(0.0002%)。
4.1.4.9汞取本品1.0g两份,精密称定,分别置50ml量瓶中,分别加8%盐酸溶液30ml 使溶解后,一份加5%高锰酸钾溶液0.5ml,摇匀,滴加5%盐酸羟胺溶液至紫色恰消失,用水稀释至刻度,摇匀,作为供试品溶液;另一份中加汞标准溶液【精密量取汞单元素标准溶液适量,用水定量稀释制成每1ml含汞(Hg)0.5µg的溶液】1.0ml后,自上述“加5%高锰酸钾溶液0.5ml”起,同法制备,作为对照品溶液。
照原子吸收分光光度法(中国药典2015年版通则0406第二法),在253.6nm的波长处分别测定吸光度,应符合规定(0.00005%)。
4.1.4.10重金属取本品0.50g,加水5ml ,混合均匀,加稀盐酸4ml,煮沸5 分钟,放冷,滤过,滤器用少量水洗涤,合并洗液与滤液,加酚酞指示液1 滴,并滴加适量的氨试液至溶液显淡红色,加稀醋酸2ml与水使成25ml,加维生素C 0.5g,溶解后,依法检查(中国药典2015年版通则0821第一法),含重金属不得过百万分之三十。
4.1.4.11砷盐取本品0.50g,加盐酸6ml与水22ml溶解后,依法检查(中国药典2015年版通则0822第一法),应符合规定(0.0004%)。
4.1.4.12微生物限度检查:取本品,依法检查(中国药典2015年版通则1105-1107),每1g供试品中除需氧菌数不得过500cfu,霉菌、酵母菌总数不得过50cfu外,不得检出大肠埃希菌。
4.1.5 含量测定:取本品约1g,精密称定,置250ml量瓶中,用少量水湿润,加稀盐酸溶解后,加水稀释至刻度,摇匀,精密量取25ml,置锥形瓶中,加水25ml与氢氧化钾溶液(1→10)5ml使pH值大于12,加钙紫红素指示剂少许,用乙二胺四醋酸二钠滴定液(0.05mol/L)滴定至溶液由紫红色变为纯蓝色。
每 1ml 乙二胺四醋酸二钠滴定液。
(0.05mol/L) 相当于5.005mg的CaCO34.1.6 类别:补钙药,抗酸药。
4.1.7 贮藏:密封保存。
4.2法定标准和企业控标准一览表4.3标准依据:《中国药典》2015年版二部和本公司工艺质量要求。
4.4物料代码:0202FZ-008 复验期:一年。
4.5经批准的供应商:诺成药业股份5 检验操作规程5.1 性状:本品应为白色极细微的结晶性粉末;无臭,无味。
本品在水中几乎不溶,在乙醇中不溶;在含铵盐或二氧化碳的水中微溶,遇稀醋酸、稀盐酸或稀硝酸即发生泡沸并溶解。
5.2 鉴别:5.2.1仪器和设备铂丝、分析天平、酒精灯和一般实验室设备5.2.2试剂和试液:盐酸 AR醋酸 AR甲基红指示液:取甲基红0.1g,加0.05mol/L氢氧化钠溶液7.4ml使溶解,再加水稀释至200ml,即得。
氨试液:取浓氨水400ml,加水使成1000ml,即得。
草酸铵试液:取草酸铵3.5g,加水使溶解成100ml,即得。
稀盐酸:取234ml盐酸,加水稀释至1000ml,即得。
氢氧化钙试液:取氢氧化钙3g,置玻璃瓶,加水1000ml,密塞,时时猛力振摇,放置1小时,即得。
用时倾取上清液。
5.2.3操作步骤5.2.3.1取铂丝,用盐酸湿润后,蘸取本品在无色火焰中燃烧,火焰即显砖红色。
5.2.3.2 取本品约0.6g,加稀盐酸15ml,振摇,滤过,滤液加甲基红指示液2滴,用氨试液调至中性,再滴加稀盐酸至恰呈酸性,加草酸铵试液,即生成白色沉淀,分离,沉淀在醋酸中不溶,但在盐酸中溶解。
5.2.3.3 取本品适量,加稀盐酸即泡沸,产生二氧化碳气体,导入氢氧化钙试液中,即生成白色沉淀。
5.3 检查5.3.1氯化物5.3.1.1仪器和设备分析天平、电炉和一般实验室设备5.3.1.2试剂和试液稀盐酸:取234ml盐酸,加水稀释至1000ml,即得。
5.3.1.3操作步骤:取本品0.10g,加稀硝酸10ml,加热煮沸2分钟,放冷,必要时滤过,按SOP-QM-AN015《氯化物检查标准检验操作规程》操作,与标准氯化钠溶液3.0ml制成的对照液比较,不得更浓(0.03%)。
5.3.2 硫酸盐5.3.2.1 仪器、设备分析天平、电炉和一般实验室设备。
5.3.2.2 试剂和试液稀盐酸:取234ml盐酸,加水稀释至1000ml,即得5.3.2.3 操作步骤:取本品0.10g,加稀盐酸2ml,加热煮沸2分钟,放冷,必要时滤过,按SOP-QM-AN016《硫酸盐检查标准检验操作规程》操作,与标准硫酸钾溶液2.0ml制成的对照液比较,不得更浓(0.2%)。
5.3.3酸中不溶物5.3.3.1仪器和设备分析天平、箱形电阻炉和一般实验室设备5.3.3.2试剂和试液稀盐酸:取234ml盐酸,加水稀释至1000ml,即得。
5.3.3.3操作步骤:取本品2.0g,加水10ml,混合后,滴加稀盐酸,随滴随振摇,待泡沸停止,加水90ml,滤过,滤渣用水洗涤,至洗液不再显氯化物的反应(取洗液,加稀硝酸使成酸性后,滴加硝酸银试液,不发生白色凝乳状沉淀),干燥后炽灼至恒重(操作参见SOP-QM-AN029《炽灼残渣检查标准检验操作规程》)。
5.3.3.4结果判定:遗留残渣不得过0.2%。
5.3.4 干燥失重5.3.4.1 仪器、设备扁形称量瓶、分析天平、恒温干燥箱(±1℃)、干燥器(普通)和一般实验室设备5.3.4.2 操作步骤: 取本品,在105℃干燥至恒重,减失重量不得过 1.0%,操作见SOP-QM-AN021《干燥失重测定标准检验操作规程》。
5.3.4.3 结果判定:减失重量不得过1.0%。
5.3.5 钡盐5.3.5.1仪器和设备铂丝、酒精灯和一般实验室设备5.3.5.2试剂和试液稀盐酸:取234ml盐酸,加水稀释至1000ml,即得。
5.3.5.3操作步骤:取本品2.0g,加水10ml,混合后,滴加稀盐酸使溶解,加水稀释至100ml ,用铂丝蘸取溶液,置无色火焰中燃烧。
5.3.5.4结果判定:不得显绿色。
5.3.6 镁盐与碱金属盐5.3.6.1仪器和设备分析天平、恒温水浴锅、箱形电阻炉和一般实验室设备。
5.3.6.2试剂和试液:硫酸 AR氨试液:取浓氨水400ml,加水使成1000ml,即得。
稀盐酸:取234ml盐酸,加水稀释至1000ml,即得。
甲基红指示液:取甲基红0.1g,加0.05mol/L氢氧化钠溶液7.4ml使溶解,再加水稀释至200ml,即得。
草酸铵试液:取草酸铵3.5g,加水使溶解成100ml,即得。
5.3.6.3操作步骤:取本品1.0g,加水20ml与稀盐酸10ml溶解后,加甲基红指示液1滴,煮沸,滴加氨试液中和后,加过量的草酸铵试液使钙完全沉淀,置水浴上加热1 小时,放冷,加水稀释成100ml,搅匀,滤过,分取滤液50ml,加硫酸0.5ml ,蒸干后,炽灼至恒重(操作参见SOP-QM-AN029《炽灼残渣检查标准检验操作规程》)。
5.3.6.4结果判定:遗留残渣不得过1.0%。
5.3.7 铁盐5.3.7.1 仪器和设备纳氏比色管、分析天平和一般实验室设备5.3.7.2试剂与试液稀盐酸:取盐酸234ml,加水稀释至1000ml,即可。
5.3.7.3 操作步骤:取本品0.12g ,加稀盐酸2ml与水适量使溶解成25ml,照SOP-QM-AN018《铁盐检查标准检验操作规程》进行操作,如显色,与标准铁溶液5.0ml制成的对照液比较。