儿童压疮风险评估单
- 格式:docx
- 大小:133.89 KB
- 文档页数:3
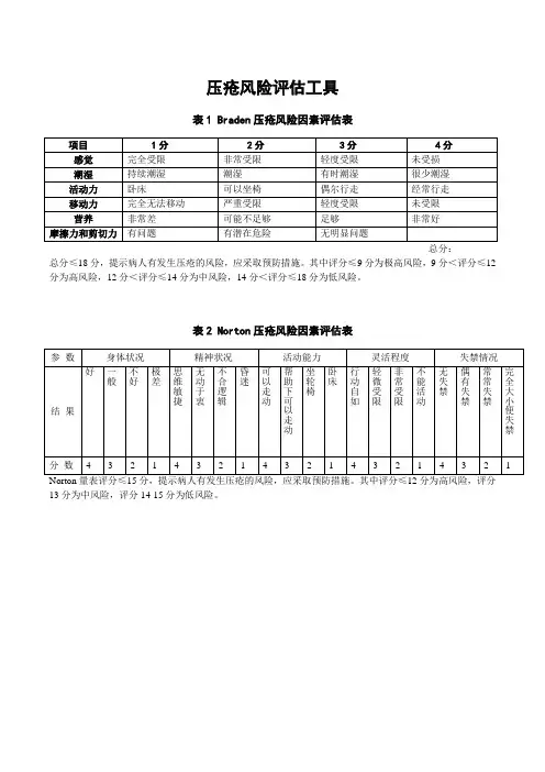
压疮风险评估量表(Braden)
人民医院使用Braden压疮风险评估量表,对患者进行评估。
评估内容包括感知、潮湿、活动能力、营养摄入、摩擦和剪切力等方面。
评估结果根据得分范围来确定患者的压疮风险程度,低危患者每周评估一次,高危患者每周评估两次,极高危患者每48小时评估一次。
同时,护理人员需要定时改变患
者体位,保持皮肤清洁干燥,减压,使用气垫床等措施来预防压疮的发生。
此外,还需要进行健康宣教,提高患者的依从性。
评估结果需要患者或家属签名,护士长也需要签名确认。
评估说明中对感知和潮湿进行了详细的解释,以便护理人员能够更好地理解和评估患者的情况。
压疮危险性评估表
科室床号姓名性别年龄
病案号诊断身高体重
一、患者状态
□意识不清□瘫痪□癌症晚期□长期卧床□营养不良
□老年人(>65岁)□其他
二、评估项目
注:1、微血管延迟充盈:受压迫局部,默数5秒,手放松再默数5秒,如局部颜色未恢复,即表示。
2、轻微水肿:足踝以下。
中度水肿:小腿、足踝。
严重水肿:大腿、小腿、足踝。
3、营养:稍差:Hb:100~110g/L 差:Hb:<50g/L、白蛋白:2.5~2.2 g,极差:白蛋白<2.2g
4、标准体重:男性标准体重(kg)=身长(cm)—100
女性标准体重(kg)=身长(cm)—102
(±10%均为标准体重)
5、当积分小于等于10~20分属极易患压疮;当积分等于21~30分属较易患压疮;当积分等于31~40分属不易患压疮。
填表日期:填表人:
压疮报告单
科室床号姓名性别年龄病案号诊断身高体重
压疮发生地:□院外□科外□科内
压疮发生时间:首次发现压疮者:
压疮情况记录:
压疮确认者(需两人以上)签名是否申报过难免压疮:□是□否发生压疮科室及责任者:
压疮发生原因:
患者目前皮肤及压疮情况:
现行预防及治疗压疮措施:
皮肤情况有无告知家属:
患者目前主要病情:
责任护士:
申报日期:申报人:
科室床号姓名性别年龄病案号诊断身高体重
患者目前主要病情:
患者目前皮肤情况(应有详细护理记录):
申报难免性压疮理由:
采取哪些预防措施:
皮肤情况有无告知家属:
责任护士:
申报日期:申报人:
会诊意见:
会诊日期:会诊者:。
儿童压疮风险评估表
项目/分值 1 2 3 4
移动能力完全不能非常受限轻度受限不受限
活动能力卧床不起局限于椅扶助行走活动自如
感觉完全丧失严重丧失轻度丧失未受损害
潮湿持久潮湿非常潮湿偶尔潮湿很少潮湿
营养严重不良不良中等良好
摩擦力和剪切力明显问题存在问题潜在问题无问题
组织灌注与氧合非常受限受限充足良好
注:评分在22-25分提示为轻度风险;评分在17-21分提示为中度风险;评分在14-16分提示为高度风险;评分≤13分提示为极度风险;评分≤16分需要上报护理部。
【评估要点】
使用bradenQ 量表对所有住院儿童进行评估,根据分值判断其发生压疮的风险性。
评分17-25分的患者,病情稳定者每周一、四评估记录一次,病情变化时随时评估记录;评分≤16分的患者,每天至少评估记录一次,病情变化随时评估记录。
评分≤25分应系统落实预防压疮的措施,密切观察皮肤变化,及时准确记录。
压疮护理评估记录单
标题:压疮护理评估记录单
引言概述:
压疮是长期卧床、缺乏活动或者患有慢性疾病的患者常见的并发症之一。
为了及时发现和有效治疗压疮,护理评估记录单是非常重要的工具。
本文将详细介绍压疮护理评估记录单的内容和重要性。
一、患者基本信息
1.1 患者姓名、年龄、性别等基本信息
1.2 入院时间、主要诊断、病史等
1.3 家庭联系人、联系方式等重要信息
二、压疮风险评估
2.1 压疮风险因素的评估,如长期卧床、患有糖尿病等
2.2 皮肤状况的评估,包括皮肤颜色、温度、潮湿度等
2.3 压疮分级的评估,根据压疮的严重程度进行评估
三、压疮护理计划
3.1 制定压疮护理计划,包括预防和治疗措施
3.2 确定压疮的护理频率和方法,如换药、按摩等
3.3 监测压疮的病情变化,及时调整护理计划
四、压疮护理记录
4.1 记录压疮的位置、大小、形状等信息
4.2 记录压疮的症状和体征,如红肿、渗液等
4.3 记录压疮的治疗过程和效果,包括使用的药物、护理措施等
五、压疮护理效果评估
5.1 定期评估患者的压疮情况,包括痊愈情况、复发情况等
5.2 根据评估结果调整护理计划,提高治疗效果
5.3 与医疗团队和家属沟通,共同监督和评估压疮护理效果
结语:
压疮护理评估记录单是护理工作中不可或者缺的重要工具,能够匡助护士及时发现和治疗压疮,提高患者的生活质量和治疗效果。
护士在使用评估记录单时应严格按照标准操作,确保数据的准确性和完整性,为患者提供更好的护理服务。