集成触发器功能测试及转换
- 格式:doc
- 大小:142.02 KB
- 文档页数:8
实验六触发器逻辑功能测试及应用一、实验目的:1、掌握基本RS、JK、D、T和T′触发器的逻辑功能;2、学会验证集成触发器的逻辑功能及使用方法;3、熟悉触发器之间相互转换的方法。
二、实验原理:触发器:根据触发器的逻辑功能的不同,又可分为:三、实验仪器与器件:实验仪器设备:D2H+型数字电路实验箱。
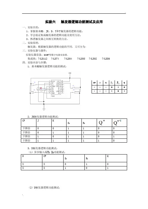
集成块:74LS112 74LS74 74LS04 74LS08 74LS02 74LS86四、实验内容与步骤:1、基本RS触发器逻辑功能的测试:CP J KS-D R-D下降沿0 0 1 1 0 0下降沿0 1 1 1 0 0下降沿 1 0 1 1 0 1下降沿 1 1 1 1 1 03、D触发器逻辑功能测试:D CPS-D R-DQX X 0 1 0X X 1 0 1 (2)D触发器逻辑功能测试:CP J KDS DR Q×××0 1 0××× 1 0 1D CPS-D R-D0 上升沿 1 1 1 01 上升沿 1 1 0 14、不同类型时钟触发器间的转换:JK转换为D触发器:JDKDQDDQQQDDQQKQJQnnnnnnnn==+=+==+=++;)(11D转换为JK 触发器:nnnnnnQJQKDDQQKQJQ===+=++11JK转换为T触发器:KJTQTQTQ nnn==+=+1T转换为JK触发器:JK转换为RS触发器:RS转换为JK触发器:五、实验体会与要求:1、根据实验结果,写出各个触发器的真值表。
2、试比较各个触发器有何不同?3、写出不同类型时钟触发器间的转换过程。
1。
实验六 触发器逻辑功能测试及转换一、实验目的1.掌握SR 锁存器,JK 、D 触发器的逻辑功能。
2.掌握集成触发器逻辑功能及使用方法。
3.熟悉触发器之间相互转换的方法。
二、实验原理触发器具有两个稳定状态,用以表示逻辑状态“1”和“0”,在一定的外界信号作用下,可以从一个稳定状态翻转到另一个稳定状态。
它是一个具有记忆功能的二进制信息存贮器件,是构成各种时序电路的最基本逻辑单元。
1.SR 锁存器图6-1是由两个与非门交叉耦合构成的SR 锁存器,它不需要触发信号触发,是由低电平信号直接控制完成的。
SR 锁存器具有置“0”、置“1”和“保持”三种功能。
通常称D S ′为置位端或置1输入端,因为D S ′=0(D R ′=1)时触发器被置“1”;D R ′为复位端或置0输入端,因为D R ′=0(D S ′=1)时触发器被置“0”;当D S ′=D R ′=1时状态保持;D S ′=D R ′=0时,触发器状态不定,应避免此种情况发生,表6-1为SR 锁存器的功能表。
SR 锁存器也可以用两个“或非门”组成,此时为高电平触发有效。
2.JK 触发器在输入信号为双端的情况下,JK 触发器是功能完善、使用灵活和通用性较强的一种触发器。
本实验采用74LS76双JK 触发器,它是下降沿触发的边沿触发器。
引脚排列如图6-2所示。
JK 触发器的状态方程为:Q K Q J Q ′+′=* J 和K 是数据输入端,是触发器状态更新的依据,若J 、K 有两个或两个以上输入端时,组成“与”的关系。
Q 与Q ′ 为两个互补输出端。
通常把Q =0、Q ′=1的状态定为触发器“0”状态;而把Q =1,Q ′=0定为“1”状态。
下降沿触发JK 触发器的功能如表6-2。
JK 触发器常被用作缓冲存储器,移位寄存器和计数器。
表6-1图6-1 SR 锁存器电路结构S DR Q ′Q①D S ′、D R ′的0状态同时消失后状态不定表6-2图6-2 74LS76双JK 触发器引脚排列注:×— 任意态,↓—指CLK 由1到0,Q — 现态,*Q — 次态3.D 触发器在输入信号为单端的情况下,D 触发器用起来最为方便,其状态方程为*Q =D ,其输出状态的更新发生在CLK 脉冲的上升沿,故又称为上升沿触发的边沿触发器,触发器的状态只取决于时钟到来前D 端的状态。
实验5 集成触发器功能测试及应用一. 实验目的掌握基本触发器的电路组成及其功能;掌握基本RS、JK、D触发器的逻辑功能;掌握集成触发器的逻辑功能及使用方法。
二三触发器具有两个稳定状态,用以表示逻辑状态“1”和“0”,在一定的外界信号作用下,可以从一个稳定状态翻转到另一个稳定状态,它是一个具有记忆功能的二进制信息存贮器件,是构成各种时序电路最基本的逻辑单元。
RS锁存器(又叫基本RS触发器)是各种触发器构成的基本部件,也是最简单的一种触发器。
它的输入信号直接作用在触发器,无需触发信号。
可以由两个与非门交叉耦合而成。
在输入信号为单端的情况下,D触发器用来最为方便,其状态方程为Q n+1=D,其输出状态的更新发生在CP脉冲边沿,属于边沿触发器,触发器的状态只取决于时钟到来前D端的状态,D 触发器的应用很广,可用作数信号的寄存,位移寄存,分频和波形发生等。
在输入信号为双端的情况下,JK触发器是功能完善.使用灵活和通用性较强的一种触发器。
本实验采用74LS112双JK触发器,是下降边沿触发的边沿触发器。
J-K触发器使用时要查清引线排列,其特征方程为。
四. 实验内容与步骤1.基本RS触发器建立与测试(1)在实验箱上选取一个14P插座,按定位标记插好74LS00集成块,根据右图连接实验线路。
(2)将实验箱上+5V直流电源接74LS00的14脚,地接7脚。
将、接电平开关输出口,输出Q接发光二级管。
(3)按下表在输入端输入相应电平,观察并记录输出逻辑电平显示情况(发光管亮,表示输出高电平“1”,发光管不亮,表示输出低电平“0”)。
2.验证D触发器功能1)在实验箱上选取一个14P插座,按定位标记插好74LS74集成块,将实验箱上+5V直流电源接74LS74的14脚,地接7脚。
将双D 触发器74LS74中的一个触发器的,和D 输入端分别接逻辑开关输出口,CP 端接单次脉冲,输出端和分别接发光二极管。
2)根据输出端状态,填表2。
触发器实验报告一、实验目的本次触发器实验的主要目的是深入理解触发器的工作原理和功能,通过实际操作和观察,掌握触发器在数字电路中的应用,以及其对信号的存储和转换作用。
二、实验原理1、触发器的定义与分类触发器是一种具有记忆功能的基本逻辑单元,能够存储一位二进制信息。
常见的触发器类型包括基本 RS 触发器、JK 触发器、D 触发器等。
2、基本 RS 触发器由两个与非门交叉连接而成,具有置 0 和置 1 功能,但存在输入约束条件。
3、 JK 触发器在时钟脉冲的作用下,根据输入的 J、K 信号进行状态翻转。
4、 D 触发器在时钟脉冲上升沿或下降沿时,将输入的 D 信号存储到触发器中。
三、实验设备与器材1、数字电路实验箱2、集成电路芯片:74LS00(四 2 输入与非门)、74LS74(双 D 触发器)、74LS112(双 JK 触发器)3、示波器4、导线若干四、实验内容及步骤1、基本 RS 触发器实验(1)按照电路图在实验箱上连接好 74LS00 芯片,组成基本 RS 触发器。
(2)通过改变输入 R、S 的电平,观察输出 Q 和 Q'的状态变化,并记录在表格中。
2、 JK 触发器实验(1)将 74LS112 芯片插入实验箱,按照电路图连接好 JK 触发器。
(2)设置不同的 J、K 输入组合和时钟脉冲,观察并记录 Q 和 Q'的输出状态。
3、 D 触发器实验(1)使用 74LS74 芯片搭建 D 触发器电路。
(2)改变 D 输入和时钟信号,记录 Q 和 Q'的输出。
五、实验数据记录与分析1、基本 RS 触发器数据记录| R | S | Q | Q' ||||||| 0 | 0 |保持|保持|| 0 | 1 | 1 | 0 || 1 | 0 | 0 | 1 || 1 | 1 |不定|不定|分析:当 R=0、S=1 时,触发器被置 1;当 R=1、S=0 时,触发器被置 0;当 R=S=0 时,触发器保持原状态;当 R=S=1 时,输出状态不定,不符合正常工作条件。
实验四 触发器及其应用一、实验目的1、 掌握基本RS 、JK 、D 、T 触发器的逻辑功能;2、 熟悉集成触发器的逻辑功能及使用方法;3、 学会不同逻辑功能触发器之间的转换方法。
二、实验仪器及设备1、 EEL-II 型电工电子实验台2、 数字电路实验箱3、 万用表4、 直流稳压电源5、 参考元件 三、实验内容1、 基本RS 触发器逻辑功能测试,元件用74LS00QDDQQ(a)(b)图5.1基本RS 触发器结构图2、 D 触发器逻辑功能测试,元件用74LS74(双上升沿触发D 触发器) (1) 直接复位端R D 和直接置位端S D 的功能测试 (2) D 触发器的逻辑功能测试直接复位、置位端R D 、S D 接模拟电位开关,CP 接单脉冲发生器,并改变D 的状态,将测试结果填入表5.2中。
3、 JK 触发器功能测试,选用74LS112直接复位、置位端R D 、S D 接模拟电位开关,CP 接单脉冲发生器,并改变J 、K 的状态,将测试结果填入表5.3中。
4、用D触发器构成T’触发器Q 将D触发器的D端与Q端相连,构成T’触发器。
其逻辑功能为:Q n+1=n表示每来一个CP脉冲翻转一次。
有计数功能。
(1)在CP加入单脉冲观察翻转次数和CP输入正脉冲个数间的关系。
(2)CP端加连续脉冲,用示波器观察Q与Q波形,记录填表5.4,并画出波形图。
如图5.4所示。
CPQQ图5.3波形图5、用JK触发器接T和T’触发器(1)设计电路(2)测试功能并观察CP和Q的同步波形,体会触发器的分频作用。
四、实验报告1、整理实验数据,结果填入各表格,画出要求的有关电路图;2、依实验结果总结触发器的逻辑功能。
五、思考题1、何谓基本RS触发器的记忆功能?2、D触发器翻转条件及特点是什么?3、*D触发器实现可靠计数的基本思想是什么?六、器件介绍1、D触发器74LS74图5.2上升沿触发D 触发器74LS74符号2、 JK 触发器74LS11274LS112是双主从下降沿触发JK 触发器,其逻辑符号和管脚引线排列如图5.5所示。
触发器功能测试触发器是一种在特定事件发生时自动执行的函数或过程。
在编程中,触发器用于监控和响应数据库中的特定动作或事件,并执行预定义的操作。
触发器功能测试是对数据库触发器进行的一系列测试,以确保它们在各种情况下能够正常工作和产生预期的结果。
首先,触发器功能测试应该包括对触发器的正确性和有效性进行测试。
这涉及了检查触发器是否正常触发,并且在特定的事件发生时执行所期望的操作。
例如,如果有一个触发器在插入数据时触发并更新另一个表中的数据,测试应该验证触发器是否正确地识别并触发插入事件,并且更新操作是否正确执行。
其次,触发器功能测试还应该包括对触发器的性能进行测试。
这可以通过模拟大量数据插入或更新操作来进行。
测试应该验证触发器在处理大量数据时是否能够保持较好的性能,不会导致性能下降或系统崩溃。
例如,如果有一个触发器在每次更新时都会执行复杂的计算,测试应该验证触发器在处理大量更新时是否能够快速运行并返回结果。
此外,触发器功能测试还应该包括对异常情况的测试。
这包括对错误数据、无效操作以及错误配置的触发器等进行测试。
测试应该验证触发器在遇到异常情况时是否能够正确处理,并产生预期的错误消息或执行适当的回滚操作。
最后,触发器功能测试应该包括对触发器的可扩展性进行测试。
这涉及了对不同情况下的触发器行为进行测试,以确保它们在不同的环境和使用条件下都能够正常工作。
例如,如果有一个触发器在特定时间段内执行操作,测试应该验证触发器是否正确地根据时间和日期进行触发,并以预期的方式执行操作。
总之,触发器功能测试是对数据库触发器进行的一系列测试,以确保它们在各种情况下能够正常工作和产生预期的结果。
测试应该包括对触发器的正确性、有效性、性能、异常情况和可扩展性进行测试,以确保触发器能够在实际应用中稳定可靠地工作。
实验五 集成触发器功能测试及转换一、 说明触发器是具有记忆作用的基本单元,在时序电路中是必不可少的。
触发器具有两个基本性质:(1)在一定条件下,触发器可以维持在两种稳定状态(0或1状态之一保持不变);(2)在一定的外加信号作用下,触发器可以从一种状态转变成另一种稳定状态(0-1或1-0),因此,触发器可记忆二进制的0或1,被用作二进制的存储单元。
触发器可以根据有无时钟脉冲分为两大类:基本触发器和钟控触发器。
钟控触发器按功能分为RS 、DJ 、K 、T 、T ’等五种;钟控触发器若按触发器方式分又可分为电平触发器(高电平触发器、低电平触发器)、边缘触发器(上升沿触发、下降沿触发)和主从触发三种。
RS 触发器的特征方程是:n+1n Q S+RQ =(约束条件:SR=0) DJ 触发器的特征方程是:n+1Q D = K 触发器的特征方程是:n+1n n Q JQ KQ =+ T 触发器的特征方程是:n+1n n Q TQ TQ =+ T ’触发器的特征方程是:n+1n Q Q =电平触发: 在时钟脉冲CP 高(低)电平期间,触发器接受控制输入信号,改变其状态。
电平触发方式的根本缺陷是空翻问题。
边缘触发:仅在时钟脉冲CP 的下降沿或上升沿触发器才能接受控制输入信号,改变其状态。
主从触发:在时钟脉冲高电平期间,主触发器接受控制输入信号,时钟脉冲CP 下降沿时刻从触发器可以改变状态——变为主触发器的状态。
二、 实验仪器及材料1. 双踪示波器2. RXS -1B 数字逻辑电路实验箱 3. 器件74LS74 双上升沿D 触发器74LS76 双下降沿JK 触发器三、 实验任务任务一:维持-阻塞型触发器功能测试双上升沿触发器维持-阻塞型触发器74LS74的引脚排列图如图3.1.1所示。
1R D 1D 1C P 1S D 1Q V C C 2R D 2D 2C P 2S D 2Q2Q1 K 1 Q1 Q G ND2 K 2 Q2 Q2 J 1 C P 1 S D 1 J V C C 2 C P 2 S D图3.1.1 74LS74芯片的引脚排列图 图3.1.2 74LS76芯片的引脚排列图图中D S 、D R 端异步置1端,置0端(或称异步置位,复位端)。
集合触发器功能测试及转换实验报告
深圳大学实验报告
课程名称:
学院:
实验时间:
实验报告提交时间:
教务部制
深圳大学学生实验报告用纸
注:1、报告内的项目或内容设置,可根据实际情况加以调整和补充。
2、教师批改学生实验报告时间应在学生提交实验报告时间后10日内。
第二篇:集成触发器实验报告 500字
电子电路试验报告
姓名:专业:班级:学号:
一、试验名称
集成触发器功能及其应用。
二、试验目的
掌握用与非门组成的基本RS触发器的特征;掌握集成JK触发器、D触发器的逻辑功能和使用方法;熟悉各种触发器的应用。
三、试验任务
用74LS73设计一个异步四进制计数器,并用双踪示波器观察输入输出波形。
四、试验任务原理
第一步:建立原始状态表和状态图。
第二步:简化状态(实际是状态合并)
第三步:状态分配(即状态编码)
第四步:选择触发器,求激励方程和状态转移方程
第五步:检查电路是否具有自启动特性
五、实现试验的电路图及其结果
试验电路图:实现的是6进制的计数器。
波形图:
六、思考题
(1)为解决主从JK触发器的一次变化问题,对CP脉冲有何要求?
答:对CP的要求是宽度较窄的正脉冲,且在CP=1期间,输入信号J,K不发生变化
七、试验心得与体会
通过这次电子电路试验,我对触发器有了了解,触发器是一种具有记忆功能的电路,可作为二进制存储单元使用。
触发器有置位端和复位端,只有当它们同时为1的时候,触发器才能正常工作,否则进行复位、置位、维持的功能,这些是我在这次试验中所学到的。
触发器功能测试及应用触发器功能是一种在特定条件下自动触发的机制,可以用于自动执行一系列预定义的操作或触发特定的事件。
在计算机科学和信息技术领域,触发器功能被广泛应用于各种系统和应用程序中,以提高工作效率和用户体验。
下面将详细介绍触发器功能的测试方法和应用场景。
一、触发器功能的测试方法:1. 定义测试场景:根据需求和功能设计,确定具体的测试场景,包括触发条件和预期结果。
2. 设计测试用例:根据测试场景,设计一系列具体的测试用例,覆盖不同的触发条件和预期结果。
3. 执行测试用例:按照设计好的测试用例,逐一执行测试,记录实际结果。
4. 对比分析:将实际结果与预期结果进行对比,分析是否一致,找出问题所在。
5. 修复问题:对于出现的问题,及时修复并重新执行测试,直到问题解决。
6. 验证功能:对修复后的触发器功能进行验证,确保其正常工作。
在执行测试用例时,需要注意以下几个方面:- 触发条件的覆盖:尽可能覆盖所有可能的触发条件,包括正常条件和异常条件。
- 预期结果的准确性:确保预期结果明确、准确,并与实际结果进行对比。
- 多环境测试:在不同的操作系统平台和网络环境下进行测试,以确保触发器功能在各种环境下都能正常运行。
- 并发测试:通过同时触发多个触发器,测试系统对多线程、并发操作的处理能力。
二、触发器功能的应用场景:1. 数据库触发器:数据库触发器是一种在数据库内部定义的处理程序,可以在数据库表的特定操作(如插入、更新、删除)发生时自动触发执行。
它可以用于实现数据的一致性约束、数据更新的自动化处理等功能。
2. 消息推送:触发器功能可以用于实现消息推送功能,当某个事件发生时,比如新消息的到达或关键操作的完成,系统可以自动触发一个消息推送,将消息发送给相关的用户。
3. 定时任务:触发器功能可以用于定时执行一些任务,比如定时备份数据库、定时发送邮件等。
通过设置合适的触发条件,可以使任务以一定的频率自动执行。
4. 权限控制:触发器功能可以用于实现对系统的权限控制,当用户进行某些敏感操作时,可以自动触发一个权限验证,以确保只有有相应权限的用户才能执行该操作。
第
2章 电子技术基础实验
51
实验14 触发器的功能测试及其转换
一、实验目的
掌握JK 、D 触发器逻辑功能及触发方式。
二、实验原理 1.触发器
触发器是具有记忆功能的二进制信息存储器件。
按逻辑功能分有:RS 触发器、D 触发器、JK 触发器、T 触发器和T’触发器。
按触发形式分有:上升沿触发器、下降沿触发器、高电平触发器和低电平触发器等。
74LS74是上升沿触发的双D 触发器,D 触发器的特性方程为1Q D n +=。
74LS112是下降沿触发的双JK 触发器,JK 触发器的特性方程为1Q JQ KQ n n n +=+。
2.触发器的功能转换
有时候要用一种类型触发器代替另一种类型触发器,这就需要进行触发器的功能转换。
转换方法见表2-27。
表2-27 触发器的转换功能
三、实验内容与步骤
1.D 触发器(74LS74)逻辑功能测试
(1)置位(S D 端)复位(R D 端)功能测试。
按图
2-36所示电路接线,按表2-
28要求改变
S D 、R D
的逻辑状态(D 、CP 处于任意状态)测试Q 、Q 功能,将结果记入表2-28中。
(2)D 触发器逻辑功能测试。
按图2-37所示电路接线,从CP 端输入单个脉冲按表2-29的要求,改变各端状态,将测试结果记入表2-29中。
表2-28
实验数据
注:Φ表示任意状态
图2-36 D 触发器置位、复位功能测试接线图。
深圳大学实验报告
课程名称:数字电路与逻辑设计
实验项目名称:集成触发器功能测试及转换
学院:
专业、班级:
指导教师:
报告人:学号:
实验报告提交时间: 2014-12-18
教务处制
一、实验目的与要求
1.悉并掌握RS、D、JK、T触发器的构成、工作原理和功能测试方法;
2.掌握不同逻辑功能触发器的相互转换;
3. 掌握三态触发器和锁存器的功能及使用方法;
4. 学会触发器、三态触发器、锁存器的应用。
二、预习要求
(1)复习各种触发器的工作原理、逻辑功能及不同结构形式触发器的触发方式、工作特性;
(2)熟悉集成D触发器、JK触发器、三态输出RS触发器、D锁存器的引脚排列及功能;
(3)复习各种触发器之间的功能转换方法。
三、实验说明
触发器是具有记忆作用的基本单元,在时序电路中时必不可少的。
触发器具有两个基本性质:
(1)在一定条件下,触发器可以维持在两种稳定状态上(0或1状态之一保持不变);
(2)在一定的外加信号作用下,触发器可以从一种状态转变成另一种稳定状态(0-1或1-0),也就是说,触发器可记忆二进制的0或1,故被用作二进制的存储单元。
触发器可以根据有无时钟脉冲分为两大类:基本触发器和钟控触发器。
从逻辑功能,即从触发器次态和现态以及输入信号之间的关系上,可以将钟控触发器分为RS触
发器、D触发器、JK触发器、T触发器等几种类型。
当CP有效时,
RS触发器的特性方程是:Q n+1=S+RQ n(约束条件:SR=0)
D触发器的特性方程是:Q n+1=D
JK触发器的特性方程是:Q n+1n n
T触发器的特性方程是:Q n+1n n
T’触发器的特性方程是:Q n+1=Q n
钟控触发器若按触发器方式,可分为电平触发(高电平触发、低电平触发)、边沿触发(上升沿触发、下降沿触发)和主从触发三种。
电平触发:在时钟脉冲CP高(低)电平期间,触发器接受控制输入信号,从而改变其状态。
电平触发方式的根本缺陷是空翻问题。
边沿触发:仅在时钟CP的下降沿(1-0变化边沿)或上升边沿(0-1变化边沿)触发器才能接受控制输入信号,从而改变状态。
主从触发:在时钟脉冲CP高电平期间,主触发器接受控制输入信号,时钟脉冲CP下降沿时刻从触发器可以改变状态——变为主触发器的状态。
四、实验设备
1.双踪示波器;
2.RXB-1B数字电路实验箱;
3.74LS74(双上升沿D触发器)、74LS76(霜下降沿JK触发器)、74LS86(四2输入异或门)。
五、实验步骤
任务一维持-阻塞型D触发器的功能测试
74LS74的引脚排列图如图1所示。
图中,S D、R D端分别为异步置1端、置0端(或称异步置位、复位端),CP为时钟脉冲端。
试按下面步骤做实验:
(1)分别在S D、R D端加低电平,观察并记录Q、Q端的状态。
当S D、R D端同时加低电平时,输出将为高电平,当时此时如果S D、R D
确定的。
(2)令S D、R D端为高电平,D端分别接入高、低电平,同时用手动脉冲作为CP,然后观察并记录当CP为0-1时Q端状态。
(3)当S D D=1、CP=0(或CP=1)时,改变D端信号,然后观察Q端的状态是否变化。
整理上述实验数据,并将结果填入表1中。
(4)令S D=R D=1,将D和Q端相连,CP加入1kHz连续脉冲,然后用双踪示波器观察并记录Q相对于CP的波形。
V CC
2R D
1CP 2D
1S D2CP
1Q D
2Q
GND 2Q
图1 74LS74芯片的引脚排列图
表1 D触发器74LS74功能表
任务二 下降沿J-K 触发器功能测试
74LS76芯片的引脚排列图如图4-20所示。
自拟实验步骤,测试其功能,并将结果填入表4-6中。
表4-6 双J-K 下降沿触发器74LS76功能表 1CP 1K
1S D
1R D 1J V CC 2CP 2S D
2R D 2J
图4-20 74LS76芯片的引脚排列图
令J=K=1,且在CP 端加入1kHz 连续脉冲,然后用双踪示波器观察Q —CP 波形,并与D 触发器D 和Q 端的波形相比较,看看有何异同点?
设计实验步骤:
(1)分别在D D 端加低电平,观察并记录Q 、Q 端的状态。
(2)令S D D 端为高电平,令Q 端的初态为0,J 端分别接入高、低电平,同时用手动脉冲作为CP ,然后观察并记录当CP 为1-0时Q 端状态。
令S D 、R D 端为高电平,令Q 端的初态为1,K 端分别接入高、低电平,同时用手动脉冲作为CP ,然后观察并记录当CP 为1-0时Q 端状态。
整理上述实验数据,并将结果填入表2中。
任务三 触发器功能转换
(1)分别将D 触发器和J-K 触发器转换成T 触发器,并列出表达式,画出实验接线图; (2)接入1kHz 连续脉冲,观察各触发器CP 及Q 端波形,并比较两者的关系; 自拟实验数据表并填写之。
实验设计:
T 触发器的特性方程为:Q n+1=TQ n +TQ n D 触发器的特性方程是:Q n+1=D 由此可得:D=TQ n +TQ n =T ⊕Q n
JK 触发器的特性方程是:Q n+1n +KQ n 由此可得:J=T ,K=T
1、将D触发器转换成T触发器设计实验接线图:
设计实验步骤:
(1)分别在S D、R D端加低电平,观察并记录Q、Q端的状态。
(2)令S D D端为高电平,T端分别接入高、低电平,同时用手动脉冲作为CP,然后观察并记录当CP为0-1时Q端状态,并将结果填入表中。
(3)令S D=R D=1,T=1,CP加入1Hz连续脉冲,观察并记录与Q端相连的电平指示灯的状况。
+5V
2、将J-K触发器转换成T触发器:
设计实验步骤:
(1)分别在S D、R D端加低电平,观察并记录Q、Q端的状态。
(2)令S D D端为高电平,T端分别接入高、低电平,同时用手动脉冲作为CP,然后观察并记录当CP为1-0时Q端状态,并将结果填入表中。
(3)令S D=R D=1,T=1,CP加入1Hz连续脉冲,观察并记录与Q端相连的电平指示灯的状况。
设计实验接线图:
五、实验数据和表格
任务一:
表1 D触发器74LS74功能表
任务二:
任务三:
表3 将D触发器转换成T触发器
六、实验结论与分析
(1)74LS74芯片的逻辑功能符合表达式:
Q n+1=D,CP↑
Q n+1=Q n,其他情况
所以74LS74芯片是上升沿D触发器。
(2)与Q端相连的电平指示灯以相等的时间间隔闪烁。
当74LS76芯片与74LS74芯片使用同一个时钟信号时,与分别于两者相连的电平指示灯都不断闪烁,但两者的电平指示灯是以等时间间隔交替着闪烁。
(3)当由有74LS74改装的T触发器和由74LS76改装的T触发器接入同一个时钟信号时,分别于两者相连的电平指示灯以相等的时间间隔交替闪烁。
说明两者的状态转换的时刻不同
七、实验总结
这次实验因为我有认真完成预习报告,所以对需要实验的触发器的功能比较熟悉,而且实验一开始老师有带领我们一起做,所以很快就知道了现态调整的方法。
然后再结合自己预习的知识很好的完成了本次实验的全部任务,并且在这次任务中掌握了相关的几个触发器的功能以及它们之间的转换。