进网作业电工体检表
- 格式:doc
- 大小:67.50 KB
- 文档页数:9
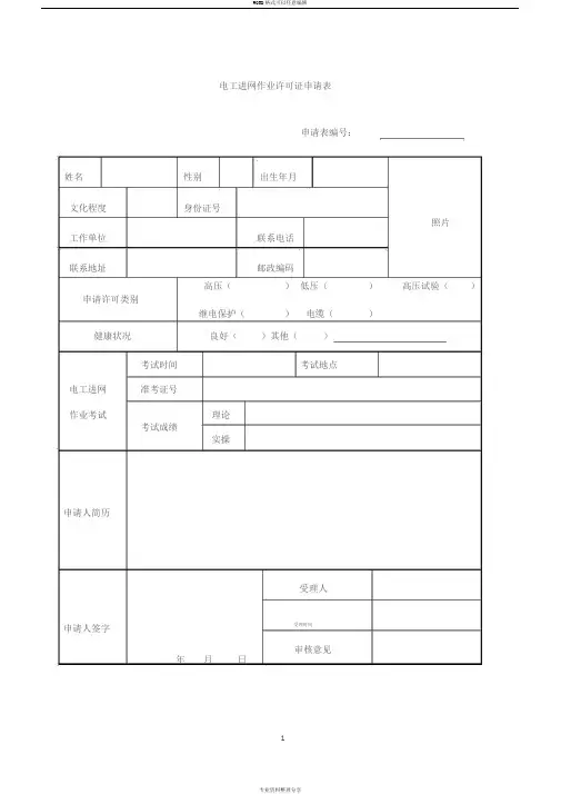
电工进网作业许可证申请表申请表编号:姓名性别出生年月文化程度身份证号照片工作单位联系电话联系地址邮政编码高压()低压()高压试验()申请许可类别继电保护()电缆()健康状况良好()其他()考试时间考试地点电工进网准考证号作业考试理论考试成绩实操申请人简历受理人申请人签字受理时间审核意见年月日1填表说明一、申请人可以在制成的表格中手工填写,也可以在电子文档上填写后打印。
手工填写申请表请用蓝黑色或黑色钢笔、签字笔在所需填写的栏、表、框内,准确无误的用中文书写,如某些栏目无需填写,请在该栏目空白处用“/”表示。
二、除特殊要求外,申请材料中有关需要用数字填写的内容一律用阿拉伯数字填写。
申请表中带有“()”的项目,申请人只需在与自身情况相符的选项前的“()”内划“√”即可。
三、健康状况要根据本人身体情况如实填写,身体健康、无影响进网作业的严重疾病或伤残在良好后划“√”,否则应在其他后划“√”,并在“”上注明严重疾病或伤残的名称。
器质性心脏病、癫痫病、美尼尔氏症、眩晕症、癔病、震颤麻痹、精神病、痴呆以及影响肢体活动的神经系统疾病等严重疾病或伤残不允许申请电工进网作业许可证。
四、申请人简历由初中开始填写。
五、申请人除填写申请表外,还需要提供以下各附件。
1、身份证复印件(二代身份证需要正反两面);2、1寸免冠正面彩色近照两张(背景颜色为红色),一张粘贴在申请表,另外一张粘贴在体检表;3、电工进网作业许可考试合格通知书;(报名人员不需要提供)4、学历证书复印件;5、二级甲等以上医院提供的体检表。
六、复印用纸为国际标准A4型,并达到完整、清晰、能正确显示所要反映内容的程度。
七、申请人必须认真阅读“填表说明”,如实填写申请表,并在“申请人签字”栏内签名。
2附件三进网作业电工体检表体检号体检时间姓名性别出生年月文化工作程度单位许可证参加工作时间类型身份证号既往史及家族史癫痫史(是否)精神病史(是否)血压心内科肺腹颈椎皮肤外科脊椎关节视力左:色觉右:五官科左:听力口吃右:心电图肿瘤科体检结论年月日医生签章医生签章医生签章医生签章医生签章医检医院签章3。
电工进网作业许可证申请表
申请表编号:
填表说明
一、申请人可以在制成的表格中手工填写,也可以在电子文档上填写后打印。
手工填写申请表请用蓝黑色或黑色钢笔、签字笔在所需填写的栏、表、框内,准确无误的用中文书写,如某些栏目无需填写,请在该栏目空白处用“/”表示。
二、除特殊要求外,申请材料中有关需要用数字填写的内容一律用阿拉伯数字填写.申请表中带有“( )”的项目,申请人只需在与自身情况相符的选项前的“()”内划“√”即可。
三、健康状况要根据本人身体情况如实填写,身体健康、无影响进网作业的严重疾病或伤残在良好后划“√",否则应在其他后划“√”,并在“”上注明严重疾病或伤残的名称。
器质性心脏病、癫痫病、美尼尔氏症、眩晕症、癔病、震颤麻痹、精神病、痴呆以及影响肢体活动的神经系统疾病等严重疾病或伤残不允许申请电工进网作业许可证。
四、申请人简历由初中开始填写。
五、申请人除填写申请表外,还需要提供以下各附件。
1、身份证复印件(二代身份证需要正反两面);
2、1寸免冠正面彩色近照两张(背景颜色为红色),一张粘贴在申请表,另外一张粘
贴在体检表;
3、电工进网作业许可考试合格通知书;(报名人员不需要提供)
4、学历证书复印件;
5、二级甲等以上医院提供的体检表。
六、复印用纸为国际标准A4型,并达到完整、清晰、能正确显示所要反映内容的程度。
七、申请人必须认真阅读“填表说明”,如实填写申请表,并在“申请人签字"栏内签名。
附件三
进网作业电工体检表
体检号体检时间年月日。
电工进网作业许可证申请表
申请表编号:
填表说明
一、申请人可以在制成的表格中手工填写,也可以在电子文档上填写后打印。
手工填写申请表请用蓝黑色或黑色钢笔、签字笔在所需填写的栏、表、框内,准确无误的用中文书写,如某些栏目无需填写,请在该栏目空白处用“/”表示。
二、除特殊要求外,申请材料中有关需要用数字填写的内容一律用阿拉伯数字填写。
申请表中带有“()”的项目,申请人只需在与自身情况相符的选项前的“()”内划“√”即可。
三、健康状况要根据本人身体情况如实填写,身体健康、无影响进网作业的严重疾病或伤残在良好后划“√”,否则应在其他后划“√”,并在“”上注明严重疾病或伤残的名称。
器质性心脏病、癫痫病、美尼尔氏症、眩晕症、癔病、震颤麻痹、精神病、痴呆以及影响肢体活动的神经系统疾病等严重疾病或伤残不允许申请电工进网作业许可证。
四、申请人简历由初中开始填写。
五、申请人除填写申请表外,还需要提供以下各附件。
1、身份证复印件(二代身份证需要正反两面);
2、1寸免冠正面彩色近照两张(背景颜色为红色),一张粘贴在申请表,另外一张
粘贴在体检表;
3、电工进网作业许可考试合格通知书;(报名人员不需要提供)
4、学历证书复印件;
5、二级甲等以上医院提供的体检表。
六、复印用纸为国际标准A4型,并达到完整、清晰、能正确显示所要反映内容的程度。
七、申请人必须认真阅读“填表说明”,如实填写申请表,并在“申请人签字”栏内签名。
附件三
进网作业电工体检表
体检号体检时间年月日
幼儿园教师资格申请人员体检表
体检表。
电工证申请表体检表(可以直接使用,可编辑实用优秀文档,欢迎下载)电工进网作业许可证申请表申请表编号:填表说明一、申请人可以在制成的表格中手工填写,也可以在电子文档上填写后打印。
手工填写申请表请用蓝黑色或黑色钢笔、签字笔在所需填写的栏、表、框内,准确无误的用中文书写,如某些栏目无需填写,请在该栏目空白处用“/”表示。
二、除特殊要求外,申请材料中有关需要用数字填写的内容一律用阿拉伯数字填写。
申请表中带有“()”的项目,申请人只需在与自身情况相符的选项前的“()”内划“√”即可。
三、健康状况要根据本人身体情况如实填写,身体健康、无影响进网作业的严重疾病或伤残在良好后划“√”,否则应在其他后划“√”,并在“”上注明严重疾病或伤残的名称。
器质性心脏病、癫痫病、美尼尔氏症、眩晕症、癔病、震颤麻痹、精神病、痴呆以及影响肢体活动的神经系统疾病等严重疾病或伤残不允许申请电工进网作业许可证。
四、申请人简历由初中开始填写。
五、申请人除填写申请表外,还需要提供以下各附件。
1、身份证复印件(二代身份证需要正反两面);2、1寸免冠正面彩色近照两张(背景颜色为红色),一张粘贴在申请表,另外一张粘贴在体检表;3、电工进网作业许可考试合格通知书;(报名人员不需要提供)4、学历证书复印件;5、二级甲等以上医院提供的体检表。
六、复印用纸为国际标准A4型,并达到完整、清晰、能正确显示所要反映内容的程度。
七、申请人必须认真阅读“填表说明”,如实填写申请表,并在“申请人签字”栏内签名。
附件三进网作业电工体检表体检号体检时间年月日体检表鸡西玛丽亚妇科医院健康体检表姓名:_________年龄:________ 婚否:__________联系:_________住址:_____________________________通讯地址:___________________ 既往史:____________________________________________________________________编码:LRTJ1001001妇科体检的意义随着女性健康意识的提高,大家都普遍重视健康体检,但是还是有一部分女性对定期的妇科体检不当回事。
电工进网作业许可证申请表申请表编号:姓名性别出生年月文化程度身份证号照片工作单位联系电话联系地址邮政编码高压()低压()高压试验()申请许可类别继电保护()电缆()健康状况良好()其他()考试时间考试地点电工进网准考证号作业考试理论考试成绩实操申请人简历受理人申请人签字受理时间审核意见年月日1填表说明一、申请人可以在制成的表格中手工填写,也可以在电子文档上填写后打印。
手工填写申请表请用蓝黑色或黑色钢笔、签字笔在所需填写的栏、表、框内,准确无误的用中文书写,如某些栏目无需填写,请在该栏目空白处用“/”表示。
二、除特殊要求外,申请材料中有关需要用数字填写的内容一律用阿拉伯数字填写。
申请表中带有“()”的项目,申请人只需在与自身情况相符的选项前的“()”内划“√”即可。
三、健康状况要根据本人身体情况如实填写,身体健康、无影响进网作业的严重疾病或伤残在良好后划“√”,否则应在其他后划“√”,并在“”上注明严重疾病或伤残的名称。
器质性心脏病、癫痫病、美尼尔氏症、眩晕症、癔病、震颤麻痹、精神病、痴呆以及影响肢体活动的神经系统疾病等严重疾病或伤残不允许申请电工进网作业许可证。
四、申请人简历由初中开始填写。
五、申请人除填写申请表外,还需要提供以下各附件。
1、身份证复印件(二代身份证需要正反两面);2、1寸免冠正面彩色近照两张(背景颜色为红色),一张粘贴在申请表,另外一张粘贴在体检表;3、电工进网作业许可考试合格通知书;(报名人员不需要提供)4、学历证书复印件;5、二级甲等以上医院提供的体检表。
六、复印用纸为国际标准A4型,并达到完整、清晰、能正确显示所要反映内容的程度。
七、申请人必须认真阅读“填表说明”,如实填写申请表,并在“申请人签字”栏内签名。
2附件三进网作业电工体检表体检号体检时间姓名性别出生年月文化工作程度单位许可证参加工作时间类型身份证号既往史及家族史癫痫史(是否)精神病史(是否)血压心内科肺腹颈椎皮肤外科脊椎关节视力左:色觉右:五官科左:听力口吃右:心电图肿瘤科体检结论年月日医生签章医生签章医生签章医生签章医生签章医检医院签章3。
佛山市特种作业人员(电工)体检表
注:1、表中内容请如实填写,要求字迹工整、不得随意涂改。
若确需更正,医师必须加签名,并加盖医院校正章。
2、根据粤安监[2008]423号文规定,特种作业人员必须提供近半年县(区)级及以上医院体检表原件,方给予办证。
(后附佛山市区级以上医院列表)
佛山市区级及以上医院禅城区
佛山市第一人民医院佛山市第二人民医院佛山市第三人民医院佛山市第五人民医院佛山市中医院
佛山市妇幼保健院
佛山市职业病防治院佛山市慢性病防治所佛山市口腔医院
广东省康复医院
禅城区中心医院
禅城区南庄医院
南海区
南海区人民医院
南海区中医院
南海区妇幼保健院
南海区疾病预防控制中心广东省西樵山复退军人医院顺德区
顺德区第一人民医院
顺德区中西医接合医院
顺德区妇幼保健院
顺德区伍仲佩纪念医院
顺德区疾病预防控制中心三水区
三水区人民医院
三水区中医院
三水区妇幼保健院
三水区疾病防治所
高明区
高明区人民医院
高明区中医院
高明区妇幼保健院
高明区疾病预防控制中心。
电工进网作业许可证申请表
填表说明
一、申请人可以在制成的表格中手工填写,也可以在电子文档上填写后打印。
手工填写申请表请用蓝黑色或黑色钢笔、签字笔在所需填写的栏、表、框内,准确无误的用中文书写,如某些栏目无需填写,请在该栏目空白处用“ /”表示。
二、除特殊要求外,申请材料中有关需要用数字填写的内容一律用阿拉伯数字填写。
申请表中带有“()”的项目,申请人只需在与自身情况相符的选项前的“()”内划即可。
三、健康状况要根据本人身体情况如实填写,身体健康、无影响进网作业的严重疾病
或伤残在良好后划“V”,否则应在其他后划“V”,并在“ ____________________ ”上注明严
重疾病或伤残的名称。
器质性心脏病、癫痫病、美尼尔氏症、眩晕症、癔病、震颤麻痹、精神病、痴呆以及影响肢体活动的神经系统疾病等严重疾病或伤残不允许申请电工进网作业许可证。
四、申请人简历由初中开始填写。
五、申请人除填写申请表外,还需要提供以下各附件。
1身份证复印件(二代身份证需要正反两面);
2、1寸免冠正面彩色近照两张(背景颜色为红色),一张粘贴在申请表,另外一张粘贴在
体检表;
3、电工进网作业许可考试合格通知书;(报名人员不需要提供)
4、学历证书复印件;
5、—级甲等以上医院提供的体检表。
六、复印用纸为国际标准A4型,并达到完整、清晰、能正确显示所要反映内容的程度。
七、申请人必须认真阅读“填表说明”,如实填写申请表,并在“申请人签字”栏内签名。
附件三
进网作业电工体检表
本文档部分内容来源于网络,如有内容侵权请告知删除,感谢您的配合!。
电工进网作业人员体检表
体检号:体检时间:年月日
说明:此表由电工进网作业人员自带身份证原件,到二级以上医院进行体检,体检合格者方可参加进网作业电工培训。
此表经电工进网作业培训单位审查合格后存入电工进网作业人员技术档案。
附:电工进网作业人员各工种体检合格标准(背面)
电工进网作业人员体检标准
电工进网作业人员体检共同基本条件:
1.年龄必须满18周岁;
2.具有初中以上文化程度;
3.身体健康、无癫痫病、精神病、心脏病、眩晕症、突发性昏厥、色盲等妨
碍本作业的疾病及生理缺陷。
4.
电工进网作业人员体检合格标准
1.心率60—100次/分钟、呼吸正常16—20次/分钟,血压140/90mmHg以
下,无严重心脏疾病、Ⅱ度以上传导阻滞及预激综合症。
2.颈、四肢关节活动正常范围,脊椎无畸形。
3.裸眼视力在0.4以上,矫正后视力达到0.8,以色觉图谱为标准检查,色觉
正常。
4.听力左右耳均达到5米以上。
5.
说明:
1.此表可以复印(A4纸);
2.初次涉及电工进网作业人员,参加培训前必须进行体检;
3.取得电工进网作业许可证的人员,复审时也要进行体检;
4.体检医疗单位必须经二级以上医疗单位承担;体检医生和医疗机构必须对
体检负责。
电工证体检表--------------------------可以编辑的精品文档,你值得拥有,下载后想怎么改就怎么改---------------------------==========================================================进网作业电工体检表体检号: 体检时间: 年月日姓名性别出生年月工作文化程度身份证号单位照片工种参加工作时间既往史及家属史癫痫史(是否) 精神病史(是否)血压 mmHg 心内医生科签章肺腹部外头颈四肢医生科脊椎关节签章视左; 医生眼科色觉力右; 签章听左; 医生五官科耳疾力右; 签章医生心电图签章体检体检医院结论 (盖章)本人声明:本人没有不允许申请电工进网作业认可证的伤残或以下疾病:器质性心脏病、癫痫病、美尼尔氏症、眩晕症、癔病、震颤麻痹、精神病、痴呆以及影响肢体活动的神经系统疾病。
签名:年月日--------------------------可以编辑的精品文档,你值得拥有,下载后想怎么改就怎么改---------------------------==================================================================== ======--------------------------可以编辑的精品文档,你值得拥有,下载后想怎么改就怎么改---------------------------========================================================== 注:身体检查要求在县(区)级以上医院体检。
进网作业电工体检合格标准一、无精神疾病史及癫痫史~无家属史。
二、心率60—100次/分钟、呼吸正常16—20次/分钟~血压140/90mmHg以下, 无严重心脏疾病、?度以上传导阻滞及预激综合症。
三、颈、四肢关节活动正常范围~脊椎无畸形。
特种作业电工体检表
体检号:体检时间:年月日
特种作业
一、无精神疾病史及癫痫史,无家属史。
二、心率60—100次/分钟、呼吸正常16—20次/分钟,血压
140/90mmHg以下, 无严重心脏疾病、Ⅱ度以上传导阻滞及预激综
合症。
三、颈、四肢关节活动正常范围,脊椎无畸形。
四、裸眼视力在0.4以上,矫正后视力达到0.8,以色觉图谱为标准检
查,色觉正常。
五、听力左右耳均达到5米以上。
特种作业电工作业许可证考前培训申请表
申请表编号:___________
注:1、手工填写申请表请用蓝黑色或黑色钢笔、签字笔在所需填写的栏、表、框内,准确无误的用中文书写,如某些栏目无需填写,请在该栏目空白处用“/”表示。
2、申请人简历由初中开始填写
3、手机请填学员本人或单位具体经办同志的号码,并确保正确,以免相关通知信息无法收到。
附件6:进网作业电工体检表
进网作业电工体检合格标准
一、无精神疾病史及癫痫史,无家属史。
二、心率60—100次/分钟、呼吸正常16—20次/分钟,血压140/90mmHg
以下, 无严重心脏疾病、Ⅱ度以上传导阻滞及预激综合症。
三、颈、四肢关节活动正常围,脊椎无畸形。
四、裸眼视力在0.4以上,矫正后视力达到0.8,以色觉图谱为标准检查,
色觉正常。
五、听力左右耳均达到5米以上。
附件1:全国电工进网作业许可考试报名表(表中有“□”选项的,在“□”中打“√”即可)
填表说明
一、报名人可以在制成的表格中手工填写,也可以在电子文档上填写后打印。
手
工填写报名表请用蓝黑色或黑色钢笔、签字笔在所需填写的栏、表、框,准确无误的用中文书写。
二、除特殊要求外,报名表中有关需要用数字填写的容一律用阿拉伯数字填写。
报名表中带有“□”的项目,人只需在与自身情况相符的选项前的“□”
划“√”即可。
三、报名人除填写报名表外,还需要提供以下各附件。
1、复印件;
2、1寸免冠正面彩色近照两;
四、复印用纸为国际标准A4型,并达到完整、清晰、能正确显示所要反映容的
程度。
五、报名人必须认真阅读“填表说明”,如实填写报名表,并在“报名人签字”
栏签名。
附件3:电工进网作业许可证申请表
申请表编号:
准确无误的用中文书写,如某些栏目无需填写,请在该栏目空白处用“/”表示。
2.申请人简历由初中开始填写。
附件2:电工进网作业许可证考前培训申请表
申请表编号:
准确无误的用中文书写,如某些栏目无需填写,请在该栏目空白处用“/”表示。
2.申请人简历由初中开始填写。