电工进网作业人员体检表
- 格式:doc
- 大小:63.50 KB
- 文档页数:2
特种作业人员体格检查表
姓名性别出生
年月
(2寸白底免冠彩照)
文化程度婚否
准操
项目
籍贯家庭地址
工作单位既往
病史
家庭
病史
五官科眼
视
力
右矫正
视力
右辨色
力
医生意见:
签字:左左
砂
眼
右其他
眼疾
左
耳
听
力
右公尺
耳疾咽喉
左公尺
鼻
嗅
觉
鼻及鼻窦疾病
外科身长公尺胸围
皮肤医生意见:
签字:
体重公斤呼吸道
淋巴甲状腺脊柱
四肢关节平跖足
内科发育及
营养
心肺神经及
精神
医生意见:
签字:
血压(mmHg)肝脾
心电图
检查
血常规
检查
检查
结论
体检单位
意见体检组长(签字):体检单位(公章):
年月日注:1、低压电工作业、尾矿库、金属非金属矿山安全作业:经社区或者县级以上医疗机构体检健康合格,并无防碍从事特种作业的器质性心脏病、癫痫病、美尼尔氏症、眩晕症、癔病、震颤麻痹症、精神病、痴呆症、色盲、色弱以及其他疾病和生理缺陷。
2、高压电工作业、高处作业、矿井通风作业、烟花爆竹储存作业:经社区或者县级以上医疗机构体检健康合格,并无防碍从事相应特种作业的器质性心脏病、癫痫病、美尼尔氏症、眩晕症、癔病、震颤麻痹症、精神病、痴呆症、以及其他疾病和生理缺陷。
3、熔化焊接与热切割作业:经社区或者县级以上医疗机构体检健康合格,矫正视力在5.0以上,并无防碍从事高处作业的器质性心脏病、癫痫病、美尼尔氏症、眩晕症、癔病、震颤麻痹症、精神病、痴呆症以及其他疾病和生理缺陷。
特种作业电工体检表
体检号:体检时间:年月日
说明:此表由特种作业人员自带身份证原件,到省、市、县安全生产监督管理部门指定的县级以上医院进行体检,体检合格者方可参加特种作业人员培训。
此表
存入特种作业人员个人培训档案。
1、从事金属焊接切割人员双目裸视力均在以上且矫正视力在以上;
2、从事企业内机动车辆驾驶人员身高米以上(驾驶大型车辆米以上);双目裸视
力均不低于(包括矫正视力);左右耳距音叉米能辨清声音方向;心、血、肺、血压正常。
3、从事登高架设作人员无高血压;
4、从事电工作业人员必须做心电图;。
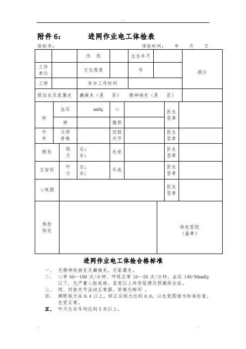
附件6:进网作业电工体检表进网作业电工体检合格标准一、无精神疾病史及癫痫史,无家属史。
二、心率60—100次/分钟、呼吸正常16—20次/分钟,血压140/90mmHg以下, 无严重心脏疾病、Ⅱ度以上传导阻滞及预激综合症。
三、颈、四肢关节活动正常围,脊椎无畸形。
四、裸眼视力在0.4以上,矫正后视力达到0.8,以色觉图谱为标准检查,色觉正常。
五、听力左右耳均达到5米以上。
附件1:全国电工进网作业许可考试报名表(表中有“□”选项的,在“□”中打“√”即可)填表说明一、报名人可以在制成的表格中手工填写,也可以在电子文档上填写后打印。
手工填写报名表请用蓝黑色或黑色钢笔、签字笔在所需填写的栏、表、框,准确无误的用中文书写。
二、除特殊要求外,报名表中有关需要用数字填写的容一律用阿拉伯数字填写。
报名表中带有“□”的项目,人只需在与自身情况相符的选项前的“□”划“√”即可。
三、报名人除填写报名表外,还需要提供以下各附件。
1、复印件;2、1寸免冠正面彩色近照两;四、复印用纸为国际标准A4型,并达到完整、清晰、能正确显示所要反映容的程度。
五、报名人必须认真阅读“填表说明”,如实填写报名表,并在“报名人签字”栏签名。
附件3:电工进网作业许可证申请表申请表编号:准确无误的用中文书写,如某些栏目无需填写,请在该栏目空白处用“/”表示。
2.申请人简历由初中开始填写。
附件2:电工进网作业许可证考前培训申请表申请表编号:准确无误的用中文书写,如某些栏目无需填写,请在该栏目空白处用“/”表示。
2.申请人简历由初中开始填写。
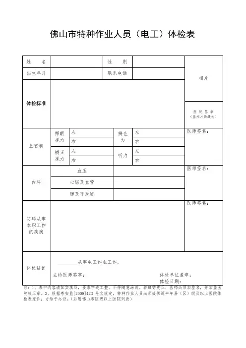
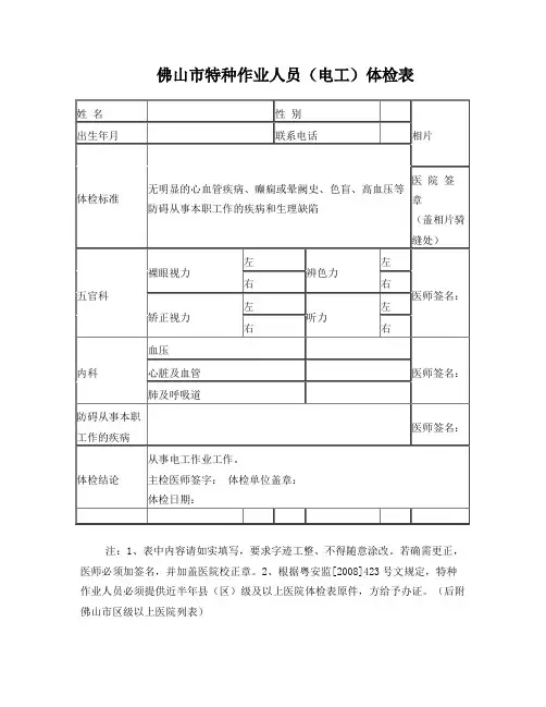
佛山市特种作业人员(电工)体检表
院校正章。
2、根据粤安监[2008]423号文规定,特种作业人员必须提供近半年县(区)级及以上医院体检表原件,方给予办证。
(后附佛山市区级以上医院列表)
佛山市区级及以上医院
禅城区
佛山市第一人民医院
佛山市第二人民医院
佛山市第三人民医院
佛山市第五人民医院
佛山市中医院
佛山市妇幼保健院
佛山市职业病防治院
佛山市慢性病防治所
佛山市口腔医院
广东省康复医院
禅城区中心医院
禅城区南庄医院
南海区
南海区人民医院
南海区中医院
南海区妇幼保健院
南海区疾病预防控制中心
广东省西樵山复退军人医院
顺德区
顺德区第一人民医院、顺德区中西医接合医院、顺德区妇幼保健院、顺德区伍仲佩纪念医院、顺德区疾病预防控制中心
三水区
三水区人民医院、三水区中医院、三水区妇幼保健院、三水区疾病防治所
高明区
高明区人民医院、高明区中医院、高明区妇幼保健院
高明区疾病预防控制中心。
附表二:
特种作业人员身体条件证明
填表说明
一、填表时请使用钢笔或碳素笔填写,字体工整。
二、标注有“□”符号的为选择项目,选择后在“□”中划“√”。
三、本表所设各栏应认真填写,不得空项。
其中,“本人填报事项”栏必须由本人填报;“医疗机构填写事项”及审核医生签字必须由每项检查经办医生及最终体检结论的审核医生本人填写。
特种作业操作证身体条件要求
按照《特种作业人员安全技术培训考核管理办法》申请特种作业操作证的人应当符合下列身体条件:
1、身高:身高为150厘米以上。
2、心电正常。
3、肝功能正常。
4、胸透正常。
5、辨色力:无红绿色盲。
6、血压正常。
7、视力:两眼裸视力或者矫正视力达到对数视力表5.0以上。
8、听力:两耳分别距音叉50厘米能辨别声源方向。
9、躯干、颈部:无运动功能障碍。
10、上肢:双手拇指健全,每只手其他手指必须由三指健全,肢体和手指运动功能正常。
11、下肢:运动功能正常。
进网作业电工体检表-标准化文件发布号:(9456-EUATWK-MWUB-WUNN-INNUL-DDQTY-KII进网作业电工体检表进网作业电工体检合格标准一、无精神疾病史及癫痫史,无家属史。
二、心率60—100次/分钟、呼吸正常16—20次/分钟,血压140/90mmHg以下, 无严重心脏疾病、Ⅱ度以上传导阻滞及预激综合症。
三、颈、四肢关节活动正常范围,脊椎无畸形。
四、裸眼视力在0.4以上,矫正后视力达到0.8,以色觉图谱为标准检查,色觉正常。
五、听力左右耳均达到5米以上。
编号:电工进网作业许可考试报名表(表中有“□”选项的,在“□”中打“√”即可)(2008年6月版)填表说明一、报名人可以在制成的表格中手工填写,也可以在电子文档上填写后打印。
手工填写报名表请用蓝黑色或黑色钢笔、签字笔在所需填写的栏、表、框内,准确无误的用中文书写。
二、除特殊要求外,报名表中有关需要用数字填写的内容一律用阿拉伯数字填写。
报名表中带有“□”的项目,人只需在与自身情况相符的选项前的“□”内划“√”即可。
三、报名人除填写报名表外,还需要提供以下各附件。
1、身份证复印件;2、1寸免冠正面彩色近照两张;四、复印用纸为国际标准A4型,并达到完整、清晰、能正确显示所要反映内容的程度。
五、报名人必须认真阅读“填表说明”,如实填写报名表,并在“报名人签字”栏内签名。
电工进网作业许可证申请表申请表编号:(2008年6月版)填表说明一、申请人可以在制成的表格中手工填写,也可以在电子文档上填写后打印。
手工填写申请表请用蓝黑色或黑色钢笔、签字笔在所需填写的栏、表、框内,准确无误的用中文书写,如某些栏目无需填写,请在该栏目空白处用“/”表示。
二、除特殊要求外,申请材料中有关需要用数字填写的内容一律用阿拉伯数字填写。
申请表中带有“()”的项目,申请人只需在与自身情况相符的选项前的“()”内划“√”即可。
三、健康状况要根据本人身体情况如实填写,身体健康、无影响进网作业的严重疾病或伤残在良好后划“√”,否则应在其他后划“√”,并在“”上注明严重疾病或伤残的名称。
佛山市特种作业人员(电工)体检表
注:1、表中内容请如实填写,要求字迹工整、不得随意涂改。
若确需更正,医师必须加签名,并加盖医院校正章。
2、根据粤安监[2008]423号文规定,特种作业人员必须提供近半年县(区)级及以上医院体检表原件,方给予办证。
(后附佛山市区级以上医院列表)
佛山市区级及以上医院禅城区
佛山市第一人民医院佛山市第二人民医院佛山市第三人民医院佛山市第五人民医院佛山市中医院
佛山市妇幼保健院
佛山市职业病防治院佛山市慢性病防治所佛山市口腔医院
广东省康复医院
禅城区中心医院
禅城区南庄医院
南海区
南海区人民医院
南海区中医院
南海区妇幼保健院
南海区疾病预防控制中心广东省西樵山复退军人医院顺德区
顺德区第一人民医院
顺德区中西医接合医院
顺德区妇幼保健院
顺德区伍仲佩纪念医院
顺德区疾病预防控制中心三水区
三水区人民医院
三水区中医院
三水区妇幼保健院
三水区疾病防治所
高明区
高明区人民医院
高明区中医院
高明区妇幼保健院
高明区疾病预防控制中心。
电工进网作业人员体检表
体检号:体检时间:年月日
说明:此表由电工进网作业人员自带身份证原件,到二级以上医院进行体检,体检合格者方可参加进网作业电工培训。
此表经电工进网作业培训单位审查合格后存入电工进网作业人员技术档案。
附:电工进网作业人员各工种体检合格标准(背面)
电工进网作业人员体检标准
电工进网作业人员体检共同基本条件:
1.年龄必须满18周岁;
2.具有初中以上文化程度;
3.身体健康、无癫痫病、精神病、心脏病、眩晕症、突发性昏厥、色盲等妨
碍本作业的疾病及生理缺陷。
4.
电工进网作业人员体检合格标准
1.心率60—100次/分钟、呼吸正常16—20次/分钟,血压140/90mmHg以
下,无严重心脏疾病、Ⅱ度以上传导阻滞及预激综合症。
2.颈、四肢关节活动正常范围,脊椎无畸形。
3.裸眼视力在0.4以上,矫正后视力达到0.8,以色觉图谱为标准检查,色觉
正常。
4.听力左右耳均达到5米以上。
5.
说明:
1.此表可以复印(A4纸);
2.初次涉及电工进网作业人员,参加培训前必须进行体检;
3.取得电工进网作业许可证的人员,复审时也要进行体检;
4.体检医疗单位必须经二级以上医疗单位承担;体检医生和医疗机构必须对
体检负责。
电工证体检表--------------------------可以编辑的精品文档,你值得拥有,下载后想怎么改就怎么改---------------------------==========================================================进网作业电工体检表体检号: 体检时间: 年月日姓名性别出生年月工作文化程度身份证号单位照片工种参加工作时间既往史及家属史癫痫史(是否) 精神病史(是否)血压 mmHg 心内医生科签章肺腹部外头颈四肢医生科脊椎关节签章视左; 医生眼科色觉力右; 签章听左; 医生五官科耳疾力右; 签章医生心电图签章体检体检医院结论 (盖章)本人声明:本人没有不允许申请电工进网作业认可证的伤残或以下疾病:器质性心脏病、癫痫病、美尼尔氏症、眩晕症、癔病、震颤麻痹、精神病、痴呆以及影响肢体活动的神经系统疾病。
签名:年月日--------------------------可以编辑的精品文档,你值得拥有,下载后想怎么改就怎么改---------------------------==================================================================== ======--------------------------可以编辑的精品文档,你值得拥有,下载后想怎么改就怎么改---------------------------========================================================== 注:身体检查要求在县(区)级以上医院体检。
进网作业电工体检合格标准一、无精神疾病史及癫痫史~无家属史。
二、心率60—100次/分钟、呼吸正常16—20次/分钟~血压140/90mmHg以下, 无严重心脏疾病、?度以上传导阻滞及预激综合症。
三、颈、四肢关节活动正常范围~脊椎无畸形。
特种作业电工体检表
体检号:体检时间:年月日
特种作业
一、无精神疾病史及癫痫史,无家属史。
二、心率60—100次/分钟、呼吸正常16—20次/分钟,血压
140/90mmHg以下, 无严重心脏疾病、Ⅱ度以上传导阻滞及预激综
合症。
三、颈、四肢关节活动正常范围,脊椎无畸形。
四、裸眼视力在0.4以上,矫正后视力达到0.8,以色觉图谱为标准检
查,色觉正常。
五、听力左右耳均达到5米以上。
特种作业电工作业许可证考前培训申请表
申请表编号:___________
注:1、手工填写申请表请用蓝黑色或黑色钢笔、签字笔在所需填写的栏、表、框内,准确无误的用中文书写,如某些栏目无需填写,请在该栏目空白处用“/”表示。
2、申请人简历由初中开始填写
3、手机请填学员本人或单位具体经办同志的号码,并确保正确,以免相关通知信息无法收到。
电工进网作业人员体检表
体检号:体检时间:年月日
说明:此表由电工进网作业人员自带身份证原件,到二级以上医院进行体检,体检合格者方可参加进网作业电工培训。
此表经电工进网作业培训单位审查合格后存入电工进网作业人员技术档案。
附:电工进网作业人员各工种体检合格标准(背面)
电工进网作业人员体检标准
电工进网作业人员体检共同基本条件:
1.年龄必须满18周岁;
2.具有初中以上文化程度;
3.身体健康、无癫痫病、精神病、心脏病、眩晕症、突发性昏厥、色盲等妨
碍本作业的疾病及生理缺陷。
4.
电工进网作业人员体检合格标准
1.心率60—100次/分钟、呼吸正常16—20次/分钟,血压140/90mmHg以
下,无严重心脏疾病、Ⅱ度以上传导阻滞及预激综合症。
2.颈、四肢关节活动正常范围,脊椎无畸形。
3.裸眼视力在0.4以上,矫正后视力达到0.8,以色觉图谱为标准检查,色觉
正常。
4.听力左右耳均达到5米以上。
5.
说明:
1.此表可以复印(A4纸);
2.初次涉及电工进网作业人员,参加培训前必须进行体检;
3.取得电工进网作业许可证的人员,复审时也要进行体检;
4.体检医疗单位必须经二级以上医疗单位承担;体检医生和医疗机构必须对
体检负责。