多层及高层钢结构中构件安装的允许偏差
- 格式:docx
- 大小:34.66 KB
- 文档页数:1
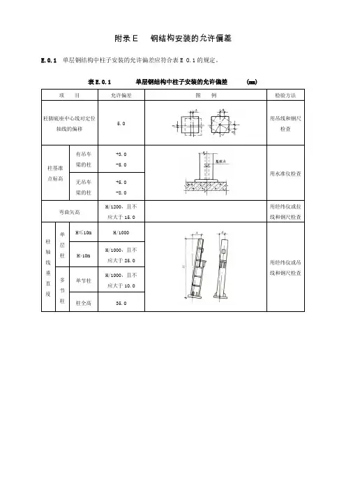
附录E 钢结构安装的允许偏差E.0.1单层钢结构中柱子安装的允许偏差应符合表E O.1的规定。
表E.0.1 单层钢结构中柱子安装的允许偏差 (mm) 项目允许偏差图例检验方法柱脚底座中心线对定位轴线的偏移5.O用吊线和钢尺检查柱基准点标高有吊车梁的柱+3.O-5.O用水准仪检查无吊车梁的柱+5.O-8.O弯曲矢高H/1200,且不应大于15.O 用经纬仪或拉线和钢尺检查柱轴线垂直度单层柱H≤10m H/1000用经纬仪或吊线和钢尺检查H>10mH/1000,且不应大于25.O多节柱单节柱H/1000,且不应大于10.O柱全高35.OE.0.2 钢吊车梁安装的允许偏差应符合表E.0.2的规定。
表E.0.2 钢吊车梁安装的允许偏差 (mm)项目允许偏差图例检验方法梁的跨中垂直度△h/500用吊线和钢尺检查侧向弯曲矢高l/1500,且不应大于10.O用拉线和钢尺检查垂直上拱矢高10.O两端支座中心位移△安装在钢柱上时,对牛腿中心的偏移5.O安装在混凝土柱上时,对定位轴线的偏移5.0吊车梁支座加劲板中心与柱子承压加劲板中心的偏移△1 t/2用吊线和钢尺检查同跨间内同一横截面吊车梁顶面高差△支座处10.O用经纬仪、水准仪和钢尺检查其他处15.O同跨间内同一横截面下挂式吊车梁底面高差△10.O同列相邻两柱间吊车梁顶面高差△l/1500,且不应大于10.O用水准仪和钢尺检查相邻两吊车粱接头部位△中心错位上承式3.O用钢尺检查顶面高 1.O下承式底面高差1.O同跨问任一截面的吊车梁中心跨距△±10.O用经纬仪和光电测距仪检查;跨度小时,可用钢尺检查轨道中心对吊车梁腹板轴线的偏移△t/2用吊线和钢尺检查E.O.3 墙架、檩条等次要构件安装的允许偏差应符合表E.O.3的规定。
表E.0.3 墙架、檩条等次要构件安装的允许偏差 (mm)E.0.4钢平台、钢梯和防护栏杆安装的允许偏差应符合表E.0.4的规定。
环球市场/工程管理钢结构安装偏差对结构性能影响刘振伟中建二局安装工程有限公司廊坊钢结构分公司摘要:钢结构工程从建设用材料到施工整个过程都涉及到产生偏差的一些原因,因此,建设安装偏差对于钢结构来说是难以避免的。
本文对钢结构安装偏差对结构性能影响进行分析探讨,仅供参考。
关键词:钢结构;加工安装;结构性能;影响因素加强钢结构工程施工质量的控制,对保证钢结构工程实现预期的目标具有十分重要的意义,所以下文对安装偏差进行分类与分析。
1 钢结构安装偏差分类1.1 单层钢结构安装偏差1.1.1 单层钢结构偏差1在《验收规范》附录E.0.1(单层钢结构中柱子安装的允许偏差)中对柱脚底座中心线对定位轴线的偏移量的规定允许偏差△为5mm,检验方法为用吊线和钢尺检查。
图1 单层柱脚偏差图在这个规定中可以发现所规定的限值与钢柱地脚螺栓的允许偏差不太相符,因在GB50205的第10.2.2中允许的地脚螺栓偏差为5mm,预留孔中心偏差为10mm。
在极端情况下就可能造成柱脚无法安装。
1.1.2 单层钢结构偏差2在《验收规范》附录E.0.1(单层钢结构中柱子安装的允许偏差)中对单层钢结构柱弯曲矢高的偏移量规定允许偏差f为H/1200(mm) (H为单层钢结构柱柱高)且不应大于15mm。
1.1.3 单层钢结构偏差3在《验收规范》附录E.0.1(单层钢结构中柱子安装的允许偏差)中对单层钢结构柱轴线垂直度的偏移量规定(H均为单层钢结构柱柱高):单层柱:H≤10m,单层钢结构柱轴线垂直度允许偏差为H/1000(mm);H>10m,单层钢结构柱轴线垂直度允许偏差H/1000(mm),且不应大于25mm;多节柱:单节柱,单层钢结构单节柱柱轴线垂直度允许偏差H/1000(mm),且不应大于10mm;柱全高,单层钢结构多节柱柱全高柱轴线垂直度允许偏差35mm。
1.1.4 单层钢结构偏差4在《验收规范》表10.3.4(单层钢结构整体垂直度和整体平面弯曲的允许偏差)中对单层钢结构主体结构整体垂直度的偏移量△规定:允许偏差为H/1000(mm)(H为单层钢结构主体结构的高度),且不应大于25mm。
多层及高层钢结构安装工程施工技术标准11.1 一般规定11.1.1本章适用于多层及高层钢结构的主体结构、地下钢结构、檩条及墙架等次要构件、钢平台、钢梯、防护栏杆等安装工程的施工和质量验收。
11.1.2多层及高层钢结构安装应遵照本标准第10.1.2、10.1.3、10.1.4、10.1.5、10.1.6条的规定。
11.2 施工准备11.2.1技术准备11.2.1.1熟悉施工图纸,组织图纸审查和会审,核对构件的空间安装就位尺寸、标高和相互间的关系。
11.2.1.2计算吊装构件数量、单件重量和安装就位标高以及连接板、螺栓等安装连接件数量。
11.2.1.3编制安装施工方案,包括机械设备选用、安装程序、流水段划分、安装方法、构件供应、保证质量和安全的技术措施等,并进行技术交底。
11.2.1.4配备专职、合格的测量人员和精度适宜的测量仪器。
11.2.2材料准备钢结构构件、连接材料、防腐油漆涂料以及其他材料。
11.2.3主要机具设备11.2.3.1机械设备塔式起重机、履带式起重机或轮胎式起重机、载重汽车、平板拖车及电焊、气割设备等。
11.2.3.2主要机具经纬仪、水准仪、塔尺、全站仪、天顶准直仪、扳手、线坠、钢尺、水平尺;倒链、钢丝绳、、绳夹、卡环、铁扁担、滑车、钢(木)楔、垫板、千斤顶等。
11.2.4作业条件11.2.4.1 钢构件已运抵安装现场,构件质量已经过确认。
11.2.4.2在钢构件上根据就位和校正的需要,弹好轴线安装位置线及安装中心线等。
11.2.4.3柱基础已经完成,强度符合要求;周围已回填土、整平,并办理交验手续。
11.2.4.4吊装用起重设备、配套机具、工具和绳索齐全完好,保持良好状态。
11.2.4.5电焊工应经考试并取得合格证书,方能参加高层建筑钢结构安装的焊接工作。
11.2.4.6整平场地,修筑好构件运输和起重机行走的临时道路;做好周围排水设施;11.2.4.7供电线路按要求敷设完毕。
11.3 材料质量控制11.3.1 安装前应按构件明细表核对进场构件,查验产品合格证和设计文件。
钢结构工程施工质量验收规范一、原材料及成品进场1.钢材(1)进口钢材产品的质量应符合设计和合同规定标准的要求。
(2)对属于下列情况之一的钢材,应进行抽样复验,其复验结果应符合现行国家产品标准和设计要求。
1)国外进口钢材。
2)钢材混批。
3)板厚等于或大于40mm,且设计有Z向性能要求的厚板。
4)建筑结构安全等级为一级,大跨度钢结构中主要受力构件所采用的钢材。
5)设计有复验要求的钢材。
6)对质量有疑义的钢材。
(3)钢材的表面外观质量除应符合国家现行有关标准的规定外,尚应符合下列规定。
1)当钢材的表面有锈蚀、麻点或划痕等缺陷时,其深度不得大于该钢材厚度负允许偏差值的1/2。
2)钢材表面的锈蚀等级应符合现行国家标准《涂装前钢材表面锈蚀等级和除锈等级》规定的C级及C级以上。
3)钢材端边或断口处不应有分层、夹渣等缺陷。
2.连接用紧固标准件(1)高强度大六角头螺栓连接副和扭剪型高强度螺栓连接副出厂时,应分别随箱带有扭矩系数和紧固轴力(预拉力)的检验报告。
(2)对建筑结构安全等级为一级,跨度40m及以上的螺栓球节点钢网架结构,其连接高强度螺栓应进行表面硬度试验,对8.8级的高强度螺栓其硬度应为HRC21~29;10.9级高强度螺栓其硬度应为HRC32~36,且不得有裂纹或损伤。
二、钢结构焊接工程(1)碳素结构钢应在焊缝冷却到环境温度、低合金结构钢应在完成焊接24h以后,进行焊缝探伤检验。
(2)焊工必须经考试合格并取得合格证书。
(3)施工单位对其首次采用的钢材、焊接材料、焊接方法、焊后热处理等,应进行焊接工艺评定,并应根据评定报告确定焊接工艺。
(4)设计要求全焊透的一、二级焊缝应采用超声波探伤进行内部缺陷的检验,超声波探伤不能对缺陷作出判断时,应采用射线探伤。
(5)焊缝表面不得有裂纹、焊瘤等缺陷。
一级、二级焊缝不得有表面气孔、夹渣、弧坑裂纹、电弧擦伤等缺陷,且一级焊缝不得有咬边、未焊满、根部收缩等缺陷。
三、紧固件连接工程1.普通紧固件连接(1)普通螺栓作为永久性连接螺栓时,当设计有要求或对其质量有疑义时,应进行螺栓实物最小拉力载荷复验。
《钢结构工程施工质量验收规范》GB50205-2001一、选择题1、当钢材的表面有锈蚀、麻点或划痕等缺陷时,其深度不得大于该钢材厚度负允许偏差值的( A )。
A.1/2 B.1/3 C. 1/4 D. 3/42、螺栓球网架中10.9级高强螺栓的表面硬度值应为HRC( D )。
A.21~29B. 30~35C. 33~37D. 32~363.钢结构制作和安装单位应按规定分别进行高强度螺栓连接磨擦面的(C )系数试验和复验,现场处理的构件磨擦面应单独进行磨擦面()系数试验,其结果应符合设计要求。
A.抗滑动B.磨擦C.抗滑移D.移动4.碳素结构钢和低合金结构钢在加热矫正时,加热温度不应超过(B )℃。
A.600B.900C.1000D.11005、焊接H型钢的翼缘板拼接缝和腹板拼接缝的间距不应小于( A )mm 。
A.200B.300C.400D.6006、单层钢结构主体结构的整体垂直度允许偏差为H/1000(H为整体高度),且不应大于( C )mm。
A. 10B.15C.25D. 307、当钢桁架(或梁)安装在混凝土柱上时,其支座中心对定位轴线的偏差不应大于(C )mmA、5B、8C、10D、158.钢结构防腐涂料、涂装遍数、涂层厚度均应符合设计要求。
当设计对涂层厚度无要求时,涂层干漆膜总厚度:室外应为(A )um。
A.150B.125C.100D.1209.钢结构厚涂型防火涂料涂层的厚度,80%及以上面积应符合有关耐火极限的设计要求,且最薄处厚度不应低于设计要求的(B )。
A 80%B 85% C.90% D.95%10.钢平台和楼梯安装中平台梁水平度的允许偏差为l/1000且不应大于(D ) A 10mmB 12mmC 15mmD 20mm二、判断题1、对建筑结构安全等级为一级,跨度40mm及以上的螺栓球节点钢网架结构,其连接高强度螺栓应进行表面强度试验。
(×)2、焊接球表面应无明显波纹及局部凹凸不平不应大于2mm. (×)3、碳素结构钢应在焊缝冷却到环境温度,低合金钢应在焊接24h后,进行焊缝探伤检验。
江南大学土木工程专业大一2017-2018学年钢结构专业知识判断题1. 在风荷载标准值作用下,无桥式吊车的单层框架的柱顶部位移的最大限值为H/150。
[判断题]对(正确答案)错2. 中拼单元安装偏差检测时的取样数量为按单元数抽查5%,且不应少于5个。
[判断题]对错(正确答案)3. 支座锚栓的紧固允许偏差的检测时,取样数量为按支座数抽查10%,且不应少于4处。
[判断题]对(正确答案)错4. 钢网架总体偏差检测时,取样数量为除杆件弯曲矢高按杆件数抽查5%外,其余半数检查。
[判断题]对错(正确答案)5. 免棱镜全站仪法检测挠度时,观测点垂直角可以大于45°,但测点视距不大于30m。
[判断题]对6. 网架结构工程变形检测时,每种规格的钢网架杆件应抽取10%作为检测对象,且抽取数量不应小于4根。
[判断题]对错(正确答案)7. 钢网架结构总拼完成后及屋面工程完成后应分别测量其挠度值,且所测的挠度值不应超过相应设计值的1.2倍。
[判断题]对错(正确答案)8. 桁架的受压腹杆,当其内力小于或者等于其承受能力的50%时,容许长细比可取为200。
[判断题]对(正确答案)错9. 支座螺栓(锚栓)的紧固允许偏差应满足,其外露螺纹长度不小于30mm。
[判断题]对(正确答案)错10. 小拼接单元的节点中心偏移的允许偏差为1mm。
[判断题]对错(正确答案)11. 跨度为30m的网架挠度值测量的测点为下弦中央一点。
[判断题]对12. 多层及高层钢结构柱子安装允许偏差检测时,其标准柱应抽查10%,且不应少于3根。
[判断题]对错(正确答案)13. 单层钢结构中钢柱安装的柱脚底座中心线对定位轴线的偏移的允许偏差为5mm。
[判断题]对(正确答案)错14. 安装偏差的检测应在结构形成空间刚度单元并连接固定后进行。
[判断题]对(正确答案)错15. 对单层钢结构主体结构的整体垂直度和整体平面弯曲进行偏差检测时,对每个所检查的立面,除两列角柱外,上应至少选取一列中间柱。
2。
2 多层与高层钢结构安装施工工艺标准2。
2。
1 总则2。
2.1.1 适用范围当前,多层与高层建筑钢结构在我国蓬勃发展,充分体现了钢结构良好的综合经济效益和力学性能。
为了适应多层与高层钢结构的发展需要,在钢结构工程施工中贯彻执行国家的技术经济政策,即在保证工程质量的基础上,贯彻技术先进、经济合理。
安全适用原则,结合目前钢构件工厂加工、现场安装的特点,特制定本施工工艺标准.本施工工艺标准用于指导多层与高层钢结构工程安装及验收工作。
主要针对框架结构、框架-剪力墙结构、框架-支撑结构。
框架—核心筒结构、筒体结构以及劲性混凝土和钢管混凝土中的钢结构,屋顶特殊节框架构筑物等多、高层钢结构体系编写。
多层与高层钢结构的安装施工除执行本施工工艺标准外,还应符合国家现行有关标准的规定。
2.2.1.2 编制参考标准及规范(1)《钢结构设计规范》GB 50017—2003(2)《高层民用建筑钢结构技术规程》JGJ 99-98(3)《钢结构工程施工质量验收规范》GB 50205-2001(4)《建筑工程施工质量验收统一标准》GB 50300-2001(5)《工程测量规范》GB 50025—93(6)《建筑钢结构焊接技术规程》JGJ 81—2002(7)《钢结构高强度螺栓连接的设计、施工及验收规范》JGJ 82-91(8)《建筑施工高处作业安全技术规程》JGJ 80-91(9)《建筑抗震设计规范》GB 50011—20012。
2.2 术语、符号2。
2.2。
1 术语(1)设计文件:设计图纸、施工技术要求和设计变更文件等的统称。
(2)材质证明书:由钢材生产部门或销售单位委托有资质的质量检测部门出具的钢材质量的证明文件。
(3)零件:组成部件或构件的最小单元,如节点板、加劲肋、翼缘板等。
(4)部件:由若干零件组成的单元,如焊接H 形钢、牛腿等。
(5)构件:由若干零件、部件或由零件和部件组成的钢结构基本单元,如梁、柱、支撑等。
(6)高强度螺栓连接副:高强度螺栓和与之配套的螺母、垫圈的总称.(7)抗滑移系数:高强度螺栓连接中,使连接件摩擦面产生滑动时的外力与垂直于摩擦面的高强度螺栓预拉力之和的比值。
情境4 施工文件管理4.7钢结构工程施工质量验收文件《多层及高层钢结构安装检验批质量验收记录》填写范例及说明一、范例多层及高层钢结构安装检验批质量验收记录二、说明1.主控项目(1)基础验收。
建筑物的定位轴线、基础轴线和标高、地脚螺栓的规格及其紧固应符合《钢结构工程施工质量验收规范》GB 50205-2001表的规定。
尺量检査。
(2)构件验收。
钢构件应符合设计要求和《钢结构工程施工质量验收规范》GB50205-2001的规定。
运输、堆放和吊装等造成的钢构件变形及涂层脱落,应进行矫正和修补。
观察和现场实测检查。
(3)钢柱安装允许偏差应符合《钢结构工程施工质量验收规范》GB50205-2001表的规定。
经纬仪和尺量检查。
(4)设计要求顶紧的节点,接触面不应少于70%紧贴,且边缘最大间隙不应大于。
用和厚的塞尺和尺量检查。
(5)钢主梁、次梁及受压杆件的垂直度和侧向弯曲矢高的允许偏差应符合《钢结构工程施工质量验收规范》GB 50205-2001表中有关钢屋(托)架允许偏差的规定。
经纬仪、拉线和尺量检查。
(6)主体结构尺寸。
多层及高层钢结构主体结构的整体垂直度和整体平面弯曲的允许偏差应符合《钢结构工程施工质量验收规范》GB 50205-2001表的规定。
经纬仪、拉线和尺量检查。
2.一般项目(1)地脚螺栓尺寸允许偏差应符合《钢结构工程施工质量验收规范》GB 50205-2001表的规定。
地脚螺栓(锚栓)的螺纹应受到保护。
尺量检查。
(2)标记。
钢柱等主要构件的中心线及标高基准点等标记应齐全。
观察检查。
(3)钢构件安装的允许偏差应符合《钢结构工程施工质量验收规范》GB 50205-2001附录E中表的规定。
按表表的规定检查。
当钢构件安装在混凝土柱上时,其支座中心对定位轴线的偏差不应大于10mm。
当采用大型混凝土屋面相时,钢梁(或桁架)间距的偏差不应不应大于10mm。
尺量检查。
(4)主体结构总高度的允许偏差应符合《钢结构工程施工质量验收规范》GB 50205-2001附录E中表的规定。
钢结构工程施工质量验收规范GB50205-2001(上)建筑规范 2009-09-29 12:18:07 阅读434 评论1 字号:大中小订阅1 总则1.0.1 为加强建筑工程质量管理,统一钢结构工程施工质量的验收,保证钢结构工程质量,制定本规范。
1.0.2 本规范适用于建筑工程的单层、多层、高层以及网架、压型金属板等钢结构工程施工质量的验收。
1.0.3 钢结构工程施工中采用的工程技术文件、承包合同文件对施工质量验收的要求不得低于本规范的规定。
1.0.4 本规范应与现行国家标准《建筑工程施工质量验收统一标准》GB 50300配套使用。
1.0.5 钢结构工程施工质量的验收除应执行本规范的规定外,尚应符合国家现行有关标准的规定。
2 术语、符号2.1 术语2.1.1 零件 part组成部件或构件的最小单元,如节点板、翼缘板等。
2.1.2 部件 component由若干零件组成的单元,如焊接H型钢、牛腿等。
2.1.3 构件 element由零件或由零件和部件组成的钢结构基本单元,如梁、柱、支撑等。
2.1.4 小拼单元 the smallest assembled rigid unit钢网架结构安装工程中,除散件之外的最小安装单元,一般分平面桁架和锥体两种类型。
2.1.5 中拼单元 intermediate assembled structure钢网架结构安装工程中,由散件和小拼单元组成的安装单元,一般分条状和块状两种类型。
2.1.6 高强度螺栓连接副 set of high strength bolt高强度螺栓和与之配套的螺母、垫圈的总称。
2.1.7 抗滑移系数 slip coefficent of faying surface高强度螺栓连接中,使连接件摩擦面产生滑动时的外力与垂直于摩擦面的高强度螺栓预拉力之和的比值。
2.1.8 预拼装 test assembling为检验构件是否满足安装质量要求而进行的拼装。
钢结构安装验收标准一、CECS 1002 :2002门式钢架轻型房屋钢结构技术规程(2012)表1支承面、地脚螺栓(锚栓)位置的允许偏差(mm)注:l为锚栓总长度。
表2钢架斜梁安装允许偏差(mm)表3钢架柱安装的允许偏差(mm)项目允许偏差图例柱脚底座中心线对定位轴线的偏移△5.0柱基准点标高有吊车梁的柱+3.0-5.0 无吊车梁的柱+5.0-8.0 弯曲矢高H/100010.0柱轴线垂直度△单层柱H≤10m 10.0H>l0m 20.0 多节柱底层柱10.0柱全高25.0 柱顶标高△≤±10.0表4 吊车梁安装的允许偏差(mm)项目允许差a(mm) 图例轴轨10直线度 3竖向偏差10跨梁的1/1500上承时梁顶高差支座处10其他处15 下挂时梁底高差10相邻梁高差 1.0表5压型钢板安装允许偏差(mm)二、GB 50205-2001 钢结构工程施工质量验收规范1、单层钢结构安装工程表1支承面、地脚螺栓(锚栓)位置的允许偏差(mm)表2座浆垫板的允许偏差(mm)表3杯口尺寸的允许偏差(mm)表4地脚螺栓(锚栓)尺寸的允许偏差(mm)表5单层钢结构中柱子安装的允许偏差(mm)项目允许偏差图例检验方法柱脚底座中心线对定位轴线的偏移5.0 用吊线和钢尺检查柱基准点标高有吊车梁的柱+3.0-5.0用水准仪检查无吊车梁的柱+5.0-8.0弯曲矢高H/1200,且不应大于15.0用经纬仪或拉线和钢尺检查柱轴线垂直度单层柱H≤10m H/1000用经纬仪或吊线和钢尺检查H>l0mH/1000,且不应大于25.0多节柱单节柱H/1000,且不应大于10.0柱全高35.0表6钢屋(托)架、桁架、梁及受压杆件垂直度和侧向弯曲矢高的允许偏差(mm) 项目允许偏差图例跨中的垂直度h/250,且不应大于15.0侧向弯曲矢高fl≤30m l/1000,且不应大于10.030m<l≤60m l/1000,且不应大于30.0l>60m l/1000,且不应大于50.0表6整体垂直度和整体平面弯曲的允许偏差(mm)项目允许偏差图例主体结构的整体垂直度H/1000,且不应大于25.0主体结构的整体平面弯曲L/1500,且不应大于25.0表7现场焊缝组对间隙的允许偏差(mm)项目允许偏差无垫板间隙+3.0 0.0有垫板间隙+3.0 -2.02、多层及高层钢结构安装工程表1建筑物定位轴线、基础上柱的定位轴线和标高、地脚螺栓(锚栓)的允许偏差(mm) 项目容许偏差图例建筑物定位轴线L/20000,且不应大于3.0基础上柱的定位轴线 1.0基础上柱底标高±2.0地角螺栓(锚栓)位移 2.0表2多层及高层钢结构中构件安装的允许偏差(mm)项目允许偏差图例检验方法上、下柱连接处的错口△ 3.0 用钢尺检查同一层柱的各柱顶高度差△ 5.0 用水准仪检查同一根梁两端顶面的高差△l/1000,且不应大于10.0用水准仪检查主梁与次梁表面的高差△±2.0 用直尺和钢尺检查压型金属板在钢梁上相邻列的错位△15.00 用直尺和钢尺检查表3 多层及高层钢结构主体结构总高度的允许偏差(mm)项目 允许偏差 图例用相对标 高控制安装 ±∑(△h+△z+△w)用设计标高 控制安装H/1000,且不应大于30.0 -H/1000,且不应小于-30.0注:l 、△h 为每节柱子长度的制造允许偏差; 2、△z 为每节柱子长度受荷载后的压缩值; 3、△w 为每节柱子接头焊缝的收缩值。
钢结构安装验收规范一、总则基本规定二、原材料及成品进场1、一般规定2、钢材3、焊接材料4、其他三、钢结构焊接工程1、一般规定2、钢构件焊接工程四、钢构件组装工程1、一般规定2、焊接H型钢3、组装4、端部铣平及安装焊缝坡口5、钢构件外形尺寸五、钢构件预拼装工程1、一般规定2、预拼装六、单层钢结构安装工程1、一般规定2、基础和支承面3、安装和校正七、多层及高层钢结构安装工程1、一般规定2、基础和支承面3、安装和校正八、钢网架结构安装工程1、一般规定2、支承面顶板和支承垫块3、总拼与安装九、钢结构涂装工程1、一般规定2、钢结构防腐涂料涂装3、钢结构防火涂料涂装附录A 焊缝外观质量标准附录B 钢结构安装的允许偏差一、总则1、概述1.1、为加强建筑工程质量管理,统一钢结构工程施工质量的验收,保证钢结构工程质量,制定本规范。
1.2、本规范适用于建筑工程的单层、多层、高层以及网架、压型金属板等钢结构工程施工质量的验收。
1.3、钢结构工程施工中采用的工程技术文件、承包合同文件对施工质量验收的要求不得低于本规范的规定。
1.4、本规范应与现行国家标准《建筑工程施工质量验收统一标准》GB 50300配套使用。
1.5、钢结构工程施工质量的验收除应执行本规范的规定外,尚应符合国家现行有关标准的规定。
2、基本规定2.1、钢结构工程施工单位应具备相应的钢结构工程施工资质,施工现场质量管理应有相应的施工技术标准、质量管理体系、质量控制及检验制度,施工现场应有经项目技术负责人审批的施工组织设计、施工方案等技术文件。
2.2、钢结构工程施工质量的验收,必须采用经计量检定、校准合格的计量器具。
2.3、钢结构工程应按下列规定进行施工质量控制:1>采用的原材料及成品应进行进场验收。
凡涉及安全、功能的原材料及成品应按本规范规定进行复验,并应经监理工程师(建设单位技术负责人)见证取样、送样;2>各工序应按施工技术标准进行质量控制,每道工序完成后,应进行检查;3>相关各专业工种之间,应进行交接检验,并经监理工程师(建设单位技术负责人)检查认可。
钢结构安装一、安装施工的先决条件1.1与已确定的安装施工队签定安全协议;1.2施工队必须在签定完安全协议后才能签安装协议;1.3把相关的安装图、节点图、材料清单、构件加工图等技术资料给安装队;1.4由项目经理、设计师、施工队有关人员进行图纸会审及技术交底;1.5现场实地勘察,施工场地应满足安装要求,做到“三通一平”;1.6施工队编制施工组织设计及安装方案,并经我司技术小组进行审批;上述几项工作完成后,才能进场施工。
二、现场施工2.1 办理进场施工的有关手续,包括公司资质、施工组织设计及方案、人员、机具设备等资料报验;现场项目部对施工队进行安全“三级教育”,记录并建立安全档案;实施施工前的安全技术交底制度并作好书面记录工作;2.2 基础复核:对土建单位提出的安装定位轴线、基准标高、柱基础位置线、预埋地脚螺栓位置线、基础面标高、混凝土强度等级等各项数据进行必要的复查,或向土建单位所要合格证明文件;2.3 基础复核后与土建单位办理基础中交手续;2.4 将安装轴线、标高控制点的有关放线记录向监理报验,监理同意后才可进行下一步施工;2.5 构件进场:2.5.1构件供运应该有顺序;2.5.2现场质检员应清点来料是否与清单上数量一致;材料及构件质保书是否随货到;2.5.3构件上是否有合格证及构件编号,外观是否满足要求等;2.5.4对梁、柱、支撑等主要构件进行必要的尺寸复查,以及对主要控制尺寸如孔间距、牛腿标高、构件弧度等进行复查;2.6 卸货与堆放:2.6.1按照构件安装所在位置卸货;2.6.2卸货方法应以快且不损坏构件为佳;2.6.3梁柱等构件下面应垫上方木条,必要时可以将构件用链钩或绳索捆绑,以便后面安装2.6.4高强螺栓、密封胶、双面胶带、保温棉等需要存放在仓库内;2.7单层普通钢结构安装:轻钢系统结构安装参见《ABC轻钢结构系统建筑安装手册》、《钢结构工程施工质量验收规范》GB50205-2001;其中施工现场常用要点:a)基础复核:参见本节现场施工第2.2点;b)安装前应先对因运输、堆放和吊装等造成的钢构件变形及涂层脱落进行及时矫正和修补;c)高强螺栓施工:参见《高强螺栓的施工及验收》d)安装后,钢结构表面应干净、不应有疤痕、泥砂等污垢。
钢结构工程施工质量验收规范GB50205—2001钢材:1.钢材、钢铸件的品种、规格、性能等应符合现行国家产品标准和设计要求。
检查数量:全数检查。
检验方法:检查质量合格证明文件、中文标志及检验报告等。
2.钢板厚度及允许偏差应符合其产品标准的要求。
检查数量:每一品种、规格的钢板抽查5处。
检验方法:用游标卡尺量测。
3.型钢的规格尺寸及允许偏差符合其产品标准的要求。
检查数量:每一品种、规格的型钢抽查5处。
检验方法:用钢尺和游标卡尺量测。
4.钢材的表面外观质量除应符合国家现行有关标准的规定外,尚应符合下列规定:1 当钢材的表面有锈蚀、麻点或划痕等缺陷时,其深度不得大于该钢材厚度负允许偏差值的1/2;2 钢材表面的锈蚀等级应符合现行国家标准《涂装前钢材表面锈蚀等级和除锈等级》GB 8923规定的C级及C级以上;3 钢材端边或断口处不应有分层、夹渣等缺陷。
检查数量:全数检查。
检验方法:观察检查。
焊接材料:1. 焊接材料的品种、规格、性能等应符合现行国家产品标准和设计要求。
检查数量:全数检查。
检验方法:检查焊接材料的质量合格证明文件、中文标志及检验报告等。
2.重要钢结构采用的焊接材料应进行抽样复验,复验结果应符合现行国家产品标准和设计要求。
检查数量:全数检查。
检验方法:检查复验报告。
3.焊条外观不应有药皮脱落、焊芯生锈等缺陷;焊剂不应受潮结块。
检查数量:按量抽查1%,且不应少于10包。
检验方法:观察检查。
连接用紧固标准件:1.钢结构连接用高强度大六角头螺栓连接副、扭剪型高强度螺栓连接副、钢网架用高强度螺栓、普通螺栓、铆钉、自攻钉、拉铆钉、射钉、锚栓(机械型和化学试剂型)、地脚锚栓等紧固标准件及螺母、垫圈等标准配件,其品种、规格、性能等应符合现行国家产品标准和设计要求。
高强度大六角头螺栓连接副和扭剪型高强度螺栓连接副出厂时应分别随箱带有扭矩系数和紧固轴力(预拉力)的检验报告。
检查数量:全数检查。
检验方法:检查产品的质量合格证明文件、中文标志及检验报告等。
多层及高层钢结构安装施工工艺标准(QB-CNCEC J020408-2004)1 适用范围本工艺标准适用于多层及高层钢结构的主体结构、地下钢结构、檩条及墙架等次要构件、钢平台、钢梯、防护栏杆等安装工程。
2 施工准备2.1 材料合格零部件、构件、连接材料,各种规格垫铁等。
2.2 主要机具2.2.1 机械设备:塔式起重机、履带式起重机或汽车式起重机、载重汽车等吊装机械。
2.2.2 主要工具:钢丝绳、棕绳、卡环、绳卡、平衡梁、倒链、索具、手持电砂轮、电钻、垫木、垫铁、扳手、撬棍、扭矩扳手、气焊、钢板尺、角尺、塞尺、水平尺、经纬仪、水准仪、锤子、钢丝刷等等。
2.3 作业条件2.3.1 按构件明细表,核对进场构件的数量,查验出厂合格证及有关技术资料。
2.3.2 检查构件在装卸、运输及堆放中有无损坏或变形。
损坏和变形的构件应予矫正或重新加工。
被碰损的防锈涂料应补涂,并再次检查办理验收手续。
2.3.3 对构件的外形几何尺寸、制孔、组装、焊接、摩擦面等进行检查,做出记录。
2.3.4 钢结构构件应按安装顺序成套供应,现场堆放场地能满足现场拼装及顺序安装的需要。
2.3.5 构件分类堆放,刚度较大的构件可以铺垫木水平堆放。
多层叠放时垫木应在一条垂线上。
2.3.6 编制钢结构安装施工组织设计(施工方案),包括机械设备选用、安装程序、安装方法、构件供应、保证质量、安全技术措施等等,经审批后,进行技术交底。
2.3.7 检查安装支座及预埋件,取得经总包确认合格的验收资料。
2.3.8 检查吊装用起重设备、配套机索具等是否齐全完好,运转是否灵活,并维护好,保持良好状态。
2.3.9 整平场地,修筑构件运输和起重机械运行的临时道路;或安装塔式起重机。
2.4 作业人员起重工、铆工、钳工、气焊、机械工等。
3 操作工艺3.1 工艺流程3.2 作业准备3.2.1 复验安装定位所用的轴线控制点和测量标高使用的水准点。
2003.2.2 放出标高控制线和屋架轴线的吊装辅助线。
钢结构安装工程验收标准1单层钢结构安装工程1.1安装和矫正I 主控项目1.1.1 钢构件应符合设计要求和本规范的规定。
运输、堆放和吊装等造成的钢构件变形及涂层脱落,应进行矫正和修补。
检查数量:按构件数抽查10%,且不应少于3个。
检验方法:用拉线、钢尺现场实测或观察。
1.1.2 设计要求顶紧的节点,接触面不应少于70%紧贴,且边缘最大间隙不应大于0.8mm。
检查数量:按节点数抽查10%,且不应少于3个。
检验方法:用钢尺及0.3mm和0.8mm厚的塞尺现场实测。
1.1.3 钢屋(托)架、桁架、梁及受压杆件的垂直度和侧向弯曲矢高的允许偏差应符合表1.1.3的规定。
检查数量:按同类构件数抽查10%,且不应少于3个。
检验方法:用吊线、拉线、经纬仪和钢尺现场实测。
表1.1.3 钢屋(托)架、桁架、梁及受压杆件垂直度和侧向弯曲矢高的允许偏差(mm)1.1.4 单层钢结构主体结构的整体垂直度和整体平面弯曲的允许偏差符合表1.1.4的规定。
检查数量:对主要立面全部检查。
对每个所检查的立面,除两列角柱外,尚应至少选取一列中间柱。
检查方法:采用经纬仪、全站仪测量。
表1.1.4 整体垂直度和整体平面弯曲的允许偏差(mm)Ⅱ一般项目1.1.5 钢柱等主要构件的中心线及标高基准点等标记应齐全。
检查数量:按同类构件数抽查10%,且不应少于3件。
检验方法:观察检查。
1.1.6 当钢桁架(或梁)安装在混凝土柱上时,其支座中心对定位轴线的偏差不应大于10mm;当采用大型混凝土屋面板时,钢桁架(或梁)间距的偏差不应大于10mm。
检查数量:按同类构件数抽查10%,且不应少于3榀。
检验方法:用拉线和钢尺现场实测。
1.1.7 钢柱安装的允许偏差应符合本规范附录E中表E.0.1的规定。
检查数量:按钢柱数抽查10%,且不应少于3件。
检验方法:见本规范附录E中表E.0.1。
1.1.8 钢吊车梁或直接承受动力荷载的类似构件,其安装的允许偏差应符合本规范附录E中表E.0.2的规定。
钢结构工程施工质量验收一、单选题格式(每题4个选择项,只有一个正确答案)1、钢结构工程施工质量验收规范(GB 50205-2001):凡涉及安全、功能的原材料及成品应按本规范规定进行复验,并应经(A)见证取样、送样。
A、监理工程师B、资料员C、总工程师D、实验员2、钢结构工程施工质量验收规范(GB 50205-2001):分项工程检验批合格质量标准应符合下列规定:一般项目其检验结果应有()及以上的检查点(值)符合本规范合格质量标准的要求,且最大值不应超过其允许偏差值的( D )倍。
A、80% 1.5B、90% 1.2C、70% 1.3D、80% 1.23、钢结构工程施工质量验收规范(GB 50205-2001):当钢材表面有锈蚀、麻点或划痕等缺陷时,其深度不得大于该钢材厚度负允许偏差值的( C )。
A、1/3B、1/4C、1/2D、2/34、钢结构工程施工质量验收规范(GB 50205-2001):预热区在焊道两侧,每侧宽度均应大于焊件厚度的()倍以上,且不应小于( C )mm。
A、1.2 80B、1.5 80C、1.5 100D、1.2 1005、钢结构工程施工质量验收规范(GB 50205-2001):后热处理应在焊后立即进行,保温时间应根据板厚按每25mm板厚( C )确定。
A、1.2hB、1.5hC、1hD、40min6、钢结构工程施工质量验收规范(GB 50205-2001):永久性普通螺栓紧固应牢固、可靠,外露丝扣不应少于( B )扣。
A、1B、2C、3D、47、钢结构工程施工质量验收规范(GB 50205-2001):高强度螺栓连接副终拧后,螺栓丝扣外露应为2~3扣,其中允许有( A )的螺栓丝扣外露1扣或4扣。
A、10%B、15%C、20#D、5%8、钢结构工程施工质量验收规范(GB 50205-2001):高强度螺栓孔不应采用气割扩孔扩孔数量应征得设计同意,扩孔后的孔径不应超过( B )d(d为螺栓直径)A、1.0B、1.2C、1.5D、2.09、钢结构工程施工质量验收规范(GB 50205-2001):钢材切割面或剪切面应无裂纹、夹渣、分层和大于( A )的缺棱A、1.0mmB、1.2 mmC、1.5 mmD、2.0 mm10、钢结构工程施工质量验收规范(GB 50205-2001):碳素结构钢在环境温度低于()、低合金结构钢在环境温度低于( D )时,不应进行冷矫正和冷弯曲。
钢结构工程复习题一、单项选择题1、普通螺栓作为永久性连接螺栓时,当设计有要求或对其质量有疑义时,应进行螺栓(B )复验A、扭矩系数B、实物最小拉力载荷C、设计预拉力D、施工预拉力2、钢材焊接预热区在焊道每侧的最小宽度为(C )A、50mmB、80mmC、100mmD、120mm3、永久性普通螺栓紧固后的外露丝扣应不少于(B )A、1扣B、2扣C、3扣D、4扣4、大六角头高强螺栓连接副终拧完成后(D)内应进行终拧扭矩检查。
A、12hB、24hC、36hD、48h5、高强螺栓终拧后外露丝扣应为(C )A、1~3扣B、1~4扣C、2~3扣D、3~4扣6、焊接H型钢翼缘板拼接接缝和腹板拼接接缝的间距不应小于(A )A、200mmB、250mmC、300mmD、350mm7、二级焊缝的探伤比例为(A )A、20%B、30%C、50%D、100%8、如下能够对焊缝内部缺陷检验的是( C )A、磁粉探伤B、渗透探伤C、超声波探伤D、放大镜9、下列属于二级焊缝允许存在的缺陷类型是(D ),但应在允许偏差范围内。
A、表面夹渣B、表面气孔C、电弧擦伤D、咬边10、扭矩法检验高强螺栓实际扭矩值与理论施工扭矩值偏差在(A )以内为合格A、10%B、15%C、20%D、25%11、高强螺栓终拧后丝扣外露1~4扣的螺栓比例应控制在( C )A、5%以内B、5%~10%C、10%以内D、10%~15%A、L/500,且不大于8mmB、L/1000,且不大于10mmC、L/1500,且不大于10mmD、L/1500,且不大于15mm13、单层钢结构工程地脚螺栓中心偏移允许偏差为(B )A、3mmB、5mmC、8mmD、10mm14、下列钢材不需要进行抽样复验的是(C )A、国外进口钢材B、钢材混批C、厚度为40mm,无Z向性能要求钢板D、建筑结构安全等级为一级,大跨度钢结构中主要受力构件所采用的钢材15、单层钢结构整体垂直度允许偏差为(B)A、H/1000,且不应大于20mmB、H/1000,且不应大于25mmC、H/1500,且不应大于20mmD、H/1500,且不应大于25mm16、高层钢结构设计要求顶紧的节点,接触面不应少于()紧贴,且边缘最大间隙不应大于( C )A、60%,0.5mmB、65%,0.8mmC、70%,0.8mmD、80%,1mm17、下列关于钢网架挠度测量正确的是(A )A、跨度24米及以下的钢网架应测量下弦中央一点B、跨度24米以上钢网架应测量下弦三等分点C、跨度24米以上钢网架只需测量下弦中央一点D、所测挠度值不应超过相应设计值的1.2倍18、下列关于钢结构防腐涂料涂装涂层干漆膜厚度说法错误的是(D )A、室外总厚度应为150μmB、室内总厚度应为125μmC、总厚度允许偏差为-25μmD、每遍涂层干漆膜进度的允许偏差为-10μm19、组合楼板中压型钢板与主体结构的锚固长度( D )A、不小于30mmB、不小于40mmC、不小于40mmD、不小于50mmA、薄涂型防火涂料涂层表面裂纹宽度不应大于0.5mmB、厚涂型防火涂料涂层表面裂纹宽度不应大于1.5mmC、防火涂料涂装基层不应有油污、灰尘和泥沙等污垢D、防火涂料不应有误涂、漏涂,涂层应闭合21、高强度大六角头螺栓在施工现场待安装前,必须对螺栓进行取样进行的试验是( B )复验A、最小拉力载荷B、扭矩系数C、摩擦系数D、最大拉力载荷22、扭剪型高强螺栓在施工现场安装前,必须对螺栓进行的取样试验是(C )复验A、紧固预拉力B、扭矩系数C、摩擦系数D、最大拉力载荷23、高强螺栓扭矩系数复验每批抽取(C )套连接副进行。