2021年电缆桥架验收标准 完整
- 格式:doc
- 大小:30.50 KB
- 文档页数:3
槽式电缆桥架的介绍电缆桥架品种繁多,在此特就槽式电缆桥架做一介绍。
槽式电缆桥架是用整张钢板弯制而成的槽式部件,其概念上与盘架的区别是高、宽比不同,盘架浅而宽,槽式电缆桥架具有一定的深度和封闭性。
槽式电缆桥架可以用于全封闭型电缆敷设。
它最适合用于敷设计算机电缆、通信电缆、热电偶电缆及其它高灵敏系统的控制电缆。
它对控制电缆的屏蔽干扰和重腐蚀环境中电缆的防护都有较好效果。
槽式电缆桥架产品的选用要点:1、槽式电缆桥架及其支吊架使用在有腐蚀性环境中,应采用耐腐蚀的刚性材料制造,或采取防腐蚀处理,防腐蚀处理方式应满足工程环境和耐久性的要求。
2、电缆桥架在有防火要求的区段内,可在电缆梯架、托盘内添加具有耐火或难燃性能的板、网等材料构成封闭或半封闭式结构,并采取在桥架及其支吊架表面涂刷防火涂层等措施,其整体耐火性能应满足国家有关规范或标准的要求。
3、在工程防火要求较高的场所,不宜采用铝合金电缆桥架。
4、槽式电缆桥架宽度和高度的选择应符合填充率的要求,电缆的梯架和托盘内的填充率在一般情况下,电力电缆可取40%~50%,控制电缆可取50%~70%,且宜预留10%~25%工程发展裕量。
5、在选择电缆桥架的荷载等级时,电缆桥架的工作均布荷载不应大于所选电缆桥架荷载等级的额定均布荷载,如果电缆桥架的支吊架的实际跨距不等于2m 时,则工作均布荷载应满足要求。
6、各种组件及支吊架在满足相应荷载的条件下,其规格尺寸应与托盘、梯架的直线段、弯通系列相匹配。
7、在选择槽式电缆桥架的弯通或引上、引下装置时,不应小于电缆桥架内电缆最小允许弯曲半径。
8、对于跨距大于6m 的钢制电缆桥架和跨距大于2m 或承载要求大于荷载等级D级的铝合金电缆桥架,应按工程条件进行强度、刚度及稳定性的计算或试验验证。
9、几组电缆桥架在同一高度平行敷设时,各相邻电缆桥架之间应考虑维护、检修距离。
10、槽式电缆桥架的直通单件标准长度可为2、3、4、6m。
玻璃钢桥架安装相关规定玻璃钢桥架安装应符合以下规定:1. 直线段玻璃钢桥架长度超过30m,铝合金或玻钢制桥架长度超过15m时,设有伸缩节玻璃钢桥架跨越建筑变形缝处设置补偿装置;2.玻璃钢桥架应在桥架接头两端0.5m处、每间距1.5~3m处、转弯处、垂直桥架每隔1.5米处这些地方分别设置吊架或支架;3. 吊架和支架安装保持垂直、整齐、牢固、无歪斜现象;4. 桥架连接板螺栓固定紧固无遗漏,螺母位于桥架外侧;5. 缆桥架应敷设在易燃易爆气体管道和热力管道的下方;6. 金属桥架及其支架全长应不少于2处接地或接零。
电缆桥架验收要求电缆桥架的连接件和附件质量应符合现行的有关技术标准(可草考CECS31-2006 钢制电缆桥架工程设计规范),桥架的规格﹑色标﹑支吊跨距﹑防腐要求应符合设计要求,并满足十余年要求。
电缆桥架架设应满足防盗,防腐﹑防火﹑防水﹑放热等相关要求,同时也应考虑桥架﹑桥架内电缆敷设施工、运行维护要求。
1.电缆桥架设置在专用电缆通道上(内),运行维护要求同地下管沟电缆通道。
所有桥架巡视、检修、维护通道应开放,不应遮盖阻挡。
2.电缆桥架应单层敷设,并应根据电缆的价格、数量、电缆在桥架内所占的容积率以及预留备用空间来设计电缆桥架的尺寸。
通长电缆在桥架内所占的容积率不应超过桥架整体容积率的50%,以满足电缆安全运行的要求。
预留备用空间不应小于桥架内电缆所占空间的20%。
3.电缆桥架均应采用不锈钢(302及以上),桥架宽度宜控制在200~800mm之间,对无法满足要求的桥架应得到相应设计单位及运行单位的确认。
其厚度为桥架宽度为400~800mm的应为2.0mm,,小于400mm应为1.5mm,小于800mm的为2.5mm。
4.当直线段经书桥架超过30m时,应留有不小于20mm的伸缩缝,其连接应采用伸缩连接板,电缆桥架跨越建筑物伸缩缝处应设置伸缩缝。
5.电缆桥架的所有指甲均采用热镀锌材料,且安装应牢固,应满足敷设电缆后的强度及荷重的要求。
水平桥架的吊架、垂直竖井内的支架密度不宜过大,应考虑强度和荷重要求,一般为1500mm;垂直桥架内应设置固定电缆的支架,支架之间距离不应大于1500mm,且配置足够的电缆固定卡具。
垂直桥架内还应设置防火封堵的支撑横档,数量为每楼层设置一个,位置距离地面150~200mm。
6.电缆桥架的转外处的转弯半径,不应小于桥架电缆最小允许转弯半径的最大值。
7.电缆桥架全长及金属构件均应良好接地,接地点应有明确的接地符号标识,一般不宜少于2个,桥架伸缩缝连接处应采用软铜线连接;在有些特殊场合应考虑软铜线的防盗措施。
电缆桥架安装施工1 一般规定1.1本章适用于电压为10KV及以下新建扩建的一般工业与民用建筑电缆、桥架安装和桥架内电缆敷设。
1.2电缆桥架安装和桥架内电缆敷设,应按已批准的设计文件施工。
1.3由支、吊、托架支撑的托盘(槽)或梯架直线段、弯通非直线段组合而成,敷设电缆具有连续性的刚性结构系统,为电缆桥架。
见图12.1.31.4金属电缆桥架及其支架和引入或引出的金属电缆导管必须接地(PE)或接零(PEN)可靠,且必须符合下列规定:1.金属电缆桥架及支架全长应不少于2处与接地(PE)或接零(PEN)干线相连接;2.非镀锌电缆桥架间连接板的两端跨接线铜芯接地线,接地线最小允许截面积不小于4mm2;3.镀锌电缆桥架间连接板的两端不跨接接地线,但连接板两端不少于2个有防松螺帽或防松垫圈的连接固定螺栓。
1.5电缆敷设严禁有绞拧、铠装压扁、护层断裂和表面严重划伤等缺陷。
1.6电缆桥架处如有防火要求的场所,应采取防火隔离措施。
12.2 施工准备2.1技术准备:1.按照已批准的施工组织设计(施工方案)进行技术、安全交底。
2.施工执行工艺标准、图集、规范齐全。
3.电缆桥架敷设前,应检查桥架敷设有无与其他设备、管线交叉或重叠无法施工的地方,施工前应与各工种、监理或建设单位及设计单位协商好,并作好记录,以保证施工顺利进行。
4.根据施工图或施工所用电缆应作好电缆牵引力的计算。
1.电缆桥架规格及型号必须符合设计要求,附件齐全;桥架与配件、附件和紧固件各种型钢均应采用镀锌标准件。
2.各种规格电缆桥架的直线段、弯通、桥架附件及支、吊架立柱及型钢等有产品合格证,桥架内外应光滑平整,无棱刺,不应有扭曲翘边等变形现象。
3.桥架订货或制作应按设计要求进行,不应有误,应反复校核以免造成浪费。
4.桥架安装选择需屏蔽电气干扰的电缆回路,有腐蚀的场所、易燃粉尘场所,应选用无盖无孔封闭型托盘,当需要因地制宜的场所,宜选用组装式托盘或有孔托盘及梯架;在容易积灰和其它需遮盖的环境或户外场所,宜带有盖板。
电缆桥架安装施工1 一般规定1.1本章适用于电压为10KV及以下新建扩建的一般工业与民用建筑电缆、桥架安装和桥架内电缆敷设。
1.2电缆桥架安装和桥架内电缆敷设,应按已批准的设计文件施工。
1.3由支、吊、托架支撑的托盘(槽)或梯架直线段、弯通非直线段组合而成,敷设电缆具有连续性的刚性结构系统,为电缆桥架。
见图12.1.31.4金属电缆桥架及其支架和引入或引出的金属电缆导管必须接地(PE)或接零(PEN)可靠,且必须符合下列规定:1.金属电缆桥架及支架全长应不少于2处与接地(PE)或接零(PEN)干线相连接;2.非镀锌电缆桥架间连接板的两端跨接线铜芯接地线,接地线最小允许截面积不小于4mm2;3.镀锌电缆桥架间连接板的两端不跨接接地线,但连接板两端不少于2个有防松螺帽或防松垫圈的连接固定螺栓。
1.5电缆敷设严禁有绞拧、铠装压扁、护层断裂和表面严重划伤等缺陷。
1.6电缆桥架处如有防火要求的场所,应采取防火隔离措施。
12.2 施工准备2.1技术准备:1.按照已批准的施工组织设计(施工方案)进行技术、安全交底。
2.施工执行工艺标准、图集、规范齐全。
3.电缆桥架敷设前,应检查桥架敷设有无与其他设备、管线交叉或重叠无法施工的地方,施工前应与各工种、监理或建设单位及设计单位协商好,并作好记录,以保证施工顺利进行。
4.根据施工图或施工所用电缆应作好电缆牵引力的计算。
1.电缆桥架规格及型号必须符合设计要求,附件齐全;桥架与配件、附件和紧固件各种型钢均应采用镀锌标准件。
2.各种规格电缆桥架的直线段、弯通、桥架附件及支、吊架立柱及型钢等有产品合格证,桥架内外应光滑平整,无棱刺,不应有扭曲翘边等变形现象。
3.桥架订货或制作应按设计要求进行,不应有误,应反复校核以免造成浪费。
4.桥架安装选择需屏蔽电气干扰的电缆回路,有腐蚀的场所、易燃粉尘场所,应选用无盖无孔封闭型托盘,当需要因地制宜的场所,宜选用组装式托盘或有孔托盘及梯架;在容易积灰和其它需遮盖的环境或户外场所,宜带有盖板。
电缆桥架安装施工1 一般规定1.1本章适用于电压为10KV及以下新建扩建的一般工业与民用建筑电缆、桥架安装和桥架内电缆敷设。
1.2电缆桥架安装和桥架内电缆敷设,应按已批准的设计文件施工。
1.3由支、吊、托架支撑的托盘(槽)或梯架直线段、弯通非直线段组合而成,敷设电缆具有连续性的刚性结构系统,为电缆桥架。
见图12.1.31.4金属电缆桥架及其支架和引入或引出的金属电缆导管必须接地(PE)或接零(PEN)可靠,且必须符合下列规定:1.金属电缆桥架及支架全长应不少于2处与接地(PE)或接零(PEN)干线相连接;2.非镀锌电缆桥架间连接板的两端跨接线铜芯接地线,接地线最小允许截面积不小于4mm2;3.镀锌电缆桥架间连接板的两端不跨接接地线,但连接板两端不少于2个有防松螺帽或防松垫圈的连接固定螺栓。
1.5电缆敷设严禁有绞拧、铠装压扁、护层断裂和表面严重划伤等缺陷。
1.6电缆桥架处如有防火要求的场所,应采取防火隔离措施。
12.2 施工准备2.1技术准备:1.按照已批准的施工组织设计(施工方案)进行技术、安全交底。
2.施工执行工艺标准、图集、规范齐全。
3.电缆桥架敷设前,应检查桥架敷设有无与其他设备、管线交叉或重叠无法施工的地方,施工前应与各工种、监理或建设单位及设计单位协商好,并作好记录,以保证施工顺利进行。
4.根据施工图或施工所用电缆应作好电缆牵引力的计算。
1.电缆桥架规格及型号必须符合设计要求,附件齐全;桥架与配件、附件和紧固件各种型钢均应采用镀锌标准件。
2.各种规格电缆桥架的直线段、弯通、桥架附件及支、吊架立柱及型钢等有产品合格证,桥架内外应光滑平整,无棱刺,不应有扭曲翘边等变形现象。
3.桥架订货或制作应按设计要求进行,不应有误,应反复校核以免造成浪费。
4.桥架安装选择需屏蔽电气干扰的电缆回路,有腐蚀的场所、易燃粉尘场所,应选用无盖无孔封闭型托盘,当需要因地制宜的场所,宜选用组装式托盘或有孔托盘及梯架;在容易积灰和其它需遮盖的环境或户外场所,宜带有盖板。
桥架验收规范一、金属电缆桥架引入或引出的金属电缆导管必须接地(PE)或接零(PEN)可靠,且必须符合以下规定:1、金属电缆桥架及其支架全长应不少于2处与接地(PE)或接零干线相连接。
2、非镀锌电缆桥架间连接板的跨接铜芯地线,接地线最小允许截面积不小于4mm2。
3、镀锌电缆桥架间连接板的两端不得连接跨接线,但连接板两端不少于个有防松紧螺帽或防松垫圈的连接固定螺栓。
二、电缆敷设严禁有绞拧、铠装压扁、护层断裂和表面有严重划伤等缺陷。
三、电缆桥架安装应符合以下规定:1、直线段钢制电缆桥架长度超过30米、铝合金或玻璃钢制电缆桥架长度超过15米,需加伸缩节;电缆桥架跨越建筑物变形缝处设置补偿装置。
2、电缆桥架转弯处的弯曲半径,不小于桥架内电缆最小允许弯曲半径,电缆最小允许弯曲半径见下表。
电缆最小允许弯曲半径3、当设计无要求时,电缆桥架水平安装的支架间距为1.5~3米;垂直安装的支架间距不大于2m。
4、桥架与支架间螺栓、桥架连接板螺栓紧固无遗漏,螺母位于桥架外侧;当铝合金桥架与钢支架固定时,有相互间绝缘的防电化腐蚀措施;5、电缆桥架敷设在易燃易爆气体管道或热力管道的下方,当无设计要求时,与管道的最小净距,符合下列规定:与管道的最小净距(m)6、敷设在竖井内和穿越不同防火区桥架,按设计要求位置,有防火隔堵措施;7、支架与预埋件焊接固定时,焊缝饱满;膨胀螺栓固定时,选用螺栓适配,连接紧固,防松零件齐全。
四、桥架内电缆敷设应符合下列规定:1、大于45o倾斜敷设的电缆每隔2m处设固定点;电缆出入电缆沟、竖井、建筑物、柜(盘)台处以及管子管口处等做密封处理;2、电缆敷设排列整齐,水平敷设的电缆,首尾两端、转弯两侧及每隔5~10m处固定点;敷设于垂直桥架内的固定点间距,不大于下表规定:电缆固定点的间距(mm)电缆种类固定点间距全塑型1000 电力电缆除全塑型外的电缆1500控制电缆1000 五、电缆的首端、尾端和分支处应设标志牌。
电缆桥架验收规范电缆桥架是一种用于电缆敷设的金属或非金属装置,常用于建筑物、工厂、机房等场所。
为确保电缆敷设的质量和安全性,需要进行电缆桥架的验收。
下面是电缆桥架验收的规范。
一、验收前准备1. 确认施工单位的资质,包括从业人员的技术职称和相关证书。
2. 检查施工单位的施工计划和施工方案,确保其符合相关规范和要求。
3. 准备验收所需的工具和器材,例如测量工具、检测仪器等。
二、验收内容1. 桥架材料验收a. 对金属桥架材料进行外观检查,确保无锈蚀、变形、划痕等缺陷。
b. 对非金属桥架材料进行外观检查,确保无破裂、变形、脱落等缺陷。
c. 检查桥架材料的型号和规格是否与设计要求一致。
d. 对金属桥架材料进行材质检测,确保符合国家标准。
2. 安装质量验收a. 检查桥架的安装位置和布置是否符合设计要求。
b. 检查桥架的固定方式和连接件是否牢固可靠。
c. 检查桥架的支撑辅助结构是否牢固稳定。
d. 检查桥架的弯曲半径是否符合规范要求。
e. 检查桥架的表面处理和防腐措施是否到位。
3. 电缆敷设验收a. 检查电缆敷设的线路、颜色和标识是否与设计要求一致。
b. 检查电缆的敷设方式和布线是否符合规范要求。
c. 检查电缆的弯曲半径是否符合规范要求。
d. 检查电缆的固定方式和卡夹是否牢固可靠。
e. 检查电缆的接地和绝缘措施是否到位。
4. 安全性能验收a. 检查桥架的承重能力是否符合设计要求。
b. 检查桥架的防火性能是否符合规范要求。
c. 检查桥架的电磁兼容性能是否符合规范要求。
d. 检查桥架的防护性能是否符合规范要求。
三、验收记录1. 对于合格项,应做好验收记录,包括安装日期、检查人员和检查结果等信息。
2. 对于不合格项,应提出整改要求,并要求施工单位在一定期限内完成整改。
3. 对于未完成整改或整改结果不合格的情况,应暂停验收并重新安排验收时间。
四、验收后工作1. 完成验收报告,包括桥架的设计、安装、敷设等信息,并对验收结果进行评估。
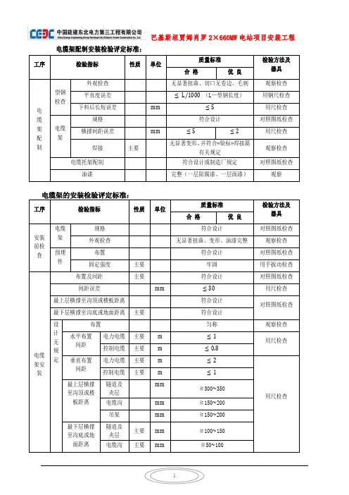
电缆桥架验收标准1 .检验程序及检测方法1)外观:桥架镀、涂表面应符合下表规定,检测方法一一目测法2)外形:两对边应平行,两侧边对底边应垂直,断面形状应端正,无弯曲、扭曲、裂纹、边沿毛刺等缺陷。
3)汇线槽应光滑、平整、无损伤电缆绝缘,凸起和尖角目测法2. 表面处理桥架表面应根据工作环境的要求进行镀、涂防护处理,各种防护层的厚度和附着力应符合下表的规定注:1、镀锌+喷涂或喷漆时,其中电镀锌厚度》卩m,以测得的总厚度判定;2、电镀锌其平面最薄处的厚度不应低于表中规定的80%且不应超过20%勺测试点。
1)厚度热镀锌桥架主体对1.5~3mm厚度,最小平均厚度》55am,最小局部厚度45am > 3mm厚度70am局部55am检测标准:GB/T13912-92检测方法:用磁性测厚仪检测。
2)电镀锌或锌镍合金桥架主体》12 am3)喷涂或喷漆桥架主体》50 am检测方法按GB1764磁性测厚仪4)附着力一一镀涂层对底材的粘合牢度热镀锌按标准试验应不脱落5)电镀锌和锌合金按标准试验应不脱落6)喷涂或喷漆不低于GB1720中的3级,检验用附着力测定仪。
3. 光泽度防护处理的表面光泽应不低于 60%。
检测方法:按GB1743油膜光泽度测定法,用光泽度仪测量数字直接显示。
4. 耐盐雾性表面防护层应具有下表中规定的 3级耐盐雾性。
5.制造精度1)桥架的长度极限偏差当长度w 2米时,极限偏差为土 2mm,当长度> 2mm时,极限偏差土 4mm2)桥架的宽度极限偏差当宽度〉400mm时,极限偏差为土 4mm,当宽度w400mm时,极限偏差为土 3mm说明:盖板取正偏差,槽底宽取负偏差3)桥架表面平面度允差热镀锌防护处理平面度允差每米不大于 8mm电镀锌和喷漆,防护处理平面度允差每米不大于 4mm4)托臂自由状态时垂直高度允差为上翘 1/1005)其它尺寸公差按GB1804-V (标准中最粗级)7 •接地喷涂桥架应有良好的接地,桥架用连接板连接时,任一未喷涂点与接地端子间的连接电阻不大于0.1欧姆。
电缆支架(桥架)制作及安装质量验收记录编号:
填表说明:
1.本表用于检验批的质量验收,检验批的划分应符合验收范围表的规定。
2.编号由15位数字组成,自左向右分别为单位工程、子单位工程、分部工程、子分部工程、分项工程、检验批序号和流水号组成,流水号3位,其它2位。
3.“检查记录”由项目部质检员在检验批验收时根据检查情况按实填写。
4.“检查结果”由专业监理工程师在检验批验收时根据检查情况手工填写“合格”或“不合格”。
5.“验收结论”由监理工程师根据主控项目及一般项目的检查验收情况,填写“验收合格”或“验收不合格”。
验收不合格的检验批,监理项目部应签发检查整改通知单,施工项目部组织整改或返工处理后应重新进行验收,并在备注中予以记录。
6.有关验收内容如在表中的检查项目中未包含,应在备注栏进行说明。
电缆桥架安装施工1 一般规定1.1 本章适用于电压为10KV及以下新建扩建的一般工业与民用建筑电缆、桥架安装和桥架内电缆敷设。
1.2 电缆桥架安装和桥架内电缆敷设,应按已批准的设计文件施工。
1.3 由支、吊、托架支撑的托盘(槽)或梯架直线段、弯通非直线段组合而成,敷设电缆具有连续性的刚性结构系统,为电缆桥架。
见图12.1.31.4 金属电缆桥架及其支架和引入或引出的金属电缆导管必须接地(PE)或接零(PEN)可靠,且必须符合下列规定:1.金属电缆桥架及支架全长应不少于2处与接地(PE)或接零(PEN)干线相连接;2.非镀锌电缆桥架间连接板的两端跨接线铜芯接地线,接地线最小允许截面积不小于4mm2;3.镀锌电缆桥架间连接板的两端不跨接接地线,但连接板两端不少于2个有防松螺帽或防松垫圈的连接固定螺栓。
1.5 电缆敷设严禁有绞拧、铠装压扁、护层断裂和表面严重划伤等缺陷。
1.6 电缆桥架处如有防火要求的场所,应采取防火隔离措施。
12.2 施工准备2.1 技术准备:1.按照已批准的施工组织设计(施工方案)进行技术、安全交底。
2.施工执行工艺标准、图集、规范齐全。
3.电缆桥架敷设前,应检查桥架敷设有无与其他设备、管线交叉或重叠无法施工的地方,施工前应与各工种、监理或建设单位及设计单位协商好,并作好记录,以保证施工顺利进行。
4.根据施工图或施工所用电缆应作好电缆牵引力的计算。
1.电缆桥架规格及型号必须符合设计要求,附件齐全;桥架与配件、附件和紧固件各种型钢均应采用镀锌标准件。
2.各种规格电缆桥架的直线段、弯通、桥架附件及支、吊架立柱及型钢等有产品合格证,桥架内外应光滑平整,无棱刺,不应有扭曲翘边等变形现象。
3.桥架订货或制作应按设计要求进行,不应有误,应反复校核以免造成浪费。
4.桥架安装选择需屏蔽电气干扰的电缆回路,有腐蚀的场所、易燃粉尘场所,应选用无盖无孔封闭型托盘,当需要因地制宜的场所,宜选用组装式托盘或有孔托盘及梯架;在容易积灰和其它需遮盖的环境或户外场所,宜带有盖板。
电缆桥架安装施工1 一般规定1.1本章适用于电压为10KV及以下新建扩建的一般工业与民用建筑电缆、桥架安装和桥架内电缆敷设。
1.2电缆桥架安装和桥架内电缆敷设,应按已批准的设计文件施工。
1.3由支、吊、托架支撑的托盘(槽)或梯架直线段、弯通非直线段组合而成,敷设电缆具有连续性的刚性结构系统,为电缆桥架。
见图12。
1.31。
4金属电缆桥架及其支架和引入或引出的金属电缆导管必须接地(PE)或接零(PEN)可靠,且必须符合下列规定:1.金属电缆桥架及支架全长应不少于2处与接地(PE)或接零(PEN)干线相连接;2.非镀锌电缆桥架间连接板的两端跨接线铜芯接地线,接地线最小允许截面积不小于4mm2; 3.镀锌电缆桥架间连接板的两端不跨接接地线,但连接板两端不少于2个有防松螺帽或防松垫圈的连接固定螺栓。
1.5电缆敷设严禁有绞拧、铠装压扁、护层断裂和表面严重划伤等缺陷。
1.6电缆桥架处如有防火要求的场所,应采取防火隔离措施。
12.2 施工准备2.1技术准备:1.按照已批准的施工组织设计(施工方案)进行技术、安全交底.2.施工执行工艺标准、图集、规范齐全.3.电缆桥架敷设前,应检查桥架敷设有无与其他设备、管线交叉或重叠无法施工的地方,施工前应与各工种、监理或建设单位及设计单位协商好,并作好记录,以保证施工顺利进行。
4.根据施工图或施工所用电缆应作好电缆牵引力的计算.1.电缆桥架规格及型号必须符合设计要求,附件齐全;桥架与配件、附件和紧固件各种型钢均应采用镀锌标准件。
2.各种规格电缆桥架的直线段、弯通、桥架附件及支、吊架立柱及型钢等有产品合格证,桥架内外应光滑平整,无棱刺,不应有扭曲翘边等变形现象.3.桥架订货或制作应按设计要求进行,不应有误,应反复校核以免造成浪费。
4。
桥架安装选择需屏蔽电气干扰的电缆回路,有腐蚀的场所、易燃粉尘场所,应选用无盖无孔封闭型托盘,当需要因地制宜的场所,宜选用组装式托盘或有孔托盘及梯架;在容易积灰和其它需遮盖的环境或户外场所,宜带有盖板.低压电力电缆与控制电缆共用同一托盘或梯架时,应选用中间有隔板的托盘或梯架;在托盘、梯架分支、引上、引下处应设适当的弯通;因受空间条件限制不便装设弯通或有特殊要求时,可选用软连接板,铰接板;伸缩缝应设置伸缩板;连接两段不同宽度或高度的托盘、梯架可配置变宽或变高板。
电缆桥架材料验收标准
一.目的
为了规范电缆桥架的质量验收,形成验收标准,为公司材料质量验收提供依据,保证供货商提供的电缆桥架质量合格可靠,能满足生产需要。
二.适用范围
本检验标准适用于公司所有到货电缆桥架的质量检验使用。
三.检验标准
1.进厂初验标准规范
1.1电器元件进厂应附有产品合格证、使用说明书及装箱单、对已发放生产许可证的电气元件合格证或铭牌上是否有产许可证号或标志
1.2 铭牌上数据的标注应完整、正确
1.3 查验合格证;
1.4外观检查:部件齐全,表面光滑、不变形;钢制桥架涂层完整,无锈蚀;玻璃钢
1.5制桥架色泽均匀,无破损碎裂;铝合金桥架涂层完整,无扭曲变形,不压扁,表面不划伤
2.质保期内使用技术参数验收标准规范
2.1主要设备、材料、成品和半成品进场检验结论应有记录,确认符合本规范规定,才能在施工中应用。
2.2因有异议送有资质试验室进行抽样检测,试验室应出具检测报告,确认符合本规范和相关技术标准规定,才能在施工中应用。
2.3依法定程序批准进入市场的新电气设备、器具和材料进场验收,除符合本规范规定外,尚应提供安装、使用、维修和试验要求等技术文件。
2.4进口电气设备、器具和材料进场验收,除符合本规范规定外,尚应提供商检证明和中文的质量合格证明文件、规格、型号、性能检测报告以及中文的安装、使用、维修和试验要求等技术文件。
Welcome To Download !!!
欢迎您的下载,资料仅供参考!。
电缆桥架验收标准
欧阳光明(2021.03.07)
1.检验程序及检测方法
1)外观:桥架镀、涂表面应符合下表规定,检测方法――目测法。
2)外形:两对边应平行,两侧边对底边应垂直,断面形状应端正,无弯曲、扭曲、裂纹、边沿毛刺等缺陷。
3)汇线槽应光滑、平整、无损伤电缆绝缘,凸起和尖角目测法2.表面处理
桥架表面应根据工作环境的要求进行镀、涂防护处理,各种防护层的厚度和附着力应符合下表的规定。
最小局部厚度45am >3mm厚度 70am 局部55am
检测标准:GB/T1391292
检测方法:用磁性测厚仪检测。
2)电镀锌或锌镍合金桥架主体≥12 am
3)喷涂或喷漆桥架主体≥50 am检测方法按GB1764 磁性测厚仪4)附着力——镀涂层对底材的粘合牢度热镀锌按标准试验应不脱落
5)电镀锌和锌合金按标准试验应不脱落
6)喷涂或喷漆不低于GB1720中的3级,检验用附着力测定仪。
3.光泽度防护处理的表面光泽应不低于60%。
检测方法:按GB1743,油膜光泽度测定法,用光泽度仪测量数字直接显示。
4.耐盐雾性
表面防护层应具有下表中规定的3级耐盐雾性。
5.制造精度
1)桥架的长度极限偏差
当长度≤2米时,极限偏差为±2mm,
当长度>2mm时,极限偏差±4mm
2)桥架的宽度极限偏差
当宽度>400mm时,极限偏差为±4mm,
当宽度≤400mm时,极限偏差为±3mm
说明:盖板取正偏差,槽底宽取负偏差
3)桥架表面平面度允差
热镀锌防护处理平面度允差每米不大于8mm
电镀锌和喷漆,防护处理平面度允差每米不大于4mm
4)托臂自由状态时垂直高度允差为上翘1/100
5)其它尺寸公差按GB1804V (标准中最粗级)
7.接地喷涂桥架应有良好的接地,桥架用连接板连接时,任一未喷涂点与接地端子间的连接电阻不大于0.1欧姆。