电缆桥架安装工程检验批施工质量验收记录
- 格式:doc
- 大小:38.50 KB
- 文档页数:2
电缆桥架安装和桥架内电缆敷设检验批质量验收记录电缆桥架安装和桥架内电缆敷设是电气工程中非常重要的一环,对于电缆的正常运行起到至关重要的作用。
为了确保电缆桥架安装和桥架内电缆敷设的质量,需要进行检验批质量验收,下面是一份1200字以上的电缆桥架安装和桥架内电缆敷设检验批质量验收记录。
一、项目基本信息1.工程名称:2.工程地点:3.检验批编号:4.施工单位:5.监理单位:6.检验批形式:日常检验批/专项检验批二、参与人员1.检验人员:2.参检单位:三、检验内容1.桥架的安装(1)检查桥架的型号、规格、数量是否符合设计要求;(2)检查桥架的材质和表面处理是否符合要求;(3)检查桥架的安装是否牢固,是否有变形或损坏现象;(4)检查桥架的间距是否符合要求;(5)检查桥架的固定和连接件是否安装到位;(6)检查桥架的各个部位是否安装完整。
2.电缆的敷设(1)检查电缆的规格、型号是否与设计要求一致;(2)检查电缆的包装是否完好无损;(3)检查电缆的长度是否符合要求;(4)检查电缆的接头是否焊接牢固;(5)检查电缆的弯曲半径是否符合要求;(6)检查电缆的敷设路径是否符合设计要求;(7)检查电缆的固定方式是否正确。
四、检验步骤和方法1.桥架的安装(1)参照设计图纸,逐一检查桥架的型号、规格、数量。
(2)观察桥架的材质和表面处理是否符合要求。
(3)轻轻拉动桥架,检查其是否牢固,有无松动或变形现象。
(4)使用测量工具检查桥架的间距是否符合设计要求。
(5)检查桥架的固定和连接件是否安装到位。
(6)检查桥架的各个部位是否完整。
2.电缆的敷设(1)参照设计要求,逐一检查电缆的规格、型号。
(2)检查电缆的包装是否完好无损。
(3)使用测量工具检查电缆的长度是否符合要求。
(4)检查电缆接头的焊接牢固程度。
(5)使用测量工具检查电缆的弯曲半径是否符合要求。
(6)参照设计图纸检查电缆的敷设路径是否正确。
(7)检查电缆固定方式是否正确安装。
安装工程检验批质量验收记录项目名称:XXX安装工程工程验收单位:XXX工程检验中心工程施工单位:XXX安装公司建设单位:XXX建设工程有限公司施工验收日期:XXXX年XX月XX日一、工程概况本次施工的XXX安装工程主要包括XXX部分的安装工作,工程总投资XXX万元。
施工期间按照相关质量标准和规范进行设计和施工,工程完成期限XXX年XX月XX日。
二、质量验收情况1.施工方案是否符合规范要求:经过审核,施工方案符合相关规范和要求,未发现设计和施工方案存在问题。
2.材料验收情况:(1)构件材料:对施工过程中所使用的钢材、木材、砖石等构件材料进行了抽检,合格率达到100%。
(2)建筑材料:对施工过程中所使用的砂浆、水泥、石膏等建筑材料进行了抽检,合格率达到95%,其中少数材料未达到要求。
(3)辅助材料:对施工过程中所使用的电线、电缆、管道等辅助材料进行了抽检,合格率达到90%,其中少数材料未达到要求。
(4)其他材料:对施工过程中所使用的涂料、保温材料等其他材料进行了抽检,合格率达到95%,其中少数材料未达到要求。
3.施工质量验收情况:(1)施工工艺:施工单位按照相关工艺流程进行了施工,施工过程中没有发现违反工艺要求的情况,施工质量较好。
(2)施工现场:施工现场整洁有序,施工人员着装规范、技术操作规范,无临时设施、临时用电线路违规现象。
(3)安装质量:对安装工作进行了抽检,合格率达到90%,其中个别检验点出现缺陷,但不影响整体工程质量。
(4)施工图纸变更情况:未发现施工图纸变更。
4.现场质检情况:(1)现场质检人员:施工单位指定了XXX名质检人员,并保证其具备相应的资质要求。
(2)现场质检记录:施工单位按照相关规定进行了现场质检记录,包括进度、质量、安全等方面。
三、质量验收结论经检查,XXX安装工程的施工质量较好,质量验收合格。
施工单位做好了质量管理工作,各项质量检测指标和验收标准基本符合要求。
但在材料验收和安装质量方面仍存在不足,施工单位应加强对材料的把控和安装工艺的质量控制,提高整体工程质量。
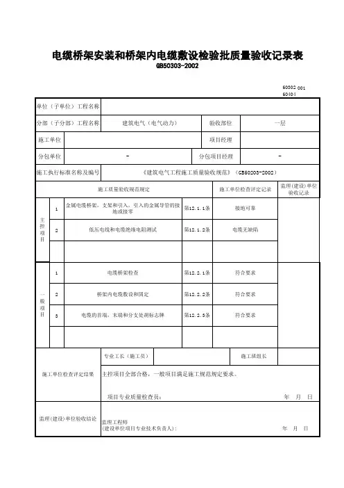
表5.11 电缆支架(桥架)制作及安装检验批质量验收记录
编号:#####
填表说明:
1.本表用于检验批的质量验收,检验批的划分应符合验收范围表的规定。
2.编号由15位数字组成,自左向右分别为单位工程、子单位工程、分部工程、子分部工程、分项工程、检验批序号和流水号组成,流水号3位,其它2位。
3.“检查记录”由项目部质检员在检验批验收时根据检查情况按实填写。
4.“检查结果”由专业监理工程师在检验批验收时根据检查情况手工填写“合格”或“不合格”。
5.“验收结论”由监理工程师根据主控项目及一般项目的检查验收情况,填写“验收合格”或“验收不合格”。
验收不合格的检验批,监理项目部应签发检查整改通知单,施工项目部组织整改或返工处理后应重新进行验收,并在备注中予以记录。
6.有关验收内容如在表中的检查项目中未包含,应在备注栏进行说明。
123456789101第12.1.1条
2第12.1.2条
12345678910
1第12.2.1条
2第12.2.2条
3第12.2.3条
641109验收部位项目经理专业工长分包项目 经 理施工单位检查评定记录施工单位检查评定记录施工班组长电缆敷设严禁有绞拧、铠装压扁
、护层断裂和表面严重划伤等缺陷
电缆桥架安装要求桥架内电缆敷设要求一般项目规范规定
规范规定
分包单位
施工单位检查
评定结果
监理(建设)单位
验收结论
电缆的首端、末端和分支处应设
标志牌项目专业质量检查员:
监理工程师
(建设单位项目技术负责人):金属电缆导管必须接地或接零,
且符合规定主控项目电缆桥架安装和桥架内电缆敷设检验批质量验收记录
1.3.7电气-9
工程名称
施工单位
施工执行标准名称及
编号
注:本表由施工项目专业质量检查员填写,监理工程师(建设单位项目技术负责人)组织项目专业质量检查员等
监理(建设)单位
验收记录
年 月 日
年 月 日
查员等进行验收。