OMRON温控器ECZ调整方法
- 格式:docx
- 大小:7.55 KB
- 文档页数:1
欧姆龙E5CC常用简易操作说明书1、温控器类型选择设置
1.1输入类型表
*当输入类型不是铂电阻而错误的将铂电阻接入时,将会显示“5.ERR”。
为了清除“5.ERR”显示,需要正确接线并重新上电。
1.2输入类型修改设置
温控器各部名称及功能
长按【菜单键】至少3秒将进入初始设定菜单界面松开,界面右下角显示数字即为当前选择的输入类型,如需修改可按【上调键】或【下调键】来改变,设定完毕后长按【菜单键】直至温控器重启返回。
如:显示数字“5”时,说明当前输入类型为K型热电偶,如需将输入类型改为铂电阻输入,需通过按【上调键】使显示数字变为“0”或“1”或“3”(根据不同测试需要选择设定)。
设定类型表见“1.1输入类型表”。
1.3温控器PID控制设置
长按【菜单键】至少3秒将进入初始设定菜单界面松开,单击【模式键】直至界面显示为“”时,通过单击【上调键】或【下调键】来改变,右下端显示为“PiD”
时即当前模式为“PiD”控制,设定完毕后长按【菜单键】直至温控器重启返回。
1.4防触碰锁设置
长按【菜单键】+【模式键】至少3秒将进入“保护菜单”,通过点击【模式键】切换界面显示至“WEPE”,单击【上调键】或【下调键】使右下角“OFF”变为“ON”,再同时按【菜单键】+【模式键】至少1秒,界面返回至主界面,此时界面会显示“”标志。
如需修改参数,需进行同样操作将“WEPE”变为“OFF”状态。
欧姆龙E5CC常用简易操作说明书1、温控器类型选择设置
1.1输入类型表
*当输入类型不是铂电阻而错误的将铂电阻接入时,将会显示“5.ERR”。
为了清除“5.ERR”显示,需要正确接线并重新上电。
1.2输入类型修改设置
温控器各部名称及功能
长按【菜单键】至少3秒将进入初始设定菜单界面松开,界面右下角显示数字即为当前选择的输入类型,如需修改可按【上调键】或【下调键】来改变,设定完毕后长按【菜单键】直至温控器重启返回。
如:显示数字“5”时,说明当前输入类型为K型热电偶,如需将输入类型改为铂电阻输入,需通过按【上调键】使显示数字变为“0”或“1”或“3”(根据不同测试需要选择设定)。
设定类型表见“1.1输入类型表”。
1.3温控器PID控制设置
长按【菜单键】至少3秒将进入初始设定菜单界面松开,单击【模式键】直至界面显示
为“”时,通过单击【上调键】或【下调键】来改变,右下端显示为“PiD”时即当前模式为“PiD”控制,设定完毕后长按【菜单键】直至温控器重启返回。
1.4防触碰锁设置
长按【菜单键】+【模式键】至少3秒将进入“保护菜单”,通过点击【模式键】切换界面显示至“WEPE”,单击【上调键】或【下调键】使右下角“OFF”变为“ON”,再同时
按【菜单键】+【模式键】至少1秒,界面返回至主界面,此时界面会显示“”标志。
如需修改参数,需进行同样操作将“WEPE”变为“OFF”状态。
OMRON温控仪参数设定方法OMRON E5CN 温控表参数设定方法仪面板(E5CN )如图:一.参数设置等级操作:1. 按“”键3秒以上,进入参数设置等级。
显示:2. 按“”键,切换参数代码,可循环显示。
显示:3. 按“”或“”键,修改参数设定值。
4. 按“”键3秒以上,返回正常控制模式。
显示:二.报警值设置操作:1. 按“”键,进报警值设定,可循环显示。
显示:温度实际值设定值向上向模式等级状态2.按“”键,设定报警1()温度值。
显示:3.按“”或“”键,修改报警输出设定值。
4.按“”键,设定报警2()温度值。
显示:5.按“”或“”键,修改报警输出设定值。
6.按“”键,返回正常控制模式。
显示:三.自整定操作:按“”键,进入自整定设置操作。
显示:按“”键,将“”改为“”。
显示:按“”键,开始自整定,设定温度值闪烁显示。
显示:注意:此操作应在参数全部设定完成后,加热到实际温度与设定温度值基本相同后开始,否则,自整定结果不准确,在此过程中,禁止对温控表进行其他操作,实际温度值会有较大波动,属正常现象,待设定值停止闪烁后,自整定即完成,自动恢复正常控制模式。
四.参数功能及设定值:按“”键3秒以上参数功能设定值温度传感器输入型号0:代表传感器型号pt100按“”键温度显示单位C:代表摄式度;F:代表华式度按“”键最高上限温度报警值高于正常设定值20%-25%此值到达温控器停止输出并报警按“”键最低下限温度报警值按“”键PID控制*关键参数,禁止随意修改*PID:自动控制方式;ONOFF:开关控制方式按“”键温度控制方式Stnd:标准控制;H-C:热或冷控制按“”键自整定功能开关ON:开;OFF:关按“”键控制周期2:加热周期为2秒钟*关键参数,禁止随意修改*按“”键控制方向OR-r:加热;OR-d:冷却按“”键报警方式1类型8:温度上限值报警*除杀菌温度外,其他可不设定*按“”键报警方式2类型8:温度上限值报警*关键参数,禁止随意修改*按“”键3秒以上,返回正常控制模式。
欧姆龙E5CC常用简易操作说明书1、温控器类型选择设置
*当输入类型不是铂电阻而错误的将铂电阻接入时,将会显示“ 5.ERR”。
为了清除“5.ERR 显示,需要正确接线并重新上电。
温控器各部名称及功能
长按【菜单键】至少 3秒将进入初始设定菜单界面松开,界面右下角显示数字即为当 前选择的输入类型,如需修改可按【上调键】或【下调键】来改变,设定完毕后长按【菜单
键】直至温控器重启返回。
如:显示数字“ 5”时,说明当前输入类型为 K 型热电偶,如需 将输入类型改为铂电阻输入, 需通过按【上调键】使显示数字变为“0”或“1”或“3”(根 据不同测试需要选择设定)。
设定类型表见“ 1.1输入类型表”。
1.3温控器PID 控制设置
长按【菜单键】至少 3秒将进入初始设定菜单界面松开,单击【模式键】直至界面显
r*
L HC L
示为“ --------- ”时,通过单击【上调键】或【下调键】来改变,右下端显示为“PiD ” 时即当前模式为“ PiD ”控制,设定完毕后长按【菜单键】直至温控器重启返回。
1.2输入类型修改设置
淖度羊
H®叶
动乍显示
O O
I 瓊弍湛」
下匿逵
翼迄显示]
上调区]
1.4防触碰锁设置
长按【菜单键】+【模式键】至少3秒将进入“保护菜单”,通过点击【模式键】切换界面显示至“ WEPE”,单击【上调键】或【下调键】使右下角“OFF ”变为“ ON ”,再同时按【菜单键】+【模式键】至少1秒,界面返回至主界面,此时界面会显示“”标志。
如需修改参数,需进行同样操作将“WEPE”变为“ OFF”状态。
OMRON温控仪参数设定方法
首先,打开OMRON温控仪的电源,并确保温控仪处于停止状态。
1.设定温度范围:
根据实际需求,在控制面板上选择温度范围。
通常情况下,温控仪可以设置的温度范围为0-400℃,可以通过操作键或旋钮进行设定。
2.设定控制模式:
3.设定控制参数:
在PID控制模式下,需要设定三个参数:比例系数(P)、积分时间(I)和微分时间(D)。
这些参数的设定需要依据所控制的温度系统的特性进行调整。
一般情况下,先设定P值,然后根据调节机制对I和D进行适当的调整。
参数设定过程中可以通过观察实际温度和设定温度的变化来进行优化。
4.设定报警功能:
5.设定通信功能:
部分OMRON温控仪支持通信功能,可以通过RS485、RS232等接口与其他设备进行数据交换和远程监控。
如果需要使用通信功能,需要按照温控仪的说明文档设置通信参数,例如波特率、数据格式等。
6.设定阻抗检测功能:
7.设定其他功能:
在所有参数设定完成后,按照操作说明将设定的参数保存并生效。
之后,OMRON温控仪即会按照所设定的参数进行控制。
需要注意的是,不同型号和版本的OMRON温控仪的参数设定方法可能会有所不同,因此在进行参数设定之前,应仔细阅读设备的使用手册和技术说明书,并按照说明进行操作。
此外,由于温度参数设定涉及到实际工业控制系统,建议在设定之前进行充分的调试和测试,以确保设定的参数能够有效控制温度系统。
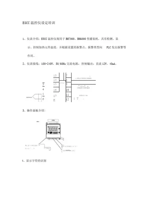
欧姆龙E5CC温控仪设定————————————————————————————————作者: ————————————————————————————————日期:E5CC温控仪设定培训1、仪表介绍:E5CC温控仪现用于BH7000、BH6000型灌装机,具有检测、显示、控制加热元件温度,并根据设置的报警点、报警类型向PLC发出报警等作用。
2、仪表接线:100-240V,50/60Hz交流电源,控制输出:直流12V,40mA。
3、操作面板介绍:4、显示字符的识别5、基本设定流程:6、保护菜单设定流程:操作/调整保护(0:不锁定,1:锁定调整菜单,2:仅可调整设定值,3:全部锁定)初始设定/通信保护(0:不锁定,1:锁定高级菜单,2:全部锁定)设定变更保护(调整时选OFF,可以通过按键操作更改设置,之后选ON,可以通过按键操作更改设置,只能进入保护菜单)PF键保护仅限已更改的参数(仅显示默认值被变更的参数)7、 调整菜单设定流程:AT 执行/取消(自整定,加热器工作时选AT-1,整定结束自动关闭)泄漏电流值1(监控),未用此功能,取默认加热器断线监测1泄漏电流值1(监控),未用此功能,取默认 加热器短路监测1(一定不能设为0.0) Sp0 温度设定值0,仅用于BH 6000、BH 7000型灌装机主加热及双氧水加热。
S P1温度设定值1,仅用于BH6000、BH 7000型灌装机主加热及双氧水加热。
PV 输入偏移量,取0.0 PID 比例带,可通过A T获得PID积分时间,可通过AT获得PID微分时间,可通过AT获得8、运行(操作)菜单设定流程:PV:显示当前值SV:设定值加热器电流值(监控),未用此功能,取默认泄漏电流值1(监控),未用此功能,取默认运行/停止报警1上限(部分机型没有)报警1下限(部分机型没有)报警2上限报警2下限报警2上限(或下限)当报警类型选择上限(或下限)报警时显示,预杀菌,液压油均设为9、初始菜单设定流程:输入类型,铂电阻选0(液压油温控),热电耦选5(其他温控)温度单位,选C(℃)SP(设定值)上限SP(设定值)下限控制类型,PID控制或ON/OFF控制(选PID控制)控制方式,标准控制或加热/制冷控制(选STND)自整定,选ON控制周期(加热时间),荐:0.5S正向/反向运行,选OR-R(逆动作) 报警2类型(0:无报警,1:偏离上下限报警,2:偏离上限报警,3、偏离下限报警,4、偏离上下限范围报警)注意:有些机型报警和设备报警反向。
3456137ti148闯om 2^onlroi outputI15fcutrrtrnpi,*9nm»L M1610I Alarm i/cKrtput17E111430-2.1 bv121_T 比E5CC温控仪设定培训1、仪表介绍:E5CC温控仪现用于BH7000、BH6000型灌装机,具有检测、显示、控制加热元件温度,并根据设置的报警点、报警类型向PLC发出报警等作用。
2、仪表接线:100-240V,50/60Hz交流电源,控制输出:直流12V,40mA。
3、操作面板介绍:4、显示字符的识别sensor£■■唱塞匸逊1玄转至诅筮二单凹产蔭爭歐翹惶迥厂时!疹m 乐“ :..±B用捷iihHtia注產目5、基本设定流程:高霁丄递翼牟&保护菜单设定流程:ft /Q.0泄漏电流值1 (监控),未用此功能,取默认%®加热器断线监测1LCP II ®泄漏电流值1 (监控),未用此功能,取默认加热器短路监测 1( 一定不能设为0.0)CfPt初始设定/通信保护(0:不锁定,1:锁定高级菜单,2:全部锁 定)WtPt 五FFr 设定变更保护(调整时选 OFF,可以通过按键操作更改设置,之后选ON,可以通过按键操作更改设置,只能进入保护菜单)| ©rPF 键保护rrwcp仅限已更改的参数(仅显示默认值被变更的参数)7、调整菜单设定流程:AT 执行/取消(自整定,加热器工作时选 AT-1,整定结束自动关闭)SP -DSpO 温度设定值0,仅用于BH6000、BH7000型灌装机主加热及双氧水加热。
8、运行(操作)菜单设定流程:9、初始菜单设定流程:EV-2事件输入2分配stop观F控制类型,PID 控制或 ON/OFF 控制(选PID 控制)1 E5-Hf5tW cf 控制方式,标准控制或加热 /制冷控制(选 STND ) I ©5t Or* I f 自整定,选ONl @CP控制周期(加热时间),荐:0.5S| ©正向/反向运行,选 OR-R (逆动作)j @RL 況报警2类型(0:无报警,1 :偏离上下限报警,2 :偏离上限报警,3、偏离下 I 限报警,4、偏离上下限范围报警)注意:有些机型报警和设备报警反向。
OMRON温控仪参数设定方法步骤一:了解OMRON温控仪的基本菜单1.“设置”选项:用于设定基本参数和通信设置。
2.“输入”选项:用于设定输入信号类型和测量范围。
3.“输出”选项:用于设定输出信号类型和控制模式。
4.“报警”选项:用于设定报警方式和阈值。
步骤二:设定基本参数在“设置”菜单中,您可以设定一些基本参数,如时间、日期、单位和显示方式等。
这些参数对于正确的温度控制非常重要。
确保您根据您的应用需求正确设定这些参数。
步骤三:设定输入参数在“输入”菜单中,您可以设定温度传感器类型和测量范围。
确保您选择适合您应用的传感器类型,并根据测量物体的温度范围设置测量范围。
如需设定多个输入信号,请重复此步骤。
步骤四:设定输出参数在“输出”菜单中,您可以设定输出信号类型和控制模式。
根据您的设备和应用要求,选择适合的输出信号类型(如电压、电流或继电器)和控制模式(如PID、ON/OFF或时间比例控制)。
确保正确设定输出参数以实现准确的温度控制。
步骤五:设定报警参数在“报警”菜单中,您可以设定报警方式和阈值。
您可以选择报警器类型(如声音或光指示)和报警阈值(如高温或低温)。
确保您根据应用需求适当设定报警参数以确保及时发现温度异常情况。
步骤六:保存和应用参数设定在完成所有参数设定后,确保您保存设置以保证以后能正确应用这些参数。
通常,您可以在“设置”菜单中找到“保存”或“应用”选项。
选择该选项以将参数设定保存到设备中。
步骤七:验证和调整参数设定在正式应用参数设定之前,建议您验证设置的正确性。
将温控仪连接到目标系统并获取实时温度数据。
验证您设置的传感器、控制模式、输出类型和报警参数是否能正确工作。
如果发现问题,您可以返回相应的菜单选项进行调整。
步骤八:常规维护和调整总结:OMRON温控仪具有广泛应用的智能温度控制设备。
通过了解设备的基本菜单选项,正确设定基本参数、输入参数、输出参数和报警参数,您可以实现准确、稳定的温度控制。
欧姆龙温控器E5C C
常用设定
欧姆龙E5CC常用简易操作说明书
1、温控器类型选择设置
1.1输入类型表
*当输入类型不是铂电阻而错误的将铂电阻接入时,将会显示“5.ERR”。
为了清除“5.ERR”显示,需要正确接线并重新上电。
1.2输入类型修改设置
温控器各部名称及功能
长按【菜单键】至少3秒将进入初始设定菜单界面松开,界面右下角显示数字即为当前选择的输入类型,如需修改可按【上调键】或【下调键】来改变,设定完毕后长按【菜单键】直至温控器重启返回。
如:显示数字“5”时,说明当前输入类型为K型热电偶,如需将输入类型改为铂电阻输入,需通过按【上调键】使显示数字变为“0”或“1”或“3”(根据不同测试需要选择设定)。
设定类型表见“1.1输入类型表”。
1.3温控器PID控制设置
长按【菜单键】至少3秒将进入初始设定菜单界面松开,单击【模式键】
直至界面显示为“”时,通过单击【上调键】或【下调键】来改变,右下端显示为“PiD”时即当前模式为“PiD”控制,设定完毕后长按【菜单键】直至温控器重启返回。
1.4防触碰锁设置
长按【菜单键】+【模式键】至少3秒将进入“保护菜单”,通过点击【模
式键】切换界面显示至“WEPE”,单击【上调键】或【下调键】使右下角“OFF”变为“ON”,再同时按【菜单键】+【模式键】至少1秒,界面返回至主界面,此时界面会显示“”标志。
如需修改参数,需进行同样操作将“WEPE”变为“OFF”状态。
OMRON E5EZ温控器通用手册声明此手册为深圳宇宙P.C.B设备有限公司内部资料,我们保留对此手册的解释权,如有变更,恕不另行通知。
此手册的适用范围为我公司机组使用的OMRON温控制器。
此手册作为本公司生产技术人员、本公司安装维护人员及客户技术人员的指导手册。
一、规格说明技术参数:UCE选用型号说明:E5EZ-R3(48*96):水平线E5EZ-Q3(48*96):焗炉、隧道炉二、显示字符说明下表为温控器显示字符和字母的对应关系表:三、面板说明1、名称2、名称说明3、尺寸四、接线五、菜单及参数调整操作E5EZ型温控器共有6个菜单,其中通讯菜单跟选择的硬件有关系,如硬件选择了则有,否则无。
菜单的进入方式如下图:具体操作如下:(1)首先在运行菜单下同时按和3秒以上进入保护菜单,然后将“OAPT(运行/调整保护)”和“ICPT(初始/通信保护)”的值改为“0”,再将“WTPT(设置更改保护)”改为“OFF”,这样就解除参数锁定,即所有的参数都可以修改。
要恢复参数锁定请将“OAPT”和“ICPT”改为“2”。
(2)在运行菜单内每次按下键可以显示不同的参数,通过按或键可以修改菜单内的参数。
按键多次后回到PV/SV显示状态(3)在运行菜单按下键进入调整菜单,每次按下可以显示调整菜单内不同的参数,通过或(4)在运行菜单按下键3秒以上进入初始菜单,每次按下可以显示初始菜单内不同的参数,通过或键可以修改初始菜单内参数。
在初始菜单按键1秒以上将返回运行菜单(5)在初始菜单内将参数“AMOV”改为“-169”后将进入高级功能菜单,在高级功能菜单内每次按下将显示不同的参数,通过或键可以修改高级功能菜单内参数。
在高级功能菜单内按键1秒以上将返回初始菜单,然后再按键1秒以上将返回运行菜单(6)由于没有配置通讯模块,所以讯参数无需调整(7)参数调整完成后请将保护菜单内的参数值调整到后面的参数调整表内的值(8)注意:参数的调整必须严格按照后面提供的参数表调整,不得随意更改六、输入类型表在初始菜单内,确定输入传感器类型并根据上表输入相应的值。
OMRON E5CN 温控表参数设定方法温控仪面板(E5CN )如图:1. 按“”键3秒以上,进入参数设置等级。
显示: 2. 按“”键,切换参数代码,可循环显示。
显示: 3. 按“”或“”键,修改参数设定值。
4. 按“”键3秒以上,返回正常控制模式。
显示:二.报警值设置操作:1. 按“”键,进报警值设定,可循环显示。
显示: 2. 按“”键,设定报警1()温度值。
显示: 3. 按“”或“”键,修改报警输出设定值。
4. 按“”键,设定报警2()温度值。
显示: 5. 按“”或“”键,修改报警输出设定值。
温度单位 实际值(红色)设定值(绿色)向上键 向下键 模式切换键 等级切换键状态指示灯6.按“”键,返回正常控制模式。
显示:三.自整定操作:按“”键,进入自整定设置操作。
显示:按“”键,将“”改为“”。
显示:按“”键,开始自整定,设定温度值闪烁显示。
显示:注意:此操作应在参数全部设定完成后,加热到实际温度与设定温度值基本相同后开始,否则,自整定结果不准确,在此过程中,禁止对温控表进行其他操作,实际温度值会有较大波动,属正常现象,待设定值停止闪烁后,自整定即完成,自动恢复正常控制模式。
四.参数功能及设定值:按“”键3秒以上参数功能设定值温度传感器输入型号0:代表传感器型号pt100按“”键温度显示单位C:代表摄式度;F:代表华式度按“”键最高上限温度报警值高于正常设定值20%-25%此值到达温控器停止输出并报警按“”键最低下限温度报警值按“”键PID控制*关键参数,禁止随意修改*PID:自动控制方式;ONOFF:开关控制方式按“”键温度控制方式Stnd:标准控制;H-C:热或冷控制按“”键自整定功能开关ON:开;OFF:关按“”键控制周期2:加热周期为2秒钟*关键参数,禁止随意修改*按“”键控制方向OR-r:加热;OR-d:冷却按“”键报警方式1类型8:温度上限值报警*除杀菌温度外,其他可不设定*按“”键报警方式2类型8:温度上限值报警*关键参数,禁止随意修改*按“”键3秒以上,返回正常控制模式。