欧姆龙E5CWL-E5CSL温控器说明书
- 格式:pdf
- 大小:505.98 KB
- 文档页数:2
E5CSL/E5CWL T emperature Controller Instruction Manual Thank you for purchasing the OMRON E5CSL/E5CWL Temperature Controller. This manual describes the functions, performance, and application methods needed for optimum use of the product.Please observe the following items when using the product.• This product is designed for use by qualified personnel with a knowledge of electrical systems.• Before using the product, thoroughly read and understand this manual to ensure correct use.• Keep this manual in a safe location so that it is available for reference whenever required.©All Rights Reserved Suitability for Use OMRON shall not be responsible for conformity with any standards, codes, or regulations that apply to the combination of the products in the customer's application or use of the product. Take all necessary steps to determine the suitability of the product for the systems, machines, and equipment with which it will be used.Know and observe all prohibitions of use applicable to this product.NEVER USE THE PRODUCTS FOR AN APPLICATION INVOLVING SERIOUS RISK TO LIFE OR PROPERTY WITHOUT ENSURING THAT THE SYSTEM AS A WHOLE HAS BEEN DESIGNED TO ADDRESS THE RISKS, AND THAT THE OMRON PRODUCT IS PROPERLY RATED AND INSTALLED FOR THE INTENDED USE WITHIN THE OVERALL EQUIPMENT OR SYSTEM.See also product catalog for Warranty and Limitation of Liability.CAUTION Do not touch the terminals while power is being supplied. Doing so may occasionally result in minor injury due to electric shock.Do not allow pieces of metal, wire clippings, or fine metallic shavings or filings from installation to enter the product. Doing so may occasionally result in electric shock, fire, or malfunction.Do not use the product where subject to flammable or explosive gas. Otherwise, minor injury from explosion mayoccasionally occur.Never disassemble, modify, or repair the product or touch any of the internal parts. Minor electric shock, fire, or malfunction may occasionally occur. If the output relays are used past their life expectancy, contact fusing or burning may occasionally occur. Always consider the application conditions and use the output relays within their rated load and electrical life expectancy. The life expectancy of output relays varies considerably with the output load and switching conditions.Tighten the terminal screws to between 0.74 and 0.90 N·m. Loose screws may occasionally result in fire.Set the parameters of the product so that they are suitable for the system being controlled. If they are not suitable, unexpected operation may occasionally result in property damage or accidents.EN Models with Single Display Models with Dual Display E5CSL- R Relay output: 250 VAC, 3 A Q Voltage output (for driving SSR): 12 VDC, 21 mA Control output 131Sensor type 31 Relay output: 250 VAC, 1 A (resistive load)Alarm (E5CWL only)2E5CWL- 1123• Insert the Controller through the hole in the panel. Push the adapter on from therear to secure the Controller.• Make sure that the surrounding temperature does not exceed the allowable operating temperature given in the specifications, especially when two or more Controllers are mounted.• The voltage output (control output) is not electrically isolated from the internalwiring. One or the other of the control output terminals must therefore be leftungrounded when using a grounded thermocouple thermometer. (If both are grounded, measurements will be unreliable due to sneak current.)Individual Mounting Side-by-side Mounting TC Thermocouple (K, J, T, R, or S)P Platinum resistance thermometer (Pt100)The standby sequence is cleared when the alarm OFF condition has been met.The standby sequence is started again when any of the following conditions is met.• Operation is started (power is turned ON or operation is switched from stop to run).• The alarm value is changed.• The temperature input offset is changed.• The set point is changed.Standby sequence clearedAlarm value Alarm with standby sequenceProcess value TimeAlarm without standby sequence Example: Deviation Lower Limit Standby Sequence ONThe default alarm type is 2.• The control output and the alarm output will turn OFF when an error occurs.(For s.err , the alarm output will be processed for a high temperature error.)• If the input value exceeds the display limit (-1999 to 9999) but it is still within the control range, [[[[ will be displayed for values under -1999.Under these conditions, the control output and alarm output will operate normally.*1: This error is displayed only when the process value and set point are displayed.*2: If the display does not change, the Controller needs to be repaired.If operation returns to normal, then noise may have caused the problem. Check for noise.*3: On the E5CSL, e111 and sum will alternate on the display at 1-second intervals.On the E5CWL, e111 will be displayed on display No. 1 and sum will be displayed on display No. 2. * * * * *The default input type is 8.The default input type is 0.−300 to 23000.0 to 900.0−100 to 15000.0 to 750.0−300 to 700−199.9 to 700.00 to 30000 to 3000−200 to 1300−20.0 to 500.0−100 to 850−20.0 to 400.0−200 to 400−199.9 to 400.00 to 17000 to 1700Input Setting range (°C)Setting range (°F)t -n i l.adj t p a o Input Typeinpt at AT Execute/Cancel d-u Temperature Unit s n i t p k o TemperatureInput Shift cntl PID • ON/OFF al-1Alarm Value*E5CWL only p Proportional Band cp Control Period r-s RUN/STOP i Integral Time oreV Direct/ReverseOperation d Derivative Time alt1Alarm Type *E5CWL only of-r hys HysteresisOperation/Adjustment Protect Initial Setting Protect Operation Control Key Protect PV/SP Set Point *E5CSL only Manual Reset Value Adjustment Level 100SP 25SP for less for at least 3 seconds.Protect Level Operation Level +Adjustment Level POWER ON Initial Setting Level 100 to 240 VAC, 50/60 Hz85% to 110% of the rated voltageApprox. 3.5 VARelay output: 250 VAC, 3 A (resistive load)Voltage output (for driving SSR): 12 VDC+25%/−15%, 21 mA Relay output: 250 VAC, 1 A (resistive load)ON/OFF or 2-PID control 100,000 operations 250 ms −10 to 55°C (with no freezing or condensation)Thermocouple: K, J, T, R, or S (JIS C 1602-1995 and IEC 60584-1)Platinum resistance thermometer: Pt100(JIS C 1604-1997 and IEC 60751)Control output Recommended fuse Weight Degree of protection Alarm output Control method Electrical life of relay Sampling period Malfunction vibration Vibration resistance Ambient temperature Ambient humidity Storage temperature Altitude Installation environment Memory protection Indication accuracy (ambient temperature: 23°C)25% to 85%Power supply voltage Operating voltage range Power consumption −25 to 65°C (with no freezing or condensation)2,000 m max.T2A, 250 VAC, time-lag, low-breaking capacity Approx. 100 g (Controller only)Front panel: IP50, Rear case: IP20,Terminal section: IP00Installation category II,pollution degree 2 (as per IEC 61010-1)Non-volatile memory(number of write operations: 100,000)Sensor type Alarm type No alarm Deviation upper/lower limit Deviation upper limit Deviation lower limit Deviation upper/lower range D eviation upper/lower limit standby sequence ON Deviation upper limit standby sequence ON Deviation lower limit standby sequence ON Absolute value upper limit Absolute value lower limit Absolute value upper limit standby sequence ON Absolute value lower limit standby sequence ON Do not set.Output OFF Positive alarm value (X)Negative alarm value (X)Always ON Always OFF Always OFF Process value LevelSetting Adjustment LevelOperationLevel PV/SPOthers (Alarm Value): Operation control keys are enabled but operation control using parameters is disabled.: Operation control keys are disabled but operation control usingparameters is enabled.: Operation control keys and operation control using parametersare disabled.Default: 0Operation ControlAT Execute/Cancel (M +D )RUN/STOP (M +U )01234SettingLevel 10Do not set.2SettingInitial Setting Level Default: 1• Operation/Adjustment Protection • Initial Setting Protection • Operation Control Key Protection+−AB B Pt inputAlarm Output• Relay output: 250 VAC, 1 A(resistive load)Input power supply:100 to 240 VAC,50/60 HzDO NOT USE Control output +−TC inputM M MM M M M MM M M M M M MM M Step 3Adjustment Level: Used to tune parameters and set control parameters. Adjustment Level AT Execute/Cancel Temperature Input Shift Proportional Band Integral Time Derivative Time Manual Reset Value Hysteresis l.adj at ins p i d of-r hys This display indicates that you have moved to Adjustment Level.Starts and stops autotuning. (Displayed only when PID control is selected.)*1*2Set a compensation value for the temperature input in increments of 0.1°C or 0.1°F.Set the proportional band in increments of 0.1°C or 0.1°F.(Displayed only when PID control is selected.) Set the integral time in increments of 1 s. (Displayed only when PID control is selected.) Set the derivative time in increments of 1 s. (Displayed only when PID control is selected.) Set the manipulated value to use for P or PD control (I = 0). The offset will be canceled. Set the hysteresis to use to achieve stable operation when switching the control output ON/OFF during ON/OFF control. (Displayed only when ON/OFF control is selected.) off /on -199.9 to 999.90.1 to 999.90 to 39990 to 39990.0 to 100.00.1 to 999.9OFF 0.0 (°C)8.0 (°C)233 (s)40 (s)50.0 (%)1.0 (°C)Step 4Protect Level: Used to set parameters to restrict key operations.Operation/Adjustment Protect Initial Setting Protect Operation Control Key Protect oapt inpt okpt Set protection for Operation Level and Adjustment Level.Set protection for Initial Setting Level. Set protection for the AT Key and RUN/STOP Key (operation control keys). *Refer to table on the right.*Refer to table on the right.*Refer to table on the right. 010Step 2Operation Level: Used to monitor the process value and to set the set point, alarm value, etc.PV/SP Alarm value RUN/STOP Monitor the process value and set the set point.Set the alarm value. The location of the decimal point depends on the input type. *E5CWL only.Start and stop control operation. *1-1999 to 9999run /stop SV: 0 (°C)0 (°C)RUN Display Parameter name Description Setting/monitoring range Default Step 1Initial Setting Level: Used to set basic specifications.Input Type Temperature Unit PID • ON/OFF Control Period Direct/Reverse Operation Alarm Type in-t d-u cntl cp ore?alt1Set the input sensor type.Set the unit for temperature input to Celsius (°C) or Fahrenheit (°F).Set either 2-PID control or ON/OFF control.Set the time-proportional control period for the control output. (Displayed only when PID control is selected.) Set either reverse option (heating control) or direct operation (cooling control). Set the alarm type.*E5CWL only.c (°C)/f (°F)onof /pid 0.5, 1 to 990 or 8°C ON/OFF 20 or 2 (s)Or-r (reverse control)2 (Deviation upper limit)or-r (reverse control)or-d (direct control)*1: Displayed only when Operation Control Key Protection is set to 4.*2: The setting cannot be changed during autotuning. Autotuning will be stopped if you move to Initial Setting Level or stop control operation. • Displays during AutotuningE5CSL: The current deviation indicator will flash. E5CWL: The AT Execute/Cancel characters on display No. 1 and the PV/SP characters on display No. 2 will flash.K J T R S Setting 01234567Check the wiring of inputs, disconnections, short circuitsand input type.T urn the power OFF then back ON again.*2Press the U and D Keys for at least 3 seconds to initialize the settings and clear the non-volatile memory error.*2Display Action s.err (S.ERR)e111(E111)e111/sum (E111)/(SUM) *3Meaning Input error *1RAM memory error Non-volatile memory memory error −300 to 1500−199.9 to 900.0−200 to 850−199.9 to 500.0Pt10089Safety Precautions Indicates a potentially hazardous situation which, if not avoided, is likely to result in minor or moderate injury or property damage. Read this manual carefully before using the product.CAUTION Package Contents • Temperature Controller • Adapter • Instruction Manual 460645844.8×44.848×48Adapter • Solderless terminal size: M3.5• Terminal Cover: E53-COV19 (sold separately)• Front Panel: E53-COV20 (sold separately)Recommended panel thickness is 1 to 5 mm.1(10) D Down Key: Reduces the setting.(11) U Up Key: Increases the setting.(12) O +M Press these keys for at least 3 seconds in Operation Level or Adjustment Level to go to Protect Level.Press these keys for at least 1 second in Protect Level to return to Operation Level.(13)M +D Press these keys for at least 2 seconds to start or stop autotuning.*1(14) M +U Press these keys for at least 2 seconds to start or stop operation.*2(3)(7)(4)(9)(8)(12)(13)(14)(11)(12)(13)(14)(11)(10)(2)(1)(10)(6)(6)(7)(8)(5)(1)(9)E5CSL E5CWL D Key or U Key Input Type Parameter Display Parameter SettingDisplay Press the U or D Key at the display for the parameter for which the setting is to be changed. The parameter setting display will appear.Use the U or D Key to change the setting. Example: Changing the Input Type from 0 to 1in-t 0Procedure for Changing E5CSL Settings After 2 seconds U Flashes quickly.Setting confirmed.*1: These keys are disabled when starting and stopping autotuning has been disabled with operation control key protection.*2: These keys are disabled when starting and stopping operation has been disabled with operation control key protection.Control Output• Relay output: 250 VAC, 3 A (resistive load)• Voltage output (for driving SSR): 12 VDC, 21 mAAlarm hysteresis(always 0.2 °C/°F)23457891045+0.60+1.004560 min.+0.6045+0.60(48 x number of Controllers − 2.5)OMRON CORPORA TION Key to Warning Symbols Warning Symbols SpecificationsWiring Model Number Legends Dimensions (mm)Installation (mm)Connections Front Panel Part Names and Functions(1) Display No. 1 Displays the process value (PV) or parameter. For the E5CSL, the set point or parameter setting is also displayed.(2) Display No. 2 Displays the set point (SP) or parameter setting.(3) Deviation Indicators Show the relation between the process value and the set point. Lit: The process value is more than 5°C/°F higher than the set point. Lit: The process value is more than 5°C/°F lower than the set point. Lit: The process value is within 5°C/°F of the set point. The relevant deviation indicator will flash during autotuning.(4) SP Lit while the set point is displayed on display No. 1 (E5CSL only). (5) ALM Lit while the alarm is ON. Not lit while the alarm is OFF. (6) OUT Lit while the control output is ON. Not lit while the control output is OFF.(7) STOPNot lit during operation. Lit while operation is stopped.(8) O Level Key: Changes the setting level.(9) M Mode Key: Changes the parameter within the setting level.Operation MenuParameter Operations Press Press than 1 second.for at least 1 second.Press Parameter Tables Display Parameter name Description Setting/monitoring range Default Display Parameter name Description Setting/monitoring range Default Display Parameter name Description Setting/monitoring range Default *Refer to table on the right.*Refer to table on the right.al-1r-s Input type: Thermocouple Input Setting range (°C)Setting range (°F)Setting Input type: Platinum Resistance Thermometer Troubleshooting Protection : Can be displayed and changed.: Can only be displayed.: Display or changing to another level is not possible.0 1 2 311OMRON EUROPE B.V.Wegalaan 67-69, NL-2132 JD Hoofddorp The NetherlandsPhone 31-2356-81-300 FAX 31-2356-81-388OMRON ELECTRONICS LLCOne Commerce Drive Schaumburg, IL 60173-5302 U.S.APhone 1-847-843-7900 FAX 1-847-843-7787OMRON ASIA PACIFIC PTE. LTD.No. 438A Alexandra Road # 05-05/08 (Lobby 2),Alexandra Technopark, Singapore 119967 Phone 65-6835-3011 FAX 65-6835-2711OMRON Corporation Shiokoji Horikawa, Shimogyo-ku, Kyoto 600-8530 JAPAN Malfunction shock Shock resistance 10 to 55 Hz, 20 m/s 2 for 10 min each in X, Y and Z directions 10 to 55 Hz, 20 m/s 2 for 2 h each in X, Y and Z directions100 m/s 2, 3 times each in X, Y, and Z directions300 m/s 2, 3 times each in X, Y, and Z directionsMd-u Next Parameter Display*The dimensions are the same for the E5CSL.(±0.5% of indication value or ±1°C, whichever is greater)±1 digit max.R, S thermocouple at 200°C or less: ±3°C ±1 digit max.K, T thermocouple at −100°C or less: ±2°C ±1 digit max.Use a deviation alarm to link the alarm to the SP.If the SP is changed, the alarm operating point will also change.Deviation AlarmUse an absolute value alarm when the alarm is not linked to the SP.Absolute Value Alarm0X ON OFF SP X ON OFF SP X ON OFF SP X ON OFF 0X ON OFF 0X ON OFF 0X ON OFF 0X ON OFF ON OFF SP X XSP XON OFF SP XON OFF SP X X ON OFF SP X X ON OFF SP X ON OFF SP X ON OFF 0X ON OFF0XON OFF 0X ON OFF Set this difference.SP Linked Fixed Set the difference(deviation) from the SP.Set the alarm operating point as the temperature (absolute value).Set the temperature (absolute value) at which to output an alarm.0* Alarms with a Standby SequenceSP X ON OFFAlarmsSetting 0 1 2 3 4 5 6 7 8 9 1011 12Alarm operating point Alarm operating point The alarm is blocked until the first safe-state is reached.Unwanted alarm during start-up are prevented.Deviation/ab solute value alarm Deviation alarmDeviationalarm DeviationalarmDeviation alarm Deviation alarm Deviationalarm Deviationalarm Absolute value alarm Absolutevalue alarm Absolute value alarmAbsolute value alarm Be sure to observe the following precautions to prevent operation failure, malfunction, or adverse affects on the performance and functions of the product. Not doing so may occasionally result in unexpected events.(1) The product is designed for indoor use only. Do not use the product outdoors or in any of the following locations. •Places directly subject to heat radiated from heating equipment.•Places subject to splashing liquid or oil atmosphere. •Places subject to direct sunlight. •Places subject to dust or corrosive gas (in particular, sulfide gas and ammonia gas). •Places subject to intense temperature change.•Places subject to icing and condensation. •Places subject to vibration and large shocks.(2) Use/store within the rated temperature and humidity ranges. Provide forced-cooling if required.(3) To allow heat to escape, do not block the area around the product. Do not block the ventilation holes on the product.(4) Be sure to wire properly with correct polarity of terminals.(5) Use specified size (M3.5, width 7.2 mm or less) crimped terminals for wiring. To connect bare wires to the terminal block, use copper braided or solid wires with a rated temperature of over 70°C and a gauge of AWG24 to AWG14 (equal to a cross-sectional area of 0.205 to 2.081 mm 2). (The stripping length is 5 to 6 mm.) Up to two wires of same size and type, or two crimped terminals can be inserted into a single terminal.(6) Do not wire the terminals which are not used.(7) Allow as much space as possible between the controller and devices that generate a powerful high- frequency or surge. Separate the high-voltage or large-current power lines from other lines, and avoid parallel or common wiring with the power lines when you are wiring to the terminals.(8) Use this product within the rated load and power supply.(9) Make sure that the rated voltage is attained within two seconds of turning ON the power using a switch or relay contact. If the voltage is applied gradually, the power may not be reset or output malfunctions may occur.(10) Make sure that the Controller has 30 minutes or more to warm up after turning ON the power before starting actual control operations to ensure the correct temperature display. (11) A switch or circuit breaker should be provided close to this unit. The switch or circuit breaker should be within easy reach of the operator, and must be marked as a disconnecting means for this unit.(12) Do not use paint thinner or similar chemical to clean with. Use standard grade alcohol.(13) Design system (control panel, etc) considering the 2 second of delay that the controller’s output to be set after power ON.(14) The output may turn OFF when shifting to certain levels. Take this into consideration when performing control.(15) The number of non-volatile memory write operations is limited.Precautions for Safe Use A malfunction in the Temperature Controller may occasionally make control operations impossible or prevent alarm outputs, resulting in property damage. To maintain safety in the event of malfunction of the Temperature Controller, take appropriate safety measures, such as installing a monitoring device on a separate line.Default: 0: Can be displayed and changed.: Display or changing to another level is not possible.2113603-9A CL1for at least 3 seconds.Press for at least 1 second.+Press。
E5□C 温度控制器简易操作说明书动作显示的说明动作显示名称概要SUB1SUB2SUB3SUB4辅助输出1~4(仅E5CC/EC/AC 有辅助输出3)(仅E5EC/AC 有辅助输出4)辅助输出1~4的分配功能ON 时灯亮。
OUT1OUT2控制输出1、2(仅E5CC/CC-U/EC/AC 有控制输出1)(仅E5CC/CC-U/EC/AC 有控制输出2)向控制输出1、2分配的功能ON 时灯亮。
MANU手动手动模式时灯亮STOP停止运行停止时灯亮TUNE AT、ST 执行中执行AT (自动调节)期间灯亮。
执行ST(自调节)期间闪烁。
RSP 远程SP(仅E5CC/EC/AC)“SP 模式”为远程SP 时灯亮。
远程SP 模式下RSP 输入异常时闪烁。
设定变更保护设定变更保护ON 时灯亮。
操作键的说明操作键名称概要说明菜单键切换设定菜。
转移方的设定菜单根据按下的时间而异.在操作菜单中,.按1次(1秒以下)菜单键:转至调整菜单。
.持续按下3秒以上:转至初始高定菜单。
在调整菜单中,.按1次(1秒以下)菜单键:转至操作菜单。
.持续按下3秒以上:转至初始设定菜单。
在初始设定菜单中,.按下菜单键1秒以上:转至操作菜单。
模式键移动设定菜单内项目。
.按1次该键,则移动到下一模式。
.如按信不放,则反向移动。
向下/向上键设定数值。
.如果按住不放,则数值快速增减。
.设定后,设定值将在以下情况时得到反映。
.经过3秒以上时:.按下键时。
.按下键转换菜单时。
移位键(PF)键用户定义功能键.每按键1次(不到1秒),可将其用作移位键。
.选择需变更的数位(出厂时)。
.按键,可在高级功能设定菜单的“PF 设定”中分配以下功能:.运行/停止反转、自动/手动反转、AT(自动调节)执行、报警闩锁解除、监控/设定项目的显示、移位(出厂时)例)将高级功有菜单的“PF 设定”设定为“STOP”时,按键1秒以上,运行停止。
.设定为监控/设定项目“PFDF”时,每按键1次(不到1秒),切换并显示在高级功能设定菜单的“PF监控/设定项目1~5“中设定的项目。
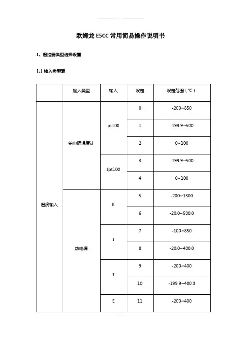
欧姆龙E5C C常用简易操作说明书1、温控器类型选择设置1.1输入类型表输入类型输入设定设定范围(℃)温度输入铂电阻温度计pt1000 -200~8501 -199.9~5002 0~100Jpt1003 -199.9~5004 0~100热电偶K5 -200~13006 -20.0~500.0J7 -100~8508 -20.0~400.0T9 -200~40010 -199.9~400.0E 11 -200~400L 12 -100~850 U13 -200~40014 -199.9~400 N 15 -200~1300 R 16 0~1700 S 17 0~1700 B 18 100~1800 W 19 0~2300 PL11 20 0~1300模拟量输入类型电流输入4~20mA 250~20mA 26 电压输入0~5V 270~10V 28*当输入类型不是铂电阻而错误的将铂电阻接入时,将会显示“ 5.ERR”。
为了清除“5.ERR”显示,需要正确接线并重新上电。
1.2输入类型修改设置温控器各部名称及功能长按【菜单键】至少3秒将进入初始设定菜单界面松开,界面右下角显示数字即为当前选择的输入类型,如需修改可按【上调键】或【下调键】来改变,设定完毕后长按【菜单键】直至温控器重启返回。
如:显示数字“5”时,说明当前输入类型为K型热电偶,如需将输入类型改为铂电阻输入,需通过按【上调键】使显示数字变为“0”或“1”或“3”(根据不同测试需要选择设定)。
设定类型表见“1.1输入类型表”。
1.3温控器PID控制设置长按【菜单键】至少3秒将进入初始设定菜单界面松开,单击【模式键】直至界面显示为“”时,通过单击【上调键】或【下调键】来改变,右下端显示为“PiD”时即当前模式为“PiD”控制,设定完毕后长按【菜单键】直至温控器重启返回。
1.4防触碰锁设置长按【菜单键】+【模式键】至少3秒将进入“保护菜单”,通过点击【模式键】切换界面显示至“WEPE”,单击【上调键】或【下调键】使右下角“OFF”变为“ON”,再同时按【菜单键】+【模式键】至少1秒,界面返回至主界面,此时界面会显示“”标志。
欧姆龙E5CC常用简易操作说明书1、温控器类型选择设置
1.1输入类型表
*当输入类型不是铂电阻而错误的将铂电阻接入时,将会显示“5.ERR”。
为了清除“5.ERR”显示,需要正确接线并重新上电。
1.2输入类型修改设置
温控器各部名称及功能
长按【菜单键】至少3秒将进入初始设定菜单界面松开,界面右下角显示数字即为当前选择的输入类型,如需修改可按【上调键】或【下调键】来改变,设定完毕后长按【菜单键】直至温控器重启返回。
如:显示数字“5”时,说明当前输入类型为K型热电偶,如需将输入类型改为铂电阻输入,需通过按【上调键】使显示数字变为“0”或“1”或“3”(根据不同测试需要选择设定)。
设定类型表见“1.1输入类型表”。
1.3温控器PID控制设置
长按【菜单键】至少3秒将进入初始设定菜单界面松开,单击【模式键】直至界面显示为“”时,通过单击【上调键】或【下调键】来改变,右下端显示为“PiD”
时即当前模式为“PiD”控制,设定完毕后长按【菜单键】直至温控器重启返回。
1.4防触碰锁设置
长按【菜单键】+【模式键】至少3秒将进入“保护菜单”,通过点击【模式键】切换界面显示至“WEPE”,单击【上调键】或【下调键】使右下角“OFF”变为“ON”,再同时按【菜单键】+【模式键】至少1秒,界面返回至主界面,此时界面会显示“”标志。
如需修改参数,需进行同样操作将“WEPE”变为“OFF”状态。
第一步:菜单键和模式键同时按3秒;
第二步:按模式键找到(图一),设置为0;
第三步:菜单键和模式键同时按3秒退出;
(图一)
第四步:按功能键3秒;
第五步:按模式键找到(图二),设置为 -169
(界面会自动跳转至设置界面在此界面可以设置初始化(6-1步)和
ALM1H/L(6-2步) )
(图二)
6-1步:按模式键找到(图三) 6-2步:按模式键找到(图四)
按上键一次可以初始化按向上键或者向下鍵切换
设置如(图四)
(图三)(图四)
备注:按键名称,左边第一个:菜单键
第二个:模式键
第三个:位移键
第四个:向上键
第五个:向下键。
欧姆龙E5CC常用简易操作说明书1、温控器类型选择设置
1.1输入类型表
*当输入类型不是铂电阻而错误的将铂电阻接入时,将会显示“5.ERR”。
为了清除“5.ERR”显示,需要正确接线并重新上电。
1.2输入类型修改设置
温控器各部名称及功能
长按【菜单键】至少3秒将进入初始设定菜单界面松开,界面右下角显示数字即为当前选择的输入类型,如需修改可按【上调键】或【下调键】来改变,设定完毕后长按【菜单键】直至温控器重启返回。
如:显示数字“5”时,说明当前输入类型为K型热电偶,如需将输入类型改为铂电阻输入,需通过按【上调键】使显示数字变为“0”或“1”或“3”(根据不同测试需要选择设定)。
设定类型表见“1.1输入类型表”。
1.3温控器PID控制设置
长按【菜单键】至少3秒将进入初始设定菜单界面松开,单击【模式键】直至界面显示
为“”时,通过单击【上调键】或【下调键】来改变,右下端显示为“PiD”时即当前模式为“PiD”控制,设定完毕后长按【菜单键】直至温控器重启返回。
1.4防触碰锁设置
长按【菜单键】+【模式键】至少3秒将进入“保护菜单”,通过点击【模式键】切换界面显示至“WEPE”,单击【上调键】或【下调键】使右下角“OFF”变为“ON”,再同时
按【菜单键】+【模式键】至少1秒,界面返回至主界面,此时界面会显示“”标志。
如需修改参数,需进行同样操作将“WEPE”变为“OFF”状态。
E5CC系列温控器设置说明
E5CC功能键说明
长按菜单键3秒进入程序设置
1.设置输入类型为25(我们需要接入的是4-20mA信号),通过方向键及移位键设置数值
如下所示
输入类型对应表
2.输入4-20mA对应温度值-40—120℃设定
按模式键进入如下(CN-H 设置为250CN-L 设置为-40 )
3.设定温度(SL-H设定为100℃,SL-L设定为63℃)
4.控制模式为ONOF,如下
5.选择标准模式STND,如下
6.反向运行(加热)设为OR-R,如下
7.使用报警1,报警类型设置为3 (需求高于67℃停止加热,低于63℃开始加热),如下
报警类型对应输出功能表
8.报警1滞后设置值为1.5,如下
设置完成,按菜单键至少1秒退出。
(1)首先在运行菜单下同时按和3 秒以上进入保护菜单,然后将“OAPT(运行/调整保护)”和“ICPT(初始/通信保护)”的值改为“0”,再将“WTPT(设置更改保护)”改为“OFF”,这样就
解除参数锁定,即所有的参数都可以修改。
要恢复参数锁定请将“OAPT”和“ICPT”改为“2”。
(2)在运行菜单内每次按下键可以显示不同的参数,通过按或键可以修改菜单内的参数。
按键多次后回到PV/SV 显示状态
(3)在运行菜单按下键进入调整菜单,每次按下可以显示调整菜单内不同的参数,通过或键可以修改调整菜单内参数。
再次按下将返回运行菜单
(4)在运行菜单按下键3 秒以上进入初始菜单,每次按下可以显示初始菜单内不同的参数,通过或键可以修改初始菜单内参数。
在初始菜单按键1 秒以上将返回运行菜单
(5)在初始菜单内将参数“AMOV”改为“-169”后将进入高级功能菜单,在高级功能菜单内每次按下
将显示不同的参数,通过或键可以修改高级功能菜单内参数。
在高级功能菜单内按键
1 秒以上将返回初始菜单,然后再按键1 秒以上将返回运行菜单。
欧姆龙温控器E5C C
常用设定
欧姆龙E5CC常用简易操作说明书
1、温控器类型选择设置
1.1输入类型表
*当输入类型不是铂电阻而错误的将铂电阻接入时,将会显示“5.ERR”。
为了清除“5.ERR”显示,需要正确接线并重新上电。
1.2输入类型修改设置
温控器各部名称及功能
长按【菜单键】至少3秒将进入初始设定菜单界面松开,界面右下角显示数字即为当前选择的输入类型,如需修改可按【上调键】或【下调键】来改变,设定完毕后长按【菜单键】直至温控器重启返回。
如:显示数字“5”时,说明当前输入类型为K型热电偶,如需将输入类型改为铂电阻输入,需通过按【上调键】使显示数字变为“0”或“1”或“3”(根据不同测试需要选择设定)。
设定类型表见“1.1输入类型表”。
1.3温控器PID控制设置
长按【菜单键】至少3秒将进入初始设定菜单界面松开,单击【模式键】
直至界面显示为“”时,通过单击【上调键】或【下调键】来改变,右下端显示为“PiD”时即当前模式为“PiD”控制,设定完毕后长按【菜单键】直至温控器重启返回。
1.4防触碰锁设置
长按【菜单键】+【模式键】至少3秒将进入“保护菜单”,通过点击【模
式键】切换界面显示至“WEPE”,单击【上调键】或【下调键】使右下角“OFF”变为“ON”,再同时按【菜单键】+【模式键】至少1秒,界面返回至主界面,此时界面会显示“”标志。
如需修改参数,需进行同样操作将“WEPE”变为“OFF”状态。
商品选择 ........................210共通注意事项 ..................236技术指南 ........................481用语说明 (485)相关信息温控器E5CS可用DIP 开关轻松进行设置,简单的功能融于这款48×48 mm 的温控器中•可用DIP 开关和旋转开关轻松进行设置。
•系列中新增带双报警的型号,温度报警应用的理想化产品。
•亦提供多输入(热电偶/铂电阻)型号。
•字符高度13.5 mm 的高可见度数字显示。
•符合RoHS 。
型号结构■型号图例E5CS-□□□□U-□① ② ③ ④ ⑤注.此处提供了功能说明的例子,但并非所有型号都可用于所有组合。
订购时请参阅订购信息。
《示例》· 继电器控制输出、无警报、热电偶输入、插件构造、浅灰色外壳 :E5CS-RKJU-W·继电器控制输出、一个报警输出、多输入、插件构造、浅灰色外壳: E5CS-R1TU-W种类■本体注.带两个报警输出的型号总是对报警2的输出采用上限报警模式。
■附件(另售)●无警报的插座(8个端子)●带警报的插座(11个端子)●保护盖操作篇请参见626页。
尺寸电源电压报警点数控制输出TC/Pt 通用输入,外壳颜色 :浅灰TC 输入,外壳颜色 :浅灰Pt 输入,外壳颜色 :浅灰热敏电阻输入1/16 DIN 48×48×72.5(W ×H ×D )100~240VAC继电器E5CS-RTU-W E5CS-RPU-W E5CS-RPU-W E5CS-RGU-W 电压(用于驱动SSR )E5CS-QTU-W E5CS-QKJU-W E5CS-QPU-W E5CS-QGU-W 1继电器E5CS-R1TU-W E5CS-R1KJU-W E5CS-R1PU-W E5CS-R1GU-W 电压(用于驱动SSR )E5CS-Q1TU-W E5CS-Q1KJU-WE5CS-Q1PU-WE5CS-Q1GU-W2(见注)继电器E5CS-R2TU-W ------电压(用于驱动SSR )E5CS-Q2TU-W------24 VAC/VDC0继电器--E5CS-RKJDU-W E5CS-RPDU-WE5CS-RGDU-W电压(用于驱动SSR )--E5CS-QKJDU-W ----1继电器--E5CS-R1KJDU-W E5CS-R1PDU-WE5CS-R1GDU-W电压(用于驱动SSR )--E5CS-Q1KJDU-W----① 输出类型R :继电器Q :用于驱动SSR 的电压② 报警数空白:无报警1 :1个警报2 :2个警报③ 输入类型KJ :热电偶P :铂电阻G :热敏电阻T :热电偶/铂电阻(多输入)④ 电源电压空白:100~240 VAC D :24 VAC/VDC ⑤ 外壳颜色W :浅灰类型型号表面连接插座P2CF-08背面连接插座(嵌入式安装)P3G-08表面连接插座(防指触保护型)P2CF-08-E P3G 用防指触保护端子盖Y92A-48G类型型号表面连接插座P2CF-11背面连接插座(嵌入式安装)P3GA-11表面连接插座(防指触保护型)P2CF-11-E P3G 用防指触保护端子盖Y92A-48G类型型号硬质型前盖Y92A-48B额定值/性能■额定值■性能注:1.以下为热电偶的特例。