焊缝坡口的基本形式和尺寸标准
- 格式:doc
- 大小:1.43 MB
- 文档页数:20
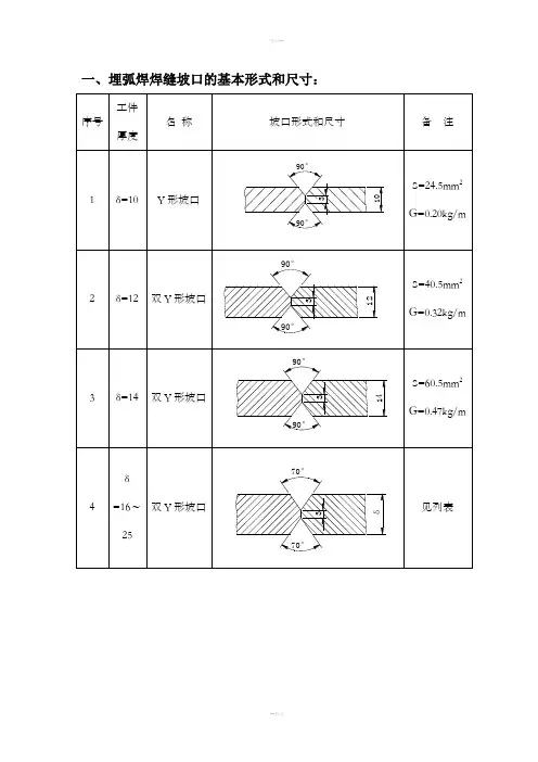
* *一、埋弧焊焊缝坡口的基本形式和尺寸:工件序号名称坡口形式和尺寸厚度70°1δ=10Y 形坡口041备注背缝清根80°2δ=12 双 Y 形坡口3δ=14 双 Y 形坡口δ4=16 双 Y 形坡口~25321 80°75°341 75°70°3δ70°带钝边双 U 5δ=26形坡口带钝边双 U 6δ=28形坡口带钝边双 U 7δ=30形坡口带钝边双 U 8δ=32形坡口10°10°12.35R45R12.320°10°10°12.65R45R12.620°10°10°13R545R1320°10°10°13.35R45R13.36282323 20°带钝边双 U 9δ=34形坡口带钝边双 U 10δ=36形坡口带钝边双 U 11δ=38形坡口带钝边双 U 12δ=40形坡口10°10°13.75R45R13.720°10°10°145R45R1420°10°10°14.45R45R14.420°10°10°14.7R545R14.720°4363834带钝边双 U 13δ=44形坡口带钝边双 U 14δ=50形坡口δ带长舌双面15=12单边V形坡~16口δ带长舌双面16=18单边V形坡~22口* * 10°10°15.45R445R415.420°10° 10°16.55R554R16.520°δ°40°444δ°355°344带长舌双面17δ=24J 形坡口带长舌双面18δ=25J 形坡口带长舌双面19δ=28J 形坡口* * 24°3700°3.151R4325°930.°31531R428°830.°3251R43* *30带长舌双面20δ=30J 形坡口°430 0.°3315R43二、手工电弧焊焊缝坡口的基本形式和尺寸:工件序号名称坡口形式和尺寸备注厚度80°1δ=6 Y形坡口6270°2δ=8 Y形坡口8260°3δ=10 Y形坡口1 24δ=12 Y 形坡口双 Y形坡5δ=14口* * 50°21260°2461双 Y形坡6δ=16口80°60°2761双 Y形坡7δ=18口80°50°2875°81双 Y形坡8δ=20口双 Y形坡9δ=22口双 Y形坡10δ=24口双 Y形坡11δ=25口双 Y形坡12δ=26口* * 50°22875°222970°50°242160°2521150°50°2621150°双 Y形坡13δ=28口UY 形坡14δ=30口UY 形坡15δ=32口UY 形坡16δ=34口UY 形坡17δ=35口50°2822150°10° 10°14.752R32150°10°10°14.752R234150°10° 10°15.12 5R435150°10° 10°15.152R536150°UY 形坡18δ=36口UY 形坡19δ=38口UY 形坡20δ=40口带长舌21δ=12 双单边 V形坡口带长舌δ双面单22=14边 V 形~2015.152R637150°10°10°15.42 5R838150°10°10°15.452R4250°125°0 0°522δ°45 54°2坡口2带长舌双面单23δ=22边 V 形坡口带长舌24δ=24 双面 J 形坡口带长舌25δ=25 双面 J 形坡口带长舌26δ=26 双面 J 形坡口带长舌27δ=28 双面 J 形坡口4°0 0°42224R35°0 03°22.21125R35°0°3252.1126R°530 03°228.1128R5°30°3242.21带长舌28δ=30 双面 J 形坡口带长舌29δ=12 单面 J 形坡口带长舌30δ=14 单面 J 形坡口带长舌31δ=16 单面 J 形坡口带长舌R35°30 0°312212220R.0°51231492R.°512316260.1°R5 1231832δ=18 单面 J 形坡口3230.R521°2带长舌33δ=20 单面 J 形坡口带长舌34δ=22 单面 J 形坡口带长舌35δ=24 单面 J 形坡口带长舌36δ=25 单面 J 形坡口带长舌37δ=26 单面 J 形坡口* * 20715.R511°2322215.R2°15322471.5R2°153225135R51°322631.5R3°1532* *28带长舌8138δ=28单面J形.53R51°坡口3230带长舌39δ=30单面J形R5坡口323.4115°三、 CO2焊焊缝坡口的基本形式和尺寸:工件序号名称坡口形式和尺寸备注厚度70°双 Y 形1δ=66坡口260°双 Y 形2δ=88坡口2双 Y 形3δ=10坡口双 Y 形4δ=12坡口双 Y 形5δ=14坡口双 Y 形6δ=16坡口双 Y 形7δ=18坡口* * 50°1250°21250°416280°50°617270°50°281860°双 Y 形9δ=20坡口双 Y 形10δ=22坡口双 Y 形11δ=24坡口双 Y 形12δ=25坡口* * 50°22960°50°222960°50°242150°50°2521150°双 Y 形13δ=26坡口双 Y 形14δ=28坡口UY 形坡15δ=30口UY 形坡16δ=32口* * 50°2621150°50°2822150°10° 10°14.725R32150°10°10°14.752R234150°UY 形坡17δ=34口UY 形坡18δ=35口UY 形坡19δ=36口UY 形坡20δ=38口* *10° 10°15.152R435150°10° 10°15.152R536150°10°10°15.12 5R637150°10°10°15.452R838150°UY 形坡21δ=40口带长舌δ双面单22=12边 V 形~18坡口带长舌δ双面单23=20边 V 形~22坡口δ带长舌24=24双面J~ 30形坡口δ带钝边25=8~单边V10形坡口* *10° 10°15.42 5R4250°δ°455°422δ°4°422δ°30°3R5222.11δ45°2δ带钝边26=12单边V~ 16形坡口δ带钝边27=18单边 V~ 20形坡口带长舌28δ=22单面J形坡口带长舌29δ=24单面J形坡口* *δ4°2δ35°222R51.522°13224R157.52°132带长舌30δ=25单面J形坡口带长舌31δ=26单面J形坡口带长舌32δ=28单面J形坡口带长舌33δ=30单面J形坡口* * 25R51351°3226R1535.°312328R518.53°13230R513.54°123说明:1 、坡口形式和尺寸的编制依照了国家标准GB986 、 GB986 和我厂的焊接生产实践。