焊缝形式及坡口尺寸在图纸上是怎样表示地
- 格式:doc
- 大小:1.25 MB
- 文档页数:21
焊缝形式及坡口尺寸在图纸上是怎样表示的公司标准化编码 [QQX96QT-XQQB89Q8-NQQJ6Q8-MQM9N]焊缝形式及坡口尺寸在图纸上是怎样表示的焊缝形式及坡口尺寸在图纸上一般采用技术制图的方法表示。
为了简化焊缝在图样上的表示方法,现采用国家标准规定的焊缝符号及坡口尺寸的表示方法。
焊接符号由哪几部分组成焊接符号一般是由基本符号和指引线组成,必要时还可以加上辅助符号、补充符号和焊缝尺寸符号。
焊缝形式及坡口尺寸在图纸上是怎样表示的焊缝形式及坡口尺寸在图纸上一般采用技术制图的方法表示。
为了简化焊缝在图样上的表示方法,现采用国家标准规定的焊缝符号及坡口尺寸的表示方法。
表示焊缝的基本符号有哪些焊缝基本符号是表示焊缝截面形状的符号,它采用近似于焊缝横剖面形状的符号来表示。
GB324-1988中规定了13种焊缝形式的符号,见表2-2。
点击下载(excel表格详细讲解)焊接加工符号的国家标准有哪些焊接符号的国家标准主要有两个:(1) 。
(2) 。
表示焊缝的辅助符号有哪些辅助符号表示焊缝表面形状特征的符号,见表2-3。
不需要确切地说明焊缝的表面形状时,可以不用辅助符号。
表示焊缝的补充符号有哪些补充符号是为了补充说明焊缝的某些特征而采用的符号,见表2-4。
表示焊缝的尺寸符号有哪些焊缝的尺寸符号见表2-5。
焊接符号标注中的指引线指引线是表示指引焊缝位置的符号。
由带箭头的指引线和两条基准线(一条为实线,另一条为虚线)组成。
指引线指向有关焊缝处,基准线一般应为水平线。
焊缝符号及尺寸标注在基准线上,必要时基准线末端加一尾部,作其它说明用(如焊接方法等),如图3-18所示。
焊接符号标注方法完整的焊缝表示方法应包括上述基本符号、辅助符号、补充符号,以及指引线、一些尺寸符号和数据等。
标注箭头线时,可指向焊缝或不指向焊缝,如图3-19所示。
基准线的虚线可在基准线的实线上侧或下侧,当焊缝在接头的箭头侧,则基本符号标在基准线的实线侧,如果焊缝在接头非箭头侧,则将基本符号标在基准线的虚线侧。
资料范本本资料为word版本,可以直接编辑和打印,感谢您的下载焊接符号标注及详细表示方法地点:__________________时间:__________________说明:本资料适用于约定双方经过谈判,协商而共同承认,共同遵守的责任与义务,仅供参考,文档可直接下载或修改,不需要的部分可直接删除,使用时请详细阅读内容焊接符号标注及表示方法—详版什么是焊接符号焊接符号是一种工程语言,能简单、明了地在图纸上说明焊缝的形状、几何尺寸和焊接方法。
我国的焊接符号是由国家标准GB324规定的。
焊接符号有什么作用焊接符号是把在图样上用技术制图方法所表示的焊缝的基本形式和尺寸采用一些符号来表示的方法。
焊接符号可以表示出:(1)所焊焊缝的位置。
(2)焊缝横截面形状(坡口形状)及坡口尺寸。
(3)焊缝表面形状特征。
(4)表示焊缝某些特征或其他要求。
焊缝形式及坡口尺寸在图纸上是怎样表示的焊缝形式及坡口尺寸在图纸上一般采用技术制图的方法表示。
为了简化焊缝在图样上的表示方法,现采用国家标准规定的焊缝符号及坡口尺寸的表示方法。
焊接符号由哪几部分组成焊接符号一般是由基本符号和指引线组成,必要时还可以加上辅助符号、补充符号和焊缝尺寸符号。
焊缝形式及坡口尺寸在图纸上是怎样表示的焊缝形式及坡口尺寸在图纸上一般采用技术制图的方法表示。
为了简化焊缝在图样上的表示方法,现采用国家标准规定的焊缝符号及坡口尺寸的表示方法。
表示焊缝的基本符号有哪些焊缝基本符号是表示焊缝截面形状的符号,它采用近似于焊缝横剖面形状的符号来表示。
GB324-1988中规定了13种焊缝形式的符号,见表2-2。
点击下载 HYPERLINK "/zt-hanjiefuhao/%E7%84%8A%E6%8E%A5%E7%AC%A6%E5%8F%B7%E8%AF%B4%E6%98%8E%E5 %A4%A7%E5%85%A8.xls" 焊接符号说明大全(excel表格详细讲解)焊接加工符号的国家标准有哪些焊接符号的国家标准主要有两个:(1) HYPERLINK"/biaozhun/showbz_915.html" \t "_blank" GB324一2008《焊缝代号》。
焊接符号什么是焊接符号焊接符号是一种工程语言,能简单、明了地在图纸上说明焊缝的形状、几何尺寸和焊接方法。
我国的焊接符号是由国家标准GB324规定的。
焊接符号有什么作用焊接符号是把在图样上用技术制图方法所表示的焊缝的基本形式和尺寸采用一些符号来表示的方法。
焊接符号可以表示出:(1)所焊焊缝的位置。
(2)焊缝横截面形状(坡口形状)及坡口尺寸。
(3)焊缝表面形状特征。
(4)表示焊缝某些特征或其他要求。
焊缝形式及坡口尺寸在图纸上是怎样表示的焊缝形式及坡口尺寸在图纸上一般采用技术制图的方法表示。
为了简化焊缝在图样上的表示方法,现采用国家标准规定的焊缝符号及坡口尺寸的表示方法。
焊接符号由哪几部分组成焊接符号一般是由基本符号和指引线组成,必要时还可以加上辅助符号、补充符号和焊缝尺寸符号。
焊缝形式及坡口尺寸在图纸上是怎样表示的焊缝形式及坡口尺寸在图纸上一般采用技术制图的方法表示。
为了简化焊缝在图样上的表示方法,现采用国家标准规定的焊缝符号及坡口尺寸的表示方法。
表示焊缝的基本符号有哪些焊缝基本符号是表示焊缝截面形状的符号,它采用近似于焊缝横剖面形状的符号来表示。
GB324-1988中规定了13种焊缝形式的符号,见表2-2。
焊接加工符号的国家标准有哪些焊接符号的国家标准主要有两个:GB324一2008《焊缝代号》GB985-1988《手工电弧焊焊接接头的基本形式与尺寸》。
表示焊缝的辅助符号有哪些辅助符号表示焊缝表面形状特征的符号,见表2-3。
不需要确切地说明焊缝的表面形状时,可以不用辅助符号。
表示焊缝的补充符号有哪些补充符号是为了补充说明焊缝的某些特征而采用的符号,见表2-4。
表示焊缝的尺寸符号有哪些焊缝的尺寸符号见表2-5。
焊接符号标注中的指引线指引线是表示指引焊缝位置的符号。
由带箭头的指引线和两条基准线(一条为实线,另一条为虚线)组成。
指引线指向有关焊缝处,基准线一般应为水平线。
焊缝符号及尺寸标注在基准线上,必要时基准线末端加一尾部,作其它说明用(如焊接方法等),如图3-18所示。
焊接符号标注及表示方法—详版什么是焊接符号焊接符号是一种工程语言,能简单、明了地在图纸上说明焊缝的形状、几何尺寸和焊接方法。
我国的焊接符号是由国家标准GB324规定的。
焊接符号有什么作用焊接符号是把在图样上用技术制图方法所表示的焊缝的基本形式和尺寸采用一些符号来表示的方法。
焊接符号可以表示出:(1)所焊焊缝的位置。
(2)焊缝横截面形状(坡口形状)及坡口尺寸。
(3)焊缝表面形状特征。
(4)表示焊缝某些特征或其他要求。
焊缝形式及坡口尺寸在图纸上是怎样表示的焊缝形式及坡口尺寸在图纸上一般采用技术制图的方法表示。
为了简化焊缝在图样上的表示方法,现采用国家标准规定的焊缝符号及坡口尺寸的表示方法。
焊接符号由哪几部分组成焊接符号一般是由基本符号和指引线组成,必要时还可以加上辅助符号、补充符号和焊缝尺寸符号。
焊缝形式及坡口尺寸在图纸上是怎样表示的焊缝形式及坡口尺寸在图纸上一般采用技术制图的方法表示。
为了简化焊缝在图样上的表示方法,现采用国家标准规定的焊缝符号及坡口尺寸的表示方法。
表示焊缝的基本符号有哪些焊缝基本符号是表示焊缝截面形状的符号,它采用近似于焊缝横剖面形状的符号来表示。
GB324-1988中规定了13种焊缝形式的符号,见表2-2。
点击下载焊接符号说明大全(excel表格详细讲解)焊接加工符号的国家标准有哪些焊接符号的国家标准主要有两个:(1) GB324一2008《焊缝代号》。
(2) GB985-1988《手工电弧焊焊接接头的基本形式与尺寸》。
表示焊缝的辅助符号有哪些辅助符号表示焊缝表面形状特征的符号,见表2-3。
不需要确切地说明焊缝的表面形状时,可以不用辅助符号。
表示焊缝的补充符号有哪些补充符号是为了补充说明焊缝的某些特征而采用的符号,见表2-4。
表示焊缝的尺寸符号有哪些焊缝的尺寸符号见表2-5。
焊接符号标注中的指引线指引线是表示指引焊缝位置的符号。
由带箭头的指引线和两条基准线(一条为实线,另一条为虚线)组成。
钣金图纸中的各种焊接符号说明1、焊缝标注方法图样上焊缝有两种表示方法,即符号法和图示法。
焊缝标注以符号标注法为主,在必要时允许辅以图示法。
比如用连续或断续的粗线表示连续或断续焊缝;在需要时绘制焊缝局部剖视图或放大图表示焊缝剖面形状;用细实线绘制焊前坡口形状等等。
符号标注法:通过焊缝符号和指引线表明焊缝形式的标注方法。
2、符号标注法的要素焊缝符号标注中有许多要素,其中焊缝基本符号和指引线构成了焊缝的基本要素,属于必须标注的内容。
除焊缝基本要素外,在必要时还应加注其他辅助要素,如辅助符号、补充符号、焊缝尺寸符号及焊接工艺等内容。
3、焊缝符号及其标注(1)焊缝基本符号是表示焊缝横断面形状的符号,共有13个(详见GB/324-88),例如:(2)辅助符号是表示焊缝表面形状特征的符号。
不需要确切地说明焊缝的表面形状时可以不加注辅助符号。
辅助符号配置在基本符号固定位置。
辅助符号有3个。
(3)补充符号是为了补充说明焊缝的某些特征而采用的符号,一共有5个。
(4)特殊符号是为了满足某些特殊情况而规定的焊缝符号,共有4个。
4、指引线及其标注指引线由箭头线和基准线组成。
(1)箭头线:箭头可指向接头侧和非接头侧;箭头线相对焊缝的位置一般没有特殊要求;允许箭头线弯折一次。
(2)基准线基准线含有实线基准线和虚线基准线。
虚线基准线可画在实线基准线的上方或下方;焊缝符号标注在实线基准线上说明焊缝在箭头侧,标注在虚线基准线上说明焊缝在非箭头侧;标注双面或对称焊缝时可不加虚线。
5、焊缝尺寸符号及其标注(1)焊缝标注有必要时可附带有焊缝尺寸符号及数据。
焊缝尺寸符号共有16个(详见GB/324-88),例如:(2)焊缝尺寸符号及数据的标注原则(如图):焊缝横截面上的尺寸标注在基本符号的左侧;长度方向的尺寸标在右侧;坡口角度、坡口面角度、根部间隙等尺寸标在基本符号的上侧或下侧。
相同焊缝数量的符号标在尾部。
在基本符号的右侧无任何标注且又无其他说明时,意味着焊缝在工件的整个长度上是连续的;在基本符号的左侧无任何标注且又无其他说明时,表示对接焊缝要完全焊透。
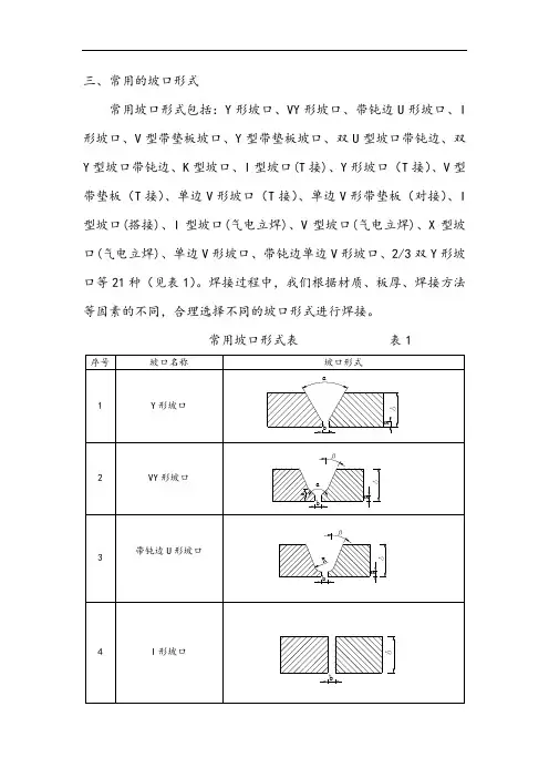
三、常用的坡口形式
常用坡口形式包括:Y形坡口、VY形坡口、带钝边U形坡口、I 形坡口、V型带垫板坡口、Y型带垫板坡口、双U型坡口带钝边、双Y型坡口带钝边、K型坡口、I型坡口(T接)、Y形坡口(T接)、V型带垫板(T接)、单边V形坡口(T接)、单边V形带垫板(对接)、I 型坡口(搭接)、I型坡口(气电立焊)、V型坡口(气电立焊)、X型坡口(气电立焊)、单边V形坡口、带钝边单边V形坡口、2/3双Y形坡口等21种(见表1)。
焊接过程中,我们根据材质、板厚、焊接方法等因素的不同,合理选择不同的坡口形式进行焊接。
四、焊缝代号
焊缝代号由基本符号、辅助符号、引出线和焊缝尺寸符号等组成,基本符号和辅助符号在图纸上用粗实线绘制,引出线用细实线绘制。
1、基本符号
基本符号是表示焊缝横截面形状的符号,它采用近似于焊缝横截面形状的符号来表示,基本符号表示方法见表2
基本符号表表2
焊缝尺寸一般不标注。
如果设计要求或生产需要注明焊缝尺寸,焊缝尺寸符号表示方法见表4。
焊缝标注时,应注意其标注位置的正确性。
标注位置规定如下:(1)在焊缝符号左边标注:钝边高度p,坡口高度H,焊角高度K,焊缝余高h,熔透深度s,根部半径R,焊缝宽度c,焊点直径d。
(2)在焊缝符号右边标注:焊缝长度l,焊缝间隙e,相同焊缝数量n。
焊接符号标注及表示方法—详版什么是焊接符号焊接符号是一种工程语言,能简单、明了地在图纸上说明焊缝的形状、几何尺寸和焊接方法。
我国的焊接符号是由国家标准GB324规定的。
焊接符号有什么作用焊接符号是把在图样上用技术制图方法所表示的焊缝的基本形式和尺寸采用一些符号来表示的方法。
焊接符号可以表示出:(1)所焊焊缝的位置。
(2)焊缝横截面形状(坡口形状)及坡口尺寸。
(3)焊缝表面形状特征。
(4)表示焊缝某些特征或其他要求。
焊缝形式及坡口尺寸在图纸上是怎样表示的焊缝形式及坡口尺寸在图纸上一般采用技术制图的方法表示。
为了简化焊缝在图样上的表示方法,现采用国家标准规定的焊缝符号及坡口尺寸的表示方法。
焊接符号由哪几部分组成焊接符号一般是由基本符号和指引线组成,必要时还可以加上辅助符号、补充符号和焊缝尺寸符号。
焊缝形式及坡口尺寸在图纸上是怎样表示的焊缝形式及坡口尺寸在图纸上一般采用技术制图的方法表示。
为了简化焊缝在图样上的表示方法,现采用国家标准规定的焊缝符号及坡口尺寸的表示方法。
表示焊缝的基本符号有哪些焊缝基本符号是表示焊缝截面形状的符号,它采用近似于焊缝横剖面形状的符号来表示。
GB324-1988中规定了13种焊缝形式的符号,见表2-2。
点击下载(excel表格详细讲解)焊接加工符号的国家标准有哪些焊接符号的国家标准主要有两个:(1) 。
(2) 。
表示焊缝的辅助符号有哪些辅助符号表示焊缝表面形状特征的符号,见表2-3。
不需要确切地说明焊缝的表面形状时,可以不用辅助符号。
表示焊缝的补充符号有哪些补充符号是为了补充说明焊缝的某些特征而采用的符号,见表2-4。
表示焊缝的尺寸符号有哪些焊缝的尺寸符号见表2-5。
焊接符号标注中的指引线指引线是表示指引焊缝位置的符号。
由带箭头的指引线和两条基准线(一条为实线,另一条为虚线)组成。
指引线指向有关焊缝处,基准线一般应为水平线。
焊缝符号及尺寸标注在基准线上,必要时基准线末端加一尾部,作其它说明用(如焊接方法等),如图3-18所示。
全熔透坡口焊缝表示方法
全熔透坡口焊缝是指通过焊接将两个金属板材连接起来的焊缝。
在焊接过程中,需要对焊缝进行表示,以便于检验和质量控制。
下面将从表示方法、标记规范和质量要求三个方面回答这个问题。
一、表示方法
1. 符号表示法:在焊接图纸上,使用符号表示焊缝的类型、形状和尺寸等信息。
符号表示法可以分为国际标准符号和国内标准符号两种。
2. 尺寸表示法:在焊接图纸上,使用尺寸表示法表示焊缝的尺寸和位置等信息。
尺寸表示法可以分为直接尺寸表示法和间接尺寸表示法两种。
3. 色标表示法:在焊接图纸上,使用不同颜色的标记表示焊缝的类型和质量等信息。
色标表示法可以分为国际色标和国内色标两种。
二、标记规范
1. 标记位置:焊缝标记应该位于焊缝的中心线上,并且应该与焊缝垂直。
2. 标记形式:焊缝标记应该使用数字、字母或符号等标记形式,以便于识别和
记录。
3. 标记内容:焊缝标记应该包括焊缝类型、焊接方法、焊缝尺寸和质量等信息。
三、质量要求
1. 焊缝外观:焊缝应该平整、光滑,没有裂纹、气孔和夹杂等缺陷。
2. 焊缝尺寸:焊缝尺寸应该符合设计要求,且焊缝的宽度应该均匀。
3. 焊缝质量:焊缝应该满足相关的质量标准和要求,且焊接强度应该符合设计要求。
总之,全熔透坡口焊缝的表示方法包括符号表示法、尺寸表示法和色标表示法等,标记规范包括标记位置、标记形式和标记内容等,质量要求包括焊缝外观、焊缝尺寸和焊缝质量等。
在实际生产中,需要严格按照相关标准和规范进行表示和检验,以保证焊接质量和安全性。
焊缝形式及坡口尺寸在图纸上是怎样表示的为了简化焊缝在图样上的表示焊缝形式及坡口尺寸在图纸上一般采用技术制图的方法表示。
方法,现采用国家标准规定的焊缝符号及坡口尺寸的表示方法。
焊接符号由哪几部分组成焊接符号一般是由基本符号和指引线组成,必要时还可以加上辅助符号、补充符号和焊缝尺寸符号。
焊缝形式及坡口尺寸在图纸上是怎样表示的为了简化焊缝在图样上的表示焊缝形式及坡口尺寸在图纸上一般采用技术制图的方法表示。
方法,现采用国家标准规定的焊缝符号及坡口尺寸的表示方法。
表示焊缝的基本符号有哪些焊缝基本符号是表示焊缝截面形状的符号,它采用近似于焊缝横剖面形状的符号来表示。
2-2种焊缝形式的符号,见表13中规定了GB324-1988焊接符号说明大全表格详细讲解)(excel点击下载焊接加工符号的国家标准有哪些焊接符号的国家标准主要有两个:(1) GB324一2008《焊缝代号》。
(2) GB985-1988《手工电弧焊焊接接头的基本形式与尺寸》。
表示焊缝的辅助符号有哪些辅助符号表示焊缝表面形状特征的符号,见表2-3。
不需要确切地说明焊缝的表面形状时,可以不用辅助符号。
表示焊缝的补充符号有哪些2-4。
补充符号是为了补充说明焊缝的某些特征而采用的符号,见表表示焊缝的尺寸符号有哪些2-5。
焊缝的尺寸符号见表焊接符号标注中的指引线指引线是表示指引焊缝位置的符号。
由带箭头的指引线和两条基准线(一条为实线,另一条组成。
指引线指向有关焊缝处,基准线一般应为水平线。
焊缝符号及尺寸标注在基)为虚线,如图3-18)所示。
准线上,必要时基准线末端加一尾部,作其它说明用如焊接方法等(焊接符号标注方法完整的焊缝表示方法应包括上述基本符号、辅助符号、补充符号,以及指引线、一些尺寸符号和数据等。
标注箭头线时,可指向焊缝或不指向焊缝,如图3-19所示。
基准线的虚线可在基准线的实线上侧或下侧,当焊缝在接头的箭头侧,则基本符号标在基准线的实线侧,如果焊缝在接头非箭头侧,则将基本符号标在基准线的虚线侧。
焊接符号标注及表示方法—详版什么是焊接符号焊接符号是一种工程语言,能简单、明了地在图纸上说明焊缝的形状、几何尺寸和焊接方法。
我国的焊接符号是由国家标准GB324规定的。
焊接符号有什么作用焊接符号是把在图样上用技术制图方法所表示的焊缝的基本形式和尺寸采用一些符号来表示的方法。
焊接符号可以表示出:(1)所焊焊缝的位置。
(2)焊缝横截面形状(坡口形状)及坡口尺寸。
(3)焊缝表面形状特征。
(4)表示焊缝某些特征或其他要求。
焊缝形式及坡口尺寸在图纸上是怎样表示的焊缝形式及坡口尺寸在图纸上一般采用技术制图的方法表示。
为了简化焊缝在图样上的表示方法,现采用国家标准规定的焊缝符号及坡口尺寸的表示方法。
焊接符号由哪几部分组成焊接符号一般是由基本符号和指引线组成,必要时还可以加上辅助符号、补充符号和焊缝尺寸符号。
焊缝形式及坡口尺寸在图纸上是怎样表示的焊缝形式及坡口尺寸在图纸上一般采用技术制图的方法表示。
为了简化焊缝在图样上的表示方法,现采用国家标准规定的焊缝符号及坡口尺寸的表示方法。
表示焊缝的基本符号有哪些焊缝基本符号是表示焊缝截面形状的符号,它采用近似于焊缝横剖面形状的符号来表示。
GB324-1988中规定了13种焊缝形式的符号,见表2-2。
点击下载焊接符号说明大全(excel表格详细讲解)焊接加工符号的国家标准有哪些焊接符号的国家标准主要有两个:(1) GB324一2008《焊缝代号》。
(2) GB985-1988《手工电弧焊焊接接头的基本形式与尺寸》。
表示焊缝的辅助符号有哪些辅助符号表示焊缝表面形状特征的符号,见表2-3。
不需要确切地说明焊缝的表面形状时,可以不用辅助符号。
表示焊缝的补充符号有哪些补充符号是为了补充说明焊缝的某些特征而采用的符号,见表2-4。
表示焊缝的尺寸符号有哪些焊缝的尺寸符号见表2-5。
焊接符号标注中的指引线指引线是表示指引焊缝位置的符号。
由带箭头的指引线和两条基准线(一条为实线,另一条为虚线)组成。
三、常用的坡口形式
常用坡口形式包括:Y形坡口、VY形坡口、带钝边U形坡口、I 形坡口、V型带垫板坡口、Y型带垫板坡口、双U型坡口带钝边、双Y型坡口带钝边、K型坡口、I型坡口(T接)、Y形坡口(T接)、V型带垫板(T接)、单边V形坡口(T接)、单边V形带垫板(对接)、I 型坡口(搭接)、I型坡口(气电立焊)、V型坡口(气电立焊)、X型坡口(气电立焊)、单边V形坡口、带钝边单边V形坡口、2/3双Y形坡口等21种(见表1)。
焊接过程中,我们根据材质、板厚、焊接方法等因素的不同,合理选择不同的坡口形式进行焊接。
四、焊缝代号
焊缝代号由基本符号、辅助符号、引出线和焊缝尺寸符号等组成,基本符号和辅助符号在图纸上用粗实线绘制,引出线用细实线绘制。
1、基本符号
基本符号是表示焊缝横截面形状的符号,它采用近似于焊缝横截面形状的符号来表示,基本符号表示方法见表2
基本符号表表2
焊缝尺寸一般不标注。
如果设计要求或生产需要注明焊缝尺寸,焊缝尺寸符号表示方法见表4。
焊缝标注时,应注意其标注位置的正确性。
标注位置规定如下:(1)在焊缝符号左边标注:钝边高度p,坡口高度H,焊角高度K,焊缝余高h,熔透深度s,根部半径R,焊缝宽度c,焊点直径d。
(2)在焊缝符号右边标注:焊缝长度l,焊缝间隙e,相同焊缝数量n。
焊接在钣金图纸中如何标注,你知道吗?答:点标题下方蓝字“钣金学习网”1、焊缝标注方法图样上焊缝有两种表示方法,即符号法和图示法。
焊缝标注以符号标注法为主,在必要时允许辅以图示法。
比如用连续或断续的粗线表示连续或断续焊缝;在需要时绘制焊缝局部剖视图或放大图表示焊缝剖面形状;用细实线绘制焊前坡口形状等等。
符号标注法:通过焊缝符号和指引线表明焊缝形式的标注方法。
2、符号标注法的要素焊缝符号标注中有许多要素,其中焊缝基本符号和指引线构成了焊缝的基本要素,属于必须标注的内容。
除焊缝基本要素外,在必要时还应加注其他辅助要素,如辅助符号、补充符号、焊缝尺寸符号及焊接工艺等内容。
3、焊缝符号及其标注(1)焊缝基本符号是表示焊缝横断面形状的符号,共有13个(详见GB/324-88),例如:(2)辅助符号是表示焊缝表面形状特征的符号。
不需要确切地说明焊缝的表面形状时可以不加注辅助符号。
辅助符号配置在基本符号固定位置。
辅助符号有3个。
(3)补充符号是为了补充说明焊缝的某些特征而采用的符号,一共有5个。
(4)特殊符号是为了满足某些特殊情况而规定的焊缝符号,共有4个。
4、指引线及其标注指引线由箭头线和基准线组成。
(1)箭头线:箭头可指向接头侧和非接头侧;箭头线相对焊缝的位置一般没有特殊要求;允许箭头线弯折一次。
(2)基准线基准线含有实线基准线和虚线基准线。
虚线基准线可画在实线基准线的上方或下方; 焊缝符号标注在实线基准线上说明焊缝在箭头侧,标注在虚线基准线上说明焊缝在非箭头侧; 标注双面或对称焊缝时可不加虚线。
5、焊缝尺寸符号及其标注(1)焊缝标注有必要时可附带有焊缝尺寸符号及数据。
焊缝尺寸符号共有16个(详见GB/324-88),例如:(2)焊缝尺寸符号及数据的标注原则(如图):焊缝横截面上的尺寸标注在基本符号的左侧;长度方向的尺寸标在右侧;坡口角度、坡口面角度、根部间隙等尺寸标在基本符号的上侧或下侧。
相同焊缝数量的符号标在尾部。
各种焊缝坡口形式和尺寸大全1 焊缝坡口焊缝坡口即焊缝和材料表面间的引出角,可以去除滋生在焊缝内部有害介质。
适当的焊缝坡口有利于外表面质量与提高焊接强度。
1.1 九种不同焊缝坡口形式1.等宽坡口:就是两个斜面的角度相等的坡口,其斜面成直角。
2.两圆弧坡口:一端连接焊缝,另一端与材料原始表层成直角,其中一端有圆弧曲线,但其角度不同。
3.对锥坡口:两斜面的锥角不等,锥角大的斜面面向焊缝尾端,一般用于两种不同金属板材的联接时,如钢、铝;4.V型坡口:V型坡口是在正常V型坡口上,将其一部分变形为等宽坡口,或者一部分变形为对锥坡口,以此来改变坡口深度。
5.U型坡口:与V型坡口类似,但护角位置比V型坡口更靠近焊缝尾部,是为了更好的保护作用;6.J型坡口:正常的J形坡口斜面在正面观察时可见到J形,也就是上面是圆弧形,下面是直线形,焊接时在焊缝尾底部有一个护角;7.梯形V型坡口:它的坡口斜面由两段组成,一段是锥角小的等宽坡口,一段是锥角大的V型坡口,一般用于厚板。
8.厚板V型坡口:它有两个斜面,并且两个斜面形成一定角度,斜面前面有一定宽度护体,用于厚板;9.弧形坡口:坡口斜面由一段弧形组成,也是专用于厚板的,两端的弧形通常是90度,但是也可以改变角度。
1.2 焊缝坡口尺寸1.焊缝坡口尺寸有等宽尺寸和锥角尺寸两种,等宽尺寸表示两斜面角度相同,焊缝尺寸只需要用一个数字表示;而锥角尺寸则需要两个数字来表示,第一个数字表示较小斜面的角度,第二个数字表示较大斜面的角度。
2.焊缝坡口尺寸一般设置在2度-22.5度之间,根据材料、应力和热影响等因素,可选取合适的焊缝坡口尺寸。
3.焊缝坡口的深度一般小于焊缝的厚度,焊接工艺要求,一般深度应不小于0.5mm;且坡口深度过深,也会导致强度不佳,甚至损害焊接质量,所以要控制好深度。
目前而言,选取合适的焊缝坡口不仅有利于提升焊接性能,也有利于外表面质量与提高焊接强度,从而达到更有效率,更结实稳固的焊接效果。
焊接工程图的表达方法1、焊缝画法???在技术图样中一般采用GB324-88规定的焊缝符号法表示焊缝。
需要在图样上简易的绘制焊缝时,可以用视图、剖视图、断面图表示,也可以用轴测图示意表示。
图样中的可见焊缝可以用圆弧、直线表示(这些线段可以徒手绘制),也允许采用粗线(粗线宽度的22(1???缝尺寸1/10,如字高为(2???实线,(90°(3)、标注???标注时,箭头线对于焊缝的位置一般没有特殊的要求。
当箭头线直接指向焊缝时,可以指向焊缝的正面或反面。
但当标注单边V形焊缝、带钝边的单边V形焊缝、带钝边的单边J形焊缝时,箭头线应当指向有坡口一侧的工件。
如图所示。
(4)、基准线的虚线也可以画在基准线实线的上方,如上图c所示V型焊缝在视图中不可见的一侧,标在上下都一样,一定是符号中有虚线的一侧。
(5)、当箭头线直接指向焊缝时,基本符号应标注在实线侧,如上图中的U形焊缝符号和下图中的角焊缝符号。
当箭头线指向焊缝的另一侧时,基本符号应标注在基准线的虚线侧,如上图c中的V形焊缝的标注以及下图中下方的角焊缝。
(6)、标注对称焊缝和双面焊缝时,基准线中的虚线可省略。
如下图所示。
(7(8?????????其中e);S(图g n为相同???H,焊角高度K???在焊缝基本符号的右侧,标注焊缝长度方向的尺寸,如焊缝段数n、焊缝长度l、焊缝间隙e。
如果基本符号右侧无任何标注又无其它说明时,表明焊缝在整个工件长度方向上是连续的。
???在焊缝基本符号的上侧或下侧,标注坡口角度α;坡口面角度β和根部间隙b。
在指引线的尾部表注相同焊缝的数量N和焊接方法。
下图为焊缝符号说明:焊接装配图是一种不可拆卸的装配,许多大型的设备都采用这种装配方法。
小型的钢制家具也多采用这种方法。
???焊接装配图与一般的装配图编号、明细表、视图等表达方法相同,不同的是有些简单的焊接装配图直接标注所有装配件的详细尺寸,不再设计每一个小的零件结构,装配图充当了零件图的功能。
焊接符号什么是焊接符号焊接符号是一种工程语言,能简单、明了地在图纸上说明焊缝的形状、几何尺寸和焊接方法。
我国的焊接符号是由国家标准GB324规定的。
焊接符号有什么作用焊接符号是把在图样上用技术制图方法所表示的焊缝的基本形式和尺寸采用一些符号来表示的方法。
焊接符号可以表示出:(1)所焊焊缝的位置。
(2)焊缝横截面形状(坡口形状)及坡口尺寸。
(3)焊缝表面形状特征。
(4)表示焊缝某些特征或其他要求。
焊缝形式及坡口尺寸在图纸上是怎样表示的焊缝形式及坡口尺寸在图纸上一般采用技术制图的方法表示。
为了简化焊缝在图样上的表示方法,现采用国家标准规定的焊缝符号及坡口尺寸的表示方法。
焊接符号由哪几部分组成焊接符号一般是由基本符号和指引线组成,必要时还可以加上辅助符号、补充符号和焊缝尺寸符号。
焊缝形式及坡口尺寸在图纸上是怎样表示的焊缝形式及坡口尺寸在图纸上一般采用技术制图的方法表示。
为了简化焊缝在图样上的表示方法,现采用国家标准规定的焊缝符号及坡口尺寸的表示方法。
表示焊缝的基本符号有哪些焊缝基本符号是表示焊缝截面形状的符号,它采用近似于焊缝横剖面形状的符号来表示。
GB324-1988中规定了13种焊缝形式的符号,见表2-2。
点击下载焊接符号说明大全(excel表格详细讲解)焊接加工符号的国家标准有哪些焊接符号的国家标准主要有两个:(1) GB324一2008《焊缝代号》。
(2) GB985-1988《手工电弧焊焊接接头的基本形式与尺寸》。
表示焊缝的辅助符号有哪些辅助符号表示焊缝表面形状特征的符号,见表2-3。
不需要确切地说明焊缝的表面形状时,可以不用辅助符号。
表示焊缝的补充符号有哪些补充符号是为了补充说明焊缝的某些特征而采用的符号,见表2-4。
表示焊缝的尺寸符号有哪些焊缝的尺寸符号见表2-5。
焊接符号标注中的指引线指引线是表示指引焊缝位置的符号。
由带箭头的指引线和两条基准线(一条为实线,另一条为虚线)组成。
指引线指向有关焊缝处,基准线一般应为水平线。
三、常用的坡口形式
常用坡口形式包括:Y形坡口、VY形坡口、带钝边U形坡口、I 形坡口、V型带垫板坡口、Y型带垫板坡口、双U型坡口带钝边、双Y型坡口带钝边、K型坡口、I型坡口(T接)、Y形坡口(T接)、V型带垫板(T接)、单边V形坡口(T接)、单边V形带垫板(对接)、I 型坡口(搭接)、I型坡口(气电立焊)、V型坡口(气电立焊)、X型坡口(气电立焊)、单边V形坡口、带钝边单边V形坡口、2/3双Y形坡口等21种(见表1)。
焊接过程中,我们根据材质、板厚、焊接方法等因素的不同,合理选择不同的坡口形式进行焊接。
四、焊缝代号
焊缝代号由基本符号、辅助符号、引出线和焊缝尺寸符号等组成,基本符号和辅助符号在图纸上用粗实线绘制,引出线用细实线绘制。
1、基本符号
基本符号是表示焊缝横截面形状的符号,它采用近似于焊缝横截面形状的符号来表示,基本符号表示方法见表2
基本符号表表2
焊缝尺寸一般不标注。
如果设计要求或生产需要注明焊缝尺寸,焊缝尺寸符号表示方法见表4。
焊缝标注时,应注意其标注位置的正确性。
标注位置规定如下:(1)在焊缝符号左边标注:钝边高度p,坡口高度H,焊角高度K,焊缝余高h,熔透深度s,根部半径R,焊缝宽度c,焊点直径d。
(2)在焊缝符号右边标注:焊缝长度l,焊缝间隙e,相同焊缝数量n。
焊缝形式及坡口尺寸在图纸上是怎样表示的
焊缝形式及坡口尺寸在图纸上一般采用技术制图的方法表示。
为了简化焊缝在图样上的表示方法,现采用国家标准规定的焊缝符号及坡口尺寸的表示方法。
焊接符号由哪几部分组成
焊接符号一般是由基本符号和指引线组成,必要时还可以加上辅助符号、补充符号和焊缝尺寸符号。
焊缝形式及坡口尺寸在图纸上是怎样表示的
焊缝形式及坡口尺寸在图纸上一般采用技术制图的方法表示。
为了简化焊缝在图样上的表示方法,现采用国家标准规定的焊缝符号及坡口尺寸的表示方法。
表示焊缝的基本符号有哪些
焊缝基本符号是表示焊缝截面形状的符号,它采用近似于焊缝横剖面形状的符号来表示。
GB324-1988中规定了13种焊缝形式的符号,见表2-2。
点击下载焊接符号说明大全(excel表格详细讲解)
焊接加工符号的国家标准有哪些
焊接符号的国家标准主要有两个:
(1) GB324一2008《焊缝代号》。
(2) GB985-1988《手工电弧焊焊接接头的基本形式与尺寸》。
表示焊缝的辅助符号有哪些
辅助符号表示焊缝表面形状特征的符号,见表2-3。
不需要确切地说明焊缝的表面形状时,可以不用辅助符号。
表示焊缝的补充符号有哪些
补充符号是为了补充说明焊缝的某些特征而采用的符号,见表2-4。
表示焊缝的尺寸符号有哪些
焊缝的尺寸符号见表2-5。
焊接符号标注中的指引线
指引线是表示指引焊缝位置的符号。
由带箭头的指引线和两条基准线(一条为实线,另一条为虚线)组成。
指引线指向有关焊缝处,基准线一般应为水平线。
焊缝符号及尺寸标注在基准线
上,必要时基准线末端加一尾部,作其它说明用(如焊接方法等),如图3-18所示。
焊接符号标注方法
完整的焊缝表示方法应包括上述基本符号、辅助符号、补充符号,以及指引线、一些尺寸符号和数据等。
标注箭头线时,可指向焊缝或不指向焊缝,如图3-19所示。
基准线的虚线可在基准线的实线上侧或下侧,当焊缝在接头的箭头侧,则基本符号标在基准线的实线侧,如果焊缝在接头非箭头侧,则将基本符号标在基准线的虚线侧。
标注对称焊缝或双面埠缝可不加虚线,如图3-20所示。
焊缝尺寸符号及数据的标注原则如下:
1.在基本特号左边标注:钝边高度p,坡口高度H,焊角高度K,焊缝余高h,熔透深度s,
根部半径R,焊缝宽度C,焊角直径d。
2.在基本符号右边标注:焊缝长度l,焊缝间隙e,相同焊缝数量n。
3。
在基本特号上边标注:坡口角度a,根部间隙b。
焊接符号标注实例及方法
在焊接结构图样上,焊接方法可按国家标准GB5185-85的规定用阿拉伯效字表示,标注在指引线的尾部。
常用焊接方法代号见表3-9所示。
如果是组合焊接方法,可用“/”分开,左侧表示正面(或盖面)的焊接方法,右侧表示背面(或打底)焊接方法。
例如V形焊缝先采用钨极氢弧焊打底,后用手工电弧焊盖面,则表示为141/111。
焊缝符号和焊接方法代号标注示例见图3-21所示。
该图表示V形坡口对接焊缝,背面封底焊,正面焊缝表面齐平,焊接方法为打底焊用手工钨极氮弧焊,盖面焊和封底焊用手工电弧焊。
详解aws焊接符号
AWS其英文全称为American Welding Society,即:美国焊接学会。
AWS焊接符号标准在世界各地得到广泛的应用,因AWS焊接符号标准与中国的焊接符号标准(GB324)有所不同,对于经常接触国外图纸的朋友来说掌握AWS焊接符号标准是很必要的。
AWS与中国标准相同,AWS焊接符号也包含基准线和箭头线这样的基本元素,同样也有辅助符号,焊接符号的表示方式基本上都差不多。
例如,角焊缝国标的和AWS标准的表示的都是用三角符号。
不过,焊接符号所在基准线的位置,所表示的意思却恰恰相反。
因此所用到AWS标准时要参考原文,不能根据国标来理解。
钢结构焊接符号含义大全
钢结构焊接符号也是依据GB324一1988《焊缝代号》来绘制。
钢结构一般属于建筑学科,属于建筑行业。
因此在钢结构焊接符号的标注中经常伴随有建筑符号、型钢符号、螺栓符号及铆钉符号等。
钢结构焊缝符号表示的方法及有关规定:
1、焊缝的引出线是由箭头和两条基准线组成。
其中一条为实线,另一条为虚线,线型均为
细线。
如图1-33。
2、基准线的虚线可以画在基准线实线的上侧,也可画在下侧,基准线一般应与图样的标题
栏平行,仅在特殊条件下才与标题栏垂直。
3、若焊缝处在接头的箭头侧,则基本符号标注在基准线的实线侧;若焊缝处在接头的非箭头侧,则基本符号标注在基准线的虚线侧,如图1-34。
4、当为双面对称焊缝时。
基准线可不加虚线,如图1-35。
5、箭头线相对焊缝的位置一般无特殊要求,但在标注单边形焊缝时箭头线要指向带有坡口一侧的工件,如图1-36。
6、基本符号、补充符号与基准线相交或相切,与基准线重合的线段,用粗实线表示。
7、焊缝的基本符号、辅助符号和补充符号(尾部符号除外)一律为粗实线,尺寸数字原则上亦为粗实线,尾部符号为细实线,尾部符号主要是标注焊接工艺、方法等内容.
8、在同一图形上,当焊缝形式、断面尺寸和辅助要求均相同时,可只选择一处标注焊缝的符号和尺寸。
并加注“相同焊缝的符号”,相同焊缝符号为3/4圆弧,画在引出线的转折处。
如图1-37(a)。
在同一图形上,有数种相同焊缝时,可将焊缝分类编号,标注在尾部符号内,分类编号采用A,B,C......在同一类焊缝中可选择一处标注代号,如图1-37(b)。
9、熔透角焊缝的符号应按图1-38方式标注。
熔透角焊缝的符号为涂黑的圆圈,画在引出线的转折处。
10、用形中较长的角焊缝(如焊接实腹钢梁的翼缘焊缝),可不用引出线标注,而直接在角焊缝旁标注焊缝尺寸值K,如图1-39。
11、在连接长度内仅局部区段有焊缝时,按图1-40标注。
K为角焊缝焊脚尺寸。
12、当焊缝分布不规则时,在标注焊缝符号的同时。
在焊缝处加中实线表示可见焊缝,或加栅线表示不可见焊缝,标注方法如图1-41。
13、相互焊接的两个焊件,当为单面焊带双边不对称坡口焊缝时,引出线箭头指向较大坡口的焊件,如图1-42。
14、环绕工作件周围的围焊缝符号用圆圈表示,画在引出线的转折处,并标注其焊角尺寸K。
如图1-43。
15、三个或三个以上的焊件相互焊接时,其焊缝不能作为双面焊缝标注,焊缝符号和尺寸应分别标注,如图1-44。
16、在施工现场进行焊接的焊件其焊缝需标注“现场焊缝”符号。
现场焊缝符号为涂黑的三角形旗号,绘在引出线的转折处,如图1-45。
17、相互焊接的两个焊件中,当只有一个焊件带坡口时(如单面V形),引出线箭头是指向带坡口的焊件,如图1-46。
钢结构焊接符号大全:
.
. 一个钢结构焊接符号标注实例:。