电工设计报告
- 格式:doc
- 大小:37.50 KB
- 文档页数:5
电工创新创意报告(优秀8篇)电工创新创意报告篇1一、实习目的1、目的和意义对于机械专业的学生来说,电工电子是很重要的一门学科,在机械设计中往往离不开电子电工。
本次电工实习的目的是使我们对电工工具、电器元件及线路安装有一定的理论和实践基础,了解一些初步的线路原理以及线路图安装、调试。
培养和锻炼我们的实际动手能力,使我们的理论知识与实践充分地结合,为以后的巩固以前所学的电工电子知识,也为以后的学习打下坚实的基础。
2、发展情况及实习要求随着科学技术的发展,电工电子的技术也不断改进,越来越方便人们的工作、设计要求,。
例如电路的组装、焊接技术的改进,使得电工电子在生产生活等方面的作用越来越大,可以预见,未来其对社会建设必将贡献更大的力量。
通过安全用电教育、照明电路安装、焊接训练等实习,我们要初步掌握和了解一般的电工电子工艺技能,了解相关产品的生产和工艺过程,培养动手能力、创新能力以及严谨的工作作风。
认真完成项目实习,为以后的电工电子技术进一步学习打好严实的基础。
二、实习内容实习项目一:安全用电在电子实验中要用到电,甚至是高电压,所以安全用电是每个技术人员首先必须充分了解和学习的。
触电及其防护措施1、触电的种类分为电伤及电击。
2、影响触电造成人体伤害程度的因素有电流的大小、电流种类、电流作用时间、电流途径、人体电阻等。
3、触电原因分为直接触电(单相触电和两相触电)、间接触电、静电触电、跨步电压引起的触电等。
4、防止触电的技术措施以及触电急救。
安全用电以及设备安全用电必不可少,我们用严格按照操作要求,细心谨慎,确保人身安全,设备完整。
实习项目二:常用工具的使用本项目主要介绍常用电工电子工具的用途、规格及使用注意事项。
熟悉和掌握常用电工电子工具的结构、性能、使用方法和操作规范。
将有利于我们提高工作效率和产品质量乃至保障人身安全。
了解直流稳压电源、万用表、信号发生器、示波器的基本操作方法。
万用表具有用途多、量程广、使用方便等优点,是电子测量中最常用的工具。
物教101实验一电路基本测量一、实验目的1.学习并掌握常用直流仪表的使用方法。
2. 掌握测量直流元件参数的基本方法。
3.掌握实验仪器的原理及使用方法。
二、实验原理和内容1.如图所示,设定三条支路电流i1,i2,i3的参考方向。
2.分别将两个直流电压源接入电路中us1和us2的位置。
3.按表格中的参数调节电压源的输出电压,用数字万用表测量表格中的各个电压,然后与计算值作比较。
4.对所得结果做小结。
三、实验电路图四、实验结果计算参数表格与实验测出的数据us1=12v us2=10v实验二基尔霍夫定律的验证一、实验目的1.验证基尔霍夫定律,加深对基尔霍夫定律的理解; 2.掌握直流电流表的使用以及学会用电流插头、插座测量各支路电流的方法;3.学习检查、分析电路简单故障的能力。
二、原理说明基尔霍夫电流定律和电压定律是电路的基本定律,它们分别用来描述结点电流和回路电压,即对电路中的任一结点而言,在设定电流的参考方向下,应有∑i =0,一般流出结点的电流取正号,流入结点的电流取负号;对任何一个闭合回路而言,在设定电压的参考方向下,绕行一周,应有∑u =0,一般电压方向与绕行方向一致的电压取正号,电压方向与绕行方向相反的电压取负号。
在实验前,必须设定电路中所有电流、电压的参考方向,其中电阻上的电压方向应与电流方向一致。
三、实验设备1.直流数字电压表、直流数字毫安表。
2.可调压源(ⅰ、ⅱ均含在主控制屏上,根据用户的要求,可能有两个配置0~30v可调。
) 3.实验组件(含实验电路)。
四、实验内容实验电路如图所示,图中的电源us1用可调电压源中的+12v输出端,us2用0~+30v 可调电压+10v输出端,并将输出电压调到+12v(以直流数字电压表读数为准)。
实验前先设定三条支路的电流参考方向,如图中的i1、i2、i3所示,并熟悉线路结构。
1.熟悉电流插头的结构,将电流插头的红接线端插入数字毫安表的红(正)接线端,电流插头的黑接线端插入数字毫安表的黑(负)接线端。
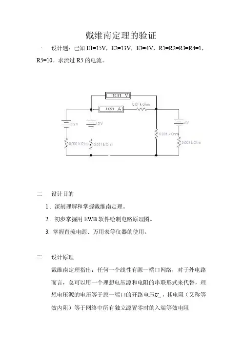
戴维南定理的验证一设计题:已知E1=15V,E2=13V,E3=4V,R1=R2=R3=R4=1,R5=10。
求流过R5的电流。
二设计目的1 . 深刻理解和掌握戴维南定理。
2 . 初步掌握用EWB软件绘制电路原理图。
3. 掌握直流电源、万用表等仪器的使用。
三设计原理戴维南定理指出:任何一个线性有源一端口网络,对于外电路而言,总可以用一个理想电压源和电阻的串联形式来代替,理想电压源的电压等于原一端口的开路电压U,其电阻(又称等oc效内阻)等于网络中所有独立源置零时的入端等效电阻R EWB模仿仿真。
eq四设计设备EWB软件五设计步骤1 . 如上图所示接好电路,测出R5两端的电压电流2 . 如图2所示,让各电源短路,测出该电路图的等效电阻。
3 . 如图所示,测出该电路的等效电压4 . 用等效的电压做电源,等效电阻做内阻,串联上R5,即可测得流过R5的电流。
放大电路的设计与波形图一. 设计题目设计一公射级放大电路要求输出为Q,放大倍数为Au二. 设计目的熟悉EWB软件的使用,并进一步了解放大电路的内部结构与原理。
三. 设计原理直流电源要设置合适静态工作点,并做为输出的能源。
对于晶体管放大电路,电源的极性和大小应使晶体管基极与发射极之间处于正向偏置;而集电极与基极之间处于反向偏置;即保证晶体管工作在放大区。
电阻取值得当,与电源配合,使放大管有合适的静态工作电流。
输入信号必须能够作用于放大管的输入回路。
当负载接入时,必须保证放大管输出回路的动态电流能够作用于负载,从而使负载获得比输入信号大得多的信号电流或信号电压。
四 . 设计步骤1 .设计如图所示电路,断开开关将电源开路后,测出电流与电压。
2. 将电路连上示波器,闭合开关,调整波形,使得两波相位相差180逻辑电路一.设计任务设计一个24进制计数器,计数状态从0~23.要求有译码显示。
二.设计目的熟悉软件的使用,进一步掌握逻辑电路的原理。
三.设计原理在EWB软件中构建一个二十四进制计数器,它是由两个二-五-十进制异步计数器74LS290构成,还有一个简单的与门连接其中所需要的某些管脚,异步的特点是每次在最低位加1时,从低位到高位的进位是逐位产生和传递的,触发器并不是同时作用,电路结构是很简单的,除触发器之外,不需要附加任何其他电路单元,它在时钟信号的不断作用下,计数状态从0~23不断循环变化。
(保密区域)第七届电工电子创新设计大赛决赛《简易直流电子负载》测试报告编号:基于MSP430F149单片机的恒流电子负载系统设计摘要: 设计一台恒流(CC)工作模式的简易直流电子负载。
以MSP430F149单片机为核心。
通过AD采集电流检测模块测量到的电流信息, 算法处理后, 利用D/A输出模块控制V/I转换电路从而实现恒流。
并且将电压、电流检测数据进行处理得到被测直流稳压源的负载调整率。
系统在工作中, 无论电子负载两端电压是否变化, 流过电子负载的电流为一个设定的恒定值。
关键词: 恒流;MSP430F149;V/I转换电路;数字控制Design of A DC Constant Current Electronic Load SystemBased on MSP430F149Abstract:Th.repor.i.base.o.th.desig.o..simpl.D.electroni.loa.o.constan.current .Th.syste.realiz.th.C.workin.mod.b.utilizin.th.MSP430F14.a.th.core,A.samplin.a n.detectiv.modul.t.measur.th.current,D/.outpu.modul.t.contro.th.V/.transfor.ci rcui.afte.bein.processe.b.algorithm.Besides,th.loa.regulatio.ca.b.automaticall .measure.b.processin.th.voltag.an.curren.samplin.data.Whe.th.syste.i.working,n .matte.ho.th.voltag.ove.th.loa.change,th.curren.throug.i.i..constan.value.Key Words:CC;MSP430F149;V/I transform circuit;Digital Control1.概述及方案选择在电路中,负载是用来消耗电源输出能量的装置。
目录第一章技术指标 (2)1.1 系统功能要求 (2)1.2 系统结构要求 (2)1.3 电气指标 (2)1.4 设计条件 (2)第二章整体方案设计 (3)2.1 整体方案 (3)2.2 整体原理及方框图 (3)第三章单元电路设计 (4)3.1 频率控制电路设计 (4)3.2 计数器设计(256) (5)3.3 存储器及正弦函数表 (6)3.4 D/A(II)正弦波产生电路 (7)3.5幅度控制 (8)3.6阻抗控制 (9)3.7整体电路图 (9)3.7 整体元件清单(理论值) (9)第四章测设与调整(数据) (11)4.1 频率控制电路调测 (11)4.2 地址计数器电路调测如下: (11)4.3 存贮器电路调测(R=1千欧) (11)4.4数字幅度电路调测 (11)4.5 波形扩展 (11)4.6 整体指标测试 (12)第五章设计小结 (13)5.1电子电路课程设计的意义 (13)5.2 设计任务完成情况 (13)5.3 问题及改进 (13)5.4 心得体会 (14)附录 (16)参考文献 (16)主要芯片介绍: (16)第一章技术指标1.1 系统功能要求人们在向计算机输送数据时,计算机首先要把十进制数转换成二-十进制码,即BCD码,运算器将接受到的二-十进制码转换成二进制数后才能进行运算。
这种把十进制数转换成二进制数的过程称为“十翻二”运算。
1.2 系统结构要求十翻二运算电路的结构要求如图(1)所示,其中十进制数输入采用并行BCD 码输入,由七段译码器转换成十进制数显示,同时经由四位超前进位并行加法器组成的电路转换成二进制数,用发光二极管显示。
系统复位转换启动十进制数输入图(1)1.3 电气指标1 具有十翻二功能。
2 实现三位十进制数到二进制数的转换。
3 能自动显示十进制数及对应的二进制数。
4 具有手动清零和手动转换功能。
5 十进制数输入采用并行输入。
(选做)十进制数输入采用串行输入。
1.4 设计条件电源条件:+5V,-5V•可供选择器件如下:•型号名称及功能数量•74283 四位超前进位并行加法器 3•4511 七段译码器3••7432 2四输入端或门 1•共阴极数码管 3•74174 复位六D触发器 2•拨码开关 2•100Ω电阻13•LED 发光二极管10• 1k 排阻 2导线若干第二章 整体方案设计2.1 整体方案事先对十进制数进行BCD 码置数,把置好的数存入锁存器中,触发启动后,经由锁存器分两路转发,一路转发给由七段译码器组成的静态显示电路,显示输入的十进制数;另一路转发给由四位超前进位加法器组成的十进制转换二进制数的电路,进行二进制显示。
一、实验背景与目的随着科技的不断发展,电工电子技术已成为现代工业和日常生活中不可或缺的一部分。
为了提高我国电工电子领域的创新能力,培养学生的实践能力和创新精神,本实验旨在通过一系列创新实验项目,使学生掌握电工电子实验的基本方法与技能,培养其综合运用知识解决实际问题的能力。
二、实验项目与内容本次实验共分为六个部分,具体如下:1. 电路基础实验(1)实验目的:了解电路基本概念,掌握电路分析方法。
(2)实验内容:电路元件识别、电路连接、电路分析、基尔霍夫定律验证等。
2. 模拟电子电路实验(1)实验目的:掌握模拟电子电路的基本原理和设计方法。
(2)实验内容:放大器设计、滤波器设计、稳压电路设计等。
3. 数字逻辑电路实验(1)实验目的:熟悉数字逻辑电路的基本原理和设计方法。
(2)实验内容:逻辑门电路、组合逻辑电路、时序逻辑电路、数字电路设计等。
4. 通信电路实验(1)实验目的:了解通信电路的基本原理和设计方法。
(2)实验内容:调制解调器设计、信道编码与解码、通信系统仿真等。
5. 数模混合电路综合设计实验(1)实验目的:培养学生综合运用数字和模拟电路知识解决实际问题的能力。
(2)实验内容:数据采集系统设计、数模转换器设计、模拟信号处理等。
6. 电子系统综合设计实验(1)实验目的:培养学生独立完成电子系统设计的能力。
(2)实验内容:电子系统方案设计、电路板设计、系统调试与优化等。
三、实验过程与结果1. 电路基础实验通过实验,学生掌握了电路元件的识别方法,学会了电路连接与分析,验证了基尔霍夫定律的正确性。
2. 模拟电子电路实验学生成功设计并搭建了放大器、滤波器、稳压电路等模拟电子电路,验证了电路原理的正确性。
3. 数字逻辑电路实验学生掌握了逻辑门电路、组合逻辑电路、时序逻辑电路的设计方法,成功完成了数字电路设计。
4. 通信电路实验学生设计了调制解调器、信道编码与解码电路,并利用仿真软件进行了通信系统仿真。
5. 数模混合电路综合设计实验学生完成了数据采集系统、数模转换器、模拟信号处理等数模混合电路设计,实现了信号的采集与处理。
中南大学电工电子技术课程设计汇报题目:可编程乐曲演奏器设计学院:信息科学和工程学院指导老师:陈明义专业班级:姓名:学号:前言伴随科学技术发展日新日异,电工电子技术在现代社会生产中占据着很关键地位,所以作为二十一世纪自动化专业学生而言,掌握电力电子应用技术十分关键。
电工电子课程设计目标在于深入巩固和加深所学电工电子基础理论知识。
使学生能综合利用相关关课程基础知识,经过本课程设计,培养我们独立思索能力,学会和认识查阅学习我们未学会知识,了解专业工程设计特点、思绪、和具体方法和步骤,掌握专业课程设计中设计计算、软件编制,硬件设计及整体调试。
设计过程中还能树立正确设计思想和严谨工作作风,达成提升我们设计能力目标。
从理论到实践,往往看似简单,实则是有很大差距,经过课程设计,能够培养我们学到很多东西,不仅能够巩固了以前所学过知识,而且学到了很多在书本上所没有学到过知识。
只有理论知识是远远不够,只有把所学理论知识和实践相结合起来,从理论中得出结论,才能真正学到知识,从而提升自己实际动手能力和独立思索能力。
在次,尤其感谢老师给我们以实践动手机会,让我们对以前知识以复习,整合,并从理论走向实践,相信我们全部会在这次课程设计中学到很多!!!目录前言 (2)正文第一章系统概述 (4)系统功效 (4)系统结构 (4)试验原理 (4)整体方案 (5)第二章单元电路设计和分析 (5)2.1 音频发生器设计 (5)2.2 节拍发生器设计 (6)2.3 读取存放器数据 (7)2.4 选择存放器地址 (8)2.5 控制音频电路设计 (8)第三章电路安装和调试 (9)第四章结束语 (9)元器件明细表 (10)参考文件 (10)附录 (11)第一章系统概述系统功效依据要求,我们设计该可编程电子音乐演奏电路能够经过开关选择预先设定好音乐曲目,曲目选定后则自动演奏所选曲目。
歌曲曲目能够暂停,能够重放,还能够依据情况调整歌曲播放速度。
基础达成估计要求,不过最大缺点就是歌曲播放音调不准!系统结构可编程电子音乐自动演奏电路系统结构要求图1-1所表示。
新疆大学课程设计报告所属院系:生命科学与技术学院专业:生物工程课程名称:电工实习设计题目:555定时器构成的警笛班级:生工13-1学生姓名:张锦玉学生学号:20131106004指导老师: 玛依拉完成日期:2015.5.24555定时器构成的警笛一、实验准备1、电烙铁简介1、常用电烙铁的种类和功率常用电烙铁分内热式和外热式2种。
内热式电烙铁的烙铁头在电热丝的外面,这种电烙铁加热快且重量轻。
外热式电烙铁的烙铁头是插在电热丝里面,它加热虽然较慢,但相对讲比较牢固。
电烙铁直接用220V交流电源加热。
电源线和外壳之间应是绝缘的,电源线和外壳之间的电阻应是大于200M欧姆.电子爱好者通常使用30W、35W、40W、45W、50W的烙铁。
功率较大的电烙铁,其电热丝电阻较小。
欧姆定律导出公式:R=U/I=U/I*U/U=U^2/P 2、电烙铁的使用注意事项(1)新买的烙铁在使用之前必须先给它蘸上一层锡(给烙铁通电,然后在烙铁加热到一定的时候就用锡条靠近烙铁头),使用久了的烙铁将烙铁头部锉亮,然后通电加热升温,并将烙铁头蘸上一点松香,待松香冒烟时在上锡,使在烙铁头表面先镀上一层锡。
(2)电烙铁通电后温度高达250摄氏度以上,不用时应放在烙铁架上,但较长时间不用时应切断电源,防止高温“烧死”烙铁头(被氧化)。
要防止电烙铁烫坏其他元器件,尤其是电源线,若其绝缘层被烙铁烧坏而不注意便容易引发安全事故。
(3)不要把电烙铁猛力敲打,以免震断电烙铁内部电热丝或引线而产生故障。
(4)电烙铁使用一段时间后,可能在烙铁头部留有锡垢,在烙铁加热的条件下,我们可以用湿布轻檫。
如有出现凹坑或氧化块,应用细纹锉刀修复或者直接更换烙铁头。
2、焊接操作姿势与卫生焊剂加热挥发出的化学物质对人体是有害的,如果操作时鼻子距离烙铁头太近,则很容易将有害气体吸入。
一般烙铁离开鼻子的距离应至少不小于30cm,通常以40cm时为宜。
电烙铁拿法有三种,如图一所示。
实习报告创新设计部分在本次电工实习中,我不仅巩固了书本上的知识,而且通过动手实践,提高了自己的技能水平。
在创新设计方面,我尝试了一些新的思路和方法,取得了一定的成果。
以下是我实习过程中创新设计的几个方面:1. PLC控制系统设计在实习过程中,我们使用了可编程逻辑控制器(PLC)来设计控制系统。
通过查阅资料和请教老师,我了解到PLC在工业自动化领域的重要应用。
在设计过程中,我尝试使用PLC来实现一些复杂的控制逻辑,例如电机启停控制、信号灯控制等。
通过不断调试和优化,我成功实现了预期控制效果,提高了控制系统的稳定性和可靠性。
2. 电路仿真与优化在电路设计过程中,我利用电路仿真软件对电路进行了仿真和优化。
通过仿真,我可以提前预测电路的性能和可能出现的问题,从而避免在实际制作过程中出现错误。
在优化过程中,我尝试采用不同的电路元件和连接方式,以提高电路的性能和稳定性。
例如,在照明电路设计中,我通过仿真优化,成功降低了能耗,提高了照明效果。
3. 智能家居系统设计在现代社会,智能家居系统越来越受到人们的青睐。
在实习过程中,我尝试设计了一套简单的智能家居系统,包括远程控制、定时控制、场景控制等功能。
通过使用智能手机或电脑,用户可以随时随地控制家中的电器设备,实现家居智能化。
在设计过程中,我学习了各种通信协议和接口技术,如Wi-Fi、蓝牙等,并成功实现了不同设备之间的通信和控制。
4. 节能减排设计在电工实习过程中,我高度重视节能减排,将节能理念融入到电路设计和创新中。
例如,在照明电路设计中,我选择了高效节能的LED灯具,并采用合理的布线方式,降低了能源消耗。
此外,我还设计了智能控制系统,根据室内外光线强度和人员活动情况自动调节灯光亮度,进一步降低能耗。
在电机控制方面,我尝试采用变频调速技术,实现电机的精确控制,降低功耗。
5. 安全防护设计在电工实习过程中,我充分认识到安全防护的重要性,并在设计中加入了多种安全措施。
电工中高级实训报告任务一、电动机控制线路的设计、安装与调试项目一、三相异步电动机点动及单相运行控制线路的安装与调试1.三相异步电动机的点动及单向运行控制线路的设计2.(1)三相异步电动机的点动控制线路3.电动机的点动控制电路,可以控制机械设备的步进和步退,电动机只作短时动作,不连续供电旋转。
机械设备手动控制间断工作,即按下启动按钮,电动机转动,松开按钮,电动机停转,这样的控制称为点动。
4.点动控制线路如图1-1 -1所示。
线路动作过程:先合上电源开关QS,按下按钮SB-KM线圈得电- +KM主触点闭合-→电动机M启动运转。
松开按钮SB-→KM线圈失电-→KM主触点断开-电动机M停止运转。
(2)三相异步电动机的点动及单向运行控制线路原理图(3)机械设备单向运转即电动机单向连续工作,而在一般控制设备中,单向运行为基本要求时,为了调试维修等需要,要求设备同时具有点动和单向运行控制功能,完成这种功能的控制电路即为混合控制电路。
其电气控制线路如图所示:线路的动作过程:先合上电源开关QS,点动控制、单向运行控制和停止的工作过程如下。
(1)点动控制。
按下按钮SB3- →SB3常闭触点先分断(切断KM辅助触点电路)。
SB3常开触点后闭合(KM辅助触点闭合) -→KM线圈得电→KM主触点闭合-→电动机M启动运转。
(2)松开按钮SB3- +SB3 常开触点先恢复分断→KM线圈失电→KM主触点断开( KM辅助触点断开)后SB3常闭触点恢复闭合→电动机M停止运转,实现了点动控制。
(3)(2)单向运行控制。
按下按钮SB2-→KM 线圈得电→KM主触点闭合(KM辅助触点闭合)-→电动机M启动运转。
实现了单向运行控制。
(4)(3)停止。
按下停止按钮SB1-→KM线圈失电→KM 主触点断开电动机M停止运转。
项目二、三相异步电动机正反转启动控制线路的安装与调试1.接触器互锁的正、反转控制线路2.图1-2-1所示为电动机正反转控制电路。
电工实验报告电工实验报告是电子技术、电气工程等相关领域的重要实验报告之一。
其主要目的是通过实践操作,检验电子电路及电器设备设计方案的正确性和可靠性,帮助电子电气专业的学生和研究人员加深对电子电路和电器设备原理的理解和应用能力。
下面我们列举三个电工实验案例,以帮助读者更好地了解电工实验报告的撰写与实践。
案例一:单相变压器的短路实验单相变压器短路实验是电工实验中常见的实验方法之一,通过对单相变压器进行短路测试,可以检测出变压器短路时产生的电流和损耗,并且能够评估变压器的工作性能。
在该实验中,实验者需要选取合适的电源和负载,并且根据具体的实验要求连接变压器的原、副侧以及短路电流测量电路。
通过实验数据的采集和处理,实验者能够计算出变压器的短路阻抗和负载功率,进而评估单相变压器的工作效能。
案例二:直流电动机启动实验直流电动机启动实验是电工实验中最基本的实验之一。
在该实验中,实验者需要选用合适的电源和电阻负载,通过接线和电路设置来测试电动机的各项性能。
实验中可以研究直流电动机转速、负载特性、输出功率和机械效率等参数,并且能够计算出电动机的反电动势和电流等重要参数。
通过该实验,实验者能够全面了解直流电动机的工作原理和性能特点,并且能够掌握直流电动机的最佳工作状态以及保护方法等实用技能。
案例三:交流断路实验交流断路实验是一种典型的电工实验方法,在该方法中,实验者需要选用合适的电源、电路和负载,根据具体的实验要求设置电压、电流和频率等参数。
实验者通过实际操作和数据采集,能够全面了解交流电路的工作原理和特性,从而能够熟练掌握交流电路的理论和实践,进而分析和解决交流电路中的实际问题。
在该实验中,实验者可以学习到交流电路的基础操作技能,了解电路的布线、电压分压、联合直流等实验方法,提高交流电路的分析和解决问题的能力。
总之,电工实验报告是电子电气专业学习和研究中不可缺少的重要环节,通过实践和掌握实验技能,学生和研究人员可以更好的理解和应用电子电路和电器设备的工作原理和性能特点,促进电子电气行业的发展和进步。
电工电子实验报告译码与显示电路一、实验目的1.掌握二进制译码器、二-十进制译码器和显示译码器的逻辑功能及各种应用。
2.熟悉十进制数字显示电路的构成方法。
3.了解动态扫描显示方式的电路工作原理及优点。
二、主要仪器设备及软件硬件:74LS139二四译码器,导线,四选一数据选择器,CD4511,电工电子综合实验箱,笔记本电脑软件:NI Multisim 14三、实验原理(或设计过程)1.译码器及其应用译码器一般都具有n个输入和m个输出的组合逻辑电路。
译码器按用途大致可以分为二类:二进制译码器和二-十进制译码器。
(1)二进制译码器二进制译码器是把n位二进制变换为具有2^n个不同状态的组合逻辑电路,常用的中规模集成译码器有2-4线、3-8线和4-16线3类。
①2-4译码器74LS139具有两个独立的2-4线译码器的中规模集成器件,其逻辑符号如图所示。
BA输入端,为二进制变量。
G非为使能端,G非为1时各项工作停止,为0时开始工作。
功能表如图②3-8译码器74LS138是3-8线译码器,其逻辑符号如图。
当G1=0或G2=G2A非+G2B 非=1时,译码器不工作;只有当G1=”1”,G2=”0”时才正常工作。
功能表如图:(2)二进制译码器的应用可以用使能端扩展、树状扩展来实现功能扩展;可以控制组件的工作时机;实现逻辑函数;实现数据分配器;实现脉冲分配器。
2.显示译码、数码管及其应用(1)显示译码管和数码管BCD七段译码器为了用数码管显示十进制数字,首先要将二-十进制代码送至显示译码器,再由译码器的输出去驱动数码管。
CD4511是七段译码器,A-D为输出BCD码输入端,a-g为译码器输出端,输出高电平有效。
LT非为测试输入端,BI非为消隐控制端。
功能表如下(2)显示译码管数码管及其应用1)静态显示电路每一组BCD都有一套独立的显示电路显示2)动态显示电路一片译码器带4个数码管的译码显示电路。
当BA=00时,选择器把A3A2A1A0送入1号数码管,当BA=01,10,11时,分别送B3B2B1B0,C3C2C1C0,D3D2D1D0到2、3、4号数码管。
电工实验报告(11篇)电工实验报告(精选11篇)电工实验报告篇1电工实验是电子工程领域中必不可少的一部分,我们需要了解电路的结构和功能,以及电流、电压等基本概念,才能在实验中有效地运用这些知识,从而提高实验效果。
在进行电工实验中,我们不仅要认真观察测量结果,还需要注意安全,有条理地组织实验步骤,以保证实验的准确性和可靠性。
在电工实验中,读懂电路图和理解电路要素是非常关键的。
在学习实验前,我们需要先对相关的电路和器件进行学习,掌握其运行原理和特性,更好地理解电路的构成及其各个部分之间的联系,以便能够对电路进行分析和解决实验中遇到的问题。
此外,我们还需要掌握一些测量工具的使用方法,如万用表等。
在实验过程中,我们还应该注意保持测试仪器的精确。
实验过程中,我们还应注意安全问题。
我们应该根据实验安全要求进行操作,并带好相应的个人防护用品。
在进行电路连线时,应尽可能选择符合安全要求的连线方式,并充分考虑实验环境的安全性,以避免发生不必要的.事故。
同时,我们应该根据实验要求选择合适的电源,并根据实验要求对电源进行正确连接,以避免板子或器件损坏或发生其他故障。
在实验过程中,我们需要有条理地组织实验步骤。
通过合理地安排实验步骤,我们可以在较短的时间内完成实验,并取得更好的实验效果。
在实验时,我们应该遵循实验要求,按照实验步骤进行操作,以确保实验的准确性和可靠性。
如果在实验过程中出现问题,我们应该及时进行记录,以便更好地发现并解决问题。
总之,电工实验是电子工程学生学习和应用电子技术的重要环节。
在实验中,我们需要认真学习电路和器件的相关知识,掌握测量工具的使用方法,注意安全问题,并有条理地组织实验步骤,以获得更好的实验效果。
同时,我们还需要不断学习和扩展自己的知识,在实践中积累更多的经验,以更好地应对电子工程中的挑战。
电工实验报告篇2通过一个星期的电工实习,使我对电器元件及电路的连接与调试有一定的感性和理性认识,打好了日后学习电工技术课的基础。
篇一:电工电子设计实验报告电工电子设计实验报告一、实习目的? 理解收音机的工作原理;? 提高缓解装配技能、训练识图能力;? 掌握晶体管收音机的调试方法与步骤,学会故障分析方法,培养理论联系实际能力;? 培养学生正确的操作方法和严谨的态度二、实习主要任务???? 安全用电常识的学习元器件识别与检测收音机的组装直流稳压电源三、实习内容安全用电常识与工具应用方法? 安全用电常识人体可以导电,当人体触及带电体的时,就可能产生触电。
触电有两种类型的伤害,一种是电伤,另一种是电击。
电伤是由于发生触电二导致的人体外表床上。
电伤通常产生灼伤、电烙伤和皮肤金属化。
电击是指电流通过人体干扰人体正常的生物电流造成肌肉痉挛。
影响触电危险成都的因素有电流的大小、电流的种类、电流的作用时间以及人体电阻。
人体触电事故的形式一般有直接或间接接触带电体以及跨步电压两种。
手工焊接是焊接技术的基础,也是电子产品装配中的一项基本操作技能。
手工焊接适用于小批量生产的小型化产品、一般结构的电子整机产品、默写便于机器焊接的场合及调试和维修中修复焊点和更换元器件等。
焊接前的准备包括:选用适当的焊料、焊剂;选用合适功率的电烙铁;选用合适的烙铁头;烙铁头的清洁和上锡;音质电路板可焊性检查与处理;元器件引线加工成型。
手工焊接时,一手握掉烙铁,另一首拿焊锡丝,帮助电烙铁吸收焊料。
电烙铁拿法有三种,反握法、正握法、握笔法。
拿焊锡丝的方法一般有两种,连续焊锡丝拿法(即用拇指和食指握住焊锡丝)和断续焊锡丝拿法(即用食指、拇指和中指夹住焊锡丝)。
正确的焊接操作过程可分为五步来实现。
准备工作:左手拿焊锡丝,右手握电烙铁,进入被焊状态,要求烙铁头保持干净,且无焊渣的氧化物,并在表面镀有一层焊锡。
加热函件:电烙头靠在函件与焊盘之间的连接处,进行加热,世家约为2秒左右。
在印制板上焊接元件时,要注意烙铁头同时紧密接触焊盘和元器件的引脚与焊盘同时均匀受热。
加热焊锡丝:当焊件的焊接点被加热到一定温度是,从烙铁对面添加焊锡丝,是焊锡丝融化后润湿焊点。
电工电子技术实验报告一、实验目的通过本实验,了解集成电路的基本特点、AC/DC电路特性,熟悉电路性能测试仪器的使用,掌握振荡电路、放大电路的基本原理,能灵活运用电路知识分析、设计电子电路。
二、实验条件与实验设备电子实验室、双踪示波器、函数信号发生器、数字万用表、直流电压源。
三、实验内容和实验步骤3.1. 单管振荡电路1)电路图2)实验步骤①按图1接线,调试稳压电源以保证电压稳定。
②调节单管振荡电路电源电压VL,使其为12.5V;③将信号发生器接入振荡电路,设置为60kHz信号,并且保持幅度为5Vpp;④用双踪示波器测量输出信号Y,观察波形,并且记录峰峰值、频率;⑤改变电源电压VL,做实验同上。
3)实验结果与分析当电源电压12.5V时,输出信号为正弦波形,峰峰值约为8.5V,频率约为60kHz,并且信号稳定。
再改变电源电压范围为8V~20V,实验结果如下:电压(V)输出波形频率(kHz)峰峰值(V)20 正弦 60 12.716 正弦 60 11.112.5 正弦 60 8.510 正弦 60 7.28 正弦 60 6.1从实验结果可以看出,当电源电压较低时,输出波形所显示的峰峰值向下偏离标准值,并且频率保持不变。
3.2. 信号放大电路①依照图2接线。
电路电源电压+12V,-12V;②调节稳压电源,令VCC=12V;③分别用函数信号发生器产生1kHz正弦波信号作为输入信号;⑤用万用表测量晶体管特性,记录hfe和Ube的值;当输入信号为1kHz正弦波时,经过信号放大电路输出,输出波形为同频率正弦波,峰峰值略大于输入信号峰峰值,表格如下:输入信号峰峰值(V)输出信号峰峰值(V)1kHz正弦波 0.78 1.05改变电压后,放大倍数随之改变。
比如当输入信号为7Vrms,输出信号与输入信号之间增益实验结果如下:7 6.4 0.914)实验分析通过实验演示,发现输入信号通过放大电路后,输出信号的振幅会随着输入信号增加而增加。
电工电子综合课程设计报告一、课程设计背景电工电子综合课程是电气工程类专业的重要课程之一,本着理论与实践相结合的原则,课程设计是一项必不可少的重要任务。
在课程设计的过程中,要注重理论知识的学习和实践能力的培养,加强学生对电力电子技术的认知,提高学生的创新能力和实践操作技能。
在实践中要充分考虑课程目标的实现,提高课程设计的现实意义和实用性,为学生的未来职业发展提供有力的帮助。
二、课程设计目标本次课程设计旨在提高学生的实践能力,培养学生的电子电路的设计能力和电力系统的操作技能。
本次课程设计的目标如下:1.使学生掌握电力电子技术的基本原理与电路设计方法;2.锻炼学生的实验能力和操作技能,让学生能够熟练进行电力系统设计和电子电路测试;3.提高学生的团队合作能力和创新意识,让学生能够团队合作设计出具有实用价值的电子电路;4.培养学生的实践操作体验,让学生在实验操作中不断探索、研究,提高学生的动手能力和表达能力。
三、课程设计具体内容1.电子元器件基础知识本次课程设计将深入讲解电子元器件的基础知识,如二极管、三极管、场效应管等,让学生从基础知识入手,深入了解电子元器件的特性和应用,为后续的课程设计做好铺垫。
2.电路设计与实现在学习了基础知识之后,接下来就是进行电路设计和实现。
本次课程设计将分为两个阶段进行,首先是单元电路的设计和实现,包括各种放大电路、滤波电路、比较电路等;然后是单元电路的组合,设计出整个系统的电路。
学生们需要团队合作,进行设计和实验,利用已学习的电路知识,自行完成电子电路的设计,体验电子设计的乐趣和成就感。
3.电力系统维护和调试在电子电路设计阶段结束后,接下来是电力系统的维护和调试。
学生将学习电力系统的基本原理,如电力系统的拓扑结构、逆变器原理、控制电路原理等,然后进行电力系统的调试和维护,实际操作学习电力系统的运行和维护,如何发现电力系统运行异常,如何进行维护调试等,为日后的电力工程实践奠定基础。
南邮电工电子课程设计报告通信与信息工程学院/ 年第 1 学期课程设计II 实验报告模块名称八只数码管动态显示单个数字专业通信工程(嵌入式系统开发)学生班级 1000学生学号 1000学生姓名指导教师报告内容摘要功能简介:1内容:利用动态扫描让八位数码管稳定的显示1、2、3、4、5、6、7、82目标:(1)掌握单片机控制八位数码管的动态扫描技术,包括程序设计和电路设计,本任务的效果是让八位数码管稳定的显示12345678。
(2)用PROTEUS进行电路设计和实时仿真3知识点链接(1)数码管动态扫描(动态扫描的定义以及与静态显示的区别)动态显示的特点是将所有位数码管的段选线s一位数码管有效。
选亮数码管采用动态扫描显示。
所谓动态扫描显示即轮流向各位数码管送出字形码和相应的位选,利用发光管的余辉和人眼视觉暂留作用,使人的感觉仿佛各位数码管同时都在显示。
(2)总线的应用元器件与总线的连线P0口的接线采用总线方式,详细如图------所示。
①选择总线按钮②绘制总线:与普通电线的绘制方法一样,选择合适的起点、终点单击。
如果终点在空白处,左键双击结束连线。
画总线的时候为了和一般的导线区分,我们一般喜欢画斜线来表示分支线。
此时我们需要自己决定走线路径,只需在想要拐点处单击鼠标左键即可。
在画斜线时,需要关闭线路自动路径功能才好绘制。
Proteus的线路自动路径功能简称WAR,当选中两个连接点后,WAR将选择一个合适的路径连线。
WAR可经过使用标准工具栏里的“WAR”命令按钮来关闭或打开,也能够在菜单栏的“Tools”下找到这个图标。
③给与总线连接的导线贴标签PART LABELS与P0口相连的线标签名依次为P00—P06,本电路中的P0口的上拉电阻经过总线与P0口相连,数码管也是经过总线与P0口相连,这些都需要标注,以表明正确的电气连接。
单击绘图工具栏中的导线标签按钮,使之处于选中状态。
将鼠标置于图形编辑窗口的欲标标签的导线上,跟着鼠标的指针就会出现一个“×”号,表明找到了能够标注的导线,单击鼠标左键,弹出编辑导线标签窗口,如图---所示。
题目感应式自动门铃设计
课程名称电工电子综合设计
院部名称智能科学与控制工程学院
专业自动化
班级 15自动化1
学生姓名徐阳东、魏铭、胡维波
课程设计地点C105
课程设计学时 2周
指导教师余振中
金陵科技学院教务处制
一、目的和意义
电工电子综合设计是通过设计一个完整的电工电子应用电路,来考察学生对大学前两年学过的电工学、电子学等课程的一个中期性总结,使学生初步掌握对专业基础知识的综合应用,初步培养学生一定的设计能力和创新能力,并提高学生的动手实践能力,为后面专业课程的学习打下扎实的分析问题、解决问题的能力。
二、课程设计任务及要求
1.利用学过的专业课程,包括大学物理、电路分析、电子技术等专业基础课程,设计一个完整的电工电子应用电路,该电路能实现弱电控制强电,并具有一定的实用性和趣味性;
2.深刻理解课题要求,可用不同方案来实现电路功能,体现一定的创新性;
3.设计初期,要求提交一份选题报告,选题报告里要体现出所选题目的基本原理、小组分工、进度安排及主要元件清单和经费预算。
4.设计结束,要求提交一份设计说明书和所作的电子电路硬件实物,并要求进行PPT的制作和现场答辩。
三、总体方案与原理说明
当有客人来到门前时,热释电传感器将检测到人体的辐射红外线转变成电信号,经IC1红外热释电传感器内部放大、鉴幅等处理后,其第二脚输出高电平信号,由晶体管VT倒相后,触发单稳态触发器IC2翻转,超低频振荡器IC3和音频振荡器IC4工作,扬声器BL发出3声“嘟——”的声音。
四、单元电路说明
1.热式电式红外探头
热式电式红外探头是一种被动式红外检测器件,能以非接触方式检测出人体发出的红外辐射,并将其转化为电信号输出。
同时,热式电红外探测头还能够有效地抑制人体辐射波长以外的红外光和可见光的干扰,具有可靠性高,使用简单方便,体积小,质量轻的特点。
热释电效应及原理。
在自然界,任何高于绝对温度(-273K)的物体都将产生红外光谱,不同温度的物体释放的红外能量的波长是不一样的,因此红外波长与温度的高低是相关的,而且辐射能量的大小与物体表面温度有关。
当一些晶体受热时,在晶体两端将会产生数量相等而符号相反的电荷,这种由于热变化产生的电极化现象,被称为热释电效应。
通常,晶体自发极化所产生的束缚电荷被来自空气中附着在晶体表面的自由电子所中和,其自发极化电矩不能表现出来。
当温度变化时,晶体结构中的正负电荷重心相对移位,自发极化发生变化,晶体表面就会产生电荷耗尽,电荷耗尽的状况正比于极化程度,图1表示了热释电效应形成的原理。
热释电传感器利用的正是热释电效应,是一种温度敏感传感器。
它由陶瓷氧化物或压电晶体组件组成,组件两个表面做成电极,当传感器监测范围内温度有ΔT的变化时,热释电效应会在两个电极上会产生电荷ΔQ,即在两电极之间产生一微弱电压ΔV。
能产生热释电效应的晶体称之为热释电体或热释电组件,其常用的材料有单晶(LiTaO3 等)、压电陶瓷(PZT等)及高分子薄膜(PVFZ等)。
当以LiTaO3为代表的热释电材料处于自极化状态时,吸收红外线入射波后,结晶的表面温度改变,自极化也发生改变,结晶表面的电荷变得不平衡,把这种不平衡电荷的电压变化取出来,便可测出红外线。
热释电材料只有在温度变化时才产生电压,如果红外线一直照射,则没有不平衡电压,一旦无红外线照射时,结晶表面电荷就处于不平衡状态,从而输出电压。
热释电红外线传感器因红外光线的照射与遮挡得到或失去热量,从而产生电压输出。
从原理上讲应与波长无关,但由热释电材料做成的传感器有一个透光窗,而透光窗的选材与波长有关系。
如以SiO2为窗材的传感器,它可以透过几乎全部的可见光,而有的窗材只能通过4μm附近波长的光,有的能透过6.1μm波长的光,有的能透过8μm~14μm波长的光,所以使用不同的窗材就可确认是哪个波长的光产生的热。
1.1热释电红外传感器内部结构
热释电红外传感器内部由光学滤镜、场效应管、红外感应源(热释电元件)、偏置电阻、EMI 电容等元器件组成,其内部电路框图如图2所示。
图2 热释电红外传感器内部电路框图
光学滤镜的主要作用是只允许波长在10μm左右的红外线(人体发出的红外线波长)通过,而将灯光、太阳光及其他辐射滤掉,以抑制外界的干扰。
红外感应源通常由两个串联或者并联的热释电元件组成,这两个热释电元件的电极相反,环境背景辐射对两个热释电元件几乎具有相同的作用,使其产生的热释电效应相互抵消,输出信号接近为零。
一旦外界温度变化时,红外辐射通过部分镜面聚焦,并被热释电元件接收,由于角度不同,两片热释电元件接收到的热量不同,热释电能量也不同,不能完全抵消,经处理电路处理后输出控制信号。
热释电效应同压电效应类似,是指由于温度的变化而引起晶体表面电荷的现象。
热释电红外传感器由陶瓷氧化物或压电晶体元件组成,在元件两个表面做成电极,在传感器监测范围内温度有△T的变化时,热释电效应会在两个电极上产生电荷△Q,即在两电极之间产生一微弱的电压△V。
由于它的输出阻抗极高,在传感器中有一个场效应管进行阻抗变换。
热释电效应所产生的电荷△Q 会被空气中的离子所结合而消失,即当环境温度稳定不变时,△T=O,传感器无输出
2.控制电路
控制电路是由555时基电路IC2构成的但稳态触发器。
当热式电传感器检测到人体红外线辐射时,触发单稳态触发器翻转为暂态,IC2输出脉宽约为6s的高电平,使后续声音电路IC3,IC4工作。
6s过后,IC2恢复到稳态,输出为”0”,声音电路停止工作。
555时基电路引脚解析
凡是时基电路555,电路内部结构相同,性能都是相同的。
时基电路555有很多厂家型号,如MC555、CA555、XR555、LM555等;国产型号有SL555、FX555、5G1555等,典型的、也是最常用的是NE555。
555前的字母只表示生产厂家。
555时基电路是一种用途较广的精密定时器,可用来发生脉冲、作方波发生器、自激振荡器、定时电路、延时电路、脉宽调制电路、脉宽缺少指示电路、监视电路等。
其工作电压为5~18V,常用10~15V,最大输出电流200mA,可驱动功率开关管、继电器、发光管、指示灯、,做振荡器
时,最高频率可达300kHz。
555时基电路比较简单,内部集成了21个晶体三极管、4个晶体二极管和16个电阻组成了两个电压比较器、一个R-S触发器、一个放电晶体管和一个由3只电阻组成的分压器。
图中上比较器A1和下比较器A2是由两个高增益的电压比较器,VT为放电三极管,3个电阻R1、R2、R3阻值都是5kΩ,是3个5组成,时基电路555名称由此而来。
555的8脚是集成电路工作电压输入端,电压为5~18V,以UCC表示;从分压器上看出,上比较器A1的5脚接在R1和R2之间,所以5脚的电压固定在2UCC/3上;下比较器A2接在R2与R3之间,A2的同相输入端电位被固定在UCC/3上。
1脚为地。
2脚为触发输入端;3脚为输出端,输出的电平状态受触发器控制,而触发器受上比较器6脚和下比较器2脚的控制。
当触发器接受上比较器A1从R脚输入的高电平时,触发器被置于复位状态,3脚输出低电平;
2脚和6脚是互补的,2脚只对低电平起作用,高电平对它不起作用,即电压小于1Ucc/3,此时3脚输出高电平。
6脚为阈值端,只对高电平起作用,低电平对它不起作用,即输入电压大于2 Ucc/3,称高触发端,3脚输出低电平,但有一个先决条件,即2脚电位必须大于1Ucc/3时才有效。
3脚在高电位接近电源电压Ucc,输出电流最大可打200mA。
4脚是复位端,当4脚电位小于0.4V时,不管2、6脚状态如何,输出端3脚都输出低电平。
5脚是控制端。
7脚称放电端,与3脚输出同步,输出电平一致,但7脚并不输出电流,所以3脚称为实高(或低)、7脚称为虚高。
3.声音电路
声音电路由两个555时基电路IC3和IC4构成间歇音频信号源。
其中,IC3构成超低频振荡器,输出周期为2s的方波信号;IC4构成音频振荡器,输出频率为800Hz的音频信号。
这两个振荡器都是门控多谐振荡器。
它们震荡与否都受前一级电路输出状态控制。
从电路图中可以看到,555时基电路IC4 的复位端(第4脚)受IC3输出端(第3脚)的控制,IC3的复位端(第4脚)又受IC2输出端(第3脚)的控制。
所以,当电路被触发一次时,便会在6s.时间内发出3声“嘟——”的门铃声。
五、元件清单
设计心得与体会
经过两周的电工设计,完成了这次实体器件设计操作。
在如今理论课很多的情况下,课程设计是我们的实践课,不但能在这个课程上复习很多理论知识还能对之前的知识有着更透彻的认识与理解,更重要的是学到很多工程技术上的知识,包括焊接、器件等问题。
通过这次设计焊接,我们发现焊接电路确实有些辛苦,器件的接口都很小,而且在焊接过程中要注意不能与其他线相触碰,这个要求我们必须要集中精力并对焊笔控制的更精准一些。
参考文献
[1]门宏.实用电工电路300例图解.北京:电子工业出版社,2014.1
[2]康华光.数字电子技术.高等教育出版社,2009
[3]王勤.电工电子技术应用与实践教程.高等教育出版社,2008
附件:电路图。