产前会议制度及程序
- 格式:doc
- 大小:21.00 KB
- 文档页数:2
产前会议工作流程产前会议是为了确保项目的顺利进行而进行的一个重要工作环节。
这个会议通常由项目负责人或者项目经理主持,旨在与项目团队的成员共同讨论项目计划、目标和时间表,同时识别和解决可能的问题和风险。
下面是一个标准的产前会议的工作流程:1.准备阶段在召开产前会议之前,项目负责人需要与团队成员进行准备工作。
首先,他们需要确定会议的目的和议程。
会议的目的可能是讨论项目的整体目标、确定项目的里程碑和关键交付物,以及解决可能存在的风险和问题。
确定了目的后,负责人就可以制定详细的议程,包括主题和预计时间。
2.召开产前会议在会议开始前,负责人需要通知所有参会人员,并发送会议议程。
会议通常在办公室的会议室或在线会议平台上进行。
在会议开始时,负责人首先介绍会议的目的和议程,并确保所有人都清楚了解。
3.项目概述在会议的开始阶段,项目负责人会对项目进行一次概述。
这包括项目的目标、范围和时间表。
他们可能会提供一份详细的项目计划,并向团队成员解释其在项目中的角色和职责。
这有助于确保团队成员对整个项目有一个共同的理解。
4.里程碑和关键交付物在产前会议中,团队成员将会讨论项目的里程碑和关键交付物。
他们可以共同制定并确认项目的关键里程碑和交付物。
这有助于确保团队在项目执行过程中能够清楚地了解关键节点和目标。
5.问题和风险识别在会议中,团队成员将有机会提出他们认为可能出现的问题和风险。
这些问题和风险可能包括技术限制、资源不足、时间压力等。
负责人会记录所有的问题和风险,并确保团队共同讨论并寻找解决方案。
6.解决方案和行动计划一旦问题和风险被确认,团队成员将开始讨论并制定解决方案。
这可能涉及分配任务或资源,重新调整时间表,或寻找外部支持等。
负责人将协调讨论和记录所有行动计划。
确保每个行动计划都有责任人,并分配适当的截止日期。
7.会议总结和跟进在会议的最后阶段,项目负责人会对会议进行一个总结,并确保每个行动计划和责任人都得到明确。
他们会提醒团队成员将行动计划添加到项目管理工具中,并在适当的时候跟进进展。
工厂产前协调会议流程一、会前准备。
咱们开产前协调会之前呀,那得有不少准备工作呢。
相关的人员得先确定好,就像生产部门的负责人啦,采购部门的小伙伴,还有设计团队的精英们,这就好比是一场大戏,各个主角都得找齐咯。
然后呢,会议的时间和地点也要早早定下来,挑个大家都方便的时间,可不能让谁因为这个会议而打乱了一整天的计划呀。
地点嘛,最好是宽敞明亮又安静的地方,这样大家的思路才不会被打扰。
负责会议的人还得提前把要讨论的主题和议程大概列出来,比如说生产计划怎么安排,原材料采购有没有啥问题,设计图有没有最终敲定之类的。
这就像是给大家一个指引,让大家知道来这个会是要干啥的。
而且呀,相关的资料也要提前准备好,像之前的订单情况啦,市场的需求预测呀,这些资料就像是我们的武器,有了它们,在会议上讨论起来才能有理有据。
二、会议开场。
会议开始的时候呀,气氛很重要哦。
主持人可以先开个小玩笑,活跃一下气氛,比如说“大家今天都打扮得这么精神,是不是都准备在这个会上大放异彩呀”。
然后简单介绍一下来参加会议的各个部门的人员,就像介绍一群超级英雄一样,让大家互相熟悉熟悉。
再把会议的目的和大致流程说一下,让大家心里都有个底。
三、部门汇报。
接下来就是各个部门的汇报时间啦。
生产部门可以先说:“咱这边呢,目前工人的状态都还不错,设备也都检查过了,没什么大问题。
不过呢,按照这个订单量,如果要按时完成生产任务,可能需要加班加点,但是加班的话,工人的补贴这一块得考虑好,不然大家可能会有小情绪哦。
”采购部门接着说:“我们在原材料采购这一块,大部分的材料都已经联系好了供应商,但是有那么一两种特殊的材料,供应商那边说可能会延迟交货,我们正在想办法解决,看看能不能从其他渠道找到替代的,或者让他们尽快交货。
”设计部门也不能落后呀:“我们的设计图基本已经完成了,不过在和生产部门对接的时候,发现有几个小细节可能需要调整一下,比如说某个部件的尺寸,我们觉得稍微改一改会更利于生产,而且对产品的整体美观度也不会有影响。
试产前会议流程下载温馨提示:该文档是我店铺精心编制而成,希望大家下载以后,能够帮助大家解决实际的问题。
文档下载后可定制随意修改,请根据实际需要进行相应的调整和使用,谢谢!并且,本店铺为大家提供各种各样类型的实用资料,如教育随笔、日记赏析、句子摘抄、古诗大全、经典美文、话题作文、工作总结、词语解析、文案摘录、其他资料等等,如想了解不同资料格式和写法,敬请关注!Download tips: This document is carefully compiled by the editor. I hope that after you download them, they can help yousolve practical problems. The document can be customized and modified after downloading, please adjust and use it according to actual needs, thank you!In addition, our shop provides you with various types of practical materials, such as educational essays, diary appreciation, sentence excerpts, ancient poems, classic articles, topic composition, work summary, word parsing, copy excerpts,other materials and so on, want to know different data formats and writing methods, please pay attention!试产前会议是每个工厂在开始新产品试产阶段前都必须进行的重要活动。
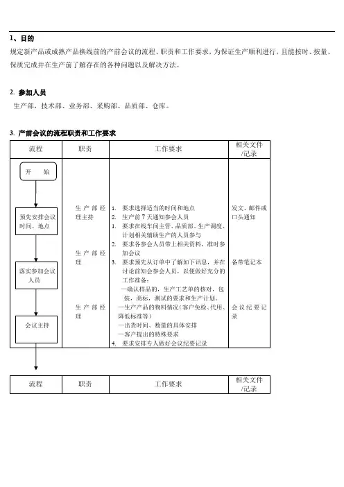
产前会议程序文件编号:COP-0101.目的规定新产品试产或成熟产品换线前的产前会议的流程、职责和工作要求,为保证生产顺利进行,且能按时、按量、保质完成并在生产前了解存在的各种问题以及解决方法。
2.适用范围生产部所有领班、组长和相关部门的生产辅助人员。
3.产前会议的流程/职责和工作要求3.1纪要流程职责工作要求相关文件记录开始预先安排会议时间、地点责任组长:责任组长:责任组长:3.2操作流程3.2.1.要求选择适当的时间和地点3.2.2.生产前4小时通知参会人员3.2.3.要求在线领班、组长、责任课长以及工程、品管部、计划相关辅助生产的人员参与;3.2.4.要求各参会人员带上相关资料,准时参加会议。
3.2.5.要求预先从订单中了解如下讯息,并在讨论前知会参会人员,以便做好充分的工作准备:----生产机型的物料情况(客户免检、代用、降低标准等);----出货时间、数量的具体安排;----客户提出的特殊要求;3.2.6.要求安排专人做好会议纪要记录.3.2.7.发文、邮件或口头通知3.2.8.备带笔记本3.2.9.会议纪要记录流程职责工作要求相关文件记录讨论记录员会议主持人:3.3具体事宜3.3.1.要求反应快捷,认真做好《产前会议纪要》;3.3.2.要求会毕时将《产前会议纪要》给会议主持人确认记录是否完整。
3.3.3.要求讨论前落实工程的制造工艺文件、测试文件以及机架、仪器、设备的到位时间;3.3.4.要求工程提出相关注意事项,以及该机型的特殊要求,以便生产做好充分的准备工作;3.3.5.要求品管部结合以往的检验报告,提出所存在的问题;3.3.6.要求生产组长、PQC组长将以往生产中出现过的问题提出;3.3.7.要求工程对品管部、生产组长、PQC组长提出的问题给出可行性的改善对策;3.3.8.要求明确预加工、插件、手焊、组合、测试、包装的具体上线时间和人员准确到位的时间;3.4如开试产产前会时,必须做好如下事项:3.4.1.确认、落实各工序所需人数;3.4.2.相关工艺文件以及各种设备、治具;3.4.3.经讨论,需确定生产的方案(如小量试产、批量生产);3.4.4.要求将讨论确认的方案《产前会议纪要》给与会人员确认;3.4.5.要求将《产前会议纪要》记录保管好。
产前会议制度及程序产前会议是企业为规划、协调和管理工作生产准备工作而召开的会议。
产前会议的制度与程序对于保障工作的顺利进行具有重要意义。
下面将详细介绍产前会议的制度及程序。
一、产前会议制度1.产前会议应按照预定时间和地点召开,会前应向与会人员发出会议通知,并附上会议议程。
2.会议应由主持人主持,负责会议的组织和管理。
会议前应确定主持人,并将议题与会议背景资料发给主持人。
3.会议应有明确的议程,包括会议的目的、时间安排、讨论议题等内容。
议程应提前发给与会人员,以便准备材料和讨论问题。
4.会议应确认参会人员名单,明确与会人员的角色和职责。
参会人员应按时参会,并保持会议纪律,不得擅离会议议题和讨论范围。
5.会议应有会议记录人,负责记录会议的内容和决定。
会议记录应准确、清晰,记录会议的主要发言和结论,并在会议结束后发送给与会人员。
6.会议的决定应明确,并及时将决定的内容和责任人发送给相关人员,以便后续工作的展开和跟进。
7.会议室应提供良好的会议设施,确保会议的顺利进行。
会议前应测试设备的正常工作,并提前解决可能存在的问题。
8.会议结束后,应对会议进行总结和评估,改进会议管理和组织。
并将总结发给与会人员,以便大家了解会议的进展和决策结果。
二、产前会议程序1.发出会议通知:确定会议召开时间、地点和议程,将会议通知及相关材料发给与会人员。
2.准备会议材料:与会人员准备相关材料,包括会议的背景信息、讨论问题的资料和建议等。
3.开场白和会议介绍:由主持人介绍会议目的、议程和参会人员,并说明会议的规则和要求。
4.开展讨论:按照会议议程逐一讨论各个议题,充分听取与会人员的意见和建议,并积极引导和引导讨论。
5.达成共识和决定:在讨论的基础上,主持人和与会人员共同达成共识和决定,并明确责任人和任务。
6.会议记录:由会议记录人记录会议的内容和决定,并在会议结束后发送给与会人员。
7.会议总结和评估:由主持人对会议进行总结和评估,提出改进之处,并将总结发给与会人员。
产前会议工作流程产前会议是孕妇、家庭和医生的重要交流平台,旨在提供与新生儿出生有关的信息和建议。
在产前会议中,初次怀孕的准妈妈和准爸爸,不仅能够了解到自己的身体变化,还能获得抚养婴儿的相关知识。
而医生也会根据孕妇的身体情况,提供个性化的建议和医疗服务。
对于家庭和医生来说,确保产前会议工作流程的顺畅运转非常重要。
因此,本文将介绍产前会议工作流程中的各个环节,并为您提供一些有用的建议。
会议前的准备工作在开展产前会议之前,医生需要与准妈妈和准爸爸预约时间,确保每一个会议都有充裕的时间。
同时,医生还应该确定参与会议的所有人员是否愿意参加,并为参加者提供会议的地点、时间和其他相关事项。
家庭也需要提前安排好行程,确保按照时间参加会议。
另外,准妈妈和准爸爸在参加会议前,也应该对自己的身体变化和育儿知识进行准备,以便更好地与医生进行沟通。
会议内容1. 综合评估孕期健康状况首先,医生需要对准妈妈的孕期健康状况进行综合评估。
这涉及到孕妇的健康史、药物记录、疾病史、家庭遗传史、体格检查等内容。
这些信息都是为了确保孕妇在生孩子的过程中,尽可能健康和安全。
2. 生产计划其次,医生需要与准妈妈和准爸爸商讨实施生产的计划。
这包括选择生孩子的方式(自然生产还是剖腹产),以及出院日期等相关内容。
3. 育儿知识及家庭准备此外,在会议中,医生还应该向准妈妈和准爸爸提供育儿知识,并准备他们应该准备的必备物品。
包括婴儿护理、喂养和安全问题,以及必要的家居用品等。
4. 记录和问答在会议中,医生应该尽可能记录下相关信息,以便于后续的跟进工作。
同时,医生应该鼓励准妈妈和准爸爸提出任何问题,并对其进行解答。
总结通过以上步骤,医生和家庭可以共同制定一个详细的计划,并确保生孩子的过程中,准妈妈和准爸爸都能充分准备好。
因此,在参加产前会议之前,请确保您和家人对相关内容有所了解,并准备好提问,以便与医生进行详细的沟通和交流。
产前会议制度
1目的
规定产品进行批量生产前会议的流程、职责和工作要求。
为保证生产顺利进行,且能按时、按量、保质完成并在生产前了解存在的各种问题以及解决方法。
2.适用范围
生产部所以车间主管、班组长、仓库、业务、采购、品管等管理相关人员。
3.产前会议流程、职责和工作要求
(一)流程
业务订单→预先安排会议时间、地点、和参会人员→会议主持→会议纪要准备→产品目前订单状况、品质状况、交货期等描述→讨论→提出问题(产品生产、质量风险评估)→结束。
(二)职责
○1会议主持人:主持会议,并通知和组织所以参会人员参会,准备参会资料,保证会议成功进行。
并对最终形成的产前会议记录做好相应保管。
○2参会人员:生产部门准备目前生产排程资料、及生产套料单。
仓库准备相应库存报表。
品质带相关试生产检查记录,各部门根据现有资料确定生产中需要解决的实际问题。
并最终讨论确定解决方案。
确定解决时间等。
○3记录人员:认真做好产前会议记录,尤其对提出的问题及解决方案
细致记录。
○4各部门会后规定时间内必须拿出相应文件,如生产排程表、采购计划、检查报告等。
4、业务部跟踪产品生产情况,保证交货期、质量等达到客户要求。
验证产前会议效果。
产前办及产前会议流程产前办是一个组织机构,负责协调和组织产前会议的准备工作。
产前会议是一个重要的会议,旨在为将要生产的产品或服务进行全面的评估和规划,以确保生产顺利进行。
产前办的职责包括:确定产前会议的时间、地点和议程;邀请相关部门的代表参加会议;收集和准备与生产相关的数据和信息;提供会议所需的设备和材料;协调和安排会议的流程和文件。
产前会议的流程如下:1.前期准备:在召开产前会议之前,产前办需要与相关部门的代表进行沟通,了解他们的需求和意见,并确定会议的时间和地点。
同时,还需要收集和整理生产相关的数据和信息,并准备好与会议相关的文件和资料。
2.制定议程:产前办根据与各部门的沟通和收集到的数据和信息制定会议的议程,确保所有相关议题都能被讨论到,并合理安排时间。
3.召开会议:在会议开始前,产前办需要为会议提供所需的设备和材料,如投影仪、白板、纸张等,并确保会议室的环境整洁和有序。
会议开始后,产前办通常会先介绍会议的目的和议程,并简要概述每个议题的背景和重要性。
4.提供数据和分析:产前办根据收集到的数据和信息,向与会代表提供详细的分析和解读,以帮助他们更好地理解当前的生产情况和存在的问题。
5.讨论和决策:在产前会议中,各个部门的代表会就生产中的问题进行讨论,并根据分析和实际情况提出各自的观点和建议。
最后,通过协商和投票等方式,制定出相应的决策和行动计划。
6.撰写会议纪要:产前办需要及时完成会议纪要的撰写和整理工作,详细记录会议的讨论内容、决策和行动计划,并将会议纪要发送给与会代表,以供他们参考和落实。
7.跟踪和评估:产前办还需要与会前的部门代表保持沟通,并跟踪和评估各项决策和行动计划的执行情况,及时解决出现的问题和调整计划。
通过以上流程,产前办与相关部门能够有效地进行沟通和协调,为生产工作提供有力的支持和指导,从而确保生产顺利进行,产品质量得到保证。
同时,通过产前会议的讨论和决策,可以发现和解决生产过程中存在的问题,提高生产效率和效益。
产前会议制度产前会议制度目的:为了更好地提高生产车间的生产质量和产量,促进车间的生产安排,在车间各班组开工前召开产前会议是极为重要的。
现拟产前会议的有关规定:产前会议的步骤:一、开工产前会议1.产前会议的召开时间:生产车间开工前2.产前会议参与人员:主管、组长、组检、主要工序的人员。
3.产前会议的主持人:工程部人员二、生产组产前会议1.产前会议的召开时间:生产车间开工时2.产前会议的参与人员:生产组的全体人员3.产前会议的主持人:车间主管或组长4.生产组产前会议所具备的条件:4.l 正确产前样;4.2 本组产前封样及版房评语;4.3 组长必须在会议前准备好产品的生产流水编排,在会议上明确每道工序的人员和目标产量,对每道工序的产量做出合理的规定,制定本组的生产计划。
产前会议的要求版房主管在开产前会议前应根据每款订单的具体要求和工艺特点制作好产前会议书面的材料,提供详细的生产制造单及工艺单(包括款式、数量、尺寸表、工艺单、工序表、工时、纸样、实样版等),并做好记录:一、具体内容2.注塑的工艺要求、如何避色差、缺胶等技术要求;3.注塑的工艺要求和应注意的事项(配色、工艺要求等);4.后道的工艺要求和注意事项、后道检查验货标准等;5.生产时容易出现的问题及详细的解决方法;6.针对特别工序的工艺要求。
二、其他1.每款开工前由生产主管安排产前会议的召开;2.与会人员必须吃透所有要求、重点要求必须做好记录;3.开工后版房主管要安排各主管对车间进行检查;跟踪落实产前会议上的要求等;4.产前会议由工程部主持人做好记录,所有与会人员要签名,并整理成册留档备查。
所有要求、注意事项、解决方法必须以书面形式提供给相关部门。
5.若开工前生产主管未安排召开产前会议,将追查生产主管的责任。
工程部不能按计划给车间召开产前会议则追工程主管的责任,若造成车间因未及时召开产前会议而造成损失同样要追查相关责任人的责任。
6.因版房会议材料准备不足、或有遗漏造成车间出现质量事故将追查相关责任人的责任。
产前会议制度
1.目的:通过产前会议,是业务、技术、供应、生产等各部门明白订单的内容、数量、交期、工艺要求(操作方法、质量要求、操作要点)等方面内容,在大货生产中,合理安排生产,以保证产品的质量和交货时间.
2.举行时间:业务部在接到客户明确的订单,并与技术部明确产品工艺方面要求,由技术部完成产品工艺单和首八样之后。
3.参加人员:业务部经理(或业务员)、技术部经理、供应部经理、质保部经理、生产部经理、各车间主任.
4.会议记录:生产部
5.会议主题:讨论订单的运作注意点。
6.会议流程:
A.由业务员经理(或业务员)简单介绍订单的情况,包括产品类型、规格、数量、工艺和交期等到;
B.由技术部出示需生产订单的样品、首八样及工艺要求,以及在生产中将会出现的主要问题以及解决方案;
C.由供应部提供生产所需要的面辅料的大概到货时间,并在会后以《工作联系单》形式将具体的到库时间报生产部;
D.生产部安排各车间、各工序之间的要求;
E.由质保部提出各工序要明确注意的问题点和预防措施
7.会议记录文件;会后,由生产部完成会议记录,发给所有与会人员各1份.由各参与人员在存档的会议记录上会签,会签文件存档。
产前说明会
时间:
地点:
参与人员:。
产前会议工作流程产前会议是在产品生产之前召开的一个重要会议,通过讨论和决策,确保产品的规划、设计和生产能够按照预期顺利进行。
下面是一个典型的产前会议工作流程,以便更好地理解这个过程。
1.确定会议目的和议题:在召开产前会议之前,组织者需要明确会议的目的和议题。
目的是为了明确会议的目标并确定讨论的范围,而议题则是会议讨论的重点和方向。
组织者需要与相关部门和人员沟通,确定会议的目的和议题,并将其明确地传达给参会人员。
2.制定会议议程:在会议目的和议题确定后,组织者需要制定一个详细的会议议程。
议程应包括会议开始时间、结束时间、每个议题的讨论时间和安排、发言人的名字、会议地点和其他参考资料。
议程的制定需要充分考虑每个议题的重要性和复杂性,合理安排时间,确保讨论的充分性和高效性。
3.邀请参会人员:根据议程,组织者需要邀请参会人员。
参会人员主要包括相关部门的负责人、设计师、工程师、生产经理等。
在邀请时,需要向参会人员明确会议的目的、议程和参与的途径,确保他们能全程参与并充分准备。
4.准备会议材料:在会议前,组织者需要准备会议所需的材料。
这些材料包括但不限于产品规划、设计图纸、生产计划、市场调研报告等。
这些材料需要根据会议议程进行整理和归档,并分发给参会人员,以便大家在会议中能快速准确地了解和讨论相关内容。
5.召开产前会议:在会议当天,组织者需要召开产前会议。
会议开始前,需要确认参会人员已到齐并准备好,会议室的设备和环境是否良好。
在会议开始时,主持人需要简要介绍会议目的、议程和规则,并确保参会人员理解和遵守。
然后,按照议程逐个讨论各个议题,由主持人引导和协调讨论过程,确保每个议题都得到充分的讨论和决策。
6.记录会议结果:在产前会议过程中,需要有专人记录会议的结果。
这些记录可以包括会议的讨论内容、决策结果、责任分配、下一步行动计划等。
这些记录可以作为会议的参考和遵循,以确保会议结果得到落实和执行。
7.跟进和评估:产前会议结束后,组织者需要跟进和评估会议的执行情况。
产前会议制度
1目的
规定产品进行批量生产前会议的流程、职责和工作要求。
为保证生产顺利进行,且能按时、按量、保质完成并在生产前了解存在的各种问题以及解决方法。
2.适用范围
生产部所以车间主管、班组长、仓库、业务、采购、品管等管理相关人员。
3.产前会议流程、职责和工作要求
(一)流程
业务订单→预先安排会议时间、地点、和参会人员→会议主持→会议纪要准备→产品目前订单状况、品质状况、交货期等描述→讨论→提出问题(产品生产、质量风险评估)→结束。
(二)职责
○1会议主持人:主持会议,并通知和组织所以参会人员参会,准备参会资料,保证会议成功进行。
并对最终形成的产前会议记录做好相应保管。
○2参会人员:生产部门准备目前生产排程资料、及生产套料单。
仓库准备相应库存报表。
品质带相关试生产检查记录,各部门根据现有资料确定生产中需要解决的实际问题。
并最终讨论确定解决方案。
确定解决时间等。
○3记录人员:认真做好产前会议记录,尤其对提出的问题及解决方案
细致记录。
○4各部门会后规定时间内必须拿出相应文件,如生产排程表、采购计划、检查报告等。
4、业务部跟踪产品生产情况,保证交货期、质量等达到客户要求。
验证产前会议效果。