铝电解电容器技术标准
- 格式:doc
- 大小:241.50 KB
- 文档页数:16
文件名称电解电容检验标准生效日期页码 1 of 2 使用状态文件编号版本 A / 0 审核拟定目的确保本公司电子元器件---电解电容品质符合客户要求。
范围适应于电子元器件---电解电容进料入库检验。
抽样标准MIL-STD-105E单次Ⅱ级正常检验;CR=0;MA=1.0;MI=2.5。
检验环境在正常光源条件下,距离30cm远检验,以及适宜的角度检验产品。
参照标准1、GB / T2828.1-2003逐批检查计数抽样及抽样表。
序号检验项目接收标准检验方法及工具缺陷描述缺陷等级致命(CR)严重(MA)轻微(MI)1 包装包装必须有标识,外标识与实物一致。
目视外标识与实物不一致。
√包装箱不能有破损、脏污现象。
包装箱有破损、脏污现象。
√同一个规格型号不能有混料现象。
同一个规格型号混有其它规格型号。
√2 外观主体规格,极性丝印清晰可辨认。
目视无法辨认。
√引脚不能有弯曲成螺旋状、折痕现象。
引脚有弯曲成螺旋状、折痕现象。
√引脚无断裂现象。
引脚有断裂现象。
√主体划伤、碰痕现象。
主体有划伤、碰痕现象。
√引脚不能有脱落现象。
引脚有松动、脱落现象。
√引脚无发黑氧化、吃锡良好。
引脚有氧化、吃锡不良。
√电解电容外包铝皮无破损、露芯现象。
电解电容外包铝皮有破损、露芯现象。
√3 结构主体直径、长度、脚径符合设计要求。
卡尺试装主体直径、长度、脚径不符合设计要求。
√电容脚长、脚径尺寸正确。
与PCB试装符合要求。
不符合要求。
√4 可焊性炉温在250-270℃状态下,浸锡时间:1.5~2S,观察引脚吃锡率>95%以上。
浸锡试验经浸锡试验后,吃锡不良(吃锡率小于95%)。
√文件名称电解电容检验标准文件编号页码 2 of 2 版本 A / 0序号检验项目接收标准检验工具及方法缺陷描述缺陷等级致命(CR)严重(MA)轻微(MI)5 电气特性电容量,符合设计要求,公差范围:±20%测试频率:120H Z±20%测试电压:0.3V数字LCR电桥测试仪不符合要求。
电解电容检验标准1 目的
作为电解电容来料检验判定依据,确保产品符合技术质量要求。
2适用范围
适用于电解电容的来料检验。
3职责
3.1质量部负责维护本标准,包括制定、修订、执行和解释等。
3.2 技术中心负责审核该检验标准。
4 检验内容及抽样方案
标识电容器上应清晰地标出:标称容量、允许
误差、额定电压、额定温度、引出端极性、
厂商、型号
AQL:0.65
外形尺寸符合规格要求游标卡尺
一般
缺陷n=5,Ac=0
包装、标识包装无破损、混料;规格型号、误差、数
量、厂商、批次等清晰
目视
10个最小
包装单位
注:以上检验内容如有特殊要求时,按特殊要求执行。
5 相关文件及记录
规格承认书;电容进料检验报告
6 执行生效日期
本文件自X年x月x日开始执行。
7 记录。
企业标准2010-07-05 发布2010-07-10 实施前言为了提高公司产品质量对供应商提供的铝电解电容器加强质量检查特制订铝电解电容器检验标准该项企业标准供检验人员作为铝电解电容器来料的验收标准也同时供科技人员参考本标准由零件质检部提出本标准由智能仪表研究所负责起草本标准由智能仪表研究所负责解释本标准由仪表技术部归口拟制: 审核: 批准:1 范围铝电解电容器检验标准本标准适用于我公司自行开发产品所用的铝电解电容器的来料检验 2 引用标准及检验依据2828 1987 逐批检查计数抽样程序及抽样表 适用于连续批的检查5993-1986 电子设备用固定电容器 第 4 部分:分规范固体和非固体电解质铝电容器(可供认证用)相应铝电解电容器数据手册或技术规格书 3 检验项目 3.1 包装标志 3.2 外观检验 3.3 可焊性 3.4 电性能 3.5 耐久性 4 验收标准 4.1 包装 标志检验 4.1.1 抽样方法缺陷类别 C正常检查一次抽样方案 一般检查水平 AQL 值:4.0 4.1.2 检验包装必须完整 包装箱 盒 内无异物 污垢 箱 盒 体应牢固 无破损 开裂 散包现象 如 箱 盒 体严重破损 散包的 一律作退货处理 包装上必须有生产厂家 产品名称 型号 数量 生产日期 批号 合格证等标志 4.2 外观检验 4.2.1 抽样方法缺陷类别 B正常检查一次抽样方案 一般检查水平 AQL 值 0.65 4.2.2 检验4.2.2.1 封装铝电解电容器的壳体应封装整洁 无变形 破裂现象 外面漆层无脱落 顶部应有防爆槽 无凹凸 现象4.2.2.2 标记型号 容量 文字 正负极标记应标准 清晰 负极标记与铝电解电容器引脚短脚方向要一致 用三氯乙烷清洗液浸泡 20 分钟后无掉字现象 4.4.2.3 引脚 铝电解电容器引脚不应有伤痕 断裂 氧化 松动及弯折现象4.2.2.4尺寸用卡尺测量外形尺寸应符合相应铝电解电容器数据手册或技术规格书要求 4.3 可焊性 4.3.1 抽样方法缺陷类别 B正常检查一次抽样方案 特殊检查水平 S-2 AQL 值 1.0 4.3.2 检验将焊锡缸温度调至 235 5将铝电解电容器引脚浸入锡中,浸入时间:3s 0.5s,用放大镜观察上锡部分,焊料附着面积应大于浸渍部分的面积的 90 4.4 电性能 4.4.1 抽样方法缺陷类别:A正常检查一次抽样方案 一般检查水平: AQL 值:0.1 4.4.2 检验4.4.2.1 铝电解电容容量用电容测量仪测试铝电解电容容量 误差范围应符合相应技术规格书要求 常见参数见附表 4.4.2.2 漏电流用漏电流测试仪测试铝电解电容器的漏电流 应符合相应技术规格书要求 常见参数见附表 4.4.2.3 额定电压对每批铝电解电容器抽取十只 施加额定电压的 1.2 倍 十分钟内应不出现发热 漏液 变形 凹凸和爆炸现象 4.5 耐久性对于工作温度范围为-40 至85 的铝电解电容器 首批使用时应抽取10只放在85 的恒温箱内至少老化6小时 冷却后进行4.4.1 4.4.2 4.4.3三项电性能测试仍然应符合要求 同样如此 对于工作 温度范围为-40至105 的铝电解电容器 首批使用时应抽取10只放在105 的恒温箱内至少老化6小时 冷却后进行4.4.1 4.4.2 4.4.3三项电性能测试仍然应符合要求附表项目电性能要求测试条件 最大值.其中表示额定电压V RV RV >100V,I 0.03C*V 10 表示标定电容量RV。
贴片电解电容的规格→贴片电解电容详细规格书选贴片电容就在东莞荣誉电子。
铝电解电容器的工作介质为通过阳极氧化的方式在铝箔表面生成一层极薄的三氧化二铝(Al2O3),此氧化物介质层和电容器的阳极结合成一个完整的体系,两者相互依存,不能彼此独立;我们通常所说的电容器,其电极和电介质是彼此独立的。
电解电容器的阳极铝箔、阴极铝箔通常均为腐蚀铝箔,实际的表面积远远大于其表观表面积,这也是铝质电解电容器通常具有大的电容量的一个原因。
由于采用具有众多微细蚀孔的铝箔,通常需用液态电解质才能更有效地利用其实际电极面积。
贴片电解电容技术:1 影响大型铝电解电容器耐纹波电流能力的因素通常情况下纹波电流Ir为Ir=(1)式中:α为散热系数;Δt为电容芯包温度与环境温度差(温升);A为电容外表面积。
从式(1)中可知,纹波电流Ir与和成正比。
散热系数α,它包括幅射散热和对流散热,它不仅与产品表面的温度差、直径大小、直立或横卧有关,而且与芯包结构、电容器内的导热情况、热流方向、芯包固定方式等密切相关。
由铝电解电容器等效电路可知tanδ=ωCR(2)式中:R为等效串联电阻,它由三部分所组成,即R=R1+R2+R3(3)式中:R1是氧化膜介质损耗所代表的等效串联电阻;R3是极板、导电层的欧姆电阻以及其间的接触电阻;R2是电解质所代表的等效串联电阻,即R2=φ·ρ·d/2s(4)式中:φ为电解纸的渗透系数;ρ为工作电解液的电阻率(Ω·cm);d为电解纸的厚度(cm);s为阳极箔的外观几何尺寸(cm2)。
由以上分析可知,选用氧化膜介质损耗小的铝箔,选择渗透系数小、厚度薄的电解纸,降低工作电解液的电阻率和粘度,改进产品结构等都可明显降低产品的tanδ。
通过降低tanδ,增大产品的散热系数,都可提高产品耐纹波电流的能力,从而保证产品达到寿命长等要求。
2 变频器对大型铝电解电容器的技术要求变频器的简单工作原理图如图1所示。
Q/WJBZ电解电容试验标准宁波伟吉电力科技有限公司发布前言本试验标准由宁波伟吉电力科技有限公司质量部提出本试验标准由宁波伟吉电力科技有限公司质量部归口本试验标准起草部门:质量部、研发部、办公室本试验标准主要起草人:电解电容试验标准1范围本试验标准规定了宁波伟吉电力有限公司对电解电容(包括铝电解电容、钽电解电容)的使用条件、电气性能、机械性能及环境性能等方面的技术要求和试验项目,规定了电解电容的验收标准。
本试验标准适用于本公司用电解电容的验收、定期确认、全性能检验。
2规范性引用文件下列文件对于本文件的应用是必不可少的。
凡是注日期的引用文件,仅所注日期的版本适用于本文件。
凡是不注日期的引用文件,其最新版本(包括所有的修改单)适用于本文件。
GB/T2423.18电工电子产品环境试验第2部分:试验试验Kb:盐雾,交变(氯化钠溶液)GB/T2423.28-2005?电工电子产品环境试验第2部分:试验方法试验T:锡焊GB/T2423.32-2008电工电子产品环境试验第2部分:试验方法试验Ta润湿称量法可焊性GB/T2471-1995电阻器和电容器优先数系GB/T2693-2001电子设备用固定电容器第1部分:总规范GB/T5993-2003电子设备用固定电容器第4部分:固体和非固体电解质铝电容器GB/T17215.211-2006交流电测量设备通用要求、试验和试验条件第11部分:测量设备GB/T2828.1计数抽样检验程序第1部分按接收质量限(AQL)检索的逐批检验抽样计划3检验工具高低温交变湿热试验箱盐雾试验箱游标卡尺LCR测试仪漏电流测试仪万用表4技术要求4.1包装要求包装设计应符合产品的性质、特点和储运条件。
包装箱应标示有制造厂名称、产品名称、产品型号、出厂日期、检验日期和包装数量。
包装箱外应印刷有“小心轻放”、“怕湿”、“向上”等运输标识。
包装箱外印刷或贴的标识不可因运输条件和自然条件而褪色、脱落。
铝电解电容器行业分析及执行标准摘要】:本文首先介绍铝电解电容器的结构以及行业现状,接着以国家执行标准为基础,对比了三个有代表性电容器生产厂家生产标准,得出现阶段铝电解电容器发展趋势,对电极箔发展趋势有导向作用。
【关键词】:铝电解电容器;行业分析;执行标准引言电容器是世界三大被动电子元器件(电阻器、电容器及电感器)之一,在电子元器件产业中占有重要的地位,是电子线路中必不可少的基础电子元器件。
当前常见的电容器主要有电解、有机薄膜、陶瓷等三大类,铝电解电容器是电容器类产品中的主体品种,其产值约占所有类型电容器的50%。
随着科学技术的不断发展,国内外的铝电解电容器技术在不断的优化、完善和创新,铝电解电容器的应用范围不断扩大,其需求量也不断增加。
1、铝电解电容器结构铝电解电容器主要由阳极箔、阴极箔、电解质、电解纸、引线、铝外壳等构成。
阳极箔作为电容器的阳极,连接电路的正极,其表面有一层致密的氧化铝薄膜,这是铝箔由电化学腐蚀后经化成工艺所制得;阳极箔的腐蚀扩面效果及其表面氧化膜的厚度和质量直接影响到电容器的电容量,是制作高比电容电容器的关键所在。
电解纸作为电容器中电解质的载体,存在于阳极箔和阴极箔之间,保证电解质溶液能渗透到阴、阳极箔的海绵态蚀孔中。
阴极箔连接电路的负极,在其表面也有一层氧化铝薄膜,但阴极箔的实际作用是作为阴极的引箔而存在。
将阳极箔和阴极箔分别与正、负极相连,再按其中心轴卷绕,构成铝电解电容器的芯子,用铝外壳封装,便构成铝电解电容器。
2、铝电解电容器行业分析铝电解电容器广泛地应用于消费类电子产品、通信产品、电脑及周边产品、仪器仪表、自动化控制、汽车工业、光电产品、高速铁路与航空及军事装备等领域,其中,监视器、CD音响、电视机、电源供应器及主板是铝电解电容器最典型的应用。
据统计,消费性电子产品用量占45%、工业占23%、资讯占13%,通信占7%、汽车占5%、其他占7% 。
从国内外使用情况来看,铝电解电容器行业是一个成熟、稳定增长的产业。
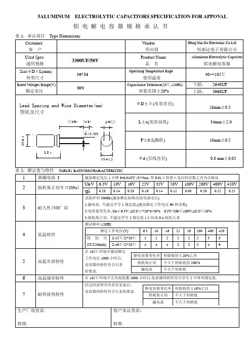
5ALUMINUM ELECTROLYTIC CAPACITORS SPECIFICATION FOR APPOV AL铝电解电容器规格承认书表1:承认项目Type DimensionsTABLE1 RATING&CHARACTERISTIC.CONTENTS 产品系列表SERIES■NOTE:以上所提供的设计及特性参数谨供参考作用,任何修改不作预先通知.如果在使用上有疑问,请在采购前与我们联络, 以便提供技术上的协助!LEAD FREE TYPE REFLOW SOLDERING CONDITION无 铅 焊 料 产 品 的 回 流 焊 条 件● Recommended Conditions for Reflow Soldering 无铅焊料产品遵循的回流焊条件 (1) Preheat shall be made at 100℃~200℃ and for maximum 180 seconds. 100℃~200℃的预热时间不得超过180秒钟。
(2) Period that temperature at top of capacitor becomes more than 200℃and 230℃shall notexceed t and t1 seconds, respectively.电容器顶部温度高于200℃和230℃的时间,分别不得超过t 和t1所限定的时间。
(3) Temperature at top of capacitor shall not exceed T(℃).在回流焊接时,电容器顶部的最高温度不得超过T (℃)所限定的温度。
● Temperature/Time profile 回流焊温度与时间曲线图● Allowable Range of Peak Temperature 不同壳号的焊接温度及时间● Recommended Land Size 各种壳号的安装尺寸(m m)ALUMINUM ELECTROLYTIC CAPACITORS 'LIFE关于铝电解电容器的寿命T e m p e r a t u r e a t C a p a c i t o r s t o p (℃)Peak temperatureTime (second)Preheat 180sec Maxt sec Maxt1 sec MaxThe life of non-solid aluminum electrolytic capacitors is mainly dependent on environmental conditions (e.g. ambient temperature, humidity etc.) and electrical factors(e.g. operating voltage, ripple current etc.).Generally, the wear-out mechanism of non-solid aluminum electrolytic capacitors is based on evaporation of electrolyte through the rubber seal. Consequently, the factor of temperature (ambient temperature and internal heating due to ripple current) is the most critical to electrolytic capacitor life. The effect of voltage on capacitor life is negligible, especially for low voltage electrolytic capacitors. The lifetime of non-solid aluminum electrolytic capacitors can be expressed as following equations:非固体铝电解电容器的寿命主要依赖于使用环境条件(如环境温度,湿度等)和电负荷情况(如工作电压,纹波电流等)。
Shanghai Yongming Electronic Co.,Ltd.Aluminum Electrolytic CapacitorsSpecification承认 书Aluminum Electrolytic Capacitors Specification For Approval品名 Category : Aluminum Electrolytic Capacitors 型号 Description : 版本 Version : 02物料号 Customer P/N :规格Specification : 修改历史The history of the change 系列Series :客户: 日期:Customer : Date: 客户 Customer供应商Supplier 批准Approval研发部R&D品保部QC 批准Approval 审核Checked 拟制FormulateAluminum Electrolytic Capacitors Specification For Approval客户:立创 日期:2023.2.20Customer : Date:品名 Item : Aluminum Electrolytic Capacitors型号 Series : LKZ版本 Version : 03物料号 Customer P/N :客户 Customer 供应商 Supplier批准Approved by 研发部R&D 品保部 QC批准Approved by审核Checked by拟制Prepared by张涛郭静 李碧容承认书请寄回一份Please Return One Copy with Your Approval上海永铭电子股份有限公司Shanghai Yongming Electronic Co., Ltd.Tel************* Fax*************上海永铭电子股份有限公司工程技术部上海永铭电子股份有限公司Shanghai Yongming Electronic Co.,Ltd.铝电解电容器承认书Aluminum Electrolytic CapacitorsSpecification商标名称 Name承认书 Specification 版本 Version03 页数 Page 3 标准指南 Standard manual客户名Customer 立创系列 SERIESLKZFIG-1D 5 6.3 8 10 12.5 16 18 20 22 25 d 0.5 0.5 0.6 0.6 0.6 0.8 0.8 0.8 1.0 1.0 F2.02.53.55.05.07.57.510.010.010.0TABLE-1No客户物料编码Customer Part No永铭物 料编码 Ymin Part No额定 电压Rated V oltage (V .DC)容量Capacitance(μF)浪涌 电压Surge V oltage (V .DC)使用温度 范围 Operating Temp.Range (℃)容量范围 Capacitance Tolerance (%)25±2℃120Hz损耗 Tanδ (Max)(%)25±2℃120Hz 最大纹波电流 (105℃100KHz )Max RippleCurrent(mA) at 105℃100KHz漏电流Leakage Current (μA)(2min s reading)寿命 Life At 105℃ (Hours)尺寸Dimensions(mm)ΦDL α d F 1 LKZK4002J101MF600 100 650 -40~+105-20~+20%30 990 3010.0 15000 22 40 2.0 1.0 10.0 23 4563Rs: 保护电阻(1000±100Ω)Protective resistor(1000±100Ω)::阶段1:测量容量和阻抗2 3 4 5 6 7 8年月材料标识year moth material code production number内包装盒Box 外包装箱Carton9.切脚、成型Lead cutting and forming切脚、成型标准Standard for lead cutting引线切脚成型C图引线切脚成型E图引线切脚成型F图(成型折弯90°)引线切脚成型G图左弯B型右弯A型A切脚成型H 图(成型双折弯90°)编带外型尺寸A 图Φ5-Φ8左弯B 型右弯A 型。
铝电解电容容量等级划分-概述说明以及解释1.引言1.1 概述概述部分的内容可以介绍铝电解电容容量等级划分的背景和重要性。
可以使用以下内容作为参考:概述铝电解电容是一种常见的电子元件,应用广泛于各个领域。
在使用过程中,不同容量等级的铝电解电容承担着不同的功能和作用。
为了更好地满足各种电子设备的需求,科学家和工程师们制定了一套容量等级划分的标准。
铝电解电容的容量等级划分是指根据其容量大小将不同规格的铝电解电容进行分类的过程。
这一划分旨在提供给电子设备的制造商和设计师一个参考框架,以便根据具体需求选择合适的电容。
容量等级的大小直接影响着铝电解电容的性能和稳定性。
一般来说,容量等级越高的电容,其存储和释放电荷的能力就越强大。
因此,在不同场景下,我们需要使用不同容量等级的电容来满足电子设备对电能的需求。
在本文中,我们将介绍铝电解电容容量等级划分的标准和意义。
通过了解这些内容,读者可以更好地理解不同容量等级的铝电解电容的特点和应用范围,从而对其选择和使用有更准确的判断和决策依据。
接下来的正文部分将详细介绍铝电解电容的概念和特性,以及容量等级划分的具体标准。
最后,我们将总结和提出对容量等级划分的建议,并展望未来在这一领域的发展方向。
让我们逐步深入探讨这一重要课题,并共同挖掘铝电解电容容量等级划分的潜力和可能性。
1.2 文章结构文章结构部分的内容可以包括以下内容:文章的结构是指组成文章的章节和各章节之间的逻辑关系。
一个清晰的文章结构能够帮助读者更好地理解文章的内容和逻辑思路。
本文将按照以下结构展开讨论铝电解电容容量等级划分的相关内容:1. 引言:介绍铝电解电容容量等级划分的背景和重要性。
2. 正文:详细讨论铝电解电容的基本概念、特点以及其在各个领域的应用。
在此基础上,阐述容量等级划分在铝电解电容中的意义,包括提高产品的可靠性、满足不同应用场景的需求、促进电子产品的发展等。
3. 容量等级划分的标准:介绍铝电解电容容量等级划分的具体标准,主要包括容量、耐压、温度范围等指标的划分标准,并对不同等级的电容器的特点进行详细说明。
卡入式铝电解电容
卡入式铝电解电容是一种电子元件,具有高单位体积的CV值、低ESR、高纹波电流、小尺寸的外壳尺寸、宽温度范围和卓越的可靠性等特点。
这种电容器的应用温度范围为-40°C到105°C,储存温度最好低于+25°C,不超过+40°C。
其额定电压范围从16V到550V DC,额定电容范围从68F到47000F 100 Hz、20°C下的电容公差为±20%。
此外,这种电容具有低漏电流和高纹波电流等特点,非常适合于高效率、高密度和小型化的电子设备中。
总的来说,卡入式铝电解电容是一种可靠、高效、紧凑的电子元件,在许多电子设备中得到广泛应用。
电解电容试验标准————————————————————————————————作者:————————————————————————————————日期:Q/WJBZ 宁波伟吉电力科技有限公司试验标准Q/WJBZ2015 电解电容试验标准2015-07-26发布2015-07-26实施宁波伟吉电力科技有限公司发布前言本试验标准由宁波伟吉电力科技有限公司质量部提出本试验标准由宁波伟吉电力科技有限公司质量部归口本试验标准起草部门:质量部、研发部、办公室本试验标准主要起草人:电解电容试验标准1 范围本试验标准规定了宁波伟吉电力有限公司对电解电容(包括铝电解电容、钽电解电容)的使用条件、电气性能、机械性能及环境性能等方面的技术要求和试验项目,规定了电解电容的验收标准。
本试验标准适用于本公司用电解电容的验收、定期确认、全性能检验。
2 规范性引用文件下列文件对于本文件的应用是必不可少的。
凡是注日期的引用文件,仅所注日期的版本适用于本文件。
凡是不注日期的引用文件,其最新版本(包括所有的修改单)适用于本文件。
GB/T 2423.18 电工电子产品环境试验第2部分:试验试验Kb:盐雾,交变(氯化钠溶液)GB/T 2423.28-2005 电工电子产品环境试验第2部分:试验方法试验T:锡焊GB/T 2423.32-2008 电工电子产品环境试验第2部分:试验方法试验Ta 润湿称量法可焊性GB/T 2471-1995 电阻器和电容器优先数系GB/T 2693-2001 电子设备用固定电容器第1部分:总规范GB/T 5993-2003 电子设备用固定电容器第4部分:固体和非固体电解质铝电容器GB/T 17215.211-2006 交流电测量设备通用要求、试验和试验条件第11部分:测量设备GB/T2828.1 计数抽样检验程序第1部分按接收质量限(AQL)检索的逐批检验抽样计划3 检验工具高低温交变湿热试验箱盐雾试验箱游标卡尺LCR测试仪漏电流测试仪万用表4 技术要求4.1 包装要求包装设计应符合产品的性质、特点和储运条件。
铝电解电容参数电路系统性能的稳定可靠,与选用的元器件参数、等级、质量等密切相关。
设计师应针对产品应用环境以及电性能的要求,准确提出对元件参数的具体要求,包括标称值、精度和误差要求、稳定性要求、温度范围要求、安装尺寸以及与电路性能密切相关的其它要求。
因在所有的被动元件中,铝电解电容的失效率最高,所以选型尤为重要。
铝电解电容选型要点:容量,耐压,温度范围,元件封装形式与尺寸纹波电流、纹波电压漏电流、ESR、散逸因数、阻抗/频率特性电容寿命实际需要、性能和成本等综合考量电子元件技术网通过调查工程师在铝电解选型和应用中碰到的问题提出,要关注耐压、容量、温度和尺寸几个参数,也要注意铝电解电容对整个电路的稳定性问题。
铝电解电容是以经过蚀刻的高纯度铝箔作为阳极,以浸有电解液的薄纸或布做阴极构成的极性电容器。
优点:容量大、耐压高、价格便宜缺点:漏电流大、误差大、稳定性差、寿命随温度的升高下降很快数字电路中使用的铝质电解电容一般用于电源平滑滤波,除容量、耐压、容量误差、工作温度、封装尺寸等熟知的参数外,还有儿个有关电容器品质的重要参数,包括损耗角正切、漏电流、等效串联电阻ESR、允许的纹波电流、使用寿命等。
这些参数不标在成品封装外皮上,只在产品规格书中体现的,但这些参数有可能是关系电路性能的关键。
容量和额定工作电压铝电解电容本体上标有的容量和耐压,这两个参数是很重要,是选用电容最基本的内容。
在实际电容选型中,对电流变化节奏快的地方要用容量较大的电容,但并非容量越大越好,首先,容量增大,成本和体积可能会上升,另外,电容越大充电电流就越大,充电时间也会越长。
这些都是实际应用选型中要考虑的。
额定工作电压:在规定的工作温度范围内,电容长期可靠地工作,它能承受的最大直流电压。
在交流电路中,要注意所加的交流电压最大值不能超过电容的直流工作电压值。
常用的固定电容工作电压有6.3V、10V、16V、25V、50V、63V、100V、2500V、400V、500V、630V。
企业标准JK/MK05.285-2016 铝电解电容器发布-东芝开利合资公司企业标准铝电解电容器JK/MK05.285-20161范围本标准适用于集团制冷事业本部房间空调器、商用空调器、移动空调、除湿机电子控制器中使用的铝电解电容器(包括固定铝电解电容、高频铝电解电容器及盖板式铝电解电容器,以下简称:电容器)。
本标准发布后取代《05.156-2003固定铝电解电容器1215》、《05.193-2004高频铝电解电容器》、《05.209-2005盖板式固定铝电解电容器》。
原《05.156-2003固定铝电解电容器1215》、《05.193-2004高频铝电解电容器》、《05.209-2005盖板式固定铝电解电容器》作废。
本标准规定了这类电容器的定义、技术要求、检验规则、标志、包装、运输和贮存等。
2引用标准下列标准所包含的条文,通过在本标准中引用而构成为本标准的条文。
本标准出版时,所示版本均为有效。
所有标准都会被修订,使用本标准的各方应探讨使用下列标准最新版本的可能性。
GB/T 2421-1999 电工电子产品环境试验第1部分:总则GB/T 2423.6-1995 电工电子产品环境试验第2部分:试验方法试验Eb和导则:碰撞GB/T 2423.10-1995 电工电子产品环境试验第2部分:试验方法试验Fc和导则:振动(正弦)GB/T 2693-2001 电子设备用固定电容器第1部分:总规范GB/T 5993-2003 电子设备用固定电容器第4部分:分规范固体和非固体电解质铝电容器3术语和定义3.1标称电容量(C R)电容器设计所确定的和通常在电容器上所标出的电容量值。
3.2额定电压(U R)在下限类别温度和上限类别温度之间的任一温度下,可以连续施加在电容器上的最大直流电压或交流电压的峰值。
3.3额定温度可以连续施加额定电压的最高环境温度。
3.4上限类别温度电容器设计所确定的能连续工作的最高环境温度。
3.5下限类别温度电容器设计所确定的能连续工作的最低环境温度。
3.6损耗角正切在规定频率的正弦电压下,电容器的损耗功率除以电容器的无功功率。
公司2016-01-23批准 2016-02-23实施3.7纹波电流一种规定频率的最大允许交流电流的有效值,在该电流下电容器可在规定温度下连续工作。
4技术要求与试验方法4.1测试条件除非另有规定,本标准的所有试验和测量按以下标准大气条件进行。
温度:15℃~35℃;相对湿度:25%~75%;气压:86kPa~106 kPa。
如有争议,采用GB/T 2421中规定的基准的标准大气条件。
温度:20℃;气压:101.3 kPa。
在进行测量前电容器应在测量下存放足够时间以使整个电容器都达到这一温度。
4.2外观和尺寸检查4.2.1外观检查目视电容器,应符合下列技术要求:a)产品外观应整洁,表面无可见损伤、无凹陷、无突起、无变形、无霉斑。
b)带绝缘套,有防爆槽(Φ8以上)。
c)标志(包括极性标志)内容正确、完整、清晰,用沾水的棉球擦三次仍清晰完整。
d)引脚无氧化、无锈迹、无污物、无变形、无折断,与电容器本体结合牢固。
4.2.2尺寸用精度不低于0.1mm的量具测量,电容器的结构尺寸(外形尺寸、引脚间距、引脚直径、引脚长度、引脚卡位尺寸)应符合设计图纸或产品规格书中的规定。
其中盖板式铝电解电容尺寸应符合:焊针式电容器的尺寸应符合图1和表1的规定四焊针式电容器的尺寸应符合图2和表2的规定焊片式电容器的尺寸应符合图3和表3的规定螺栓式电容器的尺寸应符合图4和表4的规定。
图1 焊针式电容器外形结构表1 焊针式电容器尺寸表2图2 四焊针式电容器外形结构344.3漏电流(I)4.3.1技术要求电容器的漏电流应符合表1的要求:表1 电容器的漏电流上表中:I—漏电流,单位μA;C R—标称电容量,单位μF;U R—额定电压,单位V。
4.3.2试验方法测试条件:保护电阻:U R≤100V时,保护电阻值为100Ω,U R>100V时,保护电阻值为1000Ω。
测试仪器:漏电流测试仪。
设定好被测电容的额定电压,使用漏电流测试仪在电容器两端施加额定工作电压2分钟后,读取漏电流数值。
4.4电容量(C R)4.4.1技术要求电容器的电容量应符合产品规格书的规定。
4.4.2试验方法测试仪器:电容量测试仪;测试频率:120Hz或100Hz;测量电压:除非另有规定,测量电压应为交流0.3V有效值。
将电容量测试仪的频率调到120Hz或100Hz,电容与测试夹具充分接触,直接读出电容量的数值。
4.5损耗角正切(tgδ)4.5.1技术要求电容器的损耗角正切不应超过产品规格书中的规定值。
4.5.2试验方法测试仪器:容量测试仪;测试频率:120Hz或100Hz;测量电压:除非另有规定,测量电压应为交流0.3V有效值。
将测试仪的频率调到120Hz或100Hz,电容与测试夹具充分接触,读出损耗角正切的数值。
4.6绝缘外套的耐电压4.6.1技术要求试验过程中不得有击穿或飞弧现象。
4.6.2试验方法把一条金属箔紧紧缠在电容器本体整个长度上,金属箔与电容器引出端之间的间隙不小于lmm。
金属箔从两端至少各伸出5mm。
电容器两端的金属箔不得折向电容器的端部。
假如lmm的间隙不能保持则5应缩短金属箔伸出的长度,使达到lmm的间隙。
升压速度为100V/s,最高达到1000V的直流电压逐渐施加于金属箔与电容器相连的引线上。
1000V 的电压施加1分钟。
4.7绝缘外套的绝缘电阻4.7.1技术要求绝缘电阻>100MΩ。
4.7.2试验方法把一条金属箔紧紧缠在电容器本体整个长度上,金属箔与电容器引出端之间的间隙不小于0.5mm。
金属箔从两端至少各伸出5mm。
电容器两端的金属箔不得折向电容器的端部。
假如0.5mm的间隙不能保持则应缩短金属箔伸出的长度,使达到0.5mm的间隙。
将100V+15 V的直流电压加在金属箔与电容器相连的引线上,时间至少lmin或者保持到获得稳定读数的时间。
在这个周期的末尾测量绝缘电阻。
4.8纹波电流(参考项目)应符合详细的产品规格书要求。
4.9阻抗4.9.1技术要求阻抗应符合产品规格书相应规定。
4.9.2试验方法用数字电桥进行测量,测试电压为0.3V,测量频率调到120Hz或100Hz,高频低阻电解电容测试频率为100KHz;除非另有规定,测量仪器的精度,其误差应不超过要求值的10%。
4.10浪涌电压4.10.1技术要求外观检查:无可见损伤和电解质漏出。
电容量变化率(相对初始值):ΔC/C<15%。
损耗角正切值:不大于规格书中规定的2倍。
漏电流:符合4.3.1项的要求。
4.10.2试验方法充电电压为1.0倍额定电压充电(30±5)s,放电(5.5±0.5)min作为一个周期,共进行1000次。
测试温度:15℃~35℃。
保护电阻:R=(100±50)/C ,kΩ(C为标称电容量)试验后在标准大气条件下放置4小时达到热稳定,测试各参数。
表2 浪涌电压表6浪涌电压(V)7.3 13 20 32 44 63 79 U R(V) 100 160 200 250 350 400 450浪涌电压(V)125 200 250 300 400 450 5004.11耐久性4.11.1技术要求外观无可见损伤和电解质漏出,标志清晰。
电容量变化率(相对初始值):ΔC/C<20%。
损耗角正切值:不大于规格书中规定值的2倍。
漏电流:符合4.3.1项的要求。
4.11.2试验方法在电容器规格书规定的上限类别温度下,将电容器施加额定工作电压(在电源和电容之间串联一个330欧的电阻)1000小时,取出在常态恢复8h。
4.12引出端强度4.12.1引出端弯曲强度4.12.1.1测试方法取电容器一根引脚,按相反方向连续弯曲900两次(共四次)。
4.12.1.2技术要求引脚无断裂、引脚和本体无松动或脱落。
4.12.2引出端抗拉强度4.12.2.1技术要求电容器经试验后,测量电容器应无接触不良、开路或短路,引脚无断裂、引脚和本体无松动或脱落。
4.12.2.2试验方法按引线直径0.45mm ~0.50mm:5N;引线直径0.51mm ~0.60mm:10N,施加相应的力至电容器引出端10S±1S,然后进行检查和测量。
对于盖板式固定铝电解电容:拉力:沿电容器引出端方向施加相应的20N拉力10秒钟然后进行检查和测量应符合4.7.1条要求。
转矩(适用于螺栓式电容器):按表3施加相应的力至电容器引出端然后进行检查和测量应符合4.7.1条要求。
表3 转矩4.13耐焊接热4.13.1要求7要求被测试样品外观无损伤,性能无异常4.13.2试验方法1、无铅元件:将测试样品浸过助焊剂后,沿轴线方向浸入265±5℃、Sn-3Ag-0.5Cu的熔融焊锡槽中10±1s,样品本体距熔融焊料1.6mm,试验后恢复1h,要求稳压器外观无损伤,电性能测试符合产品规格书要求。
2、有铅元件:将接收器引脚浸过助焊剂后,沿轴线方向浸入260±5℃、Sn63pb37的熔融焊锡槽中10±1s,样品本体距熔融焊料2mm,试验后恢复1h。
4.14可焊性4.14.1技术要求将被试件取出后用3-10倍放大镜观察,引脚浸入部分应上锡明亮光滑,只允许有少量分散的如针孔不浸润或弱浸润之类的缺陷,且这些缺陷不出现在同一位置。
4.14.2试验方法1、无铅元件:将引脚浸过助焊剂后,沿轴线方向浸入240-245℃、Sn-3Ag-0.5Cu的熔融焊锡槽中2-3 s,样品本体距熔融焊料1.6mm,取出后用3-10倍放大镜观察,要求浸入部分应上锡明亮光滑,只允许有少量分散的如针孔不浸润或弱浸润之类的缺陷,且这些缺陷不出现在同一位置。
2、有铅元件:将接收器引脚浸过助焊剂后,沿轴线方向浸入235±5℃、Sn63pb37的熔融焊锡槽中2±0.5s,样品本体距熔融焊料2mm。
4.15高、低温特性4.15.1技术要求阶段2阻抗值与阶段1阻抗值相比,符合产品规格书的要求;阶段3电容量与阶段1相比,变化应在初值的±25%范围内,漏电流不超过4.3.1项的要求的5倍。
4.15.2试验方法阶段1:测量电容量和阻抗(|z|20℃120Hz)。
阶段2:电容器恒温贮存2小时,在热平衡状态测阻抗(|z|-25,-40℃120Hz)。
阶段3:电容器在规定上限类别温度恒温贮存2小时,在热平衡状态测漏电流和电容量。
表3 温度特性试验各阶段时间表4.16振动84.16.1技术要求电容器无可见损伤,无电解质漏出。
容量变化:在初始值±5%范围内。
漏电流及损耗角正切符合规定值要求。
4.16.2试验方法依据GB/T2693-1990的4.17条款以及GB/T 2423.10规定进行试验。