SBR反应池的设计计算解析
- 格式:doc
- 大小:353.50 KB
- 文档页数:20
SBR反应池的设计计算解析第3章设计计算3.1 原始设计参数原⽔⽔量Q=5000m3/d=208.33m3/h=57.87L /s,取流量总变化系数K T=1.72,设计流量Q max= K T Q=0.05787×1.72=0.1m3/s。
3.2 格栅3.2.1 设计说明格栅⼀般斜置在进⽔泵站之前,主要对⽔泵起保护作⽤,截去⽣活⽔中较⼤的悬浮物,它本⾝的⽔流阻⼒并不⼤,⽔头损失只有⼏厘⽶,阻⼒主要产⽣于筛余物堵塞栅条,⼀般当格栅的⽔头损失达到10~15厘⽶时就该清洗。
格栅按形状可分为平⾯格栅和曲⾯格栅两种,按格栅栅条间隙可分为粗格栅(50~100mm),中格栅(10~40mm),细格栅(3~10mm)三种。
根据清洗⽅法,格栅和筛⽹都可设计成⼈⼯清渣和机械清渣两类,当污染物量⼤时,⼀般应采⽤机械清渣,以减少⼈⼯劳动量。
由于设计流量⼩,悬浮物相对较少,采⽤⼀组中格栅,既可达到保护泵房的作⽤,⼜经济可⾏,设置⼀套带有⼈⼯清渣格栅的旁通事故槽,便于排除故障。
栅条的断⾯形状有圆形、锐边矩形、迎⽔⾯为半圆形的矩形、迎⽔⾯背⽔⾯均为半圆的矩形⼏种。
⽽其中迎⽔⾯为半圆形的矩形的栅条具有强度⾼,阻⼒损失⼩的优点。
3.2.2 设计参数(1)变化系数:K T=1.72;(2)平均⽇流量:Q d=5000m3/d;(3)最⼤⽇流量:Q max=0.1 m3/s;(4)设过栅流速:v=0.9m/s;(5)栅前⽔深:h=0.4m;(6)格栅安装倾⾓:α=60°。
3.2.3 设计计算(1)格栅间隙数:13n ==≈(3—1) Q max ——最⼤废⽔设计流量m 3/s——格栅安装倾⾓,取60°h ——栅前⽔深 mb ——栅条间隙宽度,取21mmv ——过栅流速 m/s(2)栅渠尺⼨:B 2=s(n-1)+nb=0.01×(13-1)+13×0.021=0.403m(3—2) s ——栅条宽度取0.01mB 2——格栅宽度 mmax10.10.321m 0.780.4Q B v'h ===?(3—3) B 1——进⽔渠宽 mv’——进⽔渠道内的流速设为0.78m/s栅前扩⼤段:2110.4030.3210.12m 2tan 2tan 20B B L α--===??(3—4)α——渐宽部分的展开⾓,⼀般采⽤20栅后收缩段:L 2=0.5×L 1=0.06m(3—5)通过格栅的⽔头损失h 1:4231423)sin 20.010.92.42()sin 6030.097m0.02119.6S vh =β(k αb g ==(3—6)栅后槽总⾼度H :设栅前渠道超⾼h 2=0.3mH =h +h 1+h 2=0.4+0.097+0.3=0.8m(3—7)栅槽总长度L :L =L 1+L 2+1.0+0.5+2tan α=0.12+0.06+1.0+0.5+0.40.3tan 60+?=2.09m (3—8)(3)每⽇栅渣量W :max 1T864001000Q W W K = 33864000.10.070.35m /d 0.2m /d 1000 1.72??==>? (3—9) W 1——栅渣量(333m /10m 污⽔),取0.07宜采⽤机械清渣,选⽤NC —300型机械格栅:设备宽度300mm ,有效栅宽200mm ,有效栅隙21mm ,运动速度3m/min ,电机功率0.18kw ,⽔流速度≤1m/s ,安装⾓度60°,⽀座长度960mm ,格栅地下深度500mm ,格栅地⾯⾼度360mm ,格栅进深250mm 。
SBR反应池容积计算方法及评价SBR反应池池容计算系指传统的序批式活性污泥反应池,而不包括其他SBR 改进型的诸多反应池(如ICEAS、CASS、MSBR等)池容的计算。
现针对存在的问题提出一套以总污泥量为主要参数的综合设计方法,供设计者参考。
1 现行设计方法负荷法该法与连续式曝气池容的设计相仿。
已知SBR反应池的容积负荷或污泥负荷、进水量及进水中BOD5浓度,即可由下式迅速求得SBR池容:容积负荷法V=nQ0C/Nv (1)Vmin=[SV I·MLSS/106]·V污泥负荷法 Vmin=nQ0C·SVI/Ns (2)V=Vmin+Q曝气时间内负荷法鉴于SBR法属间歇曝气,一个周期内有效曝气时间为ta,则一日内总曝气时间为nta,以此建立如下计算式:容积负荷法V=nQ0Ctc/Nv·ta(3)污泥负荷法 V=24QC0/nta·MLSS·NS(4)动力学设计法由于SBR的运行操作方式不同,其有效容积的计算也不尽相同。
根据动力学原理演算(过程略),SBR反应池容计算公式可分为下列三种情况:限制曝气 V=NQ(C0-Ce)tf/[MLSS·Ns·ta] (5)非限制曝气V=nQ(C0-Ce)tf/[MLSS·Ns(ta+tf)](6)半限制曝气V=nQ(C0-Ce)tf/[LSS·Ns(ta+tf-t0)] (7)但在实际应用中发现上述方法存有以下问题:① 对负荷参数的选用依据不足,提供选用参数的范围过大[例如文献推荐Nv=~(m3·d)等],而未考虑水温、进水水质、污泥龄、活性污泥量以及SBR池几何尺寸等要素对负荷及池容的影响;② 负荷法将连续式曝气池容计算方法移用于具有二沉池功能的SBR池容计算,存有理论上的差异,使所得结果偏小;③ 在计算公式中均出现了SVI、MLSS、Nv、Ns等敏感的变化参数,难于全部同时根据经验假定,忽略了底物的明显影响,并将导致各参数间不一致甚至矛盾的现象;④ 曝气时间内负荷法与动力学设计法中试图引入有效曝气时间ta对SBR池容所产生的影响,但因其由动力学原理演算而得,假定的边界条件不完全适应于实际各个阶段的反应过程,将有机碳的去除仅限制在好氧阶段的曝气作用,而忽略了其他非曝气阶段对有机碳去除的影响,使得在同一负荷条件下所得SBR池容惊人地偏大。
SBR法设计资料SBR工艺总结:SBR污水处理技术SBR是序列间歇式活性污泥法(Sequencing Batch Reactor Activated Sludge Process)的简称,是一种按间歇曝气方式来运行的活性污泥污水处理技术,又称序批式活性污泥法。
与传统污水处理工艺不同,SBR技术采用时间分割的操作方式替代空间分割的操作方式,非稳定生化反应替代稳态生化反应,静置理想沉淀替代传统的动态沉淀。
它的主要特征是在运行上的有序和间歇操作,SBR技术的核心是SBR反应池,该池集均化、初沉、生物降解、二沉等功能于一池,无污泥回流系统。
正是SBR工艺这些特殊性使其具有以下优点:1、理想的推流过程使生化反应推动力增大,效率提高,池内厌氧、好氧处于交替状态,净化效果好。
2、运行效果稳定,污水在理想的静止状态下沉淀,需要时间短、效率高,出水水质好。
3、耐冲击负荷,池内有滞留的处理水,对污水有稀释、缓冲作用,有效抵抗水量和有机污物的冲击。
4、工艺过程中的各工序可根据水质、水量进行调整,运行灵活。
5、处理设备少,构造简单,便于操作和维护管理。
6、反应池内存在DO、BOD5浓度梯度,有效控制活性污泥膨胀。
7、 SBR法系统本身也适合于组合式构造方法,利于废水处理厂的扩建和改造。
8、脱氮除磷,适当控制运行方式,实现好氧、缺氧、厌氧状态交替,具有良好的脱氮除磷效果。
9、工艺流程简单、造价低。
主体设备只有一个序批式间歇反应器,无二沉池、污泥回流系统,调节池、初沉池也可省略,布置紧凑、占地面积省。
SBR系统的适用范围由于上述技术特点,SBR系统进一步拓宽了活性污泥法的使用范围。
就近期的技术条件,SBR系统更适合以下情况:1) 中小城镇生活污水和厂矿企业的工业废水,尤其是间歇排放和流量变化较大的地方。
2) 需要较高出水水质的地方,如风景游览区、湖泊和港湾等,不但要去除有机物,还要求出水中除磷脱氮,防止河湖富营养化。
3) 水资源紧缺的地方。
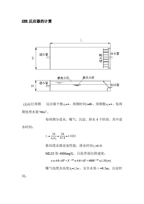
SBR 反应器的计算(1)运行周期 反应器个数1=4n ,周期时间=6t h ,周期数2=4n ,每周期处理水量3700m 。
每周期分进水,曝气,沉淀,排水4个阶段。
其中进水时间:()122424 1.544e t h n n ===⨯ 格局滗水器设备性能,排水时间=0.5d t hMLSS 取4000mg/L 。
污泥界面沉降速度:()4 1.264 1.264.610 4.6104000 1.33u X m --=⨯⨯=⨯⨯=曝气池滗水高度1=1.2h m ,安全水渠ε=0.5m 。
沉淀时间:1+ε 1.2+0.5===1.3)1.33s h t h u ( 曝气时间:=---=6-1.5-1.3-0.5=2.7()a e s d t t t t t h 反应时间: 2.7===0.45)6a t e h T ( (2)曝气池体积V出水溶解5BOD 估算:取=20/z S mg L ,0.06d K =,0.75f =,=20/e C mg L 。
()7.1207.10.060.752013.6/e z d e S S K fC mg L =-=-⨯⨯⨯= 曝气段污泥龄-1θ=25c d ,污泥产率系数γ=0.6,=0.06d K()()()()()030.6112002520013.61008510.4540000.7510.0625c e d c YQ S S V m eXf K θθ-⨯⨯⨯-===+⨯⨯⨯+⨯ (3)污泥负荷()0511*******.13/0.45400010085s QS N kgBOD kgMLSS eXV ⨯===⨯⨯ (4)剩余生物污泥量 d K 与水温有关水温为20℃时(20)=0.06d K -20-1(21)(20)= 1.04=0.0624T d d K K d ()()()021********20013.640000.6112000.450.06100850.7510001000435.7/e d v S S X X YQ eK Vf kg d -∆=⨯-⨯-=⨯⨯-⨯⨯⨯⨯= 剩余非生物污泥设=0.7b f()()()02202011120010.70.751064/10001000e S b C C X Qf f kg d --∆=-⨯=⨯-⨯⨯=剩余污泥总量()()21437.510641499.7/S v X X X kg d ∆=∆+∆=+=(5)复核出水5BOD()022********.9/24240.01840000.75 2.74ch a S L mg L K Xft n ⨯===++⨯⨯⨯⨯ 符合排放要求(6)设计需氧量设:有机物氧化需氧系数'=0.5a ,泥需氧系数'=0.12b()()''040000.51120020013.60.450.12100850.7510002677.61(/)111.57(/)e AOR a Q S S eb XVfkg d kg h =-+=⨯⨯-+⨯⨯⨯⨯== (7)标准需氧量1.压力修正系数 取50.9110a p P =⨯5550.91100.91.01310 1.01310P ρ⨯===⨯⨯ 2.微孔曝气头安装在距池底0.3m 处,淹没深度H=4.7m.其绝对压力为()35559.810 1.013100.09810 4.7 1.4710b P P H Pa =+⨯=⨯⨯⨯⨯=⨯3.微孔曝气头氧转移效率A E 为20%,气泡离开水面时含氧量:()()()()2112110.2100%100%17.5%79211792110.2A t A E Q E ⨯-⨯-=⨯=⨯=+⨯-+⨯- 4.水温为21℃,清水氧饱和度21=8.99/s C mg L ()。
SBR 反应器的设计计算(1)由于SBR 为间歇进水,所以采用2个反应器。
(2)参数选择 污泥负荷Ls 取值0.1kgBOD/(kgMLSS·d );污泥浓度采用X=3000mgMLSS/L ;进水COD=225mg/L,BOD=135mg/L ,反应池高H=4.0m ,安全高度ε=0.3m;排水比1/m=1/4;,B/C=0.48>0.4,可生化性好。
(3)反应池运行周期各工序的计算①.曝气时间(T A )02250.490/B S COD mg L C ==⨯=024249020.143000A s S T h L mX ⨯===⨯⨯②.沉淀时间(T S )初期沉淀速度4 1.264 1.26max 4.610 2.251036000.75/v X m h --=⨯⨯=⨯⨯=则: max 113.50.5420.75S H m T h v ε⎛⎫+⨯+ ⎪⎝⎭===③.排出时间(T 0) 排出时间为1h ,与沉淀时间合计为3.0h 计。
④.进水时间(T F ) 设进水时间为T=1.0h 。
一个周期时间为T=8.0h 。
(4)反应池池容计算 SBR 反应池涉及运行水位草图如图4.10设f=0.85:SVI=150故污泥沉降体积为 841.085.0150101353506=⨯⨯⨯⨯-3m 采用周期为8h ,池个数为2个每个池子的有效容积为47⨯ 图4.10 SBR 反应池涉及运行水位草图排水结束时水位h 2111414.0 2.7m h Hm --=⨯=⨯⨯=污泥界面 h 1=h 2-0.5=2.2m (5)需氧量计算①.需氧量 需氧量O a 为有机物(BOD)氧化需氧量O 1、微生物自身氧化需氧量O 2、保持好氧池一定的溶解氧O 3所需氧量之和。
即O a =O 1+O 2+O 3 有机物氧化需氧量O 1()10e O aQ S S =-式中:a-----去除每1.0kgBOD 的需氧量,kgO 2/kgBOD,取a=1.0; S 0,S e -----进水BOD 与出水BOD ,kg/m 3; Q-----进水量,m 3/d 。
SBR 反应池计算
1. 日处理水量1500m 3
进水水质COD850mg/L (原水1700mg/L 经沉淀、气浮、水解后) 出水水质COD120mg/L 去除率85.8%,是可以达到的
2. 运行周期取8小时,(2小时进水、6小时曝气进水同时曝气、1小时沉淀、1小时滗水)
3. 采用水解池出水自流入SBR 池,因为设4个SBR 池。
4. 计算单池体积
① 一个SBR 池一天处理水1500/4=375m 3
一个SBR 池一天进水3次,每次进水125m 3
单池体积V 单=V 进+V 泥
V 进=125m 3
V 泥
式中Q ——单池每天进水量1500/4=375m 3
Lj ——进水BOD=504mg/L(原水800 mg/L)
Nw ——污泥负荷 取0.2kgBOD/KGMLSS.d
Fw ——混合液污泥浓度 取4300mg/L
V 泥= =220m 3
V 单=125+220=345m 3(按350m 3计)
② 单池体积 V=
375*0.504
0.2*4.3 nQC
式中n——1日内的周期数 3
Q——1个周期进水量125m3
C——平均进水BOD浓度0.504 kgBOD/m3 Nv——污泥容积负荷0.5kgBOD/m3池容.d
(按375m3计)
选有限水深5.2m
则面积为72.1m2
根据厂区用地情况,平面尺寸可定为6.0m*12.5m
设超高为0.8m,则总高为6m
单池总尺寸为6.0m*12.5m*6m
4个池子的总长
24m
总宽
12.5m
③
池水比
其他水厂
=
8.6*11*6 0.95。
SBR 反应器的设计计算(1)由于SBR 为间歇进水,所以采用2个反应器。
(2)参数选择 污泥负荷Ls 取值0.1kgBOD/(kgMLSS ·d );污泥浓度采用X=3000mgMLSS/L ;进水COD=225mg/L,BOD=135mg/L ,反应池高H=4.0m ,安全高度ε=0.3m;排水比1/m=1/4;,B/C=0.48>0.4,可生化性好。
(3)反应池运行周期各工序的计算 ①.曝气时间(T A )02250.490/BS COD mg L C ==⨯=024249020.143000A s S T h L mX ⨯===⨯⨯②.沉淀时间(T S ) 初期沉淀速度4 1.264 1.26max 4.610 2.251036000.75/v X m h--=⨯⨯=⨯⨯=则:max 113.50.5420.75S H m T h v ε⎛⎫+⨯+ ⎪⎝⎭=== ③.排出时间(T 0)排出时间为1h ,与沉淀时间合计为3.0h 计。
④.进水时间(T F ) 设进水时间为 T=1.0h 。
一个周期时间为T=8.0h 。
(4)反应池池容计算 SBR 反应池涉及运行水位草图如图4.10 设f=0.85:SVI=150 故污泥沉降体积为841.085.0150101353506=⨯⨯⨯⨯-3m 采用周期为8h ,池个数为2个 每个池子的有效容积为100421662842428350=+=+⨯⨯3m 选定每个池子尺寸为:长7m ,宽4m ,高4m 采用超高0.3m ,故池子全高为4.3m 各程序时间分配:进水:1h 曝气:2h 静沉:2h 排水:1h 闲置:2h排水口低高为 4-92.147166=⨯>0.68(安全)图4.10 SBR 反应池涉及运行水位草图 排水结束时水位h 22111414.0 2.71.12541m h Hm Q m V --=⨯=⨯⨯=∆+ 基准水位3114.0 3.61.1251h Hm Q V ==⨯=∆+高峰水位 h 4=4.0m 警报,溢流水位 h 5=h 4+0.3=4.3m污泥界面 h 1=h 2-0.5=2.2m (5)需氧量计算①.需氧量 需氧量O a 为有机物(BOD)氧化需氧量O 1、微生物自身氧化需氧量O 2、保持好氧池一定的溶解氧O 3所需氧量之和。
SBR反应池容积计算方法及评价SBR反应池池容计算系指传统的序批式活性污泥反应池,而不包括其他SBR 改进型的诸多反应池(如ICEAS、CASS、MSBR等)池容的计算。
现针对存在的问题提出一套以总污泥量为主要参数的综合设计方法,供设计者参考。
1 现行设计方法1.1 负荷法该法与连续式曝气池容的设计相仿。
已知SBR反应池的容积负荷或污泥负荷、进水量及进水中BOD5浓度,即可由下式迅速求得SBR池容:容积负荷法V=nQ0C/Nv (1)Vmin=[SVI·MLSS/106]·V污泥负荷法 Vmin=nQ0C·SVI/Ns (2)V=Vmin+Q1.2 曝气时间内负荷法鉴于SBR法属间歇曝气,一个周期内有效曝气时间为ta,则一日内总曝气时间为nta,以此建立如下计算式:容积负荷法V=nQ0Ctc/Nv·ta(3)污泥负荷法 V=24QC0/nta·MLSS·NS(4)1.3 动力学设计法由于SBR的运行操作方式不同,其有效容积的计算也不尽相同。
根据动力学原理演算(过程略),SBR反应池容计算公式可分为下列三种情况:限制曝气 V=NQ(C0-Ce)tf/[MLSS·Ns·ta] (5)非限制曝气V=nQ(C0-Ce)tf/[MLSS·Ns(ta+tf)](6)半限制曝气V=nQ(C0-Ce)tf/[LSS·Ns(ta+tf-t0)] (7)但在实际应用中发现上述方法存有以下问题:① 对负荷参数的选用依据不足,提供选用参数的范围过大[例如文献推荐Nv=0.1~1.3kgBOD5/(m3·d)等],而未考虑水温、进水水质、污泥龄、活性污泥量以及SBR池几何尺寸等要素对负荷及池容的影响;② 负荷法将连续式曝气池容计算方法移用于具有二沉池功能的SBR池容计算,存有理论上的差异,使所得结果偏小;③ 在计算公式中均出现了SVI、MLSS、Nv、Ns等敏感的变化参数,难于全部同时根据经验假定,忽略了底物的明显影响,并将导致各参数间不一致甚至矛盾的现象;④ 曝气时间内负荷法与动力学设计法中试图引入有效曝气时间ta对SBR 池容所产生的影响,但因其由动力学原理演算而得,假定的边界条件不完全适应于实际各个阶段的反应过程,将有机碳的去除仅限制在好氧阶段的曝气作用,而忽略了其他非曝气阶段对有机碳去除的影响,使得在同一负荷条件下所得SBR 池容惊人地偏大。
第3章设计计算3.1 原始设计参数原水水量Q=5000m3/d=208.33m3/h=57.87L /s,取流量总变化系数K T=1.72,设计流量Q max= K T Q=0.05787×1.72=0.1m3/s。
3.2 格栅3.2.1 设计说明格栅一般斜置在进水泵站之前,主要对水泵起保护作用,截去生活水中较大的悬浮物,它本身的水流阻力并不大,水头损失只有几厘米,阻力主要产生于筛余物堵塞栅条,一般当格栅的水头损失达到10~15厘米时就该清洗。
格栅按形状可分为平面格栅和曲面格栅两种,按格栅栅条间隙可分为粗格栅(50~100mm),中格栅(10~40mm),细格栅(3~10mm)三种。
根据清洗方法,格栅和筛网都可设计成人工清渣和机械清渣两类,当污染物量大时,一般应采用机械清渣,以减少人工劳动量。
由于设计流量小,悬浮物相对较少,采用一组中格栅,既可达到保护泵房的作用,又经济可行,设置一套带有人工清渣格栅的旁通事故槽,便于排除故障。
栅条的断面形状有圆形、锐边矩形、迎水面为半圆形的矩形、迎水面背水面均为半圆的矩形几种。
而其中迎水面为半圆形的矩形的栅条具有强度高,阻力损失小的优点。
3.2.2 设计参数(1)变化系数:K T=1.72;(2)平均日流量:Q d=5000m3/d;(3)最大日流量:Q max=0.1 m3/s;(4)设过栅流速:v=0.9m/s;(5)栅前水深:h=0.4m;(6)格栅安装倾角:α=60°。
3.2.3 设计计算(1)格栅间隙数:13n ==≈ (3—1) Q max ——最大废水设计流量m 3/sӨ——格栅安装倾角, 取60°h ——栅前水深 mb ——栅条间隙宽度,取21mmv ——过栅流速 m/s(2)栅渠尺寸:B 2=s(n-1)+nb=0.01×(13-1)+13×0.021=0.403m(3—2) s ——栅条宽度 取0.01mB 2——格栅宽度 mmax10.10.321m 0.780.4Q B v'h ===⨯(3—3) B 1——进水渠宽 mv ’——进水渠道内的流速 设为0.78m/s栅前扩大段:2110.4030.3210.12m 2tan 2tan 20B B L α--===⨯︒(3—4) α——渐宽部分的展开角,一般采用20栅后收缩段:L 2=0.5×L 1=0.06m(3—5) 通过格栅的水头损失h 1:4231423)sin 20.010.92.42()sin 6030.097m0.02119.6S v h =β(k αb g =⨯⨯⨯︒⨯=(3—6) 栅后槽总高度H :设栅前渠道超高h 2=0.3mH =h +h 1+h 2=0.4+0.097+0.3=0.8m(3—7) 栅槽总长度L :L =L 1+L 2+1.0+0.5+2tan h+h α=0.12+0.06+1.0+0.5+0.40.3tan 60+︒=2.09m(3—8)(3)每日栅渣量W :max 1T864001000Q W W K = 33864000.10.070.35m /d 0.2m /d 1000 1.72⨯⨯==>⨯ (3—9) W 1——栅渣量(333m /10m 污水),取0.07宜采用机械清渣,选用NC —300型机械格栅:设备宽度300mm ,有效栅宽200mm ,有效栅隙21mm ,运动速度3m/min ,电机功率0.18kw ,水流速度≤1m/s ,安装角度60°,支座长度960mm ,格栅地下深度500mm ,格栅地面高度360mm ,格栅进深250mm 。
SBR 反应器的设计计算一、 设计说明经UASB 处理后的废水,COD 含量仍然很高,要达到排放标准,必须进一步处 理,即采用好氧处理。
SBR 结构简单,运行控制灵活,本设计采用 4个SBR 反应 池,每个池子的运行周期为6h二、 设计参数 (一) 参数选取(1) 污泥负荷率Ns 取值为 0.13kgBOD5/(kgMLSS?d) (2) 污泥浓度和 污泥浓度采用(3) 反应周期 SBR 周期采用 设计水质见下表2.3: 表2.3 SBR反应器进出水水质指三、设计计算 (一)反应池有效容积V i =式中:SVI4000 mgMLSS/L,SVI 取 100 T=6h,反应器一天内周期数n=24/6=4 (4) 周期内时间分配 反应池数N=4进水时间:反应时间: 静沉时间: 排水时间: (5) 周期进水量 Q0= =156.25m 3/s(二) 设计水量水质设计水量为:Q=2500m 3/d=104m 3/h=0.029m 3/sT/N=6/4=1.5h 3.0h 1.0h0.5h-V 1 = 280.45 m 3二) 反应池最小水量3V min =V 1-Q 0=280.45-156.25=124.2m 3三) 反应池中污泥体积Vx=SVI • MLSS V i /106=100X 4000X 280.45/10 =112.18 m 3 V min >Vx, 合格四) 校核周期进水量周期进水量应满足下式:Qv(1-SVI • MLSS /106) • V6=(1- 100 X 4000 /10 6) X 280.453=176.46m 3而 Q 0=156.25m 3<176.46m 3故符合设计要求五) 确定单座反应池的尺寸SBR 有效水深取5.0m,超高0.5m,则SBR 总高为5.5m, SBR 的面积为 280.45/5=56.09m 2设SBR 的长:宽=2: 1则SBR 的池宽为:5.5m ;池长为:11.0m.SBR 反应池的最低水位为:1.97m SBR 反应池污泥高度为:1.24m1.97-1.24=0.73m可见,SBR 最低水位与污泥位之间的距离为 0.8m,大于0.5m 的缓冲层高度 符合设计要求。
设计计算一、泵前中格栅由于水量较小,直接采用钢筋制成中格栅,栅条间隙为5mm,采用人工清渣的方式.二、集水池1、设计参数水力停留时间HRT=12h;设集水池的有效水深h=2.0m,水面超高取0.5m 2、设计计算(1)集水池有效容积VV=QT=(15/24)×12=7.5 m3(2)集水池总高HH=2.0+0.5=2.5 m(3)集水池水面面积AA=V/h=7.5/2.0=3.75 m2,取5 m2(4)集水池横截面为 L×B=2.5×2(m2)=12.5 m3则集水池容积为V1集水池的尺寸为L×B×H=2.5×2×2.5(m3)(5)提升泵选取提升泵50QW25-10-1.5的潜污泵2台,1用1备主要参数:提升流量Q=25m3/h扬程H=10m集水池计算草图五、SBR 反应池 1、设计参数设计水量为Q=15 m 3/d污泥负荷率Ns 取0.25 kgBOD5/( kgMLSS·d)污泥浓度和SVI 污泥浓度采用C A =3000 mg MLSS/L ,SVI 采用100 排出比 1/m=1/3,反应池数N=1反应池有效水深取3.0m ,超高取0.5 m ,则SBR 总高为3.5 m2、反应池运行周期各工序时间计算(1)曝气时间(T A )T A =24ASo Ls m C ⋅⋅⋅=h 13.23000325.020024=⨯⨯⨯ 取2.5h(2)沉降时间(Ts )初期沉降速度V max =4.6⨯104⨯C A -1.26 =4.6⨯104⨯3000-1.26 =1.9m/h则T s =max )/1(V m H ε+⋅=h 8.09.15.0310.3=+⨯ 取1.0h(3)排出时间(T D )排出时间1.0h 左右,与沉淀时间合计为2.0h 。
(4)设计进水时间为2.0h,进水1.5h 后开始曝气,因此一个周期所需要的时间为:T c =1.5+2.5+2.0=6h由于水量较小,所以设计系统一天内运行2个周期数. 3.反应池容积计算:(1) 反应池有效容积(V 1) V 1=Nn m ⋅⨯Q=5.2215123=⨯⨯ m 3 (2)反应池最小水量(V min ) 周期进水量 Q 0=5.7124121524=⨯⨯=N QT m 3 反应池最小水量V min =V 1-Q 0=22.5-7.5=15 m 3(3)反应池中的污泥体积36675.61015300010010m V MLSS SVI V X =⨯⨯=⋅⋅=V min >V X ,合格(4)校核周期进水量周期进水量应满足下式:36675.151510300010011010m V MLSS SVI Q =⨯⎪⎭⎫ ⎝⎛⨯-=⎪⎭⎫ ⎝⎛⋅-< Q 0=7.5m 3,合格(5)进水变动的讨论:由于设计时一个周期处理的废水量已按照一天的平均流量来计算,所以在此不考虑进水变动对池子的影响.反应池水深3.0m ,则必要的水面积为35.70.35.22m A == 取8.0m 3把反应器设成方形的A=8.0=LB 设SBR 的L :B=2:1 则SBR 池宽B=2.0m ,长L=4.0mSBR 反应池运行水位如图所示排水结束时水位m m m H h 23130.311=-⨯=-⨯=基准水位h 2=3.0m警报,溢流水位h 4=3.0+0.5=3.5m4、鼓风曝气系统(1)确定需氧量O 2由公式:O 2=a ′Q(S o -S e )+b ′X v V 取a ′=0.5,b ′=0.15,出水S e =20mg/L ,X v =f ⨯X=0.75⨯3000=2250 mg/L=2.25Kg/m 3 代入数据:O 2=a ′Q(S o -S e )+b ′X v V=0.5⨯15⨯(200-20)/1000+0.15⨯2.25⨯3000 =8.95KgO 2/d 取10 KgO 2/d 供氧速率:R=O 2/24=10/6=1.67 KgO 2/h (2) 供氧能力曝气口安装在距池底0.3m 高处,淹没深度为2.7m ,计算温度取25o C 。
SBR法相关计算SBR法(Sequencing Batch Reactor,顺序批处理反应器)是一种高效的生物处理技术,广泛应用于废水处理、污泥处理和废气处理等领域。
下面将详细介绍SBR法的相关计算。
1.污水处理计算:Q=n*Qc其中,Q为污水流量,n为蓄水期次数,Qc为一蓄水期内的进水流量。
(2)曝气量计算:曝气量是指在SBR法中为了提供氧气而需要向反应器中通入的空气量。
可通过以下公式计算曝气量:V=Q*(Ss-Se)*C/TT其中,V为曝气量,Q为污水流量,Ss为溶解氧饱和度,Se为溶解氧浓度,C为曝气因子,TT为反应周期。
2.污泥处理计算:(1)污泥产量计算:根据污泥浓度和污水处理流量,可以计算出污泥的产量。
常用公式如下:X=S*Q其中,X为污泥产量,S为污泥浓度,Q为污水处理流量。
(2)污泥浓度计算:根据SBR法处理污水的流程和周期,可以计算出污泥浓度。
一般情况下,可以使用以下公式:S=X/Q其中,S为污泥浓度,X为污泥产量,Q为污水处理流量。
3.废气处理计算:(1)废气流量计算:根据废气处理装置的设计及处理要求,可以计算出废气流量。
常用公式如下:Qg=Qw*G其中,Qg为废气流量,Qw为废水流量,G为气水比。
(2)废气处理效率计算:废气处理效率是指废气处理装置在清洁废气出口中所实现的废气处理效果。
可通过以下公式计算废气处理效率:ηg = (Cin - Cout) / Cin * 100%其中,ηg为废气处理效率,Cin为废气进口浓度,Cout为废气出口浓度。
以上是SBR法相关计算的一些常用公式和方法,具体计算应根据实际情况进行调整和补充。
SBR反应池的设计计算SBR反应池是序列批处理活性污泥法的核心设备,广泛应用于生物污水处理系统中。
设计一个有效的SBR反应池需要考虑许多因素,包括污水特性、处理水平要求、液体体积以及进料方式等等。
以下是一个关于SBR 反应池设计计算的简要指南。
1.确定反应器设计流量:首先需要确定每天处理的水量,即进料水体积。
这可以通过考虑需处理的废水流量及水质要求来确定。
2.确定反应器体积:根据处理水量和反应周期,计算出所需的反应器体积。
反应周期是指完成一次批处理循环所需的时间,一般在4-8小时左右。
3.计算进料水体积:根据每天处理的水量和反应周期,可以计算出每次进料水的体积。
4.确定SRT:SRT(污泥有效停留时间)是指在反应器中的污泥停留的时间。
一般建议设置为5-10天。
可以通过计算进料水的生物生物需氧量(BOD)和污泥浓度来确定。
5.确定反应时间:根据处理水量和反应器体积,可以计算出每次循环的反应时间。
6.测定曲线:测定曲线是通过监测废水中的关键参数,如溶解氧、悬浮物浓度等,来判断反应器中的污水处理效果。
7.控制回流比:回流比是指将反应后的废水回流到反应器中的比例。
这个比例需要根据系统需求来确定,一般建议在40-80%之间。
8.确定混合和曝气时间:混合时间是指废水在反应器中混合的时间,通常建议在20-40分钟范围内,曝气时间是指向反应器供氧的时间,通常建议在2-4小时内。
9. 确定曝气率:曝气率是指给予废水氧气的速率,反应器中的溶解氧需要保持在2-3 mg/L之间。
10.控制温度:反应器中的温度需要控制在适宜的范围内,通常建议在20-35°C之间。
总体而言,SBR反应池的设计计算需要综合考虑水量、处理水质、曝气时间、回流比等的因素。
通过合理地计算和设计,可以实现高效的生物污水处理系统。
生物反应池( SBR 、AAO )与高程计算一、SBR 生物反应池平均水量 40000T/d,Kz=1.37 Qmax=54800T /d ,主要设计参数:生物选择池 反应时间: 1hr ;生物主反应池:进水同时曝气,其中进水时间 0.5 hr ,曝气反 应时间 2.8 hr ,沉淀时间 1 hr ,排水时间 0.5 hr ,一个周期共 4.8 hr ,每天 有 24/4.8=5 个周期。
设排出比 1/m=1/4 ,(选取) 反应池 MLSS=3500 mg/L ,BOD 污泥负荷 0.07kgBOD/kgMLSS.d, 单池反应器容积:mq 4 V= nNq=5 4 40000 =8000m3有效水深: 6m,故所需水面积为 1333 m 2, 设主曝气区单格平面尺寸(组) : 长 55.0 ×宽 24.0m ,则所需表面积为 1320 m 2。
反应器运行水位计算如下: (反应器水位概念图如图 3.4 ) h 1(LWL 排水结束后的水位)55=611.125 41 44mh 3 h 2 h 1 h 4h 2(MWL 一个周期的平均进水量进水结束后1的水位) =65.33m1.125h 3( HWL1个周期的最大污水量进水结束后的水位) =6m,h ( HHWL 超过 1 个周期最大污水量的报 h s (污泥界面) =4-0.5=3.5m. 生物选择池容积为: 40000/24 1=1667 m 3h s图 3.4 反应器水位概念图有效水深: 6m (与主反应区同深) , 故所需表面积为 278 m 2 生物选择池数量: 2 池, 每池与两主反应区对应 净尺寸约为: 2 池×3.0 ×48.0m 实际有效容积:1728m 3生物反应池计算简图生物选择池搅拌功率:3~5w/m3 设剩余污泥产率为0.9kgDS/kgBOD5 原污水BOD5 为150mg/L, 经预处理后降低25%,则进入反应池的污水,其BOD5为:150(1-25%)=112.5mg/L 水中非溶解性BOD5 值:BOD5= 7.1bXaCe式中Ce ——处理水中悬浮固体浓度,取值20mg/L Xa——活性微生物在处理水中所占的比例,取值0.4 b——微生物自身氧化率,一般介于0.05 ~0.1 之间,取0.1 代入各值,BOD5= 7.1 0.1 0.4 20 =5.7 mg/L 处理水中溶解性BOD5值为20-5.7=14.3 mg/L 去除了112.5-14.3=98.2 mg/L,去除率为98.2/112.5=87%剩余污泥0.9 98.2 54800/1000=4843kgDS/d量:污泥龄:31680 3.54843 / 0.7 =16dDa Lrb MLVSS T A +4.57N O -2.86N D A式中 O D ——每周期需氧量, kg O 2/周期;Lr —— BOD 去除量, kg BOD/周期;∑MLVS —S —反应器内的生物量, kg ;T A ——曝气时间, h/ 周期; N o ——硝化量, kg N/ 周期; N D ——脱氮量, kg N/ 周期; a ——系数, kgO 2/kg BOD 5,取 1;b ——污泥自身氧化需氧率, kgO 2/ (kg MLVSS ·h ),取 0.07;O D =1 98.2 54800/(5 1000)+0.07 3.5 2283 2.8 +4.57 3 54800/(5 1000)-2.86 30 54800/(5 1000)=1778 kg O 2/ 周期=635 kg O2/h635最大需气量:331.4 21.5% 20%=10548m/h=176 m /min176 60 24气水比:=6.3 ︰ 140000混合液回流比: R 1=20%; 上清夜排出装置:每池的排水负荷每池设一台滗水器,则排水负荷为 54800考虑到流量变化系数为则滗水器的最大排水负荷为 33.3 ×1.37=45.6 m 3/min=2737 m 3/h 。
SBR 反应池计算
1. 日处理水量1500m 3
进水水质COD850mg/L (原水1700mg/L 经沉淀、气浮、水解后) 出水水质COD120mg/L 去除率85.8%,是可以达到的
2. 运行周期取8小时,(2小时进水、6小时曝气进水同时曝气、1小时沉淀、1小时滗水)
3. 采用水解池出水自流入SBR 池,因为设4个SBR 池。
4. 计算单池体积
① 一个SBR 池一天处理水1500/4=375m 3
一个SBR 池一天进水3次,每次进水125m 3
单池体积V 单=V 进+V 泥
V 进=125m 3
V 泥
式中Q ——单池每天进水量1500/4=375m 3
Lj ——进水BOD=504mg/L(原水800 mg/L)
Nw ——污泥负荷 取0.2kgBOD/KGMLSS.d
Fw ——混合液污泥浓度 取4300mg/L
V 泥= =220m 3
V 单=125+220=345m 3(按350m 3计)
② 单池体积 V=
375*0.504
0.2*4.3 nQC
式中n——1日内的周期数 3
Q——1个周期进水量125m3
C——平均进水BOD浓度0.504 kgBOD/m3 Nv——污泥容积负荷0.5kgBOD/m3池容.d
(按375m3计)
选有限水深5.2m
则面积为72.1m2
根据厂区用地情况,平面尺寸可定为6.0m*12.5m
设超高为0.8m,则总高为6m
单池总尺寸为6.0m*12.5m*6m
4个池子的总长
24m
总宽
12.5m
③
池水比
其他水厂
=
8.6*11*6 0.95。
SBR反应池的设计计算SBR(Sequencing Batch Reactor)是一种顺序补给反应池,广泛用于废水处理。
其独特的顺序性操作和灵活性使得SBR反应池成为废水处理领域中常用的工艺。
首先,反应池的体积大小是设计的重要参数之一、要确定反应池的体积大小,需要知道每天处理的废水量和所需的水质净化要求。
根据处理容量和水质净化要求,可以计算出SBR反应池的设计容积。
其次,污泥负荷和氧化能力的计算也是SBR反应池设计的重要内容之一、污泥负荷表示单位时间内进入反应池的废水量与反应池容积的比值。
污泥负荷的计算可以基于废水的化学需氧量(COD)、总氮(TN)和总磷(TP)等指标。
对于污泥氧化能力的计算,需要根据废水的特点和处理要求,确定需要的氧化能力,进而推算出进气量和曝气时间。
再次,需要确定SBR反应池的运行周期。
运行周期通常由两个参数来确定:一是反应阶段的时间,二是沉淀阶段的时间。
在反应阶段,需要根据化学需氧量(COD)和氨氮(NH3-N)的浓度变化,确定适当的反应时间来实现废水的去除。
而在沉淀阶段,需要足够的时间让污泥沉淀到反应池底部,以便进行后续的排放和处理。
最后,还需要考虑SBR反应池的进给水和出水的处理工艺。
通常,SBR反应池的前段会设置进水管道,用于向反应池中补充废水。
而出水则需要经过后处理,以达到排放标准。
在SBR反应池的设计计算中,还需要考虑反应池的混合方式、搅拌装置和曝气装置等。
这些设备的设计也是确保反应池正常运行和有效处理废水的关键因素之一总之,SBR反应池的设计计算是一个综合考虑各种因素的过程。
通过合理计算和设计,可以保证SBR反应池达到预期的处理效果,提高废水处理的效率和质量。
生物反应池(SBR、AAO)与高程计算一、SBR生物反应池平均水量40000T/d,Kz=1.37 Qmax=54800 T/d,主要设计参数:生物选择池反应时间:1hr;生物主反应池:进水同时曝气,其中进水时间0.5 hr,曝气反应时间2.8 hr,沉淀时间1 hr,排水时间0.5 hr,一个周期共4.8 hr,每天有24/4.8=5个周期。
设排出比1/m=1/4,(选取)反应池MLSS=3500 mg/L,BOD污泥负荷0.07kgBOD/kgMLSS.d,单池反应器容积:V=qnNm=40000454⨯⨯=8000m3有效水深:6m,故所需水面积为1333 m2, 设主曝气区单格平面尺寸(组):长55.0×宽24.0m,则所需表面积为1320 m2。
反应器运行水位计算如下:(反应器水位概念图如图3.4)h1(LWL排水结束后的水位)=m4414125.116=-⨯⨯h2(MWL的水位)=m33.5125.116=⨯h3(HWL1个周期的最大污水量进水结束后的水位)=6m,h4( HHWL超过1个周期最大污水量的报图3.4 反应器水位概念图警、溢流水位)=6+0.5=6.5m,hs(污泥界面)=4-0.5=3.5m.生物选择池容积为:40000/24⨯1=1667 m3有效水深:6m(与主反应区同深),故所需表面积为278 m2生物选择池数量:2池,每池与两主反应区对应净尺寸约为:2池×3.0×48.0m实际有效容积:1728m3生物反应池计算简图生物选择池搅拌功率:3~5 w/m3设剩余污泥产率为0.9kgDS/kgBOD5原污水BOD5为150mg/L,经预处理后降低25%,则进入反应池的污水,其BOD5为:150(1-25%)=112.5mg/L水中非溶解性BOD5值:BOD5=7.1bXaCe式中 Ce——处理水中悬浮固体浓度,取值20mg/LXa——活性微生物在处理水中所占的比例,取值0.4b——微生物自身氧化率,一般介于0.05~0.1之间,取0.1代入各值,BOD5=7.10.10.420⨯⨯⨯=5.7 mg/L处理水中溶解性BOD5值为20-5.7=14.3 mg/L去除了112.5-14.3=98.2 mg/L,去除率为98.2/112.5=87%剩余污泥量:0.998.254800/1000⨯⨯=4843kgDS/d 污泥龄:7.0/ 48435.331680⨯=16d SBR需氧量:O D A MLVSS T +4.57N -2.86N D a Lr b O =⨯+⨯∑∑式中 O D ——每周期需氧量,kg O 2/周期;Lr ——BOD 去除量,kg BOD/周期; ∑MLVSS ——反应器内的生物量,kg ; T A ——曝气时间, h/周期; N o ——硝化量,kg N/周期; N D ——脱氮量,kg N/周期; a ——系数,kgO 2/kg BOD 5,取1;b ——污泥自身氧化需氧率,kgO 2/(kg MLVSS ·h ),取0.07;D O =198.254800/(51000)+0.07 3.52283 2.8+4.57354800/(51000)-2.863054800/(51000)⨯⨯⨯⨯⨯⨯⨯⨯⨯⨯⨯⨯ =1778 kg O 2/周期 =635 kg O 2/h最大需气量:%20%5.214.1635⨯⨯=10548m 3/h=176 m 3/min气水比:400002460176⨯⨯=6.3︰1混合液回流比:R 1=20%;上清夜排出装置:每池的排水负荷=⨯⨯⨯==60115440000D d NnT Q Q 33.3 m 3/min每池设一台滗水器,则排水负荷为33.3 m 3/min ,考虑到流量变化系数为548001.3740000=, 则滗水器的最大排水负荷为33.3×1.37=45.6 m 3/min=2737 m 3/h 。
第3章设计计算3.1 原始设计参数原水水量Q=5000m3/d=208.33m3/h=57.87L /s,取流量总变化系数K T=1.72,设计流量Q max= K T Q=0.05787×1.72=0.1m3/s。
3.2 格栅3.2.1 设计说明格栅一般斜置在进水泵站之前,主要对水泵起保护作用,截去生活水中较大的悬浮物,它本身的水流阻力并不大,水头损失只有几厘米,阻力主要产生于筛余物堵塞栅条,一般当格栅的水头损失达到10~15厘米时就该清洗。
格栅按形状可分为平面格栅和曲面格栅两种,按格栅栅条间隙可分为粗格栅(50~100mm),中格栅(10~40mm),细格栅(3~10mm)三种。
根据清洗方法,格栅和筛网都可设计成人工清渣和机械清渣两类,当污染物量大时,一般应采用机械清渣,以减少人工劳动量。
由于设计流量小,悬浮物相对较少,采用一组中格栅,既可达到保护泵房的作用,又经济可行,设置一套带有人工清渣格栅的旁通事故槽,便于排除故障。
栅条的断面形状有圆形、锐边矩形、迎水面为半圆形的矩形、迎水面背水面均为半圆的矩形几种。
而其中迎水面为半圆形的矩形的栅条具有强度高,阻力损失小的优点。
3.2.2 设计参数(1)变化系数:K T=1.72;(2)平均日流量:Q d=5000m3/d;(3)最大日流量:Q max=0.1 m3/s;(4)设过栅流速:v=0.9m/s;(5)栅前水深:h=0.4m;(6)格栅安装倾角:α=60°。
3.2.3 设计计算(1)格栅间隙数:13n ==≈ (3—1) Q max ——最大废水设计流量m 3/sӨ——格栅安装倾角, 取60°h ——栅前水深 mb ——栅条间隙宽度,取21mmv ——过栅流速 m/s(2)栅渠尺寸:B 2=s(n-1)+nb=0.01×(13-1)+13×0.021=0.403m(3—2) s ——栅条宽度 取0.01mB 2——格栅宽度 mmax10.10.321m 0.780.4Q B v'h ===⨯(3—3) B 1——进水渠宽 mv’——进水渠道内的流速 设为0.78m/s栅前扩大段:2110.4030.3210.12m 2tan 2tan 20B B L α--===⨯︒(3—4) α——渐宽部分的展开角,一般采用20栅后收缩段:L 2=0.5×L 1=0.06m(3—5) 通过格栅的水头损失h 1:4231423)sin 20.010.92.42()sin 6030.097m0.02119.6S vh =β(k αb g =⨯⨯⨯︒⨯=(3—6) 栅后槽总高度H :设栅前渠道超高h 2=0.3mH =h +h 1+h 2=0.4+0.097+0.3=0.8m(3—7) 栅槽总长度L :L =L 1+L 2+1.0+0.5+2tan α=0.12+0.06+1.0+0.5+0.40.3tan 60+︒=2.09m (3—8)(3)每日栅渣量W :max 1T864001000Q W W K = 33864000.10.070.35m /d 0.2m /d 1000 1.72⨯⨯==>⨯ (3—9) W 1——栅渣量(333m /10m 污水),取0.07宜采用机械清渣,选用NC —300型机械格栅:设备宽度300mm ,有效栅宽200mm ,有效栅隙21mm ,运动速度3m/min ,电机功率0.18kw ,水流速度≤1m/s ,安装角度60°,支座长度960mm ,格栅地下深度500mm ,格栅地面高度360mm ,格栅进深250mm 。
生产厂商:上海南方环保设备有限公司、上海惠罗环境工程有限公司。
3.3平流式沉砂池3.3.1设计说明平流式沉砂池是常用的形式,污水在池内沿水平方向流动。
平流式沉砂池由入流渠、出流渠、闸板、水流部分及沉砂斗组成。
它具有截留无颗粒效果好、工作稳定、构造简单和排沉砂方便等优点。
3.3.2设计参数(1)最大流速为0.3m/s ,最小流速为0.15m/s ;(2)最大流量时停留时间不小于30s ,一般采用30~60s ;(3)效水深应不大于1.2m ,一般采用0.25~1m ,每格宽度不宜小于0.6m ;(4)水头部应采取消能和整流措施;(5)底坡度一般为0.01~0.02,当设置除砂设备时,可根据设备要求考虑池底形状。
3.3.3设计计算(1)池子长度L :设最大设计流量时的流速v =0.25m/s ,流行时间t =30sL =vt =0.25×30=7.5m (3—10)(2)水流断面积A :max 20.10.4m 0.25Q A v === (3—11) (3)池子总宽度B :设n =2格,每格宽b =0.6mB =nb =1.2m (3—12)(4) 有效水深:20.40.33m 1.2A hB === (3—13) (5)砂池所需容积V :清除沉砂的时间间隔T=2dmax 366T 864000.1302864000.3m 10 1.7210Q XT V K ⨯⨯⨯===⨯⨯ (3—14) X ——城市污水沉砂量[363m /10m ⋅(污水)] 取30K T ——生活污水流量总变化系数(6)每个砂斗容积V 0:设每个分格有两个沉砂斗300.30.075m 2222V V ===⨯⨯ (3—15) (7) 沉砂斗各部分尺寸:设斗底宽a 1=0.4m ,斗壁与水平面的倾角70°,斗高h 3’=0.3m 沉砂斗上口宽:312'20.30.40.62m tan 70 2.75h a a ⨯=+=+=︒ (3—16) 砂斗容积:2231102233'(222)60.3(20.6220.620.420.4)0.079m 0.075m 6h a aa a V ++=⨯+⨯⨯+⨯==≈ (3—17) (8)沉砂室高度h 3:采用重力排砂,设池底坡度为0.06,坡向砂斗3327.520.620.2'0.060.30.060.48m 2h h L -⨯-=+=+⨯= (3—18) (9)池总高度:设超高h 1=0.3mH =h 1+h 2+h 3=0.3+0.33+0.48=1.11m (3—19)3.4 SBR 反应池3.4.1设计说明设计方法有两种:负荷设计法和动力设计法,本工艺采用负荷设计法。
根据工艺流程论证,SBR法具有比其他好氧处理法效果好,占地面积小,投资省的特点,因而选用SBR法。
SBR是序批式间歇活性污泥法的简称。
该工艺由按一定时间顺序间歇操作运行的反应器组成。
其运行操作在空间上是按序排列、间歇的。
污水连续按顺序进入每个池,SBR反应器的运行操作在时间上也是按次序排列的。
SBR工艺的一个完整的操作过程,也就是每个间歇反应器在处理废水时的操作过程,包括进水期、反应期、沉淀期、排水排泥期、闲置期五个阶段。
这种操作周期是周而复始进行的,以达到不断进行污水处理的目的。
对于单个的SBR反应器来说,在时间上的有效控制和变换,即达到多种功能的要求,非常灵活。
(1)进水期进水期是反应池接纳污水的过程。
由于充水开始是上个周期的闲置期,所以此时反应器中剩有高浓度的活性污泥混合液,这也就相当于活性污泥法中污泥回流作用。
SBR工艺间歇进水,即在每个运行周期之初在一个较短时间内将污水投入反应器,待污水到达一定位置停止进水后进行下一步操作。
因此,充水期的SBR池相当于一个变容反应器。
混合液基质浓度随水量增加而加大。
充水过程中逐步完成吸附、氧化作用。
SBR充水过程,不仅水位提高,而且进行着重要的生化反应。
充水期间可进行曝气、搅拌或静止。
曝气方式包括非限制曝气(边曝气边充水)、限制曝气(充完水曝气)半限制曝气(充水后期曝气)。
(2)反应期在反应阶段,活性污泥微生物周期性地处于高浓度、低浓度的基质环境中,反应器相应地形成厌氧—缺氧—好氧的交替过程。
虽然SBR反应器内的混合液呈完全混合状态,但在时间序列上是一个理想的推流式反应器装置。
SBR反应器的浓度阶梯是按时间序列变化的。
能提高处理效率,抗冲击负荷,防止污泥膨胀。
(3)沉淀期相当于传统活性污泥法中的二次沉淀池,停止曝气搅拌后,污泥絮体靠重力沉降和上清液分离。
本身作为沉淀池,避免了泥水混合液流经管道,也避免了使刚刚形成絮体的活性污泥破碎。
此外,SBR 活性污泥是在静止时沉降而不是在一定流速下沉降的,所以受干扰小,沉降时间短,效率高。
(4)排水期活性污泥大部分为下周期回流使用,过剩污泥进行排放,一般这部分污泥仅占总污泥的30%左右,污水排出,进入下道工序。
(5)闲置期作用是通过搅拌、曝气或静止使其中微生物恢复其活性,并起反硝化作用而进行脱水。
3.4.2 SBR 反应池容积计算设计参数:表3—1 处理要求项目进水水质mg/L 出水水质 mg/L CODcrBOD5NH3-NTPSS600 300 40 10~12 350 ≤60 ≤20 ≤15 ≤1 ≤20设SBR 运行每一周期时间为6h ,进水时间1.5h ,反应时间2.0h ,沉淀时间1.0h ,排水时间1.5h : 周期数:2446n == 根据运行周期时间安排和自动控制特点,SBR 反应池设置4个。
SBR 处理污泥负荷设计为Ns =0.35kgBOD /(kgMLSS d)⋅,设f =0.85,SVI=90(SVI 在100以下沉降性良好),则(1)污泥沉降体积为:635000(30020)1090 5.5t 90495m 0.850.3-⨯-⨯⨯=⨯=⨯ (3—20) (2)每池的有效容积为:3312.5123.75436.25m 4244+=+=⨯ (3—21) (3)选定每池尺寸L ×B ×H =15×7.5×4.5=506.25m 3>436.25m 3 (3—22)采用超高0.5m ,故全池深为5.0m(4)池内最低水位:312.5123.754.5 1.72m 1.1m-=>= (3—23) 3.4.3(1)SBR SBR 水悬浮物沉淀形成。
SBR 生物代谢产泥量为r r x a Q S b X V ∆=⋅⋅-⋅⋅=r r sQ S a Q S b N ⋅⋅⋅-⋅=s r ()a b N Q S -⋅ (3—24) 式中: a ——微生物代谢增系数,kgVSS/kgBODb ——微生物自身氧化率,l/d根据生活污泥性质,参考类似经验数据,设a =0.70,b =0.05,则有:30.05(0.70)500028010742kg /d 0.3x -∆=-⨯⨯⨯=(3—25) 假定排泥含水率为P =99.2%,则排泥量为:3s 3374292.75m /d 10(1)10(10.992)x Q P ∆===⨯-⨯- (3—26) 考虑一定安全系数,则每天排泥量为95m 3/d 。