单元工程施工检验记录备查表
- 格式:docx
- 大小:20.10 KB
- 文档页数:8
屋面钢梁制作单元工程施工质量验收评定表屋面钢梁安装单元工程施工质量验收评定表屋面梁辅助加固件安装单元工程施工质量验收评定表彩钢轻型屋面板安装单元工程施工质量验收评定表落水管制安单元工程施工质量验收评定表避雷设施制安单元工程施工质量验收评定表屋面保温层单元工程施工质量验收评定表屋面防水层单元工程施工质量验收评定表单位工程名称单元工程量分部工程名称施工单位单元工程名称、部位施工日期年月日~年月日项次检验项目质量标准检查(测)记录或备查资料名称合格数合格率主控项目1卷材及其配套材料质量卷材防水层所用卷材及其配套材料,必须符合设计要求。
2 卷材防水层卷材防水层不得有渗漏或积水现象。
3防水细部构造卷材防水层在天沟、檐沟、檐口、水落口、泛水、变形缝和伸出层面管道的防水构造,必须符合设计要求。
一般项目1卷材搭接缝与收头质量卷材防水层的搭接缝应粘(焊)结牢固,密封严密,不得有皱折、翘边和鼓泡等缺陷;防水层的收头应与基层粘结并固定牢固,缝口封严,不得翘边。
2 卷材保护层卷材防水层上的撒布材料和浅色涂料保护层应铺撒或涂刷均匀,粘结牢固;水泥砂浆、块材或细石混凝土保护层与卷材防水层间应设置隔离层;刚性保护层的分格缝留置应符合设计要求。
3排汽屋面孔道留置排汽屋面的排汽道应纵横贯通,不得堵塞。
排汽管应安装牢固,位置正确,封闭严密。
4卷材铺贴方向卷材的铺贴方向应正确5搭接宽度允许偏差-10mm施工单位自评意见主控项目检验点100%合格,一般项目逐项检验点的合格率__%,且不合格点不集中分布。
单元质量等级评定为:(签字,加盖公章)年月日监理单位复核意见经抽检并查验相关检验报告和检验资料,主控项目检验点100%合格,一般项目逐项检验点的合格率__%,且不合格点不集中分布。
单元质量等级评定为:(签字,加盖公章)年月日。
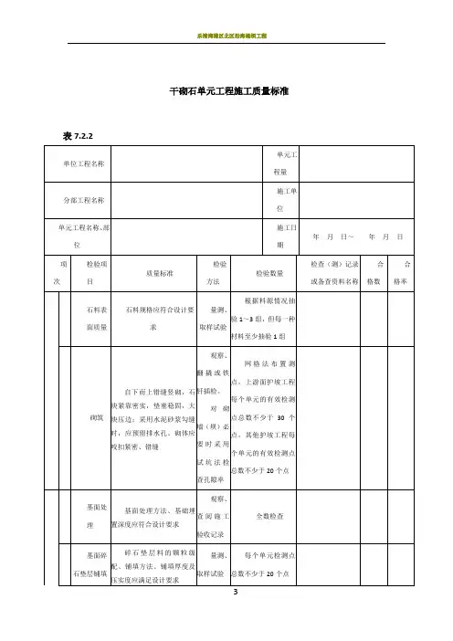
干砌石单元工程施工质量标准表7.2.2单位工程名称单元工程量分部工程名称施工单位单元工程名称、部位施工日期年月日~年月日项次检验项目质量标准检验方法检验数量检查(测)记录或备查资料名称合格数合格率主控项目1石料表面质量石料规格应符合设计要求量测、取样试验根据料源情况抽验1~3组,但每一种材料至少抽验1组2砌筑自下而上错缝竖砌,石块紧靠密实,垫塞稳固,大块压边;采用水泥砂浆勾缝时,应预留排水孔。
砌体应咬扣紧密、错缝观察、翻撬或铁钎插检。
对砌墙(坝)必要时采用试坑法检查孔隙率网格法布置测点,上游面护坡工程每个单元的有效检测点总数不少于30个点,其他护坡工程每个单元的有效检测点总数不少于20个点一般项目1基面处理基面处理方法、基础埋置深度应符合设计要求观察、查阅施工验收记录全数检查2基面碎石垫层铺填碎石垫层料的颗粒级配、铺填方法、铺填厚度及压实度应满足设计要求量测、取样试验每个单元检测点总数不少于20个点干砌石单元工程施工质量验收评定表表7.2.2注1:对关键部位单元工程和重要隐蔽单元工程的施工质量验收评定应有设计、建设等单位的代表签字,具体要求应满足SL176的规定。
注2:本表所填“单元工程量”不作为施工单位工程量结算计量的依据。
DB34/T 371.1-2014 表15 单元(工序)施工检测项检测记录表单位工程名称芜申运河青弋江入江口至荆山河口段航道整治工程01标段退建防洪墙及岸坡处理工程记录编号001分部工程名称段防洪墙工程施工单位安徽水利开发股份有限公司单元工程名称、部位段防洪墙底板施工日期年月日~ 年月日主控项目序号项目名称质量要求检测情况检测数量检测值合格率1 基础面岩基符合设计要求2 软基预留保护层已挖除,基础面符合设计要求3地表水和地下水妥善引排或封堵4施工缝的留置位置符合设计或有关施工规范规定5 施工缝面凿毛基面无乳皮,成毛面,微露粗砂一般项目序号项目名称质量要求检测情况检测数量检测值合格率1 岩面清理符合设计要求;清洗洁净、无积水、无积渣杂物2 缝面清理符合设计要求;清洗洁净、无积水、无积渣杂物检验结果统计主控项目检测点最低合格率%;一般项目逐项检测点最低合格率%。
施工单位名称安徽水利开发股份有限公司监理单位名称安徽省阜阳市聚星水利工程建设监理中心检验类别初检复检终检注1:此表为施工单位自检、监理单位平行检测记录表,应分别填写。
作为平行检测记录时,检验类别不用填写。
注2:作为施工自检用表时,由“初检、复检、终检”分别检测填写,并形成3张记录表,并由相关人员在相应栏目签字。
表15 单元(工序)施工检测项检测记录表单位工程名称芜申运河青弋江入江口至荆山河口段航道整治工程01标段退建防洪墙及岸坡处理工程记录编号002分部工程名称段防洪墙工程施工单位安徽水利开发股份有限公司单元工程名称、部位段防洪墙底板施工日期年月日~ 年月日主控项目序号项目名称质量要求检测情况检测数量检测值合格率1 基础面岩基符合设计要求2 软基预留保护层已挖除,基础面符合设计要求3地表水和地下水妥善引排或封堵4施工缝的留置位置符合设计或有关施工规范规定5 施工缝面凿毛基面无乳皮,成毛面,微露粗砂一般项目序号项目名称质量要求检测情况检测数量检测值合格率1 岩面清理符合设计要求;清洗洁净、无积水、无积渣杂物2 缝面清理符合设计要求;清洗洁净、无积水、无积渣杂物检验结果统计主控项目检测点最低合格率%;一般项目逐项检测点最低合格率%。
单元工程施工检验记录备查表
青海省引大济湟西干渠建前工程单元工程施工质量报验单
青海省引大济湟西干渠建前工程
混凝土浇筑开仓报审表
合同名称:青海省引大济湟西干渠建前工程合同编号:XG-DL-12-03
青海省引大济湟西干渠建前工程混凝土单元工程质量评定表
青海省引大济湟西干渠建前工程
基础面(施工缝)处理施工工序质量评定表
青海省引大济湟西干渠建前工程钢筋制作及安装工序质量评定表
青海省引大济湟西干渠建前工程钢筋连接施工质量控制检查记录表
青海省引大济湟西干渠建前工程模板制作及安装工序质量评定表
青海省引大济湟西干渠建前工程混凝土浇筑工序质量评定表
青海省引大济湟西干渠建前工程混凝土外观工序质量评定表。
河道疏浚单元工程施工质量验收评定表单位工程名称河道疏浚工程(桩号:98+777-101+216)单元工程量分部工程名称疏浚工程(桩号:)施工单位山西省运城黄河工程局单元工程名称、编号主槽开挖(S-0-1-0 )施工日期年月日~年月日项次检验项目质量标准检查(测)记录或备查资料名称合格数合格率%主控项目1河道过水断面面积不小于设计断面面积(200㎡)2宽阔水域平均底高程达到设计规定高程误差±0.2m一般项目1 局部欠挖深度小于0.3m,面积小于5.0㎡2开挖横断面每边最大允许超宽值、最大允许超深值挖掘机开挖超深、超宽不应危及堤防、护岸及岸边建筑物的安全。
允许超宽1.0m,允许超深0.4m3开挖轴线位置距轴线偏移不超过0.5m4 弃土处置符合设计要求施工单位自评意见主控项目检验结果全部符合验收评定标准,一般项目逐项检验点的合格率%。
单元工程质量等级评定为:年月日监理机构复核评定意见经抽检,主控项目检验结果全部符合验收评定标准,一般项目逐项检验点的合格率%。
单元工程质量等级评定为:年月日河道疏浚单元工程施工质量自检表单位工程名称河道疏浚工程(桩号:98+777-101+216)单元工程量分部工程名称疏浚工程(桩号:)施工单位山西省运城黄河工程局单元工程名称、编号主槽开挖(S-0-1-0 )施工日期年月日~年月日项次检验项目质量标准检验方法检验数量检查(测)记录或备查资料名称合格数合格率%主控项目1河道过水断面面积不小于设计断面面积(200㎡)测量检测疏浚河道的横断面,横断面间距为50m,检测点间距2~7m,必要时可检测河道纵横断面进行复核2宽阔水域平均底高程达到设计规定高程误差±0.2m测量一般项目1 局部欠挖深度小于0.3m,面积小于5.0㎡测量2开挖横断面每边最大允许超宽值、最大允许超深值挖掘机开挖超深、超宽不应危及堤防、护岸及岸边建筑物的安全。
允许超宽1.0m,允许超深0.4m测量3开挖轴线位置距轴线偏移不超过0.5m测量全数检查4 弃土处置符合设计要求检查全面检查检测结果主控项目全部符合质量标准一般项目实测点,合格点,合格率%初检复检终检。
水利水电工程
表4 (自制)水撼砂单元工程施工质量验收评定表
水撼砂单元工程施工质量验收评定表
填表说明
填表时必须遵守“填表基本规定”,并应符合下列要求:
1. 单元工程划分:水撼砂工程宜按每座涵闸的施工部位划分一个单元工程。
2. 单元工程量:填写本单元工程量( m1 2 3)o
1 施工单位应提交单元工程施工单位各班(组)初检纪录、施工队复检记录、施工
单位专职质检员终检记录,验收评定的检验资料,原材料与各项实体检验项目的检验记录资
料。
2 监理单位应提交对单元工程施工质量的平行检测资料。
5.单元工程质量标准。
(1)合格等级标准:
1) 主控项目,检验结果应全部符合SL634-2012的要求。
2) 一般项目,逐项应有70%及以上的检验点合格,且不合格点不应集中分布。
3) 各项报验资料应符合SL634-2012的要求。
(2)优良等级标准:
1) 主控项目,检验结果应全部符合SL634-2012的要求。
2) 一般项目,逐项应有90%及以上的检验点合格,且不合格点不应集中分布。
3) 各项报验资料应符合SL634-2012的要求。
汾河入黄口堤防下延工程
汾河入黄口堤防下延工程
汾河入黄口堤防下延工程碎石垫层单元工程实测记录表
汾河入黄口堤防下延工程碎石垫层单元工程实测记录表
汾河入黄口堤防下延工程碎石垫层单元工程实测记录表
汾河入黄口堤防下延工程
汾河入黄口堤防下延工程护岸工程
汾河入黄口堤防下延工程护岸工程
汾河入黄口堤防下延工程碎石垫层单元工程实测记录表
汾河入黄口堤防下延工程碎石垫层单元工程实测记录表
汾河入黄口堤防下延工程碎石垫层单元工程实测记录表。
黔中水利枢纽一期工程砖砌体单元工程施工质量验收评定表单位工程名称单元工程量分部工程名称施工单位中铁十二局集团有限公司单元工程名称、部位施工日期年月日 ~年月日项检验项目质量标准检查(测)记录或备查资料名称合格数合格率次1砖强度等级符合设计要求2砂浆强度等级符合设计要求3水平灰缝砂浆饱满度≥ 80%主控留直搓处应加设拉结钢筋,拉接项钢筋数量为每 120mm墙厚放置 1目Ф 6 的拉结钢筋,间距沿墙高不4直搓拉接钢筋应超过 500mm,埋入长度从留搓处算起每边均不应小于500mm,对抗震设防烈度为 6 度、7 度的地区,不应小于1000mm;末端应有 90 度弯钩1组砌方法砌砖体组砌方法应正确,上下错缝,砖柱不得采用包心砌法一2水平灰缝厚度允许偏差 8— 12mm般项允许偏差:清水: 5mm,混水:3表面平整度目8mm4门窗洞口高、宽允许偏差± 5mm主控项目检验点100%合格,一般项目逐项检验点的合格率%,且不合格点不集中分布。
施工单位自评意见单元工程质量等级评定为:(签字,加盖公章)年月日监理单位复核意见主控项目检验点 100%合格,一般项目逐项检验点的合格率单元工程质量等级评定为:%,且不合格点不集中分布。
(签字,加盖公章)年月日砖砌体单元工程施工质量检查记录表单位工程名称分部工程名称单元工程名称单元工程量施工单位中铁十二局集团有限公司施工部位桩号高程项次检查项目初检记录复检记录1砖强度等级2砂浆强度等级3水平灰缝砂浆饱满度4直搓拉接钢筋5组砌方法6水平灰缝厚度( mm)7表面平整度( mm)8门窗洞口高、宽(mm)初检人初检复检人复检签字日期年月日签字日期年月日终检签字意见年月日。