砼施工检验记录备查表
- 格式:doc
- 大小:71.50 KB
- 文档页数:6
蒙开个地区河库连通工程
普通混凝土基础面处理工序施工检验记录备查表
蒙开个地区河库连通工程
普通混凝土模板制作及安装工序施工检验记录备查表
注:记录容不可打印、只能书写、字迹清晰、工整。
蒙开个地区河库连通工程
普通混凝土钢筋制作及安装工序施工检验记录备查表
注:记录容不可打印、只能书写、字迹清晰、工整。
蒙开个地区河库连通工程
普通混凝土预埋件制作及安装工序施工检验记录备查表
注:记录容不可打印、只能书写、字迹清晰、工整。
蒙开个地区河库连通工程
普通混凝土浇筑工序施工检验记录备查表
注:记录容不可打印、只能书写、字迹清晰、工整。
蒙开个地区河库连通工程
普通混凝土外观质量检查工序施工检验记录备查表
注:记录容不可打印、只能书写、字迹清晰、工整。
一、编制目的为了确保工程施工质量,规范施工过程,便于工程验收和后期维护,特编制本工程施工检验记录备查表。
二、适用范围本表适用于各类建筑工程、水利工程、市政工程等工程施工过程中的质量检验记录。
三、表格内容1.基本信息(1)工程名称:填写工程全称。
(2)工程地点:填写工程具体位置。
(3)施工单位:填写施工单位名称。
(4)监理单位:填写监理单位名称。
(5)设计单位:填写设计单位名称。
2.检验项目(1)检验项目名称:填写本次检验的具体项目。
(2)检验标准:填写检验依据的标准、规范。
(3)检验方法:填写检验的具体方法、手段。
(4)检验结果:填写检验结果,包括合格、不合格、待整改等。
3.检验记录(1)检验时间:填写本次检验的具体时间。
(2)检验人员:填写本次检验的检验人员姓名。
(3)检验部位:填写本次检验的具体部位。
(4)检验依据:填写检验依据的规范、标准。
(5)检验数据:填写检验得到的数据,包括尺寸、强度、外观等。
4.整改情况(1)整改措施:填写针对不合格项目的整改措施。
(2)整改时间:填写整改完成的时间。
(3)整改人员:填写负责整改的人员姓名。
(4)整改结果:填写整改后的检验结果。
四、填写要求1.表格应使用黑色或蓝色墨水填写,字迹清晰。
2.填写内容应真实、准确、完整。
3.表格应由施工单位、监理单位、设计单位共同填写、签字、盖章。
4.表格应妥善保管,存档备查。
五、注意事项1.施工过程中,施工单位应严格按照检验标准进行检验,确保工程质量。
2.监理单位应加强对施工过程的监督检查,确保检验记录的真实性和准确性。
3.设计单位应定期对施工过程中的检验记录进行核查,发现问题及时提出整改意见。
4.工程竣工后,施工、监理、设计单位应共同对检验记录进行汇总、整理,作为工程验收的重要依据。
通过编制和执行本工程施工检验记录备查表,有利于提高工程质量,确保工程安全,为工程验收和后期维护提供有力保障。
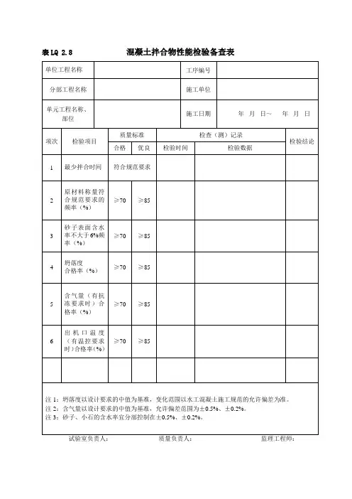
单位工程名称工序编号分部工程名称施工单位单元工程名称、部位施工日期年月日~年月日项次检验项目质量标准检查(测)记录检验结论合格优良检验时间检验数据1 最少拌合时间符合规范要求2 原材料称量符合规范要求的频率(%)≥70 ≥853 砂子表面含水率不大于6%频率(%)≥70 ≥854 坍落度合格率(%)≥70 ≥855 含气量(有抗冻要求时)合格率(%)≥70 ≥856 出机口温度(有温控要求时)合格率(%)≥70 ≥85注1:坍落度以设计要求的中值为基准,变化范围以水工混凝土施工规范的允许偏差为准。
注2:含气量以设计要求的中值为基准,允许偏差范围为±0.5%、±0.2%。
注3:砂子、小石的含水率宜分部控制在±0.5%、±0.2%。
试验室负责人:质量负责人:监理工程师:单位工程名称工序编号分部工程名称施工单位单元工程名称、部位施工日期年月日~年月日项次检验项目质量标准检查(测)记录检验结论合格优良检验时间检验数据1 设计龄期抗渗性满足设计要求2 抗压强度保证率(%)无筋(或少筋)混凝土P≥80 P≥85结构混凝土P≥90 P≥953 混凝土强度最低值≤C20≥0.85设计龄期强度标准值>C20≥0.90设计龄期强度标准值4 抗压强度标准值差(MPa)≤C20 ≤4.5 ≤3.5C20~C35≤5.0 ≤4.0>C30 ≤5.5 ≤4.55 设计龄期抗拉项目满足设计要求6 设计龄期抗冻性合格率(%)80 100试验室负责人:质量负责人:监理工程师:。
成都至南部高速公路工程项目混凝土施工检查记录表承包单位:合同号:监理单位:编号:桥梁记录表1试验室主任:质检负责人:监理员:钻孔桩终孔后灌注混凝土前现场检查记录表承包单位:合同号:监理单位:编号:桥梁记录表2检查人:质检负责人:技术负责人: 监理员:灌注桩水下混凝土灌注现场记录表承包单位:合同号:监理单位:编号:桥梁记录表3检查人:质检负责人:技术负责人: 监理员:成都至南部高速公路工程项目桥涵基坑现场检测记录表承包单位:合同号:监理单位:编号:桥梁记录表4检查人:质检负责人:技术负责人: 监理员:模板、支架及拱架安装检查记录表承包单位:合同号:监理单位:编号:检查人:质检负责人:技术负责人: 专业监理工程师:模板、支架及拱架制作检查记录表承包单位:合同号:监理单位:编号:检查人:质检负责人:技术负责人: 专业监理工程师:成都至南部高速公路工程项目预应力孔道压浆记录表承包单位:合同号:监理单位:编号:记录:操作:质检负责人:技术负责人:监理员:成都至南部高速公路工程项目预应力孔道压浆记录表(真空压浆)承包单位:合同号:监理单位:编号:记录:操作:质检负责人:技术负责人:监理员:成都至南部高速公路工程项目预应力管道检查记录表承包单位:合同号:监理单位:编号:检查人:质检负责人:技术负责人:监理员:成都至南部高速公路工程项目预应力张拉质量现场记录表操作:记录:质检负责人:技术负责人:监理员:成都至南部高速公路工程项目封端检查记录表承包单位:合同号:监理单位:编号:检查人:质检负责人:技术负责人:监理员:成都至南部高速公路工程项目预制构件底座记录表承包单位:合同号:监理单位:编号:检查人:质检负责人:技术负责人:监理员:成都至南部高速公路工程项目桥(涵)台背回填检查记录表承包单位:合同号:监理单位:编号:检查人:质检负责人:技术负责人:监理员:成都至南部高速公路工程项目钻孔记录表承包单位:合同号:监理单位:编号:桥梁记录表14记录人:施工班长:质检负责人:技术负责人:监理员:成都至南部高速公路工程项目人工挖孔桩挖孔记录表承包单位:合同号:监理单位:编号:记录表15检查人:质检负责人:技术负责人:监理员:。
水泥混凝土垫层检验批质量验收记录表1. 前言本质量验收记录表适用于水泥混凝土垫层的检验批次。
本表根据相关规范和标准制定,目的是为了保证施工质量,维护工程安全,保证工程可靠。
本文档主要包括垫层混凝土的检验批次、施工质量检查、测试方法、测试结果等内容。
2. 检验批次基本信息检验编号施工单位监理单位工程名称工程位置建设单位001 xxx公司xxx公司xxx工程xx位置xxx公司3. 检查建议本次检查建议对水泥混凝土垫层进行以下方面的检查:1.检查现场混合料比例和质量是否符合要求;2.检查混凝土搅拌是否均匀、浇筑表面是否光滑平坦;3.检查混凝土硬化后的强度是否符合要求;4.检查混凝土抗渗性能;5.检查混凝土密实程度。
4. 施工质量检查4.1 混合料比例检查检验人员在现场使用比例尺对混合料的比例进行测量,同时对混合料进行目测检查,是否混合均匀、无明显分层现象。
4.2 浇筑质量检查检验人员在现场检查混凝土的浇筑表面是否光滑平坦,是否有松动、孔洞、裂纹、颜色不一的现象,同时对混凝土的密实程度进行检查。
4.3 强度检查检验人员现场取样检测混凝土的强度,检测方法可以采用非破坏性检测或者破坏性检测方法。
非破坏性检测方法可以使用超声波检测仪或者钢珠撞击仪等。
4.4 抗渗性能检查检验人员在实验室里根据标准进行混凝土的抗渗性能检测,检测混凝土的抗渗性能是否符合要求。
4.5 密实程度检查检验人员使用密度计或者外形尺对混凝土的密实程度进行检查,检查混凝土的密实程度是否符合要求。
5. 检验结果记录5.1 检验批次信息检验编号施工单位监理单位工程名称工程位置建设单位001 xxx公司xxx公司xxx工程xx位置xxx公司5.2 检验结果汇总检查项目检查标准检查结果备注混合料比例检查要求比例合格无浇筑质量检查表面平整合格无强度检查强度标准不合格等待强度恢复抗渗性能检查抗渗标准合格无密实程度检查密实标准合格无6.本次混凝土垫层检验批次,混合料比例合格,浇筑质量合格,抗渗性能合格,密实程度合格,但强度不合格,需等待混凝土的强度恢复后进行重新检测,需要重新纠正,还需现场施工人员认真负责,完善现场管理,提高质量意识,最终保证工程质量地完成。
混凝土浇筑记录表(商品混凝土)工程名称:编号:混凝土浇筑时间:年月日时至年月日时施工单位:监理单位:年月日旁站监理记录填写要点(主体结构砼浇捣)1、气候:晴、雨、气温(平均气温)2、部位或工序:平面位置(轴线区间)、楼层(或标高)构件名称:柱、剪力墙、梁、板等砼浇捣。
3、施工情况(1)砼强度等级:浇筑砼量立方米(2)砼供应方式:商品砼(或现场搅拌砼)(3)使用的机械设备:泵送砼(或塔吊料斗)、振动棒台数:台(4)施工人数:浇捣人,看钢筋、模板人。
4、监理情况:全过程旁站监理(1)检查砼配合比通知单及送料单;(2)检查记录现场质检员或岗位工长值班人,姓名:___(3)检查浇捣方法:符合施工方案要求,浇捣良好(或有问题);(4)观察浇捣过程中钢筋位置,模板变形情况;(5)随机见证取样做砼试块___组;(6)观察砼和易性,抽捡砼塌落度为___mm,严禁现场加水;(7)到商砼搅拌站抽查电脑配比单___份;(8)现场搅拌时,抽查砼配料计量情况,记录实测水泥、砂、石、水及外加剂重量。
5、发现问题(特别是下雨、停电等情况下施工缝的处理)。
(1)砼配合比与设计配合比不符;(2)发现钢筋位置偏移过大或楼面钢筋踩塌严重或某处砼保护层厚度控制不好;(3)发现有胀模、漏浆现象;(4)砼浇捣顺序不连续,新旧砼连接不好;接搓处杂物未清理干净;砼振捣顺序不好,某处振捣力度不够,可能出现漏振;(5)砼太稀或太干,影响浇筑或堵管;(6)浇捣过程中遇大雨,防雨措施不力,造成砼泥浆流淌。
6、处理意见及时通知现场质检员___,值班人员___。
或带班人,采取措施,整改到位。
或书面通知项目部整改。
混凝土浇筑检查记录表商品混凝土一、工程概况首先,在检查记录表中要清晰地记录工程的基本信息,包括工程名称、工程地点、施工单位、监理单位等。
这些信息能够明确检查的对象和责任主体,为后续的质量追溯提供依据。
二、商品混凝土供应单位信息1、名称:记录供应商品混凝土的单位名称。
2、资质等级:核实供应单位的资质等级,确保其具备相应的生产能力和质量保证体系。
3、联系电话:方便在需要时与供应单位进行沟通和协调。
三、混凝土配合比1、强度等级:明确混凝土的设计强度等级,如 C30、C40 等。
2、水灰比:水灰比是影响混凝土强度和耐久性的重要参数,需准确记录。
3、砂率:砂率的合理选择能够保证混凝土的和易性和工作性能。
4、外加剂种类及掺量:外加剂的使用可以改善混凝土的性能,如减水剂、缓凝剂等,其种类和掺量应详细记录。
四、原材料检验报告1、水泥:检查水泥的品种、强度等级、出厂日期和检验报告,确保水泥质量符合要求。
2、砂:记录砂的细度模数、含泥量等指标。
3、石子:包括石子的粒径、级配、含泥量等。
4、水:使用的水应符合相关标准,如有特殊要求,应进行相应的检验。
五、混凝土运输1、运输车辆:记录运输车辆的车牌号、数量,确保混凝土能够及时供应。
2、运输时间:从混凝土搅拌站出发到施工现场的时间,应符合混凝土初凝时间的要求,避免混凝土在运输过程中发生初凝或离析。
六、混凝土浇筑前的检查1、模板:检查模板的安装是否牢固,拼缝是否严密,防止混凝土浇筑时出现漏浆。
2、钢筋:检查钢筋的规格、数量、间距、锚固长度等是否符合设计要求,避免因钢筋问题影响混凝土结构的受力性能。
3、预埋件和预留孔洞:核实预埋件和预留孔洞的位置、数量、尺寸是否准确,确保其在混凝土浇筑过程中不发生位移或堵塞。
七、混凝土浇筑过程中的检查1、坍落度:在浇筑现场对混凝土的坍落度进行检测,坍落度应符合设计要求。
如果坍落度不符合要求,应及时通知供应单位进行调整。
2、浇筑顺序:按照施工方案确定的浇筑顺序进行检查,确保混凝土浇筑的连续性和分层厚度符合要求。
.专业资料分享.水泥混凝土面层施工查验批质量查验记录表CJJ1-2008工程名称叶集孙岗片区龙江小区内部道路工程单位工程名称施工单位安徽诚信建设有限企业查收部位K0+000至K0+155砼面层项目经理技术负责人施工工长分部工程名称分项工程名称交方班组接方班组查收规范及图号CJJ-2008检查项目施工单位检查记录监理单位查收记录1混凝土抗弯拉强度切合设计规定切合要求主2混凝土抗压强度切合设计规定切合要求控切合设计规定项3厚度同意误差±切合要求目5mm4抗滑性能结构深度切合设计要求合检查项目123456789应测格合格点数点率(%)数板面平坦密实,边角齐整无裂缝,无1表面外观石子外露、浮浆、脱切合要求皮、踏痕、积水、蜂窝麻面≤总面积0.5%一伸缩缝垂直直顺,般缝内无杂物,在规项2伸缩缝定的深度和宽度切合要求目内贯穿。
传力杆与缝面垂直11141564-8533纵段高程±152727100-74-964-8695.WORD完满格式..专业资料分享.464111112479246843744 4中线偏移≤2013156814571117测平仪检测,城市迅速路、骨干路σ≤,次干路σ≤2。
人工检测,城5平坦度市迅速路、骨干路最大空隙≤3mm,次干路、支路最大空隙≤3mm035-68-5895-36宽度-203-68063-684 7横坡(%)±0.3%且不反坡8井框与路面高差≤3123122311 021122131 0231223119相邻板高差≤3121122131132022020124747542 10纵逢直顺度≤10134367648253747585 11横缝直顺度≤10843632743102011010 12蜂窝麻面面积≤2%10101010101012102118181001818100 1818100 2727100 1818100 1818100 2727100均匀合格率(%)100施工切合施工质量查收规范要求监理单单位位查收检查质检员署名:建议监理工程师署名:建议年月日年月日.WORD完满格式..专业资料分享.注:1、σ为标准差。
中间交工证书编号-018- □□-□□□□□□□-□□施工单位合同号监理单位监理机构监理部中间交工内容(分项工程的桩号、部位及数量)施工单位签字申请日期监理接受人接受日期监理机构对施工单位中间交工申请的评述意见及其结论监理机构签字施工单位签字日期日期检验申请批复单施工单位:监理单位:合同号:编号: ZK-012-□□□- □□□□- □□□工程项目工程地点及桩号具体部位水泥混凝土面层弯拉强度、板厚度、平整度、抗滑构造深度、横向力系数、相邻板高差、检验内容纵、横缝顺直度、中线平面偏位、路面宽度、纵断高程、横坡、断板率等要求到现场检验时间:施工单位递交日期、时间和签字:现场监理收到日期、时间和签字:现场监理人员意见:本项目可以继续进行:签名:日期:质量证明附件:《强度试验检测报告》《平整度检测记录表》《厚度检测记录表》《抗滑构造深度检测记录表》《板相邻高处检测记录表》《顺直度检测记录表》《宽度检测记录表》《横坡度检测记录表》专业监理工程师签字、日期:施工单位收到日期、时间和签字:分项工程质量检验评定表分项工程名称:所属分部工程名称:所属单位工程:工程部位:所属建设项目(合同段):(桩号、墩台号、孔号)施工单位:限公司分项工程编号: ZP-002- □□□ - □□□□□□ - □□□□基本1) 基层质量符合规范规定并满足设计要求,表面清洁无浮土;2) 接缝填缝料符合规范并满足设计要求;3) 接缝的位置、规格、尺寸及传力要求杆、拉力杆的设置满足设计要求;4)混凝土路面铺筑后按施工规范要求养护;5)对干缩、温缩产生的裂缝进行处理。
项次检查项目规定值或实测值或实测偏差值质量评定允许偏差平均值、代表值合格率( %)合格判定1△弯拉强度( MPa)在合格标准之内代表值-52△板厚度合格值- 10(mm)极值-15σ( mm)≤ 2.03平整度IRI (m/km)≤ 3.3实最大间隙 h5抗滑构造一般路段0.5 ~ 1.0测4深度( mm)特殊路段0.6 ~ 1.1项横向力系一般路段-目5数 SFC特殊路段≥ 506相邻板高差( mm)≤ 37纵、横缝顺直度( mm)≤ 108中线平面偏位( mm)209路面宽度( mm)± 2010纵断高程( mm)± 1511横坡( %)±0.2512断板率( %)0.4合计外观鉴定工程质量等级评定质量保证资料检验负责人:检测:计算:复核:日期:年月日水泥混凝土面层质量检验表施工单位:合同号:监理单位:编号: ZJ-067- □□-□□□□□□□-□□分项工程名称所属分部工程施工时间桩号及部位检测人记录人检验时间项检验项目设计值规定值或检验结果检验频率和方法次允许偏差1△弯拉强度( MPa)在合格标准之内按附录 C 检查板厚度代表值- 52△合格值-10按附录 H 检查每 200m测 2 点(mm)极值-15σ( mm)≤ 2.0平整度仪:全线每车道连续检测,每100m计算σ、3平整度IRI (m/km)≤ 3.3IRI最大间隙 h (mm)53m直尺:半幅车道板带每 200m测 2 处× 5 尺4抗滑构造深一般路段0.5 ~ 1.0铺砂法:每200m测 1 处度( mm)特殊路段0.6 ~ 1.15横向力系数一般路段-按附录 L 检查:每 20m测 1 点SFC特殊路段≥506相邻板高差( mm)≤ 3抽量:每条胀缝 2 点;每 200m抽纵、横缝各 2 条,每条 2点7纵、横缝顺直度( mm)≤ 10纵缝 20m拉线,每 200m测 4 处;横缝沿板宽拉线尺量,每 200m4条8中线平面偏位( mm)20全站仪:每200m测 4 点9路面宽度( mm)±20尺量:每 200m测 4 处10纵断高程( mm)±15水准仪:每200m测 2 断面11横坡( %)± 0.25水准仪:每200m测 2 断面12断板率( %)0.4目测:全部检查,数断板面板块数占总块数比例外观情况:自检结论:质检工程师:日期:。