生产退料、补料管理办法
- 格式:doc
- 大小:168.00 KB
- 文档页数:7
物料退补管理制度一、背景为规范物料退补流程,提高物料管理效率,减少资源浪费,特制定本物料退补管理制度。
该制度适用于公司所有部门、项目组等单位,旨在确保物料的正常流转和合理使用。
二、管理要求1.物料退补流程(1)申请:各部门如有需要申请物料退补,应向物料管理部门提交书面申请,申请中需明确物料名称、数量、用途以及预计退补时间等信息。
(3)退补手续:物料管理部门根据审核结果,若申请符合要求,则责令仓库人员按照领料流程进行退补操作,同时更新物料记录。
若申请不符合要求,则应向申请部门说明理由并协商解决方案。
(4)退补汇总:物料管理部门应将每月的物料退补情况进行汇总,将汇总报告上报给上级主管部门,以便于上级部门掌握物料使用情况和管理效果。
2.退补准确性(1)物料退补申请需明确物料名称、规格型号、数量和用途等信息,确保退补准确无误。
(2)物料管理部门应根据实际库存情况进行核对,确保退补数量与申请数量一致。
(3)物料管理部门应在退补操作完成后进行盘点,将退补情况记录在盘点表中,以便于核准和管理。
3.退补监督与考核(1)上级主管部门应定期对物料退补情况进行抽查,以确保操作的合规性和规范性。
(2)物料管理部门应建立完善的物料追踪和监控机制,及时发现退补过程中的问题和隐患,并提出改进意见和措施。
(3)根据物料退补情况和管理效果对物料管理部门进行考核,将考核结果作为部门绩效考核的重要参考依据。
4.退补使用原则(1)退补的物料应按照合理用途进行使用,不得私自挪用或转借。
(2)如需更换或调整退补物料的用途,需事先向物料管理部门申请并获得批准。
(3)不符合质量要求的物料不得退补或使用,应及时通知供应商或退回原仓库。
三、制度执行1.对于违反本制度的行为,物料管理部门有权进行纠正,并向上级主管部门汇报处理情况。
2.上级主管部门有权对违规行为进行处理,并视情况给予相应的纪律处分。
3.物料管理部门应定期对本制度进行评估和修订,确保其符合公司实际需要和管理要求。
补料管理流程
1.目的
规范公司的物料的补料过程,防止出现呆滞料,浪费公司的成本。
2.概述
当公司发生客户退货、品质事故、制程不良情形时,首先进行问题点分析,确定责任单位及物料处理方式,处理完毕后根据产品库存情况确定是否补料。
需要补料时,通过ERP与0A系统完成审批流程,然后执行补料运作。
本文还规范了公司生产备用料、委外工单补料以及工单完结后的物料处理方式。
3.术语
4.角色与职责
5.流程图
5.1、客户退货补料管理流程5.2、正常生产补料管理流程
可插入附件
6.流程说明
6.1、客户退货补料管理流程
6.2、正常生产补料管理流程
7.裁剪指南
无
8.流程范围
9.流程绩效指标
10.支持文件
11.流程接口描述
1)对应的上层流程:
流程名称2)输入的流程接口描述:
3)输出的流程接口描述
12.记录的保存
13.补充说明
无
14.文件拟制/修订记录。
一、目的为了规范生产车间退补料管理,提高物料利用率,确保生产顺利进行,特制定本制度。
二、适用范围本制度适用于公司生产车间内所有退补料活动。
三、退补料管理原则1. 退补料活动应遵循“及时、准确、节约、合理”的原则。
2. 退补料活动应确保产品质量,不得影响生产进度。
3. 退补料活动应严格控制成本,降低损耗。
四、退补料流程1. 退料申请(1)生产过程中,如因原材料、辅料、半成品等原因造成不合格,需退料的,由操作员填写《退料申请单》。
(2)《退料申请单》经组长审核后,报生产主管审批。
(3)生产主管审批通过后,将《退料申请单》及退料物品送至仓库进行退料。
2. 补料申请(1)生产过程中,如因原材料、辅料、半成品等原因造成短缺,需补料的,由操作员填写《补料申请单》。
(2)操作员将《补料申请单》报组长审核,组长审核通过后,报生产主管审批。
(3)生产主管审批通过后,将《补料申请单》及所需补料物品送至仓库进行补料。
3. 退补料审核(1)仓库管理人员对退补料申请单进行审核,确认退补料物品与申请单相符。
(2)仓库管理人员对退补料物品进行验收,确保质量合格。
4. 退补料入库(1)仓库管理人员将退补料物品进行入库,并做好记录。
(2)入库后,仓库管理人员将《退料申请单》及《补料申请单》返回给操作员。
五、退补料责任1. 操作员负责填写退补料申请单,确保信息准确。
2. 组长负责审核退补料申请单,确保退补料活动合理。
3. 生产主管负责审批退补料申请单,确保退补料活动符合公司规定。
4. 仓库管理人员负责退补料物品的验收和入库,确保质量合格。
六、附则1. 本制度由生产部负责解释。
2. 本制度自发布之日起实施。
3. 如有未尽事宜,由公司另行规定。
退(换)补料控制程序1.目的:对公司退料、补料进行控制,以加强物料管理,降低成本。
2.适用范围:适用于规格不符之物料,超发之物料,不良之物料。
3.职责3.1 仓库管理部门:负责物料的清点和入库工作。
3.2 品质管理部门:负责退料品质的检验。
3.3 生产管理部门:负责退料、换料、补料的及时申请与办理。
3.4 物料控制部门:负责审核监控退料、换料、补料数量。
4.程序说明4.1 供应商退料4.1.1 IQC判定为不合的物料,外包装由IQC标有不合格标识,仓管将其存放在退料区。
待采购通知退料日期。
4.1.2 IQC判定为不合格的物料,仓库不需填写“原材料入库单”。
4.1.3 供应商取不良物料时,仓库开“退料单”退货。
“退料单”有仓库主管、物控主管签名审核,再由供应商签名确认。
未填写“原材料入库单”但已判定退货的物料的“退料单”不需交财务。
4.1.4 供应商所送物料为误送,超送或其他原因,经物控、采购、总经理协商签名后,办理退货手续。
此类退料不计入财务核算范围。
4.2 生产部退料4.2.1 生产部将不良品或良品汇总包装完好后,填写“退料单”连同物料一起交与IQC检验。
“退料单”有生产经理的签名审核。
4.2.2 IQC对生产部所退之物料品名规格,退料原因进行检验。
如实物与退料单不符IQC有权拒检,直致单物一致为至。
IQC需在“退料单”上注明退料原因(如生产损坏、来料坏等)。
物料外箱有IQC检验标识。
4.2.3 IQC签名确认后,物料员将“退料单”交与仓管验收。
仓管对其数量、品质、退料原因等核对无误后,仓管签名验收。
再交与货仓主管、物控主管审核,然后才能办理入库手续。
4.2.4 对物料混装,或者退料原因不清,责任不明的仓管有权拒收,由退料单位搞清原因后才能办理退料手续。
4.2.5“退料单”须备注是哪款机型、批次所退之物料,所有损耗补料要求以一换一。
4.2.6 因退料需换料的,由生产责任单位开“补料单”并在“补料单”上注明“退料单”流水号码以便跟踪。
工料废退料与补料的管理规定1、目的保证过程不合格品得到识别和控制以及对过程不合格品原因分析,确保和提升产品质量2、范围本规定适用于生产过程中的不合格品。
3、职责3.1品质部负责本规定的制定、修改和解释,以及执行稽核。
3.2本公司所有员工负责本规定的执行。
4、术语和定义4.1工废:生产过程中,由于工人操作而导致的不合格品,我们称之为工废。
4.2料废:自制车间产出的不合格品,供应商的来料不合格品。
生产领料后在制造过程中发现自制车间生产和外协来料的不合格品,我们称之为料废。
4.3返工:为不合格品符合要求所对其采取的措施。
4.4返修:为使不合格品满足预期用处对其采取的措施.5、工作流程5.1针对生产过程中不合格物料处理方式:5.1.1生产过程中工废退料流程A)操作员装配时,将不合格物料进行初步工废、料废区分,分别放置于工废物料筐和料废物料筐。
B)班组长(或物料员)要对已产生的不合格物料进行区分、包装、醒目标识,并进行再次工废、料废判定,物料员每天无特殊情况外,分别于上午10:00、下午16:00两次退料,报品质检验员确认。
C)品质检验员对不合格物料进行判定,检验项目包括:是否为工废物料、数量、型号等,检验时间集中进行,检验员在进行检验时与班组长(或物料员)一同核实工废物料的数量、型号,并做好记录。
如检验员发现不良品中混有其它物料比例超过2%时,要求物料员重新区分再检验,检验后进行状态标识,对于大件的不合格物料检验员应进行全检。
D)工废物料需退换时,有车间物料员填写《工废单》(一式四联:一联开单车间、二联品质部、三联接收部门、四联生产部),经品质检验员确认后,有品质部主管或以上级别人员在《工废单》备注栏对该批工废物料出具处理意见,并签署;然后将《工废单》交车间主管或生产部主管确认签名;单品50个以下由品质主管签字即可;当责任车间与品质部主管判定意见不一致时,由品质部部长作最终裁决。
E)自制件车间产生的工废物料转移到废品区(五金件转移到仓库废品区,注塑件转移到碎料房);装配车间产生的工废物料转移到前方车间,前方车间按返工、返修流程对工废物料进行返工、返修或做它用;采购件发生工废物料时,转移到对应物料仓库废品区。
仓库企业退料管理制度一、总则为规范企业退料管理,加强对退料的准确记录与管理,有效控制退料的数量和流向,提高仓库管理效率,特制定本制度。
二、适用范围本制度适用于企业所有生产车间的原料退库、半成品退库、成品退库等退料过程。
三、退料标准1. 原料退库:只有符合以下情况之一的原料才可以进行退库处理:a. 已过保质期的原料;b. 原料损坏或破损;c. 生产计划变更导致原料需求减少;d. 其他经过仓库管理员确认的合理情况。
2. 半成品退库:只有以下情况之一的半成品才可以进行退库处理:a. 半成品生产过程中出现的质量问题;b. 半成品损坏或无法继续生产;c. 生产计划变更导致半成品不再需要;d. 其他经过仓库管理员确认的合理情况。
3. 成品退库:只有以下情况之一的成品才可以进行退库处理:a. 成品质量问题导致无法销售;b. 成品库存积压,需要清理库存;c. 销售计划调整导致成品不再需要;d. 其他经过仓库管理员确认的合理情况。
四、流程管理1. 退料申请:生产车间在确认需要退库某种物料时,需填写《退料申请单》,注明退料原因、数量、规格及相应的生产订单号码等信息,并由生产主管审批签字。
2. 退料审批:仓库管理员在接收到《退料申请单》后,核对退料信息,确认是否符合退料标准,并在《退料审批单》上签字确认。
3. 退料操作:仓库管理员根据《退料审批单》上的信息,对退料物料进行分类、整理、打包处理,并根据要求填写《退料出库单》。
4. 退料入库:仓库管理员将退料物料送至指定位置,经过质检部门检验合格后,再由库管员入库存放,并填写《退料入库单》。
5. 数据记录:仓库管理员应及时将退料相关信息录入电脑系统,做好数据备份,并根据需求生成退料报表,以备监管使用。
五、退料管理1. 退料处理:仓库管理员应按照规定流程对退料物料进行合理分类、整理、包装,并确保标识清晰,避免错置或混淆。
2. 退料存放:退料物料应按照种类、规格等因素进行分类存放,并根据要求做好防潮、防尘等措施,以确保物料质量。
领料、退料、补料管理办法一、领料1、生产线根据订单领料,原则上提前一至两天开具《材料出库单》,领料单必须经生产线主管、仓库主管审批、财务审核后生效,领料单必须注明物品名称、料号、型号、颜色、数量以及区分合同号。
2、仓库接到《领料单》根据生产线进度提前备料,生产线需提前三个小时到仓库完成领料。
3、通用配件生产部门根据车间生产线库存情况自行决定领用数量,专用配件领用必须根据订单数量,不允许多领,仓库进行监督。
4、小件配件原则上一次性领完,若因库存不够等其他原因不能一次性领完,可分批领料。
5、大件物料或跟线物料第一次领料时,应考虑生产单的产能和区域空间情况,以备足一天的用量为原则。
6、不能一次性领完的物料,生产线可根据生产进度情况进行领料。
7、生产线领料时,领料员对物料数量务必与仓管员当面点清数量并签字确认。
8、因特殊原因需先借物料的,所借物料必须在24小时内开具《领料单》。
9、生产线如整包装数量缺少时须立即通知仓库确认后才能补料。
二、退料1、生产线在生产过程当中出现的不良物料应与正常物料区分开,标识清楚,并且当天退料。
2、生产线退料时,《退料单》必须经部门主管、品质部主管审核、财务部核准后,仓库才可接受退料。
3、生产线退料时,品质部应对不良物料进行判断,在《退料单》上标识属于制程不良还是来料不良,如属于制程不良因注明不良率的百分比。
4、外购不良物料统一退仓库,由仓库通知采购部,采购部通知供应商,仓库负责办理退货手续。
5、仓库退货给供应商时,《退货单》需经品质部主管确认,品质部注明退货原因,方可退货。
三、补料1、生产线作损需补料时,务必先开具《补料单》,经部门主管、品质主管审批后,仓库再进行补料,补料原则上一次性补完。
2、补料实行“先补后退”的原则,即生产线先领料,等生产完成后,生产再将不良品退回仓库,补料数量和退料数量必须一致,仓库给予监督。
3、仓库接到《补料单》应第一时间安排补料,以不影响正常生产为原则。
原材料仓库管理:领料、补料、退料、计划外采购控制程序1.目的:为规范公司的领料、退料、补料的操作,做到按计划用料,确保车间用料在控制状态,节约成本。
指导各车间如何进行领料、补料、退料及采购部如何进行计划外采购,审批流程等。
2.适用范围:适合本公司装配车间、线车间、注塑车间、包装车间、冲压车间的领料、退料、补料,采购部的计划外采购。
3.程序:3.1正常领料:3.1.1 车间主管根据生产周计划提前一天开出领料单进行领料给领料员,领料时必须仔细核对领料单上的物料名称、数量、规格、型号,发现问题及时向车间主管反应,车间主管与仓库管理员协调处理,不能处理的向生产经理反应。
3.1.2 领料结束后,领料员和仓库管理员必须在领料单上签字确认,各执一份,以便追溯。
3.1.3 领料员把物料领到车间后务必进行分类并有序、整齐地摆放,并做好标识和防护工作。
3.2退料:3.2.1 好料回仓:3.2.1.1 生产线产品全部按生产计划数生产完毕后,若生产线有未使用过的多余物料,应由相应的生产组组长对其进行整理后贴上合格标识,并填写《退料单》(在《退料单》上注明是合格字样),班组长签字、车间主任审核、由IPQC确认合格后退回到仓库。
3.2.1.2 仓库根据《退料单》上的物料名称、规格型号、数量,进行核对后,在《退料单》上签收。
3.2.1.4 若IPQC检验不合格,则按公司《不合格处理程序》的相关规定操作。
3.2.2不良物料退料:3.2.2.1 由于物料本身来料不良或由于生产过程中制造原因造成的不良物料,生产线班组长应每日把产生的不良物料进行整理,分类(必须把物料拆分成原物料的个体状态),做好标识。
3.2.2.2 经整理后的不良物料,按本身来料不良及制造原因造成的不良,分别填写《退料单》,并在《退料单》上注明状态。
班组长签字、车间主任审核、经理审批。
3.2.2.3 领料员把需退的不良物料和经审批的《退料单》交于IPQC确认后退回到仓库,仓库进行核对后签收。
食品生产企业退料补货的程序的规定
1.退料的类型
通常物料退库的对象包括下列几项。
(1)与产品规格不符的物料。
(2)超发的物料。
(3)不良的物料。
(4)呆料。
(5)报废的物料。
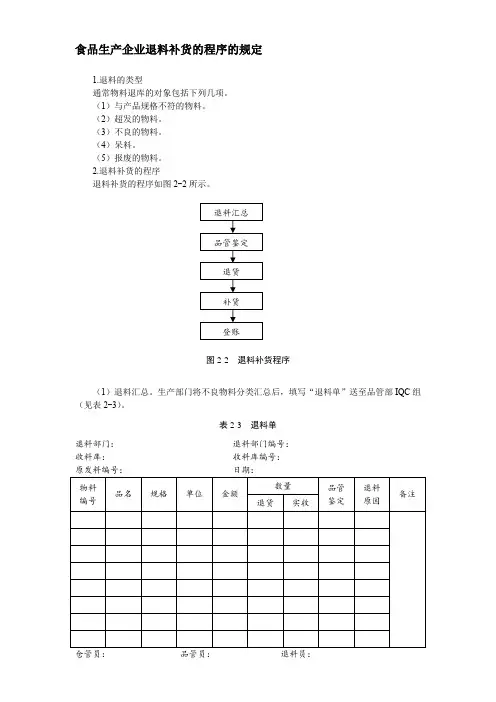
2.退料补货的程序
退料补货的程序如图2-2所示。
图2-2 退料补货程序
(1)退料汇总。
生产部门将不良物料分类汇总后,填写“退料单”送至品管部IQC 组(见表2-3)。
表2-3 退料单
退料部门: 退料部门编号: 收料库: 收料库编号: 原发料编号: 日期: 物料 编号 品名 规格 单位 金额 数量 品管 鉴定 退料 原因 备注
退货 实收
仓管员: 品管员: 退料员:
退料汇总 品管鉴定
退货 补货 登账
(2)品管鉴定。
品管检验后,将不良品分为报废品、不良品与良品三类,并在“退料单”上注明数量。
对于规格不符的物料、超发的物料及呆料退料,退料员在“退料单”上备注:不必经过品管而直接退到货仓。
(3)退货。
生产部门将分好类的物料送至货仓,货管员根据“退料单”上所注明的分类数量清点无误后,分别收入不同的仓位,并挂上相应的“物料卡”。
(4)补货。
因退料而需补货的,需开“补料单”,退料后办理补货手续(见表2-4)。
表2-4 补料单
制造单号:产品名称: No.:
生产领料员:仓管员: PMC:
(5)登账记录。
仓管员应及时将各种单据凭证入账。
(6)表单的保存与分发。
仓管员将当天的单据分类归档或集中分送到相关部门。
适用于生产全过程退换料、计划外领退料等作业。
生产退料、补料管理办法1 目的为了规范公司退料、换料、补料、计划外领料等作业,加强物料控制,规范物料管理,特制定本管理办法。
2 范围3 术语解释.1 生产退料:指在生产过程中因材料质量问题,规格型号不符、数量超领、工艺资料变更、生产节约的余料、不需用材料、计划数量减少或取消、材料盘盈等原因需退回仓库的行为,报废的材料办理报废手续。
.2 生产补料:指在生产过程中因员工操作不当造成材料报废、材料因质量问题以料换料、超定额损耗、生产车间窜单挪料、计划数量追加、供应商送料短缺、工艺资料错误等原因而造成生产车间需要增加额外补料的行为。
4 管理内容4.1 生产退料4.1.1 生产车间因3.1中的原因而需要办理退料的,由车间主任填写《退料/补料申请单》,申请单上须注明零件名称、零件图号、退料数量及退料原因,经生产部计划员复核后签字确认,报送质保部,涉及工艺资料变更的报送技术部。
退料应做到日清日结,每单必清。
4.1.2 质保部收到车间主任报送的《退料/补料申请单》后应及时对需退库材料进行质量检验,因工艺资料变更而退库的材料还需技术部门签字确认,合格的材料到仓库办理入库手续,不合格材料的退回按照公司程序文件Q/YHG15.802《不合格品控制程序》执行。
4.1.3 仓库保管员在收车间主任报送到《退料/补料申请单》后,应检查申请单是否经生产部、质保部(技术部)确认签字,单据是否填写规范、对申请单上信息的准确性进行核查,对需退回仓库的材料进行检查、点数、称重,确认无误后经采购部主管领导审核批准后方可办理材料入库。
4.2 生产补料4.2.1生产车间因3.2中的原因而需要办理补料的,由车间主任填写《退料/补料申请单》,申请单上须须注明零件名称、零件图号、补料数量及补料原因,经生产部计划员复核后,经生产部主管领导签字确认,补料超过原工艺卡上的标准定额50%的必须报生产厂长签字。
涉及材料因质量问题以料换料的还需经质保部签字确认。
日期1.目的为生产过程产生的领料、补料、退料有所依据,涉及的物料出入库流程更加顺畅,特制定本办法。
2.适用范围适用于凡因生产而产生的领料、补料、退料而涉及的整个过程3.职责3.1仓库、生产:负责物料出入库、标识、归类及帐务管理;3.2品保部:负责抽样检验物料的品质状况及物料转序过程的品质确认和管理。
4.定义4.1设变补料:指订单评审后,在生产时,经常会由于产品结构问题、BOM问题、客户要求变更、零件替代等原因,引起生产缺料(批量性的需手工开单二次领料)。
5、工作流程5.1领料5.1.1标准配置范围内的领料1)生产接到日生产计划后,凭生产计划向仓库领料;《生产发料单》由生管发放给仓库。
所有的“生产订单”领料、退料严格依生产订单号进行;仓管员凭生管发放《生产发料单》进行备料。
领料员不得随意挪用、任意退料、超领料,以保证成本的准确归集。
2)仓库依第二天日生产计划、《生产发料单》进行备料,并按生管打印的发料单,做好物料出库准备。
备齐的物料依生产订单放置于备料区。
原则上生产订单物料一次性发完。
如果订单数较大,允许一次以上的多次发料。
发料量以一天产能安排为原则。
3)领料员在备料区领料时,交接双方进行确认、清点,领料员在发料单上签收。
如果未发齐时,双方应签注欠料数量,与领料员交接后,仓管员在10分钟内将发料单录入系统(在系统内,调整相应数据);并立即反馈仓库主管处理。
--适用于有帐而没有实物。
4)因计划变更,发料单已由生管分发但未发料时,后续安排生产时,依正常作业,不再重新分发“发料单”。
5)若物料己出库,计划变更超过一个星期,经PQe确认合格后,则领料员以良品退料形式退回仓库。
双方同时在原签发料的《发料单》上交接签名(不再开退料单);由领料员将此单据交仓管员在当天内维护系统。
再安排生产时,按正常作业。
6)原则上,次日《生产发料单》要在13点前做好,仓管员要在14点前开始与领料员交接次日的生产物料;以合理利用时间,减少不必要的加班。
退料基本流程和补料基本流程朋友们!今天咱们来聊一聊退料和补料的基本流程。
这事儿啊,乍一听可能有点复杂,但只要跟着走一遍,就会发现其实没那么难啦。
先来说说退料吧。
首先呢,你得确定要退料的物品是啥,这一步可不能马虎哦!你得把东西整理好,不能乱七八糟的就想拿去退。
我觉得这就像是你要把自己的东西收拾整齐再送回原处一样。
在这个过程中,你可能需要检查一下这些物料有没有损坏之类的情况。
如果有损坏,那可能得做个记录啥的,这会对后面的处理有帮助的。
接下来,你要找到负责退料相关的部门或者人员。
这一步有时候可能有点麻烦,因为你得打听清楚到底谁管这事儿。
不过呢,多问问同事总是没错的。
找到人之后,你要把退料的原因告诉他们。
这个原因啊,一定要说清楚,可不能含糊其辞的。
比如说,是因为物料多余了呢,还是因为质量有问题呀?然后呀,就是交接的过程啦。
这时候要小心一点,确保你退的料和对方接收的料是一致的。
小提示:别忘了让对方给你一个退料的凭证哦!这可是很重要的,万一后面有啥问题,这个凭证就是你的证据呢。
再来说说补料吧。
补料的第一步,那肯定是发现需要补料啦。
怎么发现的呢?可能是生产线上发现物料不够用了,或者是之前的物料有损耗太大需要补充。
这个时候,你要尽快确定需要补多少料。
这一步我觉得可以更灵活一点,根据实际的生产需求和库存情况来决定。
确定了补料的数量之后,就要填写补料的申请单啦。
这个申请单上的信息一定要写准确哦!像是什么物料名称呀,规格呀,数量呀,还有补料的原因等等。
有时候可能会出现一些特殊情况,这个时候你可以在申请单上做个备注啥的。
接下来呢,把申请单提交给相关的审批部门或者人员。
这一步可能需要等一段时间,因为审批嘛,总是要走个流程的。
在等待审批的时候,你可以去跟进一下,看看审批到哪一步了。
要是有什么问题的话,也能及时解决。
审批通过之后,就可以去领取补料啦。
领取的时候,要核对一下物料的信息和数量,确保没有错误。
这一步要特别注意!要是领错了料,那可就麻烦了。
公司生产退料补料超领料管理制度和流程一、目的:明确、规范领仓库与生产车间之间的退料、补料和超领料办理流程,加强仓库对物料的管理职能,确保物料及时、准确发放到需求生产部门,使生产顺利进行。
二、适用范围:适用于对本公司所有原材料、辅料、工具、半成品、成品以及一切物料。
三、退料:主要包括生产车间对不合格物料和生产订单完后合格余料退料。
生产车间在生产过程中发现、产生的不合格物料或生产订单完成后的合格余料,经过整理并张贴“物料标识”后,生产部物料员填制“生产退料单”,并在“生产退料单”不合格物料上注明不良原因(来料不良或制程不良)、供应商名称等内容,并签名;合格物料应注明退料原因、供应商名称等内容,并签名。
然后交品质部IQC检验。
检验完毕后,清晰对不合格的物料张贴不合格标签,合格的物料张贴合格标签,并在“生产退料单”附上检验报告。
经部门主管、工程部、品质部、PMC部审核后退回仓库部。
退仓交接时,仓管员与生产物料员应核对单据与实物,无误时,双方签名、确认。
四、补料:在办理完相应的退料后到仓库领取补料。
领料交接时,双方应核对单据与实物,无误时,双方签名、确认。
五、超领料:在生产过程因物料损耗过高,需要超领物料时,生产部物料员填制《生产领料单(超领)》,经部门主管和PMC部主审查、生产经理批准后到仓库超领料。
生产部应在《生产领料单(超领)》上应注明超领原因。
领料交接时,双方应核对单据与实物,无误时,双签名、确认。
六、工具领料:1、以旧换新的方式领料需求部门填制《申领单》,经部门主管审查、工程部审核,取经过工程部鉴定后的原旧辅料、旧工具退回仓库,再领料。
领料交接时,双方应核对单据与实物,无误时,双方签名、确认。
(将要退回仓库的旧辅料、旧工具需经工程部鉴定、并在“物料标示”上签名确认其认其品质状态。
)2、非以旧换方式领料需求部门填制《申领单》,经部门主管审查、工程部审核后,再领料;领工具时,需求部门经部门主管和工程审查、生产经理批准后,再领料。
退料管理规程目的:建立一个退料管理规程,使退料工作规范化进行,保证退料质量。
范围:剩余生产物料。
责任:仓库保管员制定;仓储部部长审核;主管生产副经理批准;生产车间、质保部、仓储部执行。
内容:1.车间每个产品的每个批次生产结束后车间核算员都必须进行物料结算,将所用物料结算清楚,并将结算结果及时上报生产部。
使用物料与剩余物料之和要与领用物料相等或在限定范围之内。
若不符则在上报生产部时注明原因。
2.物料结算结果与“物料消耗定额”核对,超出消耗定额时,按《生产过程偏差处理规程》进行调查分析并及时处理。
3.每批产品生产结束要及时进行物料平衡和结算,若不连续生产同一品种,则要在三日内将剩余物料退回仓库。
4.退料程序4.1一个批次的产品生产或包装操作结束后,生产工序负责人及时将剩余物料计数整理包装好,贴上《物料标签》,不允许有遗漏,转至中间站,与核算员办理交接手续。
4.2质保部质监员对退库物料进行审核。
4.2.1尚未开包的物料包装是否完整,封口是否严密;已经开封的零散包件的物料,其开封、取样、接料是否均在生产洁净级别要求相适应的洁净区操作。
4.2.2确认剩余物料无污染、无混淆、数(重)量准确。
4.2.3质量不确定则由车间质检员填写《请验单》,取样员取样送检,由化验室检验判定物料是否存在质量问题。
若检验不合格则按《不合格物资管理规程》处理。
确认无质量问题后按以下程序进行。
4.3核算员填写《退料通知单》(一式二份,车间自留一份、仓库留存一份),标明所退物料的名称、批号、数量、退料原因、退料单位等交仓库保管员。
4.4仓库保管员通知搬运班组将所退物料搬至外清室(区),包上外包装,核算员贴上由质监员签字的《退料标签》。
4.5由搬运员组负责将外清室中已包好外包装的退料送至仓库。
4.6生产剩余物料应在清场结束后即进行退料处理,正常情况三日内完成,出现差错或不合格问题的处置不超过一周。
4.7退料入库4.7.1仓库保管员凭《退料通知单》核对退料的品名、退料数量、批号及封条上退料日期。