转向灯和危险报警灯电路
- 格式:pptx
- 大小:510.04 KB
- 文档页数:9
汽车转向灯、危险报警灯及其电路故障(即工作原理)一、转向灯及危险报警灯电路在汽车起步、转弯、变更车道或路边停车时,需要打开转向信号灯以表示汽车的趋向,提醒周围车辆和行人注意。
转向信号灯系统由闪光继电器(简称闪光器)、转向开关、转向灯和转向指示灯等组成。
当接通危险报警信号开关时,所有转向信号灯同时闪烁,表示车辆遇紧急情况,请求其他车辆避让。
根据GB 7258—1997 机动车运行安全技术条件》规定,危险报警灯操纵装置不得受点火开关控制。
转向灯闪烁是由闪光器控制电流通断实现的,闪光频率规定为1.5HZ±0.5HZ。
有的车转向信号闪光器和危险报警闪光器共用,例如TJ7100轿车,如图6-20所示,还有的车转向信号闪光器和危险报警闪光器单独设置,例如切诺基汽车,如图6-21所示。
二、闪光器的工作原理常见闪光器有电容式、翼片式、晶体管式三类(图6-22)。
翼片式和带继电器的晶体管式闪光器结构简单体积小、闪光频率稳定、监控作用明显、工作时伴有响声,故被广泛使用。
1.电容式闪光器电容式闪光器结构如图6-23所示,它由一只大容量电解电容器和双线圈继电器组成。
工作原理:接通转向灯开关(左或右)后,串联线圈经触点、转向信号灯构成回路,且电流较大。
产生较强磁场,吸动衔铁,使触点张开。
此过程中,串联线圈通电时间极短,转向信号灯不亮。
触点张开后电容器经串联线圈、并联线圈、转向灯开关、转向灯及转向指示灯构成充电回路.由于充电电流很小,此时转向灯与转向指示灯不亮。
触点在串并联线圈的合成磁场(方向相同)作用下,仍保持张开状态。
电容器充足电后.并联线圈电流消失,铁心吸力减小,触点在复位弹簧作用下闭合,转向灯与转向指示灯亮;同时,电容器经并联线圈及触点放电,由于串联线圈与并联线圈磁场方向相反,铁心吸力极小,触点保持闭合状态。
当电容器放电结束后,并联线圈电流消失,在串联线圈磁场作用下,触点再次张开,转向灯与转向指示灯变暗,电容器再次充电。
项目五汽车照明与信号系统训练题答案要点一、填空题1、汽车灯具按功能可分为照明灯和信号灯。
2、前雾灯光色一般为白色,后雾灯光色一般为红色,作用是前雾灯以照明为主,后雾灯以信号为主。
3、转向信号灯的作用是提示其他车辆和行人等车辆的转向意图,颜色为黄色。
4、前照灯的光学系统包括光源(灯泡)、反射镜和配光镜三部分。
5、反射镜的形状为半椭圆状,其内层表面镀铬、镀__铝__或镀银等,以提高反射系数。
6、配光镜的作用是将反射镜反射出来的平行光进行配光,使车前路面和路缘都有良好而均匀的照明。
7、转向信号灯及危险报警电路主要由__信号指示灯__、_闪光器(闪光继电器)___和转向灯开关、危险报警灯开关等部件组成。
8、常见的闪光器有_电热式___、__电子式__和_电容式___等三类。
9、电容式闪光器是根据电容器充放电特性,使继电器短路线圈和开路线圈电磁力时而有时而无,致使触点周期性开、闭,使转向灯和转向指示灯闪烁。
10、转向信号灯及危险报警闪光灯闪光频率应为__60~120次/min__。
11、喇叭按发音动力的不同分电喇叭和气喇叭;按外形不同分为螺旋形、筒形、盆形等;按声频分为高音喇叭和低音喇叭等。
12、电喇叭音调通过改变上下铁芯之间的间隙调整,音量通过改变喇叭触点的压力调整。
二、判断题1、前后雾灯均属于照明灯。
(×)2、前照灯属于照明灯。
(√)3、牌照灯灯光多为红色。
(×)4、制动灯属于信号灯,光色一般为黄色。
(×)5、反射镜的作用是将灯泡光线聚合并导向前方。
(√)6、前照灯应使驾驶员能看清车前100m或更远距离以内的路面上任何障碍物。
(√)7、危险警告灯操纵装置不受点火开关控制。
(√)8、在调节盆形电喇叭音调时,将铁心顺时针旋入,加大衔铁与铁心之间的气隙,音调降低。
(×)三、选择题1、牌照灯应能确保行人在( )m远处看清牌照上的数字和文字。
A.l0B.20C.30 注:此题选项有问题,正确应该是25m2、驻车灯要求车前和车尾( A )m能确认灯光信号。
简述转向信号灯电路组成转向信号灯是道路交通中非常重要的交通标志,用来指示车辆和行人如何操作。
它的存在可以帮助大家遵守交通规则,减少交通事故的发生。
转向信号灯的电路组成包括信号灯控制器、信号灯灯具、传感器和电源等部分。
首先,信号灯控制器是整个转向信号灯电路的核心,它负责控制信号灯的运行模式。
信号灯控制器通常由微控制器或可编程逻辑器件组成。
通过编程和算法,信号灯控制器可以在不同的时间点切换红、黄、绿三种不同颜色的信号灯,以模拟出道路交通中各种情况下的交通流量控制。
其次,信号灯灯具是转向信号灯电路中不可或缺的组成部分。
信号灯灯具一般由红灯、黄灯和绿灯组成,每种灯具代表了不同的信号。
红灯表示停车,黄灯表示准备行车,绿灯表示允许行车。
这些灯具内部嵌有发光二极管(LED)或者传统的白炽灯,通过电流的控制,可以实现灯具的亮灭状态切换。
其次,传感器在转向信号灯电路中的作用是监测交通流量和环境状况。
传感器可以采集车辆和行人的信息,如车辆流量、行人通行情况等,并将这些信息传输给信号灯控制器。
信号灯控制器通过分析传感器的反馈数据,可以根据实际情况动态调整信号灯的工作模式,以适应不同的交通流量变化。
最后,电源是转向信号灯电路中不可或缺的能量供应来源。
信号灯通常使用交流电源供电,通过电压转换和稳定装置将输入的电流稳定为信号灯灯具所需的工作电压。
这样可以确保信号灯在任何时间都能正常工作。
综上所述,转向信号灯的电路组成包括信号灯控制器、信号灯灯具、传感器和电源等几个部分。
通过这些组成部分的协同工作,转向信号灯可以实现准确的交通信号显示和高效的交通流量控制,为道路交通提供了重要的保障。
转向信号灯的电路设计和优化,将继续为我们提供更加安全和便利的道路出行环境。
报警灯原理图报警灯是一种常见的安全警示设备,广泛应用于工业生产、交通运输、建筑物等领域。
它能够通过灯光、声音等方式向人们发出警示信号,提醒他们注意安全。
下面我们将介绍报警灯的原理图及其工作原理。
报警灯的原理图主要包括电源部分、控制部分和灯光部分。
电源部分通常由交流电源或直流电源供电,控制部分包括传感器、控制电路和触发器,灯光部分则包括LED灯、报警灯罩等组件。
在工作时,报警灯首先接收外部传感器的信号,如温度传感器、烟雾传感器、红外线传感器等。
一旦传感器检测到异常情况,会向控制电路发送信号,触发器接收到信号后将控制信号传递给LED灯。
LED灯接收到信号后,开始发出闪烁的警示信号,同时报警灯罩能够起到扩散和集中光线的作用,使警示信号更加明显。
报警灯的工作原理是基于电路的控制和灯光的发光原理。
控制电路通过传感器检测外部环境,一旦发现异常情况就会触发LED灯发出警示信号。
LED灯是一种半导体光源,具有功耗低、寿命长、发光效果好等特点,因此在报警灯中得到了广泛应用。
报警灯的原理图设计需要考虑电路的稳定性、传感器的准确性和LED灯的功耗等因素。
在电源部分,需要保证电源稳定,避免因电压不稳导致设备无法正常工作。
控制部分的传感器需要具有高灵敏度和准确性,能够及时发现异常情况。
LED灯的选用需要考虑功耗和发光效果,以确保报警信号能够在恶劣环境中清晰可见。
总的来说,报警灯的原理图设计涉及到电路、传感器和光电器件等多个方面的知识。
通过合理的设计和选材,可以确保报警灯在各种环境下都能够可靠工作,为人们的生命和财产安全提供保障。
希望本文对报警灯的原理图及工作原理有所帮助,谢谢阅读!。
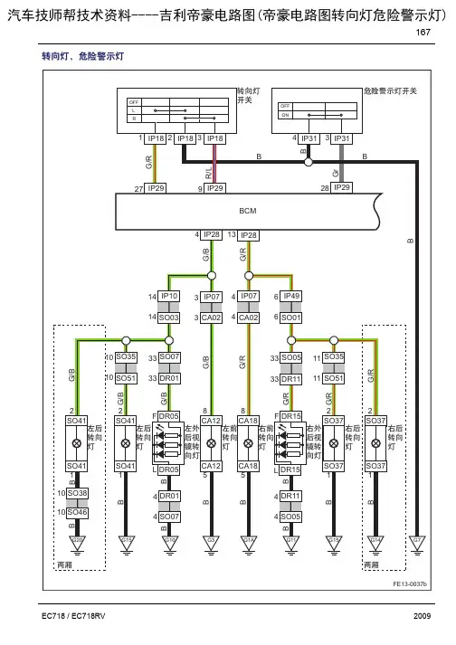
167转向灯、危险警示灯168线束连接器名称页码CA02接仪表线束2线束连接器20 CA12左前组合大灯线束连接器21 CA18右前组合大灯线束连接器21 DR01左前门接底板线束连接器53 DR05左侧车外后视镜线束连接器53 DR11右前门接底板线束连接器53 DR15右侧车外后视镜连接器53 IP07接发动机舱线束连接器31 IP10接底板线束连接器31 IP18灯光组合开关线束连接器31 IP28车身控制模块2线束连接器31 IP29车身控制模块1线束连接器31 IP31危险警示灯开关线束连接器31 IP49接底板线束连接器31 SO01接仪表线束连接器40/46 SO03接仪表线束连接器40/46 SO05接右前门线束连接器40/46 SO07接左前门线束连接器40/46 SO35(三厢)接行李舱线束连接器40 SO37右后组合尾灯线束连接器40/46 SO38(两厢)接尾门线束连接器46 SO41左后组合尾灯线束连接器40/46 SO46(两厢)接底板线束连接器47 SO51(三厢)接底板线束连接器40 G1A发动机舱接地60 G3发动机舱接地60 G7仪表盘接地61 G10(三厢)底板接地62 G11(三厢)底板接地62 G14(两厢)仪表盘接地63 G15(三厢)底板接地62 G20(两厢)背门接地64169制动灯170线束连接器名称页码CA02接仪表线束2线束连接器20 CA13ABS控制模块线束连接器21 IP05接室内保险丝、继电器盒线束连接器31 IP07接发动机舱线束连接器31 IP10接底板线束连接器31 IP30制动灯开关线束连接器31 SO03接仪表线束连接器40/46 SO33(三厢)高位制动灯线束连接器40 SO35(三厢)接行李舱线束连接器40 SO37右后组合尾灯线束连接器40/46 SO38(两厢)接尾门线束连接器46 SO41左后组合尾灯线束连接器40/46 SO46(两厢)接底板线束连接器47 SO51(三厢)接底板线束连接器40 SO63(两厢)高位制动灯线束连接器47 C01室内保险丝盒背面连接器15 G14(两厢)底板接地63 G15(三厢)底板接地62 G20(两厢)背门接地64171倒车灯172线束连接器名称页码CA10接发动机舱保险丝、继电器盒线束连接器320 CA27接发动机线束连接器21 EN04接仪表线束连接器25 EN22倒档开关线束连接器26 EN28接机舱配电盒线束连接器26 IP11接底板线束连接器31 IP29车身控制模块1线束连接器31 IP48接发动机线束连接器31 SO02接仪表线束连接器40/46 SO35(三厢)接行李舱线束连接器40 SO37右后组合尾灯线束连接器40/46 SO41(三厢)左后组合尾灯线束连接器40 SO51(三厢)接底板线束连接器40 C02室内保险丝盒背面连接器15 G14(两厢)底板接地63 G15(三厢)底板接地62连接点说明页码SO35-3(三厢)至倒车雷达控制模块SO40-16117 SO02-13(两厢)至倒车雷达控制模块SO40-16119173室内照明灯174线束连接器名称页码IP09接顶棚线束连接器31 IP21电子防盗天线线束连接器31 IP28车身控制模块2线束连接器31 IP43手套箱灯开关线束连接器31 IP44手套箱灯开关线束连接器31 IP47手套箱灯线束连接器31 RF01接仪表线束连接器37 RF04驾驶员侧化妆镜灯线束连接器37 RF05乘员侧化妆镜灯线束连接器37 RF06室内灯+天窗开关线束连接器37 RF07中间顶灯线束连接器37 G7仪表盘接地61 G7A仪表盘接地61175礼貌灯、行李箱灯176线束连接器名称页码DR01左前门接底板线束连接器53 DR06左前门锁电机线束连接器53 DR07左门迎宾灯线束连接器53 DR11右前门接底板线束连接器53 DR16右前门锁线束连接器53 DR17右门迎宾灯连接器53 IP05接室内保险丝、继电器盒线束连接器31 IP11接底板线束连接器31 IP28车身控制模块2线束连接器31 IP29车身控制模块1线束连接器31 SO02接仪表线束连接器40/46 SO05接右前门线束连接器40/46 SO07接左前门线束连接器40/46 SO34行李舱灯线束连接器40/46 SO35(三厢)接行李舱线束连接器40 SO38(两厢)接尾门线束连接器46 SO46(两厢)接底板线束连接器47 SO51(三厢)接底板线束连接器40 SO54(三厢)行李舱锁线束连接器40 SO55(两厢)后背箱锁线束连接器47 C01室内保险丝盒背面连接器15 G10底板接地62/63 G11底板接地62/63 G15底板接地62/63 G20(两厢)背门接地64连接点说明页码IP11-1至组合仪表IP03-32179 DR16-1参见中控锁135 DR06-6参见中控锁133。
汽车电器习题库及答案一、填空题(每空1分)汽车电气系统基础知识1、汽车电气系统的特点、、、、等。
2、汽车电源系主要由、、组成。
3、汽车上常用的保险装置有、、。
蓄电池1、铅蓄电池按结构特点可他为型型电型型和型电池。
2、铅蓄电池主要由、、、、由、部件组成。
3、铅蓄电池极上的活性物质为,呈色;负极板上的活性物质为状的纯、呈色。
4、铅蓄电池每个单格内负极板总比正极板多片。
以減轻正极板的和。
5、外壳上有P记号的铅蓄电池接线柱为接线柱,有N记号的接线柱为接线柱。
6、蓄电池放电时,正极板上的和负极板上的与电解液发生化学反应,变成了PSO4 ,和。
使得电解液相对密度变,内阻变,端电压变,。
7、铅蓄电池电解液相对密度每下降0.04,蓄电池约放掉 %额定容量的电量。
8、过充电时,正极板表面会逸出气,负极面会逸出气,使电解液呈“沸腾”状态。
9、起动型蓄电池常见性能指标有、和。
10、将高率放电计两叉尖紧压在单格电池正负极柱上,历时5s 左右,若单格电压在1.7V保持稳定,说明电池;1.6V保持稳定,表明电池;下降到1.5V保持稳定,表明电池。
11、蓄电池的充电方法有、及。
12、充电过程中应经常温化解液度,若温度上升到40 ° ,应将电流;若调整后继续上升到45 ° ,应立即。
13、用数字式万用表测量电池开路电动势,若12V标称电压的蓄电池电动势小于12V,说明电池;在12.2V~12.5V之间,说明;高于12.5V,说明电池。
14、用整体电池式高率放电计测试蓄电池电压,若15s内,电池能保持在9.6V以上,说明电池但;若稳定在11.6V~10.6V,说明电池;若迅速下降,说明电池已损坏。
15、蓄电池的容量有、、。
16、铅蓄电池的型号有、、、、组成17、铅蓄电池由、、、、种类型。
交流发电机及调节器1、汽车充电系由、、及组成。
2、汽车用发电机按整流二极管的多少为、、、十发电机;按励磁绕组搭铁方式不同,又分和两种。
丰田卡罗拉转向与危险警告灯电路分析与检修发布时间:2021-06-08T16:06:35.910Z 来源:《基层建设》2021年第5期作者:徐义国[导读] 摘要:汽车转向与危险警告灯是汽车运动方向和车身状态的表示信号,关系着汽车的安全问题。
深圳技师学院深圳 518116摘要:汽车转向与危险警告灯是汽车运动方向和车身状态的表示信号,关系着汽车的安全问题。
本文主要介绍了一汽丰田卡罗拉轿车转向与危险警告灯电路的工作原理,常见故障以及故障排除方法。
关键词:丰田卡罗拉;转向与危险警告灯;电路分析;故障在汽车起步、转弯、变更车道或路边停车时,需要打开转向信号灯以表示汽车的趋向,提醒周围车辆和行人注意;当接通危险报警信号开关时,所有转向信号灯同时闪烁,表示车辆遇紧急情况,请求其他车辆避让。
本文主要分析和探讨了一汽丰田卡罗拉轿车转向与危险警告灯电路的工作原理,常见故障以及故障排除方法,希望为维修人员提供借鉴和帮助。
1 转向与危险警告灯电路分析一汽丰田卡罗拉轿车转向与危险警告灯电路主要由闪光继电器(简称闪光器)、转向信号开关、危险警告开关、转向灯和转向指示灯等组成。
卡罗拉转向与危险警告灯电路主要由转向信号闪光灯继电器控制,电路如图1所示。
此车使用的转向信号闪光灯继电器为8脚的类型,工作原理与普通3脚式闪光继电器有所不同,其工作原理为:1.1 左转向信号灯工作原理:当打开左转向信号灯开关时,转向开关E8(E60)的A15(B5)脚与A12(B7)脚接通,转向信号闪光器接到一个左转向信号,信号电路为:转向信号闪光器的5脚→前照灯变光开关总成E8(E60)的A15(B5)脚→前照灯变光开关总成E8(E60)的A12(B7)脚→E1搭铁。
此时,闪光继电器内部左转向触点闭合。
左转向信号灯主电路为:蓄电池“+”→点火开关IG→10A-2号ECU-IG保险丝→转向信号闪光器的1脚→转向信号闪光器的3脚→左前转向信号灯、左侧转向信号灯、左后转向信号灯和左转向信号指示灯→搭铁。
危险警报灯工作原理篇一:危险警报灯工作原理分析报告一、引言随着汽车工业的快速发展,车辆安全性能越来越受到人们的关注。
其中,危险警报灯作为车辆安全的重要组成部分,对于保障行车安全具有至关重要的作用。
本文将对危险警报灯的工作原理进行详细分析,以便更好地理解其功能和作用。
二、危险警报灯的种类及作用危险警报灯主要包括转向灯、制动灯、示廓灯等。
它们的作用是在车辆出现危险情况时,向周围车辆和行人发出警告信号,提醒对方注意避让,以减少交通事故的发生。
三、危险警报灯工作原理详细分析1. 电源电路危险警报灯的电源电路主要由蓄电池、发电机、电压调节器等组成。
当车辆启动时,发电机开始工作,为蓄电池充电。
当点火开关处于ON位置时,电压调节器开始工作,确保蓄电池电压稳定,为危险警报灯提供可靠的电源。
2. 转向灯电路转向灯电路由转向灯、闪光器、转向开关等组成。
当驾驶员打开转向灯开关时,电流通过转向灯和闪光器,使得转向灯闪烁发出警告信号。
不同类型的车辆可能会采用不同的闪光器,但其工作原理基本相同。
3. 制动灯电路制动灯电路由制动灯、制动踏板开关等组成。
当驾驶员踩下制动踏板时,制动踏板开关接通,电流通过制动灯和制动踏板开关,使得制动灯亮起,发出警告信号。
4. 示廓灯电路示廓灯电路由示廓灯、车门开关等组成。
当车门打开或关闭时,车门开关接通或断开,使得电流通过示廓灯和车门开关,使得示廓灯亮起,提醒周围车辆和行人注意避让。
四、实例分析以某款轿车为例,对其危险警报灯的工作原理进行详细分析。
该轿车采用电子控制方式,危险警报灯由电子控制单元(ECU)控制。
当车辆出现故障或危险情况时,ECU会根据传感器信号自动接通危险警报灯电路,使得转向灯、制动灯、示廓灯等同时闪烁或亮起,发出警告信号。
同时,ECU还会将故障信息存储在故障诊断系统中,方便维修人员对车辆进行检修和维护。
五、结论通过对危险警报灯的工作原理进行详细分析,我们可以更好地理解其功能和作用。
汽车转向灯故障报警电路设计冯丹【摘要】众所周知,汽车转向灯的作用在人们的出行安全中不可忽视,一旦发生故障就会严重影响驾驶者和周边车辆以及行人的生命安全.本文首先介绍了汽车转向灯电路的工作机理以及它的常见故障,然后推出了有针对性的故障报警电路,最后对于此电路进行了原理研究、计算和Proteus仿真.通过仿真结果可以看到设计的电路,能在转向灯及其线路发生故障时自动报警,也能对转向灯的运转情况进行监测,这在某种水平上预防了汽车追尾、撞击等交通事故的发生.【期刊名称】《南方农机》【年(卷),期】2017(048)019【总页数】2页(P133-134)【关键词】汽车转向灯;故障报警电路设计;Proteus仿真【作者】冯丹【作者单位】重庆交通大学,重庆400070【正文语种】中文【中图分类】U463.65汽车的普及为人们的生活带来了便利,但交通事故的频发令人担忧。
为了解决这个问题,各种涉及汽车主动安全和被动安全的设计已相继问世,为人们的出行安全提供了一定的保障。
除了考虑汽车本身的质量问题,还应考虑周边车辆和行人能否正确判断出驾驶者在行驶过程中各种行驶趋势。
因此汽车上各种信号指示灯的安全警示作用就显得尤为重要,其中转向灯可以有效避免发生车辆之间发生追尾碰撞,也可以提示行人注意小心避车。
假如开车的时候因为忘记或是其他原因没有开启转向灯,很有可能发生交通事故。
因此,很有必要研究一类实用便利、功能完善的汽车转向灯故障报警设备。
其转向灯的作用就是在起步、转向、变道或靠边泊车的时候出现明暗交替的信息,以提示本车的行驶方向,警示车前或车后的行人或车辆。
转向灯系统主要由闪光继电器(简称闪光器)、转向开关、转向灯和转向指示灯等构成[1],其位置一般在汽车的左前、右前、左后、右后、前左右翼子板以及左右后视镜上面。
其开关通常安装在方向盘左边,其工作过程是:驾驶员向上拨动转向灯开关(顺时针)表示向右转,向下拨动(逆时针)表示向左转。