设计计算书(货梯)A
- 格式:doc
- 大小:540.00 KB
- 文档页数:32
载货电梯设计计算书作者:佚名来源:互联网文章点击数:1607【字体:大中小】1 概述THJ2000/0.5-JXW交流双速载货电梯,按国家电梯标准的要求、设计而成的。
该电梯的曳引机、开门机系统、层门装置、安全钳、限速器、缓冲器、绳头锥套等主要部件及安全部件均采用先进的技术结构,一般零部件也是在原有技术积累的基础上设计的,因此本计算书主要对曳引系统、悬挂装置及安全装置等关键部件进行验证计算。
2 引用标准及参考文献a. GB7588《电梯制造与安装安全规范》;b. GB10058《电梯技术条件》;c. GB10059《电梯试验方法》;d. GB10060《电梯安装验收规范》;e. GB8903《电梯用钢丝绳》;f. JG/T 5072.1《电梯T型导轨》;g. 《机械工程手册》第67篇第8章电梯(机械工程手册编辑委员会编);h. 《机械技术手册》上册(日本机械学会编);i. 《电机工程手册》第五卷(机械工程手册电机工程手册编辑委员会编)。
3 主要技术性能参数a. 电梯种类:载货电梯;b. 电梯型号:THJ2000/0.5-JXW;c. 额定载重量:2000kg;d. 额定速度:0.5m/s;e. 轿厢尺寸:1500mm?2700mm?2200mm;f. 开门尺寸:1500mm?2100mm(双折自动门);g. 曳引比:2:1;h. 拖动方式:交流双速;i. 控制方式:微机集选控制;j. 最大提升高度:30m;k. 最大停层站数:10层;4 曳引系统的计算4.1 电动机功率的计算电梯曳引机的起、制动及正、反转频繁,且负载变化大,工作运行情况复杂,要精确计算电动机功率是很复杂的,根据机械工程手册的推荐,通常按下式计算电动机功率:Pd=—————102?式中:Pd—电动机功率,kW;KP—电梯平衡系数,根据电梯标准规定Kp在0.40~0.50范围内,取Kp=0.45;Q—电梯额定载重量,Q=2000kg;V—电梯额定速度,V=0.5m/s;?—电梯的机械总效率,?=0.5~0.55,对于斜齿轮曳引机考虑2:1绕法,机械效率比较高,取?=0.5;则:(1-0.45)?2000?0.5Pd=——————————≈10.8kW102?0.54.2 曳引机的选用根据电梯的主要技术参数、曳引电动机的功率等的要求,我们对各种电梯曳引机进行了调研类比,最后确定选用J1.2型曳引机。
单跑钢楼梯设计计算书一. 设计资料1 设计规范2 计算参数3 荷载组合基本组合1.2D+1.4L1.35D+0.98L标准组合1.0D+1.0L1.0L二. 验算结果1 楼梯内力简图1.1 轴力图1.2 剪力图1.3 弯矩图2.1 受弯强度控制工况: 1.2D+1.4L弯矩计算结果: Mmax = 8.77 kN*m(有限元计算结果)σ =Mmax / (γx * W)= 8.77e+006 / (1.05 * 2.95e+005)= 28.31 N/mm2 < 215 N/mm2结果判断: 满足2.2 受剪强度控制工况: 1.2D+1.4L剪力计算结果: Vmax = 6.48 kN(有限元计算结果)τ = 1.5 * Vmax / A = 1.5 * 6480 / 4491 = 2.164 N/mm2 < 125 N/mm2结果判断: 满足2.3 挠度控制工况: D+Lω = 7.529 mm < 4202 / 250 = 16.81 mm(有限元计算结果)结果判断: 满足控制工况: Lω = 6.757 mm < 4202 / 300 = 14.01 mm(有限元计算结果)结果判断: 满足3.1 受弯强度控制工况: 1.2D+1.4L弯矩计算结果: Mmax = 4.063 kN*m(有限元计算结果)σ = Mmax / (γx * W)= 4.063e+006 / (1.05 * 2.95e+005)= 13.12 N/mm2 < 215 N/mm2结果判断: 满足3.2 受剪强度控制工况: 1.2D+1.4L剪力计算结果: Vmax = 5.371 kN(有限元计算结果)τ = 1.5 * Vmax / A = 1.5 * 5371 / 4491 = 1.794 N/mm2 < 125 N/mm2结果判断: 满足3.3 挠度控制工况: D+Lω = 0.1512 mm < 4202 / 250 = 16.81 mm结果判断: 满足控制工况: Lω = 0.1357 mm < 4202 / 300 = 14.01 mm(有限元计算结果)结果判断: 满足4.1 受弯强度控制工况: 1.2D+1.4L弯矩计算结果: Mmax = 1 / 8 * ql2 = 1.614 * 1.32 * 1.32 / 8 = 0.3515 kN*m σ = Mmax / (γx * W)= 0.3515 / (1.05 * 4.809e+004)= 6.962 N/mm2 < 215 N/mm2结果判断: 满足4.2 受剪强度控制工况: 1.2D+1.4L剪力计算结果: Vmax = ql / 2 = 1.614 * 1.32 / 2 = 1.065 kNτ = 1.5 * Vmax / A = 1.5 * 1.065 / 2768 = 0.5773 N/mm2 < 125 N/mm2结果判断: 满足4.3 挠度控制工况: D+Lω = 5 * ql 4 / (384EI) = 5 * 1.17*1.324/ (384 * 206000 * 6797687.861) = 0.03302873401 mm < 1320 / 250 = 5.28 mm结果判断: 满足控制工况: Lω = 5 * ql 4 / (384EI) = 5 * 1.05*1.324/ (384 * 206000 * 6797687.861) = 0.029******** mm < 1320 / 300 = 4.4 mm结果判断: 满足5.1 受弯强度控制工况: 1.35D+0.98L弯矩计算结果: Mmax = αqa2 = 0 * 0 * 02 = 0 kN*mσ= 6 * Mmax / (γx * t2) = 6 * 0 / (1.2 * 62) = 0 N/mm2 < 215 N/mm2结果判断: 满足5.2 挠度控制工况: D+Lω = β * q k *a4 / (Et3) = 0 * 0 * 19604 / (206 * 63) = 0 mm < 1320 / 150 = 8.8 mm结果判断: 满足。
THJW2000/0.5-JXW变频调速(无机房)载货电梯设计计算书波士顿电梯(苏州)有限公司一、电梯的主要参数二、曳引条件的计算三、平衡系数的计算四、限速器的选型计算五、限速器绳的计算(直径、安全系数)六、安全钳的选型(型式、动作所需提拉力、质量范围)七、缓冲器的选型计算(型式、质量范围、行程)八、轿厢上行超速保护装置的选型计算(类型、质量范围)九、曳引机的选型计算(功率、输出扭矩、速度和主轴负荷)十、曳引轮、滑轮节圆直径与钢丝绳直径的比值计算十一、盘车力的计算十二、悬挂绳或链安全系数计算十三、机房地板受力要求,底坑地面受力要求,使用膨胀螺栓时对井道壁的要求,机房井道的其它要求十四、导轨强度和变形计算十五、轿厢和门系统计算说明十六、轿厢面积、通风面积计算十七、轿厢地坎和轿门至井道内表面的距离计算十八、玻璃门和轿壁的计算(安装固定方式、玻璃轿壁上扶手固定方式的图示说明)十九、轿顶护栏设计二十、轿厢护脚板的安装和尺寸图二十一、开锁区域的尺寸说明图示二十二、轿架的受力强度计算和安全系数二十三、井道顶层和底部空间的计算二十四、操作维修区域的空间计算(主机、控制柜、限速器、盘车操作)二十五、无机房电梯的特殊要求计算二十六、工作区域空间设计说明二十七、机械制停装置的设计说明(安装位置和强度校核)二十八、动态测试和救援说明二十九、电气选型计算(变频器的容量,应急电源容量、接触器、主开关、电缆计算)三十、机械防护的设计和说明一、电梯的主要参数额定载重量:Q=2000kg空载轿厢重量:P1=1800kg对重重量 :W=2800kg随行电缆重量:P2=150kg额定速度:0.5m/s平衡系数:0.5曳引包角:180°曳引方式:4:1悬挂绳(曳引绳)根数:n=5电动机功率:6.0KW时机转速:n=95.5r/min曳引轮直径:D=400mm随行电缆根数:2根随行电缆单位长度质量:104kg/m提升高度:6100mm轿厢尺寸:1850×2400×2200mm(宽×深×高)限速器型号:OX-187宁波奥德普电梯配件有限公司安全钳型号:SAQ4佛山市南海区永恒电梯配件厂缓冲器型号:轿厢:ZDQ-A-12 沈阳祺盛机械有限公司对重:ZDQ-A-13 沈阳祺盛机械有限公司钢丝绳规格:10NAT8×19S+FC1370/1770ZS 无锡通用导轨:轿厢:T89/B;浙江浩圣电梯导轨有限公司:对重:TK5A;浙江浩圣电梯导轨有限公司二、曳引条件的计算电梯曳引必须满足下列条件:T1/T2×C1×C2≤e fα式中T1/T2轿厢处于125%额定载荷下,轿厢位于最低层站及空载轿厢位于最高层站情况下,曳引轮两边曳引绳中的最大静拉力与最小静拉力之比。
o. 各梁几何特性计算:由右图可得上(下)梁及立梁对X轴,Y轴的惯性矩为:(注:上、下梁采用20a号槽钢,立梁采用16a号槽钢,上、下梁各参数相同)J X上梁=6.748*10-5m4J Y上梁=3.565*10-5m4J X立梁=1.328*10-5m4J Y立梁=1.142*10-6m4对应各梁的抗弯模量如下:W X上梁= J X上梁/S max=6.748*10-5/0.1=6.748*10-4 m3W Y上梁= J Y上梁/S max=3.565*10-5/0.1=3.565*10-4 m3W X立梁= J X立梁/S max=1.328*10-5/0.0504=2.635*10-4 m3W Y立梁= J Y立梁/S max=1.142*10-6/0.090=1.269*10-5 m3立梁横截面积A0=2206mm2=2.206*10-3m2.2.轿厢架应力计算 a 上梁.对绕绳比为1:2的情况(见右图)最大 最大弯应力)16968210(N 25109.83000)(37902gl Q)(W M 1max =**+=+=最大正应力25.145(MN)10*6.748*20.51*9.8*6790W 2gl Q)(W σ4上梁n 1max ==+=- σmax <[σ]=80 (MP a )(s σ上梁材料屈服强度) b.下梁下梁同样简化为简支梁,计算载荷的的方法可按如下考虑: 1).轿厢自重和额定载荷的5/8均布在下梁上 q=[5/8*(Q+P)]g/l2).平衡链、随行电缆的拉力形成的 集中载荷q 1=2H(λ2+λ3)作用于下梁中部。
M max =ql 2/8+q 1l/4最大正应力:()()()()()MPa 855.8N/m 10855.89.81.51.2182419.80379000364510748.6*221.24q g P Q 645W L W 2M σ2641X O X m ax m ax =*=⎥⎦⎤⎢⎣⎡*+**+*+*=⎥⎦⎤⎢⎣⎡++==- σmax <[σ]=80 (MP a ).八.导轨验算:1.导轨型号T114截面如右图:2.截面几何特性:截面对X-X 轴惯性矩 J XX =179cm 4 截面对Y-Y 轴惯性矩J yy =109cm 4截面对X-X 轴惯性半径 i XX =2.93cm 截面对Y-X 轴惯性半径 i yy =2.29cm 截面对X-X 轴惯性模量 W XX =29.7cm 3 截面对Y-Y 轴惯性模量 W YY =19.1cm 33.参数及许用应力:轿厢尺寸: 宽度B*深度A=2.13*2.76(m) 额定载荷: Q=3000 kg 轿厢自重:P=2350 kg 电缆单位长度重量: 1.2 kg/m (36芯) 曳引绳单位长度重量: 0.60 kg/m 平衡链单位长度重量: 1.40kg/m 轿厢宽度 B=2.13m 上下梁导靴间距 H=3.78m许允应力 [σ]=140Mpa(Q235安全系数n=1.7) 许允柔度 [λ]=120 许允挠度 [y ]=3mm 弹性模量E =2.1*106MPa4.强度校核:a.正常运行工况(见右图)2761.1(N)2.139.83000Bg Q F 1=⋅⋅=⋅⋅=.1.629179102.1482202761.148EJ L F y 63X 311max =⋅⋅⋅⋅=⋅=(mm ) 2.311109102.1482202385.148EJ L F y 63Y 3/22max /=⋅⋅⋅⋅=⋅=(mm ) 827.2311.2629.1y y y 22/22max 21max max =+=+=(mm)[]3y y max =≤(mm ) 结论:安全。
计算者:总经理:ZFTG1600/3.0-JX(VVVF)乘客电梯设计计算说明ZFTG1600/3.0-JX(VVVF)绿色节能永磁同步无齿轮电梯,是经国家特种设备管理局批准研制的通过引进国外先进技术,经过消化吸收后,采用优化设计而成,具有国内先进水平。
有加减速度曲线圆滑、乘座电梯舒适感好、运行平稳、速度快噪音低、环保节能等优点。
我们的电梯采用日本富士电机公司出产的电梯专用变频器:LEFT型,功率37KW。
控制系统采用32位微机控制,主要控制原器件选用日本富士电机公司(FUJI ERECTRIC)的产品。
轿厢是用板式压制的结构件,强度高、刚性好、美观大方。
而安全件则选用经国家认可的检验所检验为合格的产品,如安全钳、限速器、门锁、缓冲器、上行保护装置等。
设计的ZFTG1600/3.0-JXW(VVVF)乘客电梯特性如下。
1. 该款电梯的最大特点是:节约能原、每年可为用户节省约100天的电费,每台比传统电梯节省30%的电能。
是一款以绿色节能为核心的全电脑模块化控制永磁同步无齿轮电梯。
无齿轮曳引机与有齿轮曳引机的区别在于:有齿轮曳引机的传动的方式是电动机将动力通过齿轮变速箱传动到曳引轮;而无齿轮曳引机则在设计上省略了齿轮变速箱,其传动方式是由电动机直接带动曳引轮,避免了传动过程的机械磨损和能耗。
另一方面和传统的感应电动机相比,永磁电动机无需耗费电能来产生励磁,因而进一步节省了电能。
永磁无齿轮曳引机具有振动小的效果,闭环的门操作系统,开关门动作平稳。
结构合理,体积小巧,重量较轻,降低了电梯对建筑结构的要求,节省了建筑的空间。
先进的技术则代表着更卓越的性能,零件少意味着成本的降低,。
珠江富士在继续秉承其电梯产品安全,可靠和耐用的同时,在产品开发中应用价值工程,降低了电梯系统的成本,并将这一成果回馈给用户。
更高的性价比,给客户带来实实在在的利益。
在社会不断进步的今天“以人为本”的理念熔入产品设计中,产品安全可靠、乘座舒适,门光幕保护以及盲文呼梯按钮大大方便了特殊人群。
WORD文档下载可编辑THJ3000/0.5-JXW载货电梯设计计算书编制审核批准目录1、传动校验计算---------------------------------------------------------------22、曳引钢丝绳强度校验-------------------------------------------------53、承重梁校验-------------------------------------------------------------------54、240型限速器计算------------------------------------------------------85、滑动导靴的强度验算------------------------------------------------96、导轨校核计算------------------------------------------------------------107、轿厢架的设计计算---------------------------------------------------158、绳头组合强度验算---------------------------------------------------209、反绳轮计算-----------------------------------------------------------------211.传动校验计算本计算是以THJ3000/0.5-JXW载货电梯为依据,电梯的主要技术参数为:额定载重量:Q=3000kg;额定速度:V=0.5m/s;根据这二个参数,选择曳引机型号为J1.1J,其减速比为I=75/2=37.5,曳引轮直径为D=760mm,电动机型号为JTD-560,其功率为19kw,电机为6极/24极双速电机,曳引比为2:1,电机额定转速960r/min。
THF5000/0.5-JXW-VVVF目录一井道顶层净高及底坑尺寸二电梯主要参数三传动系统1.电动机功率计算2.曳引机主要参数3.选用校准四曳引绳安全计算五悬挂绳轮直径与绳径比值计算六曳引条件计算七比压计算八正常工况下导轨应力,变形计算九安全钳动作时,导轨应力计算十轿厢架计算十一缓冲的校核十二限速的校核十三安全钳的校核十四轿厢通风面积和轿厢面积计算十五承重大梁的校核十六底坑地板受力的计算一 井道顶层净高及底坑尺寸井道顶层净高4500mm 及底坑尺寸1700mm 缓冲器安全距离200mm ~350mm 取300mm 提升高度4.5m1. 井道顶层空间计算:单位(mm)OH=H+H1+H2+H3+35V2OH=2450+300+175+1000+35x0.52OH=3664<4500mm所以井道顶层净高4500mm 满足要求。
OH-顶层高度 H-轿厢高(2500mm) H1-安全距离(300mm) H2-缓冲距离175mm V-速度(0.5米/秒)H3-轿厢投影部分与井道顶最底部分的水平面之间的自由垂直距离(1000+35V 2mm)2.井道底坑空间计算:单位(mm)P=L1+H1+H2+L3P=650+300+175+500P=1625<1700mm所以井道底坑深度1700mm满足要求。
P-底坑深度 L1-轿底与安全钳拉杆距离(650mm)H1-安全距离(300mm) H2-缓冲距离(175mm)L3-底坑底与轿厢最底部件之间的自由垂直距离(500mm)二电梯的主要参数1.电梯主要技术参数:(1) 额定速度: V=0.5m/s(2) 额定载重量: Q=5000㎏(3) 轿厢自重: G=3500㎏(4) 曳引比: i1=2:1(5) 曳引轮直径: D=Ф760mm(6) 电梯传动总效率: η=0.80(7) 钢丝绳直径‵根数: d.Z=Ф16mmx6(根)(8) 电梯平衡系数: Ψ=0.40~0.5(设0.45)(9) 电梯提升高度: H=4.5m(10) 补偿链直径‵根数: d1.Z=Ф16×1(11) 曳引绳提升高度总重量: G1=q1ZHi1=0.939x6x4.5x2=50.706㎏(12) 平衡补偿链重量: G2= q2ZH=6.65×4.5×1=29.925㎏(13) 电缆重量: G3= q3H=1.02x4.5÷2=2.925㎏(14) 对重重量: W= G+KQ=3500+0.45x5000=5750㎏三、传动系统1.电动机功率的计算N=QV(1-Ψ)/102η式中:N-功率V-曳引轮节径线速度(m/s)Ψ-电梯平衡系数η-电梯机械传动总效率∴N=5000×0.5(1-0.45)/(102×0.80)=16.825Kw 选用电动机功率为22 Kw2.曳引机的主要参数选用宁波欣达产品型号:YJ336A-III曳引机自重:1450㎏主轴最大静态载荷:9000㎏电动机功率:22Kw电动机转速:976r/min曳引轮直径: Ф760mm曳引钢丝绳:6×Ф16 mm减速比:75:23.选用校核(1)主轴最大静载载荷校核Σp=(G+G1+G2+G3+W+Q)/i1Σp=(3500+50.706+0+2.925+5750+5000)/2Σp=7152㎏则Σpk=KΣp=1.1×7152=7867㎏<9000㎏其中:G为轿厢以额定载重量停靠在最低层站时,曳引轮水平面上轿厢一侧的曳引轮的静拉力。
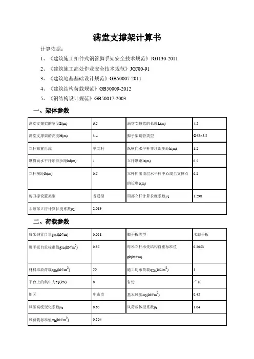
满堂支撑架计算书计算依据:1、《建筑施工扣件式钢管脚手架安全技术规范》JGJ130-20112、《建筑施工高处作业安全技术规范》JGJ80-913、《建筑地基基础设计规范》GB50007-20114、《建筑结构荷载规范》GB50009-20125、《钢结构设计规范》GB50017-2003一、架体参数二、荷载参数三、设计简图搭设示意图:平面图侧立面图四、板底纵向支撑次楞验算次楞增加根数n4 2 材质及类型钢管截面类型(mm) Ф48×3.5次楞抗弯强度设计值f(N/mm2) 205次楞截面惯性矩I(cm4) 12.19 次楞抗剪强度设计值τ(N/mm2) 125次楞截面抵抗矩W(cm3) 5.08 次楞弹性模量E(N/mm2) 206000 次楞自重标准值Nc(kN/m) 0.038 次楞验算方式简支梁G1k=N c=0.038kN/m;G2k= g2k×l b/(n4+1)= 0.35×0.5/(2+1)=0.058kN/m;Q1k= q1k×l b/(n4+1)= 50×0.5/(2+1)=8.333kN/m;Q2k= q2k×l b/(n4+1)= 1×0.5/(2+1)=0.167kN/m;1、强度验算板底支撑钢管按照均布荷载下简支梁计算。
满堂支撑架平台上无集中力q1=1.2×(G1k+G2k)= 1.2×(0.038+0.058)=0.115kN/mq2=1.4×(Q1k+Q2k)= 1.4×(8.333+0.167)=11.9kN/mq=q1+q2=0.115+11.9=12.015kN/m计算简图M max=ql2/8=12.015×0.52/8=0.375kN·mR max=ql/2=12.015×0.5/2=3.004kNV max=0.5q1la +0.5q2la =0.5×0.115×0.5+0.5×11.9×0.5=3.004kNτmax=2V max/A=2×3.004×1000/489=12.286N/mm2≤[τ]=125N/mm2满足要求!σ=M max/W=0.375×106/(5.08×103)=73.819N/mm2≤[f]=205N/mm2满足要求!2、挠度验算满堂支撑架平台上无集中力q'=G1k+G2k+Q1k+Q2k= 0.038+0.058+8.333+0.167=8.596kN/mR'max= q'/2=8.596/2=4.298kNνmax=5q'l4/(384EI)=5×8.596×(0.5×103)4/(384×2.06×105×12.19×104)=0.279mm≤min{500/150,10}=3.333mm满足要求!五、横向主楞验算材质及类型钢管截面类型(mm) Ф48×3.5抗弯强度设计值f(N/mm2) 205 截面惯性矩I(cm4) 12.19主楞抗剪强度设计值τ(N/mm2) 125 主楞截面抵抗矩W(cm3) 5.08主楞弹性模量E(N/mm2) 206000 主楞自重标准值Nz(kN/m) 0.038主楞验算方式简支梁横向支撑钢管按照均布荷载和集中荷载作用下简支梁计算,集中荷载P取板底支撑钢管传递最大支座力。
设计计算书电梯种类:载货电梯;额定载荷:2000Kg;额定速度:0.5米/秒;提升高度:26米;编制:审核:安徽博士电梯有限公司目录第一章曳引条件计算第二章曳引钢丝绳安全系数计算第三章导轨弯曲应力计算第四章轿厢面积及通风面积计算第五章底坑地板受力的计算第六章缓冲器选型计算第七章安全钳的选择第八章限速器用钢丝绳安全系数核算第一章曳引条件计算电梯种类:载货电梯;额定载重量:2000Kg;电梯额定速度:0.5米/秒;提升高度:15米;其它参数:轿箱理论重量:P=1785kg对重理论重量:Mcwt=2785kg钢丝绳的倍率: r=2钢丝绳根数: n=5根钢丝绳每延米重量: q=0.728kg/m钢丝绳直径: d=Ф13mm随行电缆每延米重量:q2=1.02 kg/m轿箱侧与导轨滑动摩擦系数:f1=0.03对重侧与导轨滑动摩擦系数:f2=0.04曳引轮直径: D曳=Ф610mm返绳轮直径: D返=0曳引包角: α=180°曳引轮曳引槽角: γ=30°切口角: β=96.5°D返/ d绳=520/13=40≥40根据GB7588-2003,曳引应满足下列条件:T1/T2≤e fa 用于轿厢装载和紧急制动工况T1/T2≥e fa 用于轿厢滞留工况(对重压在缓冲器上,曳引机向上方旋转)f=4μ(cosγ/2-sinβ/2)/(π-β-γ-sinβ+ sinγ)=0.1946式中:T1/T2——曳引轮两边曳引绳中较大静拉力和较小静拉力之比;f——当量摩擦系数a——钢丝绳在绳轮上的包角a=180°(3.141593)γ——槽的角度值γ=30°β——下部切口角度值β=96.5°μ——摩擦系数装载工况μ=0.1则:e fa=1.679紧急制动工况μ=0.1/(1+ν/10) =0.09524ν——轿厢额定速度下对应的绳速ν=1m/s则:e fa=1.8429轿厢滞留工况μ=0.2则:e fa=2.6048a) 当载有125%额定载荷的轿厢位于最低层站时:(装载工况)T1= (P+1.25Q) g /r+H×q×n×g +f1×(P+1.25Q) ×g/r=(1785+2500) ×9.8/2+15×0.58×5×9.8+0.03×(1785+2500)×9.8/2=22052.7(N)T2=Mcwt×g/r - f2×Mcwt×g/r=2785×9.8/2 -0.04×2785×9.8/2=13100.6(N)T1/T2=1.67≤1.679(装载工况下:e fa=1.679)故:满足曳引条件b) 当载有125%额定载荷的轿厢位于最高层站时:(装载工况)T1= (P+1.25Q+H/2×q2) g /r- f1×(P+1.25Q) ×g/r=(1785+2500+15/2×1.02)×9.8/2-0.03×4285×9.8/2=21033.985-629.895=20404.09(N)T2=Mcwt×g/r+H×q×n×g+ f2×Mcwt×g/r=2785×9.8/2+15×0.57×5×9.8+0.04×2785×9.8/2=14611.31(N)T1/T2=1.396≤1.679 (装载工况下:e fa=1.679)故:满足曳引条件c) 当载有额定载荷的轿厢位于最低层站时的紧急制动:(紧急制动工况)制动减速度a=0.5m/s2导向轮重量m=0kg滑轮重量m=140kg1/2Jω2 =1/2m dp V2J=1/2mR2r=4V=ωRm dp=1/2m=70kgm Pcar=70kgT1= (P+Q)(g+a) /r+ H×q×n×(g+r×a)+ H×q×n×a(r2-2r)/2 +3×m Pcar×2×0.5- f1×(P+Q) ×g/r=(1785+2000)(9.8+0.5)/2+15×0.57×5×(9.8+2×0.5)+15×0.57×5×0.5(22-2×2)/2+3×70×6×0.5- 0.03×(1785+2000) ×9.8/2=19492.75+461.7+0+630-556.4=20028(N)T2= Mcwt (g-a)/r +f2×Mcwt ×g/r-3×m Pcwt×2×0.5=2785×(9.8-0.5)/2+0.04×2785×9.8/2-70×6×0.5=13286(N)T1/T2=1.507≤1.8429 (紧急制动工况下:e fa=1.8429)故:满足曳引条件d) 当空轿厢位于最高层站时的紧急制动:(紧急制动工况)T1= (P+H/2×q2)(g-a) /r +f1×P×g/r-3×m Pcar×2×0.5=(1785+15/2×1.02)×(9.8-0.5)/2+0.03×1785×9.8/2-70×6×0.5=8388.2 (N)T2=Mcwt(g+a)/r+H×q×n×(g+r×a)+H×q×n×a(r2-2r)/2+ m Pcwt×6×0.5-f2×Mcwt ×g/r=2785× (9.8+0.5)/2+15×0.57×5×(9.8+2×0.5)+15×0.57×5×0.5(22-2×2)/2+70×6×0.5-0.04×2785×9.8/2=14342.75+461.7+0+210-545.86=14468.59(N)T2/T1=1.724≤1.8429 (紧急制动工况下:e fa=1.8429)故:满足曳引条件e) 当轿厢空载而对重压在缓冲器上,曳引机向上方旋转时:(轿厢滞留工况)T1= (P +H/2×q2)g /r=(1785+15/2×1.02)×9.8 /2=8783.98(N)T2= H×q×n×g=15×0.57×5×9.8=418.95(N)T1/T2=20.97≥2.6048(轿厢滞留工况下:e fa=2.6048)故:满足曳引条件第二章曳引钢丝绳安全系数计算根据GB7588——2003标准中第九章第二款的规定,对于三根或三根以上钢丝绳的曳引驱动电梯,其悬挂绳的安全系数应不小于12,其中安全系数是指装有额定载荷的轿厢停靠在最低层站时,一根绳的最小破断负荷(N)与这根钢丝绳所受最大力(N)之间的比值。
施工升降机基础计算关于施工升降机基础计算,品茗软件参数界面及计算书:施工升降机计算书本计算书主要依据本工程施工图、施工升降机说明书、《施工升降机》(GB/T 10054-2005),《施工升降机安全规则》(GB10055-2007),《建筑地基基础设计规范》(GB50007-2002),《混凝土结构设计规范》(GB 50010-2002)等编制。
一、参数信息1.施工升降机基本参数施工升降机型号SCD200/200J 吊笼形式双吊笼架设总高度(m) 60 标准节长度(m) 1.51底笼长(m) 4.5 底笼宽(m) 3标准节重(kg) 167 对重重量(kg) 1300单个吊笼重(kg) 1460 吊笼载重(kg) 2000外笼重(kg) 1480 其他配件总重量(kg) 2002.楼板参数基础混凝土强度等级C30 楼板长(m) 4楼板宽(m) 3 楼板厚(m) 0.3梁宽(m) 0.8 梁高(m) 0.3板中底部短向配筋B12@150 板边上部短向配筋B12@150 板中底部长向配筋B12@150 板边上部长向配筋B12@150 梁截面底部纵筋6B25 梁中箍筋配置A6@150 箍筋肢数 23.荷载参数:4.钢管参数:钢管类型Ф48×3.2钢管横距(m) 0.8钢管纵距(m) 0.8 钢管步距(m) 1.5模板支架立杆伸出顶层横向水平杆中0.1心线至模板支撑点的长度(m)二、基础承载计算:导轨架重(共需40节标准节,标准节重167kg):167kg×40=6680kg,施工升降机自重标准值:P k=((1460×2+1480+1300×2+200+6680)+2000×2)×10/1000=178.8kN;施工升降机自重:P=(1.2×(1460×2+1480+1300×2+200+6680)+1.4×2000×2)×10/1000=222.56kN;考虑动载、自重误差及风载对基础的影响,取系数n=2.1P=2.1×P=2.1×222.56=467.38kN三、地下室顶板结构验算验算时不考虑地下室顶板下的钢管的支承作用,施工升降机的全部荷载由混凝土板来承担。
各梁几何特性计算:由右图可得上(下)梁及立梁 对X 轴,Y 轴的惯性矩为:(注:上、下梁采用20a 号槽钢,立梁采用16a 号槽钢,上、下梁各参 数相同)J X 上梁=6.748*10-5m 4 J Y 上梁=3.565*10-5m 4 J X 立梁=1.328*10-5m4J Y 立梁=1.142*10-6m 4对应各梁的抗弯模量如下: W X 上梁= J X 上梁/S max =6.748*10-5/0.1 =6.748*10-4 m 3W Y 上梁= J Y 上梁/S max =3.565*10-5/0.1 =3.565*10-4 m 3W X 立梁= J X 立梁/S max =1.328*10-5/0.0504 =2.635*10-4 m 3W Y 立梁= J Y 立梁/S max =1.142*10-6/0.090 =1.269*10-5 m 3 立梁横截面积A 0=2206mm 2=2.206*10-3m 2旧底图总号底图总号签字日期标记 处数 更改文件号 签 字 日期THJ3000/0.5-JXW 电梯THJ3000/0.5-JXW共 19 页第 9 页2.轿厢架应力计算 a 上梁.对绕绳比为1:2的情况(见右图)最大 最大弯应力)16968210(N 25109.83000)(37902gl Q)(W M 1max =**+=+=最大正应力25.145(MN)10*6.748*20.51*9.8*6790W 2gl Q)(W σ4上梁n 1max ==+=- σmax <[σ]=80 (MP a )(s σ上梁材料屈服强度) b.下梁下梁同样简化为简支梁,计算载荷的的方法可按如下考虑: 1).轿厢自重和额定载荷的5/8均布在下梁上 q=[5/8*(Q+P)]g/l2).平衡链、随行电缆的拉力形成的 集中载荷q 1=2H(λ2+λ3)作用于下梁中部。
M max =ql 2/8+q 1l/4最大正应力:()()()()()MPa 855.8N/m 10855.89.81.51.2182419.80379000364510748.6*221.24q g P Q 645W L W 2M σ2641X O X m ax m ax =*=⎥⎦⎤⎢⎣⎡*+**+*+*=⎥⎦⎤⎢⎣⎡++==- σmax <[σ]=80 (MP a )旧底图总号底图总号签字日期标记处数更改文件号签字日期THJ3000/0.5-JXWTHJ3000/0.5-JXW电梯共19 页第13 页八.导轨验算:1.导轨型号T114截面如右图:2.截面几何特性:J XX=179cm4截面对X-X轴惯性矩J yy=109cm4截面对Y-Y轴惯性矩i XX=2.93cm截面对X-X轴惯性半径i yy=2.29cm截面对Y-X轴惯性半径W XX=29.7cm3截面对X-X轴惯性模量W YY=19.1cm3截面对Y-Y轴惯性模量3.参数及许用应力:轿厢尺寸:宽度B*深度A=2.13*2.76(m)Q=3000 kg额定载荷:P=2350 kg轿厢自重:电缆单位长度重量: 1.2 kg/m (36芯)0.60 kg/m曳引绳单位长度重量:1.40kg/m平衡链单位长度重量:B=2.13m轿厢宽度H=3.78m上下梁导靴间距许允应力[σ]=140Mpa(Q235安全系数n=1.7)旧底图总号按简支梁计算L=2.2m,力作用于梁L/2处。
T H J W2000/0.5-J X W 变频调速(无机房)载货电梯设计计算书波士顿电梯(苏州)有限公司一、电梯的主要参数二、曳引条件的计算三、平衡系数的计算四、限速器的选型计算五、限速器绳的计算(直径、安全系数)六、安全钳的选型(型式、动作所需提拉力、质量范围)七、缓冲器的选型计算(型式、质量范围、行程)八、轿厢上行超速保护装置的选型计算(类型、质量范围)九、曳引机的选型计算(功率、输出扭矩、速度和主轴负荷)十、曳引轮、滑轮节圆直径与钢丝绳直径的比值计算十一、盘车力的计算十二、悬挂绳或链安全系数计算十三、机房地板受力要求,底坑地面受力要求,使用膨胀螺栓时对井道壁的要求,机房井道的其它要求十四、导轨强度和变形计算十五、轿厢和门系统计算说明十六、轿厢面积、通风面积计算十七、轿厢地坎和轿门至井道内表面的距离计算十八、玻璃门和轿壁的计算(安装固定方式、玻璃轿壁上扶手固定方式的图示说明)十九、轿顶护栏设计二十、轿厢护脚板的安装和尺寸图二十一、开锁区域的尺寸说明图示二十二、轿架的受力强度计算和安全系数二十三、井道顶层和底部空间的计算二十四、操作维修区域的空间计算(主机、控制柜、限速器、盘车操作)二十五、无机房电梯的特殊要求计算二十六、工作区域空间设计说明二十七、机械制停装置的设计说明(安装位置和强度校核)二十八、动态测试和救援说明二十九、电气选型计算(变频器的容量,应急电源容量、接触器、主开关、电缆计算)三十、机械防护的设计和说明一、电梯的主要参数额定载重量:Q=2000kg空载轿厢重量:P1=1800kg对重重量:W=2800kg随行电缆重量:P2=150kg额定速度:0.5m/s平衡系数:0.5曳引包角:180°曳引方式:4:1悬挂绳(曳引绳)根数:n=5电动机功率:6.0KW时机转速:n=95.5r/min曳引轮直径:D=400mm随行电缆根数:2根随行电缆单位长度质量:104kg/m提升高度:6100mm轿厢尺寸:1850×2400×2200mm(宽×深×高)限速器型号:OX-187宁波奥德普电梯配件有限公司安全钳型号:SAQ4佛山市南海区永恒电梯配件厂缓冲器型号:轿厢:ZDQ-A-12沈阳祺盛机械有限公司对重:ZDQ-A-13沈阳祺盛机械有限公司钢丝绳规格:10NAT8×19S+FC1370/1770ZS无锡通用导轨:轿厢:T89/B;浙江浩圣电梯导轨有限公司:对重:TK5A;浙江浩圣电梯导轨有限公司二、曳引条件的计算电梯曳引必须满足下列条件:T1/T2×C1×C2≤e fα式中T1/T2轿厢处于125%额定载荷下,轿厢位于最低层站及空载轿厢位于最高层站情况下,曳引轮两边曳引绳中的最大静拉力与最小静拉力之比。
THF5000/0.5-JXW-VVVF
目录
一井道顶层净高及底坑尺寸
二电梯主要参数
三传动系统
1.电动机功率计算
2.曳引机主要参数
3.选用校准
四曳引绳安全计算
五悬挂绳轮直径与绳径比值计算
六曳引条件计算
七比压计算
八正常工况下导轨应力,变形计算
九安全钳动作时,导轨应力计算
十轿厢架计算
十一缓冲的校核
十二限速的校核
十三安全钳的校核
十四轿厢通风面积和轿厢面积计算
十五承重大梁的校核
十六底坑地板受力的计算
一 井道顶层净高及底坑尺寸
井道顶层净高4500mm 及底坑尺寸1700mm 缓冲器安全距离200mm ~350mm 取300mm 提升高度4.5m
1. 井道顶层空间计算:单位(mm)
OH=H+H1+H2+H3+35V
2
OH=2450+300+175+1000+35x0.52
OH=3664<4500mm
所以井道顶层净高4500mm 满足要求。
OH-顶层高度 H-轿厢高(2500mm) H1-安全距离(300mm) H2-缓冲距离175mm V-速度(0.5米/秒)
H3-轿厢投影部分与井道顶最底部分的水平面之间的自由垂直距离(1000+35V 2
mm)。
载货电梯(5000Kg)设计计算书4.5米THF5000/0.5-JXW-VVVF目录一井道顶层净高及底坑尺寸二电梯主要参数三传动系统1.电动机功率计算2.曳引机主要参数3.选用校准四曳引绳安全计算五悬挂绳轮直径与绳径比值计算六曳引条件计算七比压计算八正常工况下导轨应力,变形计算九安全钳动作时,导轨应力计算十轿厢架计算十一缓冲的校核十二限速的校核十三安全钳的校核十四轿厢通风面积和轿厢面积计算十五承重大梁的校核十六底坑地板受力的计算一井道顶层净高及底坑尺寸井道顶层净高4500mm 及底坑尺寸1700mm 缓冲器安全距离200mm ~350mm 取300mm 提升高度4.5m1. 井道顶层空间计算:单位(mm)OH=H+H1+H2+H3+35V2OH=2450+300+175+1000+35x0.52OH=3664<4500mm所以井道顶层净高4500mm 满足要求。
OH-顶层高度 H-轿厢高(2500mm) H1-安全距离(300mm) H2-缓冲距离175mm V-速度(0.5米/秒)H3-轿厢投影部分与井道顶最底部分的水平面之间的自由垂直距离(1000+35V 2mm)2. 井道底坑空间计算:单位(mm)P=L1+H1+H2+L3P=650+300+175+500P=1625<1700mm所以井道底坑深度1700mm满足要求。
P-底坑深度 L1-轿底与安全钳拉杆距离(650mm)H1-安全距离(300mm) H2-缓冲距离(175mm)L3-底坑底与轿厢最底部件之间的自由垂直距离(500mm) 二电梯的主要参数1.电梯主要技术参数:(1) 额定速度: V=0.5m/s(2) 额定载重量: Q=5000㎏(3) 轿厢自重: G=3500㎏(4) 曳引比: i1=2:1(5) 曳引轮直径: D=Ф760mm(6) 电梯传动总效率: η=0.80(7) 钢丝绳直径‵根数: d.Z=Ф16mmx6(根)(8) 电梯平衡系数: Ψ=0.40~0.5(设0.45)(9) 电梯提升高度: H=4.5m(10) 补偿链直径‵根数: d1.Z=Ф16×1(11) 曳引绳提升高度总重量: G1=q1ZHi1=0.939x6x4.5x2=50.706㎏(12) 平衡补偿链重量: G2= q2ZH=6.65×4.5×1=29.925㎏(13) 电缆重量: G3= q3H=1.02x4.5÷2=2.925㎏(14) 对重重量: W= G+KQ=3500+0.45x5000=5750㎏三、传动系统1.电动机功率的计算N=QV(1-Ψ)/102η式中:N-功率V-曳引轮节径线速度(m/s)Ψ-电梯平衡系数η-电梯机械传动总效率∴N=5000×0.5(1-0.45)/(102×0.80)=16.825Kw 选用电动机功率为22 Kw2.曳引机的主要参数选用宁波欣达产品型号:YJ336A-III曳引机自重:1450㎏主轴最大静态载荷:9000㎏电动机功率:22Kw电动机转速:976r/min曳引轮直径: Ф760mm曳引钢丝绳:6×Ф16 mm减速比:75:23.选用校核(1)主轴最大静载载荷校核Σp=(G+G1+G2+G3+W+Q)/i1Σp=(3500+50.706+0+2.925+5750+5000)/2Σp=7152㎏则Σpk=KΣp=1.1×7152=7867㎏<9000㎏其中:G为轿厢以额定载重量停靠在最低层站时,曳引轮水平面上轿厢一侧的曳引轮的静拉力。
施工升降机计算书一、人货电梯基本信息:1.施工升降机基本参数施工升降机型号:SC200/200;吊笼形式:双吊笼;架设总高度:60m;标准节长度:1.5m;导轨架截面长:0.9m;导轨架截面宽:0.6m;标准节重:167kg;对重重量:0kg;单个吊笼重: 1460kg;吊笼载重:2000kg;外笼重:1480kg;其他配件总重量:200kg;2.地基参数承台下地基土类型:3:7灰土夯实;地基土承载力设计值:150kPa;地基承载力折减系数:0.4;3.基础参数基础混凝土强度等级:C35;承台底部长向钢筋:Ф12@200;承台底部短向钢筋:Ф12@200;钢材型号:HRB400;基础高度h:0.3 m;基础长度l:4.4 m;基础宽度b:3.8 m;二、基础承载计算:1、设备基本参数施工升降机型号:SC200/200,架设高度:60m,标准节高度:1.5m,外笼重:1480kg,吊笼重:1460kg×2=2920kg,对重重量:0kg×2=0kg,吊笼载重量:2000kg×2=4000kg,导轨架重(共需40节标准节,标准节重167kg):167kg×40=6680kg,其他配件总重量:200kg,2、荷载计算P k=(2920.00+1480.00+0.00+4000.00+6680.00+200.00)×10/1000=152.80kN 考虑动载、自重误差及风载对基础的影响,取系数n=2.1P=2.1×152.80=320.88kN三、地基承载力验算G k=25×4.40×3.80×0.30=125.40kN承台自重设计值 G=125.40×1.2=150.48kN作用在地基上的竖向力设计值F=320.88+150.48=471.36kN基础下地基土为3:7灰土夯实,地基承载力设计值为150kPa。
2T货梯设计计算书目录1. 技术参数及说明...... (1)2. 传动系统分析 (1)3. 结构分析 (7)4. 外购件选型计算 (19)5. 电气系统 (22)6. 参考文献 (24)1、技术参数及说明1.1 计算说明本计算书对总体设计和本企业自行设计的部件进行设计计算分析。
凡选用的外购件仅作选型计算,校核其是否满足要求,不作详细分析。
1.2 主要技术性能参数额定载重量:Q 0 = 2000kg额定速度:V 0 = 0.5 m/s曳引比:i1 = 2:1轿厢外尺寸:2270×2450mm轿厢内尺寸:2200×2240mm轿厢侧总质量:G = 1800kg平衡系数:K = 0.45对重质量:W = 2700kg钢丝绳:5×Φ13,线密度g 1 = 0.60 kg/m,提升高度13.5m其余参数见TH2000A电梯总体布置图。
2、传动系统分析2.1 曳引功率计算:曳引机功率应大于或等于:N= (1-K)Q。
V。
/102Ση (1)式中,平衡系数:K=0.45传动总效率:∑η= 0.55将上述数据代入(1)式N = (1-0.45)×2000×0.5/(102×0.55)= 9.80 kW2.2 曳引机选型(1)已知,传动功率N = 11kW,V 0 = 0.5 m/s选用南洋电梯机械厂生产型号为YJVF10-1的交流变频调速曳引机,有关技术参数如下:功率:N 0 = 11kW转速:n 0 = 920 r·p·m减速比:i 2 = 59:2曳引轮节径:D = 590mm采用钢丝绳:5×Φ13曳引速度:V 0 = 0.5 m/s槽形角:β = 100°(曳引轮上的带切口的绳槽的切口角)2.3 曳引速度验算:实际曳引速度:V = π*D*n o60i1*i2 (2)将YJVF10-1曳引机有关参数代入(2)式:v = π×0.75×92060×2(75/2)=0.481 m/s根据GB10058-1997《电梯技术条件》中,第3.3.1条款的要求,电源为额定电压等条件情况下,运行速度不得大于额定速度的105%,且不小于额定速度的92%VV0= 0.4810.5 =0.962= 96.2%满足GB10058-1997要求。
各梁几何特性计算:
由右图可得上(下)梁及立梁 对X 轴,Y 轴的惯性矩为:
(注:上、下梁采用20a 号槽钢,立梁
采用16a 号槽钢,上、下梁各参 数相同)
J X 上梁=6.748*10-5m 4 J Y 上梁=3.565*10-5m 4 J X 立梁=1.328*10-5
m
4
J Y 立梁=1.142*10-6m 4
对应各梁的抗弯模量如下: W X 上梁= J X 上梁/S max =6.748*10-5/0.1 =6.748*10-4 m 3
W Y 上梁= J Y 上梁/S max =3.565*10-5/0.1 =3.565*10-4 m 3
W X 立梁= J X 立梁/S max =1.328*10-5/0.0504 =2.635*10-4 m 3
W Y 立梁= J Y 立梁/S max =1.142*10-6/0.090 =1.269*10-5 m 3 立梁横截面积
A 0=2206mm 2=2.206*10-3m 2
旧底图总号
底图总号
签
字
日期
标记 处数 更改文件号 签 字 日期
THJ3000/0.5-JXW 电梯
THJ3000/0.5-JXW
共 19 页
第 9 页
2.轿厢架应力计算 a 上梁.
对绕绳比为1:2的情况(见右图)最大 最大弯应力
)16968210(N 2
510
9.83000)(37902gl Q)(W M 1max =**+=
+=
最大正应力
25.145(MN)10
*6.748*20.51
*9.8*6790W 2gl Q)(W σ4
上梁n 1max ==+=
- σmax <[σ]=80 (MP a )(s σ上梁材料屈服强度) b.下梁
下梁同样简化为简支梁,计算载荷的的方法可按如下考虑: 1).轿厢自重和额定载荷的5/8均布在下梁上 q=[5/8*(Q+P)]g/l
2).平衡链、随行电缆的拉力形成的 集中载荷q 1=2H(λ2+λ3)作用于下梁中部。
M max =ql 2/8+q 1l/4
最大正应力:
()()()()
()
MPa 855.8N/m 10855.89.81.51.2182419.80379000364510748.6*221.24q g P Q 645
W L W 2M σ2641X O X m ax m ax =*=⎥⎦⎤
⎢⎣⎡*+**+*+*=⎥⎦⎤⎢
⎣⎡++==
- 旧底图总号
底图总号
日期
标记处数更改文件号签字日期
THJ3000/0.5-JXW
THJ3000/0.5-JXW电梯
共19 页第13 页
八.导轨验算:
1.导轨型号T114截面如右图:
2.截面几何特性:
J XX=179cm4
截面对X-X轴惯性矩
J yy=109cm4
截面对Y-Y轴惯性矩
i XX=2.93cm
截面对X-X轴惯性半径
i yy=2.29cm
截面对Y-X轴惯性半径
W XX=29.7cm3
截面对X-X轴惯性模量
W YY=19.1cm3
截面对Y-Y轴惯性模量
3.参数及许用应力:
轿厢尺寸:宽度B*深度A=2.13*2.76(m)
Q=3000 kg
额定载荷:
P=2350 kg
轿厢自重:
电缆单位长度重量: 1.2 kg/m (36芯)
0.60 kg/m
曳引绳单位长度重量:
1.40kg/m
平衡链单位长度重量:
B=2.13m
轿厢宽度
H=3.78m
上下梁导靴间距
许允应力[σ]=140Mpa(Q235安全系数n=1.7)
旧底图总号
按简支梁计算L=2.2m,力作用于梁L/2处。
最大弯矩:
1518.64
2.2
2761.14L F M 1Xmax =⋅=⋅=
(Nm) 1311.84
2.2
2385.14L F M /2Ymax =⋅=⋅= (Nm)
最大弯应力:
51.1310
29.71518.6W M σ6
XX Xmax Xmax =⋅==
- (MP a ) 68.681019.11311.8
W M σ6
YY Ymax Ymax =⋅==-(MP a )
合成弯曲应力:
62.8568.6851.13σσσ2
22Ymax 2Xmax max =+=+=(MP a )
[]140σσm ax =≤(MP a )
计算挠度,导轨最大变形在L/2处。
旧底图总号
底图总号
签
字
日
期
标记 处数 更改文件号 签 字 日期
THJ3000/0.5-JXW 电梯
THJ3000/0.5-JXW
共 19 页
第15 页
1.62917910
2.1482202761.148EJ L F y 63
X 311max =⋅⋅⋅⋅=⋅=(mm )
2.311109
102.1482202385.148EJ L F y 6
3
Y 3/22max /
=⋅⋅⋅⋅=⋅=(mm ) 827.2311.2629.1y y y 22/2
2max 21max max =+=+=(mm)
[]3y y max =≤(mm ) 结论:安全。
b.安全钳紧急制动工况:
选用瞬时式安全钳(楔块),取减加速度a=4.0g 。
最大制动力F 制=(P+Q)(a+g)/=(2350+3000)*5*9.8=262.16*103N
由于载荷偏心和安全钳的不同步,两导轨的载荷按5/8F 制和3/8F 制分配。
最大力 ()N 1085.1631016.2628
5F 85F 3
3制
R *=*== 08.5793
.2202i L λxx ===
取ω=1.48
()a 43R MP 32.4510
85.2048
.1*10*85.631*σ=*==-ωA F σ<[σ]=140MP a
结论:安全。
旧底图总号
九.电气控制系统主要功率部件选型: 1.电抗器:
根据曳引电机额定电流(34.6A),选取KH01型电抗器(锡山玉祁起重电器厂) 主要技术参数:
输入电源: 3相/AC380V/50H Z 额定电流:
I=35A
2.断路器的选用:
主回路:I 断=1.5I=1.5*34.6=51.9 (A) 选用DZ47-60/3P-60A 变压器回路:I 控=1000/380=2.6(A) 选用DZ47-60/3P-5A 交、直流控回路:选用DZ47-60/1P-5A 3.接触器:
用AC3工况选择如下型号:
LC1D5011(施耐德) 额定电流50A(400V 级) 4.控制变压器、轿顶和底坑照明变压器:
控制变压器BY1:
()()()()
w 6.85385.0/524.541011.52201.2/1.2P 2
2
2
2
242
1102
220=*+*+*=++=η
P P P
旧底图总号
底图总号
签
字
日
期
十.井道顶层和底坑空间计算:
轿厢、对重、缓冲器参数:
轿厢地坪至轿顶高度h 1: 2234mm 轿厢地坪至上梁高度h 2: 3254mm 轿厢地坪至上梁导靴高度h 3: 3530mm 轿厢地坪至轿厢底高度l 1: 86mm 轿厢地坪至下梁高度l 2: 286 mm 轿厢地坪至下梁安全钳高度l 3: 466mm 轿厢下梁至缓冲器距离s 1: 150mm 轿厢缓冲器压缩行程s 2: 280mm 对重底面至缓冲器距t 1: 220mm 对重缓冲器压缩行程t 2:
280mm
1. 井道高度计算:
当对重装置处于完全压缩缓冲器位置时: a.轿顶容站人的最小顶层高度:
h min =h 1+t 1+t 2+1+0.035v 2
=2.234+0.22+0.28+1+0.035*0.52 =3.743(m)
选取顶层高度h=4.5(m)
b.井道顶的最低部件与固定在轿顶上的 最高部件的距离: h-(h 3+ t 1+t 2)≥0.3+0.035v 2
旧底图总号
底图总号
签
字。