楼梯计算书
- 格式:docx
- 大小:127.06 KB
- 文档页数:4
1#、2#、3#楼梯AT4梯板计算书一、基本参数1、几何参数楼梯类型:AT斜梯段板水平长度 L1 = 3920 mm梯段板高度 H = 2250 mm梯板厚度 t = 160 mm梯板两端搁置梁宽 b1 = 250 mm b2 = 250 mm踏步数 n = 15 踏步宽 b = 280 mm 踏步高 h = 150 mm左端支座:铰支右端支座:弹性系数 0.60( 转动弹性系数,取值在0~1之间,取0表示铰支,取1表示固支 )2、荷载参数栏杆重 q1 = 0.20 kN/m2面层重 q2 = 1.50 kN/m2活荷载 q3 = 3.50 kN/m2活载准永久值系数 0.403、材料参数混凝土等级:C30 钢筋等级:HRB400钢筋保护层厚 c = 15 mm梯板受力筋合力点至边缘距离 a s = c + 10 = 25 mm二、内力计算 (按1m宽梯板计算)1、几何参数计算计算长度 L0 = b1/2 + L1 +b2/2 = 4.170 m梯段板与水平方向夹角余弦值 cosα = 0.8812、荷载计算梯段板恒载:恒载标准值 = 栏杆重 + 面层重x(1+h/b) + 板底粉刷+ 梯板重 + 踏步重= 0.20 + 1.50x(1+150/280) + 20x0.02/cosα + 25x0.160/cosα + 25x0.150/2三、配筋计算1、左端支座处面筋计算弯矩设计值: 0.0 kN·m实际配筋 D 10 @ 150ρmin = Max( 0.15 , 45 x f t / f y) = 0.179 %构造所需最小配筋面积 A s = 286.0 mm2实际配筋面积 = 523.6 mm2,满足 !2、右端支座处面筋计算弯矩设计值: 21.1 kN·m实际配筋 D 10 @ 150h0 = 135 mmβ1 = 0.80 mmα1 = 1.00ξb = β1 / (1 + f y / 0.0033 / E s) = 0.518ρmin = Max( 0.15 , 45 x f t / f y) = 0.179 %ρmax = ξb x α1 x f c / f y = 2.056 %αs = M /α1/f c/b/h02 = 0.081γs = ( 1 + sqrt( 1 - 2αs ) ) / 2 = 0.958A s0 = M / γs / f y / h0 = 452.3 mm2A s,min = ρmin x b x h = 286.0 mm2计算配筋面积 A s = Max( A s,min , A s0 ) = 452.3 mm2实际配筋面积 = 523.6 mm2,满足 !3、板底配筋计算弯矩设计值: 25.3 kN·m实际配筋 D 12 @ 100h0 = 135 mmβ1 = 0.80 mmα1 = 1.00ξb = β1 / (1 + f y / 0.0033 / E s) = 0.518ρmin = Max( 0.15 , 45 x f t / f y) = 0.179 %ρmax = ξb x α1 x f c / f y = 2.056 %αs = M /α1/f c/b/h02 = 0.097γs = ( 1 + sqrt( 1 - 2αs ) ) / 2 = 0.949A s0 = M / γs / f y / h0 = 547.9 mm2A s,min = ρmin x b x h = 286.0 mm2计算配筋面积 A s = Max( A s,min , A s0 ) = 547.9 mm2实际配筋面积 = 1131.0 mm2,满足 !四、裂缝验算1、右端支座处最大裂缝宽度计算弯矩准永久值: 14.0 kN·mA s = 523.6 mm2A te = 80000.0 mm2ρte = A s/A te = 0.007 取ρte = 0.010v = 1.0d eq = 10.00 mmh0 = 140 mmσs = M q/(0.87*h0*A s) = 220.25 MPaf tk = 2.01 MPaψ= 1.1-0.65*f tk/ρte/σsk = 0.507c = 15 mm < 20 mm 取 c = 20 mmαcr = 1.9ωmax = αcr*ψ*σs*(1.9*c+0.08*d eq/ρte)/Es = 0.13 mm ≤ 0.3 mm 满足 !2、板底最大裂缝宽度计算弯矩准永久值: 16.9 kN·mA s = 1131.0 mm2A te = 80000.0 mm2ρte = A s/A te = 0.014v = 1.0d eq = 12.00 mmh0 = 139 mmσs = M q/(0.87*h0*A s) = 123.24 MPaf tk = 2.01 MPaψ= 1.1-0.65*f tk/ρte/σsk = 0.350c = 15 mm < 20 mm 取 c = 20 mmαcr = 1.9ωmax = αcr*ψ*σs*(1.9*c+0.08*d eq/ρte)/Es = 0.04 mm ≤ 0.3 mm 满足 !计算短期刚度 B s :σs = M q / 0.87h0A s (混凝土规范7.1.4-3)= 16855337 / ( 0.87 * 135 *1131 )= 126.9 MPaρte = A s / A te = A s / 0.5bh (混凝土规范7.1.2-4)= 1131 / ( 0.5 * 1000 *160 ) = 0.014ψ = 1.1 - 0.65f tk / ρteσs (混凝土规范7.1.2-2)= 1.1 - 0.65 * 2.01 / ( 0.014 *126.9 ) = 0.372αE = E s / E c = 6.67ρ = A s / bh0 = 0.008B s = E s A s h02 / ( 1.15ψ + 0.2 + 6αEρ ) (混凝土规范7.2.3-1)= 200000 * 1131 * 1352 / ( 1.15 * 0.37 + 0.2 + 6 * 6.67 *0.008 ) = 4282791792560 N·m2计算长期刚度 B :ρ' = A s' / bh0 = 524 / ( 1000 * 135 ) = 0.004根据混凝土规范7.2.5得影响系数θ = 1.81长期刚度 B = B s / θ = 2359905681615 N·m2弹性刚度 EI = 30000 x 341333333 = 10240000000000 N·mm2根据矩阵位移法计算结果,最大弹性挠度为 3.03 mm ( 距左端1.88 m处)长期挠度 = 弹性挠度 * 弹性刚度EI / 长期刚度B = 13.14 mm挠跨比 = 1 / 317 ≤ 1 / 200,满足 !。
第五部分:承台配筋5.1单桩及二桩以上承台配筋说明本工程涉及到的单桩及二桩以上(四桩)承台厚度以及配筋均以构造要求为准,混凝土强度等级为C30,保护层厚度取到30mm,其他具体信息详见结施-045.2二桩承台——深受弯构件配筋本工程涉及到的二桩承台的混凝土强度等级为C30,保护层厚度取到30mm,配筋信息参照《2004浙G24_图集_钢筋混凝土圆桩承台》→CTn2G-XX选用表(C30混凝土,φ600圆桩)→CTn2G-19和CTn2G-20两者之间的信息进行折中选取。
有关于二桩承台的具体配筋信息详见结施-04。
第六部分:楼梯设计6.1楼梯梯段斜板设计斜板跨度可按净跨计算。
对斜板取1m 宽作为其计算单元。
6.1.1确定斜板厚度t斜板的水平投影净长12700n l mm = 斜板的斜板向净长:12270027003020()300cos 0.894nn l l mm a====斜板的厚度:21111(~)(~)3020100~120()25302530n t l x mm ===取t=100mm6.1.2荷载计算(楼梯梯段斜板)6.1.3荷载效应组合由可变荷载效应控制的组合1 1.27.0 1.4 2.011.20(/)p x x kN m =+=由永久荷载效应控制的组合2 1.357.0 1.40.7 2.011.41(/)p x x x kN m =+=>1p所以选由永久荷载效应控制的组合进行计算,取11.41(/)p kN m =斜板的内力一般只需计算跨中最大的弯距即可,考虑到斜板两端均与梁整浇,对板的约束作用,取跨中最大的弯距211.412.78.32(.)10x M kN m == 6.1.5 配筋计算0622106201002080()8.32100.1091.011.91000800.5(10.5(10.9428.3210368()3000.94280s c s S y s h mm M x a a f bh x x x r M x A mm f r h x x =-=====+=+====选用受力钢筋 10@180(2435S A mm =) 分布钢筋8@200φ其它楼梯的算法同上,具体配筋结构详见结施-13。
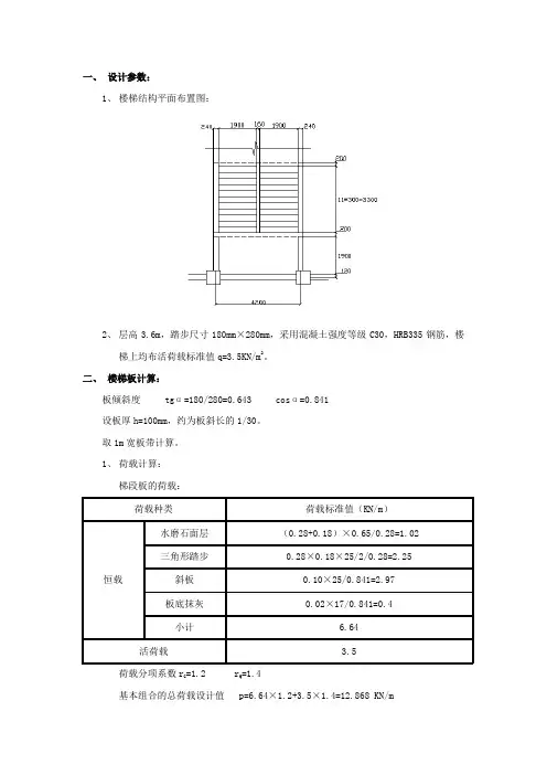
一、设计参数:1、楼梯结构平面布置图:2、层高3.6m,踏步尺寸180mm×280mm,采用混凝土强度等级C30,HRB335钢筋,楼梯上均布活荷载标准值q=3.5KN/m2。
二、楼梯板计算:板倾斜度 tgα=180/280=0.643 cosα=0.841设板厚h=100mm,约为板斜长的1/30。
取1m宽板带计算。
1、荷载计算:梯段板的荷载:荷载分项系数r G=1.2 r Q=1.4基本组合的总荷载设计值 p=6.64×1.2+3.5×1.4=12.868 KN/m2、截面设计:板水平计算跨度l n=3.0m弯矩设计值 M=pl n2/10=12.868×3.02/10=11.58 KN·mh0=100-20=80 mmαs=M/(f c bh02)=11.58×106/14.3/1000/802=0.127r s=(1+√1-2αs )/2= 0.932A s=M /(r s f y h0)=11.58×106/0.932/300/80=517.7 mm2分布筋Φ8,每级踏步下一根。
三、平台板计算:设平台板厚h=100mm,取1m宽板带计算。
1、荷载计算:平台板的荷载:荷载分项系数r G=1.2 r Q=1.4基本组合的总荷载设计值 p=3.49×1.2+1.4×3.5=9.09 KN/m2、截面设计:板的计算跨度l0=1.8-0.2/2+0.12/2=1.76 m弯矩设计值 M=pl02/10=9.09×1.762/10=2.82 KN·mh0=100-20=80 mmαs=M/(f c bh02)=2.82×106/14.3/1000/802=0.031r s=0.984A s=M /(r s f y h0)=2.82×106/0.984/300/80=119.41 mm2分布筋Φ6,每级踏步下一根。
板式楼梯计算书项目名称_____________构件编号_____________日期_____________ 设计_____________校对_____________审核_____________一、设计示意图二、基本资料1.设计规范《建筑结构荷载规范》(GB50009—2001)《混凝土结构设计规范》(GB50010—2002)2.几何参数楼梯类型: 板式C型楼梯( / ̄)约束条件: 两端简支斜梯段水平投影长度: L1 = 3000 mm楼梯上部平台水平段长度: L2 = 1800 mm梯段净跨: L n = L1 + L2 = 3000 + 1800 = 4800 mm楼梯高度: H = 1800 mm 楼梯宽度: W = 1600 mm踏步高度: h = 163 mm 踏步宽度: b = 300 mm楼梯级数: n = 11(级)梯段板厚: C = 180 mm面层厚度: C2 = 30 mm上部平台梯梁宽度: b1 = 240 mm下部平台梯梁宽度: b2 = 240 mm3.荷载参数楼梯混凝土容重: γb = 26.00 kN/m3楼梯面层容重: γc1 = 26.00 kN/m3楼梯栏杆自重: q f = 1.00 kN/m楼梯均布活荷载标准值: q = 3.50 kN/m2可变荷载组合值系数: ψc = 0.70可变荷载准永久值系数: ψq = 0.404.材料参数混凝土强度等级: C30混凝土抗压强度设计值: f c = 14.30 N/mm2混凝土抗拉强度标准值: f tk = 2.01 N/mm2混凝土抗拉强度设计值: f t= 1.43 N/mm2混凝土弹性模量: E c = 3.00 × 104 N/mm2钢筋强度等级: HRB400(20MnSiV、20MnSiNb、20MnTi) f y = 360.00 N/mm2钢筋弹性模量: E s = 200000 N/mm2受拉纵筋合力点到斜梯段板底边的距离: a s = 15 mm三、荷载计算过程1.楼梯几何参数梯段板与水平方向夹角余弦值: cosα = = 0.88斜梯段的计算跨度: L0 = Min{L n + (b1 + b2)/2,1.05L n} = Min{4800 + (240 + 240) / 2,1.05 × 4800} = Min{5040,5040} = 5040 mm梯段板的平均厚度: T = (h + C / cosα × 2) / 2 = (163 + 180 / 0.88 × 2) / 2= 286 mm2.荷载设计值2.1 均布恒载标准值2.1.1 L1段梯板自重gk1' = γb ×T / 1000 = 26.00 × 286 / 1000 = 7.45 kN/m2gk1 = gk1' ×L1 / L n = 7.45 × 3000 / 4800 = 4.65 kN/m22.1.2 L2段梯板自重gk2' = γb ×C / 1000 = 26.00 × 180 / 1000 = 4.68 kN/m2gk2 = gk2' ×L2 / L n = 4.68 × 1800 / 4800 = 1.75 kN/m22.1.3 L1段梯板面层自重gk3' = γc1 ×C2 × (H + L1) / L1 / 1000 = 26.00 × 30 × (1800 + 3000) / 3000 / 1000 = 1.25 kN/m2gk3 = gk3' ×L1 / L n = 1.25 × 3000 / 4800 = 0.78 kN/m22.1.4 L2段梯板面层自重gk4' = γc1 ×C2 / 1000 = 26.00 × 30 / 1000 = 0.78 kN/m2gk4 = gk4' ×L2 / L n = 0.78 × 1800 / 4800 = 0.29 kN/m22.1.5 将栏杆自重由线荷载折算成面荷载gk6 = q f / W × 1000 = 1.00 / 1600 × 1000 = 0.63 kN/m2永久荷载标准值gk = gk1 + gk2 + gk3 + gk4 + gk6 = 4.65 + 1.75 + 0.78 + 0.29 + 0.63 = 8.11 kN/m22.2 均布荷载设计值由活荷载控制的梯段斜板荷载设计值: p L = 1.2gk + 1.4q = 1.2 × 8.11 + 1.4 × 3.50 = 14.63 kN/m2由恒荷载控制的梯段斜板荷载设计值: p D = 1.35gk + 1.4ψc q = 1.35 × 8.11+ 1.4 × 0.70 × 3.50 = 14.37 kN/m2最不利的梯段斜板荷载设计值: p = Max{p L,p D} = Max{14.63,14.37}= 14.63 kN/m2四、正截面承载能力计算1.斜梯段配筋计算h0 = T - a s = 180 - 15 = 165 mm跨中最大弯矩, M max = × 10-6= 46.44 kN·m1) 相对界限受压区高度ξbεcu = 0.0033 - (f cu,k - 50) × 10-5 = 0.0033 - (30 - 50) × 10-5 = 0.0035 > 0.0033取εcu = 0.0033按规范公式(7.1.4-1)ξb =2) 受压区高度x按规范公式(7.2.1-1), = 0, = 0M< ξb h0 = 0.52 × 165 = 85.41mm, 按计算不需要配置受压钢筋3) 受拉钢筋截面积A s按规范公式(7.2.1-2)α1f c bx = f y A s得A s = = 835mm24) 验算配筋率0.46% < ρmax = 2.06% 不超筋ρmin = 0.200% < ρ满足最小配筋率要求梯段中间截面实际配置受拉钢筋为C16@100, 每米宽板实际配筋面积为2011mm2五、斜截面承载能力验算V = 0.5pL0 = 0.5 × 14.63 × 5040 / 1000 = 36.9 kN1) 复核截面条件按规范公式(7.5.1)0.25βc f c bh0 = 0.25 × 1.00 × 14.30 × 1000 × 140 = 500.5 × 103 NV = 36.9 kN < 500.5 kN, 截面尺寸满足要求2) 验算构造配筋条件按规范公式(7.5.7-2) 取λ = 3= = 87.6 × 103 N > V = 36.9kN斜截面承载力满足要求六、跨中挠度验算1.荷载效应的标准组合值p k = gk + q = 8.11 + 3.50 = 11.61 kN/mM k = × 10-6= 36.85 kN·m2.荷载效应的准永久组合值p q = gk + ψq q = 8.11 + 0.40 × 3.50 = 9.51 kN/mM q = × 10-6= 30.18 kN·m3.挠度验算1) 裂缝间纵向受拉钢筋应变不均匀系数ψ:由规范公式(8.1.3-3), 纵向受拉钢筋的应力: σsk == = 127.68 N/mm2对矩形截面受弯构件, 有效受拉混凝土截面面积: A te = 0.5bh= 0.5 × 1000 × 180 = 90000 mm2按规范公式(8.1.2-4)计算纵向钢筋配筋率: ρte == 22.3402 × 10-3混凝土抗拉强度标准值: f tk = 2.01 N/mm2按规范公式(8.1.2-2), ψ = 1.1 - 0.65= 0.642) 钢筋弹性模量和混凝土弹性模量的比值: αEαE = = 6.673) 受压翼缘面积与腹板有效面积的比值: γf'对于矩形截面, γf' = 0.004) 纵向受拉钢筋配筋率: ρρ = = 0.0121865) 受弯构件的短期刚度: B s由规范公式(8.2.3-1), B s == = 7679.09 kN·m26) 考虑荷载长期效应组合对挠度增大的影响系数: θ根据混凝土结构设计规范8.2.5条规定:ρ' = 0, 取θ = 2.007) 受弯构件的长期刚度: B根据规范公式(8.2.2), 可得B == = 4221.47 kN·m28) 跨中挠度: ff = = 23.10 mm9) 容许挠度:因计算跨度L0小于7000mm, 所以容许挠度[L0] = = 25.00 mm跨中最大挠度小于容许挠度, 满足要求。
楼梯钢筋计算书编号:一、荷载和受力计算1、楼梯计算简图如下:2、计算公式如下:hh=dd+A/TLq=1.2×(q装修+25×hh)/cosθ+1.4×q活q=1.35×(q装修+25×hh)/cosθ+1.4×0.7×q活其中hh:楼梯梯板在不同受力段取不同的值,上图所示取楼梯梯板折算高度。
在楼梯折板处取梯板厚度;在平台处取平台厚度;在楼板处取楼板厚度。
3、荷载计算参数(单位:kg/m):装修荷载:Qz=1.00;活 载:Qh=2.00;恒载分项系数:1.2,1.35;活载分项系数:1.4,1.4×0.7;梯板负筋折减系数:(ZJXS)=0.8.4、各跑荷载及内力计算及示意图:第1标准层第1跑Qb = 10.529 Qbt= 7.600Qp = 7.600 Qw = 7.600360010.529360017.054第1标准层第2跑Qb = 9.783 Qbt= 7.600Qp = 7.600 Qw = 7.60036009.7829360015.847其中:Qb ——梯板均布荷载;Qbt——梯板弯折段均布荷载;Qp ——平台均布荷载;Qw ——楼面均布荷载;二、配筋面积计算1、计算结果如下表所示:标准层号跑数Asbd Asbf Aspd Aspf 119.418.030.000.00 128.9211.280.000.00表中:Asbd——楼梯板底筋,按两端简支求出Max,根据Max配筋;Asbf——楼梯板负筋,梯板负筋弯矩取Max×ZJXS,根据该值配筋;Aspd——平台板底筋,楼梯平台如果两边都有支撑,按四边简支板计算,采用分离式配筋; Aspf——平台板负筋。
三、配筋结果1、配筋措施1)保护层厚度楼梯梁保护层厚度:30mm楼梯板及平台板保护层厚度:15mm2)受力钢筋最小直径楼梯板受力钢筋直径 >= 8mm休息平台受力钢筋 >= 6mm楼梯梁受力钢筋 >= 14mm3)受力钢筋最小间距:100mm4)非受力分布钢筋受力钢筋 <= 8mm时,取6@300受力钢筋 =12mm或14mm时,取6@250受力钢筋 >=14mm时,取8@2505)楼梯板分布筋每踏步至少:16mm2、各跑实际配筋结果1)楼梯和平台配筋结果:标准层号跑数梯板底筋梯板分布筋梯板负筋平台底筋平台负筋11B12@100B8@200B12@130B10@130B8@20012B12@100B8@200B12@100B0@0B0@02)梯梁配筋结果:标准层号跑数梯梁1顶纵筋梯梁1底纵筋梯梁1箍筋梯梁2顶纵筋梯梁2底纵筋梯梁2箍筋113B252B25B8@20000000@0122B252B25B8@2000B00B0B0@0版本号:20031022校对:审核:审定:设计:设计单位:日期:2014年05月23日。
天汉园楼梯计算书1#楼梯一、梯板计算TB—1板厚取120mm斜板倾斜度:cosα=260/(2602+1502) 0.5=0.866,混凝土等级为C30,f c=14.3N/mm2取1m宽斜板带计算面层:(0.260+0.150)×1.0/0.260=1.57kN/m三角形踏步:0.5×0.26×0.150×25/0.260=1.875kN/m斜板: 0.12×25/0.866=3.464kN/m板底抹灰: 0.02×20/0.866=0.462kN/m总计:7.371kN/m活载: 3.5 kN/m荷载设计值:P=1.35×7.37+1.4×3.5=14.85 kN/m斜板的水平计算跨度:l=2.070m弯矩设计值:M=Pl2/8=14.57×2.072/8=7.8 kN·m2h0=120-20=100mmαs=M/(f c b h02)=7.8×106/(14.3×1000×1002)=0.054γ=〔1+(1-2×αs)0.5〕/2=(1+(1-2×0.054)0.5)/2=0.972As=M/(γf y h0)=7.80×106/(0.972×210×100)=382mm2选φ12@200 As=565mm2,满足最小配筋率。
TB—2板厚取120mm斜板倾斜度:cosα=260/(2602+1502) 0.5=0.866,混凝土等级为C30,f c=14.3N/mm2取1m宽斜板带计算面层:(0.260+0.150)×1.0/0.260=1.57kN/m三角形踏步:0.5×0.26×0.150×25/0.260=1.875kN/m斜板: 0.12×25/0.866=3.464kN/m板底抹灰: 0.02×20/0.866=0.462kN/m总计:7.371kN/m活载: 3.5 kN/m荷载设计值:P=1.35×7.37+1.4×3.5=14.85 kN/m斜板的水平计算跨度:l=3.82m弯矩设计值:M=Pl2/8=14.57×3.822/8=26.58 kN·m2h0=120-20=100mmαs=M/(f c b h02)=26.58×106/(14.3×1000×1002)=0.185γ=〔1+(1-2×αs)0.5〕/2=(1+(1-2×0.185)0.5)/2=0.897As=M/(γf y h0)=26.58×106/(0.897×210×100)=1411mm2选φ18@150 As=1696mm2,满足最小配筋率。
7.楼梯计算结果楼梯1#Ⅰ、梯段板计算(滑动支座):1、ATb1(t=170)(1)荷载:附加恒荷载= 2.000kN/m2活荷载: 3.500kN/m2恒载分项系数= 1.200 ,活载分项系数: 1.400标准值(qk):斜梯段: 12.395 kN/m设计值(q):斜梯段: 15.574 kN/m准永久值(qe):斜梯段: 10.645 kN/m(2)材料:C30混凝土,f c=14.30 N/mm2,混凝土容重: 25.00 kN/mm3板纵筋等级: HRB400 ;f y=360 N/mm2梁纵筋等级: HRB400 ;f y=360 N/mm2梁箍筋等级: HRB400 ;f y=360 N/mm2(3)内力计算:计算板段截面B×H = 1000×170截面: 左中右弯矩(M): -0.000 33.852 -0.000剪力(V): 28.143 0.000 -28.143 截面验算: Vmax=28.14kN < 0.7βhftbh0=150.15kN 截面满足上部计算纵筋(As'): 0.000 0.000 0.000下部计算纵筋(As): 340.000 663.867 340.000 上纵实配: E14@150(1026,0.60%) E14@150(1026,0.60%)下纵实配: E16@150(1340,0.79%) E16@150(1340,0.79%) E16@150(1340,0.79%)挠度限值: [f]= 24.06mm验算结论: f max=23.74mm < [f]=24.06mm(4811/200), 满足。
裂缝(w): 0.000 0.074 0.000裂缝限值: [ω]= 0.40mm验算结论: ωmax=0.074mm < [ω]=0.40mm , 满足。
-------------------------------------------------------------------------------2、BTb3(t=180)(1)荷载:附加恒荷载= 2.000kN/m2活荷载: 3.500kN/m2恒载分项系数= 1.200 ,活载分项系数: 1.400标准值(qk):左平台: 10.000 kN/m 斜梯段: 12.651 kN/m设计值(q):左平台: 12.700 kN/m 斜梯段: 15.881 kN/m准永久值(qe):左平台: 8.250 kN/m 斜梯段: 10.901 kN/m(2)材料:C30混凝土,f c=14.30 N/mm2,混凝土容重: 25.00 kN/mm3板纵筋等级: HRB400 ;f y=360 N/mm2梁纵筋等级: HRB400 ;f y=360 N/mm2梁箍筋等级: HRB400 ;f y=360 N/mm2(3)内力计算:计算板段-1(左内延长): 截面B×H = 1000×180截面: 左中右弯矩(M): 0.000 14.120 14.120剪力(V): 37.436 34.864 32.292 截面验算: Vmax=37.44kN < 0.7βhftbh0=160.16kN 截面满足上部计算纵筋(As'): 0.000 0.000 0.000下部计算纵筋(As): 360.000 360.000 360.000 上纵实配: E14@150(1026,0.57%) E14@150(1026,0.57%)下纵实配: E16@150(1340,0.74%) E16@150(1340,0.74%) E16@150(1340,0.74%)裂缝(w): 0.000 0.012 0.012裂缝限值: [ω]= 0.40mm验算结论: ωmax=0.012mm < [ω]=0.40mm , 满足。
项目名称 设计者 一、示意图: LTB1计算二、基本资料: 1. 依据规范: 《建筑结构荷载规范》 (GB 50009 — 2001) 《混凝土结构设计规范》 (GB 50010 — 2002)2. 几何参数: 楼梯净跨:L 1 = 2520 mm 梯板厚:t = 130 mm 上平台楼梯梁宽度:b 1 = 200 mm 2. 荷载标准值: 2可变荷载:q = 3.50kN/m栏杆荷载:q f = 0.20kN/m 3. 材料信息:混凝土强度等级:C302f t = 1.43 N/mm钢筋强度等级:HRB335 抹灰厚度:c = 20.0 mm 梯段板纵筋合力点至近边距离:楼梯高度:H = 1567 mm 踏步数:n = 10(阶) 2面层荷载:q m = 1.70kN/m2f c = 14.30 N/mm3R c =25.0 kN/m2f y = 300.00 N/mm R s =20 kN/m 3 a s = 20 mm考虑支座嵌固作用三、计算过程:1.楼梯几何参数:踏步高度:踏步宽度:计算跨度:h = 0.1567 m b = 0.2800 mL0 = L1+b1/2-b = 2.52+0.20/2-0.28 = 2.34 mcos a = 0.8732.(1)梯段板与水平方向夹角余弦值:荷载计算(取 B = 1m 宽板带):梯段板:面层:自重:抹灰:g km = (B + B • h/b)q m = (1 + 1X 0.16/0.28) X 1.70 = 2.65 kN/mg kt = R c• B • (t/cos a+ h/2) = 25 X 1 X (0.13/0.87 + 0.16/2) = 5.68 kN/mg ks = R S -B • c/cos a = 20 X 1 X 0.02/0.87 = 0.46 kN/mP k = g km+g kt+g ks+q f = 2.65+5.68+0.46+0.20 = 8.99 kN/m3.恒荷标准值:恒荷控制:p n(G) = 1.35g k+ 1.4 • 0.7 • B • q = 1.35 X 8.99 + 1.4 X 0.7X 1 X 3.50 = 15.57 kN/m 活荷控制:P n(L) = 1.2g k + 1.4 • B • q = 1.2 X 8.99 + 1.4 X 1X 3.50 = 15.69 kN/m 荷载设计值: p n = max{ p n(G) , p n(L) } = 15.69 kN/m正截面受弯承载力计算:左端支座反力 : R l = 18.36 kN右端支座反力 : R r = 18.36 kN 最大弯矩截面距左支座的距离 : L max = 1.17 m 最大弯矩截面距左边弯折处的距离 : x = 1.17 m2M max = R l L max —P n X /22= 18.36X 1.17-15.69X 1.172/2=10.74 kN m -考虑支座嵌固折减后的最大弯矩 :M max' = 0.8 M X ax = 0.80 1X.74 = 8.59 kN m •相对受压区高度:Z = 0.050954 配筋率:p = 0.002429纵筋(1 号)计算面积: A s = 267.17 mm2支座负筋(2、3号)计算面积: A s'=A s = 267.17 mm2四、计算结果:(为每米宽板带的配筋)1.1 号钢筋计算结果(跨中)2计算面积 A s: 267.17 mm2 采用方案: D10@2002实配面积: 392.70 mm22.2/3 号钢筋计算结果(支座)2计算面积 A s': 267.17 mm2 采用方案: D10@2002实配面积: 392.70 mm23.4号钢筋计算结果采用方案:d6@2502 实配面积: 113.10 mm项目名称 设计者 一、示意图:LTB2计算二、基本资料: 1. 依据规范: 《建筑结构荷载规范》 (GB 50009 — 2001)《混凝土结构设计规范》 (GB 50010 — 2002) 2. 几何参数: 楼梯净跨:L 1 = 2520 mm 梯板厚:t = 130 mm 上平台楼梯梁宽度:b 1 = 200 mm 上平台宽:L 3 = 430 mm 2. 荷载标准值:2 可变荷载:q = 3.50kN/m 栏杆荷载:q f = 0.20kN/m3. 材料信息:混凝土强度等级:C302f t = 1.43 N/mm钢筋强度等级:HRB335 抹灰厚度:c = 20.0 mm楼梯高度:H = 1567 mm 踏步数:n = 10(阶) 下平台楼梯梁宽度:b 2 = 200 mm2 面层荷载:q m = 1.70kN/m2f c = 14.30 N/mm3R c =25.0 kN/m2f y = 300.00 N/mm R s =20 kN/m 3梯段板纵筋合力点至近边距离:a s = 20 mm考虑支座嵌固作用三、计算过程:1.楼梯几何参数:踏步高度:踏步宽度:计算跨度:h = 0.1567 mb = 0.2800 mL0 = L1+L3+(b1+b2)/2 = 2.52+0.43+(0.20+0.20)/2 = 3.15 mcos a = 0.8732.(1)梯段板与水平方向夹角余弦值:荷载计算 ( 取 B = 1m 宽板带 ):梯段板:面层:自重:抹灰:g km = (B + B - h/b)q m = (1 + 1X 0.16/0.28) X 1.70 = 2.65 kN/mg kt = R c- B - (t/cos a+ h/2) = 25 X 1 X (0.13/0.87 + 0.16/2) = 5.68 kN/mg ks = R S - B - c/cos a = 20 X 1 X 0.02/0.87 = 0.46 kN/mP k = g km+g kt+g ks+q f = 2.65+5.68+0.46+0.20 = 8.99 kN/m(2)恒荷标准值:恒荷控制:P n(G) = 1.35g k+1.4 0.7 B q = 1.35X8.99+1.4X 0.7X1X3.50 = 15.57 kN/m 活荷控制:P n(L) = 1.2g k+1.4 B q = 1.2X8.99+1.4X 1X3.50 = 15.69 kN/m 荷载设计值:P n = max{ P n(G) , P n(L) } = 15.69 kN/m平台板:面层:自重:抹灰:g km' = Bq m= 1 K70 = 1.70 kN/mg kt' = R c B・t = 25 1 沌.13 = 3.25 kN/mg ks' = R S B c = 20 1502 = 0.40 kN/mP k' = g km'+g kt'+g ks'+q f = 1.70+3.25+0.40+0.20 = 5.55 kN/m3.恒荷标准值:恒荷控制:P l(G) = 1.35g k'+1.4 0.7 B q = 1.35X5.55+1.4X0.7X1X3.50 = 10.92 kN/m 活荷控制: P l(L) = 1.2g k'+1.4 B q = 1.2X5.55+1.4X1X3.50 = 11.56 kN/m 荷载设计值: P l = max{ P l(G) , P l(L) } = 11.56 kN/m正截面受弯承载力计算:左端支座反力 : R l = 22.71 kN右端支座反力 : R r = 24.53 kN 最大弯矩截面距左支座的距离: L max = 1.59 m最大弯矩截面距左边弯折处的距离 : x = 1.06 m2M max = R l L max-[P l L3 (x+L3/2)+P n x2/2]= 22.71X 1.59-[11.56X 0.53X (1.06+0.53/2)+15.69X 1.062/2]= 19.17 kN m考虑支座嵌固折减后的最大弯矩 :M max' = 0.8 M X max = 0.80 1X9.17 = 15.34 kN m相对受压区高度:Z = 0.092969 配筋率:p = 0.004431纵筋(1 号)计算面积:A s = 487.46 mm22支座负筋 (2、3号)计算面积:A s'=A s = 487.46 mm2四、计算结果:(为每米宽板带的配筋)1. 1号钢筋计算结果 (跨中 )LTB3计算楼梯高度:H = 1567 mm2计算面积A s: 487.46 mm采用方案:D10@1102 实配面积:714.00 mm2.2/3号钢筋计算结果(支座)2计算面积A s': 487.46 mm采用方案:D10@1102实配面积:714.00 mm3.4号钢筋计算结果采用方案:d6@2502实配面积:113.10 mm4.5号钢筋计算结果采用方案:D10@1102实配面积:714.00 mm项目名称设计者、示意图:二、基本资料:1.依据规范:《建筑结构荷载规范》 (GB 50009 — 2001)《混凝土结构设计规范》(GB 50010 — 2002)2.几何参数:楼梯净跨:L1 = 2520 mm3.梯板厚 : t = 130 mm 踏步数 : n = 10( 阶 )上平台楼梯梁宽度 : b1 = 200 mm 下平台楼梯梁宽度 : b2 = 200 mm 下平台宽 : L2 = 430 mm2.荷载标准值:2可变荷载: q = 3.50kN/m 2栏杆荷载: q f = 0.20kN/m3.材料信息:混凝土强度等级 : C302f t = 1.43 N/mm 2钢筋强度等级 : HRB335抹灰厚度: c = 20.0 mm梯段板纵筋合力点至近边距离:考虑支座嵌固作用2面层荷载: q m = 1.70kN/m 2f c = 14.30 N/mm 23R c=25.0 kN/m 32f y = 300.00 N/mm 23R s=20 kN/ma s = 20 mm三、计算过程:1.楼梯几何参数:踏步高度:踏步宽度:计算跨度:h = 0.1567 mb = 0.2800 mL0 = L1+L2+(b1+b2)/2 = 2.52+0.43+(0.20+0.20)/2 = 3.15 mcos a = 0.8732.(1)梯段板与水平方向夹角余弦值:荷载计算 ( 取 B = 1m 宽板带 ):梯段板:面层:自重:抹灰:g km = (B + B • h/b)q m = (1 + 1X 0.16/0.28) X 1.70 = 2.65 kN/mg kt = R c • B • (t/cos a+ h/2) = 25 X 1 X (0.13/0.87 + 0.16/2) = 5.68 kN/mg ks = R S -B • c/cos a = 20 X 1 X 0.02/0.87 = 0.46 kN/mP k = g km+g kt+g ks+q f = 2.65+5.68+0.46+0.20 = 8.99 kN/m(2)恒荷标准值:恒荷控制:P n(G) = 1.35g k+1.4 0.7 B q = 1.35X8.99+1.4X 0.7X1X3.50 = 15.57 kN/m 活荷控制:P n(L) = 1.2g k+1.4 B q = 1.2X8.99+1.4X1X3.50 = 15.69 kN/m 荷载设计值:P n = max{ P n(G) , P n(L) } = 15.69 kN/m平台板:面层:自重:抹灰:g km' = B q m= 1 X70 = 1.70 kN/mg kt' = R c B •t = 25 1 X).13 = 3.25 kN/mg ks' = R s B c = 20 1沁.02 = 0.40 kN/mP k' = g km'+g kt'+g ks'+q f = 1.70+3.25+0.40+0.20 = 5.55 kN/m恒荷标准值:恒荷控制:P l(G) = 1.35g k'+1.4 0.7 B q = 1.35X5.55+1.4X0.7X1X3.50 = 10.92 kN/m 活荷控制: P l(L) = 1.2g k'+1.4 B q = 1.2X5.55+1.4X1X3.50 = 11.56 kN/m 荷载设计值: P l = max{ P l(G) , P l(L) } = 11.56 kN/m正截面受弯承载力计算:左端支座反力 : R l = 24.53 kN右端支座反力 : R r = 22.71 kN最大弯矩截面距左支座的距离: L max = 1.56 m最大弯矩截面距左边弯折处的距离 : x = 1.56 m期 对者2M max = R l L max — P n X /2=24.53 X 1.56 — 15.69 X 1.562/2 =19.17 kN m -考虑支座嵌固折减后的最大弯矩 :M max ' = 0.8 M X ax = 0.80 1X .17 = 15.34 kN m - 相对受压区高度:Z = 0.092969配筋率:P = 0.0044312纵筋(1 号)计算面积: A s = 487.46 mm 22支座负筋 (2、3号)计算面积: A s '=A s = 487.46 mm 2四、计算结果: (为每米宽板带的配筋 )1. 1号钢筋计算结果 (跨中 )2 计算面积 A s : 487.46 mm2 采用方案:D10@1102 实配面积: 714.00 mm 2. 2/3 号钢筋计算结果 (支座 ) 计算面积 A s ': 487.46 mm 2 采用方案: D10@1102 实配面积:714.00 mm 2 3.4 号钢筋计算结果 采用方案: d6@2502 实配面积:113.10 mm 2 4.5 号钢筋计算结果 采用方案: D10@1102 实配面积: 714.00 mm4.5 号钢筋计算结果 采用方案: D10@1002实配面积: 785.40 mm 2项目名称 设计者一、示意图:LTB4 计算二、基本资料: 1. 依据规范: 《建筑结构荷载规范》 (GB 50009 — 2001)《混凝土结构设计规范》 (GB 50010 — 2002) 2•几何参数: 楼梯净跨:L 1 = 2240 mm 梯板厚:t = 130 mm 上平台楼梯梁宽度:b 1 = 200 mm 上平台宽:L 3 = 710 mm 2. 荷载标准值:2 可变荷载:q = 3.50kN/m 栏杆荷载:q f = 0.20kN/m 3. 材料信息: 混凝土强度等级:C30 2 f t = 1.43 N/mm钢筋强度等级:HRB335 抹灰厚度:c = 20.0 mm 梯段板纵筋合力点至近边距离: 考虑支座嵌固作用楼梯高度:H = 1400 mm 踏步数:n = 9(阶) 下平台楼梯梁宽度:b 2 = 200 mm2面层荷载:q m = 1.70kN/m f c = 14.30 N/mm 2 R c =25.0 kN/m 32f y = 300.00 N/mm R s =20 kN/m 3a s = 20 mm 三、计算过程: 1. 楼梯几何参数:踏步高度: 踏步宽度:计算跨度:h = 0.1556 mb = 0.2800 mL 0 = L 1 + L 3+ (S + b 2)/2 = 2.24 + 0.71 + (0.20+ 0.20)/2 = 3.15 mcos a = 0.874 梯段板与水平方向夹角余弦值: 2. 荷载计算(取B = 1m 宽板带):(1) 梯段板:面层:自重:抹灰:g km = (B + B - h/b)q m = (1 + 1X 0.16/0.28) X 1.70 = 2.64 kN/mg kt = R c- B - (t/cos a+ h/2) = 25 X 1 X (0.13/0.87 + 0.16/2) = 5.66 kN/m g ks = R S - B - c/cos a = 20 X 1 X 0.02/0.87 = 0.46 kN/mP k = g km+g kt+g ks+q f = 2.64+5.66+0.46+0.20 = 8.96 kN/m(2)恒荷标准值:恒荷控制:P n(G) = 1.35g k+1.4 0.7 B q = 1.35X8.96+1.4X0.7X1X3.50 = 15.53 kN/m 活荷控制:P n(L) = 1.2g k + 1.4 - B - q = 1.2 X 8.96 + 1.4X 1X 3.50 = 15.66 kN/m 荷载设计值:P n = max{ P n(G) , P n(L) } = 15.66 kN/m平台板:面层:自重:抹灰:g km' = Bq m= 1 K70 = 1.70 kN/mg kt' = R c B・t = 25 1 沌.13 = 3.25 kN/mg ks' = R S B c = 20 1502 = 0.40 kN/mP k' = g km'+g kt'+g ks'+q f = 1.70+3.25+0.40+0.20 = 5.55 kN/m3.恒荷标准值:恒荷控制:P l(G) = 1.35g k'+1.4 0.7 B q = 1.35X5.55+1.4X0.7X1X3.50 = 10.92 kN/m活荷控制: P l(L) = 1.2g k'+1.4 B q = 1.2X5.55+1.4X1X3.50 = 11.56 kN/m 荷载设计值:P l = max{ P l(G) , P l(L) } = 11.56 kN/m正截面受弯承载力计算:左端支座反力 : R l = 21.77 kN右端支座反力 : R r = 24.23 kN 最大弯矩截面距左支座的距离 : L max = 1.60 m 最大弯矩截面距左边弯折处的距离 : x = 0.79 m2M max = R l L max-[P l L3 (x+L3/2)+P n x2/2]2= 21.77X1.60-[11.56X 0.81X(0.79+0.81/2)+15.66X0.792/2]= 18.75 kN m考虑支座嵌固折减后的最大弯矩 :M max' = 0.8 M X max = 0.80 1X8.75 = 15.00 kN m相对受压区高度:Z = 0.090832 配筋率:P = 0.004330纵筋(1 号)计算面积: A s = 476.26 mm2支座负筋 (2、3号)计算面积:A s'=A s = 476.26 mm2四、计算结果:(为每米宽板带的配筋)1.1 号钢筋计算结果(跨中)2计算面积 A s: 476.26 mm2 采用方案: D10@1102实配面积: 714.00 mm22.2/3 号钢筋计算结果(支座)2计算面积 A s': 476.26 mm2 采用方案: D10@1102实配面积: 714.00 mm23.4号钢筋计算结果采用方案:d6@2002 实配面积: 141.37 mm22mm 2LTB5计算4. 5号钢筋计算结果采用方案:D10@110实配面积:714.00项目名称 设计者、示意图:二、基本资料:1. 依据规范:《建筑结构荷载规范》 (GB 50009 — 2001) 《混凝土结构设计规范》 (GB 50010 — 2002)2. 几何参数:楼梯净跨:L 1 = 2240 mm 楼梯高度:H = 1400 mm 梯板厚:t = 130 mm踏步数:n = 9(阶)上平台楼梯梁宽度:b 1 = 200 mm 下平台楼梯梁宽度:b 2 = 200 mm下平台宽:L 2 = 710 mm 2. 荷载标准值:22面层荷载:q m = 1.70kN/m 2f c = 14.30 N/mmR =25.0 kN/m 3 f y = 300.00 N/mm 2可变荷载:q = 3.50kN/m栏杆荷载:q f = 0.20kN/m3. 材料信息: 混凝土强度等级:C302f t = 1.43 N/mm钢筋强度等级:HRB335抹灰厚度: c = 20.0 mm 梯段板纵筋合力点至近边距离:考虑支座嵌固作用3R s=20 kN/m 3 a s = 20 mm三、计算过程:1.楼梯几何参数:踏步高度:踏步宽度:计算跨度:h = 0.1556 mb = 0.2800 mL0 = L1+L2+(b1+b2)/2 = 2.24+0.71+(0.20+0.20)/2 = 3.15 mcos a = 0.8742.(1)梯段板与水平方向夹角余弦值:荷载计算 ( 取 B = 1m 宽板带 ):梯段板:面层:自重:抹灰:g km = (B + B • h/b)q m = (1 + 1X 0.16/0.28) X 1.70 = 2.64 kN/mg kt = R c • B • (t/cos a+ h/2) = 25 X 1 X (0.13/0.87 + 0.16/2) = 5.66 kN/mg ks = R S -B • c/cos a = 20 X 1 X 0.02/0.87 = 0.46 kN/mP k = g km+g kt+g ks+q f = 2.64+5.66+0.46+0.20 = 8.96 kN/m(2)恒荷标准值:恒荷控制:P n(G) = 1.35g k+1.4 0.7 B q = 1.35X8.96+1.4X0.7X1X3.50 = 15.53 kN/m 活荷控制:P n(L) = 1.2g k + 1.4 • B • q = 1.2 X 8.96 + 1.4X 1X 3.50 = 15.66 kN/m 荷载设计值: P n = max{ P n(G) , P n(L) } = 15.66 kN/m平台板:面层:自重:抹灰:g km' = B q m= 1 X70 = 1.70 kN/mg kt' = R c B •t = 25 1 X).13 = 3.25 kN/mg ks' = R s B c = 20 1沁.02 = 0.40 kN/mP k' = g km'+g kt'+g ks'+q f = 1.70+3.25+0.40+0.20 = 5.55 kN/m3.恒荷标准值:恒荷控制:P l(G) = 1.35g k'+1.4 0.7 B q = 1.35X5.55+1.4X0.7X1X3.50 = 10.92 kN/m活荷控制: P l(L) = 1.2g k'+1.4 B q = 1.2X5.55+1.4X1X3.50 = 11.56 kN/m 荷载设计值: P l = max{ P l(G) , P l(L) } = 11.56 kN/m正截面受弯承载力计算:左端支座反力 : R l = 24.23 kN右端支座反力 : R r = 21.77 kN 最大弯矩截面距左支座的距离 : L max = 1.55 m 最大弯矩截面距左边弯折处的距离 : x = 1.55 m2M max = R l L max-P n x /22= 24.23X 1.55-15.66X 1.552/2= 18.75 kN m考虑支座嵌固折减后的最大弯矩 :M max' = 0.8 M X max = 0.80 1X8.75 = 15.00 kN m相对受压区高度:Z = 0.090832 配筋率:p = 0.004330纵筋(1 号)计算面积: A s = 476.26 mm22支座负筋 (2、3号)计算面积: A s'=A s = 476.26 mm2四、计算结果:(为每米宽板带的配筋)1. 1号钢筋计算结果(跨中)2 计算面积 A s: 476.26mm2 采用方案: D10@1102 实配面积: 714.00 mm2 2.2/3 号钢筋计算结果(支座)2 计算面积 A s':476.26 mm2 采用方案: D10@1102 实配面积: 714.00 mm2 3.4 号钢筋计算结果采用方案: d6@2002 实配面积: 141.37 mm 4.5 号钢筋计算结果采用方案: D10@1102 实配面积: 714.00 mm。
1 梁板式楼梯:TB1-11.1 基本资料1.1.1 工程名称:C车间1.1.2 楼梯类型:板式 A 型(╱)支座条件:两端弹性1.1.3 踏步段水平净长 Lsn = 3780mm 梯板净跨度 Ln = Lsn = 3780mm 梯板净宽度 B = 1800mm1.1.4 低端支座宽度 dl = 180mm 高端支座宽度 dh = 180mm计算跨度 Lo = Min{Ln + (dl + dh) / 2, 1.05Ln} = Min{3960, 3969} = 3960mm1.1.5 梯板厚度 h1 = 130mm1.1.6 踏步段总高度 Hs = 2500mm 楼梯踏步级数 n = 151.1.7 线性恒荷标准值 Pk = 1kN/m 均布活荷标准值 qk = 3.5kN/m ψc = 0.7 ψq = 0.41.1.8 面层厚度 c1 = 25mm 面层容重γc1 =20kN/m 顶棚厚度 c2 = 20mm 顶棚容重γc2 =18kN/m1.1.9 楼梯自重容重γb = 25kN/m1.1.10 混凝土强度等级: C25 fc = 11.9N/mm ft = 1.27N/mmftk = 1.78N/mm Ec = 27871N/mm1.1.11 钢筋强度设计值 fy = 360N/mm Es = 200000N/mm纵筋合力点至近边距离 as = 25mm1.2 楼梯几何参数1.2.1 踏步高度 hs = Hs / n = 2500/15 = 166.7mm踏步宽度 bs = Lsn / (n - 1) = 3780/(15-1) = 270mm踏步段斜板的倾角α = ArcTan(hs / bs) = ArcTan(166.7/270) = 31.7°踏步段斜板的长度 Lx = Lsn / Cosα = 3780/Cos31.7°= 4442mm1.2.2 踏步段梯板厚的垂直高度 h1' = h1 / Cosα = 130/Cos31.7°= 153mm 踏步段梯板平均厚度 T = (hs + 2 * h1') / 2 = (167+2*153)/2 = 236mm1.2.3 梯板有效高度 h1o = h1 - as = 130-25 = 105mm1.3 均布永久荷载标准值1.3.1 梯板上的线形荷载换算成均布永久荷载 gk1 = Pk / B = 1/1.8 = 0.56kN/m1.3.2 梯板自重 gk2 =γb * T = 25*0.236 = 5.90kN/m 1.3.3 踏步段梯板面层自重gk3 =γc1 * c1 * (n - 1) * (hs + bs) / Ln= 20*0.025*(15-1)*(0.167+0.27)/3.78 = 0.81kN/m1.3.4 梯板顶棚自重 gk4' =γc2 * c2 = 18*0.02 = 0.36kN/mgk4 = gk4' * Lx / Ln = 0.36*4.442/3.78 = 0.42kN/m1.3.5 均布荷载标准值汇总 gk = gk1 + gk2 + gk3 + gk4 = 7.69kN/m1.4 均布荷载设计值由可变荷载控制的 p(L) = 1.2 * gk + 1.4 * qk = 14.13kN/m由永久荷载控制的 p(D) = 1.35 * gk + 1.4 * ψc * qk = 13.81kN/m最不利的荷载设计值 p = Max{p(L), p(D)} = 14.13kN/m1.5 支座反力永久荷载作用下均布反力标准值 Rk(D) = 14.53kN/m可变荷载作用下均布反力标准值 Rk(L) = 6.62kN/m最不利的均布反力基本组合值 R = 26.70kN/m1.6 梯板斜截面受剪承载力计算Vmax ≤ 0.7 * ft * b * hoVmax = 0.5 * p * Ln * Cosα = 0.5*14.13*3.78*Cos31.7°= 22.7kN0.7 * ft * b * ho = 0.7*1.27*1000*0.105= 93.4kN ≥ Vmax = 22.7kN,满足要求。
"某某"1#楼梯计算书(梯板一) 2007.4.1.梯板几何尺寸(加下划线为输入数值)水平步级数n114垂直步级数n215踏步宽b1260梯段净高H=n2*a12327梯段净跨L1=n1*b13640踢步高a1155.1上折平台跨L20下折平台跨L30楼梯斜板长L'4320梯段全跨(水平投影)L0=L1+L2+L33640斜板厚h=C12/28130斜板厚取值h=C12/28取整130梯板荷载计算梯板重(标准值)g1=25*h*L'/100000014.04步级重(标准值)g2=25*0.5*a1*b1*n1/10000007.0630厚面层(标准值)g3=25*30*((a1+b1)*n1)/1000000 4.3620厚纸筋灰底层(标准值)g4=17*20*L'/1000000 1.47梯级特殊面层容重Rm0梯级特殊面层自重g5=Rm*((a1+b1)*n1)/10000.00楼梯栏板自重g lb0.20活载(标准值)q1 3.5总荷载(设计值) 1.2G+1.4Q14.02梯板内力计算跨中弯矩M=0.1*(G+Q)*(L0+200)*(L0+200)/100000020.67梯板配筋计算梯砼等级C?(20,25,30,35,40)25砼弯压强度fcm11.9梯钢筋等级I fy(I)210梯钢筋等级II fy(II)300板配筋I As(I)970板配筋II As(II)679选取的板筋直径D12计算间距1000/C33/(0.785D2)166.4最后选定斜板筋间距@160。
板式楼梯计算书项目名称_____________日期_____________设计者_____________校对者_____________一、构件编号:LT-1二、示意图:三、基本资料:1.依据规范:《建筑结构荷载规范》(GB 50009-2001)《混凝土结构设计规范》(GB 50010-2010)2.几何参数:楼梯净跨: L1 = 2520 mm 楼梯高度: H = 1500 mm梯板厚: t = 120 mm 踏步数: n = 10(阶)上平台楼梯梁宽度: b1 = 240 mm下平台楼梯梁宽度: b2 = 240 mm3.荷载标准值:可变荷载:q = 2.50kN/m2面层荷载:q m = 1.70kN/m2栏杆荷载:q f = 0.20kN/m永久荷载分项系数: γG = 1.20 可变荷载分项系数: γQ = 1.40准永久值系数: ψq = 0.504.材料信息:混凝土强度等级: C30 f c = 14.30 N/mm2f t = 1.43 N/mm2R c=25.0 kN/m3f tk = 2.01 N/mm2E c = 3.00*104 N/mm2钢筋强度等级: HRB400 f y = 360 N/mm2E s = 2.00*105 N/mm2保护层厚度:c = 20.0 mm R s=20 kN/m3受拉区纵向钢筋类别:光面钢筋梯段板纵筋合力点至近边距离:a s = 25.00 mm支座负筋系数:α = 0.25四、计算过程:1. 楼梯几何参数:踏步高度:h = 0.1500 m踏步宽度:b = 0.2800 m计算跨度:L0 = L1+(b1+b2)/2 = 2.52+(0.24+0.24)/2 = 2.76 m梯段板与水平方向夹角余弦值:cosα = 0.8812. 荷载计算( 取 B = 1m 宽板带):(1) 梯段板:面层:g km = (B+B*h/b)*q m = (1+1*0.15/0.28)*1.70 = 2.61 kN/m自重:g kt = R c*B*(t/cosα+h/2) = 25*1*(0.12/0.881+0.15/2) = 5.28 kN/m抹灰:g ks = R S*B*c/cosα = 20*1*0.02/0.881 = 0.45 kN/m恒荷标准值:P k = g km+g kt+g ks+q f = 2.61+5.28+0.45+0.20 = 8.54 kN/m恒荷控制:P n(G) = 1.35*P k+γQ*0.7*B*q = 1.35*8.54+1.40*0.7*1*2.50 = 13.98 kN/m活荷控制:P n(L) = γG*P k+γQ*B*q = 1.20*8.54+1.40*1*2.50 = 13.75 kN/m荷载设计值:P n = max{ P n(G) , P n(L) } = 13.98 kN/m3. 正截面受弯承载力计算:左端支座反力: R l = 19.30 kN右端支座反力: R r = 19.30 kN最大弯矩截面距左支座的距离: L max = 1.38 m最大弯矩截面距左边弯折处的距离: x = 1.38 mM max = R l*L max-P n*x2/2= 19.30*1.38-13.98*1.382/2= 13.31 kN·m相对受压区高度:ζ= 0.109121 配筋率:ρ= 0.004335纵筋(1号)计算面积:A s = 411.78 mm2支座负筋(2、3号)计算面积:A s'=α*A s = 0.25*411.78 = 102.94 mm2五、计算结果:(为每米宽板带的配筋)1.1号钢筋计算结果(跨中)计算面积A s:411.78 mm2采用方案:⌲10@130实配面积: 604 mm22.2号钢筋计算结果(支座)计算面积A s':102.94 mm2采用方案:⌲12@200实配面积: 565 mm23.3号钢筋计算结果采用方案:⌲6@250实配面积: 113 mm2六、跨中挠度计算:Mk -------- 按荷载效应的标准组合计算的弯矩值Mq -------- 按荷载效应的准永久组合计算的弯矩值1.计算标准组合弯距值Mk:Mk = M gk+M qk= (q gk + q qk)*L02/8= (8.54 + 2.500)*2.762/8= 10.515 kN*m2.计算永久组合弯距值Mq:Mq = M gk+M qk= (q gk + ψq*q qk)*L02/8= (8.54 + 0.50*2.500)*2.762/8= 9.325 kN*m3.计算受弯构件的短期刚度 B sk1) 计算按荷载荷载效应的两种组合作用下,构件纵向受拉钢筋应力σsk = Mk/(0.87*h0*As) 混规(7.1.4-3)= 10.515*106/(0.87*95*604)= 210.582 N/mmσsq = Mq/(0.87*h0*As) 混规(7.1.4-3)= 9.325*106/(0.87*95*604)= 186.745 N/mm2) 计算按有效受拉混凝土截面面积计算的纵向受拉钢筋配筋率矩形截面积: A te = 0.5*b*h = 0.5*1000*120= 60000 mm2ρte = As/A te混规(7.1.2-5)= 604/60000= 1.007%3) 计算裂缝间纵向受拉钢筋应变不均匀系数ψψk = 1.1-0.65*f tk/(ρte*σsk) 混规(7.1.2-2)= 1.1-0.65*2.01/(1.007%*210.582)= 0.484ψq = 1.1-0.65*f tk/(ρte*σsq) 混规(7.1.2-2)= 1.1-0.65*2.01/(1.007%*186.745)= 0.4054) 计算钢筋弹性模量与混凝土模量的比值αEαE = E S/E C= 2.00*105/(3.00*104)= 6.6675) 计算受压翼缘面积与腹板有效面积的比值γf矩形截面,γf = 06) 计算纵向受拉钢筋配筋率ρρ = As/(b*h0)= 604/(1000*95)= 0.636%7) 计算受弯构件的短期刚度 B SB sk = E s*As*h02/[1.15*ψk+0.2+6*αE*ρ/(1+ 3.5*γf)] 混规(7.2.3-1)= 2.00*105*604*952/[1.15*0.484+0.2+6*6.667*0.636%/(1+3.5*0.0)] = 10.788*102 kN*m2B sq = E s*As*h02/[1.15*ψq+0.2+6*αE*ρ/(1+ 3.5*γf)] 混规(7.2.3-1)= 2.00*105*604*952/[1.15*0.405+0.2+6*6.667*0.636%/(1+3.5*0.0)]= 11.849*102 kN*m24.计算受弯构件的长期刚度B1) 确定考虑荷载长期效应组合对挠度影响增大影响系数θ当ρ`=0时,θ=2.0 混规(7.2.5)2) 计算受弯构件的长期刚度 BBk = Mk/(Mq*(θ-1)+Mk)*B sk混规(7.2.2-1)= 10.515/(9.325*(2.0-1)+10.515)*10.788*102= 5.718*102 kN*m2Bq = B sq/θ混规(7.2.2-2)= 11.849/2.000*102= 5.924*102 kN*m2B = min(Bk,Bq)= min(5.718,5.924= 5.718*102 kN*m25.计算受弯构件挠度f maxk = 5*(q gk+q qk)*L04/(384*Bk)= 5*(8.54+2.500)*2.764/(384*5.718*102)= 11.674 mm6.验算挠度挠度限值f0=L0/200=2.76/200=13.800 mmf max=11.674mm≤f0=13.800mm,满足规范要求!七、裂缝宽度验算:1.计算准永久组合弯距值Mq:Mq = M gk+ψM qk= (q gk + ψq qk)*L02/8= (8.54 + 0.50*2.500)*2.762/8= 9.325 kN*m2.光面钢筋,所以取值V i=0.73.C = 204.计算按荷载荷载效应的准永久组合作用下,构件纵向受拉钢筋应力σsq = Mq/(0.87*h0*As) 混规(7.1.4-3)= 9.325*106/(0.87*95.00*604)= 186.745 N/mm5.计算按有效受拉混凝土截面面积计算的纵向受拉钢筋配筋率矩形截面积: A te = 0.5*b*h = 0.5*1000*120= 60000 mm2ρte = As/A te混规(7.1.2-5)= 604/60000= 1.007%6.计算裂缝间纵向受拉钢筋应变不均匀系数ψψ = 1.1-0.65*f tk/(ρte*σsq) 混规(7.1.2-2)= 1.1-0.65*2.01/(1.007%*186.745)= 0.4057.计算单位面积钢筋根数nn = 1000/s= 1000/130= 78.计算受拉区纵向钢筋的等效直径d eqd eq= (∑n i*d i2)/(∑n i*V i*d i)= 7*102/(7*0.7*10)= 149.计算最大裂缝宽度ωmax =αcr*ψ*σsq/E S*(1.9*C+0.08*d eq/ρte) 混规(7.1.2-1) = 1.9*0.405*186.745/2.0*105*(1.9*20+0.08*14/1.007%) = 0.1073 mm≤ 0.30 mm,满足规范要求。
板式楼梯计算书(五种类型)类型一一、构件编号:LT-1二、示意图:三、基本资料:1.依据规范:《建筑结构荷载规范》(GB 50009-2001)《混凝土结构设计规范》(GB 50010-2002)2.几何参数:楼梯净跨: L1 = 2000 mm 楼梯高度: H = 1500 mm梯板厚: t = 100 mm 踏步数: n = 10(阶)上平台楼梯梁宽度: b1 = 200 mm下平台楼梯梁宽度: b2 = 200 mm3.荷载标准值:可变荷载:q = 2.50kN/m2面层荷载:q m = 1.70kN/m2栏杆荷载:q f = 0.20kN/m永久荷载分项系数: γG = 1.20 可变荷载分项系数: γQ = 1.40准永久值系数: ψq = 0.504.材料信息:混凝土强度等级: C20 f c = 9.60 N/mm2f t = 1.10 N/mm2R c=25.0 kN/m3f tk = 1.54 N/mm2E c= 2.55×104 N/mm2钢筋强度等级: HPB235 f y = 210 N/mm2E s= 2.10×105 N/mm2保护层厚度:c = 20.0 mm R s=20 kN/m3受拉区纵向钢筋类别:光面钢筋梯段板纵筋合力点至近边距离:a s = 25.00 mm支座负筋系数:α = 0.25四、计算过程:1. 楼梯几何参数:踏步高度:h = 0.1500 m踏步宽度:b = 0.2222 m计算跨度:L0 = L1+(b1+b2)/2 = 2.00+(0.20+0.20)/2 = 2.20 m梯段板与水平方向夹角余弦值:cosα = 0.8292. 荷载计算( 取 B = 1m 宽板带):(1) 梯段板:面层:g km = (B+B*h/b)*q m = (1+1*0.15/0.22)*1.70 = 2.85 kN/m自重:g kt = R c*B*(t/cosα+h/2) = 25*1*(0.10/0.829+0.15/2) = 4.89 kN/m抹灰:g ks = R S*B*c/cosα = 20*1*0.02/0.829 = 0.48 kN/m恒荷标准值:P k = g km+g kt+g ks+q f = 2.85+4.89+0.48+0.20 = 8.42 kN/m恒荷控制:P n(G) = 1.35*P k+γQ*0.7*B*q = 1.35*8.42+1.40*0.7*1*2.50 = 13.82 kN/m活荷控制:P n(L) = γG*P k+γQ*B*q = 1.20*8.42+1.40*1*2.50 = 13.61 kN/m荷载设计值:P n = max{ P n(G) , P n(L) } = 13.82 kN/m3. 正截面受弯承载力计算:左端支座反力: R l = 15.20 kN右端支座反力: R r = 15.20 kN最大弯矩截面距左支座的距离: L max = 1.10 m最大弯矩截面距左边弯折处的距离: x = 1.10 mM max = R l*L max-P n*x2/2= 15.20*1.10-13.82*1.102/2= 8.36 kN·m相对受压区高度:ζ= 0.169123 配筋率:ρ= 0.007731纵筋(1号)计算面积:A s = 579.85 mm2支座负筋(2、3号)计算面积:A s'=α*A s = 0.25*579.85 = 144.96 mm2五、计算结果:(为每米宽板带的配筋)1.1号钢筋计算结果(跨中)计算面积A s:579.85 mm2采用方案:d10@100实配面积: 785 mm22.2/3号钢筋计算结果(支座)计算面积A s':144.96 mm2采用方案:d6@140实配面积: 202 mm23.4号钢筋计算结果采用方案:d6@200实配面积: 141 mm2六、跨中挠度计算:Mk -------- 按荷载效应的标准组合计算的弯矩值Mq -------- 按荷载效应的准永久组合计算的弯矩值1.计算标准组合弯距值Mk:Mk = M gk+M qk= (q gk + q qk)*L02/8= (8.42 + 2.500)*2.202/8= 6.607 kN*m2.计算永久组合弯距值Mq:Mq = M gk+M qk= (q gk+ ψq*q qk)*L02/8= (8.42 + 0.50*2.500)*2.202/8= 5.851 kN*m3.计算受弯构件的短期刚度 B s1) 计算按荷载荷载效应的标准组合作用下,构件纵向受拉钢筋应力σsk = Mk/(0.87*h0*As) (混凝土规范式 8.1.3-3)= 6.607×106/(0.87*75*785)= 128.932 N/mm2) 计算按有效受拉混凝土截面面积计算的纵向受拉钢筋配筋率矩形截面积: A te = 0.5*b*h = 0.5*1000*100= 50000 mm2ρte = As/A te (混凝土规范式 8.1.2-4)= 785/50000= 1.571%3) 计算裂缝间纵向受拉钢筋应变不均匀系数ψψ = 1.1-0.65*f tk/(ρte*σsk) (混凝土规范式 8.1.2-2)= 1.1-0.65*1.54/(1.571%*128.932)= 0.6064) 计算钢筋弹性模量与混凝土模量的比值αEαE = E S/E C= 2.10×105/(2.55×104)= 8.2355) 计算受压翼缘面积与腹板有效面积的比值γf矩形截面,γf = 06) 计算纵向受拉钢筋配筋率ρρ = As/(b*h0)= 785/(1000*75)= 1.047%7) 计算受弯构件的短期刚度 B SB S = E S*As*h02/[1.15*ψ+0.2+6*αE*ρ/(1+ 3.5*γf)](混凝土规范式8.2.3--1)= 2.10×105*785*752/[1.15*0.606+0.2+6*8.235*1.047%/(1+3.5*0.0)]= 6.561×102 kN*m24.计算受弯构件的长期刚度B1) 确定考虑荷载长期效应组合对挠度影响增大影响系数θ当ρ`=0时,θ=2.0 (混凝土规范第 8.2.5 条)2) 计算受弯构件的长期刚度 BB = Mk/(Mq*(θ-1)+Mk)*B S (混凝土规范式 8.2.2)= 6.607/(5.851*(2.0-1)+6.607)*6.561×102= 3.480×102 kN*m25.计算受弯构件挠度f max = 5*(q gk+q qk)*L04/(384*B)= 5*(8.42+2.500)*2.204/(384*3.480×102)= 9.574 mm6.验算挠度挠度限值f0=L0/200=2.20/200=11.000 mmf max=9.574mm≤f0=11.000mm,满足规范要求!七、裂缝宽度验算:1.计算标准组合弯距值Mk:Mk = M gk+M qk= (q gk + q qk)*L02/8= (8.42 + 2.500)*2.202/8= 6.607 kN*m2.光面钢筋,所以取值V i=0.73.C = 204.计算按荷载荷载效应的标准组合作用下,构件纵向受拉钢筋应力σsk = Mk/(0.87*h0*As) (混凝土规范式 8.1.3-3)= 6.607×106/(0.87*75.00*785)= 128.932 N/mm5.计算按有效受拉混凝土截面面积计算的纵向受拉钢筋配筋率矩形截面积: A te = 0.5*b*h = 0.5*1000*100= 50000 mm2ρte = As/A te (混凝土规范式 8.1.2-4)= 785/50000= 1.571%6.计算裂缝间纵向受拉钢筋应变不均匀系数ψψ = 1.1-0.65*f tk/(ρte*σsk) (混凝土规范式 8.1.2-2)= 1.1-0.65*1.54/(1.571%*128.932)= 0.6067.计算单位面积钢筋根数nn = 1000/s= 1000/100= 108.计算受拉区纵向钢筋的等效直径d eqd eq= (∑n i*d i2)/(∑n i*V i*d i)= 10*102/(10*0.7*10)= 149.计算最大裂缝宽度ωmax=αcr*ψ*σsk/E S*(1.9*C+0.08*d eq/ρte) (混凝土规范式 8.1.2-1)= 2.1*0.606*128.932/2.1×105*(1.9*20+0.08*14/1.571%)= 0.0854 mm≤ 0.30 mm,满足规范要求类型二一、构件编号:LT-1二、示意图:三、基本资料:1.依据规范:《建筑结构荷载规范》(GB 50009-2001)《混凝土结构设计规范》(GB 50010-2002)2.几何参数:楼梯净跨: L1 = 2000 mm 楼梯高度: H = 1500 mm梯板厚: t = 100 mm 踏步数: n = 10(阶)上平台楼梯梁宽度: b1 = 200 mm上平台楼梯梁宽度: b1 = 200 mm3.荷载标准值:可变荷载:q = 2.50kN/m2面层荷载:q m = 1.70kN/m2栏杆荷载:q f = 0.20kN/m永久荷载分项系数: γG = 1.20 可变荷载分项系数: γQ = 1.40准永久值系数: ψq = 0.504.材料信息:混凝土强度等级: C20 f c = 9.60 N/mm2f t = 1.10 N/mm2R c=25.0 kN/m3f tk = 1.54 N/mm2E c= 2.55×104 N/mm2钢筋强度等级: HPB235 f y = 210 N/mm2E s= 2.10×105 N/mm2保护层厚度:c = 20.0 mm R s=20 kN/m3受拉区纵向钢筋类别:光面钢筋梯段板纵筋合力点至近边距离:a s = 25.00 mm支座负筋系数:α = 0.25四、计算过程:1. 楼梯几何参数:踏步高度:h = 0.1500 m踏步宽度:b = 0.2222 m计算跨度:L0 = L1+b1/2-b = 2.00+0.20/2-0.22 = 1.88 m梯段板与水平方向夹角余弦值:cosα = 0.8292. 荷载计算( 取 B = 1m 宽板带):(1) 梯段板:面层:g km = (B+B*h/b)*q m = (1+1*0.15/0.22)*1.70 = 2.85 kN/m自重:g kt = R c*B*(t/cosα+h/2) = 25*1*(0.10/0.829+0.15/2) = 4.89 kN/m抹灰:g ks = R S*B*c/cosα = 20*1*0.02/0.829 = 0.48 kN/m恒荷标准值:P k = g km+g kt+g ks+q f = 2.85+4.89+0.48+0.20 = 8.42 kN/m恒荷控制:P n(G) = 1.35*P k+γQ*0.7*B*q = 1.35*8.42+1.40*0.7*1*2.50 = 13.82 kN/m活荷控制:P n(L) = γG*P k+γQ*B*q = 1.20*8.42+1.40*1*2.50 = 13.61 kN/m荷载设计值:P n = max{ P n(G) , P n(L) } = 13.82 kN/m3. 正截面受弯承载力计算:左端支座反力: R l = 12.97 kN右端支座反力: R r = 12.97 kN最大弯矩截面距左支座的距离: L max = 0.94 m最大弯矩截面距左边弯折处的距离: x = 0.94 mM max = R l*L max-P n*x2/2= 12.97*0.94-13.82*0.942/2= 6.09 kN·m相对受压区高度:ζ= 0.119990 配筋率:ρ= 0.005485纵筋(1号)计算面积:A s = 411.39 mm2支座负筋(2、3号)计算面积:A s'=α*A s = 0.25*411.39 = 102.85 mm2五、计算结果:(为每米宽板带的配筋)1.1号钢筋计算结果(跨中)计算面积A s:411.39 mm2采用方案:d10@100实配面积: 785 mm22.2/3号钢筋计算结果(支座)计算面积A s':102.85 mm2采用方案:d6@140实配面积: 202 mm23.4号钢筋计算结果采用方案:d6@200实配面积: 141 mm2六、跨中挠度计算:Mk -------- 按荷载效应的标准组合计算的弯矩值Mq -------- 按荷载效应的准永久组合计算的弯矩值1.计算标准组合弯距值Mk:Mk = M gk+M qk= (q gk + q qk)*L02/8= (8.42 + 2.500)*1.882/8= 4.814 kN*m2.计算永久组合弯距值Mq:Mq = M gk+M qk= (q gk+ ψq*q qk)*L02/8= (8.42 + 0.50*2.500)*1.882/8= 4.263 kN*m3.计算受弯构件的短期刚度 B s1) 计算按荷载荷载效应的标准组合作用下,构件纵向受拉钢筋应力σsk = Mk/(0.87*h0*As) (混凝土规范式 8.1.3-3)= 4.814×106/(0.87*75*785)= 93.930 N/mm2) 计算按有效受拉混凝土截面面积计算的纵向受拉钢筋配筋率矩形截面积: A te = 0.5*b*h = 0.5*1000*100= 50000 mm2ρte = As/A te (混凝土规范式 8.1.2-4)= 785/50000= 1.571%3) 计算裂缝间纵向受拉钢筋应变不均匀系数ψψ = 1.1-0.65*f tk/(ρte*σsk) (混凝土规范式 8.1.2-2)= 1.1-0.65*1.54/(1.571%*93.930)= 0.4224) 计算钢筋弹性模量与混凝土模量的比值αEαE = E S/E C= 2.10×105/(2.55×104)= 8.2355) 计算受压翼缘面积与腹板有效面积的比值γf矩形截面,γf = 06) 计算纵向受拉钢筋配筋率ρρ = As/(b*h0)= 785/(1000*75)= 1.047%7) 计算受弯构件的短期刚度 B SB S = E S*As*h02/[1.15*ψ+0.2+6*αE*ρ/(1+ 3.5*γf)](混凝土规范式8.2.3--1)= 2.10×105*785*752/[1.15*0.422+0.2+6*8.235*1.047%/(1+3.5*0.0)]= 7.717×102 kN*m24.计算受弯构件的长期刚度B1) 确定考虑荷载长期效应组合对挠度影响增大影响系数θ当ρ`=0时,θ=2.0 (混凝土规范第 8.2.5 条)2) 计算受弯构件的长期刚度 BB = Mk/(Mq*(θ-1)+Mk)*B S (混凝土规范式 8.2.2)= 4.814/(4.263*(2.0-1)+4.814)*7.717×102= 4.093×102 kN*m25.计算受弯构件挠度f max = 5*(q gk+q qk)*L04/(384*B)= 5*(8.42+2.500)*1.884/(384*4.093×102)= 4.320 mm6.验算挠度挠度限值f0=L0/200=1.88/200=9.389 mmf max=4.320mm≤f0=9.389mm,满足规范要求!七、裂缝宽度验算:1.计算标准组合弯距值Mk:Mk = M gk+M qk= (q gk + q qk)*L02/8= (8.42 + 2.500)*1.882/8= 4.814 kN*m2.光面钢筋,所以取值V i=0.73.C = 204.计算按荷载荷载效应的标准组合作用下,构件纵向受拉钢筋应力σsk = Mk/(0.87*h0*As) (混凝土规范式 8.1.3-3)= 4.814×106/(0.87*75.00*785)= 93.930 N/mm5.计算按有效受拉混凝土截面面积计算的纵向受拉钢筋配筋率矩形截面积: A te = 0.5*b*h = 0.5*1000*100= 50000 mm2ρte = As/A te (混凝土规范式 8.1.2-4)= 785/50000= 1.571%6.计算裂缝间纵向受拉钢筋应变不均匀系数ψψ = 1.1-0.65*f tk/(ρte*σsk) (混凝土规范式 8.1.2-2)= 1.1-0.65*1.54/(1.571%*93.930)= 0.4227.计算单位面积钢筋根数nn = 1000/s= 1000/100= 108.计算受拉区纵向钢筋的等效直径d eqd eq= (∑n i*d i2)/(∑n i*V i*d i)= 10*102/(10*0.7*10)= 149.计算最大裂缝宽度ωmax=αcr*ψ*σsk/E S*(1.9*C+0.08*d eq/ρte) (混凝土规范式 8.1.2-1) = 2.1*0.422*93.930/2.1×105*(1.9*20+0.08*14/1.571%)= 0.0433 mm≤ 0.30 mm,满足规范要求类型三一、构件编号:LT-1二、示意图:三、基本资料:1.依据规范:《建筑结构荷载规范》(GB 50009-2001)《混凝土结构设计规范》(GB 50010-2002)2.几何参数:楼梯净跨: L1 = 2000 mm 楼梯高度: H = 1500 mm梯板厚: t = 100 mm 踏步数: n = 10(阶)上平台楼梯梁宽度: b1 = 200 mm下平台楼梯梁宽度: b2 = 200 mm下平台宽: L2 = 300 mm3.荷载标准值:可变荷载:q = 2.50kN/m2面层荷载:q m = 1.70kN/m2栏杆荷载:q f = 0.20kN/m永久荷载分项系数: γG = 1.20 可变荷载分项系数: γQ = 1.40准永久值系数: ψq = 0.504.材料信息:混凝土强度等级: C20 f c = 9.60 N/mm2f t = 1.10 N/mm2R c=25.0 kN/m3f tk = 1.54 N/mm2E c = 2.55×104 N/mm2钢筋强度等级: HPB235 f y = 210 N/mm2E s = 2.10×105 N/mm2保护层厚度:c = 20.0 mm R s=20 kN/m3受拉区纵向钢筋类别:光面钢筋梯段板纵筋合力点至近边距离:a s = 25.00 mm支座负筋系数:α = 0.25四、计算过程:1. 楼梯几何参数:踏步高度:h = 0.1500 m踏步宽度:b = 0.2222 m计算跨度:L0 = L1+L2+(b1+b2)/2 = 2.00+0.30+(0.20+0.20)/2 = 2.50 m梯段板与水平方向夹角余弦值:cosα = 0.8292. 荷载计算( 取 B = 1m 宽板带):(1) 梯段板:面层:g km = (B+B*h/b)*q m = (1+1*0.15/0.22)*1.70 = 2.85 kN/m自重:g kt = R c*B*(t/cosα+h/2) = 25*1*(0.10/0.829+0.15/2) = 4.89 kN/m抹灰:g ks = R S*B*c/cosα = 20*1*0.02/0.829 = 0.48 kN/m恒荷标准值:P k = g km+g kt+g ks+q f = 2.85+4.89+0.48+0.20 = 8.42 kN/m恒荷控制:P n(G) = 1.35*P k+γQ*0.7*B*q = 1.35*8.42+1.40*0.7*1*2.50 = 13.82 kN/m活荷控制:P n(L) = γG*P k+γQ*B*q = 1.20*8.42+1.40*1*2.50 = 13.61 kN/m荷载设计值:P n = max{ P n(G) , P n(L) } = 13.82 kN/m(2) 平台板:面层:g km' = B*q m = 1*1.70 = 1.70 kN/m自重:g kt' = R c*B*t = 25*1*0.10 = 2.50 kN/m抹灰:g ks' = R S*B*c = 20*1*0.02 = 0.40 kN/m恒荷标准值:P k' = g km'+g kt'+g ks'+q f = 1.70+2.50+0.40+0.20 = 4.80 kN/m 恒荷控制:P l(G) = 1.35*P k'+γQ*0.7*B*q = 1.35*4.80+1.40*0.7*1*2.50 = 8.93 kN/m活荷控制:P l(L) = γG*P k+γQ*B*q = 1.20*4.80+1.40*1*2.50 = 9.26 kN/m荷载设计值:P l = max{ P l(G) , P l(L) } = 9.26 kN/m3. 正截面受弯承载力计算:左端支座反力: R l = 17.13 kN右端支座反力: R r = 15.60 kN最大弯矩截面距左支座的距离: L max = 1.24 m最大弯矩截面距左边弯折处的距离: x = 1.24 mM max = R l*L max-P n*x2/2= 17.13*1.24-13.82*1.242/2= 10.61 kN·m相对受压区高度:ζ= 0.220978 配筋率:ρ= 0.010102纵筋(1号)计算面积:A s = 757.64 mm2支座负筋(2、3号)计算面积:A s'=α*A s = 0.25*757.64 = 189.41 mm2五、计算结果:(为每米宽板带的配筋)1.1号钢筋计算结果(跨中)计算面积A s:757.64 mm2采用方案:d10@100实配面积: 785 mm22.2/3号钢筋计算结果(支座)计算面积A s':189.41 mm2采用方案:d6@140实配面积: 202 mm23.4号钢筋计算结果采用方案:d6@200实配面积: 141 mm24.5号钢筋计算结果采用方案:d10@100实配面积: 785 mm2六、跨中挠度计算:Mk -------- 按荷载效应的标准组合计算的弯矩值Mq -------- 按荷载效应的准永久组合计算的弯矩值1.计算标准组合弯距值Mk:Mk = M gk+M qk= (q gk + q qk)*L02/8= (8.42 + 2.500)*2.502/8= 8.532 kN*m2.计算永久组合弯距值Mq:Mq = M gk+M qk= (q gk + ψq*q qk)*L02/8= (8.42 + 0.50*2.500)*2.502/8= 7.556 kN*m3.计算受弯构件的短期刚度 B s1) 计算按荷载荷载效应的标准组合作用下,构件纵向受拉钢筋应力σsk = Mk/(0.87*h0*As) (混凝土规范式 8.1.3-3)= 8.532×106/(0.87*75*785)= 166.493 N/mm2) 计算按有效受拉混凝土截面面积计算的纵向受拉钢筋配筋率矩形截面积: A te = 0.5*b*h = 0.5*1000*100= 50000 mm2ρte = As/A te (混凝土规范式 8.1.2-4)= 785/50000= 1.571%3) 计算裂缝间纵向受拉钢筋应变不均匀系数ψψ = 1.1-0.65*f tk/(ρte*σsk) (混凝土规范式 8.1.2-2) = 1.1-0.65*1.54/(1.571%*166.493)= 0.7174) 计算钢筋弹性模量与混凝土模量的比值αEαE = E S/E C= 2.10×105/(2.55×104)= 8.2355) 计算受压翼缘面积与腹板有效面积的比值γf矩形截面,γf = 06) 计算纵向受拉钢筋配筋率ρρ = As/(b*h0)= 785/(1000*75)= 1.047%7) 计算受弯构件的短期刚度 B SB S = E S*As*h02/[1.15*ψ+0.2+6*αE*ρ/(1+ 3.5*γf)](混凝土规范式8.2.3--1)= 2.10×105*785*752/[1.15*0.717+0.2+6*8.235*1.047%/(1+3.5*0.0)]= 6.015×102 kN*m24.计算受弯构件的长期刚度B1) 确定考虑荷载长期效应组合对挠度影响增大影响系数θ当ρ`=0时,θ=2.0 (混凝土规范第 8.2.5 条)2) 计算受弯构件的长期刚度 BB = Mk/(Mq*(θ-1)+Mk)*B S (混凝土规范式 8.2.2)= 8.532/(7.556*(2.0-1)+8.532)*6.015×102= 3.190×102 kN*m25.计算受弯构件挠度f max = 5*(q gk+q qk)*L04/(384*B)= 5*(8.42+2.500)*2.504/(384*3.190×102)= 17.412 mm6.验算挠度挠度限值f0=L0/200=2.50/200=12.500 mmf max=17.412mm>f0=12.500mm,不满足规范要求!七、裂缝宽度验算:1.计算标准组合弯距值Mk:Mk = M gk+M qk= (q gk + q qk)*L02/8= (8.42 + 2.500)*2.502/8= 8.532 kN*m2.光面钢筋,所以取值V i=0.73.C = 204.计算按荷载荷载效应的标准组合作用下,构件纵向受拉钢筋应力σsk = Mk/(0.87*h0*As) (混凝土规范式 8.1.3-3)= 8.532×106/(0.87*75.00*785)= 166.493 N/mm5.计算按有效受拉混凝土截面面积计算的纵向受拉钢筋配筋率矩形截面积: A te = 0.5*b*h = 0.5*1000*100= 50000 mm2ρte = As/A te (混凝土规范式 8.1.2-4)= 785/50000= 1.571%6.计算裂缝间纵向受拉钢筋应变不均匀系数ψψ = 1.1-0.65*f tk/(ρte*σsk) (混凝土规范式 8.1.2-2)= 1.1-0.65*1.54/(1.571%*166.493)= 0.7177.计算单位面积钢筋根数nn = 1000/s= 1000/100= 108.计算受拉区纵向钢筋的等效直径d eqd eq= (∑n i*d i2)/(∑n i*V i*d i)= 10*102/(10*0.7*10)= 149.计算最大裂缝宽度ωmax =αcr*ψ*σsk/E S*(1.9*C+0.08*d eq/ρte) (混凝土规范式 8.1.2-1)= 2.1*0.717*166.493/2.1×105*(1.9*20+0.08*14/1.571%)= 0.1305 mm≤ 0.30 mm,满足规范要求类型四一、构件编号:LT-1二、示意图:三、基本资料:1.依据规范:《建筑结构荷载规范》(GB 50009-2001)《混凝土结构设计规范》(GB 50010-2002)2.几何参数:楼梯净跨: L1 = 2000 mm 楼梯高度: H = 1500 mm梯板厚: t = 100 mm 踏步数: n = 10(阶)上平台楼梯梁宽度: b1 = 200 mm下平台楼梯梁宽度: b2 = 200 mm上平台宽: L3 = 300 mm3.荷载标准值:可变荷载:q = 2.50kN/m2面层荷载:q m = 1.70kN/m2栏杆荷载:q f = 0.20kN/m永久荷载分项系数: γG = 1.20 可变荷载分项系数: γQ = 1.40准永久值系数: ψq = 0.504.材料信息:混凝土强度等级: C20 f c = 9.60 N/mm2f t = 1.10 N/mm2R c=25.0 kN/m3f tk = 1.54 N/mm2E c= 2.55×104 N/mm2钢筋强度等级: HPB235 f y = 210 N/mm2E s= 2.10×105 N/mm2保护层厚度:c = 20.0 mm R s=20 kN/m3受拉区纵向钢筋类别:光面钢筋梯段板纵筋合力点至近边距离:a s = 25.00 mm支座负筋系数:α = 0.25四、计算过程:1. 楼梯几何参数:踏步高度:h = 0.1500 m踏步宽度:b = 0.2222 m计算跨度:L0 = L1+L3+(b1+b2)/2 = 2.00+0.30+(0.20+0.20)/2 = 2.50 m梯段板与水平方向夹角余弦值:cosα = 0.8292. 荷载计算( 取 B = 1m 宽板带):(1) 梯段板:面层:g km = (B+B*h/b)*q m = (1+1*0.15/0.22)*1.70 = 2.85 kN/m自重:g kt = R c*B*(t/cosα+h/2) = 25*1*(0.10/0.829+0.15/2) = 4.89 kN/m抹灰:g ks = R S*B*c/cosα = 20*1*0.02/0.829 = 0.48 kN/m恒荷标准值:P k = g km+g kt+g ks+q f = 2.85+4.89+0.48+0.20 = 8.42 kN/m恒荷控制:P n(G) = 1.35*P k+γQ*0.7*B*q = 1.35*8.42+1.40*0.7*1*2.50 = 13.82 kN/m活荷控制:P n(L) = γG*P k+γQ*B*q = 1.20*8.42+1.40*1*2.50 = 13.61 kN/m荷载设计值:P n = max{ P n(G) , P n(L) } = 13.82 kN/m(2) 平台板:面层:g km' = B*q m = 1*1.70 = 1.70 kN/m自重:g kt' = R c*B*t = 25*1*0.10 = 2.50 kN/m抹灰:g ks' = R S*B*c = 20*1*0.02 = 0.40 kN/m恒荷标准值:P k' = g km'+g kt'+g ks'+q f = 1.70+2.50+0.40+0.20 = 4.80 kN/m 恒荷控制:P l(G) = 1.35*P k'+γQ*0.7*B*q = 1.35*4.80+1.40*0.7*1*2.50 = 8.93 kN/m活荷控制:P l(L) = γG*P k+γQ*B*q = 1.20*4.80+1.40*1*2.50 = 9.26 kN/m荷载设计值:P l = max{ P l(G) , P l(L) } = 9.26 kN/m3. 正截面受弯承载力计算:左端支座反力: R l = 15.60 kN右端支座反力: R r = 17.13 kN最大弯矩截面距左支座的距离: L max = 1.26 m最大弯矩截面距左边弯折处的距离: x = 0.86 mM max = R l*L max-[P l*L3*(x+L3/2)+P n*x2/2]= 15.60*1.26-[9.26*0.40*(0.86+0.40/2)+13.82*0.862/2]= 10.61 kN·m相对受压区高度:ζ= 0.220978 配筋率:ρ= 0.010102纵筋(1号)计算面积:A s = 757.64 mm2支座负筋(2、3号)计算面积:A s'=α*A s = 0.25*757.64 = 189.41 mm2五、计算结果:(为每米宽板带的配筋)1.1号钢筋计算结果(跨中)计算面积A s:757.64 mm2采用方案:d10@100实配面积: 785 mm22.2/3号钢筋计算结果(支座)计算面积A s':189.41 mm2采用方案:d6@140实配面积: 202 mm23.4号钢筋计算结果采用方案:d6@200实配面积: 141 mm24.5号钢筋计算结果采用方案:d10@100实配面积: 785 mm2六、跨中挠度计算:Mk -------- 按荷载效应的标准组合计算的弯矩值Mq -------- 按荷载效应的准永久组合计算的弯矩值1.计算标准组合弯距值Mk:Mk = M gk+M qk= (q gk + q qk)*L02/8= (8.42 + 2.500)*2.502/8= 8.532 kN*m2.计算永久组合弯距值Mq:Mq = M gk+M qk= (q gk+ ψq*q qk)*L02/8= (8.42 + 0.50*2.500)*2.502/8= 7.556 kN*m3.计算受弯构件的短期刚度 B s1) 计算按荷载荷载效应的标准组合作用下,构件纵向受拉钢筋应力σsk = Mk/(0.87*h0*As) (混凝土规范式 8.1.3-3)= 8.532×106/(0.87*75*785)= 166.493 N/mm2) 计算按有效受拉混凝土截面面积计算的纵向受拉钢筋配筋率矩形截面积: A te = 0.5*b*h = 0.5*1000*100= 50000 mm2ρte = As/A te (混凝土规范式 8.1.2-4)= 785/50000= 1.571%3) 计算裂缝间纵向受拉钢筋应变不均匀系数ψψ = 1.1-0.65*f tk/(ρte*σsk) (混凝土规范式 8.1.2-2)= 1.1-0.65*1.54/(1.571%*166.493)= 0.7174) 计算钢筋弹性模量与混凝土模量的比值αEαE = E S/E C= 2.10×105/(2.55×104)= 8.2355) 计算受压翼缘面积与腹板有效面积的比值γf矩形截面,γf = 06) 计算纵向受拉钢筋配筋率ρρ = As/(b*h0)= 785/(1000*75)= 1.047%7) 计算受弯构件的短期刚度 B SB S = E S*As*h02/[1.15*ψ+0.2+6*αE*ρ/(1+ 3.5*γf)](混凝土规范式8.2.3--1)= 2.10×105*785*752/[1.15*0.717+0.2+6*8.235*1.047%/(1+3.5*0.0)]= 6.015×102 kN*m24.计算受弯构件的长期刚度B1) 确定考虑荷载长期效应组合对挠度影响增大影响系数θ当ρ`=0时,θ=2.0 (混凝土规范第 8.2.5 条)2) 计算受弯构件的长期刚度 BB = Mk/(Mq*(θ-1)+Mk)*B S (混凝土规范式 8.2.2)= 8.532/(7.556*(2.0-1)+8.532)*6.015×102= 3.190×102 kN*m25.计算受弯构件挠度f max = 5*(q gk+q qk)*L04/(384*B)= 5*(8.42+2.500)*2.504/(384*3.190×102)= 17.412 mm6.验算挠度挠度限值f0=L0/200=2.50/200=12.500 mmf max=17.412mm>f0=12.500mm,不满足规范要求!七、裂缝宽度验算:1.计算标准组合弯距值Mk:Mk = M gk+M qk= (q gk + q qk)*L02/8= (8.42 + 2.500)*2.502/8= 8.532 kN*m2.光面钢筋,所以取值V i=0.73.C = 204.计算按荷载荷载效应的标准组合作用下,构件纵向受拉钢筋应力σsk = Mk/(0.87*h0*As) (混凝土规范式 8.1.3-3)= 8.532×106/(0.87*75.00*785)= 166.493 N/mm5.计算按有效受拉混凝土截面面积计算的纵向受拉钢筋配筋率矩形截面积: A te = 0.5*b*h = 0.5*1000*100= 50000 mm2ρte = As/A te (混凝土规范式 8.1.2-4)= 785/50000= 1.571%6.计算裂缝间纵向受拉钢筋应变不均匀系数ψψ = 1.1-0.65*f tk/(ρte*σsk) (混凝土规范式 8.1.2-2)= 1.1-0.65*1.54/(1.571%*166.493)= 0.7177.计算单位面积钢筋根数nn = 1000/s= 1000/100= 108.计算受拉区纵向钢筋的等效直径d eqd eq= (∑n i*d i2)/(∑n i*V i*d i)= 10*102/(10*0.7*10)= 149.计算最大裂缝宽度ωmax=αcr*ψ*σsk/E S*(1.9*C+0.08*d eq/ρte) (混凝土规范式 8.1.2-1) = 2.1*0.717*166.493/2.1×105*(1.9*20+0.08*14/1.571%) = 0.1305 mm≤ 0.30 mm,满足规范要求类型五一、构件编号:LT-1二、示意图:三、基本资料:1.依据规范:《建筑结构荷载规范》(GB 50009-2001)《混凝土结构设计规范》(GB 50010-2002)2.几何参数:楼梯净跨: L1 = 2000 mm 楼梯高度: H = 1500 mm梯板厚: t = 100 mm 踏步数: n = 10(阶)上平台楼梯梁宽度: b1 = 200 mm下平台楼梯梁宽度: b2 = 200 mm下平台宽: L2 = 300 mm 上平台宽: L3 = 300 mm3.荷载标准值:可变荷载:q = 2.50kN/m2面层荷载:q m = 1.70kN/m2栏杆荷载:q f = 0.20kN/m永久荷载分项系数: γG = 1.20 可变荷载分项系数: γQ = 1.40准永久值系数: ψq = 0.504.材料信息:混凝土强度等级: C20 f c = 9.60 N/mm2f t = 1.10 N/mm2 R c=25.0 kN/m3f tk = 1.54 N/mm2 E c= 2.55×104 N/mm2钢筋强度等级: HPB235 f y = 210 N/mm2E s= 2.10×105 N/mm2保护层厚度:c = 20.0 mm R s=20 kN/m3受拉区纵向钢筋类别:光面钢筋梯段板纵筋合力点至近边距离:a s = 25.00 mm支座负筋系数:α = 0.25四、计算过程:1. 楼梯几何参数:踏步高度:h = 0.1500 m踏步宽度:b = 0.2222 m计算跨度:L0 = L1+L2+L3+(b1+b2)/2 = 2.00+0.30+0.30+(0.20+0.20)/2 = 2.80 m 梯段板与水平方向夹角余弦值:cosα = 0.8292. 荷载计算( 取 B = 1m 宽板带):(1) 梯段板:面层:g km = (B+B*h/b)*q m = (1+1*0.15/0.22)*1.70 = 2.85 kN/m自重:g kt = R c*B*(t/cosα+h/2) = 25*1*(0.10/0.829+0.15/2) = 4.89 kN/m抹灰:g ks = R S*B*c/cosα = 20*1*0.02/0.829 = 0.48 kN/m恒荷标准值:P k = g km+g kt+g ks+q f = 2.85+4.89+0.48+0.20 = 8.42 kN/m恒荷控制:P n(G) = 1.35*P k+γQ*0.7*B*q = 1.35*8.42+1.40*0.7*1*2.50 = 13.82 kN/m 活荷控制:P n(L) = γG*P k+γQ*B*q = 1.20*8.42+1.40*1*2.50 = 13.61 kN/m荷载设计值:P n = max{ P n(G) , P n(L) } = 13.82 kN/m(2) 平台板:面层:g km' = B*q m = 1*1.70 = 1.70 kN/m自重:g kt' = R c*B*t = 25*1*0.10 = 2.50 kN/m抹灰:g ks' = R S*B*c = 20*1*0.02 = 0.40 kN/m恒荷标准值:P k' = g km'+g kt'+g ks'+q f = 1.70+2.50+0.40+0.20 = 4.80 kN/m恒荷控制:P l(G) = 1.35*P k'+γQ*0.7*B*q = 1.35*4.80+1.40*0.7*1*2.50 = 8.93 kN/m 活荷控制:P l(L) = γG*P k+γQ*B*q = 1.20*4.80+1.40*1*2.50 = 9.26 kN/m荷载设计值:P l = max{ P l(G) , P l(L) } = 9.26 kN/m3. 正截面受弯承载力计算:左端支座反力: R l = 17.52 kN右端支座反力: R r = 17.52 kN最大弯矩截面距左支座的距离: L max = 1.40 m最大弯矩截面距左边弯折处的距离: x = 1.00 mM max = R l*L max-[P l*L3*(x+L3/2)+P n*x2/2]= 17.52*1.40-[9.26*0.40*(1.00+0.40/2)+13.82*1.002/2] = 13.18 kN·m相对受压区高度:ζ= 0.284503 配筋率:ρ= 0.013006纵筋(1号)计算面积:A s = 975.44 mm2支座负筋(2、3号)计算面积:A s'=α*A s = 0.25*975.44 = 243.86 mm2五、计算结果:(为每米宽板带的配筋)1.1号钢筋计算结果(跨中)计算面积A s:975.44 mm2采用方案:d10@100实配面积: 785 mm22.2/3号钢筋计算结果(支座)计算面积A s':243.86 mm2采用方案:d6@140实配面积: 202 mm23.4号钢筋计算结果采用方案:d6@200实配面积: 141 mm24.5号钢筋计算结果采用方案:d10@100实配面积: 785 mm25.6号钢筋计算结果采用方案:d6@140实配面积: 202 mm2六、跨中挠度计算:Mk -------- 按荷载效应的标准组合计算的弯矩值Mq -------- 按荷载效应的准永久组合计算的弯矩值1.计算标准组合弯距值Mk:Mk = M gk+M qk= (q gk + q qk)*L02/8= (8.42 + 2.500)*2.802/8= 10.703 kN*m2.计算永久组合弯距值Mq:Mq = M gk+M qk= (q gk+ ψq*q qk)*L02/8= (8.42 + 0.50*2.500)*2.802/8= 9.478 kN*m3.计算受弯构件的短期刚度 B s1) 计算按荷载荷载效应的标准组合作用下,构件纵向受拉钢筋应力σsk = Mk/(0.87*h0*As) (混凝土规范式 8.1.3-3)= 10.703×106/(0.87*75*785)= 208.848 N/mm2) 计算按有效受拉混凝土截面面积计算的纵向受拉钢筋配筋率矩形截面积: A te = 0.5*b*h = 0.5*1000*100= 50000 mm2ρte = As/A te (混凝土规范式 8.1.2-4)= 785/50000= 1.571%3) 计算裂缝间纵向受拉钢筋应变不均匀系数ψψ = 1.1-0.65*f tk/(ρte*σsk) (混凝土规范式 8.1.2-2)= 1.1-0.65*1.54/(1.571%*208.848)= 0.7954) 计算钢筋弹性模量与混凝土模量的比值αEαE = E S/E C= 2.10×105/(2.55×104)= 8.2355) 计算受压翼缘面积与腹板有效面积的比值γf矩形截面,γf = 06) 计算纵向受拉钢筋配筋率ρρ = As/(b*h0)= 785/(1000*75)= 1.047%7) 计算受弯构件的短期刚度 B SB S = E S*As*h02/[1.15*ψ+0.2+6*αE*ρ/(1+ 3.5*γf)](混凝土规范式8.2.3--1) = 2.10×105*785*752/[1.15*0.795+0.2+6*8.235*1.047%/(1+3.5*0.0)] = 5.686×102 kN*m24.计算受弯构件的长期刚度B1) 确定考虑荷载长期效应组合对挠度影响增大影响系数θ当ρ`=0时,θ=2.0 (混凝土规范第 8.2.5 条)2) 计算受弯构件的长期刚度 BB = Mk/(Mq*(θ-1)+Mk)*B S (混凝土规范式 8.2.2)= 10.703/(9.478*(2.0-1)+10.703)*5.686×102= 3.016×102 kN*m25.计算受弯构件挠度f max = 5*(q gk+q qk)*L04/(384*B)= 5*(8.42+2.500)*2.804/(384*3.016×102)= 28.983 mm6.验算挠度挠度限值f0=L0/200=2.80/200=14.000 mmf max=28.983mm>f0=14.000mm,不满足规范要求!七、裂缝宽度验算:1.计算标准组合弯距值Mk:Mk = M gk+M qk= (q gk + q qk)*L02/8= (8.42 + 2.500)*2.802/8= 10.703 kN*m2.光面钢筋,所以取值V i=0.73.C = 204.计算按荷载荷载效应的标准组合作用下,构件纵向受拉钢筋应力σsk = Mk/(0.87*h0*As) (混凝土规范式 8.1.3-3)= 10.703×106/(0.87*75.00*785)= 208.848 N/mm5.计算按有效受拉混凝土截面面积计算的纵向受拉钢筋配筋率矩形截面积: A te = 0.5*b*h = 0.5*1000*100= 50000 mm2ρte = As/A te (混凝土规范式 8.1.2-4)= 785/50000= 1.571%6.计算裂缝间纵向受拉钢筋应变不均匀系数ψψ = 1.1-0.65*f tk/(ρte*σsk) (混凝土规范式 8.1.2-2)= 1.1-0.65*1.54/(1.571%*208.848)= 0.7957.计算单位面积钢筋根数nn = 1000/s= 1000/100= 108.计算受拉区纵向钢筋的等效直径d eqd eq= (∑n i*d i2)/(∑n i*V i*d i)= 10*102/(10*0.7*10)= 149.计算最大裂缝宽度ωmax=αcr*ψ*σsk/E S*(1.9*C+0.08*d eq/ρte) (混凝土规范式 8.1.2-1) = 2.1*0.795*208.848/2.1×105*(1.9*20+0.08*14/1.571%)= 0.1814 mm≤ 0.30 mm,满足规范要求。
厂房楼梯计算一、设计有关参数:1、材料:混凝土:、C30钢筋:Φ(HRB335).φ(HPB235)钢筋保护层厚度20mm二、计算:(一)1~2轴线间楼梯1、T-1,T-2,T-3计算:a、斜板计算:取1m板宽作为计算单元。
tgα=150/300=0.5,cos26.57o=0.894(1)确定斜板厚h一般取h=l/27=5350/27=198mm 取h=200mm(2)荷载计算恒载:三角形踏步自重 1.2×1/2×0.3×0.15×25×1/0.3=2.25kN/m斜板自重: 1.2×1/0.894×0.2×25=6.72kN/m50mm花岗岩自重: 1.2×0.05 (0.3+0.15)×1/0.3×28=2.52kN/m10mm纸筋灰浆板底粉刷1.2×1/0.894×0.01×1×16=0.22kN/m恒载g=11.71N/m活载q=1.4×4×1.0=5.6kN/m共计:g+q=11.71+5.6=17.31kN/m墙体集中力12×0.2×3.5=8.4kN/m(3)弯矩计算(l=5.35m)跨中弯矩M=(g+q)l2/8+Pab/l=1/8×17.31×5.352+8.4×0.35×5/5.35=64.7kN-m(4)配筋计算h0=200-20=180mmαs= M/(f c bh02)=64700000/(14.3×1000×1802)=0.140 [ξ=1-(1-2αs) 1/2=0.152]A s=ξ f c/f y bh0=0.152×14.3/300×1000×180=1304.2mm2选配φ14@100 (A s=1539mm2)分布筋选配φ8@200b、平台板PTB-1计算:平台板厚度h取120mm(取1m板宽为计算单元)(1)荷载计算恒载:板自重: 1.2×0.12×1×25=3.6kN/m50mm花岗岩自重: 1.2×0.05×1×28=1.68kN/m10mm纸筋灰浆板底粉刷1.2×0.01×1×16=0.192kN/m恒载g=5.472kN/m活载q=1.4×4×1.0=5.6kN/m共计:g+q=5.472+5.6=11.072kN/m(2)弯矩计算(l=2.65m)跨中弯矩M=(g+q)l2/8=11.072×2.652/8=9.72kN-m(3)配筋计算h0=120-20=100mmαs= M/(f c bh02)=9720000/(14.3×1000×1002)=0.068 [ξ=1-(1-2αs) 1/2=0.071]A s=ξ f c/f y bh0=0.071×14.3/300×1000×100=338.5mm2选配φ10@150 (A s=523mm2)分布筋选配φ8@2002、T-4计算:斜板计算:取1m板宽作为计算单元。
1板式楼梯: TB-11.1基本资料1.1.1工程名称:工程一1.1.2楼梯类型:板式 C 型(╱ ̄),支座条件:低端固定高端铰支1.1.3踏步段水平净长 L sn= 4420mm,高端平板净长 L hn= 1280mm,梯板净跨度 L n= L sn + L hn= 4420+1280 = 5700mm,梯板净宽度 B =1200mm1.1.4低端支座宽度 d l= 200mm,高端支座宽度 d h= 200mm计算跨度 L0= Min{L n + (d l + d h) / 2, 1.05L n} = Min{5900, 5985} =5900mm1.1.5梯板厚度 h1= 150mm1.1.6踏步段总高度 H s= 3000mm,楼梯踏步级数 n = 181.1.7线性恒荷标准值 P k= 1kN/m;均布活荷标准值 q k= 3.5kN/m2,ψc=0.7,ψq= 0.41.1.8面层厚度 c1= 30mm,面层容重γc2= 25kN/m3;顶棚厚度 c2= 20mm,顶棚容重γc2= 25kN/m3;楼梯自重容重γb= 25kN/m31.1.9混凝土强度等级为 C30, f c= 14.331N/mm2, f t= 1.433N/mm2, f tk=2.006N/mm2,E c= 29791N/mm21.1.10钢筋抗拉强度设计值 f y= 270N/mm2, E s= 210000N/mm2;当纵筋直径不小于 12mm 时,取 f y= 360N/mm2、E s= 200000N/mm2;纵筋的混凝土保护层厚度 c = 20mm1.2楼梯几何参数1.2.1踏步高度 h s= H s / n = 3000/18 = 166.7mm踏步宽度 b s= L sn / (n - 1) = 4420/(18-1) = 260mm踏步段斜板的倾角α = ArcTan(h s / b s) = ArcTan(166.7/260) = 32.7°踏步段斜板的长度 L x= L sn / Cosα = 4420/Cos32.7°= 5250mm1.2.2踏步段梯板厚的垂直高度 h1' = h1 / Cosα = 150/Cos32.7°=178.2mm踏步段梯板平均厚度 T = (h s+ 2h1') / 2 = (166.7+2*178.2)/2 = 261.5mm 1.2.3梯板有效高度 h10= h1 - a s= 150-25 = 125mm1.3均布永久荷载标准值1.3.1梯板上的线载换算为均布恒荷 g k1= P k / B = 1/1.2 = 0.83kN/m21.3.2踏步段梯板自重 g k2' =γb·T = 25*0.2615 = 6.54kN/m2g k2= g k2'·L sn / L n= 6.54*4.42/5.7 = 5.07kN/m21.3.3高端平板自重 g k3' =γb·h1= 25*0.15 = 3.75kN/m2g k3= g k3'·L hn / L n= 3.75*1.28/5.7 = 0.84kN/m21.3.4踏步段梯板面层自重g k4' =γc1·c1·(n - 1)(h s + b s) / L sn= 25*0.03*(18-1)*(0.1667+0.26)/4.42= 1.23kN/m2g k4= g k4'·L sn / L n= 1.23*4.42/5.7 = 0.95kN/m21.3.5高端平板面层自重 g k5' =γc1·c1= 25*0.03 = 0.75kN/m2g k5= g k5'·L hn / L n= 0.75*1.28/5.7 = 0.17kN/m21.3.6梯板顶棚自重 g k6' =γc2·c2= 25*0.02 = 0.50kN/m2g k6= g k6'·(L n + L x - L sn) / L n= 0.5*(5.7+5.25-4.42)/5.7 = 0.57kN/m21.3.7均布荷载标准值汇总 g k= g k1 + g k2 + g k3 + g k4 + g k5 + g k6= 8.44kN/m21.4均布荷载的基本组合值由可变荷载控制的 Q(L) =γG·g k+ γQ·q k= 1.2*8.44+1.4*3.5 =15.03kN/m2由永久荷载控制的 Q(D) =γG1·g k+ γQ·ψc· q k= 1.35*8.44+1.4*0.7*3.5= 14.82kN/m2最不利的荷载基本组合值 Q = Max{Q(L), Q(D)} = Max{15.03, 14.82} =15.03kN/m21.5梯板的支座反力低端支座永久荷载作用下均布反力标准值 R k(D) = 30.07kN/m低端支座可变荷载作用下均布反力标准值 R k(L) = 12.47kN/m低端支座最不利的均布反力基本组合值 R = 53.54kN/m高端支座永久荷载作用下均布反力标准值 R k(D) = 18.04kN/m高端支座可变荷载作用下均布反力标准值 R k(L) = 7.48kN/m高端支座最不利的均布反力基本组合值 R = 32.12kN/m1.6梯板斜截面受剪承载力计算V ≤ 0.7·βh·f t·b·h0V = 5/8·Q·L n·Cosα= 0.625*15.03*5.7*Cos32.7°= 45.1kNR = 0.7·βh·f t·b·h0= 0.7*1*1433*1*0.125 = 125.4kN ≥ V = 45.1kN,满足要求。
机 务 用 房 楼 梯 计 算 书1. 荷 载 计 算 (1)TB-1:踏步300x160.7 h=130mm Cos α=88.07.16030030022=+斜板自重: 0.13x25=3.25kN/m 2 踏步自重: 0.5x0.1607x25=2.01 kN/m 2 楼梯面层: 0.06 kN/m 2 以上荷载之和为: q 1=5.32 kN/m 2q 1/Cos α =6.045 kN/m 2板底批档荷载: 0.4 kN/m 2 恒载标准值为6.45 kN/m 2 活载标准值取3.5 kN/m 2=1.2x6.45+1.4x3.5 = 12.63 kN/m 2(2)TB-2:踏步300x160.7 h=130mm Cos α=88.07.16030030022=+斜板自重: 0.13x25=3.25kN/m 2 踏步自重: 0.5x0.1607x25=2.01 kN/m 2 楼梯面层: 0.06 kN/m 2 以上荷载之和为: q 1=5.32 kN/m 2q 1/Cos α =6.045 kN/m 2板底批档荷载: 0.4 kN/m 2 恒载标准值为6.45 kN/m 2 活载标准值取3.5 kN/m 2=1.2x6.45+1.4x3.5 = 12.63 kN/m 2(3)TB-3:踏步300x150 h=120mm Cos α=894.015030030022=+斜板自重: 0.12x25=3kN/m 2 踏步自重: 0.5x0.15x25=1.875 kN/m 2 楼梯面层: 0.06 kN/m 2 以上荷载之和为: q 1=4.935 kN/m 2q 1/Cos α =5.52 kN/m 2板底批档荷载: 0.4 kN/m 2 恒载标准值为5.94 kN/m 2 活载标准值取3.5 kN/m 2=1.2x6.34+1.4x3.5 = 12.03kN/m 2(4)TB-4:踏步300x150 h=120mm Cos α=894.015030030022=+斜板自重: 0.12x25=3kN/m 2 踏步自重: 0.5x0.15x25=1.875 kN/m 2 楼梯面层: 0.06 kN/m 2 以上荷载之和为: q 1=4.935 kN/m 2q 1/Cos α =5.52 kN/m 2板底批档荷载: 0.4 kN/m 2 恒载标准值为5.94 kN/m 2 活载标准值取3.5 kN/m 2=1.2x6.34+1.4x3.5 = 12.03kN/m 2 (5)TB-5:踏步300x150 h=110mm Cos α=894.015030030022=+斜板自重: 0.11x25=2.75kN/m 2 踏步自重: 0.5x0.15x25=1.875 kN/m 2 楼梯面层: 0.06 kN/m 2 以上荷载之和为: q 1=4.685 kN/m 2q 1/Cos α =5.24 kN/m 2板底批档荷载: 0.4 kN/m 2 恒载标准值为5.36 kN/m 2 活载标准值取3.5 kN/m 2=1.2x6.34+1.4x3.5 = 11.67 kN/m 2 (6) TB-6:踏步300x150 h=110mm Cos α=894.015030030022=+斜板自重: 0.11x25=2.75kN/m 2 踏步自重: 0.5x0.15x25=1.875 kN/m 2 楼梯面层: 0.06 kN/m 2以上荷载之和为: q1=4.685 kN/m2q1/Cosα =5.24 kN/m2板底批档荷载: 0.4 kN/m2恒载标准值为5.36 kN/m2活载标准值取3.5 kN/m2 =1.2x6.34+1.4x3.5 = 11.67 kN/m2(7)PTB-1休息平台荷载计算平台板自重(100厚) 0.1x25=2.5 kN/m2面层 0.6 kN/m2板底抹灰 0.4 kN/m2恒载标准值为3.5 kN/m2活载标准值取3.5 kN/m2 = 1.2x3.5+1.4x3.5 = 9.1 kN/m2(8) TL-1荷载计算平台板传来 3.5x1.8x0.5=3.15 kN/m 梯板传来 6.45x3.9x0.5=12.58 kN/m 梯梁自重 0.2x0.30x25=1.5kN/m 梯梁抹灰 0.4 kN/m 恒载标准值为17.63kN/m活载标准值取3.5x(3.9/2+1.8/2)=9.98 kN/m= 1.2x17.63+1.4x9.98 = 35.12 kN/m2. 配 筋 计 算 TB-1 (130厚):01.24x12.63x3.981q 8122=== M kN.m受力筋Φ12@130(三级钢筋) 负筋Φ8@150 TB-2 (130厚):01.24x12.63x3.981q 8122=== M kN.m受力筋Φ12@130(三级钢筋) 负筋Φ8@150TB-3 (120厚):4.19x12.03x3.681q 8122=== M kN.m受力筋Φ12@150(三级钢筋) 负筋Φ8@180 TB-4 (120厚):4.19x12.03x3.681q 8122=== M kN.m受力筋Φ12@150(三级钢筋) 负筋Φ8@180TB-5 (110厚):89.15x11.67x3.381q 8122=== M kN.m受力筋Φ12@160(三级钢筋) 负筋Φ8@200 PTB-1 (110厚):89.15x11.67x3.381q 8122=== M kN.m受力筋Φ12@160(三级钢筋) 负筋Φ8@200 PTB-1 (100厚):02.5x9.1x2.181q 8122=== M kN.m 受力筋Φ8@200 分布筋Φ8@200 TL-1 (200x300)81.47x35.12x3.381q 8122=== M kN.m受力筋2Φ20 箍筋ф8@200。
楼梯计算书 Prepared on 22 November 2020
一、示意图
: 二、基本资料:
1.依据规范:
《建筑结构荷载规范》(GB 50009-2001)
《混凝土结构设计规范》(GB 50010-2002)
2.几何参数:
楼梯净跨: 16000L mm = 楼梯高度: mm H 1600=
梯板厚: 250t mm = 踏步数: 15n =(阶) 上平台楼梯梁宽度: 1 300 b mm = 下平台楼梯梁宽度: 2 300 b mm =
3.荷载标准值:
可变荷载:2 3.50/q kN m = 面层荷载:2
1.70/m
q kN m =
栏杆荷载: 1.00/f q kN m =
4.材料信息:
混凝土强度等级: C35 2
16.7c f N mm =
钢筋强度等级: 400HRB 2 360.00 /y f N mm =
抹灰厚度:20.0 c mm = 320 /s R kN m = 梯段板纵筋合力点至近边距离: 25s a mm =
支座负筋系数: 0.25α=
三、计算过程:
1.楼梯几何参数:
踏步高度:h =
踏步宽度:b =
计算跨度:L 0 = L 1+(b 1+b 2)/2 = 6++/2 =
梯段板与水平方向夹角余弦值:cos 0.97α=
2.荷载计算( 取 B = 1m 宽板带):
(1) 梯段板:
面层: 3.453
/km g kN m = 自重: 7.19
/kt g kN m = 抹灰:
/2010.02/0.970.412/ks S g R Bc cos kN m α==⨯⨯= 恒荷标准值:
3.4537.190.412112.055/k km kt ks f g g g q k g N m ==+++=+++ 恒荷控制:
()() 1.35 1.40.7 1.3512.055 1.40.71 3.50 19.7 /n n k P G P G g Bq kN m =⨯⨯=⨯⨯⨯⨯==+
+活荷控制: ()() 1.2 1.4 1.212.055 1.41 3.50 19.366/n n k P G P L g Bq kN m ===⨯⨯⨯=+
+ 荷载设计值:
准永久组合:12.0550.3 3.513.105/q kN m =+⨯=
3.斜截面受剪承载力计算:
满足要求
4.正截面受弯承载力计算:
1 1.0α=, 0 250
25225h mm =-=,则有
5
00
min
0.80.8
0.518
360
1
1
0.0033210
0.0033
22521.870.518225116.55
1.57
max0.2%,0.45max0.2%,0.450.002
360
b
y
s
b
t
y
f
E
x h mm h mm
f
f
ξ
ξ
ρ
===
+
+
⨯⨯
⨯
==-=<=⨯=⎧⎫
⎪⎪⎧⎫
==⨯=
⎨⎬⎨⎬
⎩⎭
⎪⎪
⎩⎭
22 1
116.7100021.87
1014.5250.0021000250500
360
c
s
y
f bx
A mm mm
f
α⨯⨯⨯
===>⨯⨯=故纵向受力钢筋选用18@200
φ,实际2
1272
s
A mm
=
支座负筋选用18@200
φ,实际'2
1272
s
A mm
=
分布筋选用8@200
φ,实配面积:2
251mm
5.裂缝验算:
构件受力特征系数 1.9
cr
α=,18
eq
d mm
=
,
1272
0.010176
0.50.51000250
s
te
A
bh
ρ===
⨯⨯;
荷载准永久值计算弯矩
22
13.105 6.3
52.01
1010
q
qL
M kN m
⨯
===⋅
,
6.扰度验算:
0.00565
s
A
bh
ρ==
,
6.3492
s
E
c
E
E
α==
'2
1272
s s
A A mm
==
,
'
ρρ
=
所以: 1.6
θ=
楼梯踏步对刚度的贡献,这里折算系数:0.85
η=
故楼梯扰度满足要求。