楼梯设计计算书
- 格式:doc
- 大小:616.50 KB
- 文档页数:19
第五部分:承台配筋5.1单桩及二桩以上承台配筋说明本工程涉及到的单桩及二桩以上(四桩)承台厚度以及配筋均以构造要求为准,混凝土强度等级为C30,保护层厚度取到30mm,其他具体信息详见结施-045.2二桩承台——深受弯构件配筋本工程涉及到的二桩承台的混凝土强度等级为C30,保护层厚度取到30mm,配筋信息参照《2004浙G24_图集_钢筋混凝土圆桩承台》→CTn2G-XX选用表(C30混凝土,φ600圆桩)→CTn2G-19和CTn2G-20两者之间的信息进行折中选取。
有关于二桩承台的具体配筋信息详见结施-04。
第六部分:楼梯设计6.1楼梯梯段斜板设计斜板跨度可按净跨计算。
对斜板取1m 宽作为其计算单元。
6.1.1确定斜板厚度t斜板的水平投影净长12700n l mm = 斜板的斜板向净长:12270027003020()300cos 0.894nn l l mm a====斜板的厚度:21111(~)(~)3020100~120()25302530n t l x mm ===取t=100mm6.1.2荷载计算(楼梯梯段斜板)6.1.3荷载效应组合由可变荷载效应控制的组合1 1.27.0 1.4 2.011.20(/)p x x kN m =+=由永久荷载效应控制的组合2 1.357.0 1.40.7 2.011.41(/)p x x x kN m =+=>1p所以选由永久荷载效应控制的组合进行计算,取11.41(/)p kN m =斜板的内力一般只需计算跨中最大的弯距即可,考虑到斜板两端均与梁整浇,对板的约束作用,取跨中最大的弯距211.412.78.32(.)10x M kN m == 6.1.5 配筋计算0622106201002080()8.32100.1091.011.91000800.5(10.5(10.9428.3210368()3000.94280s c s S y s h mm M x a a f bh x x x r M x A mm f r h x x =-=====+=+====选用受力钢筋 10@180(2435S A mm =) 分布钢筋8@200φ其它楼梯的算法同上,具体配筋结构详见结施-13。
楼梯钢筋计算书编号:一、荷载和受力计算楼梯计算简图如下:计算公式如下:其中hh:楼梯梯板在不同受力段取不同的值,上图所示取楼梯梯板折算高度在楼梯折板处取梯板厚度,在平台处取平台厚度,在楼板处取楼板厚度荷载计算参数(单位kn/m):装修荷载Qz=1.00;活载Qh=2.00;恒载分项系数1.2,1.35活载分项系数1.4,1.4*0.7梯板负筋折减系数(ZJXS)=0.8各跑荷载及内力计算及示意图:其中:Qb--梯板均布荷载;Qbt--梯板弯折段均布荷载;Qp--平台均布荷载;Qw--楼面均布荷载;单位(KN/m);第1标准层第1跑Qb=10.826 Qbt=7.000;Qp=7.600 Qw=7.000;第1标准层第2跑Qb=10.826 Qbt=7.000;Qp=7.600 Qw=7.000;二、配筋面积计算:楼梯板底筋--Asbd(cm2):按照两端简支求出Mmax,按照Mmax配筋楼梯板负筋--Asbf(cm2):梯板负筋弯矩取Mmax*ZJXS,按此弯矩照配筋楼梯平台如果两边都有支承,按照四边简支板计算,采用分离式配筋平台板底筋--Aspd(cm2)平台板负筋--Aspf(cm2)-------------------------------------------------------- 标准层号跑数 Asbd Asbf Aspd Aspf -------------------------------------------------------- 1 1 3.38 2.67 0.00 0.001 2 3.38 2.67 0.00 0.00三、配筋结果:配筋措施:楼梯梁保护层厚度:30mm楼梯板及平台板保护层厚度:15mm受力钢筋最小直径:楼梯板受力钢筋>=8休息平台受力钢筋>=楼梯梁受力钢筋>=受力钢筋最小间距:100 mm非受力分布钢筋:受力钢筋<=8时,6@300受力钢筋=1214时,6@250受力钢筋>=14时,8@2506各跑实际配筋结果:梯板和平台配筋结果:-------------------------------------------------------------------- 标准层号跑数梯板底筋梯板分布筋梯板负筋平台底筋平台负筋--------------------------------------------------------------------1 1 8@120 8@200 8@150 8@150 8@2001 2 8@120 8@200 8@150 无无梯梁配筋结果:------------------------------------------------------------------------------------------标准层号跑数梯梁1顶纵筋梯梁1底纵筋梯梁1箍筋梯梁2底纵筋梯梁2顶纵筋梯梁2箍筋------------------------------------------------------------------------------------------1 1 216 216 8@200 无无无1 2 214 214 8@200 无无无校对:审核:审订:设计:设计单位:2019年05月11日RichTextBox2。
某住宅的钢筋混凝土平行双跑楼梯构造设计计算书设计计算书:住宅的钢筋混凝土平行双跑楼梯1.设计要求:楼梯构造设计应符合以下要求:a)满足住宅设计使用要求;b)符合当地建筑法规和规范要求;c)承受规定荷载下的安全和稳定。
2.楼梯尺寸设计:a)楼梯的高度(H):根据现场测量得到的楼层高度,确定楼梯的总高度(H)。
b)楼梯的横向宽度(B):根据规范要求和人员通行需求,确定楼梯的横向宽度(B)。
c)楼梯的踏步长度(L):根据规范要求和人员的舒适度,确定楼梯的踏步长度(L)。
3.构造荷载计算:a)楼梯自重荷载(G):根据楼梯的结构形式和材料密度,计算楼梯的自重荷载(G)。
b)楼梯使用荷载(Q):根据楼梯的使用情况和规范要求,确定楼梯的使用荷载(Q)。
4.钢筋混凝土楼梯设计:a)楼梯梁设计:根据楼梯跨度和荷载要求,设计楼梯的梁底板和梁侧墙的尺寸和钢筋数量。
b)楼梯踏步设计:根据楼梯的高度、横向宽度和踏步长度,确定楼梯的踏步数量和尺寸,并设计踏步的钢筋布置和连接方式。
c)楼梯扶手设计:根据楼梯的高度和使用要求,设计楼梯的扶手的尺寸和钢筋布置。
5.楼梯构造材料和施工要求:a)材料选择:根据楼梯的设计要求和规范要求,选择合适的钢筋混凝土材料。
b)施工要求:根据楼梯的设计和施工方案,制定合理的施工要求和检查标准。
以上是针对住宅的钢筋混凝土平行双跑楼梯的设计计算书的基本内容。
根据实际情况,还需要进行详细的计算和设计,包括荷载计算、构造设计和材料配比等。
设计阶段也需要进行必要的图纸绘制和工程量清单编制等工作。
同时,在施工过程中还需要进行质量控制和验收等程序,确保楼梯的安全和可靠性。
单跑钢楼梯设计计算书=================================================================== =一. 设计资料1 设计规范《建筑结构荷载规范 GB 50009-2012》《钢结构设计规范 GB 50017-2003》2 计算参数2.1 梯梁2.2 上平台梁2.3 下平台梁2.4 踏步2.5 上平台板2.6 下平台板3 荷载组合基本组合1.2D+1.4L1.35D+0.98L 标准组合1.0D+1.0L1.0L二. 验算结果1 楼梯内力简图1.1 轴力图1.2 剪力图1.3 弯矩图2 梯梁验算2.1 受弯强度控制工况: 1.2D+1.4L弯矩计算结果: Mmax = 11.538 kN*m(有限元计算结果) σ = Mmax / (γx * W)= 1.1538e+007 / (1.05 * 2.338e+005)= 47 N/mm2 < 215 N/mm2结果判断: 满足2.2 受剪强度控制工况: 1.2D+1.4L剪力计算结果: Vmax = 3.709 kN(有限元计算结果)τ = 1.5 * Vmax / A = 1.5 * 3709 / 3624 = 1.535 N/mm2 < 125 N/mm2 结果判断: 满足2.3 挠度控制工况: D+Lω = 4.715 mm < 4243 / 250 = 16.97 mm(有限元计算结果)结果判断: 满足控制工况: Lω = 4.249 mm < 4243 / 300 = 14.14 mm(有限元计算结果)结果判断: 满足3 上平台梁验算3.1 受弯强度控制工况: 1.2D+1.4L弯矩计算结果: Mmax = 8.756 kN*m(有限元计算结果)σ = Mmax / (γx * W)= 8.756e+006 / (1.05 * 2.338e+005)= 35.67 N/mm2 < 215 N/mm2结果判断: 满足3.2 受剪强度控制工况: 1.2D+1.4L剪力计算结果: Vmax = 9.348 kN(有限元计算结果)τ = 1.5 * Vmax / A = 1.5 * 9348 / 3624 = 3.869 N/mm2 < 125 N/mm2 结果判断: 满足3.3 挠度控制工况: D+Lω = 0.1229 mm < 4243 / 250 = 16.97 mm结果判断: 满足控制工况: Lω = 0.1113 mm < 4243 / 300 = 14.14 mm(有限元计算结果) 结果判断: 满足4 下平台梁验算4.1 受弯强度控制工况: 1.2D+1.4L弯矩计算结果: Mmax = 8.756 kN*m(有限元计算结果)σ = Mmax / (γx * W)= 8.756e+006 / (1.05 * 2.338e+005)= 35.67 N/mm2 < 215 N/mm2结果判断: 满足4.2 受剪强度控制工况: 1.2D+1.4L剪力计算结果: Vmax = 9.348 kN(有限元计算结果)τ = 1.5 * Vmax / A = 1.5 * 9348 / 3624 = 3.869 N/mm2 < 125 N/mm2 结果判断: 满足4.3 挠度控制工况: D+Lω = 0.1229 mm < 4243 / 250 = 16.97 mm(有限元计算结果)结果判断: 满足控制工况: Lω = 0.1113 mm < 4243 / 300 = 14.14 mm(有限元计算结果)结果判断: 满足5 踏步验算5.1 受弯强度控制工况: 1.2D+1.4L弯矩计算结果: Mmax = 1 / 8 * ql2 = 1.614 * 1.3 * 1.3 / 8 = 0.341kN*mσ = Mmax / (γx * W)= 0.341 / (1.05 * 4.809e+004)= 6.752 N/mm2 < 215 N/mm2结果判断: 满足5.2 受剪强度控制工况: 1.2D+1.4L剪力计算结果: Vmax = ql / 2 = 1.614 * 1.3 / 2 = 1.049 kNτ = 1.5 * Vmax / A = 1.5 * 1.049 / 2768 = 0.5685 N/mm2 < 125 N/mm2结果判断: 满足5.3 挠度控制工况: D+Lω = 5 * ql 4 / (384EI) = 5 * 1.17*1.34/ (384 * 206000 * 6797687.861) = 0.0310******* mm < 1300 / 250 = 5.2 mm结果判断: 满足控制工况: Lω = 5 * ql 4 / (384EI) = 5 * 1.05*1.34/ (384 * 206000 * 6797687.861) = 0.027******** mm < 1300 / 300 = 4.333333333 mm结果判断: 满足6 上平台板验算6.1 受弯强度控制工况: 1.2D+1.4L弯矩计算结果: Mmax = αqa2 = 0.1017 * 3.228 * 0.62 = 0.1182 kN*mσ= 6 * Mmax / (γx * t2) = 6 * 118183.536 / (1.2 * 62) = 16.414 N/mm2 < 215 N/mm2结果判断: 满足6.2 挠度控制工况: D+Lω = β * qk *a4 / (Et3) = 0.05138 * 2.34 * 12004 / (206 * 63) = 0.7538 mm < 1300 / 150 = 8.667 mm结果判断: 满足6.3 加劲肋受弯强度控制工况: 1.2D+1.4L弯矩计算结果: Mmax = ql2 / 8 = 3.228 * 1.32 / 8 = 0.6819 kN*mσ= Mmax / (γx * Wnx)= 6.819e+005 / (1.05 * 9.09e+004)= 7.145 N/mm2 < 215 N/mm2结果判断: 满足6.4 加劲肋挠度控制工况: D+Lν= 5 * qk *l4 / (384EIx) = 5 * 2.34 * 13004 / (384 * 206 * 4.29924e+006) = 0.0982583 mm < 1300 / 250 = 5.2 mm结果判断: 满足控制工况: Lν= 5 * qk *l4 / (384EIx) = 5 * 2.1 * 13004 / (384 * 206 * 4.29924e+006) = 0.0881806 mm < 1300 / 300 = 4.33333 mm结果判断: 满足7 下平台板验算7.1 受弯强度控制工况: 1.2D+1.4L弯矩计算结果: Mmax = αqa2 = 0.1017 * 3.228 * 0.62 = 0.1182 kN*mσ= 6 * Mmax / (γx * t2) = 6 * 118183.536 / (1.2 * 62) = 16.414 N/mm2 < 215 N/mm2结果判断: 满足7.2 挠度控制工况: D+Lω = β * qk *a4 / (Et3) = 0.05138 * 2.34 * 12004 / (206 * 63) = 0.7538 mm < 1300 / 150 = 8.667 mm结果判断: 满足7.3 加劲肋受弯强度控制工况: 1.2D+1.4L弯矩计算结果: Mmax = ql2 / 8 = 3.228 * 1.32 / 8 = 0.6819 kN*mσ= Mmax / (γx * Wnx)= 6.819e+005 / (1.05 * 9.09e+004)= 1.238 N/mm2 < 215 N/mm2结果判断: 满足7.4 加劲肋挠度控制工况: D+Lν= 5 * qk *l4 / (384EIx) = 5 * 2.34 * 13004 / (384 * 206 * 4.29924e+006) = 0.0982583 mm < 1300 / 250 = 5.2 mm结果判断: 满足控制工况: Lν= 5 * qk *l4 / (384EIx) = 5 * 2.1 * 13004 / (384 * 206 * 4.29924e+006) = 0.0881806 mm < 1300 / 300 = 4.33333 mm结果判断: 满足。
楼梯详细手算计算书(结构设计)平台板设计(对斜板取1m 宽作为其计算单元) (TB-1)1、确定斜板板厚度t斜板的水平投影净长 L 1n =3080 mm斜板的斜向净长 L 1n ,= L 1n /cos α=3080/(280/22280150+)=3080/0。
881=3496 mm斜板厚度t 1=(1/25~1/30)L 1n ,=(1/25~1/30)×3496=140~117 mm , 取t 1=120 mm 2、荷载计算荷载种类荷载标准值(kN/m )恒荷载栏杆自重0。
2锯齿形斜板自重 r 2(d/2+t 1/cos α)=25×(0。
15/2+0.12/0.881)=5.28 20厚面层 r 1c 1(e+d )/e=20×0。
02×(0。
28+0。
15)/0.28=0。
61板底20厚混合砂浆 r 3c 2/cos α=17×0.02/0。
881=0.39横荷载合计g 6.5 活荷载3.5注:r 1、r 2、r 3为材料容重 E 、d 为踏步宽和高 c 1为踏步面层厚度 α为楼梯斜板的倾角 t 1为斜板的厚度 c 2为板底粉刷的厚度 3、荷载效应组合由可变荷载效应控制的组合: P=1.2×6.5+1。
4×3。
5=12。
7 kN/m由永久荷载效应控制的组合: P=1.35×6.5+1.4×0。
7×3.5=12。
21 kN/m 所以选永久荷载效应控制的组合来进行计算,取P=12。
7 kN/m 4、内力计算斜板的内力一般只需计算跨中最大弯矩即可.考虑到斜板两端均与梁整体浇注,对板有约束作用,所以跨中最大弯矩取:M=Pl 1n 2/10=12.7×3。
082/10=12。
05 kN ·m 5、配筋计算h 0=t 1—20=120—20=100 mmαs =M/α1f c bh 0 2 =12.05×106 /(1。
7.楼梯计算结果楼梯1#Ⅰ、梯段板计算(滑动支座):1、ATb1(t=170)(1)荷载:附加恒荷载= 2.000kN/m2活荷载: 3.500kN/m2恒载分项系数= 1.200 ,活载分项系数: 1.400标准值(qk):斜梯段: 12.395 kN/m设计值(q):斜梯段: 15.574 kN/m准永久值(qe):斜梯段: 10.645 kN/m(2)材料:C30混凝土,f c=14.30 N/mm2,混凝土容重: 25.00 kN/mm3板纵筋等级: HRB400 ;f y=360 N/mm2梁纵筋等级: HRB400 ;f y=360 N/mm2梁箍筋等级: HRB400 ;f y=360 N/mm2(3)内力计算:计算板段截面B×H = 1000×170截面: 左中右弯矩(M): -0.000 33.852 -0.000剪力(V): 28.143 0.000 -28.143 截面验算: Vmax=28.14kN < 0.7βhftbh0=150.15kN 截面满足上部计算纵筋(As'): 0.000 0.000 0.000下部计算纵筋(As): 340.000 663.867 340.000 上纵实配: E14@150(1026,0.60%) E14@150(1026,0.60%)下纵实配: E16@150(1340,0.79%) E16@150(1340,0.79%) E16@150(1340,0.79%)挠度限值: [f]= 24.06mm验算结论: f max=23.74mm < [f]=24.06mm(4811/200), 满足。
裂缝(w): 0.000 0.074 0.000裂缝限值: [ω]= 0.40mm验算结论: ωmax=0.074mm < [ω]=0.40mm , 满足。
-------------------------------------------------------------------------------2、BTb3(t=180)(1)荷载:附加恒荷载= 2.000kN/m2活荷载: 3.500kN/m2恒载分项系数= 1.200 ,活载分项系数: 1.400标准值(qk):左平台: 10.000 kN/m 斜梯段: 12.651 kN/m设计值(q):左平台: 12.700 kN/m 斜梯段: 15.881 kN/m准永久值(qe):左平台: 8.250 kN/m 斜梯段: 10.901 kN/m(2)材料:C30混凝土,f c=14.30 N/mm2,混凝土容重: 25.00 kN/mm3板纵筋等级: HRB400 ;f y=360 N/mm2梁纵筋等级: HRB400 ;f y=360 N/mm2梁箍筋等级: HRB400 ;f y=360 N/mm2(3)内力计算:计算板段-1(左内延长): 截面B×H = 1000×180截面: 左中右弯矩(M): 0.000 14.120 14.120剪力(V): 37.436 34.864 32.292 截面验算: Vmax=37.44kN < 0.7βhftbh0=160.16kN 截面满足上部计算纵筋(As'): 0.000 0.000 0.000下部计算纵筋(As): 360.000 360.000 360.000 上纵实配: E14@150(1026,0.57%) E14@150(1026,0.57%)下纵实配: E16@150(1340,0.74%) E16@150(1340,0.74%) E16@150(1340,0.74%)裂缝(w): 0.000 0.012 0.012裂缝限值: [ω]= 0.40mm验算结论: ωmax=0.012mm < [ω]=0.40mm , 满足。
项目名称 设计者 一、示意图: LTB1计算二、基本资料: 1. 依据规范: 《建筑结构荷载规范》 (GB 50009 — 2001) 《混凝土结构设计规范》 (GB 50010 — 2002)2. 几何参数: 楼梯净跨:L 1 = 2520 mm 梯板厚:t = 130 mm 上平台楼梯梁宽度:b 1 = 200 mm 2. 荷载标准值: 2可变荷载:q = 3.50kN/m栏杆荷载:q f = 0.20kN/m 3. 材料信息:混凝土强度等级:C302f t = 1.43 N/mm钢筋强度等级:HRB335 抹灰厚度:c = 20.0 mm 梯段板纵筋合力点至近边距离:楼梯高度:H = 1567 mm 踏步数:n = 10(阶) 2面层荷载:q m = 1.70kN/m2f c = 14.30 N/mm3R c =25.0 kN/m2f y = 300.00 N/mm R s =20 kN/m 3 a s = 20 mm考虑支座嵌固作用三、计算过程:1.楼梯几何参数:踏步高度:踏步宽度:计算跨度:h = 0.1567 m b = 0.2800 mL0 = L1+b1/2-b = 2.52+0.20/2-0.28 = 2.34 mcos a = 0.8732.(1)梯段板与水平方向夹角余弦值:荷载计算(取 B = 1m 宽板带):梯段板:面层:自重:抹灰:g km = (B + B • h/b)q m = (1 + 1X 0.16/0.28) X 1.70 = 2.65 kN/mg kt = R c• B • (t/cos a+ h/2) = 25 X 1 X (0.13/0.87 + 0.16/2) = 5.68 kN/mg ks = R S -B • c/cos a = 20 X 1 X 0.02/0.87 = 0.46 kN/mP k = g km+g kt+g ks+q f = 2.65+5.68+0.46+0.20 = 8.99 kN/m3.恒荷标准值:恒荷控制:p n(G) = 1.35g k+ 1.4 • 0.7 • B • q = 1.35 X 8.99 + 1.4 X 0.7X 1 X 3.50 = 15.57 kN/m 活荷控制:P n(L) = 1.2g k + 1.4 • B • q = 1.2 X 8.99 + 1.4 X 1X 3.50 = 15.69 kN/m 荷载设计值: p n = max{ p n(G) , p n(L) } = 15.69 kN/m正截面受弯承载力计算:左端支座反力 : R l = 18.36 kN右端支座反力 : R r = 18.36 kN 最大弯矩截面距左支座的距离 : L max = 1.17 m 最大弯矩截面距左边弯折处的距离 : x = 1.17 m2M max = R l L max —P n X /22= 18.36X 1.17-15.69X 1.172/2=10.74 kN m -考虑支座嵌固折减后的最大弯矩 :M max' = 0.8 M X ax = 0.80 1X.74 = 8.59 kN m •相对受压区高度:Z = 0.050954 配筋率:p = 0.002429纵筋(1 号)计算面积: A s = 267.17 mm2支座负筋(2、3号)计算面积: A s'=A s = 267.17 mm2四、计算结果:(为每米宽板带的配筋)1.1 号钢筋计算结果(跨中)2计算面积 A s: 267.17 mm2 采用方案: D10@2002实配面积: 392.70 mm22.2/3 号钢筋计算结果(支座)2计算面积 A s': 267.17 mm2 采用方案: D10@2002实配面积: 392.70 mm23.4号钢筋计算结果采用方案:d6@2502 实配面积: 113.10 mm项目名称 设计者 一、示意图:LTB2计算二、基本资料: 1. 依据规范: 《建筑结构荷载规范》 (GB 50009 — 2001)《混凝土结构设计规范》 (GB 50010 — 2002) 2. 几何参数: 楼梯净跨:L 1 = 2520 mm 梯板厚:t = 130 mm 上平台楼梯梁宽度:b 1 = 200 mm 上平台宽:L 3 = 430 mm 2. 荷载标准值:2 可变荷载:q = 3.50kN/m 栏杆荷载:q f = 0.20kN/m3. 材料信息:混凝土强度等级:C302f t = 1.43 N/mm钢筋强度等级:HRB335 抹灰厚度:c = 20.0 mm楼梯高度:H = 1567 mm 踏步数:n = 10(阶) 下平台楼梯梁宽度:b 2 = 200 mm2 面层荷载:q m = 1.70kN/m2f c = 14.30 N/mm3R c =25.0 kN/m2f y = 300.00 N/mm R s =20 kN/m 3梯段板纵筋合力点至近边距离:a s = 20 mm考虑支座嵌固作用三、计算过程:1.楼梯几何参数:踏步高度:踏步宽度:计算跨度:h = 0.1567 mb = 0.2800 mL0 = L1+L3+(b1+b2)/2 = 2.52+0.43+(0.20+0.20)/2 = 3.15 mcos a = 0.8732.(1)梯段板与水平方向夹角余弦值:荷载计算 ( 取 B = 1m 宽板带 ):梯段板:面层:自重:抹灰:g km = (B + B - h/b)q m = (1 + 1X 0.16/0.28) X 1.70 = 2.65 kN/mg kt = R c- B - (t/cos a+ h/2) = 25 X 1 X (0.13/0.87 + 0.16/2) = 5.68 kN/mg ks = R S - B - c/cos a = 20 X 1 X 0.02/0.87 = 0.46 kN/mP k = g km+g kt+g ks+q f = 2.65+5.68+0.46+0.20 = 8.99 kN/m(2)恒荷标准值:恒荷控制:P n(G) = 1.35g k+1.4 0.7 B q = 1.35X8.99+1.4X 0.7X1X3.50 = 15.57 kN/m 活荷控制:P n(L) = 1.2g k+1.4 B q = 1.2X8.99+1.4X 1X3.50 = 15.69 kN/m 荷载设计值:P n = max{ P n(G) , P n(L) } = 15.69 kN/m平台板:面层:自重:抹灰:g km' = Bq m= 1 K70 = 1.70 kN/mg kt' = R c B・t = 25 1 沌.13 = 3.25 kN/mg ks' = R S B c = 20 1502 = 0.40 kN/mP k' = g km'+g kt'+g ks'+q f = 1.70+3.25+0.40+0.20 = 5.55 kN/m3.恒荷标准值:恒荷控制:P l(G) = 1.35g k'+1.4 0.7 B q = 1.35X5.55+1.4X0.7X1X3.50 = 10.92 kN/m 活荷控制: P l(L) = 1.2g k'+1.4 B q = 1.2X5.55+1.4X1X3.50 = 11.56 kN/m 荷载设计值: P l = max{ P l(G) , P l(L) } = 11.56 kN/m正截面受弯承载力计算:左端支座反力 : R l = 22.71 kN右端支座反力 : R r = 24.53 kN 最大弯矩截面距左支座的距离: L max = 1.59 m最大弯矩截面距左边弯折处的距离 : x = 1.06 m2M max = R l L max-[P l L3 (x+L3/2)+P n x2/2]= 22.71X 1.59-[11.56X 0.53X (1.06+0.53/2)+15.69X 1.062/2]= 19.17 kN m考虑支座嵌固折减后的最大弯矩 :M max' = 0.8 M X max = 0.80 1X9.17 = 15.34 kN m相对受压区高度:Z = 0.092969 配筋率:p = 0.004431纵筋(1 号)计算面积:A s = 487.46 mm22支座负筋 (2、3号)计算面积:A s'=A s = 487.46 mm2四、计算结果:(为每米宽板带的配筋)1. 1号钢筋计算结果 (跨中 )LTB3计算楼梯高度:H = 1567 mm2计算面积A s: 487.46 mm采用方案:D10@1102 实配面积:714.00 mm2.2/3号钢筋计算结果(支座)2计算面积A s': 487.46 mm采用方案:D10@1102实配面积:714.00 mm3.4号钢筋计算结果采用方案:d6@2502实配面积:113.10 mm4.5号钢筋计算结果采用方案:D10@1102实配面积:714.00 mm项目名称设计者、示意图:二、基本资料:1.依据规范:《建筑结构荷载规范》 (GB 50009 — 2001)《混凝土结构设计规范》(GB 50010 — 2002)2.几何参数:楼梯净跨:L1 = 2520 mm3.梯板厚 : t = 130 mm 踏步数 : n = 10( 阶 )上平台楼梯梁宽度 : b1 = 200 mm 下平台楼梯梁宽度 : b2 = 200 mm 下平台宽 : L2 = 430 mm2.荷载标准值:2可变荷载: q = 3.50kN/m 2栏杆荷载: q f = 0.20kN/m3.材料信息:混凝土强度等级 : C302f t = 1.43 N/mm 2钢筋强度等级 : HRB335抹灰厚度: c = 20.0 mm梯段板纵筋合力点至近边距离:考虑支座嵌固作用2面层荷载: q m = 1.70kN/m 2f c = 14.30 N/mm 23R c=25.0 kN/m 32f y = 300.00 N/mm 23R s=20 kN/ma s = 20 mm三、计算过程:1.楼梯几何参数:踏步高度:踏步宽度:计算跨度:h = 0.1567 mb = 0.2800 mL0 = L1+L2+(b1+b2)/2 = 2.52+0.43+(0.20+0.20)/2 = 3.15 mcos a = 0.8732.(1)梯段板与水平方向夹角余弦值:荷载计算 ( 取 B = 1m 宽板带 ):梯段板:面层:自重:抹灰:g km = (B + B • h/b)q m = (1 + 1X 0.16/0.28) X 1.70 = 2.65 kN/mg kt = R c • B • (t/cos a+ h/2) = 25 X 1 X (0.13/0.87 + 0.16/2) = 5.68 kN/mg ks = R S -B • c/cos a = 20 X 1 X 0.02/0.87 = 0.46 kN/mP k = g km+g kt+g ks+q f = 2.65+5.68+0.46+0.20 = 8.99 kN/m(2)恒荷标准值:恒荷控制:P n(G) = 1.35g k+1.4 0.7 B q = 1.35X8.99+1.4X 0.7X1X3.50 = 15.57 kN/m 活荷控制:P n(L) = 1.2g k+1.4 B q = 1.2X8.99+1.4X1X3.50 = 15.69 kN/m 荷载设计值:P n = max{ P n(G) , P n(L) } = 15.69 kN/m平台板:面层:自重:抹灰:g km' = B q m= 1 X70 = 1.70 kN/mg kt' = R c B •t = 25 1 X).13 = 3.25 kN/mg ks' = R s B c = 20 1沁.02 = 0.40 kN/mP k' = g km'+g kt'+g ks'+q f = 1.70+3.25+0.40+0.20 = 5.55 kN/m恒荷标准值:恒荷控制:P l(G) = 1.35g k'+1.4 0.7 B q = 1.35X5.55+1.4X0.7X1X3.50 = 10.92 kN/m 活荷控制: P l(L) = 1.2g k'+1.4 B q = 1.2X5.55+1.4X1X3.50 = 11.56 kN/m 荷载设计值: P l = max{ P l(G) , P l(L) } = 11.56 kN/m正截面受弯承载力计算:左端支座反力 : R l = 24.53 kN右端支座反力 : R r = 22.71 kN最大弯矩截面距左支座的距离: L max = 1.56 m最大弯矩截面距左边弯折处的距离 : x = 1.56 m期 对者2M max = R l L max — P n X /2=24.53 X 1.56 — 15.69 X 1.562/2 =19.17 kN m -考虑支座嵌固折减后的最大弯矩 :M max ' = 0.8 M X ax = 0.80 1X .17 = 15.34 kN m - 相对受压区高度:Z = 0.092969配筋率:P = 0.0044312纵筋(1 号)计算面积: A s = 487.46 mm 22支座负筋 (2、3号)计算面积: A s '=A s = 487.46 mm 2四、计算结果: (为每米宽板带的配筋 )1. 1号钢筋计算结果 (跨中 )2 计算面积 A s : 487.46 mm2 采用方案:D10@1102 实配面积: 714.00 mm 2. 2/3 号钢筋计算结果 (支座 ) 计算面积 A s ': 487.46 mm 2 采用方案: D10@1102 实配面积:714.00 mm 2 3.4 号钢筋计算结果 采用方案: d6@2502 实配面积:113.10 mm 2 4.5 号钢筋计算结果 采用方案: D10@1102 实配面积: 714.00 mm4.5 号钢筋计算结果 采用方案: D10@1002实配面积: 785.40 mm 2项目名称 设计者一、示意图:LTB4 计算二、基本资料: 1. 依据规范: 《建筑结构荷载规范》 (GB 50009 — 2001)《混凝土结构设计规范》 (GB 50010 — 2002) 2•几何参数: 楼梯净跨:L 1 = 2240 mm 梯板厚:t = 130 mm 上平台楼梯梁宽度:b 1 = 200 mm 上平台宽:L 3 = 710 mm 2. 荷载标准值:2 可变荷载:q = 3.50kN/m 栏杆荷载:q f = 0.20kN/m 3. 材料信息: 混凝土强度等级:C30 2 f t = 1.43 N/mm钢筋强度等级:HRB335 抹灰厚度:c = 20.0 mm 梯段板纵筋合力点至近边距离: 考虑支座嵌固作用楼梯高度:H = 1400 mm 踏步数:n = 9(阶) 下平台楼梯梁宽度:b 2 = 200 mm2面层荷载:q m = 1.70kN/m f c = 14.30 N/mm 2 R c =25.0 kN/m 32f y = 300.00 N/mm R s =20 kN/m 3a s = 20 mm 三、计算过程: 1. 楼梯几何参数:踏步高度: 踏步宽度:计算跨度:h = 0.1556 mb = 0.2800 mL 0 = L 1 + L 3+ (S + b 2)/2 = 2.24 + 0.71 + (0.20+ 0.20)/2 = 3.15 mcos a = 0.874 梯段板与水平方向夹角余弦值: 2. 荷载计算(取B = 1m 宽板带):(1) 梯段板:面层:自重:抹灰:g km = (B + B - h/b)q m = (1 + 1X 0.16/0.28) X 1.70 = 2.64 kN/mg kt = R c- B - (t/cos a+ h/2) = 25 X 1 X (0.13/0.87 + 0.16/2) = 5.66 kN/m g ks = R S - B - c/cos a = 20 X 1 X 0.02/0.87 = 0.46 kN/mP k = g km+g kt+g ks+q f = 2.64+5.66+0.46+0.20 = 8.96 kN/m(2)恒荷标准值:恒荷控制:P n(G) = 1.35g k+1.4 0.7 B q = 1.35X8.96+1.4X0.7X1X3.50 = 15.53 kN/m 活荷控制:P n(L) = 1.2g k + 1.4 - B - q = 1.2 X 8.96 + 1.4X 1X 3.50 = 15.66 kN/m 荷载设计值:P n = max{ P n(G) , P n(L) } = 15.66 kN/m平台板:面层:自重:抹灰:g km' = Bq m= 1 K70 = 1.70 kN/mg kt' = R c B・t = 25 1 沌.13 = 3.25 kN/mg ks' = R S B c = 20 1502 = 0.40 kN/mP k' = g km'+g kt'+g ks'+q f = 1.70+3.25+0.40+0.20 = 5.55 kN/m3.恒荷标准值:恒荷控制:P l(G) = 1.35g k'+1.4 0.7 B q = 1.35X5.55+1.4X0.7X1X3.50 = 10.92 kN/m活荷控制: P l(L) = 1.2g k'+1.4 B q = 1.2X5.55+1.4X1X3.50 = 11.56 kN/m 荷载设计值:P l = max{ P l(G) , P l(L) } = 11.56 kN/m正截面受弯承载力计算:左端支座反力 : R l = 21.77 kN右端支座反力 : R r = 24.23 kN 最大弯矩截面距左支座的距离 : L max = 1.60 m 最大弯矩截面距左边弯折处的距离 : x = 0.79 m2M max = R l L max-[P l L3 (x+L3/2)+P n x2/2]2= 21.77X1.60-[11.56X 0.81X(0.79+0.81/2)+15.66X0.792/2]= 18.75 kN m考虑支座嵌固折减后的最大弯矩 :M max' = 0.8 M X max = 0.80 1X8.75 = 15.00 kN m相对受压区高度:Z = 0.090832 配筋率:P = 0.004330纵筋(1 号)计算面积: A s = 476.26 mm2支座负筋 (2、3号)计算面积:A s'=A s = 476.26 mm2四、计算结果:(为每米宽板带的配筋)1.1 号钢筋计算结果(跨中)2计算面积 A s: 476.26 mm2 采用方案: D10@1102实配面积: 714.00 mm22.2/3 号钢筋计算结果(支座)2计算面积 A s': 476.26 mm2 采用方案: D10@1102实配面积: 714.00 mm23.4号钢筋计算结果采用方案:d6@2002 实配面积: 141.37 mm22mm 2LTB5计算4. 5号钢筋计算结果采用方案:D10@110实配面积:714.00项目名称 设计者、示意图:二、基本资料:1. 依据规范:《建筑结构荷载规范》 (GB 50009 — 2001) 《混凝土结构设计规范》 (GB 50010 — 2002)2. 几何参数:楼梯净跨:L 1 = 2240 mm 楼梯高度:H = 1400 mm 梯板厚:t = 130 mm踏步数:n = 9(阶)上平台楼梯梁宽度:b 1 = 200 mm 下平台楼梯梁宽度:b 2 = 200 mm下平台宽:L 2 = 710 mm 2. 荷载标准值:22面层荷载:q m = 1.70kN/m 2f c = 14.30 N/mmR =25.0 kN/m 3 f y = 300.00 N/mm 2可变荷载:q = 3.50kN/m栏杆荷载:q f = 0.20kN/m3. 材料信息: 混凝土强度等级:C302f t = 1.43 N/mm钢筋强度等级:HRB335抹灰厚度: c = 20.0 mm 梯段板纵筋合力点至近边距离:考虑支座嵌固作用3R s=20 kN/m 3 a s = 20 mm三、计算过程:1.楼梯几何参数:踏步高度:踏步宽度:计算跨度:h = 0.1556 mb = 0.2800 mL0 = L1+L2+(b1+b2)/2 = 2.24+0.71+(0.20+0.20)/2 = 3.15 mcos a = 0.8742.(1)梯段板与水平方向夹角余弦值:荷载计算 ( 取 B = 1m 宽板带 ):梯段板:面层:自重:抹灰:g km = (B + B • h/b)q m = (1 + 1X 0.16/0.28) X 1.70 = 2.64 kN/mg kt = R c • B • (t/cos a+ h/2) = 25 X 1 X (0.13/0.87 + 0.16/2) = 5.66 kN/mg ks = R S -B • c/cos a = 20 X 1 X 0.02/0.87 = 0.46 kN/mP k = g km+g kt+g ks+q f = 2.64+5.66+0.46+0.20 = 8.96 kN/m(2)恒荷标准值:恒荷控制:P n(G) = 1.35g k+1.4 0.7 B q = 1.35X8.96+1.4X0.7X1X3.50 = 15.53 kN/m 活荷控制:P n(L) = 1.2g k + 1.4 • B • q = 1.2 X 8.96 + 1.4X 1X 3.50 = 15.66 kN/m 荷载设计值: P n = max{ P n(G) , P n(L) } = 15.66 kN/m平台板:面层:自重:抹灰:g km' = B q m= 1 X70 = 1.70 kN/mg kt' = R c B •t = 25 1 X).13 = 3.25 kN/mg ks' = R s B c = 20 1沁.02 = 0.40 kN/mP k' = g km'+g kt'+g ks'+q f = 1.70+3.25+0.40+0.20 = 5.55 kN/m3.恒荷标准值:恒荷控制:P l(G) = 1.35g k'+1.4 0.7 B q = 1.35X5.55+1.4X0.7X1X3.50 = 10.92 kN/m活荷控制: P l(L) = 1.2g k'+1.4 B q = 1.2X5.55+1.4X1X3.50 = 11.56 kN/m 荷载设计值: P l = max{ P l(G) , P l(L) } = 11.56 kN/m正截面受弯承载力计算:左端支座反力 : R l = 24.23 kN右端支座反力 : R r = 21.77 kN 最大弯矩截面距左支座的距离 : L max = 1.55 m 最大弯矩截面距左边弯折处的距离 : x = 1.55 m2M max = R l L max-P n x /22= 24.23X 1.55-15.66X 1.552/2= 18.75 kN m考虑支座嵌固折减后的最大弯矩 :M max' = 0.8 M X max = 0.80 1X8.75 = 15.00 kN m相对受压区高度:Z = 0.090832 配筋率:p = 0.004330纵筋(1 号)计算面积: A s = 476.26 mm22支座负筋 (2、3号)计算面积: A s'=A s = 476.26 mm2四、计算结果:(为每米宽板带的配筋)1. 1号钢筋计算结果(跨中)2 计算面积 A s: 476.26mm2 采用方案: D10@1102 实配面积: 714.00 mm2 2.2/3 号钢筋计算结果(支座)2 计算面积 A s':476.26 mm2 采用方案: D10@1102 实配面积: 714.00 mm2 3.4 号钢筋计算结果采用方案: d6@2002 实配面积: 141.37 mm 4.5 号钢筋计算结果采用方案: D10@1102 实配面积: 714.00 mm。
1 梁板式楼梯:TB1-11.1 基本资料1.1.1 工程名称:C车间1.1.2 楼梯类型:板式 A 型(╱)支座条件:两端弹性1.1.3 踏步段水平净长 Lsn = 3780mm 梯板净跨度 Ln = Lsn = 3780mm 梯板净宽度 B = 1800mm1.1.4 低端支座宽度 dl = 180mm 高端支座宽度 dh = 180mm计算跨度 Lo = Min{Ln + (dl + dh) / 2, 1.05Ln} = Min{3960, 3969} = 3960mm1.1.5 梯板厚度 h1 = 130mm1.1.6 踏步段总高度 Hs = 2500mm 楼梯踏步级数 n = 151.1.7 线性恒荷标准值 Pk = 1kN/m 均布活荷标准值 qk = 3.5kN/m ψc = 0.7 ψq = 0.41.1.8 面层厚度 c1 = 25mm 面层容重γc1 =20kN/m 顶棚厚度 c2 = 20mm 顶棚容重γc2 =18kN/m1.1.9 楼梯自重容重γb = 25kN/m1.1.10 混凝土强度等级: C25 fc = 11.9N/mm ft = 1.27N/mmftk = 1.78N/mm Ec = 27871N/mm1.1.11 钢筋强度设计值 fy = 360N/mm Es = 200000N/mm纵筋合力点至近边距离 as = 25mm1.2 楼梯几何参数1.2.1 踏步高度 hs = Hs / n = 2500/15 = 166.7mm踏步宽度 bs = Lsn / (n - 1) = 3780/(15-1) = 270mm踏步段斜板的倾角α = ArcTan(hs / bs) = ArcTan(166.7/270) = 31.7°踏步段斜板的长度 Lx = Lsn / Cosα = 3780/Cos31.7°= 4442mm1.2.2 踏步段梯板厚的垂直高度 h1' = h1 / Cosα = 130/Cos31.7°= 153mm 踏步段梯板平均厚度 T = (hs + 2 * h1') / 2 = (167+2*153)/2 = 236mm1.2.3 梯板有效高度 h1o = h1 - as = 130-25 = 105mm1.3 均布永久荷载标准值1.3.1 梯板上的线形荷载换算成均布永久荷载 gk1 = Pk / B = 1/1.8 = 0.56kN/m1.3.2 梯板自重 gk2 =γb * T = 25*0.236 = 5.90kN/m 1.3.3 踏步段梯板面层自重gk3 =γc1 * c1 * (n - 1) * (hs + bs) / Ln= 20*0.025*(15-1)*(0.167+0.27)/3.78 = 0.81kN/m1.3.4 梯板顶棚自重 gk4' =γc2 * c2 = 18*0.02 = 0.36kN/mgk4 = gk4' * Lx / Ln = 0.36*4.442/3.78 = 0.42kN/m1.3.5 均布荷载标准值汇总 gk = gk1 + gk2 + gk3 + gk4 = 7.69kN/m1.4 均布荷载设计值由可变荷载控制的 p(L) = 1.2 * gk + 1.4 * qk = 14.13kN/m由永久荷载控制的 p(D) = 1.35 * gk + 1.4 * ψc * qk = 13.81kN/m最不利的荷载设计值 p = Max{p(L), p(D)} = 14.13kN/m1.5 支座反力永久荷载作用下均布反力标准值 Rk(D) = 14.53kN/m可变荷载作用下均布反力标准值 Rk(L) = 6.62kN/m最不利的均布反力基本组合值 R = 26.70kN/m1.6 梯板斜截面受剪承载力计算Vmax ≤ 0.7 * ft * b * hoVmax = 0.5 * p * Ln * Cosα = 0.5*14.13*3.78*Cos31.7°= 22.7kN0.7 * ft * b * ho = 0.7*1.27*1000*0.105= 93.4kN ≥ Vmax = 22.7kN,满足要求。
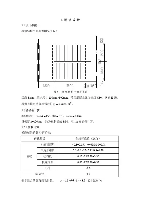
5 楼 梯 设 计5.1设计参数楼梯结构平面布置图见图6-1:层高3.6m ,踏步尺寸150mm×300mm ,采用混凝土强度等级C30,钢筋Ц级,楼梯上均布活荷载标准值2/5.3m KN q k =。
5.2楼梯板计算板倾斜度 5.0300/150tan ==α,894.0cos =α设板厚h=120mm ,约为板斜长的1/30,取1m 宽板带计算。
5.2.1荷载计算梯段板的荷载列于下表:基本组合的总荷载设计值: 1.2 6.6 1.4 3.512.82/p KN m =⨯+⨯=5.2.1.1截面设计板水平计算跨度弯矩设计值:16.61KN·m板的有效高度:590.20mm2选φ10@130,实有As=604mm2分布筋每级踏步1根8φ。
5.3平台板计算设平台板厚70h m m=,取1m宽板带计算。
5.3.1荷载计算平台板的荷载:基本组合的总荷载设计值: 1.2 2.74 1.4 3.58.19/p KN m=⨯+⨯=5.3.2截面设计平台板的计算跨度l0=1.8-0.2/2+0.12/2=1.76m弯矩设计值:2.54KN ·m板的有效高度:0702050h m m =-=175.818mm 2选φ6@150,实有As=189mm 2 5.4平台梁计算设平台梁截面尺寸为200350m m m m ⨯ 5.4.1荷载计算 平台梁的荷载:基本组合的总荷载设计值5.4.2截面设计计算跨度 l 0=1.05l m =1.05(4.0-0.24)=3.948 内力设计值69.13KN ·m截面按倒L形计算,梁的有效高度经判别属第一类T形截面。
767.17mm2选4φ16,实有As=804mm2,满足要求。
斜截面受剪承载力计算:配置箍筋6@200,则斜截面受剪承载力==96492N>66700N满足要求。
1、梯段板A . 混凝土:混凝土强度等级采用C fc =MPaα1·fc =×=MPa ft =MPa ftk =MPaMPaβ1 =εcu=B . 非预应力普通钢筋:采用级钢(HPB235)Es =Mpa fy=fy ´=MpaC. 截面参数输入ξb =β1/[1+fy/(Es×εcu)]=梯段板厚TB :h=mm 踏步尺寸:B=mm H=mm踏步面层荷载:g=KN/m 2标准值0.65KN/m 2为水磨石面层板水平计算跨度:Ln 1=m即踏步的水平总长度活荷载标准值:Q=N/mm 2板倾斜度:tg α=H/B=cos α=梯段板的荷载:取b=1m 宽板带计算恒载:踏步面层(B+H)*g*1/B=三角形踏步1/2*B*H*25*1/B=1/2*H*25=斜板h*25*1/cos α=KN/m 板底抹灰0.02*17*1/cos α=KN/m①恒载控制时:荷载设计值:q 恒=1.35*G 1+0.7*1.4*Q=KN/m ②活载控制时:荷载设计值:q 活=1.2*G 1+1.4*Q=KN/m >q 恒=KN/m ∴由活载控制荷载设计值:q=q活=弯矩设计值M=1/*q*Ln 12=KN.mho=h-=mm钢筋系数:a s =M/(α1fc*b*ho 2)*106=ξ=1-√(1-2a s )=<ξb =∴可以配筋:As=ξ*b*ho*α1fc/fy=mm 2@实际选@As=mm 2比计算值大%2、平台板:恒载设平台板厚h'=mm 取b=1m 宽板带计算平台板面层g=KN/m 2楼梯开间L=m 平台板净宽Ln 2=m110700.653.61.810635 1.8751000.1291012.423.35411.3411.471412.3710123.62100.800.003300.9750.1390.61411.40.382011.349.60 1.101.54Ec =2.55E+04Ⅰ 2.1E+050.651502.53.3209.6 1.009.60.613951203000.50.894板水平计算跨度Lo=Ln 2-b/(103*2)+0.12/2=m 此处b 为平台梁宽,见下面平台板h'/1000*25=KN/m 板底抹灰0.02*17=KN/m 小计G 2=KN/m总计G 3=g+G 2=KN/m荷载设计值:q=1.2*G 3+1.4*Q=KN/m 弯矩设计值M=1/*q*Lo 2=KN.mho=h'-=mm钢筋系数:a s =M/(α1fc*b*ho 2)*106=ξ=1-√(1-2a s )=<ξb =∴可以配筋:As=ξ*b*ho*α1fc/fy=mm2@实际选@As=mm 2比计算值大%3、平台梁设平台梁截面b×h 1 =×ho=h 1-=mm梁自重b*(h 1-h')*25=KN/m 梁侧粉刷0.02*(h 1-h')*2*17=KN/m平台板传来G 3*Ln 2/2=KN/m 小计G 4=KN/m 恒载梯段板传来G 1*Ln 1/2=KN/m 活荷载Q'=Q*(Ln 1/2+Ln 2/2)=KN/m①恒载控制时:荷载设计值:q 恒=1.35*G 4+0.7*1.4*Q'=KN/m ②活载控制时:荷载设计值:q 活=1.2*G 4+1.4*Q'=KN/m >q 恒=KN/m ∴由活载控制荷载设计值:q=q活=计算跨度:Lo=1.05Ln=1.05(L-0.24)=m 弯矩设计值M=1/8*q*Lo 2=KN.m剪力设计值V=1/2*q*Ln=1/2*q*(L-0.24)=KN A. 混凝土:混凝土强度等级采用 C fc =MPaα1·fc =×=MPa ft =MPa ftk =MPaMPaβ1 =εcu=B. 非预应力普通钢筋:采用级钢(HRB335)Es =Mpafy=fy ´=Mpaξb =β1/[1+fy/(Es×εcu)]=钢筋系数:a s =M/(α1fc*b*ho 2)*106=6106.41002.0E+053000.551.101.54Ec =2.55E+040.800.0033010.869.60209.6 1.009.6Ⅱ2.46620035045.073100.226406.3753.52841.740.6146282.7 6.3851.40.19 1.761.750.342050 2.092.74265.82.6286.78880.110.11626.3926.8326.3926.8314.92ξ=1-√(1-2a s )=<ξb =∴可以配筋:As=ξ*b*ho*α1fc/fy=mm2实际选As=mm 2比计算值大%4、梁剪力验算∵h w /b=≤4∴属厚腹梁截面高度影响系数计算∵ho ≤∴取ho=mm∴截面高度影响系数βh =(800/ho)1/4=剪力设计值V=KN ≤0.25fc*b*ho=KN 截面高度符合要求≤0.7βh *f t *b*ho=KN 构造配箍箍筋抗拉强度设计值:fyv=Mpa 设箍筋为@采用肢箍单肢箍筋面积Asv=mm 2∵0.7f t *b*ho+1.25*fyv*Asv/s*ho=KN ≥V=KN∴可以箍筋的配筋率ρsv=Asv/(b s )=%≥ρsv min=f t /fyv=%∴可以0.1410.240.12645.07148.847.742106200228.2770.7545.071631.752.566603.21616.918001800>2000515.90.550.26MpaMpam2可以。
第九章楼梯计算按任务书的要求计算1﹟楼梯第四层。
踏步均为150m m×300mm,采用C25混凝土,fc=11.9N/mm2 , ft=1.27N/mm2 板采用HPB300钢筋、梁纵筋采用HRB335钢筋。
楼梯剖面图如下:图.1图1楼梯平面图如下:图2图2第一节 梯段板的计算一、计算简图梯段板按斜放的简支梁计算,它的正截面是与梯段板垂直的,楼梯的活荷载按水平投影面计算,计算跨度取平台梁间的斜长净距'n ,设n 为梯段板的水平净跨长。
(一) 四层梯段板计算简图见图1所示: 取板厚为h =120mm ,板的倾斜度tg α =150/300=0.50, cos α=0.894 , 取1m 宽板带计算二、荷载计算第一跑取活载起控制作用,荷载设计值:P= 1.2×6.67+1.4×2.5=12.90 KN/m三、截面设计2层梯段板TB —1: 内力计算板水平计算跨度l n =3.3m ,考虑到梯段板与平台梁整浇,平台对斜板的转动变形有一定的约束作用,故计算板的跨中正弯矩时常取: 2m ax /10n M Pl ==12.90×3.32/10=14.05 KN.m 配筋计算板的有效高度h 0=h-a s =120-20=100mm 。
s α=M/(α1f c bh 02)=14.05×106/(1.0×11.9×1000×1002) =0.1181120.1150.9422s γ+-⨯===0.937 ==0/h f M A y s s γ14.05×106/(0.937×270×100)=714.03mm 2实际配钢筋10φ@110 (As=714mm 2),在垂直于受力钢筋方向按构造设置分布筋,分布筋每级踏步1根φ8,梯段配筋详见施工图。
第二节 平台板计算设平台板厚h=100mm ,取1 m 宽板带作为计算单元。
板式楼梯计算书(五种类型)类型一一、构件编号:LT-1二、示意图:三、基本资料:1.依据规范:《建筑结构荷载规范》(GB 50009-2001)《混凝土结构设计规范》(GB 50010-2002)2.几何参数:楼梯净跨: L1 = 2000 mm 楼梯高度: H = 1500 mm梯板厚: t = 100 mm 踏步数: n = 10(阶)上平台楼梯梁宽度: b1 = 200 mm下平台楼梯梁宽度: b2 = 200 mm3.荷载标准值:可变荷载:q = 2.50kN/m2面层荷载:q m = 1.70kN/m2栏杆荷载:q f = 0.20kN/m永久荷载分项系数: γG = 1.20 可变荷载分项系数: γQ = 1.40准永久值系数: ψq = 0.504.材料信息:混凝土强度等级: C20 f c = 9.60 N/mm2f t = 1.10 N/mm2R c=25.0 kN/m3f tk = 1.54 N/mm2E c= 2.55×104 N/mm2钢筋强度等级: HPB235 f y = 210 N/mm2E s= 2.10×105 N/mm2保护层厚度:c = 20.0 mm R s=20 kN/m3受拉区纵向钢筋类别:光面钢筋梯段板纵筋合力点至近边距离:a s = 25.00 mm支座负筋系数:α = 0.25四、计算过程:1. 楼梯几何参数:踏步高度:h = 0.1500 m踏步宽度:b = 0.2222 m计算跨度:L0 = L1+(b1+b2)/2 = 2.00+(0.20+0.20)/2 = 2.20 m梯段板与水平方向夹角余弦值:cosα = 0.8292. 荷载计算( 取 B = 1m 宽板带):(1) 梯段板:面层:g km = (B+B*h/b)*q m = (1+1*0.15/0.22)*1.70 = 2.85 kN/m自重:g kt = R c*B*(t/cosα+h/2) = 25*1*(0.10/0.829+0.15/2) = 4.89 kN/m抹灰:g ks = R S*B*c/cosα = 20*1*0.02/0.829 = 0.48 kN/m恒荷标准值:P k = g km+g kt+g ks+q f = 2.85+4.89+0.48+0.20 = 8.42 kN/m恒荷控制:P n(G) = 1.35*P k+γQ*0.7*B*q = 1.35*8.42+1.40*0.7*1*2.50 = 13.82 kN/m活荷控制:P n(L) = γG*P k+γQ*B*q = 1.20*8.42+1.40*1*2.50 = 13.61 kN/m荷载设计值:P n = max{ P n(G) , P n(L) } = 13.82 kN/m3. 正截面受弯承载力计算:左端支座反力: R l = 15.20 kN右端支座反力: R r = 15.20 kN最大弯矩截面距左支座的距离: L max = 1.10 m最大弯矩截面距左边弯折处的距离: x = 1.10 mM max = R l*L max-P n*x2/2= 15.20*1.10-13.82*1.102/2= 8.36 kN·m相对受压区高度:ζ= 0.169123 配筋率:ρ= 0.007731纵筋(1号)计算面积:A s = 579.85 mm2支座负筋(2、3号)计算面积:A s'=α*A s = 0.25*579.85 = 144.96 mm2五、计算结果:(为每米宽板带的配筋)1.1号钢筋计算结果(跨中)计算面积A s:579.85 mm2采用方案:d10@100实配面积: 785 mm22.2/3号钢筋计算结果(支座)计算面积A s':144.96 mm2采用方案:d6@140实配面积: 202 mm23.4号钢筋计算结果采用方案:d6@200实配面积: 141 mm2六、跨中挠度计算:Mk -------- 按荷载效应的标准组合计算的弯矩值Mq -------- 按荷载效应的准永久组合计算的弯矩值1.计算标准组合弯距值Mk:Mk = M gk+M qk= (q gk + q qk)*L02/8= (8.42 + 2.500)*2.202/8= 6.607 kN*m2.计算永久组合弯距值Mq:Mq = M gk+M qk= (q gk+ ψq*q qk)*L02/8= (8.42 + 0.50*2.500)*2.202/8= 5.851 kN*m3.计算受弯构件的短期刚度 B s1) 计算按荷载荷载效应的标准组合作用下,构件纵向受拉钢筋应力σsk = Mk/(0.87*h0*As) (混凝土规范式 8.1.3-3)= 6.607×106/(0.87*75*785)= 128.932 N/mm2) 计算按有效受拉混凝土截面面积计算的纵向受拉钢筋配筋率矩形截面积: A te = 0.5*b*h = 0.5*1000*100= 50000 mm2ρte = As/A te (混凝土规范式 8.1.2-4)= 785/50000= 1.571%3) 计算裂缝间纵向受拉钢筋应变不均匀系数ψψ = 1.1-0.65*f tk/(ρte*σsk) (混凝土规范式 8.1.2-2)= 1.1-0.65*1.54/(1.571%*128.932)= 0.6064) 计算钢筋弹性模量与混凝土模量的比值αEαE = E S/E C= 2.10×105/(2.55×104)= 8.2355) 计算受压翼缘面积与腹板有效面积的比值γf矩形截面,γf = 06) 计算纵向受拉钢筋配筋率ρρ = As/(b*h0)= 785/(1000*75)= 1.047%7) 计算受弯构件的短期刚度 B SB S = E S*As*h02/[1.15*ψ+0.2+6*αE*ρ/(1+ 3.5*γf)](混凝土规范式8.2.3--1)= 2.10×105*785*752/[1.15*0.606+0.2+6*8.235*1.047%/(1+3.5*0.0)]= 6.561×102 kN*m24.计算受弯构件的长期刚度B1) 确定考虑荷载长期效应组合对挠度影响增大影响系数θ当ρ`=0时,θ=2.0 (混凝土规范第 8.2.5 条)2) 计算受弯构件的长期刚度 BB = Mk/(Mq*(θ-1)+Mk)*B S (混凝土规范式 8.2.2)= 6.607/(5.851*(2.0-1)+6.607)*6.561×102= 3.480×102 kN*m25.计算受弯构件挠度f max = 5*(q gk+q qk)*L04/(384*B)= 5*(8.42+2.500)*2.204/(384*3.480×102)= 9.574 mm6.验算挠度挠度限值f0=L0/200=2.20/200=11.000 mmf max=9.574mm≤f0=11.000mm,满足规范要求!七、裂缝宽度验算:1.计算标准组合弯距值Mk:Mk = M gk+M qk= (q gk + q qk)*L02/8= (8.42 + 2.500)*2.202/8= 6.607 kN*m2.光面钢筋,所以取值V i=0.73.C = 204.计算按荷载荷载效应的标准组合作用下,构件纵向受拉钢筋应力σsk = Mk/(0.87*h0*As) (混凝土规范式 8.1.3-3)= 6.607×106/(0.87*75.00*785)= 128.932 N/mm5.计算按有效受拉混凝土截面面积计算的纵向受拉钢筋配筋率矩形截面积: A te = 0.5*b*h = 0.5*1000*100= 50000 mm2ρte = As/A te (混凝土规范式 8.1.2-4)= 785/50000= 1.571%6.计算裂缝间纵向受拉钢筋应变不均匀系数ψψ = 1.1-0.65*f tk/(ρte*σsk) (混凝土规范式 8.1.2-2)= 1.1-0.65*1.54/(1.571%*128.932)= 0.6067.计算单位面积钢筋根数nn = 1000/s= 1000/100= 108.计算受拉区纵向钢筋的等效直径d eqd eq= (∑n i*d i2)/(∑n i*V i*d i)= 10*102/(10*0.7*10)= 149.计算最大裂缝宽度ωmax=αcr*ψ*σsk/E S*(1.9*C+0.08*d eq/ρte) (混凝土规范式 8.1.2-1)= 2.1*0.606*128.932/2.1×105*(1.9*20+0.08*14/1.571%)= 0.0854 mm≤ 0.30 mm,满足规范要求类型二一、构件编号:LT-1二、示意图:三、基本资料:1.依据规范:《建筑结构荷载规范》(GB 50009-2001)《混凝土结构设计规范》(GB 50010-2002)2.几何参数:楼梯净跨: L1 = 2000 mm 楼梯高度: H = 1500 mm梯板厚: t = 100 mm 踏步数: n = 10(阶)上平台楼梯梁宽度: b1 = 200 mm上平台楼梯梁宽度: b1 = 200 mm3.荷载标准值:可变荷载:q = 2.50kN/m2面层荷载:q m = 1.70kN/m2栏杆荷载:q f = 0.20kN/m永久荷载分项系数: γG = 1.20 可变荷载分项系数: γQ = 1.40准永久值系数: ψq = 0.504.材料信息:混凝土强度等级: C20 f c = 9.60 N/mm2f t = 1.10 N/mm2R c=25.0 kN/m3f tk = 1.54 N/mm2E c= 2.55×104 N/mm2钢筋强度等级: HPB235 f y = 210 N/mm2E s= 2.10×105 N/mm2保护层厚度:c = 20.0 mm R s=20 kN/m3受拉区纵向钢筋类别:光面钢筋梯段板纵筋合力点至近边距离:a s = 25.00 mm支座负筋系数:α = 0.25四、计算过程:1. 楼梯几何参数:踏步高度:h = 0.1500 m踏步宽度:b = 0.2222 m计算跨度:L0 = L1+b1/2-b = 2.00+0.20/2-0.22 = 1.88 m梯段板与水平方向夹角余弦值:cosα = 0.8292. 荷载计算( 取 B = 1m 宽板带):(1) 梯段板:面层:g km = (B+B*h/b)*q m = (1+1*0.15/0.22)*1.70 = 2.85 kN/m自重:g kt = R c*B*(t/cosα+h/2) = 25*1*(0.10/0.829+0.15/2) = 4.89 kN/m抹灰:g ks = R S*B*c/cosα = 20*1*0.02/0.829 = 0.48 kN/m恒荷标准值:P k = g km+g kt+g ks+q f = 2.85+4.89+0.48+0.20 = 8.42 kN/m恒荷控制:P n(G) = 1.35*P k+γQ*0.7*B*q = 1.35*8.42+1.40*0.7*1*2.50 = 13.82 kN/m活荷控制:P n(L) = γG*P k+γQ*B*q = 1.20*8.42+1.40*1*2.50 = 13.61 kN/m荷载设计值:P n = max{ P n(G) , P n(L) } = 13.82 kN/m3. 正截面受弯承载力计算:左端支座反力: R l = 12.97 kN右端支座反力: R r = 12.97 kN最大弯矩截面距左支座的距离: L max = 0.94 m最大弯矩截面距左边弯折处的距离: x = 0.94 mM max = R l*L max-P n*x2/2= 12.97*0.94-13.82*0.942/2= 6.09 kN·m相对受压区高度:ζ= 0.119990 配筋率:ρ= 0.005485纵筋(1号)计算面积:A s = 411.39 mm2支座负筋(2、3号)计算面积:A s'=α*A s = 0.25*411.39 = 102.85 mm2五、计算结果:(为每米宽板带的配筋)1.1号钢筋计算结果(跨中)计算面积A s:411.39 mm2采用方案:d10@100实配面积: 785 mm22.2/3号钢筋计算结果(支座)计算面积A s':102.85 mm2采用方案:d6@140实配面积: 202 mm23.4号钢筋计算结果采用方案:d6@200实配面积: 141 mm2六、跨中挠度计算:Mk -------- 按荷载效应的标准组合计算的弯矩值Mq -------- 按荷载效应的准永久组合计算的弯矩值1.计算标准组合弯距值Mk:Mk = M gk+M qk= (q gk + q qk)*L02/8= (8.42 + 2.500)*1.882/8= 4.814 kN*m2.计算永久组合弯距值Mq:Mq = M gk+M qk= (q gk+ ψq*q qk)*L02/8= (8.42 + 0.50*2.500)*1.882/8= 4.263 kN*m3.计算受弯构件的短期刚度 B s1) 计算按荷载荷载效应的标准组合作用下,构件纵向受拉钢筋应力σsk = Mk/(0.87*h0*As) (混凝土规范式 8.1.3-3)= 4.814×106/(0.87*75*785)= 93.930 N/mm2) 计算按有效受拉混凝土截面面积计算的纵向受拉钢筋配筋率矩形截面积: A te = 0.5*b*h = 0.5*1000*100= 50000 mm2ρte = As/A te (混凝土规范式 8.1.2-4)= 785/50000= 1.571%3) 计算裂缝间纵向受拉钢筋应变不均匀系数ψψ = 1.1-0.65*f tk/(ρte*σsk) (混凝土规范式 8.1.2-2)= 1.1-0.65*1.54/(1.571%*93.930)= 0.4224) 计算钢筋弹性模量与混凝土模量的比值αEαE = E S/E C= 2.10×105/(2.55×104)= 8.2355) 计算受压翼缘面积与腹板有效面积的比值γf矩形截面,γf = 06) 计算纵向受拉钢筋配筋率ρρ = As/(b*h0)= 785/(1000*75)= 1.047%7) 计算受弯构件的短期刚度 B SB S = E S*As*h02/[1.15*ψ+0.2+6*αE*ρ/(1+ 3.5*γf)](混凝土规范式8.2.3--1)= 2.10×105*785*752/[1.15*0.422+0.2+6*8.235*1.047%/(1+3.5*0.0)]= 7.717×102 kN*m24.计算受弯构件的长期刚度B1) 确定考虑荷载长期效应组合对挠度影响增大影响系数θ当ρ`=0时,θ=2.0 (混凝土规范第 8.2.5 条)2) 计算受弯构件的长期刚度 BB = Mk/(Mq*(θ-1)+Mk)*B S (混凝土规范式 8.2.2)= 4.814/(4.263*(2.0-1)+4.814)*7.717×102= 4.093×102 kN*m25.计算受弯构件挠度f max = 5*(q gk+q qk)*L04/(384*B)= 5*(8.42+2.500)*1.884/(384*4.093×102)= 4.320 mm6.验算挠度挠度限值f0=L0/200=1.88/200=9.389 mmf max=4.320mm≤f0=9.389mm,满足规范要求!七、裂缝宽度验算:1.计算标准组合弯距值Mk:Mk = M gk+M qk= (q gk + q qk)*L02/8= (8.42 + 2.500)*1.882/8= 4.814 kN*m2.光面钢筋,所以取值V i=0.73.C = 204.计算按荷载荷载效应的标准组合作用下,构件纵向受拉钢筋应力σsk = Mk/(0.87*h0*As) (混凝土规范式 8.1.3-3)= 4.814×106/(0.87*75.00*785)= 93.930 N/mm5.计算按有效受拉混凝土截面面积计算的纵向受拉钢筋配筋率矩形截面积: A te = 0.5*b*h = 0.5*1000*100= 50000 mm2ρte = As/A te (混凝土规范式 8.1.2-4)= 785/50000= 1.571%6.计算裂缝间纵向受拉钢筋应变不均匀系数ψψ = 1.1-0.65*f tk/(ρte*σsk) (混凝土规范式 8.1.2-2)= 1.1-0.65*1.54/(1.571%*93.930)= 0.4227.计算单位面积钢筋根数nn = 1000/s= 1000/100= 108.计算受拉区纵向钢筋的等效直径d eqd eq= (∑n i*d i2)/(∑n i*V i*d i)= 10*102/(10*0.7*10)= 149.计算最大裂缝宽度ωmax=αcr*ψ*σsk/E S*(1.9*C+0.08*d eq/ρte) (混凝土规范式 8.1.2-1) = 2.1*0.422*93.930/2.1×105*(1.9*20+0.08*14/1.571%)= 0.0433 mm≤ 0.30 mm,满足规范要求类型三一、构件编号:LT-1二、示意图:三、基本资料:1.依据规范:《建筑结构荷载规范》(GB 50009-2001)《混凝土结构设计规范》(GB 50010-2002)2.几何参数:楼梯净跨: L1 = 2000 mm 楼梯高度: H = 1500 mm梯板厚: t = 100 mm 踏步数: n = 10(阶)上平台楼梯梁宽度: b1 = 200 mm下平台楼梯梁宽度: b2 = 200 mm下平台宽: L2 = 300 mm3.荷载标准值:可变荷载:q = 2.50kN/m2面层荷载:q m = 1.70kN/m2栏杆荷载:q f = 0.20kN/m永久荷载分项系数: γG = 1.20 可变荷载分项系数: γQ = 1.40准永久值系数: ψq = 0.504.材料信息:混凝土强度等级: C20 f c = 9.60 N/mm2f t = 1.10 N/mm2R c=25.0 kN/m3f tk = 1.54 N/mm2E c = 2.55×104 N/mm2钢筋强度等级: HPB235 f y = 210 N/mm2E s = 2.10×105 N/mm2保护层厚度:c = 20.0 mm R s=20 kN/m3受拉区纵向钢筋类别:光面钢筋梯段板纵筋合力点至近边距离:a s = 25.00 mm支座负筋系数:α = 0.25四、计算过程:1. 楼梯几何参数:踏步高度:h = 0.1500 m踏步宽度:b = 0.2222 m计算跨度:L0 = L1+L2+(b1+b2)/2 = 2.00+0.30+(0.20+0.20)/2 = 2.50 m梯段板与水平方向夹角余弦值:cosα = 0.8292. 荷载计算( 取 B = 1m 宽板带):(1) 梯段板:面层:g km = (B+B*h/b)*q m = (1+1*0.15/0.22)*1.70 = 2.85 kN/m自重:g kt = R c*B*(t/cosα+h/2) = 25*1*(0.10/0.829+0.15/2) = 4.89 kN/m抹灰:g ks = R S*B*c/cosα = 20*1*0.02/0.829 = 0.48 kN/m恒荷标准值:P k = g km+g kt+g ks+q f = 2.85+4.89+0.48+0.20 = 8.42 kN/m恒荷控制:P n(G) = 1.35*P k+γQ*0.7*B*q = 1.35*8.42+1.40*0.7*1*2.50 = 13.82 kN/m活荷控制:P n(L) = γG*P k+γQ*B*q = 1.20*8.42+1.40*1*2.50 = 13.61 kN/m荷载设计值:P n = max{ P n(G) , P n(L) } = 13.82 kN/m(2) 平台板:面层:g km' = B*q m = 1*1.70 = 1.70 kN/m自重:g kt' = R c*B*t = 25*1*0.10 = 2.50 kN/m抹灰:g ks' = R S*B*c = 20*1*0.02 = 0.40 kN/m恒荷标准值:P k' = g km'+g kt'+g ks'+q f = 1.70+2.50+0.40+0.20 = 4.80 kN/m 恒荷控制:P l(G) = 1.35*P k'+γQ*0.7*B*q = 1.35*4.80+1.40*0.7*1*2.50 = 8.93 kN/m活荷控制:P l(L) = γG*P k+γQ*B*q = 1.20*4.80+1.40*1*2.50 = 9.26 kN/m荷载设计值:P l = max{ P l(G) , P l(L) } = 9.26 kN/m3. 正截面受弯承载力计算:左端支座反力: R l = 17.13 kN右端支座反力: R r = 15.60 kN最大弯矩截面距左支座的距离: L max = 1.24 m最大弯矩截面距左边弯折处的距离: x = 1.24 mM max = R l*L max-P n*x2/2= 17.13*1.24-13.82*1.242/2= 10.61 kN·m相对受压区高度:ζ= 0.220978 配筋率:ρ= 0.010102纵筋(1号)计算面积:A s = 757.64 mm2支座负筋(2、3号)计算面积:A s'=α*A s = 0.25*757.64 = 189.41 mm2五、计算结果:(为每米宽板带的配筋)1.1号钢筋计算结果(跨中)计算面积A s:757.64 mm2采用方案:d10@100实配面积: 785 mm22.2/3号钢筋计算结果(支座)计算面积A s':189.41 mm2采用方案:d6@140实配面积: 202 mm23.4号钢筋计算结果采用方案:d6@200实配面积: 141 mm24.5号钢筋计算结果采用方案:d10@100实配面积: 785 mm2六、跨中挠度计算:Mk -------- 按荷载效应的标准组合计算的弯矩值Mq -------- 按荷载效应的准永久组合计算的弯矩值1.计算标准组合弯距值Mk:Mk = M gk+M qk= (q gk + q qk)*L02/8= (8.42 + 2.500)*2.502/8= 8.532 kN*m2.计算永久组合弯距值Mq:Mq = M gk+M qk= (q gk + ψq*q qk)*L02/8= (8.42 + 0.50*2.500)*2.502/8= 7.556 kN*m3.计算受弯构件的短期刚度 B s1) 计算按荷载荷载效应的标准组合作用下,构件纵向受拉钢筋应力σsk = Mk/(0.87*h0*As) (混凝土规范式 8.1.3-3)= 8.532×106/(0.87*75*785)= 166.493 N/mm2) 计算按有效受拉混凝土截面面积计算的纵向受拉钢筋配筋率矩形截面积: A te = 0.5*b*h = 0.5*1000*100= 50000 mm2ρte = As/A te (混凝土规范式 8.1.2-4)= 785/50000= 1.571%3) 计算裂缝间纵向受拉钢筋应变不均匀系数ψψ = 1.1-0.65*f tk/(ρte*σsk) (混凝土规范式 8.1.2-2) = 1.1-0.65*1.54/(1.571%*166.493)= 0.7174) 计算钢筋弹性模量与混凝土模量的比值αEαE = E S/E C= 2.10×105/(2.55×104)= 8.2355) 计算受压翼缘面积与腹板有效面积的比值γf矩形截面,γf = 06) 计算纵向受拉钢筋配筋率ρρ = As/(b*h0)= 785/(1000*75)= 1.047%7) 计算受弯构件的短期刚度 B SB S = E S*As*h02/[1.15*ψ+0.2+6*αE*ρ/(1+ 3.5*γf)](混凝土规范式8.2.3--1)= 2.10×105*785*752/[1.15*0.717+0.2+6*8.235*1.047%/(1+3.5*0.0)]= 6.015×102 kN*m24.计算受弯构件的长期刚度B1) 确定考虑荷载长期效应组合对挠度影响增大影响系数θ当ρ`=0时,θ=2.0 (混凝土规范第 8.2.5 条)2) 计算受弯构件的长期刚度 BB = Mk/(Mq*(θ-1)+Mk)*B S (混凝土规范式 8.2.2)= 8.532/(7.556*(2.0-1)+8.532)*6.015×102= 3.190×102 kN*m25.计算受弯构件挠度f max = 5*(q gk+q qk)*L04/(384*B)= 5*(8.42+2.500)*2.504/(384*3.190×102)= 17.412 mm6.验算挠度挠度限值f0=L0/200=2.50/200=12.500 mmf max=17.412mm>f0=12.500mm,不满足规范要求!七、裂缝宽度验算:1.计算标准组合弯距值Mk:Mk = M gk+M qk= (q gk + q qk)*L02/8= (8.42 + 2.500)*2.502/8= 8.532 kN*m2.光面钢筋,所以取值V i=0.73.C = 204.计算按荷载荷载效应的标准组合作用下,构件纵向受拉钢筋应力σsk = Mk/(0.87*h0*As) (混凝土规范式 8.1.3-3)= 8.532×106/(0.87*75.00*785)= 166.493 N/mm5.计算按有效受拉混凝土截面面积计算的纵向受拉钢筋配筋率矩形截面积: A te = 0.5*b*h = 0.5*1000*100= 50000 mm2ρte = As/A te (混凝土规范式 8.1.2-4)= 785/50000= 1.571%6.计算裂缝间纵向受拉钢筋应变不均匀系数ψψ = 1.1-0.65*f tk/(ρte*σsk) (混凝土规范式 8.1.2-2)= 1.1-0.65*1.54/(1.571%*166.493)= 0.7177.计算单位面积钢筋根数nn = 1000/s= 1000/100= 108.计算受拉区纵向钢筋的等效直径d eqd eq= (∑n i*d i2)/(∑n i*V i*d i)= 10*102/(10*0.7*10)= 149.计算最大裂缝宽度ωmax =αcr*ψ*σsk/E S*(1.9*C+0.08*d eq/ρte) (混凝土规范式 8.1.2-1)= 2.1*0.717*166.493/2.1×105*(1.9*20+0.08*14/1.571%)= 0.1305 mm≤ 0.30 mm,满足规范要求类型四一、构件编号:LT-1二、示意图:三、基本资料:1.依据规范:《建筑结构荷载规范》(GB 50009-2001)《混凝土结构设计规范》(GB 50010-2002)2.几何参数:楼梯净跨: L1 = 2000 mm 楼梯高度: H = 1500 mm梯板厚: t = 100 mm 踏步数: n = 10(阶)上平台楼梯梁宽度: b1 = 200 mm下平台楼梯梁宽度: b2 = 200 mm上平台宽: L3 = 300 mm3.荷载标准值:可变荷载:q = 2.50kN/m2面层荷载:q m = 1.70kN/m2栏杆荷载:q f = 0.20kN/m永久荷载分项系数: γG = 1.20 可变荷载分项系数: γQ = 1.40准永久值系数: ψq = 0.504.材料信息:混凝土强度等级: C20 f c = 9.60 N/mm2f t = 1.10 N/mm2R c=25.0 kN/m3f tk = 1.54 N/mm2E c= 2.55×104 N/mm2钢筋强度等级: HPB235 f y = 210 N/mm2E s= 2.10×105 N/mm2保护层厚度:c = 20.0 mm R s=20 kN/m3受拉区纵向钢筋类别:光面钢筋梯段板纵筋合力点至近边距离:a s = 25.00 mm支座负筋系数:α = 0.25四、计算过程:1. 楼梯几何参数:踏步高度:h = 0.1500 m踏步宽度:b = 0.2222 m计算跨度:L0 = L1+L3+(b1+b2)/2 = 2.00+0.30+(0.20+0.20)/2 = 2.50 m梯段板与水平方向夹角余弦值:cosα = 0.8292. 荷载计算( 取 B = 1m 宽板带):(1) 梯段板:面层:g km = (B+B*h/b)*q m = (1+1*0.15/0.22)*1.70 = 2.85 kN/m自重:g kt = R c*B*(t/cosα+h/2) = 25*1*(0.10/0.829+0.15/2) = 4.89 kN/m抹灰:g ks = R S*B*c/cosα = 20*1*0.02/0.829 = 0.48 kN/m恒荷标准值:P k = g km+g kt+g ks+q f = 2.85+4.89+0.48+0.20 = 8.42 kN/m恒荷控制:P n(G) = 1.35*P k+γQ*0.7*B*q = 1.35*8.42+1.40*0.7*1*2.50 = 13.82 kN/m活荷控制:P n(L) = γG*P k+γQ*B*q = 1.20*8.42+1.40*1*2.50 = 13.61 kN/m荷载设计值:P n = max{ P n(G) , P n(L) } = 13.82 kN/m(2) 平台板:面层:g km' = B*q m = 1*1.70 = 1.70 kN/m自重:g kt' = R c*B*t = 25*1*0.10 = 2.50 kN/m抹灰:g ks' = R S*B*c = 20*1*0.02 = 0.40 kN/m恒荷标准值:P k' = g km'+g kt'+g ks'+q f = 1.70+2.50+0.40+0.20 = 4.80 kN/m 恒荷控制:P l(G) = 1.35*P k'+γQ*0.7*B*q = 1.35*4.80+1.40*0.7*1*2.50 = 8.93 kN/m活荷控制:P l(L) = γG*P k+γQ*B*q = 1.20*4.80+1.40*1*2.50 = 9.26 kN/m荷载设计值:P l = max{ P l(G) , P l(L) } = 9.26 kN/m3. 正截面受弯承载力计算:左端支座反力: R l = 15.60 kN右端支座反力: R r = 17.13 kN最大弯矩截面距左支座的距离: L max = 1.26 m最大弯矩截面距左边弯折处的距离: x = 0.86 mM max = R l*L max-[P l*L3*(x+L3/2)+P n*x2/2]= 15.60*1.26-[9.26*0.40*(0.86+0.40/2)+13.82*0.862/2]= 10.61 kN·m相对受压区高度:ζ= 0.220978 配筋率:ρ= 0.010102纵筋(1号)计算面积:A s = 757.64 mm2支座负筋(2、3号)计算面积:A s'=α*A s = 0.25*757.64 = 189.41 mm2五、计算结果:(为每米宽板带的配筋)1.1号钢筋计算结果(跨中)计算面积A s:757.64 mm2采用方案:d10@100实配面积: 785 mm22.2/3号钢筋计算结果(支座)计算面积A s':189.41 mm2采用方案:d6@140实配面积: 202 mm23.4号钢筋计算结果采用方案:d6@200实配面积: 141 mm24.5号钢筋计算结果采用方案:d10@100实配面积: 785 mm2六、跨中挠度计算:Mk -------- 按荷载效应的标准组合计算的弯矩值Mq -------- 按荷载效应的准永久组合计算的弯矩值1.计算标准组合弯距值Mk:Mk = M gk+M qk= (q gk + q qk)*L02/8= (8.42 + 2.500)*2.502/8= 8.532 kN*m2.计算永久组合弯距值Mq:Mq = M gk+M qk= (q gk+ ψq*q qk)*L02/8= (8.42 + 0.50*2.500)*2.502/8= 7.556 kN*m3.计算受弯构件的短期刚度 B s1) 计算按荷载荷载效应的标准组合作用下,构件纵向受拉钢筋应力σsk = Mk/(0.87*h0*As) (混凝土规范式 8.1.3-3)= 8.532×106/(0.87*75*785)= 166.493 N/mm2) 计算按有效受拉混凝土截面面积计算的纵向受拉钢筋配筋率矩形截面积: A te = 0.5*b*h = 0.5*1000*100= 50000 mm2ρte = As/A te (混凝土规范式 8.1.2-4)= 785/50000= 1.571%3) 计算裂缝间纵向受拉钢筋应变不均匀系数ψψ = 1.1-0.65*f tk/(ρte*σsk) (混凝土规范式 8.1.2-2)= 1.1-0.65*1.54/(1.571%*166.493)= 0.7174) 计算钢筋弹性模量与混凝土模量的比值αEαE = E S/E C= 2.10×105/(2.55×104)= 8.2355) 计算受压翼缘面积与腹板有效面积的比值γf矩形截面,γf = 06) 计算纵向受拉钢筋配筋率ρρ = As/(b*h0)= 785/(1000*75)= 1.047%7) 计算受弯构件的短期刚度 B SB S = E S*As*h02/[1.15*ψ+0.2+6*αE*ρ/(1+ 3.5*γf)](混凝土规范式8.2.3--1)= 2.10×105*785*752/[1.15*0.717+0.2+6*8.235*1.047%/(1+3.5*0.0)]= 6.015×102 kN*m24.计算受弯构件的长期刚度B1) 确定考虑荷载长期效应组合对挠度影响增大影响系数θ当ρ`=0时,θ=2.0 (混凝土规范第 8.2.5 条)2) 计算受弯构件的长期刚度 BB = Mk/(Mq*(θ-1)+Mk)*B S (混凝土规范式 8.2.2)= 8.532/(7.556*(2.0-1)+8.532)*6.015×102= 3.190×102 kN*m25.计算受弯构件挠度f max = 5*(q gk+q qk)*L04/(384*B)= 5*(8.42+2.500)*2.504/(384*3.190×102)= 17.412 mm6.验算挠度挠度限值f0=L0/200=2.50/200=12.500 mmf max=17.412mm>f0=12.500mm,不满足规范要求!七、裂缝宽度验算:1.计算标准组合弯距值Mk:Mk = M gk+M qk= (q gk + q qk)*L02/8= (8.42 + 2.500)*2.502/8= 8.532 kN*m2.光面钢筋,所以取值V i=0.73.C = 204.计算按荷载荷载效应的标准组合作用下,构件纵向受拉钢筋应力σsk = Mk/(0.87*h0*As) (混凝土规范式 8.1.3-3)= 8.532×106/(0.87*75.00*785)= 166.493 N/mm5.计算按有效受拉混凝土截面面积计算的纵向受拉钢筋配筋率矩形截面积: A te = 0.5*b*h = 0.5*1000*100= 50000 mm2ρte = As/A te (混凝土规范式 8.1.2-4)= 785/50000= 1.571%6.计算裂缝间纵向受拉钢筋应变不均匀系数ψψ = 1.1-0.65*f tk/(ρte*σsk) (混凝土规范式 8.1.2-2)= 1.1-0.65*1.54/(1.571%*166.493)= 0.7177.计算单位面积钢筋根数nn = 1000/s= 1000/100= 108.计算受拉区纵向钢筋的等效直径d eqd eq= (∑n i*d i2)/(∑n i*V i*d i)= 10*102/(10*0.7*10)= 149.计算最大裂缝宽度ωmax=αcr*ψ*σsk/E S*(1.9*C+0.08*d eq/ρte) (混凝土规范式 8.1.2-1) = 2.1*0.717*166.493/2.1×105*(1.9*20+0.08*14/1.571%) = 0.1305 mm≤ 0.30 mm,满足规范要求类型五一、构件编号:LT-1二、示意图:三、基本资料:1.依据规范:《建筑结构荷载规范》(GB 50009-2001)《混凝土结构设计规范》(GB 50010-2002)2.几何参数:楼梯净跨: L1 = 2000 mm 楼梯高度: H = 1500 mm梯板厚: t = 100 mm 踏步数: n = 10(阶)上平台楼梯梁宽度: b1 = 200 mm下平台楼梯梁宽度: b2 = 200 mm下平台宽: L2 = 300 mm 上平台宽: L3 = 300 mm3.荷载标准值:可变荷载:q = 2.50kN/m2面层荷载:q m = 1.70kN/m2栏杆荷载:q f = 0.20kN/m永久荷载分项系数: γG = 1.20 可变荷载分项系数: γQ = 1.40准永久值系数: ψq = 0.504.材料信息:混凝土强度等级: C20 f c = 9.60 N/mm2f t = 1.10 N/mm2 R c=25.0 kN/m3f tk = 1.54 N/mm2 E c= 2.55×104 N/mm2钢筋强度等级: HPB235 f y = 210 N/mm2E s= 2.10×105 N/mm2保护层厚度:c = 20.0 mm R s=20 kN/m3受拉区纵向钢筋类别:光面钢筋梯段板纵筋合力点至近边距离:a s = 25.00 mm支座负筋系数:α = 0.25四、计算过程:1. 楼梯几何参数:踏步高度:h = 0.1500 m踏步宽度:b = 0.2222 m计算跨度:L0 = L1+L2+L3+(b1+b2)/2 = 2.00+0.30+0.30+(0.20+0.20)/2 = 2.80 m 梯段板与水平方向夹角余弦值:cosα = 0.8292. 荷载计算( 取 B = 1m 宽板带):(1) 梯段板:面层:g km = (B+B*h/b)*q m = (1+1*0.15/0.22)*1.70 = 2.85 kN/m自重:g kt = R c*B*(t/cosα+h/2) = 25*1*(0.10/0.829+0.15/2) = 4.89 kN/m抹灰:g ks = R S*B*c/cosα = 20*1*0.02/0.829 = 0.48 kN/m恒荷标准值:P k = g km+g kt+g ks+q f = 2.85+4.89+0.48+0.20 = 8.42 kN/m恒荷控制:P n(G) = 1.35*P k+γQ*0.7*B*q = 1.35*8.42+1.40*0.7*1*2.50 = 13.82 kN/m 活荷控制:P n(L) = γG*P k+γQ*B*q = 1.20*8.42+1.40*1*2.50 = 13.61 kN/m荷载设计值:P n = max{ P n(G) , P n(L) } = 13.82 kN/m(2) 平台板:面层:g km' = B*q m = 1*1.70 = 1.70 kN/m自重:g kt' = R c*B*t = 25*1*0.10 = 2.50 kN/m抹灰:g ks' = R S*B*c = 20*1*0.02 = 0.40 kN/m恒荷标准值:P k' = g km'+g kt'+g ks'+q f = 1.70+2.50+0.40+0.20 = 4.80 kN/m恒荷控制:P l(G) = 1.35*P k'+γQ*0.7*B*q = 1.35*4.80+1.40*0.7*1*2.50 = 8.93 kN/m 活荷控制:P l(L) = γG*P k+γQ*B*q = 1.20*4.80+1.40*1*2.50 = 9.26 kN/m荷载设计值:P l = max{ P l(G) , P l(L) } = 9.26 kN/m3. 正截面受弯承载力计算:左端支座反力: R l = 17.52 kN右端支座反力: R r = 17.52 kN最大弯矩截面距左支座的距离: L max = 1.40 m最大弯矩截面距左边弯折处的距离: x = 1.00 mM max = R l*L max-[P l*L3*(x+L3/2)+P n*x2/2]= 17.52*1.40-[9.26*0.40*(1.00+0.40/2)+13.82*1.002/2] = 13.18 kN·m相对受压区高度:ζ= 0.284503 配筋率:ρ= 0.013006纵筋(1号)计算面积:A s = 975.44 mm2支座负筋(2、3号)计算面积:A s'=α*A s = 0.25*975.44 = 243.86 mm2五、计算结果:(为每米宽板带的配筋)1.1号钢筋计算结果(跨中)计算面积A s:975.44 mm2采用方案:d10@100实配面积: 785 mm22.2/3号钢筋计算结果(支座)计算面积A s':243.86 mm2采用方案:d6@140实配面积: 202 mm23.4号钢筋计算结果采用方案:d6@200实配面积: 141 mm24.5号钢筋计算结果采用方案:d10@100实配面积: 785 mm25.6号钢筋计算结果采用方案:d6@140实配面积: 202 mm2六、跨中挠度计算:Mk -------- 按荷载效应的标准组合计算的弯矩值Mq -------- 按荷载效应的准永久组合计算的弯矩值1.计算标准组合弯距值Mk:Mk = M gk+M qk= (q gk + q qk)*L02/8= (8.42 + 2.500)*2.802/8= 10.703 kN*m2.计算永久组合弯距值Mq:Mq = M gk+M qk= (q gk+ ψq*q qk)*L02/8= (8.42 + 0.50*2.500)*2.802/8= 9.478 kN*m3.计算受弯构件的短期刚度 B s1) 计算按荷载荷载效应的标准组合作用下,构件纵向受拉钢筋应力σsk = Mk/(0.87*h0*As) (混凝土规范式 8.1.3-3)= 10.703×106/(0.87*75*785)= 208.848 N/mm2) 计算按有效受拉混凝土截面面积计算的纵向受拉钢筋配筋率矩形截面积: A te = 0.5*b*h = 0.5*1000*100= 50000 mm2ρte = As/A te (混凝土规范式 8.1.2-4)= 785/50000= 1.571%3) 计算裂缝间纵向受拉钢筋应变不均匀系数ψψ = 1.1-0.65*f tk/(ρte*σsk) (混凝土规范式 8.1.2-2)= 1.1-0.65*1.54/(1.571%*208.848)= 0.7954) 计算钢筋弹性模量与混凝土模量的比值αEαE = E S/E C= 2.10×105/(2.55×104)= 8.2355) 计算受压翼缘面积与腹板有效面积的比值γf矩形截面,γf = 06) 计算纵向受拉钢筋配筋率ρρ = As/(b*h0)= 785/(1000*75)= 1.047%7) 计算受弯构件的短期刚度 B SB S = E S*As*h02/[1.15*ψ+0.2+6*αE*ρ/(1+ 3.5*γf)](混凝土规范式8.2.3--1) = 2.10×105*785*752/[1.15*0.795+0.2+6*8.235*1.047%/(1+3.5*0.0)] = 5.686×102 kN*m24.计算受弯构件的长期刚度B1) 确定考虑荷载长期效应组合对挠度影响增大影响系数θ当ρ`=0时,θ=2.0 (混凝土规范第 8.2.5 条)2) 计算受弯构件的长期刚度 BB = Mk/(Mq*(θ-1)+Mk)*B S (混凝土规范式 8.2.2)= 10.703/(9.478*(2.0-1)+10.703)*5.686×102= 3.016×102 kN*m25.计算受弯构件挠度f max = 5*(q gk+q qk)*L04/(384*B)= 5*(8.42+2.500)*2.804/(384*3.016×102)= 28.983 mm6.验算挠度挠度限值f0=L0/200=2.80/200=14.000 mmf max=28.983mm>f0=14.000mm,不满足规范要求!七、裂缝宽度验算:1.计算标准组合弯距值Mk:Mk = M gk+M qk= (q gk + q qk)*L02/8= (8.42 + 2.500)*2.802/8= 10.703 kN*m2.光面钢筋,所以取值V i=0.73.C = 204.计算按荷载荷载效应的标准组合作用下,构件纵向受拉钢筋应力σsk = Mk/(0.87*h0*As) (混凝土规范式 8.1.3-3)= 10.703×106/(0.87*75.00*785)= 208.848 N/mm5.计算按有效受拉混凝土截面面积计算的纵向受拉钢筋配筋率矩形截面积: A te = 0.5*b*h = 0.5*1000*100= 50000 mm2ρte = As/A te (混凝土规范式 8.1.2-4)= 785/50000= 1.571%6.计算裂缝间纵向受拉钢筋应变不均匀系数ψψ = 1.1-0.65*f tk/(ρte*σsk) (混凝土规范式 8.1.2-2)= 1.1-0.65*1.54/(1.571%*208.848)= 0.7957.计算单位面积钢筋根数nn = 1000/s= 1000/100= 108.计算受拉区纵向钢筋的等效直径d eqd eq= (∑n i*d i2)/(∑n i*V i*d i)= 10*102/(10*0.7*10)= 149.计算最大裂缝宽度ωmax=αcr*ψ*σsk/E S*(1.9*C+0.08*d eq/ρte) (混凝土规范式 8.1.2-1) = 2.1*0.795*208.848/2.1×105*(1.9*20+0.08*14/1.571%)= 0.1814 mm≤ 0.30 mm,满足规范要求。
板式楼梯计算书- 结构理论板式楼梯计算书项目名称_____________构件编号_____________日期_____________ 设计_____________校对_____________审核_____________一、设计示意图二、基本资料1.设计规范《建筑结构荷载规范》(GB50009—2001)《混凝土结构设计规范》(GB50010—2002)2.几何参数楼梯类型:板式D型楼梯(_/ ̄)约束条件:两端简支斜梯段水平投影长度:L1=3000mm楼梯上部平台水平段长度:L2=500mm楼梯下部平台水平段长度:L3=500mm梯段净跨:Ln=L1+L2+L3=3000+500+500=4000mm 楼梯高度:H=1650mm 楼梯宽度:W=1200mm踏步高度:h=150mm 踏步宽度:b=300mm楼梯级数:n=11(级)梯段板厚:C=100mm面层厚度:C2=20mm抹灰厚度:C3=20mm上部平台梯梁宽度:b1=200mm下部平台梯梁宽度:b2=200mm3.荷载参数楼梯混凝土容重:gb=25.00kN/m3楼梯面层容重:gc1=25.00kN/m3楼梯顶棚抹灰容重:gc2=25.00kN/m3楼梯栏杆自重:qf=0.50kN/m楼梯均布活荷载标准值:q=2.50kN/m2可变荷载组合值系数:yc=0.70可变荷载准永久值系数:yq=0.504.材料参数混凝土强度等级:C30混凝土抗压强度设计值:fc=14.30N/mm2混凝土抗拉强度标准值:ftk=2.01N/mm2混凝土抗拉强度设计值:ft=1.43N/mm2混凝土弹性模量:Ec=3.00×104N/mm2钢筋强度等级:HPB235(Q235) fy=210.00N/mm2钢筋弹性模量:Es=210000N/mm2受拉纵筋合力点到斜梯段板底边的距离:as=15mm三、荷载计算过程1.楼梯几何参数梯段板与水平方向夹角余弦值:cosa=3002 + 1502(300)=0.89斜梯段的计算跨度:L0=Min{Ln+(b1+b2)/2,1.05Ln}=Min{4000+(200+ 200)/2,1.05×4000}=Min{4200,4200}=4200mm梯段板的平均厚度:T=(h+C/cosa×2)/2=(150+100/0.89×2)/2=187mm2.荷载设计值2.1均布恒载标准值2.1.1L1段梯板自重gk1’=gb×T/1000=25.00×187/1000=4.67kN/m2gk1=gk1’×L1/Ln=4.67×3000/4000=3.50kN/m22.1.2L2、L3段梯板自重gk2’=gb×C/1000=25.00×100/1000=2.50kN/m2gk2=gk2’×(L2+L3)/Ln=2.50×(500+500)/4000=0.63kN/m22.1.3L1段梯板面层自重gk3’=gc1×C2×(H+L1)/L1/1000=25.00×20×(1650+3000)/3000/1000=0.78kN/m2gk3=gk3’×L1/Ln=0.78×3000/4000=0.58kN/m22.1.4L2、L3段梯板面层自重gk4’=gc1×C2/1000=25.00×20/1000=0.50kN/m2gk4=gk4’×(L2+L3)/Ln=0.50×(500+500)/4000=0.13kN/m22.1.5楼梯顶棚自重gk5’=gc2×C3/1000=25.00×20/1000=0.50kN/m2gk5=gk5’×[Ln+L1×(1/cosa-1)]/Ln=0.50×[4000+3000×(1/0.89-1)]/ 4000=0.54kN/m22.1.6将栏杆自重由线荷载折算成面荷载gk6=qf/W×1000=0.50/1200×1000=0.42kN/m2永久荷载标准值gk=gk1+gk2+gk3+gk4+gk5+gk6=3.50+0.63+0.58+0.13+0.54+0.42=5.79kN/m22.2均布荷载设计值由活荷载控制的梯段斜板荷载设计值:pL=1.2gk+1.4q=1.2×5.79+1.4×2.50=10.45kN/m2由恒荷载控制的梯段斜板荷载设计值:pD=1.35gk+1.4ycq=1.35×5.79 +1.4×0.70×2.50=10.27kN/m2最不利的梯段斜板荷载设计值:p=Max{pL,pD}=Max{10.45,10.27} =10.45kN/m2四、正截面承载能力计算1.斜梯段配筋计算h0=T-as=100-15=85mm跨中最大弯矩,Mmax=8(1)×10-6=23.05kN·m1)相对界限受压区高度xbecu=0.0033-(fcu,k-50)×10-5=0.0033-(30-50)×10-5=0.0035>0.0033取ecu=0.0033按规范公式(7.1.4-1)xb=beEscu(fy)2.10 × 105 × 0.00330(210)2)受压区高度x按规范公式(7.2.1-1),’(s)=0,’(p)=0Ma2(x)a1fcb(2M)1.00 × 14.30 × 1000(2 × 23.05 × 106)V=22.0kN斜截面承载力满足要求六、施工配筋图。
一跑板式楼梯{3.4号别墅楼梯}[]已知:层高3.0m ;踏步尺寸175*250;平台板无;踏步板900*4000;踏步板与水平面的夹角35度,则cosa=0.819;计算长度Ln=4.0m ;取板厚为160mm 。
1) 楼梯荷载恒荷载:楼梯面荷载按2.1KN/m 2计算,同楼面板做法。
楼梯段:面层2.1*1*(0.25+0.175)/0.25=3.57KN/m踏步27*0.175*0.25/2*1/0.25=2.16 KN/m斜板砼27*0.160/0.819=5.27 KN/m合计:3.57+2.16+5.27=11 KN/m活荷载:2.0 KN/m 2楼梯板段荷载设计值:1.2*11+1.4*2.0=16 KN/m1.35*11+0.7*1.4*2.0=16.8 KN/m取16.8 KN/m2) 楼梯内力计算查表得跨中最大弯矩值:M= 2/8ql = 16.8x42/8=33.6 KN*m3) 配筋验算选用C25砼,二级钢筋;f c =11.9 N/mm 2 ;f y =300 N/mm 2 截面配筋验算:计算高度h 0=160-20=140mm0(s c y A h f b f =(14011.91000=⨯⨯ =868mm 2选用12 @120 满足要求。
一跑板式楼梯{商业楼梯}[]已知:层高 3.0m ;踏步尺寸165*280;平台板1100m*1100m ;踏步板1100*4200;踏步板与水平面的夹角31度,则cosa=0.857;计算长度Ln=5.4m ;取板厚为220mm 。
4) 楼梯荷载恒荷载:楼梯面荷载按2.1KN/m 2计算,同楼面板做法。
楼梯段:面层2.1*1*(0.28+0.165)/0.28=3.14KN/m踏步27*0.165*0.28/2*1/0.28=2.23 KN/m斜板砼27*0.220/0.857=6.93 KN/m合计:3.14+2.23+6.93=12.3 KN/m活荷载:2.0 KN/m 2楼梯板段荷载设计值:1.2*12.3+1.4*2.0=17.6 KN/m1.35*12.3+0.7*1.4*2.0=18.6KN/m取18.6 KN/m5) 楼梯内力计算查表得跨中最大弯矩值:M= 2/8ql = 18.6x5.42/8=67.8 KN*m6) 配筋验算选用C30砼,二级钢筋;f c =14.3N/mm 2 ;f y =300 N/mm 2 截面配筋验算:计算高度h 0=220-20=200mm0(s c y A h f b f =(20014.31000300=⨯⨯=1206mm2选用14 @120 满足要求。
1板式楼梯: TB-11.1基本资料1.1.1工程名称:工程一1.1.2楼梯类型:板式 C 型(╱ ̄),支座条件:低端固定高端铰支1.1.3踏步段水平净长 L sn= 4420mm,高端平板净长 L hn= 1280mm,梯板净跨度 L n= L sn + L hn= 4420+1280 = 5700mm,梯板净宽度 B =1200mm1.1.4低端支座宽度 d l= 200mm,高端支座宽度 d h= 200mm计算跨度 L0= Min{L n + (d l + d h) / 2, 1.05L n} = Min{5900, 5985} =5900mm1.1.5梯板厚度 h1= 150mm1.1.6踏步段总高度 H s= 3000mm,楼梯踏步级数 n = 181.1.7线性恒荷标准值 P k= 1kN/m;均布活荷标准值 q k= 3.5kN/m2,ψc=0.7,ψq= 0.41.1.8面层厚度 c1= 30mm,面层容重γc2= 25kN/m3;顶棚厚度 c2= 20mm,顶棚容重γc2= 25kN/m3;楼梯自重容重γb= 25kN/m31.1.9混凝土强度等级为 C30, f c= 14.331N/mm2, f t= 1.433N/mm2, f tk=2.006N/mm2,E c= 29791N/mm21.1.10钢筋抗拉强度设计值 f y= 270N/mm2, E s= 210000N/mm2;当纵筋直径不小于 12mm 时,取 f y= 360N/mm2、E s= 200000N/mm2;纵筋的混凝土保护层厚度 c = 20mm1.2楼梯几何参数1.2.1踏步高度 h s= H s / n = 3000/18 = 166.7mm踏步宽度 b s= L sn / (n - 1) = 4420/(18-1) = 260mm踏步段斜板的倾角α = ArcTan(h s / b s) = ArcTan(166.7/260) = 32.7°踏步段斜板的长度 L x= L sn / Cosα = 4420/Cos32.7°= 5250mm1.2.2踏步段梯板厚的垂直高度 h1' = h1 / Cosα = 150/Cos32.7°=178.2mm踏步段梯板平均厚度 T = (h s+ 2h1') / 2 = (166.7+2*178.2)/2 = 261.5mm 1.2.3梯板有效高度 h10= h1 - a s= 150-25 = 125mm1.3均布永久荷载标准值1.3.1梯板上的线载换算为均布恒荷 g k1= P k / B = 1/1.2 = 0.83kN/m21.3.2踏步段梯板自重 g k2' =γb·T = 25*0.2615 = 6.54kN/m2g k2= g k2'·L sn / L n= 6.54*4.42/5.7 = 5.07kN/m21.3.3高端平板自重 g k3' =γb·h1= 25*0.15 = 3.75kN/m2g k3= g k3'·L hn / L n= 3.75*1.28/5.7 = 0.84kN/m21.3.4踏步段梯板面层自重g k4' =γc1·c1·(n - 1)(h s + b s) / L sn= 25*0.03*(18-1)*(0.1667+0.26)/4.42= 1.23kN/m2g k4= g k4'·L sn / L n= 1.23*4.42/5.7 = 0.95kN/m21.3.5高端平板面层自重 g k5' =γc1·c1= 25*0.03 = 0.75kN/m2g k5= g k5'·L hn / L n= 0.75*1.28/5.7 = 0.17kN/m21.3.6梯板顶棚自重 g k6' =γc2·c2= 25*0.02 = 0.50kN/m2g k6= g k6'·(L n + L x - L sn) / L n= 0.5*(5.7+5.25-4.42)/5.7 = 0.57kN/m21.3.7均布荷载标准值汇总 g k= g k1 + g k2 + g k3 + g k4 + g k5 + g k6= 8.44kN/m21.4均布荷载的基本组合值由可变荷载控制的 Q(L) =γG·g k+ γQ·q k= 1.2*8.44+1.4*3.5 =15.03kN/m2由永久荷载控制的 Q(D) =γG1·g k+ γQ·ψc· q k= 1.35*8.44+1.4*0.7*3.5= 14.82kN/m2最不利的荷载基本组合值 Q = Max{Q(L), Q(D)} = Max{15.03, 14.82} =15.03kN/m21.5梯板的支座反力低端支座永久荷载作用下均布反力标准值 R k(D) = 30.07kN/m低端支座可变荷载作用下均布反力标准值 R k(L) = 12.47kN/m低端支座最不利的均布反力基本组合值 R = 53.54kN/m高端支座永久荷载作用下均布反力标准值 R k(D) = 18.04kN/m高端支座可变荷载作用下均布反力标准值 R k(L) = 7.48kN/m高端支座最不利的均布反力基本组合值 R = 32.12kN/m1.6梯板斜截面受剪承载力计算V ≤ 0.7·βh·f t·b·h0V = 5/8·Q·L n·Cosα= 0.625*15.03*5.7*Cos32.7°= 45.1kNR = 0.7·βh·f t·b·h0= 0.7*1*1433*1*0.125 = 125.4kN ≥ V = 45.1kN,满足要求。
机 务 用 房 楼 梯 计 算 书1. 荷 载 计 算 (1)TB-1:踏步300x160.7 h=130mm Cos α=88.07.16030030022=+斜板自重: 0.13x25=3.25kN/m 2 踏步自重: 0.5x0.1607x25=2.01 kN/m 2 楼梯面层: 0.06 kN/m 2 以上荷载之和为: q 1=5.32 kN/m 2q 1/Cos α =6.045 kN/m 2板底批档荷载: 0.4 kN/m 2 恒载标准值为6.45 kN/m 2 活载标准值取3.5 kN/m 2=1.2x6.45+1.4x3.5 = 12.63 kN/m 2(2)TB-2:踏步300x160.7 h=130mm Cos α=88.07.16030030022=+斜板自重: 0.13x25=3.25kN/m 2 踏步自重: 0.5x0.1607x25=2.01 kN/m 2 楼梯面层: 0.06 kN/m 2 以上荷载之和为: q 1=5.32 kN/m 2q 1/Cos α =6.045 kN/m 2板底批档荷载: 0.4 kN/m 2 恒载标准值为6.45 kN/m 2 活载标准值取3.5 kN/m 2=1.2x6.45+1.4x3.5 = 12.63 kN/m 2(3)TB-3:踏步300x150 h=120mm Cos α=894.015030030022=+斜板自重: 0.12x25=3kN/m 2 踏步自重: 0.5x0.15x25=1.875 kN/m 2 楼梯面层: 0.06 kN/m 2 以上荷载之和为: q 1=4.935 kN/m 2q 1/Cos α =5.52 kN/m 2板底批档荷载: 0.4 kN/m 2 恒载标准值为5.94 kN/m 2 活载标准值取3.5 kN/m 2=1.2x6.34+1.4x3.5 = 12.03kN/m 2(4)TB-4:踏步300x150 h=120mm Cos α=894.015030030022=+斜板自重: 0.12x25=3kN/m 2 踏步自重: 0.5x0.15x25=1.875 kN/m 2 楼梯面层: 0.06 kN/m 2 以上荷载之和为: q 1=4.935 kN/m 2q 1/Cos α =5.52 kN/m 2板底批档荷载: 0.4 kN/m 2 恒载标准值为5.94 kN/m 2 活载标准值取3.5 kN/m 2=1.2x6.34+1.4x3.5 = 12.03kN/m 2 (5)TB-5:踏步300x150 h=110mm Cos α=894.015030030022=+斜板自重: 0.11x25=2.75kN/m 2 踏步自重: 0.5x0.15x25=1.875 kN/m 2 楼梯面层: 0.06 kN/m 2 以上荷载之和为: q 1=4.685 kN/m 2q 1/Cos α =5.24 kN/m 2板底批档荷载: 0.4 kN/m 2 恒载标准值为5.36 kN/m 2 活载标准值取3.5 kN/m 2=1.2x6.34+1.4x3.5 = 11.67 kN/m 2 (6) TB-6:踏步300x150 h=110mm Cos α=894.015030030022=+斜板自重: 0.11x25=2.75kN/m 2 踏步自重: 0.5x0.15x25=1.875 kN/m 2 楼梯面层: 0.06 kN/m 2以上荷载之和为: q1=4.685 kN/m2q1/Cosα =5.24 kN/m2板底批档荷载: 0.4 kN/m2恒载标准值为5.36 kN/m2活载标准值取3.5 kN/m2 =1.2x6.34+1.4x3.5 = 11.67 kN/m2(7)PTB-1休息平台荷载计算平台板自重(100厚) 0.1x25=2.5 kN/m2面层 0.6 kN/m2板底抹灰 0.4 kN/m2恒载标准值为3.5 kN/m2活载标准值取3.5 kN/m2 = 1.2x3.5+1.4x3.5 = 9.1 kN/m2(8) TL-1荷载计算平台板传来 3.5x1.8x0.5=3.15 kN/m 梯板传来 6.45x3.9x0.5=12.58 kN/m 梯梁自重 0.2x0.30x25=1.5kN/m 梯梁抹灰 0.4 kN/m 恒载标准值为17.63kN/m活载标准值取3.5x(3.9/2+1.8/2)=9.98 kN/m= 1.2x17.63+1.4x9.98 = 35.12 kN/m2. 配 筋 计 算 TB-1 (130厚):01.24x12.63x3.981q 8122=== M kN.m受力筋Φ12@130(三级钢筋) 负筋Φ8@150 TB-2 (130厚):01.24x12.63x3.981q 8122=== M kN.m受力筋Φ12@130(三级钢筋) 负筋Φ8@150TB-3 (120厚):4.19x12.03x3.681q 8122=== M kN.m受力筋Φ12@150(三级钢筋) 负筋Φ8@180 TB-4 (120厚):4.19x12.03x3.681q 8122=== M kN.m受力筋Φ12@150(三级钢筋) 负筋Φ8@180TB-5 (110厚):89.15x11.67x3.381q 8122=== M kN.m受力筋Φ12@160(三级钢筋) 负筋Φ8@200 PTB-1 (110厚):89.15x11.67x3.381q 8122=== M kN.m受力筋Φ12@160(三级钢筋) 负筋Φ8@200 PTB-1 (100厚):02.5x9.1x2.181q 8122=== M kN.m 受力筋Φ8@200 分布筋Φ8@200 TL-1 (200x300)81.47x35.12x3.381q 8122=== M kN.m受力筋2Φ20 箍筋ф8@200。
第五部分:承台配筋5.1单桩及二桩以上承台配筋说明本工程涉及到的单桩及二桩以上(四桩)承台厚度以及配筋均以构造要求为准,混凝土强度等级为C30,保护层厚度取到30mm,其他具体信息详见结施-045.2二桩承台——深受弯构件配筋本工程涉及到的二桩承台的混凝土强度等级为C30,保护层厚度取到30mm,配筋信息参照《2004浙G24_图集_钢筋混凝土圆桩承台》→CTn2G-XX选用表(C30混凝土,φ600圆桩)→CTn2G-19和CTn2G-20两者之间的信息进行折中选取。
有关于二桩承台的具体配筋信息详见结施-04。
第六部分:楼梯设计6.1楼梯梯段斜板设计斜板跨度可按净跨计算。
对斜板取1m 宽作为其计算单元。
6.1.1确定斜板厚度t斜板的水平投影净长12700n l mm = 斜板的斜板向净长:12270027003020()300cos 0.894nn l l mm a====斜板的厚度:21111(~)(~)3020100~120()25302530n t l x mm ===取t=100mm6.1.2荷载计算(楼梯梯段斜板)6.1.3荷载效应组合由可变荷载效应控制的组合1 1.27.0 1.4 2.011.20(/)p x x kN m =+=由永久荷载效应控制的组合2 1.357.0 1.40.7 2.011.41(/)p x x x kN m =+=>1p所以选由永久荷载效应控制的组合进行计算,取11.41(/)p kN m =斜板的内力一般只需计算跨中最大的弯距即可,考虑到斜板两端均与梁整浇,对板的约束作用,取跨中最大的弯距211.412.78.32(.)10x M kN m == 6.1.5 配筋计算0622106201002080()8.32100.1091.011.91000800.5(10.5(10.9428.3210368()3000.94280s c s S y s h mm M x a a f bh x x x r M x A mm f r h x x =-=====+=+====选用受力钢筋 10@180(2435S A mm =) 分布钢筋8@200φ其它楼梯的算法同上,具体配筋结构详见结施-13。
6.2 平台板设计6.2.1平台板的计算简图平台板为四边支承板,长宽比为30002.21380=>1,宜按双向板计算。
取1m 宽作为计算单元。
TL -1截面尺寸是250x500。
平台板计算简图:由于平台板两端均与梁整浇,所以,计算跨度取净跨为L3N=1480MM.平台板厚度1100t mm =6.2.3荷载效应组合由可变荷载效应控制的组合3 1.23.57 1.4 2.07.08(/)p x x kN m =+=由永久荷载效应控制的组合4 1.353.57 1.40.7 2.0 6.78(/)p x x x kN m =+=<3p所以选由可变荷载效应控制的组合进行计算,取7.08(/)p kN m =6.2.4内力计算因为现浇板均嵌固在四周的梁中,所以当四边固定处理。
查阅形常数与载常数表得相应的计算公式:平台板长边方向跨中弯矩为:m kN l P M ⋅=⨯⨯==93.156.208.724/1)(24/122平台板短边方向跨中弯矩为:m kN l P M ⋅=⨯⨯==64.048.108.724/1)(24/1220平台板长边方向支座弯矩为:m kN l P M ⋅=⨯⨯==87.356.208.712/1)(12/1220平台板短边方向支座弯矩为:m kN l P M ⋅=⨯⨯==29.148.108.712/1)(12/12206.2.5配筋计算材料:混凝土强度等级C25 2(11.9/)c f N mm =,钢筋为HRB4002/360mm N fy =平台板长边方向跨中配筋为:平台板短边方向跨中配筋为:平台板长边方向支座配筋为:平台板短边方向支座配筋为:实际所有截面配筋采用8@180φ,实际配筋面积2278S A mm = 验算最小配筋率,min 2780.278%0.2%1001000S A bh x ρρ===≥=6.3 TL-1设计6.3.1 TL-1计算简图梯梁的两端搁置在梯柱上,所以计算跨度取净跨L4N=2560MM,梯梁的计算简图为两端简支。
梯梁的截面尺寸为250x500。
6.3.2荷载计算6.3.3荷载效应组合由可变荷载效应控制的组合 5 1.214.93 1.4 2.020.72(/)p x x kN m =+=由永久荷载效应控制的组合6 1.3514.93 1.40.7 2.022.12(/)p x x x kN m =+=>5p所以选由永久荷载效应控制的组合进行计算,取22.12(/)p kN m =6.3.4内力计算考虑梁两边受力不均匀,会使平台受扭,所以适当加大纵向配筋。
选用纵向受力钢筋316(2603SA mm =)配筋率min 6030.482%0.2%250500S A bh x ρρ===≥=第五章 楼梯设计5.1 基本资料本工程采用现浇整体板式楼梯,选主楼梯进行计算,层高2.9m 。
踏步尺寸采用161mm ×270mm,共需9个踏步,梯段长2160mm ,活荷载标准值3.5KN/m 2, 踏面采用水磨石面层,水泥砂浆擦缝, 30mm 厚1:3干硬性水泥砂浆,面上20厚素水泥,板抹灰取20mm,其余取30mm 。
采用C25砼,f c =11.9N/mm 2,f t =1.27N/mm 2,梁中受力筋为Ⅱ级,f y =300N/mm 2;其余钢筋采用Ⅰ级钢, f y =210N/mm 25.2梯段板设计估算斜板厚mm l h 9030/0==,取100mm 。
板倾斜角为6.0270/11.161tan ==α 86.0161270/270cos 22=+=∂5.2.1 荷载计算(取1m 宽板计算)恒载:水磨石面层 (0.3+0.15)×0.65/0.3=0.98 kN/m 踏步重: (1/2×0.3×0.15×25×1/0.3=1.88kN/m 混凝土斜板重: (1.0/0.86)×0.10×25=2.91kN/m 踏步抹灰重: 1×0.02×17/0.86=0.40kN/m____________________________________________________________ 恒载标准值 6.17kN/m 恒载设计值 g d =1.2×6.17=7.40kN/m 活载标准值 g k =3.5×1×1.4=4.90kN/m总荷载 g d +q d =12.3kN/m5.2.2 内力计算计算跨度 m b l l a 40.224.016.20=+=+= 跨中弯矩m kN l q g M d d ⋅=⨯⨯=+=08.724.03.1210/1)(10/122板保护层20mm 。
有效高度h 0=h-20=100-20=80m093.08010009.110.1/1008.7/26201=⨯⨯⨯⨯==bh f a M a c s951.0=s r2min 602001001000002.044380951.0210/1008.7/m m bh h r f M A s y s =⨯⨯=>=⨯⨯⨯==ρ受力筋选用110@8Φ,As=457mm 2分布筋选用每踏步一根Ф8。
5.3 平台板设计5.3.1 荷载计算确定板厚,板厚取100mm 荷载: 恒载计算:水磨石面层 0.65kN/m 平台板自重 0.1×25×1=2.5kN/m 20厚混合砂浆抹灰 0.02m ×17kN/m 2=0.34kN/m 恒载标准值 g k =3.49kN/m 恒载设计值 g d =1.2×3.49=4.19kN/m 活载标准值 q k =3.5kN/m 活载设计值 q d =3.5×1.4=4.9kN/m 总荷载 g d +q d =9.09kN/m5.3.2 截面计算计算跨度 m b h l l n 37.12/24.02/10.02.12/2/0=++=++=m kN l q M d d ⋅=⨯⨯=+=13.237.109.98/1)g (8/122mm h 80201000=-=028.08010009.110.1/1013.2/26201=⨯⨯⨯⨯==bh f a M a c s9858.0=s rbh h r f M A s y s min 60129809858.0210/1013.2/ρ<=⨯⨯⨯== 按构造配筋Ф8@200(2251mm A s =)5.4 平台梁设计确定梁尺寸,梁宽取b=240mm ,高h=400mm ,梁跨度取l n=2.7-0.24=2.46m,则l o =1.05×2.46m=2.583m5.4.1 荷载计算(取1m 宽板计算)梯段板传来 12.3×2.16/2=`13.28kN/m 平台板传来 (1.2/2+0.24)×9.09=7.64kN/m 梁自重(b ×h=250mm ×400mm ) 1.2×0.24×(0.40-0.10)×25=2.16kN/m 平台梁抹灰重 1.2×0.02×(0.40-0.10)×17×2=0.34 kN/m 总荷载 g d +q d =23.32kN/m5.4.2截面计算截面尺寸b ×h=240mm ×400mm计算跨度a l l l n n +<=-⨯==58.2)24.07.2(05.105.10m l 58.20=故取跨中弯矩及支座剪力为:mk 40.19m 58.2/32.2381l q g 81220⋅=⨯⨯=+=N m kN M )()(N m kN V k 68.28m 46.2/32.2321l q g 21n =⨯⨯=+=)(截面按倒L 形计算mm s b mm l b n f 8402/12002402/41046.26/16/10'=+=+<=⨯==故mm b f 410'=梁的有效高度:ho=400—35 =365mmm kN M m kN h h h b f a f f f c ⋅=>⋅=-⨯⨯⨯⨯=-40.1915410/)2/100365(1004109.110.1)(6'0''1所以属于第一类T 形截面030.03654109.110.1/1040.19/2620'1=⨯⨯⨯⨯==h b f a M a f c s9848.0=s r2601803659848.0300/1040.19/mm h r f M A s y s =⨯⨯⨯== 选配163Φ,2603mm A s =5.5 斜截面受剪承载力计算(箍筋计算)尺寸计算 h/b=365/240=1.49<4 属一般梁0.25bh 0f c =0.25×240mm ×365mm ×11.9N/mm 2/310=271.47kN >V=28.68kN 截面尺寸满足要求0.7bh 0f t =0.7×250mm ×365mm ×1.27N/mm 2/310=77.9kN >V=28.68kN 故可按构造配筋,选用双肢箍Φ8@200箍筋 详见楼梯施工图6.1地质资料地基的地质资料如表25所示(自然底面标高3.8,道路标高4.5):土层分布及性质见下面:表6.1 地质资料最不利荷载组合为⎪⎩⎪⎨⎧==⋅=kN V kN N m kN M 5.7322910采用钻孔灌注桩,mm d 600=,打入基岩深度为5m ,桩顶伸入承台 0.05m ,则桩长为:m l 65.3357.93.29.103.42.17.19.005.0=+++++-++=6.2单桩承载力设计值的确定按经验公式计算:kN l q u A q R i sik p p pa A 1288)275257.9109.10253.464.1(6.0)26.0(4002=⨯+⨯+⨯+⨯+⨯⨯⨯+⨯⨯=+=∑ππ 不考虑群桩效应。