扶壁式挡土墙计算书(理正)
- 格式:doc
- 大小:87.50 KB
- 文档页数:10
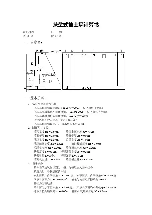
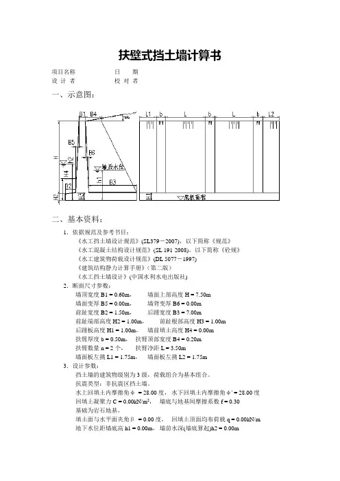
扶壁式挡土墙计算书项目名称_____________日期_____________设计者_____________校对者_____________一、示意图:二、基本资料:1.依据规范及参考书目:《水工挡土墙设计规范》(SL379-2007),以下简称《规范》《水工混凝土结构设计规范》(SL 191-2008),以下简称《砼规》《水工建筑物荷载设计规范》(DL 5077-1997)《建筑结构静力计算手册》(第二版)《水工挡土墙设计》(中国水利水电出版社)2.断面尺寸参数:墙顶宽度B1 = 0.60m,墙面上部高度H = 25.00m墙面变厚B5 = 0.00m,墙背变厚B6 = 0.00m前趾宽度B2 = 2.10m,后踵宽度B3 = 13.30m前趾端部高度H2 = 1.00m,前趾根部高度H3 = 1.80m后踵板高度H1 = 1.80m,墙前填土高度H4 = 1.80m扶臂厚度b = 1.00m,扶臂顶部宽度B4 = 1.00m扶臂数量n = 3个,扶臂净距L = 6.00m墙面板左挑L1 = 2.46m,墙面板左挑L2 = 2.46m3.设计参数:挡土墙的建筑物级别为2级,荷载组合为基本组合。
抗震类型:非抗震区挡土墙。
水上回填土内摩擦角φ= 40.00度,水下回填土内摩擦角φ' = 40.00度回填土凝聚力C = 0.00kN/m2,墙底与地基间摩擦系数f = 0.60基础为非岩石地基。
填土面与水平面夹角β= 10.00度,回填土顶面均布荷载q = 0.00kN/m地下水位距墙底高h1 = 0.00m,墙前水深(墙底算起)h2 = 0.00m回填土湿容重γ1 = 21.00kN/m3,回填土浮容重γ2 = 10.00kN/m3混凝土强度等级:C25受力钢筋强度等级:二级,保护层厚度as = 0.050 m扶臂箍筋强度等级:二级地基允许承载力[σo] = 1000.00 kPa三、计算过程:1.计算公式:郎肯土压力计算公式如下:E =0.5×γ×H2×K aE x=E×cos(β)E y=E×sin(β)K a=cosβ×[cosβ-(cos2β-cos2φ)1/2]/[cosβ+(cos2β-cos2φ)1/2] (《规范》式A.0.1-3)式中:E为作用于墙背的土压力,作用点为距墙底1/3高处,方向与水平面成β夹角K a为土压力系数程序算得土压力系数K a = 0.2252.总水平力、总竖向力及各力对前趾力矩计算:单位:水平力、竖向力为kN;力臂为m;弯矩为kN·m。
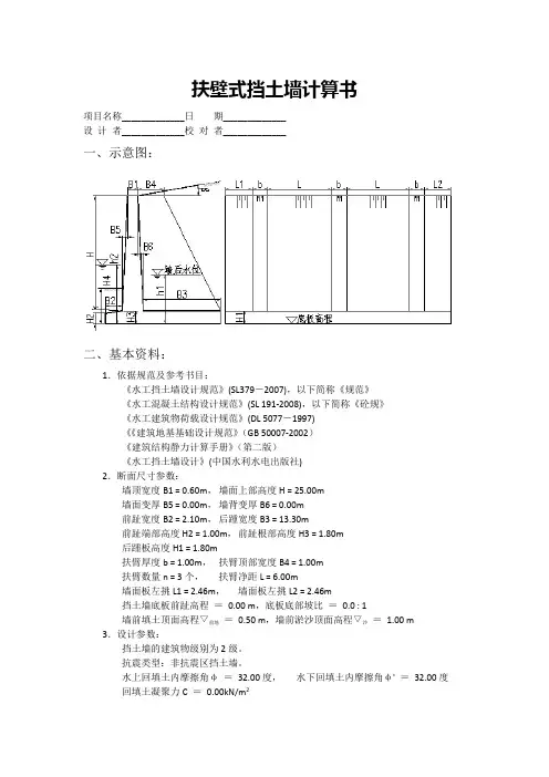
扶壁式挡土墙计算书项目名称_____________日期_____________设计者_____________校对者_____________一、示意图:二、基本资料:1.依据规范及参考书目:《水工挡土墙设计规范》(SL379-2007),以下简称《规范》《水工混凝土结构设计规范》(SL 191-2008),以下简称《砼规》《水工建筑物荷载设计规范》(DL 5077-1997)《建筑结构静力计算手册》(第二版)《水工挡土墙设计》(中国水利水电出版社)2.断面尺寸参数:墙顶宽度B1 = 0.60m,墙面上部高度H = 7.50m墙面变厚B5 = 0.00m,墙背变厚B6 = 0.00m前趾宽度B2 = 1.50m,后踵宽度B3 = 7.00m前趾端部高度H2 = 1.00m,前趾根部高度H3 = 1.00m后踵板高度H1 = 1.00m,墙前填土高度H4 = 0.00m扶臂厚度b = 0.50m,扶臂顶部宽度B4 = 0.20m扶臂数量n = 2个,扶臂净距L = 3.50m墙面板左挑L1 = 1.75m,墙面板左挑L2 = 1.75m3.设计参数:挡土墙的建筑物级别为3级,荷载组合为基本组合。
抗震类型:非抗震区挡土墙。
水上回填土内摩擦角φ= 28.00度,水下回填土内摩擦角φ' = 28.00度回填土凝聚力C = 0.00kN/m2,墙底与地基间摩擦系数f = 0.30基础为岩石地基。
填土面与水平面夹角β= 0.00度,回填土顶面均布荷载q = 0.00kN/m地下水位距墙底高h1 = 0.00m,墙前水深(墙底算起)h2 = 0.00m回填土湿容重γ1 = 19.00kN/m3,回填土浮容重γ2 = 9.00kN/m3混凝土强度等级:C30受力钢筋强度等级:二级,保护层厚度as = 0.050 m扶臂箍筋强度等级:二级地基允许承载力[σo] = 1000.00 kPa三、计算过程:1.计算公式:郎肯土压力计算公式如下:E =0.5×γ×H2×K aE x=E×cos(β)E y=E×sin(β)K a=tan2(45°-φ/2)(《规范》式A.0.1-4)式中:E为作用于墙背的土压力,作用点为距墙底1/3高处,方向与水平面成β夹角K a为土压力系数程序算得水上的土压力系数K a = 0.361程序算得水下的土压力系数K'a = 0.3982.总水平力、总竖向力及各力对前趾力矩计算:单位:水平力、竖向力为kN;力臂为m;弯矩为kN·m。
扶壁式挡土墙计算书项目名称_____________日期_____________设计者_____________校对者_____________一、示意图:二、基本资料:1.依据规范及参考书目:《水工挡土墙设计规范》(SL379-2007),以下简称《规范》《水工混凝土结构设计规范》(SL 191-2008),以下简称《砼规》《水工建筑物荷载设计规范》(DL 5077-1997)《《建筑地基基础设计规范》(GB 50007-2002)《建筑结构静力计算手册》(第二版)《水工挡土墙设计》(中国水利水电出版社)2.断面尺寸参数:墙顶宽度B1 = 0.60m,墙面上部高度H = 25.00m墙面变厚B5 = 0.00m,墙背变厚B6 = 0.00m前趾宽度B2 = 2.10m,后踵宽度B3 = 13.30m前趾端部高度H2 = 1.00m,前趾根部高度H3 = 1.80m后踵板高度H1 = 1.80m扶臂厚度b = 1.00m,扶臂顶部宽度B4 = 1.00m扶臂数量n = 3个,扶臂净距L = 6.00m墙面板左挑L1 = 2.46m,墙面板左挑L2 = 2.46m挡土墙底板前趾高程=0.00 m,底板底部坡比=0.0 : 1墙前填土顶面高程▽前地=0.50 m,墙前淤沙顶面高程▽沙=1.00 m 3.设计参数:挡土墙的建筑物级别为2级。
抗震类型:非抗震区挡土墙。
水上回填土内摩擦角φ=32.00度,水下回填土内摩擦角φ' =32.00度回填土凝聚力C =0.00kN/m2地基土质为:松软墙底与地基间摩擦系数f =0.454.回填土坡面参数:回填土表面折线段数为:1段折线起点距墙顶高差=0.00 m第一段折线水平夹角β1=15.00度,折线水平长L1=2.00 m第二段折线水平夹角β2=20.00度5.材料参数:回填土湿容重γs=18.00kN/m3,回填土浮容重γf=10.00kN/m3混凝土强度等级:C25受力钢筋强度等级:二级,保护层厚度as = 0.050 m扶臂箍筋强度等级:二级地基允许承载力[σo] = 300.00 kPa6.荷载计算参数:淤沙浮容重γy=17.00kN/m3,淤沙内摩擦角φs =15.00 度冰层厚度T b=0.40 m,静冰压力系数=0.870计算浪压力时采用的位置类型:平原滨海地区风区长度D =0.000 m,墙前河(库)底坡度i =1 : 100.00重现期为50年的年最大风速v o=24.000 m/s多年平均的最大风速v o' =30.000 m/s冻胀墙体变形系数m o=0.700,冻胀量Δhd=30.00 mm地震动态分布系数为梯形分布,最大值αm=2.00三、计算参数:1.荷载组合:2.荷载组合下水位及附加荷载信息:3.计算公式:郎肯土压力计算公式如下:E =0.5×γ×H2×K aE x=E×cos(β)E y=E×sin(β)K a=cosβ×[cosβ-(cos2β-cos2φ)1/2]/[cosβ+(cos2β-cos2φ)1/2] (《规范》式A.0.1-3)式中:E为作用于墙背的土压力,作用点为距墙底1/3高处,方向与水平面成β夹角K a为主动土压力系数四、第1种荷载组合:完建情况1.总水平力、总竖向力及各力对前趾力矩计算:程序算得主动土压力系数K a=0.351单位:水平力、竖向力为kN;力臂为m;弯矩为kN·m。
扶壁式挡土墙计算书项目名称_____________日期_____________设计者_____________校对者_____________一、示意图:二、基本资料:1.依据规范及参考书目:《水工挡土墙设计规范》(SL379-2007),以下简称《规范》《水工混凝土结构设计规范》(SL 191-2008),以下简称《砼规》《水工建筑物荷载设计规范》(DL 5077-1997)《建筑结构静力计算手册》(第二版)《水工挡土墙设计》(中国水利水电出版社)2.断面尺寸参数:墙顶宽度B1 = 0.60m,墙面上部高度H = 7.50m墙面变厚B5 = 0.00m,墙背变厚B6 = 0.00m前趾宽度B2 = 1.50m,后踵宽度B3 = 7.00m前趾端部高度H2 = 1.00m,前趾根部高度H3 = 1.00m后踵板高度H1 = 1.00m,墙前填土高度H4 = 0.00m扶臂厚度b = 0.50m,扶臂顶部宽度B4 = 0.20m扶臂数量n = 2个,扶臂净距L = 3.50m墙面板左挑L1 = 1.75m,墙面板左挑L2 = 1.75m3.设计参数:挡土墙的建筑物级别为3级,荷载组合为基本组合。
抗震类型:非抗震区挡土墙。
水上回填土内摩擦角φ= 28.00度,水下回填土内摩擦角φ' = 28.00度回填土凝聚力C = 0.00kN/m2,墙底与地基间摩擦系数f = 0.30基础为岩石地基。
填土面与水平面夹角β= 0.00度,回填土顶面均布荷载q = 0.00kN/m地下水位距墙底高h1 = 0.00m,墙前水深(墙底算起)h2 = 0.00m回填土湿容重γ1 = 19.00kN/m3,回填土浮容重γ2 = 9.00kN/m3混凝土强度等级:C30受力钢筋强度等级:二级,保护层厚度as = 0.050 m扶臂箍筋强度等级:二级地基允许承载力[σo] = 1000.00 kPa三、计算过程:1.计算公式:郎肯土压力计算公式如下:E =0.5×γ×H2×K aE x=E×cos(β)E y=E×sin(β)K a=tan2(45°-φ/2)(《规范》式A.0.1-4)式中:E为作用于墙背的土压力,作用点为距墙底1/3高处,方向与水平面成β夹角K a为土压力系数程序算得水上的土压力系数K a = 0.361程序算得水下的土压力系数K'a = 0.3982.总水平力、总竖向力及各力对前趾力矩计算:单位:水平力、竖向力为kN;力臂为m;弯矩为kN·m。
挡土墙计算(理正岩土)(二)引言概述挡土墙是一种常见的土石方工程结构,用于防止土体的滑动和坍塌,并起到支撑和保护的作用。
本文将针对挡土墙的计算问题,重点讨论理正岩土作为材料的情况。
正文内容:一、挡土墙的设计要点1. 根据挡土墙的高度和土体的性质,确定合适的墙体类型(重力墙、悬臂墙、挤土墙),并选择相应的设计方法。
2. 根据地质条件和设计要求,确定挡土墙的坡度和抗滑稳定系数。
3. 考虑挡土墙的变形控制和排水措施,以确保结构的稳定性和耐久性。
4. 根据挡土墙的使用环境和荷载情况,确定墙体的材料和强度等级。
5. 考虑施工方便性和经济性,合理确定挡土墙的尺寸和构造。
二、基本计算方法1. 根据挡土墙的几何形状和土体特性,采用等效剪切层和弯矩分析的方法进行结构计算。
2. 利用平衡条件和变形方程,计算挡土墙的稳定性和变形情况。
3. 计算挡土墙的抗滑稳定系数,包括土体内摩擦角、土体几何参数和水平荷载等的影响。
4. 根据挡土墙的受力特点和变形要求,设计合适的加固措施,如土钉、喷锚、加压板等。
5. 结合挡土墙的排水要求,设计合适的排水系统和保护措施,防止地下水对结构的影响。
三、挡土墙计算中的理正岩土特性1. 理正岩土是一种典型的岩土材料,具有一定的强度和变形特性。
2. 根据理正岩土的理论特性和实验数据,确定其内摩擦角、剪力强度和压缩模量等关键参数。
3. 考虑理正岩土的强度和变形特性对挡土墙的影响,进行合理的计算与分析。
4. 结合理正岩土的特性,优化挡土墙的结构和材料选型,提高结构的稳定性和经济性。
5. 针对理正岩土的特性,制定相应的施工和监测措施,确保挡土墙施工质量和使用安全。
四、实际案例与分析1. 通过对实际工程案例的分析,探讨挡土墙计算中理正岩土的应用与问题。
2. 分析挡土墙设计中的典型失效和安全事故案例,总结经验教训,避免类似问题的再次发生。
3. 结合实际工程的施工情况,评估挡土墙的实际受力和变形情况,验证设计计算的准确性和合理性。
扶壁式挡土墙验算[执行标准:公路]计算项目:扶壁式挡土墙1计算时间:2019-05-05 15:59:06 星期日------------------------------------------------------------------------ 原始条件:墙身尺寸:墙身总高: 4.000(m)墙宽: 0.400(m)墙趾悬挑长DL: 1.500(m)墙踵悬挑长DL1: 2.500(m)底板高DH: 0.500(m)墙趾端部高DH0: 0.400(m)扶肋间距: 5.000(m)扶肋厚: 0.400(m)扶壁两端墙面板悬挑长度: 1.886(m)设防滑凸榫:防滑凸榫尺寸BT1: 0.000(m)防滑凸榫尺寸BT: 0.000(m)防滑凸榫尺寸HT: 0.000(m)防滑凸榫被动土压力修正系数: 1.000防滑凸榫容许弯曲拉应力: 0.500(MPa)防滑凸榫容许剪应力: 0.990(MPa)钢筋合力点到外皮距离: 50(mm)墙趾埋深: 1.500(m)物理参数:混凝土墙体容重: 25.000(kN/m3)混凝土强度等级: C30纵筋级别: HRB400抗剪腹筋级别: HRB335裂缝计算钢筋直径: 20(mm)挡土墙类型: 一般挡土墙墙后填土内摩擦角: 35.000(度)墙后填土粘聚力: 0.000(kPa)墙后填土容重: 19.000(kN/m3)墙背与墙后填土摩擦角: 17.500(度)地基土容重: 18.000(kN/m3)修正后地基承载力特征值: 500.000(kPa) 地基承载力特征值提高系数:墙趾值提高系数: 1.200墙踵值提高系数: 1.300平均值提高系数: 1.000墙底摩擦系数: 0.500地基土类型: 土质地基地基土内摩擦角: 30.000(度)土压力计算方法: 库仑坡线土柱:坡面线段数: 1折线序号水平投影长(m) 竖向投影长(m) 换算土柱数1 10.000 0.000 0地面横坡角度: 20.000(度)填土对横坡面的摩擦角: 35.000(度)墙顶标高: 0.000(m)挡墙分段长度: 10.000(m)钢筋混凝土配筋计算依据:《公路钢筋混凝土与预应力混凝土桥涵设计规范》(JTG D62-2004)=====================================================================第 1 种情况: 组合1=============================================组合系数: 1.0001. 挡土墙结构重力分项系数= 1.000 √2. 填土重力分项系数= 1.000 √3. 填土侧压力分项系数= 1.000 √4. 车辆荷载引起的土侧压力分项系数= 1.000 √=============================================[土压力计算] 计算高度为4.000(m)处的库仑主动土压力无荷载时的破裂角= 30.254(度)按假想墙背计算得到:第1破裂角:27.734(度)Ea=104.210(kN) Ex=40.709(kN) Ey=95.930(kN) 作用点高度Zy=1.333(m) 因为俯斜墙背,需判断第二破裂面是否存在,计算后发现第二破裂面存在:第2破裂角=27.493(度) 第1破裂角=27.496(度)Ea=89.183(kN) Ex=41.190(kN) Ey=79.101(kN) 作用点高度Zy=1.333(m) 墙身截面积= 3.525(m2) 重量= 88.125 (kN)整个墙踵上的土重(不包括超载) = 88.385(kN) 重心坐标(1.169,-2.150)(相对于墙面坡上角点)墙趾板上的土重= 28.350(kN) 相对于趾点力臂=0.738(m)(一) 滑动稳定性验算基底摩擦系数= 0.500采用防滑凸榫增强抗滑动稳定性,计算过程如下:基础底面宽度 B = 4.400 (m)墙身重力的力臂Zw = 2.038 (m)Ey的力臂Zx = 3.706 (m)Ex的力臂Zy = 1.333 (m)作用于基础底的总竖向力= 283.961(kN) 作用于墙趾下点的总弯矩=674.585(kN-m)基础底面合力作用点距离墙趾点的距离Zn = 2.376(m)基础底压应力: 墙趾=49.081 凸榫前沿=49.081 墙踵=79.993(kPa)凸榫前沿被动土压应力=147.242(kPa)滑移力= 41.190(kN) 抗滑力= 141.980(kN)滑移验算满足: Kc = 3.447 > 1.300滑动稳定方程验算:滑动稳定方程满足: 方程值= 114.988(kN) > 0.0(二) 倾覆稳定性验算相对于墙趾点,墙身重力的力臂Zw = 2.038 (m)相对于墙趾点,墙踵上土重的力臂Zw1 = 2.669 (m)相对于墙趾点,墙趾上土重的力臂Zw2 = 0.738 (m)相对于墙趾点,Ey的力臂Zx = 3.706 (m)相对于墙趾点,Ex的力臂Zy = 1.333 (m)验算挡土墙绕墙趾的倾覆稳定性倾覆力矩= 54.921(kN-m) 抗倾覆力矩= 729.506(kN-m)倾覆验算满足: K0 = 13.283 > 1.500倾覆稳定方程验算:倾覆稳定方程满足: 方程值= 587.316(kN-m) > 0.0(三) 地基应力及偏心距验算基础为天然地基,验算墙底偏心距及压应力作用于基础底的总竖向力= 283.961(kN) 作用于墙趾下点的总弯矩=674.585(kN-m)基础底面宽度 B = 4.400 (m) 偏心距e = -0.176(m)基础底面合力作用点距离基础趾点的距离Zn = 2.376(m)基底压应力: 趾部=49.081 踵部=79.993(kPa)最大应力与最小应力之比= 79.993 / 49.081 = 1.630作用于基底的合力偏心距验算满足: e=-0.176 <= 0.167*4.400 = 0.733(m)墙趾处地基承载力验算满足: 压应力=49.081 <= 600.000(kPa)墙踵处地基承载力验算满足: 压应力=79.993 <= 650.000(kPa)地基平均承载力验算满足: 压应力=64.537 <= 500.000(kPa)(四) 墙趾板强度计算标准值:作用于基础底的总竖向力= 283.961(kN) 作用于墙趾下点的总弯矩=674.585(kN-m)基础底面宽度 B = 4.400 (m) 偏心距e = -0.176(m)基础底面合力作用点距离趾点的距离Zn = 2.376(m)基础底压应力: 趾点=49.081 踵点=79.993(kPa)设计值:=674.585(kN-m)基础底面宽度 B = 4.400 (m) 偏心距e = -0.176(m)基础底面合力作用点距离趾点的距离Zn = 2.376(m)基础底压应力: 趾点=49.081 踵点=79.993(kPa)[趾板根部]截面高度: H' = 0.500(m)截面弯矩: M = 25.380(kN-m)纵向受拉钢筋构造配筋:As = 900.000(mm2)截面剪力: Q = 36.300(kN)剪力设计值= 36.300(kN) < 312.750(kN),可不进行斜截面抗剪承载力验算,箍筋取构造配筋:Av = 1.200(mm2/mm)。
扶壁式挡土墙计算书(H=6m)一、设计资料1.扶壁式挡土墙(如图1所示)立壁高H=6m,底板厚h c=0.5m,顶宽B1=0.3m,前趾长B2=2.2m,B3=0.3m,后踵长B4=2.8m,肋净距l=2.3m,肋宽b=0.3m。
因工程场地多年标准冻深为1.5m,故将基础顶面设置在路表以下1.5m。
图1 挡土墙计算尺寸2. 填土容重γ=18kN/m3,内摩擦角φ=30°,墙背与填土间的摩擦角δ=15°。
3.地基容许承载力[ζ]=160kPa,墙底磨擦系数μ=0.4。
4.抗滑动和倾覆安全系数Kc≥1.3,Kc≥1.5。
5.钢筋混凝土结构设计数据1) 混凝土强度等级为C30,容重γ’=25kN/m3,轴心抗压强度f cd=13.8Mpa,轴心抗拉强度f td=1.39Mpa;2) Ⅱ级钢筋(HRB335)抗拉设计强度f sd=280Mpa,弹性模量E s=2*105MPa;3) 裂缝容许宽度δfmax=0.2mm。
6.因墙前墙后均可能有汽车荷载,可产生四种荷载组合。
下面将针对每种组合进行计算。
二、第一种荷载组合(前后均有)(一)土压力计算 1.墙后汽车荷载换算根据《路基设计规范》5.4.2第十一款的公式,有:220(2) 1.2520(62) 1.2515 /q H kN m =--⨯=--⨯=后;0150.83 18q h m γ===后。
2. 主动土压力系数Ka222222cos ()cos cos()1cos (30-0)0.30cos 0cos(015)1a K ϕαααδ-=⎡++⎢⎣==⎡++⎢⎣3. 主动土压力E(1) 挡土墙总高'60.5 6.5 c H H h m =+=+=; (2) 主动土压力011'('2)181 6.5(6.520.83)0.3144.00 /22a E LH H h K kN m γ=+=⨯⨯⨯⨯+⨯⨯=;(3) 主动土压力竖直分量()sin 37.27 /E E kN m δα↓=+=,对基底形心的力臂0.15l m ↓=,对前趾端的力臂2.50x Z m =;(4) 主动土压力水平分量()cos 139.10 /E E kN m δα←=+=,对基底形心的力臂 2.39l m ←=,对前趾端的力臂 2.39y Z m =;(5) 土压力作用点距基底距离00' 6.50.8311 2.39()3'23 6.520.83h H Z m H h ⎛⎫⎛⎫=+=⨯+= ⎪ ⎪++⨯⎝⎭⎝⎭。
扶壁式挡墙计算书扶壁式挡⼟墙验算本设计依据的规范为住建部颁布的《城市道路路基基设计规范(CJJ194-2013)》,交通部部颁《公路路基设计规范》(JTG D30—2015)。
设计参数1) 设计汽车荷载:城-B(0.6m⼟柱⾼度);2) 路基宽度:5.0m;3) 挡⼟墙基底摩擦系数f0=0.4;4) 墙背填料计算内摩擦⾓φ=35°;5) 墙背填料重度r=18KN/m3;6) 墙⾝重度rk=24KN/m3;7) 挡⼟墙稳定系数:抗滑动稳定系数kc≥1.2;抗倾覆稳定系数ko≥1.2。
原始条件:墙⾝尺⼨:墙⾝总⾼: 8.000(m)墙宽: 0.400(m)墙趾悬挑长DL: 1.500(m)墙踵悬挑长DL1: 2.500(m)底板⾼DH: 0.500(m)墙趾端部⾼DH0: 0.400(m)扶肋间距: 3.000(m)扶肋厚: 0.400(m)扶壁两端墙⾯板悬挑长度: 1.066(m)钢筋合⼒点到外⽪距离: 50(mm)墙趾埋深: 1.500(m)物理参数:混凝⼟墙体容重: 25.000(kN/m3)混凝⼟强度等级: C30纵筋级别: HRB400抗剪腹筋级别: HRB335裂缝计算钢筋直径: 20(mm)挡⼟墙类型: ⼀般挡⼟墙墙后填⼟内摩擦⾓: 35.000(度)墙后填⼟粘聚⼒: 0.000(kPa)墙后填⼟容重: 19.000(kN/m3)墙背与墙后填⼟摩擦⾓: 17.500(度)地基⼟容重: 18.000(kN/m3)地基⼟浮容重: 10.000(kN/m3)修正后地基承载⼒特征值: 250.000(kPa)地基承载⼒特征值提⾼系数:墙趾值提⾼系数: 1.200墙踵值提⾼系数: 1.300平均值提⾼系数: 1.000墙底摩擦系数: 0.500地基⼟类型: ⼟质地基地基⼟内摩擦⾓: 30.000(度)地基⼟粘聚⼒: 10.000(kPa)⼟压⼒计算⽅法: 库仑坡线⼟柱:坡⾯线段数: 1折线序号⽔平投影长(m) 竖向投影长(m) 换算⼟柱数 1 5.000 0.000 1第1个: 距离0.000(m),宽度5.000(m),⾼度0.600(m)地⾯横坡⾓度: 20.000(度)填⼟对横坡⾯的摩擦⾓: 35.000(度)墙顶标⾼: 0.000(m)计算参数:稳定计算⽬标: ⾃动搜索最危险滑裂⾯搜索时的圆⼼步长: 1.000(m)搜索时的半径步长: 1.000(m)筋带对稳定的作⽤: 筋带⼒沿圆弧切线钢筋混凝⼟配筋计算依据:《混凝⼟结构设计规范》(GB 50010-2010) 注意:墙⾝内⼒配筋计算时,各种作⽤⼒采⽤的分项(安全)系数为:重⼒不利时 = 1.200重⼒有利时 = 1.000主动⼟压⼒ = 1.200静⽔压⼒ = 1.200扬压⼒ = 1.200地震⼒ = 1.000=====================================================================第 1 种情况: ⼀般情况[⼟压⼒计算] 计算⾼度为 8.000(m)处的库仑主动⼟压⼒按假想墙背计算得到:第1破裂⾓: 26.194(度)Ea=287.036(kN) Ex=175.316(kN) Ey=227.275(kN) 作⽤点⾼度 Zy=2.899(m) 因为俯斜墙背,需判断第⼆破裂⾯是否存在,计算后发现第⼆破裂⾯不存在墙⾝截⾯积 = 5.125(m2) 重量 = 128.125 (kN)整个墙踵上的⼟重(不包括超载) = 166.992(kN) 重⼼坐标(1.181,-5.000)(相对于墙⾯坡上⾓点)墙趾板上的⼟重 = 28.350(kN) 相对于趾点⼒臂=0.738(m)(⼀) 滑动稳定性验算基底摩擦系数 = 0.500滑移⼒= 175.316(kN) 抗滑⼒= 275.371(kN)滑移验算满⾜: Kc = 1.571 > 1.300(⼆) 倾覆稳定性验算相对于墙趾点,墙⾝重⼒的⼒臂 Zw = 1.932 (m)相对于墙趾点,墙踵上⼟重的⼒臂 Zw1 = 2.681 (m)相对于墙趾点,墙趾上⼟重的⼒臂 Zw2 = 0.738 (m)相对于墙趾点,Ey的⼒臂 Zx = 3.494 (m)相对于墙趾点,Ex的⼒臂 Zy = 2.899 (m)验算挡⼟墙绕墙趾的倾覆稳定性倾覆⼒矩= 508.234(kN-m) 抗倾覆⼒矩= 1510.350(kN-m)倾覆验算满⾜: K0 = 2.972 > 1.500(三) 地基应⼒及偏⼼距验算基础为天然地基,验算墙底偏⼼距及压应⼒作⽤于基础底的总竖向⼒ = 550.742(kN) 作⽤于墙趾下点的总弯矩=1002.116(kN-m)基础底⾯宽度 B = 4.400 (m) 偏⼼距 e = 0.380(m)基础底⾯合⼒作⽤点距离基础趾点的距离 Zn = 1.820(m)基底压应⼒: 趾部=190.101 踵部=60.236(kPa)最⼤应⼒与最⼩应⼒之⽐ = 190.101 / 60.236 = 3.156作⽤于基底的合⼒偏⼼距验算满⾜: e=0.380 <= 0.250*4.400 = 1.100(m)墙趾处地基承载⼒验算满⾜: 压应⼒=190.101 <= 300.000(kPa)墙踵处地基承载⼒验算满⾜: 压应⼒=60.236 <= 325.000(kPa)地基平均承载⼒验算满⾜: 压应⼒=125.169 <= 250.000(kPa)(四) 墙趾板强度计算标准值:作⽤于基础底的总竖向⼒ = 550.742(kN) 作⽤于墙趾下点的总弯矩=1002.116(kN-m) 基础底⾯宽度 B = 4.400 (m) 偏⼼距 e = 0.380(m)基础底⾯合⼒作⽤点距离趾点的距离 Zn = 1.820(m)基础底压应⼒: 趾点=190.101 踵点=60.236(kPa)设计值:作⽤于基础底的总竖向⼒ = 660.890(kN) 作⽤于墙趾下点的总弯矩=1202.539(kN-m) 基础底⾯宽度 B = 4.400 (m) 偏⼼距 e = 0.380(m)基础底⾯合⼒作⽤点距离趾点的距离 Zn = 1.820(m)基础底压应⼒: 趾点=228.122 踵点=72.283(kPa)[趾板根部]截⾯⾼度: H' = 0.500(m)截⾯弯矩: M = 202.927(kN-m)抗弯受拉筋: As = 1300(mm2)截⾯剪⼒: Q = 257.112(kN)截⾯抗剪验算满⾜,不需要配抗剪腹筋截⾯弯矩: M(标准值) = 163.475(kN-m)最⼤裂缝宽度:δfmax = 0.499(mm)。
扶壁式挡土墙计算书一、设计资料1、挡土墙参数 挡土墙类型:扶壁式挡土墙 挡土墙的高度:8.00 m 挡土墙的顶宽:0.30 m 扶壁间距:3.00 m 扶壁板厚:0.20 m 墙趾宽度:1.50 m 墙趾高度:0.60 m墙踵宽度:2.70 m 墙踵高度:0.60 m 墙体材料的容重:24.00 kN /m3 墙背面与挡土之间的摩擦角:δ=10 ° 墙底与基土的摩擦系数:μ=0.60 2、配筋计算参数 混凝土强度等级:C20 钢筋级别:HRB335 裂缝计算钢筋等效直径:10.00 mm 混凝土保护层厚度:20.00 mm裂缝控制宽度:0.20 mm 3、土坡及荷载参数 坡面线段数:1 坡面序号 水平长度(m) 竖直长度(m) 1 5.00 1.00 面荷载距墙体水平距离:0.00 m 面荷载分布宽度:4.00 m 面荷载值:BP=10.00 kPa钢筋混凝土配筋计算依据:《混凝土结构设计规范》(GB 50010--2010)4.土层信息:二、计算结果1、挡土墙自重计算 挡土墙总重:W=118.08 kN /m 相对于趾点力臂:Z w =1.98 m600270060015008000300B P =10.010005000用墙踵的竖直面作为假想墙背,按朗肯理论计算: 墙踵上的土重:W 1=379.05 kN /m 相对于趾点力臂:Z w1=3.04 m2、土压力计算 土压力总值:E a =224.41 kN /m 土压力x 方向分量:E x =220.05 kN /m 土压力y 方向分量:E y =44.01 kN /m 土压力x 方向作用位置:Z x =4.50 m 土压力y 方向作用位置:Z y =2.95 m3、抗倾覆稳定验算 挡土墙抗倾覆稳定安全系数:K q =WZ w +E y Z xE x Z y=2.44 ≥1.6 抗倾覆稳定验算满足!4、抗滑移稳定验算 挡土墙抗滑移稳定安全系数:K h =(W+Ey)μEx=4.25≥1.3 抗滑移稳定验算满足!5、地基验算 基底合力的偏心距:e 0=B 2 -WZ w +E y Z x -E x Z y W+E y=0.53 m∵e 0<B /6∴基底地基土不出现零应力区,最大应力值:σmax =W+Ey B (1+6e 0B)=204.54 kPa基底压力最小值:σmin =W+Ey B (1-6e 0B)=35.97 kPa6、墙身截面强度验算1)墙面板截面强度验算 (1)墙面板的水平内力 替代土压力图形中,面板的法向土压应力值:σpj =26.35 kPa 扶壁之间的净距:L=2.80 m 扶壁两端的剪力:Q 端=36.89 kN /m 跨中弯矩设计值:M 中=13.94 kN·m /m 跨中弯矩标准值:Mk 中=10.33 kN·m /m 抗弯拉筋构造配筋: 配筋率μ=0.06 % < μmin =0.15%当钢筋配筋面积A s =412.50mm 2时,最大裂缝宽度 ωmax =0.02 mm<0.20 mm 两端负弯矩设计值:M 端=-23.24 kN·m /m 两端负弯矩标准值:Mk 端=-17.21 kN·m /m 抗弯拉筋构造配筋: 配筋率μ=0.10 % < μmin =0.15%当钢筋配筋面积A s =412.50mm 2时,最大裂缝宽度 ωmax =0.10 mm<0.20 mm (2)墙面板的竖向内力 最大正弯矩设计值:M 正=10.30 kN·m /m 最大正弯矩标准值:Mk 正=7.63 kN·m /m 抗弯拉筋构造配筋: 配筋率μ=0.05 % < μmin =0.15%当钢筋配筋面积A s =412.50mm 2时,最大裂缝宽度 ωmax =0.00 mm<0.20 mm 墙面板底端最大负弯矩设计值:M 底=-41.19 kN·m /m 墙面板底端最大负弯矩标准值:Mk 底=-30.51 kN·m /m当钢筋配筋面积A s =514.28mm 2时,最大裂缝宽度 ωmax =0.19 mm<0.20 mm2)底板截面强度验算按承载能力极限状态下荷载效应的基本组合,永久荷载效应起控制作用 竖向力引起的弯矩设计值:Mv=2103.25 kN·m /m 水平力引起的弯矩设计值:Mh=867.15 kN·m /m 总竖向力设计值:G=724.05 kN /m偏心距:e=B 2 -Mv-MhG =0.54 mm基底最大应力值:σmax =G B (1+6eB )=277.35 kPa基底压力最小值:σmin =G B (1-6eB)=44.45 kPa墙踵板根部点的地基压力设计值:pd=184.19 kPa墙趾板根部点的地基压力设计值:pb=199.72 kPa 按正常使用极限状态下荷载效应的标准组合 竖向力引起的弯矩标准值:Mvk=1582.75 kN·m /m 水平力引起的弯矩标准值:Mhk=649.64 kN ·m /m 总竖向力标准值:Gk=541.14 kN /m偏心距:e=B 2 -Mvk-MhkGk =0.53 mm基底最大应力值:σmax =Gk B (1+6eB )=204.54 kPa基底压力最小值:σmin =Gk B (1-6eB)=35.97 kPa墙踵板根部点的地基压力标准值:pd=137.11 kPa墙趾板根部点的地基压力标准值:pb=148.35 kPa 配筋计算及裂缝验算(1)墙趾板墙趾板根部点的弯矩设计值:Mb=261.03 kN·m/m墙趾板根部点的弯矩标准值:Mbk=187.44 kN·m/m当钢筋配筋面积A s=1581.19mm2时,最大裂缝宽度ωmax=0.18 mm<0.20 mm(2)墙踵板墙踵板边缘的总竖向应力设计值:σw=236.95 kN·m/m 墙踵板边缘的总竖向应力标准值:σwk=170.53 kN·m/m 墙踵板与扶壁衔接处的剪力:Q端=331.73 kN/m跨中弯矩设计值:M中=92.88 kN·m/m跨中弯矩标准值:Mk中=66.85 kN·m/m抗弯拉筋构造配筋: 配筋率μ=0.10 % < μmin=0.15%当钢筋配筋面积A s=862.50mm2时,最大裂缝宽度ωmax=0.08 mm<0.20 mm两端负弯矩设计值:M端=-154.81 kN·m/m两端负弯矩标准值:Mk端=-111.41 kN·m/m当钢筋配筋面积A s=920.46mm2时,最大裂缝宽度ωmax=0.19 mm<0.20 mm3)扶壁截面强度验算距离墙顶x=2.47 m处截面宽度B=0.20 m截面高度H=1.20 m翼缘宽度BT=1.13 m翼缘高度HT=0.30 m截面剪力Q=37.27 kN截面弯矩设计值M=35.59 kN·m截面弯矩标准值Mk=26.36 kN·m抗弯拉筋构造配筋: 配筋率μ=0.05 % < μmin=0.15%当钢筋配筋面积A s=352.50mm2时,最大裂缝宽度ωmax=0.00 mm<0.20 mm距离墙顶x=4.93 m处截面宽度B=0.20 m截面高度H=2.10 m翼缘宽度BT=2.07 m翼缘高度HT=0.30 m截面剪力Q=125.01 kN截面弯矩设计值M=225.37 kN·m截面弯矩标准值Mk=166.94 kN·m抗弯拉筋构造配筋: 配筋率μ=0.10 % < μmin=0.15%当钢筋配筋面积A s=622.50mm2时,最大裂缝宽度ωmax=0.07 mm<0.20 mm距离墙顶x=7.40 m处截面宽度B=0.20 m截面高度H=3.00 m翼缘宽度BT=3.00 m翼缘高度HT=0.30 m截面剪力Q=263.22 kN截面弯矩设计值M=693.81 kN·m截面弯矩标准值Mk=513.93 kN·m抗弯拉筋构造配筋: 配筋率μ=0.15 % < μmin=0.15% 当钢筋配筋面积A s=892.50mm2时,最大裂缝宽度ωmax=0.16 mm<0.20 mm。
扶壁式挡土墙计算书
扶壁式挡土墙计算书
1. 引言
扶壁式挡土墙是一种常用的工程结构,用于防止土地滑坡和土壤侵蚀。
本文档旨在提供一个详细的计算书范本,以供参考使用。
2. 工程概述
2.1 工程背景
2.2 工程要求
2.3 工程参数
3. 地质调查
3.1 地质勘探方法
3.2 岩土力学参数确定
3.3 地下水位测定
4. 力学计算
4.1 挡土墙结构形式选择
4.2 活动力计算
4.3 土压力计算
4.4 墙身稳定性计算
4.5 基础稳定性计算
5. 结构设计
5.1 挡土墙结构布置
5.2 墙身的截面形状选择5.3 墙身加宽设计
5.4 墙身加强设计
5.5 墙顶导水设计
5.6 底部抗滑设计
6. 施工要求
6.1 施工准备
6.2 材料选用与质量控制6.3 墙体施工
6.4 各部位的验收标准
6.5 施工安全与质量控制
7. 工程实施
7.1 施工进度安排
7.2 施工流程图
7.3 施工细节和注意事项
7.4 施工记录和质量验收
扩展内容:
1、本文档所涉及附件如下:
- 工程平面图
- 地质勘探报告
- 岩土力学试验数据
- 结构设计图纸
- 施工合同书
2、本文档所涉及的法律名词及注释:
- 土地滑坡:指地表土壤由于地下水位上升或者其他外力作用引起的地表土壤的垂直位移。
- 土壤侵蚀:指地表土壤被雨水和水流的冲刷、剥蚀等作用而逐渐丧失。
挡土墙计算(理正岩土)1. 挡土墙计算(理正岩土)1.1 挡土墙的定义和用途挡土墙是一种结构,用于抵御土壤的压力,防止土壤坍塌。
它通常用于控制土壤侵蚀、保护基础设施和提供支撑。
1.2 挡土墙的类型1.2.1 重力挡土墙1.2.2 填土挡土墙1.2.3 加筋土挡土墙1.2.4 桶形挡土墙2. 挡土墙的设计方法2.1 土壤力学参数的确定2.1.1 地基土壤的重度和孔隙比2.1.2 坡度土壤的内摩擦角和抗剪强度2.1.3 土壤的背填率和土壤密度2.2 挡土墙的几何参数2.2.1 基宽和顶宽2.2.2 墙高和坡度2.2.3 墙的高度和宽度比例2.3 挡土墙的稳定性计算2.3.1 土壤力的计算2.3.2 应力和应变分析2.3.3 挡土墙倾覆的稳定性2.3.4 挡土墙滑动的稳定性2.3.5 挡土墙底端的稳定性3. 挡土墙的施工和维护3.1 施工材料的选择3.2 施工方法和程序3.3 挡土墙的维护和修复4. 本文所涉及的法律名词及注释4.1 挡土墙:根据《城市房屋建筑设计规范》中的定义,挡土墙是指用于抵御土壤的压力的墙体结构。
4.2 土壤力:土壤对结构物施加的水平和垂直力。
4.3 摩擦角:土壤颗粒之间的内摩擦角度。
4.4 抗剪强度:土壤抵抗剪切力的能力。
4.5 应力:物体上受到的力的作用。
4.6 应变:物体在受力情况下发生的变形。
5. 本文档涉及附件附件1:挡土墙设计图纸附件2:挡土墙施工方案附件3:挡土墙施工材料列表2. 挡土墙计算(山河土工)1. 挡土墙的定义和用途挡土墙是一种人工结构,用于抵抗土壤的压力,防止土壤发生变形和坍塌。
它主要用于土方工程、河道治理和土地利用等领域。
2. 挡土墙的类型及特点2.1 重力挡土墙:通过墙体的自重抵抗土壤压力。
2.2 土石挡土墙:利用土石结构的摩擦力抵抗土壤压力。
2.3 钢筋混凝土挡土墙:在土石挡土墙上加入钢筋混凝土墙体,增强抵抗土壤压力的能力。
2.4 土工格栅挡土墙:利用土工格栅的抗拉性能,增加土壤的抗剪强度。
扶壁式挡土墙稳定计算一、计算条件扶壁式挡土墙,如图1。
完建无水情况,级建筑物,基本荷载组合。
挡土墙高H=6.60m,埋入基础深度1.10m。
地基容许承载力[R]=70Kn/m2,墙背填土重度γ=18Kn/m3,墙背填土内摩擦角φ=28o。
滑动稳定安全系数Kc≥[Kc]=1.3,倾覆稳定安全系数K0≥[K0]=1.5。
二、作用在挡土墙上的荷载计算(一)土压力计算在挡土墙稳定计算中,按朗肯公式计算作用在墙踵垂直面上的土压力,填土面无斜坡。
Ka=tan245o-φ2=tan245o-28o2=0.36Pa=12γH2Ka=12×18×6.6×6.6×0.36=141.134kPa图1 扶壁式挡土墙断面尺寸(二)墙身自重和踵板上的土重计算1、墙身自重G1=0.5×0.5×25=6.25KnG2=0.5×0.5×0.5×25=3.125kNG3=6×0.6×25=90kNG4=(0.4+0.6) ×6×0.5×25=75Kn2、作用在踵板上的土重G5=(4.2+4.4) ×6×0.5×18=464.4kN列表计算作用在挡土墙上的总垂直力G、总水平力H及总弯矩M,见表格1四、稳定验算(一)抗滑稳定验算Kc=tanφ0G+C0AH=tan28o×638.775116.8296=2.91>[Kc](二)偏心距计算及基底应力验算e=B2-MG=62-2222.784-233.6591638.775=-0.114σminmax=GB1±6eB=638.7756×1±6×0.1146=94.33118.60kPae<B4=1mσmax=118.60kPa>R=70kPa需要进行地基处理。
扶壁式挡土墙算例某工程要求挡土高度为8.3m,墙后地面均布荷载标准值按qk=10kN / m2 考虑,墙后填土为砂类土,填土的内摩擦角标准值= 35°,填土重度γm=18kN/ m3,墙后填土水平,无地下水。
地基为粘性土,孔隙比e = 0.786 ,液性指数IL= 0.245,地基承载力特征值fak= 230kPa ,地基土重度γ=18.5kN / m3。
根据挡土墙所处的地理位置及墙高等因素综合考虑,选择采用扶壁式挡土墙,挡土墙安全等级为二级,试设计该挡土墙。
解:IL= 0.245 < 0.25 属坚硬粘性土,土对挡土墙基底的摩擦系数μ∈ (0.35, 0.45) ,取μ= 0.35 。
查规范得ηb = 0.3、ηd=1.6。
1)主要尺寸的拟定为保证基础埋深大于0.5m,取d=0.7m,挡土墙总高H=8.3m+d=9m。
两扶壁净距ln 取挡墙高度的1/3~1/4,可取ln= 3.00 ~ 2.25m ,取ln= 3.00m 。
用墙踵的竖直面作为假想墙背,计算得主动土压力系数根据抗滑移稳定要求,按式(3-6)计算得:取B2 + B3 = 4.80m ,其中B2=0.30m,B3=4.50m。
计算结果为负数说明若仅为了保证稳定性的要求不需设置墙趾板,但为了减少墙踵板配筋及使地基反力趋于均匀,取B1=0.60m。
B = B1 + B2+ B3= 0.6 + 0.3 + 4.5 = 5.4m 。
图 1 挡土墙基本尺寸2)土压力计算由于填土表面水平,第一破裂面与铅垂面夹角第二破裂面与铅垂面的夹角墙顶 A 与墙踵 C 连线 AC 与铅垂面的夹角因为α= 27.35°<αi= 27.5°,因此,不会在土体中出现第二破裂面,AC连线为实际破裂面。
按库伦理论计算土压力。
3)自重与填土重力a、立板+底板自重钢筋混凝土标准重度= 25kN / m3 ,其自重为:b.填土重及地面均布荷载总量墙身自重计算时,扶壁自重按填土计算,另墙趾上少量填土重量略去不计导致各项验算稍偏安全。
挡土墙计算(理正岩土)挡土墙计算(理正岩土)
1. 引言
1.1 目的
1.2 背景
1.3 作用
1.4 条件
2. 挡土墙类型及选择
2.1 重力挡土墙
2.1.1 设计原理
2.1.2 参数计算
2.2 填土挡土墙
2.2.1 设计原理
2.2.2 参数计算
2.3 框架挡土墙
2.3.1 设计原理
2.3.2 参数计算
2.4 挡土墙的选择
2.4.1 地质条件
2.4.2 工程要求
2.4.3 经济性考虑
3. 挡土墙计算
3.1 地基强度参数确定
3.1.1 原始数据采集 3.1.2 岩土试验分析 3.1.3 地基承载力计算 3.2 上部荷载计算
3.2.1 活荷载计算
3.2.2 静荷载计算
3.3 稳定性分析
3.3.1 土压力计算
3.3.2 外部稳定性分析 3.3.3 内部稳定性分析
3.4 结构设计
3.4.1 结构选择
3.4.2 墙体尺寸确定
3.4.3 墙顶宽度设计
3.4.4 墙的排水设计
4. 桩基础设计
4.1 桩的类型选择
4.2 桩基础承载力计算
4.3 桩的布置与间距
4.4 桩基础设计
5. 监测与施工要求
5.1 监测内容
5.2 施工质量要求
5.3 安全施工要求
扩展内容:
1. 本文档所涉及附件:无
2. 本文档所涉及的法律名词及注释:无。
-扶壁式挡土墙验算[执行标准:公路]计算项目:扶壁式挡土墙2计算时间:2014-02-14 00:04:31 星期五------------------------------------------------------------------------原始条件:墙身尺寸:墙身总高: 11.000(m)墙宽: 0.600(m)墙趾悬挑长DL: 3.200(m)-墙踵悬挑长DL1: 3.800(m)底板高DH: 1.100(m)墙趾端部高DH0: 0.800(m)扶肋间距: 3.000(m)扶肋厚: 0.600(m)扶壁两端墙面板悬挑长度: 0.984(m)设防滑凸榫:防滑凸榫尺寸BT1: 1.600(m)防滑凸榫尺寸BT: 1.500(m)防滑凸榫尺寸HT: 0.800(m)防滑凸榫被动土压力修正系数: 1.000防滑凸榫容许弯曲拉应力: 1.520(MPa)防滑凸榫容许剪应力: 1.520(MPa)钢筋合力点到外皮距离: 50(mm)墙趾埋深: 1.700(m)物理参数:混凝土墙体容重: 25.000(kN/m3)混凝土强度等级: C35纵筋级别: HRB400抗剪腹筋级别: HRB400裂缝计算钢筋直径: 20(mm)挡土墙类型: 一般挡土墙墙后填土内摩擦角: 35.000(度)墙后填土粘聚力: 0.000(kPa)墙后填土容重: 19.000(kN/m3)墙背与墙后填土摩擦角: 17.500(度)地基土容重: 19.000(kN/m3)修正后地基承载力特征值: 216.000(kPa)地基承载力特征值提高系数:墙趾值提高系数: 1.000墙踵值提高系数: 1.000平均值提高系数: 1.000墙底摩擦系数: 0.500地基土类型: 土质地基地基土内摩擦角: 35.000(度)土压力计算方法: 库仑坡线土柱:坡面线段数: 1折线序号水平投影长(m) 竖向投影长(m) 换算土柱数1 10.500 5.700 0地面横坡角度: 0.000(度)填土对横坡面的摩擦角: 35.000(度)墙顶标高: 0.000(m)挡墙分段长度: 10.000(m)钢筋混凝土配筋计算依据:《公路钢筋混凝土与预应力混凝土桥涵设计规范》(JTG D62-2004)========================================================== ===========第1 种情况: 1=============================================组合系数: 0.000=============================================[土压力计算] 计算高度为11.000(m)处的库仑主动土压力无荷载时的破裂角= 40.248(度)按假想墙背计算得到:第1破裂角:41.508(度)Ea=992.812(kN) Ex=582.751(kN) Ey=803.789(kN) 作用点高度Zy=3.667(m)因为俯斜墙背,需判断第二破裂面是否存在,计算后发现第二破裂面存在:第2破裂角=13.600(度) 第1破裂角=41.400(度)Ea=886.310(kN) Ex=586.132(kN) Ey=664.827(kN) 作用点高度Zy=3.849(m)墙身截面积= 15.020(m2) 重量= 375.500 (kN)整个墙踵上的土重(不包括超载) = 445.389(kN) 重心坐标(1.863,-5.716)(相对于墙面坡上角点)墙趾板上的土重= 45.600(kN) 相对于趾点力臂=1.493(m)(一) 滑动稳定性验算基底摩擦系数= 0.500采用防滑凸榫增强抗滑动稳定性,计算过程如下:基础底面宽度 B = 7.600 (m)墙身重力的力臂Zw = 3.653 (m)Ey的力臂Zx = 6.669 (m)Ex的力臂Zy = 3.849 (m)作用于基础底的总竖向力= 1531.316(kN) 作用于墙趾下点的总弯矩=5872.542(kN-m)基础底面合力作用点距离墙趾点的距离Zn = 3.835(m)基础底压应力: 墙趾=195.927 凸榫前沿=198.269 墙踵=207.051(kPa)凸榫前沿被动土压应力=727.326(kPa)凸榫抗弯强度验算:凸榫抗弯强度验算满足: 弯曲拉应力= 620.652 <= 1520.000(kPa)凸榫抗剪强度验算:凸榫抗剪强度验算满足: 剪应力= 387.907 <= 1520.000(kPa)滑移力= 586.132(kN) 抗滑力= 1189.841(kN)滑移验算满足: Kc = 2.030 > 1.300滑动稳定方程验算:滑动稳定方程满足: 方程值= 257.203(kN) > 0.0(二) 倾覆稳定性验算相对于墙趾点,墙身重力的力臂Zw = 3.653 (m)相对于墙趾点,墙踵上土重的力臂Zw1 = 5.063 (m)相对于墙趾点,墙趾上土重的力臂Zw2 = 1.493 (m)相对于墙趾点,Ey的力臂Zx = 6.669 (m)相对于墙趾点,Ex的力臂Zy = 3.849 (m)验算挡土墙绕墙趾的倾覆稳定性倾覆力矩= 2255.927(kN-m) 抗倾覆力矩= 8128.470(kN-m)倾覆验算满足: K0 = 3.603 > 1.500倾覆稳定方程验算:倾覆稳定方程满足: 方程值= 5133.581(kN-m) > 0.0(三) 地基应力及偏心距验算基础为天然地基,验算墙底偏心距及压应力作用于基础底的总竖向力= 1531.316(kN) 作用于墙趾下点的总弯矩=5872.542(kN-m)基础底面宽度 B = 7.600 (m) 偏心距e = -0.035(m)基础底面合力作用点距离基础趾点的距离Zn = 3.835(m)基底压应力: 趾部=195.927 踵部=207.051(kPa)最大应力与最小应力之比= 207.051 / 195.927 = 1.057作用于基底的合力偏心距验算满足: e=-0.035 <= 0.167*7.600 = 1.267(m)墙趾处地基承载力验算满足: 压应力=195.927 <= 216.000(kPa)墙踵处地基承载力验算满足: 压应力=207.051 <= 216.000(kPa)地基平均承载力验算满足: 压应力=201.489 <= 216.000(kPa)(四) 墙趾板强度计算标准值:作用于基础底的总竖向力= 1531.316(kN) 作用于墙趾下点的总弯矩=5872.542(kN-m)基础底面宽度 B = 7.600 (m) 偏心距e = -0.035(m)基础底面合力作用点距离趾点的距离Zn = 3.835(m)基础底压应力: 趾点=195.927 踵点=207.051(kPa)设计值:作用于基础底的总竖向力= 1531.316(kN) 作用于墙趾下点的总弯矩=5872.542(kN-m)基础底面宽度 B = 7.600 (m) 偏心距e = -0.035(m)基础底面合力作用点距离趾点的距离Zn = 3.835(m)基础底压应力: 趾点=195.927 踵点=207.051(kPa)[趾板根部]截面高度: H' = 1.100(m)截面弯矩: M = 0.000(kN-m)纵向受拉钢筋构造配筋:As = 2176.364(mm2)截面剪力: Q = 0.000(kN)剪力设计值= 0.000(kN) < 798.000(kN),可不进行斜截面抗剪承载力验算,箍筋取构造配筋:Av = 1.200(mm2/mm)。
q扶壁式挡土墙计算书(理正)扶壁式挡土墙验算[执行标准:公路]计算项目:扶壁式挡土墙 2计算时间:2014-02-14 00:04:31 星期五------------------------------------------------------------------------ 原始条件:墙身尺寸:墙身总高: 11.000(m)墙宽: 0.600(m)墙趾悬挑长DL: 3.200(m)墙踵悬挑长DL1: 3.800(m)底板高DH: 1.100(m)墙趾端部高DH0: 0.800(m)扶肋间距: 3.000(m)扶肋厚: 0.600(m)扶壁两端墙面板悬挑长度: 0.984(m)设防滑凸榫:防滑凸榫尺寸BT1: 1.600(m)防滑凸榫尺寸BT: 1.500(m)防滑凸榫尺寸HT: 0.800(m)防滑凸榫被动土压力修正系数: 1.000防滑凸榫容许弯曲拉应力: 1.520(MPa)防滑凸榫容许剪应力: 1.520(MPa)钢筋合力点到外皮距离: 50(mm)墙趾埋深: 1.700(m)物理参数:混凝土墙体容重: 25.000(kN/m3)混凝土强度等级: C35纵筋级别: HRB400抗剪腹筋级别: HRB400裂缝计算钢筋直径: 20(mm)挡土墙类型: 一般挡土墙墙后填土内摩擦角: 35.000(度)墙后填土粘聚力: 0.000(kPa)墙后填土容重: 19.000(kN/m3)墙背与墙后填土摩擦角: 17.500(度)地基土容重: 19.000(kN/m3)修正后地基承载力特征值: 216.000(kPa)地基承载力特征值提高系数:墙趾值提高系数: 1.000墙踵值提高系数: 1.000平均值提高系数: 1.000墙底摩擦系数: 0.500地基土类型: 土质地基地基土内摩擦角: 35.000(度)土压力计算方法: 库仑坡线土柱:坡面线段数: 1折线序号水平投影长(m) 竖向投影长(m) 换算土柱数1 10.500 5.700 0地面横坡角度: 0.000(度)填土对横坡面的摩擦角: 35.000(度)墙顶标高: 0.000(m)挡墙分段长度: 10.000(m)钢筋混凝土配筋计算依据:《公路钢筋混凝土与预应力混凝土桥涵设计规范》(JTG D62-2004) =====================================================================第 1 种情况: 1=============================================组合系数: 0.000=============================================[土压力计算] 计算高度为 11.000(m)处的库仑主动土压力无荷载时的破裂角 = 40.248(度)按假想墙背计算得到:第1破裂角: 41.508(度)Ea=992.812(kN) Ex=582.751(kN) Ey=803.789(kN) 作用点高度 Zy=3.667(m) 因为俯斜墙背,需判断第二破裂面是否存在,计算后发现第二破裂面存在:第2破裂角=13.600(度) 第1破裂角=41.400(度)Ea=886.310(kN) Ex=586.132(kN) Ey=664.827(kN) 作用点高度 Zy=3.849(m) 墙身截面积 = 15.020(m2) 重量 = 375.500 (kN)整个墙踵上的土重(不包括超载) = 445.389(kN) 重心坐标(1.863,-5.716)(相对于墙面坡上角点)墙趾板上的土重 = 45.600(kN) 相对于趾点力臂=1.493(m)(一) 滑动稳定性验算基底摩擦系数 = 0.500采用防滑凸榫增强抗滑动稳定性,计算过程如下:基础底面宽度 B = 7.600 (m)墙身重力的力臂 Zw = 3.653 (m)Ey的力臂 Zx = 6.669 (m)Ex的力臂 Zy = 3.849 (m)作用于基础底的总竖向力 = 1531.316(kN) 作用于墙趾下点的总弯矩=5872.542(kN-m)基础底面合力作用点距离墙趾点的距离 Zn = 3.835(m)基础底压应力: 墙趾=195.927 凸榫前沿=198.269 墙踵=207.051(kPa)凸榫前沿被动土压应力=727.326(kPa)凸榫抗弯强度验算:凸榫抗弯强度验算满足: 弯曲拉应力 = 620.652 <= 1520.000(kPa)凸榫抗剪强度验算:凸榫抗剪强度验算满足: 剪应力 = 387.907 <= 1520.000(kPa)滑移力= 586.132(kN) 抗滑力= 1189.841(kN)滑移验算满足: Kc = 2.030 > 1.300滑动稳定方程验算:滑动稳定方程满足: 方程值 = 257.203(kN) > 0.0(二) 倾覆稳定性验算相对于墙趾点,墙身重力的力臂 Zw = 3.653 (m)相对于墙趾点,墙踵上土重的力臂 Zw1 = 5.063 (m)相对于墙趾点,墙趾上土重的力臂 Zw2 = 1.493 (m)相对于墙趾点,Ey的力臂 Zx = 6.669 (m)相对于墙趾点,Ex的力臂 Zy = 3.849 (m)验算挡土墙绕墙趾的倾覆稳定性倾覆力矩= 2255.927(kN-m) 抗倾覆力矩= 8128.470(kN-m)倾覆验算满足: K0 = 3.603 > 1.500倾覆稳定方程验算:倾覆稳定方程满足: 方程值 = 5133.581(kN-m) > 0.0(三) 地基应力及偏心距验算基础为天然地基,验算墙底偏心距及压应力作用于基础底的总竖向力 = 1531.316(kN) 作用于墙趾下点的总弯矩=5872.542(kN-m)基础底面宽度 B = 7.600 (m) 偏心距 e = -0.035(m)基础底面合力作用点距离基础趾点的距离 Zn = 3.835(m)基底压应力: 趾部=195.927 踵部=207.051(kPa)最大应力与最小应力之比 = 207.051 / 195.927 = 1.057作用于基底的合力偏心距验算满足: e=-0.035 <= 0.167*7.600 = 1.267(m)墙趾处地基承载力验算满足: 压应力=195.927 <= 216.000(kPa)墙踵处地基承载力验算满足: 压应力=207.051 <= 216.000(kPa)地基平均承载力验算满足: 压应力=201.489 <= 216.000(kPa)(四) 墙趾板强度计算标准值:作用于基础底的总竖向力 = 1531.316(kN) 作用于墙趾下点的总弯矩=5872.542(kN-m)基础底面宽度 B = 7.600 (m) 偏心距 e = -0.035(m)基础底面合力作用点距离趾点的距离 Zn = 3.835(m)基础底压应力: 趾点=195.927 踵点=207.051(kPa)设计值:作用于基础底的总竖向力 = 1531.316(kN) 作用于墙趾下点的总弯矩=5872.542(kN-m)基础底面宽度 B = 7.600 (m) 偏心距 e = -0.035(m)基础底面合力作用点距离趾点的距离 Zn = 3.835(m)基础底压应力: 趾点=195.927 踵点=207.051(kPa)[趾板根部]截面高度: H' = 1.100(m)截面弯矩: M = 0.000(kN-m)纵向受拉钢筋构造配筋:As = 2176.364(mm2)截面剪力: Q = 0.000(kN)剪力设计值 = 0.000(kN) < 798.000(kN),可不进行斜截面抗剪承载力验算,箍筋取构造配筋:Av = 1.200(mm2/mm)。
扶壁式挡土墙计算书溢洪闸的上下游连接段边墙较高,采用C20扶壁式挡土墙。
墙高自12.2~17.4m 高不等,在此选用17.4m 墙高为例进行计算。
其余计算方法相同,不再一一列出。
(一)基本设计资料1.钢筋砼扶壁式挡土墙,墙高H =17.4m ,埋入土中深度h =1.4m ,墙趾板按照无覆盖土考虑。
2.墙后回填土参数考虑墙过高,土压力过大,采用水泥土回填,容重取用γ=1.8T/m 3。
要求等值内摩擦角ψ≥55°。
等值内摩擦角是指把粘聚力计入内摩擦角内的数值,其值可以用下式计算:221122/4)245(4)245()245(H C CAtg tg H tg γγϕϕγϕ+---=-式中:ψ′,C 为现场实测回填土的内摩擦角和粘聚力。
3.抗滑稳定系数K C ≥1.3,倾覆稳定系数K 0≥1.5,滑动摩擦系数f =0.4。
4.C20砼抗压强度f C =10.0N/mm 2;抗拉强度f 1=1.10N/mm 2II 级钢筋抗拉强度[σg ]=310N/mm 2。
II 级钢筋弹性模量Eg =2.0×105 N/mm 25.砼裂缝容许开展宽度δmax =0.25mm(二)计算方法1.计算的一般方法扶壁式挡圭墙由趾板、踵板、墙面板及肋四部分组成,设计时取两肋跨中到跨中或肋中到肋中为一计算单元;对于趾板和肋分别按矩形或肋形悬壁梁考虑;对于墙面板和踵板是三向固定板,属超静定结构,按简化假定的近似方法进行计算。
具体计算采用《城市道路设计手册》中挡土墙设计的有关章节提供的简化方法。
2.墙面板和踵板计算荷载(1)墙面板为简化计算,近似采用图1中的梯形ABCDE 来代替相应的法向应力图,外力图形中假设H121σσ=Pj 。
对于两肋中点的正弯矩采用跨中1/2段承受最大土压力σPj (图2);对于墙面板与肋固着端的负弯矩,采用第三个41H 1段承受最大土压力σPj (图3)。
(2)踵板考虑踵板与墙面板的固着作用,作用于踵板上的法向应力按三角形分布计算,最大值在踵板端处等于W(图4)。
扶壁式挡土墙验算[执行标准:公路]计算项目:扶壁式挡土墙 2计算时间:2014-02-14 00:04:31 星期五------------------------------------------------------------------------ 原始条件:墙身尺寸:墙身总高: 11.000(m)墙宽: 0.600(m)墙趾悬挑长DL: 3.200(m)墙踵悬挑长DL1: 3.800(m)底板高DH: 1.100(m)墙趾端部高DH0: 0.800(m)扶肋间距: 3.000(m)扶肋厚: 0.600(m)扶壁两端墙面板悬挑长度: 0.984(m)设防滑凸榫:防滑凸榫尺寸BT1: 1.600(m)防滑凸榫尺寸BT: 1.500(m)防滑凸榫尺寸HT: 0.800(m)防滑凸榫被动土压力修正系数: 1.000防滑凸榫容许弯曲拉应力: 1.520(MPa)防滑凸榫容许剪应力: 1.520(MPa)钢筋合力点到外皮距离: 50(mm)墙趾埋深: 1.700(m)物理参数:混凝土墙体容重: 25.000(kN/m3)混凝土强度等级: C35纵筋级别: HRB400抗剪腹筋级别: HRB400裂缝计算钢筋直径: 20(mm)挡土墙类型: 一般挡土墙墙后填土内摩擦角: 35.000(度)墙后填土粘聚力: 0.000(kPa)墙后填土容重: 19.000(kN/m3)墙背与墙后填土摩擦角: 17.500(度)地基土容重: 19.000(kN/m3)修正后地基承载力特征值: 216.000(kPa)地基承载力特征值提高系数:墙趾值提高系数: 1.000墙踵值提高系数: 1.000平均值提高系数: 1.000墙底摩擦系数: 0.500地基土类型: 土质地基地基土内摩擦角: 35.000(度)土压力计算方法: 库仑坡线土柱:坡面线段数: 1折线序号水平投影长(m) 竖向投影长(m) 换算土柱数1 10.500 5.700 0地面横坡角度: 0.000(度)填土对横坡面的摩擦角: 35.000(度)墙顶标高: 0.000(m)挡墙分段长度: 10.000(m)钢筋混凝土配筋计算依据:《公路钢筋混凝土与预应力混凝土桥涵设计规范》(JTG D62-2004) =====================================================================第 1 种情况: 1=============================================组合系数: 0.000=============================================[土压力计算] 计算高度为 11.000(m)处的库仑主动土压力无荷载时的破裂角 = 40.248(度)按假想墙背计算得到:第1破裂角: 41.508(度)Ea=992.812(kN) Ex=582.751(kN) Ey=803.789(kN) 作用点高度 Zy=3.667(m) 因为俯斜墙背,需判断第二破裂面是否存在,计算后发现第二破裂面存在:第2破裂角=13.600(度) 第1破裂角=41.400(度)Ea=886.310(kN) Ex=586.132(kN) Ey=664.827(kN) 作用点高度 Zy=3.849(m) 墙身截面积 = 15.020(m2) 重量 = 375.500 (kN)整个墙踵上的土重(不包括超载) = 445.389(kN) 重心坐标(1.863,-5.716)(相对于墙面坡上角点)墙趾板上的土重 = 45.600(kN) 相对于趾点力臂=1.493(m)(一) 滑动稳定性验算基底摩擦系数 = 0.500采用防滑凸榫增强抗滑动稳定性,计算过程如下:基础底面宽度 B = 7.600 (m)墙身重力的力臂 Zw = 3.653 (m)Ey的力臂 Zx = 6.669 (m)Ex的力臂 Zy = 3.849 (m)作用于基础底的总竖向力 = 1531.316(kN) 作用于墙趾下点的总弯矩=5872.542(kN-m)基础底面合力作用点距离墙趾点的距离 Zn = 3.835(m)基础底压应力: 墙趾=195.927 凸榫前沿=198.269 墙踵=207.051(kPa)凸榫前沿被动土压应力=727.326(kPa)凸榫抗弯强度验算:凸榫抗弯强度验算满足: 弯曲拉应力 = 620.652 <= 1520.000(kPa)凸榫抗剪强度验算:凸榫抗剪强度验算满足: 剪应力 = 387.907 <= 1520.000(kPa)滑移力= 586.132(kN) 抗滑力= 1189.841(kN)滑移验算满足: Kc = 2.030 > 1.300滑动稳定方程验算:滑动稳定方程满足: 方程值 = 257.203(kN) > 0.0(二) 倾覆稳定性验算相对于墙趾点,墙身重力的力臂 Zw = 3.653 (m)相对于墙趾点,墙踵上土重的力臂 Zw1 = 5.063 (m)相对于墙趾点,墙趾上土重的力臂 Zw2 = 1.493 (m)相对于墙趾点,Ey的力臂 Zx = 6.669 (m)相对于墙趾点,Ex的力臂 Zy = 3.849 (m)验算挡土墙绕墙趾的倾覆稳定性倾覆力矩= 2255.927(kN-m) 抗倾覆力矩= 8128.470(kN-m)倾覆验算满足: K0 = 3.603 > 1.500倾覆稳定方程验算:倾覆稳定方程满足: 方程值 = 5133.581(kN-m) > 0.0(三) 地基应力及偏心距验算基础为天然地基,验算墙底偏心距及压应力作用于基础底的总竖向力 = 1531.316(kN) 作用于墙趾下点的总弯矩=5872.542(kN-m)基础底面宽度 B = 7.600 (m) 偏心距 e = -0.035(m)基础底面合力作用点距离基础趾点的距离 Zn = 3.835(m)基底压应力: 趾部=195.927 踵部=207.051(kPa)最大应力与最小应力之比 = 207.051 / 195.927 = 1.057作用于基底的合力偏心距验算满足: e=-0.035 <= 0.167*7.600 = 1.267(m)墙趾处地基承载力验算满足: 压应力=195.927 <= 216.000(kPa)墙踵处地基承载力验算满足: 压应力=207.051 <= 216.000(kPa)地基平均承载力验算满足: 压应力=201.489 <= 216.000(kPa)(四) 墙趾板强度计算标准值:作用于基础底的总竖向力 = 1531.316(kN) 作用于墙趾下点的总弯矩=5872.542(kN-m)基础底面宽度 B = 7.600 (m) 偏心距 e = -0.035(m)基础底面合力作用点距离趾点的距离 Zn = 3.835(m)基础底压应力: 趾点=195.927 踵点=207.051(kPa)设计值:作用于基础底的总竖向力 = 1531.316(kN) 作用于墙趾下点的总弯矩=5872.542(kN-m)基础底面宽度 B = 7.600 (m) 偏心距 e = -0.035(m)基础底面合力作用点距离趾点的距离 Zn = 3.835(m)基础底压应力: 趾点=195.927 踵点=207.051(kPa)[趾板根部]截面高度: H' = 1.100(m)截面弯矩: M = 0.000(kN-m)纵向受拉钢筋构造配筋:As = 2176.364(mm2)截面剪力: Q = 0.000(kN)剪力设计值 = 0.000(kN) < 798.000(kN),可不进行斜截面抗剪承载力验算,箍筋取构造配筋:Av = 1.200(mm2/mm)。
截面弯矩: M(标准值) = 818.117(kN-m)最大裂缝宽度:鋐max = 0.522 > 鋐limit = 0.200(mm)!满足允许裂缝宽度的钢筋面积为:As = 5686.364(mm2),对应的裂缝宽度为:0.200(mm)(五) 墙踵板强度计算标准值:作用于基础底的总竖向力 = 1531.316(kN) 作用于墙趾下点的总弯矩=5872.542(kN-m)基础底面宽度 B = 7.600 (m) 偏心距 e = -0.035(m)基础底面合力作用点距离趾点的距离 Zn = 3.835(m)基础底压应力: 趾点=195.927 踵点=207.051(kPa)设计值:作用于基础底的总竖向力 = 1531.316(kN) 作用于墙趾下点的总弯矩=5872.542(kN-m)基础底面宽度 B = 7.600 (m) 偏心距 e = -0.035(m)基础底面合力作用点距离趾点的距离 Zn = 3.835(m)基础底压应力: 趾点=195.927 踵点=207.051(kPa)截面高度: H' = 1.100(m)踵板边缘的法向应力 = 287.566(kPa)踵板边缘的法向应力标准值 = 423.541(kPa)支座弯矩: M = 0.000(kN-m/m)纵向受拉钢筋构造配筋:As = 2176.364(mm2)支座弯矩: M(标准值) = 203.300(kN-m/m)最大裂缝宽度:鋐max = 0.130(mm) < 鋐limit = 0.200(mm)。
踵板与肋结合处剪力: Q = 0.000(kN/m)剪力设计值 = 0.000(kN) < 798.000(kN),可不进行斜截面抗剪承载力验算,箍筋取构造配筋:Av = 1.200(mm2/mm)。
跨中弯矩: M = 0.000(kN-m/m)纵向受拉钢筋构造配筋:As = 2176.364(mm2)跨中弯矩: M(标准值) = 121.980(kN-m/m)最大裂缝宽度:鋐max = 0.078(mm) < 鋐limit = 0.200(mm)。
(六) 墙面板强度计算截面高度: H' = 0.600(m)替代土压力图形中,面板的设计法向应力 = 48.462(kPa)替代土压力图形中,面板的设计法向应力(标准值) = 48.462(kPa)[水平向强度验算]净跨长为2.400(m)支座弯矩: M = 0.000(kN-m/m)纵向受拉钢筋构造配筋:As = 1140.000(mm2)支座弯矩: M(标准值) = 23.262(kN-m/m)最大裂缝宽度:鋐max = 0.054(mm) < 鋐limit = 0.200(mm)。
支座处剪力: Q = 0.000(kN/m)剪力设计值 = 0.000(kN) < 418.000(kN),可不进行斜截面抗剪承载力验算,箍筋取构造配筋:Av = 1.200(mm2/mm)。